| Скачать .docx |
Дипломная работа: Расчет автомобильного карбюраторного двигателя
Министерство образования Российской Федерации
ГОСУДАРСТВЕННОЕ ОБРАЗОВАТЕЛЬНОЕ УЧРЕЖДЕНИЕ
ВЫСШЕГО ПРОФЕССИОНАЛЬНОГО ОБРАЗОВАНИЯ
«ОРЕНБУРГСКИЙ ГОСУДАРСТВЕННЫЙ УНИВЕРСИТЕТ»
Транспортный факультет
Кафедра автомобильного транспорта
Курсовой проект
по автомобильным двигателям
Расчет автомобильного карбюраторного двигателя
Пояснительная записка
ГОУ ОГУ 150200.4.1.05.12 ПЗ
Руководитель проекта
_________Калимуллин Р.Ф.
«__»_______________2006г.
Исполнитель
студент гр. 03 ААХ-1
________Полстовалов А.М.
«__»_______________2006г.
Оренбург 2006г.
Содержание
Введение…………………………………………………………………………...4
1 Задание на курсовое проектирование……………………………………….…5 2 Тепловой расчет рабочего цикла………………………………………………6 2.1 Рабочее тело и его свойства………………………………………………….6 2.1.1 Топливо………………………………………………………………………6 2.1.2 Горючая смесь……………………………………………………………….6 2.1.3 Продукты сгорания………………………………………………………….7 2.2 Процесс впуска………………………………………………………………..8 2.2.1 Давление и температура окружающей среды……………………………..8 2.2.2 Давление и температура остаточных газов………………………………..8 2.2.3 Степень подогрева заряда…………………………………………………..8 2.2.4 Давление в конце впуска……………………………………………………8 2.2.5 Коэффициент и количество остаточных газов……………………………9 2.2.6 Температура в конце впуска………………………………………………..9 2.2.7 Коэффициент наполнения………………………………………………….9 2.3 Процесс сжатия……………………………………………………………..10 2.3.1 Показатель политропы сжатия……………………………………………10 2.3.2 Давление и температура конца процесса сжатия………………………10 2.3.3 Средняя мольная теплоемкость рабочей смеси в конце сжатия………10 2.4 Процесс сгорания……………………………………………………………11 2.4.1 Коэффициент молекулярного изменения рабочей смеси……………….11 2.4.2 Температура конца видимого сгорания………………………………….11 2.4.3 Степень повышения давления цикла……………………………………..13 2.4.4 Степень предварительного расширения………………………………….13 2.4.5 Максимальное давление сгорания………………………………………..13 2.5 Процесс расширения………………………………………………………...13 2.5.1 Показатель политропы расширения……………………………………...13 2.5.2 Давление и температура конца процесса расширения………………….13 2.6 Проверка точности выбора температуры остаточных газов……………...14 2.7 Индикаторные показатели рабочего цикла………………………………...14 2.7.1 Среднее индикаторное давление………………………………………….14 2.7.2 Индикаторный КПД……………………………………………………….15 2.7.3 Индикаторный удельный расход топлива………………………………..15 2.8 Эффективные показатели двигателя………………………………………..15 2.8.1 Давление механических потерь…………………………………………..15 2.8.2 Среднее эффективное давление…………………………………………..16 2.8.3 Механический КПД………………………………………………………..16 2.8.4 Эффективный КПД………………………………………………………...16 2.8.5 Эффективный удельный расход топлива………………………………...16 2.9 Основные параметры и показатели двигателя……………………………..16
2.10 Оценка надежности двигателя…………………………………………….18 2.11 Тепловой баланс……………………………………………………………19 2.12 Построение индикаторной диаграммы……………………………………21 3 Расчет внешней скоростной характеристики………………………………..26 4 Динамический расчет кривошипно-шатунного механизма………………...32 4.1 Расчет силовых факторов, действующих в кривошипно-шатунном механизме………………………………………………………………………...32 4.2 Построение графиков сил и моментов……………………………………..34 5 Расчет деталей на прочность………………………………………………….39 5.1 Поршень……………………………………………………………………...39 5.1.1 Днище поршня……………………………………………………………..41 5.1.2 Головка поршня……………………………………………………………41 5.1.3 Юбка поршня………………………………………………………………42 5.2 Поршневое кольцо…………………………………………………………...43 5.3 Шатун………………………………………………………………………...45 5.3.1 Поршневая головка………………………………………………………...45 5.3.2 Кривошипная головка……………………………………………………..47 5.3.3 Стержень шатуна…………………………………………………………..48 6 Расчет системы жидкостного охлаждения…………………………………...50 6.1 Емкость системы охлаждения………………………………………………50 6.2 Жидкостный насос…………………………………………………………..50 6.3 Жидкостный радиатор………………………………………………………52 6.4 Вентилятор…………………………………………………………………...53
Приложения.
Приложение А. Таблица сравнения показателей рассчитанного двигателя с прототипом……………………………………………………………………….55
Приложение Б. Техническая характеристика двигателя……………………...57
Введение
Современные наземные виды транспорта обязаны своим развитием главным образом применению в качестве силовых установок поршневых двигателей внутреннего сгорания. Именно поршневые ДВС до настоящего времени являются основным видом силовых установок, преимущественно используемых на автомобилях, тракторах, сельскохозяйственных, дорожно-транспортных и строительных машинах. Эта тенденция сохраняется сегодня и будет еще сохранятся в ближайшей перспективе.
Курсовое проектирование – заключительная часть учебного процесса по изучению дисциплины, раскрывающее степень усвоения необходимых знаний, творческого использования их для решения конкретных инженерных задач. Оно служит одновременно начальным этапом самостоятельной работы молодого специалиста, сокращающий период его адаптации на производстве. Целью данного курсового проектирования является расчет проектируемого автомобильного двигателя.
Министерство образования Российской Федерации
ГОСУДАРСТВЕННОЕ ОБРАЗОВАТЕЛЬНОЕ УЧРЕЖДЕНИЕ
ВЫСШЕГО ПРОФЕССИОНАЛЬНОГО ОБРАЗОВАНИЯ
«ОРЕНБУРГСКИЙ ГОСУДАРСТВЕННЫЙ УНИВЕРСИТЕТ»
Транспортный факультет
Кафедра автомобильного транспорта
1. Задание на курсовое проектирование
Исходные данные: Тип двигателя – карбюраторный;
Номинальная мощность
=80 кВт;
Номинальная частота вращения
=4400 об/мин;
Число цилиндров
4;
Степень сжатия
8,5;
Охлаждение — жидкостное;
Детали для расчета — поршень, поршневое
кольцо, шатун;
Система для расчета — охлаждения.
Разработать:
1)Тепловой расчет рабочего цикла;
2)Расчет внешней скоростной характеристики;
3)Динамический расчет КШМ;
4)Рассчитать на прочность детали;
5)Рассчитать систему;
6)Поперечный и продольный разрезы двигателя.
Дата выдачи задания «___»_____________2005г.
Руководитель Калимуллин Р.Ф.
Исполнитель
Студент гр. 02ААХ-1 Полстовалов А.М.
Срок защиты проекта «___»_____________2006г.
2 Тепловой расчет рабочего цикла
2.1 Рабочее тело и его свойства
2.1.1 Топливо
Топливом для рассчитываемого двигателя служит бензин А-76
по ГОСТ 2084-77.
Элементный состав топлива:
;
;
.
Низшая теплота сгорания
в кДж/кг:
![]()
где
и
– массовые доли серы и влаги в топливе.
В расчетах принимается
;
.
![]()
2.1.2 Горючая смесь
Теоретически необходимое количество топлива
в кг·возд/кг·топл:
![]()
![]()
и
в кмоль возд/кг топл:
![]()
![]()
Коэффициент избытка воздуха
=0,85…0,98 Принимаем
=0,9
Действительное количество воздуха
в кмоль·возд/кг·топл:
![]()
![]()
Молекулярная масса паров топлива
=110…120 кг/кмоль.
Принимаем
=114 кг/кмоль.
Количество горючей смеси
в кмоль гор.см/кг топл:
![]()
![]()
2.1.3 Продукты сгорания
При неполном сгорании топлива продукты сгорания представляют собой смесь углекислого газа
, водяного пара
, окиси углерода
, свободного водорода
и азота
.
Количество отдельных составляющих продуктов сгорания в
кмоль пр.сг/кг топл:
![]()
,
![]()
,
![]()
,
![]()
![]()
![]()
,
где
– константа, зависящая от отношения количества водорода и окиса углерода в продуктах сгорания; для бензинов
=0,45…0,5
Принимаем
=0,5
Общее количество продуктов
неполного сгорания в кмоль·пр.сг/кг·топл:
![]()
.
Изменение количества молей рабочего тела при сгорании
в кмоль пр.сг/кг топл:
![]()
.
Химический коэффициент молекулярного изменения горючей смеси:
![]()
![]()
2.2 Процесс впуска
2.2.1 Давление и температура окружающей среды
Атмосферные условия: Р0 =0,1 МПа; Т0 =293 К.
2.2.2 Давление и температура остаточных газов
Pr =(1,05…1,25)P0, Принимаем Pr =0,12 МПа.
Tr =900…1100 К Принимаем Tr =1000 К.
2.2.3 Степень подогрева заряда
=0…20 К, Принимаем
=15 К.
2.2.4 Давление в конце впуска
– средняя скорость движения заряда при максимальном открытии клапана
м/с
Принимаем
,
м/с
Плотность заряда на впуске
в кг/м3
:
![]()
![]()
Так как наддув отсутствует впуск воздуха происходит из атмосферы, то
МПа,
К.
Потери давления во впускном трубопроводе
в МПа:
![]()
![]()
Давления в конце впуска
в МПа:
![]()
![]()
2.2.5 Коэффициент и количество остаточных газов
Коэффициент остаточных газов
:
![]()
![]()
Количество остаточных газов
в кмоль ост.газов/кг топл:
![]()
.
2.2.6 Температура в конце впуска
Температура в конце впуска
в градусах Кельвина (К):
![]()
![]()
2.2.7 Коэффициент наполнения
![]()
.
Таблица 2.1―Рассчитанные параметры процесса впуска в сравнении со значениями этих параметров у современных автомобильных двигателей
| Тип двигателя | Параметры | |||
| γr | ||||
| Карбюраторные | 0,080…0,095 | 0,04…0,10 | 340…370 | 0,70…0,90 |
Рассчитываемый двигатель |
0,085 | 0,061 | 347,8 | 0,764 |
2.3 Процесс сжатия
2.3.1 Показатель политропы сжатия
Средний показатель адиабаты сжатия
:
![]()
![]()
Показатель политропы сжатия ![]()
1,36
2.3.2 Давление и температура конца процесса сжатия
Давление
в МПа и температура
в градусах Кельвина (К) а конце процесса сжатия:
;
.
2.3.3 Средняя мольная теплоемкость рабочей смеси в конце сжатия
Температура конца процесса сжатия
в градусах Цельсия (ºС):
![]()
![]()
Средняя мольная теплоемкость остаточных газов в конце сжатия
в
кДж/(кмоль·град):
![]()
![]()
Средняя мольная теплоемкость остаточных газов в конце сжатия
в
кДж/(кмоль·град):
![]()
![]()
Средняя мольная теплоемкость рабочей смеси
в кДж/(кмоль·град):
;
Таблица 2.2― Значения параметров процесса сжатия
| Тип двигателя | Параметры | ||
| Карбюраторные | 1,34…1,38 | 0,9…2,0 | 600…800 |
Рассчитываемый двигатель |
1,36 | 1,56 | 751,5 |
2.4 Процесс сгорания
2.4.1 Коэффициент молекулярного изменения рабочей смеси
![]()
.
2.4.2 Температура конца видимого сгорания
Температура газа
в конце видимого сгорания определяется с использованием решения уравнения сгорания, которая имеет вид:
.
где
— коэффициент использования низшей теплоты сгорания на участке видимого сгорания,
=0,8…0,95 Принимаем
=0,85
— потеря теплоты вследствие химической неполноты сгорания, кДж/кг
при
<1
![]()
![]()
— средняя мольная теплоемкость продуктов сгорания при постоянном объеме, кДж/(кмоль·град):
.
Отдельные средние мольные теплоемкости продуктов сгорания при изменении температуры в диапазоне 1501…2800 ºС, могут быть выражены в зависимости от температуры
:
;
;
;
;
.

Получаем квадратное уравнение вида:
.
Температура в конце видимого сгорания в градусах Цельсия (ºС):
.
Температура
в градусах Кельвина (К):
.
2.4.3 Степень повышения давления цикла
; ![]()
2.4.4 Степень предварительного расширения
=1.
2.4.5 Максимальное давление сгорания
Максимальное давление
в МПа в конце сгорания:
![]()
![]()
Таблица 2.3― Значения параметров процесса сгорания
| Тип двигателя | Параметры | |||
| Карбюраторные | 3,2…4,2 | 1,0 | 3,5…7,5 | 2400…3100 |
Рассчитываемый двигатель |
3,76 | 1,0 | 5,86 | 2630 |
2.5 Процесс расширения.
2.5.1 Показатель политропы расширения
Средний показатель адиабаты расширения
:
;
.
2.5.2 Давление и температура конца процесса расширения
Степень последующего расширения:
; ![]()
Давление
в МПа и температура
в градусах Кельвина (К) в конце процесса расширения:
; ![]()
; ![]()
Таблица 2.4― Значения параметров процесса расширения
| Тип двигателя | Параметры | ||
| Карбюраторные | 1,23..1,30 | 0,35…0,6 | 1200…1700 |
Рассчитываемый двигатель |
1,258 | 0,397 | 1514,1 |
2.6 Проверка точности выбора температуры остаточных газов
Расчетное значение температуры остаточных газов
в К:
; 
Расхождение между принятой величиной
и рассчитанной
:
; ![]()
2.7 Индикаторные показатели рабочего цикла
2.7.1 Среднее индикаторное давление
Среднее теоретическое индикаторное давление
в МПа:
;

Среднее действительное индикаторное давление действительного цикла
в МПа:
; ![]()
где
— коэффициент полноты индикаторной диаграммы
=0,94…0,97 Принимаем
=0,96
2.7.2 Индикаторный КПД
; ![]()
2.7.3 Индикаторный удельный расход топлива
Индикаторный удельный расход топлива
в г/(кВт·ч):
; ![]()
Таблица 2.5― Значения индикаторных показателей двигателей
| Тип двигателя | Параметры | ||
| Карбюраторные | 0,6…1,4 | 0,3…0,4 | 210,,,275 |
Рассчитываемый двигатель |
0,9383 | 0,372 | 220,3 |
2.8 Эффективные показатели двигателя
2.8.1 Давление механических потерь
Принимаем: экспериментальные коэффициенты
=0,034;
=0,0113
средняя скорость поршня
=9…16 м/с
=13,5 м/с
Давление механических потерь
в МПа:
; ![]()
2.8.2 Среднее эффективное давление
Среднее эффективное давление
в МПа:
![]()
![]()
2.8.3 Механический КПД
; ![]()
2.8.4 Эффективный КПД
; ![]()
2.8.5 Эффективный удельный расход топлива
Эффективный удельный расход топлива
в г/(кВт·ч):
; ![]()
Таблица 2.6― Значения эффективных показателей двигателей
| Тип двигателя | Параметры | |||
| Карбюраторные | 0,6…1,1 | 0,23…0,38 | 0,75…0,92 | 230…310 |
Рассчитываемый двигатель |
0,75 | 0,29 | 0,80 | 282,6 |
2.9 Основные параметры и показатели двигателя
Рабочий объем цилиндра
в дм2
:
; ![]()
— коэффициент тактности рабочего цикла,
=4
Диаметр цилиндра
в мм:
; ![]()
где
— отношение линейных размеров цилиндра
=0,86…1,07
Принимаем
=0,95
Ход поршня двигателя
в мм:
; ![]()
Округляем до 95 мм.
Расчетная средняя скорость поршня
в м/с:
; ![]()
Ошибка между принятой и расчетной средней скоростью поршня:
; ![]()
Рабочий объем одного цилиндра
в дм3
:
; ![]()
Литраж двигателя
в дм3
:
; ![]()
Объем камеры сгорания
в дм3
:
; ![]()
Полный объем цилиндра
в дм3
:
;
.
Эффективная мощность двигателя
в кВт:
; ![]()
Поршневая мощность двигателя
в кВт/дм2
:
;
Эффективный крутящий момент
в Н·м:
; ![]()
Часовой расход топлива
в кг/ч:
; ![]()
Масса двигателя
в кг:
; ![]()
где
— удельная масса рядного двигателя
=3,5 кг/кВт
2.10 Оценка надежности двигателя
По критерию Б.Я.Гинцбурга:
; ![]()
Критерий А.К.Костина:
;

Поскольку у рассчитываемого двигателя
=2,03 кВт/см не превышает значения 2,8 кВт/см, а
=8,97 — значения 9,0, то ориентировочно можно считать двигатель надежным.
2.11 Тепловой баланс
Общее количество теплоты введенное в цилиндр
в Дж/с:
; ![]()
Теплота
, эквивалентная эффективной работе, в Дж/с:
; ![]()
Теплота
, отводимая охлаждающей жидкостью, в Дж/с:
;
![]()
где
— коэффициент пропорциональности,
=0,45…0,53
Принимаем
=0,5
— показатель степени,
=0,6…0,7 Принимаем
=0,63
Теплота
, унесенная из двигателя с отработавшими газами, в Дж/с:
;
![]()
где
— температура остаточных газов, Сº:
.
— теплоемкость остаточных газов в кДж/(кмоль·град):
;
![]()
— теплоемкость свежего заряда в кДж/(кмоль·град):
;
.
Теплота
потерянная при неполном сгорании топлива в Дж/с:
; ![]()
Неучтенные потери теплоты
в Дж/с:
;
![]()
.
Основные значения составляющих теплового баланса:
; ![]()
; ![]()
; ![]()
; ![]()
; ![]()
;

Таблица 2.7― Значения составляющих теплового баланса в процентах
| Тип двигателя | |||||
| Карбюраторный | 23…38 | 24..32 | 30…55 | 0…21 | 3…10 |
| Рассчитываемый двигатель. | 29,00195604 | 24,09538035 | 28,01157978 | 14,11670973 | 4,774374102 |
2.12 Построение индикаторной диаграммы
Масштаб хода поршня
мм
Отрезок, соответствующий рабочему объему цилиндра:
;
мм.
Отрезок, соответствующий объему камеры сгорания:
;
мм.
Отрезок, соответствующий полному объему цилиндра:
;
мм.
Масштаб давления
мм.
Отрезок, соответствующий максимальному давлению:
;
мм.
Величины давлений в мм:
;
мм;
;
мм;
;
мм;
;
мм;
;
мм.
Выбираем отношение
радиуса кривошипа
к длине шатуна ![]()
; Принимаем
.
Таблица 2.8― Результаты расчетов политроп сжатия
а, град |
(1-cosa)+ג/4*(1-cos2a) | AX, мм |
OX, мм |
OB/OX, мм | P=Pа *(OB/OX)^1,36, мПа | Р/μр , мм |
| 180 | 2,000 | 95,00 | 107,66 | 1,00 | 0,085 | 2,1 |
| 190 | 1,989 | 94,28 | 106,94 | 1,01 | 0,086 | 2,1 |
| 200 | 1,956 | 92,15 | 104,81 | 1,03 | 0,088 | 2,2 |
| 210 | 1,902 | 88,67 | 101,33 | 1,06 | 0,092 | 2,3 |
| 220 | 1,825 | 83,95 | 96,61 | 1,11 | 0,098 | 2,5 |
| 230 | 1,726 | 78,12 | 90,78 | 1,19 | 0,107 | 2,7 |
| 240 | 1,607 | 71,36 | 84,02 | 1,28 | 0,119 | 3,0 |
| 250 | 1,468 | 63,87 | 76,53 | 1,41 | 0,135 | 3,4 |
| 260 | 1,312 | 55,89 | 68,55 | 1,57 | 0,157 | 3,9 |
| 270 | 1,143 | 47,64 | 60,30 | 1,79 | 0,187 | 4,7 |
| 280 | 0,965 | 39,39 | 52,05 | 2,07 | 0,228 | 5,7 |
| 290 | 0,784 | 31,38 | 44,04 | 2,44 | 0,287 | 7,2 |
| 300 | 0,607 | 23,86 | 36,52 | 2,95 | 0,370 | 9,2 |
| 310 | 0,441 | 17,05 | 29,71 | 3,62 | 0,490 | 12,2 |
| 320 | 0,293 | 11,17 | 23,83 | 4,52 | 0,661 | 16,5 |
| 330 | 0,170 | 6,40 | 19,06 | 5,65 | 0,895 | 22,4 |
| 340 | 0,077 | 2,88 | 15,54 | 6,93 | 1,182 | 29,5 |
| 350 | 0,019 | 0,73 | 13,39 | 8,04 | 1,448 | 36,2 |
| 360 | 0,000 | 0,00 | 12,66 | 8,50 | 1,562 | 39,1 |
Таблица 2.9― Результаты расчетов политроп расширения
| а, град | (1-cosa)+ג/4*(1-cos2a) | AX, мм |
OX, мм |
OB/OX, мм | P=Pb *(OB/OX)^1,258, мПа | Р/р , мм |
| 360 | 0,000 | 0,00 | 12,66 | 8,50 | 5,865 | 146,6 |
| 370 | 0,019 | 0,73 | 13,39 | 8,04 | 5,468 | 136,7 |
| 380 | 0,077 | 2,88 | 15,54 | 6,93 | 4,531 | 113,3 |
| 390 | 0,170 | 6,40 | 19,06 | 5,65 | 3,505 | 87,6 |
| 400 | 0,293 | 11,17 | 23,83 | 4,52 | 2,646 | 66,2 |
| 410 | 0,441 | 17,05 | 29,71 | 3,62 | 2,005 | 50,1 |
| 420 | 0,607 | 23,86 | 36,52 | 2,95 | 1,547 | 38,7 |
| 430 | 0,784 | 31,38 | 44,04 | 2,44 | 1,222 | 30,6 |
| 440 | 0,965 | 39,39 | 52,05 | 2,07 | 0,991 | 24,8 |
| 450 | 1,143 | 47,64 | 60,30 | 1,79 | 0,823 | 20,6 |
| 460 | 1,312 | 55,89 | 68,55 | 1,57 | 0,701 | 17,5 |
| 470 | 1,468 | 63,87 | 76,53 | 1,41 | 0,610 | 15,2 |
| 480 | 1,607 | 71,36 | 84,02 | 1,28 | 0,542 | 13,6 |
| 490 | 1,726 | 78,12 | 90,78 | 1,19 | 0,492 | 12,3 |
| 500 | 1,825 | 83,95 | 96,61 | 1,11 | 0,455 | 11,4 |
| 510 | 1,902 | 88,67 | 101,33 | 1,06 | 0,428 | 10,7 |
| 520 | 1,956 | 92,15 | 104,81 | 1,03 | 0,411 | 10,3 |
| 530 | 1,989 | 94,28 | 106,94 | 1,01 | 0,400 | 10,0 |
| 540 | 2,000 | 95,00 | 107,66 | 1,00 | 0,397 | 9,9 |
Находим характерные точки для построения действительной индикаторной диаграммы
;
МПа.
;
мм.
;
МПа.
;
мм.
;
МПа.
Действительное давление
:
;
мм.
;
МПа/град.
;
МПа.
; Принимаем ![]()
Угол, соответствующий точке
:
; ![]()
Положение точки
на индикаторной диаграмме:

; .
.
; 
![]()
Принимаем характерные углы:
- угол опережения зажигания
; Принимаем ![]()
- продолжительность периода задержки воспламенения
;
Принимаем ![]()
Начало открытия до ВМТ
; Принимаем
.
Полное закрытие после НМТ
; Принимаем
.
Начало открытия до НМТ
; Принимаем
.
Полное закрытие после ВМТ
; Принимаем
.
Определяются углы поворота коленчатого вала в градусах, соответствующие характерным точкам
— подача искры;
;
;
― начало видимого сгорания;
;
;
― начало открытия выпускного клапана;
;
;

― начало открытия впускного клапана;
;
― полное закрытие впускного клапана;
;
― полное закрытие выпускного клапана;
.
Определяем положения характерных точек по оси обцисс по формуле для перемещения поршня
:
![]()
мм;
мм;
мм;
мм;
мм;
мм.
Площадь
мм2
.
Среднее индикаторное давление в МПа, полученное по графику индикаторной диаграммы:
;
.
Расхождение между полученной величиной
и величиной
, полученной
в тепловом расчете:
;
<
.
3 Расчет внешней скоростной характеристики
Минимальная частота
мин-1
; Принимаем
мин-1
.
Максимальная частота
;
мин-1
Принимаем
мин-1
.
Шаг расчета – 300 мин-1 .
Номинальная расчетная мощность двигателя
кВт, и соответствующий ей удельный расход топлива
г/кВт∙ч.
Частота вращения коленчатого вала при
;
мин-1
.
Коэффициенты для карбюраторного двигателя:
;
;
;
;
.
Зависимость эффективной мощности
в кВт:
; 
Зависимость эффективного удельного расхода топлива
в г/(кВт∙ч):
;
.
Зависимость среднего эффективного давления
в МПа:
;
.
Зависимость среднего эффективного крутящего момента
в Н∙м:
;
.
Зависимость часового расхода топлива
в кг/ч:
.
Зависимость среднего давления механических потерь
в МПа:
;
.
Зависимость среднего индикаторного давления
в МПа:
.
Зависимость мощности механических потерь
в кВт:
;
.
Зависимость индикаторной мощности
в кВт:
.
Зависимость индикаторного крутящего момента
в Н∙м:
;
.
Зависимость индикаторного удельного расхода топлива
в г/(кНт∙ч):
.
Коэффициент избытка воздуха при минимальной частоте:
; ![]()
Принимаем
,
а закон изменения принимаем:
;
.
Зависимость коэффициента наполнения:
;
.
![]()
| ηvx | 0,685 | 0,683 | 0,686 | 0,686 | 0,685 | 0,81 | 0,688 | 0,687 | 0,685 | 0,684 | 0,682 | 0,680 | 0,674 | 0,664 | 0,648 | 0,624 |
| ax | 0,76 | 0,77 | 0,78 | 0,79 | 0,80 | 0,81 | 0,83 | 0,84 | 0,85 | 0,86 | 0,87 | 0,88 | 0,89 | 0,90 | 0,91 | 0,92 |
| gix, г/кВт∙ч | 286,1 | 270,6 | 257,0 | 246,2 | 236,8 | 229,2 | 223,9 | 220,0 | 218,1 | 217,4 | 218,0 | 220,3 | 223,2 | 226,5 | 230,3 | 233,4 |
| Mix, Н∙м | 206,9 | 216,4 | 226,0 | 233,0 | 238,7 | 24203 | 244,7 | 245,4 | 244,4 | 241,9 | 237,6 | 231,6 | 223,9 | 215,1 | 204,3 | 191,9 |
| Nix, кВт | 13,0 | 20,4 | 28,4 | 36,6 | 45,0 | 53,3 | 61,5 | 69,4 | 76,8 | 83,6 | 89,6 | 94,6 | 98,5 | 101,4 | 102,7 | 102,5 |
| Nмх, кВт | 0,8 | 1,4 | 2,2 | 3,1 | 4,2 | 5,5 | 6,9 | 8,5 | 10,2 | 12,1 | 14,2 | 16,3 | 18,6 | 21,2 | 23,8 | 26,6 |
| Pix, МПа | 0,896 | 0,939 | 0,980 | 1,011 | 1,036 | 1,051 | 1,060 | 1,063 | 1,059 | 1,048 | 1,029 | 1,004 | 0,971 | 0,932 | 0,885 | 0,832 |
| Pмх, МПа | 0,055 | 0,066 | 0,077 | 0,087 | 0,098 | 0,109 | 0,119 | 0,130 | 0,141 | 0,152 | 0,163 | 0,173 | 0,184 | 0,195 | 0,205 | 0,216 |
| Gтх, кг/ч | 3,72 | 5,52 | 7,30 | 9,01 | 10,66 | 12,22 | 13,77 | 15,27 | 16,75 | 18,18 | 19,54 | 20,84 | 21,99 | 22,91 | 23,65 | 23,93 |
| Mex, Н∙м | 194,1 | 201,6 | 208,5 | 213,2 | 216,4 | 217,3 | 217,2 | 215,4 | 211,9 | 206,9 | 200,0 | 191,7 | 181,6 | 170,2 | 156,9 | 142,1 |
| Pex, МПа | 0,841 | 0,873 | 0,903 | 0,924 | 0,938 | 0,942 | 0,941 | 0,933 | 0,918 | 0,896 | 0,866 | 0,831 | 0,787 | 0,737 | 0,680 | 0,616 |
| gex, г/кВт∙ч | 304,7 | 290,7 | 278,8 | 269,0 | 261,3 | 255,7 | 252,2 | 250,8 | 251,5 | 254,3 | 259,2 | 266,2 | 275,3 | 286,5 | 299,8 | 315,3 |
| Nex, кВт | 12,2 | 19,0 | 26,2 | 33,5 | 40,8 | 47,8 | 54,6 | 60,9 | 66,6 | 71,5 | 75,4 | 78,3 | 79,9 | 80,2 | 78,9 | 75,9 |
| nx | 600 | 900 | 1200 | 1500 | 1800 | 2100 | 2400 | 2700 | 3000 | 3300 | 3600 | 3900 | 4200 | 4500 | 4800 | 5100 |
![]()
|
|

![]()
|
|

![]()
![]()
|
|

![]()
|
|

|
|
|


Максимальное значение среднего эффективного давления
в МПа:
;
.
а соответствующая ему частота
в мин-1
:
;
.
Максимальное значение эффективного крутящего момента
в Н∙м:
; ![]()
при частоте
в мин-1
:
; ![]()
Минимальное значение эффективного удельного расхода топлива
в г/(кВт∙ч):
;
.
при частоте
в мин-1
:
;
.
4 Динамический расчет кривошипно-шатунного механизма двигателя
4.1 Расчет силовых факторов, действующих в кривошипно-шатунном механизме
Площадь поршня
в м2
:
;
.
мм
м.
Сила давления газов в общем случае:
.
Масштаб сил давления газов
в Н/мм:
;
.
― часть массы шатуна в сборе, отнесенная к поступательно движущимся массам
;
кг
где
― масса шатуна в сборе.
;
кг
где
― удельная масса шатуна,
кг/м3
― масса поршневого комплекта (поршень, палец, поршневые кольца,
детали стопорения пальца).
;
кг
где
― удельная масса поршня,
кг/м3
Массы частей кривошипно-шатунного механизма, составляющих возвратно-поступательное движение.
;
кг
Сила инерции возвратно-поступательно движущихся масс
:
, Н
где
― радиус кривошипа.
;
м
― угловая скорость коленчатого вала:
;
рад/с
Суммарная сила, действующая на поршневой палец:
, Н
Суммарная нормальная (боковая) сила:
, Н
Суммарная сила, действующая вдоль шатуна:
, Н
Суммарная радиальная сила, направленная по радиусу кривошипа:
, Н
Суммарная тангенциальная сила, направленная перпендикулярно к радиусу кривошипа:
, Н
Центробежная сила инерции вращающейся части шатуна
, направленная по радиусу кривошипа и нагружающая шатунную шейку (шатунный подшипник):
;
Н
где
― часть массы шатуна, отнесенная к вращающимся массам.
;
кг
Результирующая сила
, действующая на шатунную шейку:
, Н
4.2 Построение графиков сил и моментов
Площадь ограниченная кривой
и осью обцисс,
мм2
.
Длина диаграммы по оси
,
мм.
Максимальное
Н
Минимальное
Н
Среднее
;
Н
Масштаб крутящего момента
;
Н∙м/мм
Период изменения суммарного крутящего момента
;
.
Длина графика суммарного крутящего момента
мм
Среднее значение суммарного индикаторного крутящего момента двигателя :
Н∙м
Максимальное значение суммарного индикаторного крутящего момента двигателя:
Н∙м
Минимальное значение суммарного индикаторного крутящего момента двигателя:
Н∙м
| ΣMкр. | 0 | -34 | -160 | -350 | -512 | -586 | -518 | -341 | -83 | 209 | 512 | 790 | 991 | 1098 | 1076 | 925 | 696 | 308 | 0 | |||||||
| 0,0 | -2,3 | -11,1 | -24,3 | -36,1 | -40,6 | -35,9 | -23,6 | -5,8 | 14,5 | 35,5 | 54,7 | 68,6 | 76,0 | 74,5 | 64,0 | 48,2 | 21,3 | 0,0 | ||||||||
| Rш.ш. | Н | 23230 | 22371 | 19721 | 15830 | 11903 | 9050 | 7863 | 7727 | 7983 | 9356 | 11343 | 13050 | 14433 | 15374 | 15929 | 16204 | 16362 | 16312 | 16308 | 16242 | 15950 | 15542 | 14735 | 13593 | 11958 |
| мм | 76,4 | 73,6 | 64,9 | 52,1 | 39,2 | 29,8 | 25,9 | 25,4 | 26,3 | 30,8 | 37,3 | 42,9 | 47,5 | 50,6 | 52,4 | 53,3 | 53,8 | 53,7 | 53,6 | 53,4 | 52,5 | 51,1 | 48,5 | 44,7 | 39,3 | |
| Т | Н | 0 | -33,7 | -6169 | -7744 | -7894 | -6688 | -4460 | -1710 | 1026 | 3309 | 4871 | 5625 | 5658 | 5143 | 4279 | 3242 | 2583 | 1069 | 0 | -1069 | -2583 | -3242 | -4279 | -5190 | -5770 |
| мм | 0,0 | -11,1 | -20,3 | -25,5 | -26,0 | -22,0 | -14,7 | -5,6 | 3,4 | 10,9 | 16,0 | 18,5 | 18,6 | 16,9 | 14,1 | 10,7 | 8,5 | 3,5 | 0,0 | -3,5 | -8,5 | -10,7 | -14,1 | -17,1 | -19,0 | |
| K | Н | -15453 | -14847 | -12886 | -9845 | -6506 | -3476 | -1263 | -137 | -140 | -975 | -2467 | -3998 | -5501 | -6712 | -7567 | -8099 | -8380 | -8500 | -8531 | -8500 | -8380 | -8099 | -7567 | -6773 | -5610 |
| мм | -50,8 | -48,8 | -42,4 | -32,4 | -21,4 | -11,4 | -4,2 | -0,5 | -0,5 | -3,2 | -8,1 | -13,2 | -18,1 | -22,1 | -24,9 | -26,6 | -27,6 | -28,0 | -28,1 | -28,0 | -27,6 | -26,6 | -24,9 | -22,3 | -18,5 | |
| N | Н | 0 | -753 | -1393 | -1779 | -1865 | -1633 | -1135 | -455 | 287 | 975 | 1508 | 1830 | 1932 | 1833 | 1560 | 1239 | 844 | 411 | 0 | -411 | -844 | -1239 | -1560 | -1700 | -1853 |
| мм | 0,0 | -2,5 | -4,6 | -5,9 | -6,1 | -5,4 | -3,7 | -1,5 | 0,9 | 3,2 | 5,0 | 6,0 | 6,4 | 6,0 | 5,1 | 4,1 | 2,8 | 1,4 | 0,0 | -1,4 | -2,8 | -4,1 | -5,1 | -5,6 | -6,1 | |
| Sш.ш. | Н | -15453 | -15231 | -14284 | -12528 | -10229 | -7539 | -4637 | -1717 | 1033 | 3452 | 5428 | 6905 | 7895 | 8459 | 8697 | 8724 | 8650 | 8566 | 8531 | 8566 | 8650 | 8724 | 8697 | 8537 | 8052 |
| мм | -50,8 | -50,1 | -47,0 | -41,2 | -33,6 | -24,8 | -15,3 | -5,6 | 3,4 | 11,4 | 17,9 | 22,7 | 26,0 | 27,8 | 28,6 | 28,7 | 28,5 | 28,2 | 28,1 | 28,2 | 28,5 | 28,7 | 28,6 | 28,1 | 26,5 | |
Р |
Н | -15453 | -15212 | -14215 | -12400 | -10056 | -7357 | -4494 | -1654 | 992 | 3309 | 5209 | 6653 | 7651 | 8255 | 8550 | 8635 | 8609 | 8555 | 8531 | 8555 | 8609 | 8635 | 8550 | 8331 | 7803 |
| мм | -50,8 | -50,0 | -46,8 | -40,8 | -33,1 | -24,2 | -14,8 | -5,4 | 3,3 | 10,9 | 17,1 | 21,9 | 25,2 | 27,2 | 28,1 | 28,4 | 28,3 | 28,1 | 28,1 | 28,1 | 28,3 | 28,4 | 28,1 | 27,4 | 25,7 | |
| Рг | Н | -15605 | -15212 | -14063 | -12248 | -9904 | -7205 | -4342 | -1502 | 1144 | 3461 | 5361 | 6805 | 7803 | 8407 | 8702 | 8787 | 8761 | 8707 | 8683 | 8707 | 8761 | 8787 | 8702 | 8407 | 7803 |
| мм | -51,3 | -50,0 | -46,3 | -40,3 | -32,6 | -23,7 | -14,3 | -4,9 | 3,8 | 11,4 | 17,6 | 22,4 | 25,7 | 27,7 | 28,6 | 28,9 | 28,8 | 28,6 | 28,6 | 28,6 | 28,8 | 28,9 | 28,6 | 27,7 | 25,7 | |
| ∆PГ | Н | 152 | 0 | -152 | -152 | -152 | -152 | -152 | -152 | -152 | -152 | -152 | -152 | -152 | -152 | -152 | -152 | -152 | -152 | -152 | -152 | -152 | -152 | -152 | -76 | 0 |
| мм | 0,5 | 0,0 | -0,5 | -0,5 | -0,5 | -0,5 | -0,5 | -0,5 | -0,5 | -0,5 | -0,5 | -0,5 | -0,5 | -0,5 | -0,5 | -0,5 | -0,5 | -0,5 | -0,5 | -0,5 | -0,5 | -0,5 | -0,5 | -0,3 | 0,0 | |
| а | 0 | 10 | 20 | 30 | 40 | 50 | 60 | 70 | 80 | 90 | 100 | 110 | 120 | 130 | 140 | 150 | 160 | 170 | 180 | 190 | 200 | 210 | 220 | 230 | 240 | |
| Rш.ш. | Н | 10398 | 9019 | 8026 | 7742 | 7826 | 8929 | 10930 | 12804 | 13965 | 13625 | 11078 | 9450 | 14719 | 12315 | 7053 | 6426 | 7131 | 8109 | 9439 | 11429 | 13188 | 15176 | 16606 | 17605 |
| мм | 34,2 | 29,7 | 26,4 | 25,5 | 25,7 | 29,4 | 36,0 | 42,1 | 45,9 | 44,8 | 36,4 | 31,1 | 48,8 | 40,5 | 23,2 | 21,1 | 23,5 | 26,7 | 31,0 | 37,6 | 43,4 | 49,9 | 54,6 | 57,9 | |
| Т | Н | -5831 | -5226 | -3917 | -1970 | 453 | 2650 | 4339 | 4911 | 4326 | 2673 | 745 | 0 | 4924 | 8146 | 6970 | 5589 | 4780 | 5044 | 5988 | 7319 | 8325 | 8907 | 8838 | 8086 |
| мм | -19,2 | -17,2 | -12,9 | -6,5 | 1,5 | 8,7 | 14,3 | 16,2 | 14,2 | 8,8 | 2,5 | 0,0 | 16,2 | 26,8 | 22,9 | 18,4 | 15,7 | 16,6 | 19,7 | 24,1 | 27,4 | 29,3 | 29,1 | 26,6 | |
| K | Н | -4145 | -2647 | -1154 | -212 | -36 | -750 | -2255 | -4048 | -5501 | -5583 | -3276 | 17227 | 21647 | 17014 | 8861 | 4607 | 2485 | 1428 | 481 | -1001 | -2452 | -4511 | -6282 | -7861 |
| мм | -13,6 | -8,7 | -3,8 | -0,7 | -0,1 | -2,5 | -7,4 | -13,3 | -18,1 | -18,4 | -10,8 | 56,7 | 71,2 | 56,0 | 29,1 | 15,2 | 8,2 | 4,7 | 1,6 | -3,3 | -8,1 | -14,8 | -20,7 | -25,9 | |
| N | Н | -1896 | -1618 | -1154 | -551 | 121 | 674 | 1060 | 1161 | 994 | 604 | 166 | 0 | 1098 | 1839 | 1601 | 1321 | 1167 | 1283 | 1593 | 2047 | 2452 | 2758 | 2875 | 2761 |
| мм | -6,2 | -5,3 | -3,8 | -1,8 | 0,4 | 2,2 | 3,5 | 3,8 | 3,3 | 2,0 | 0,5 | 0,0 | 3,6 | 6,1 | 5,3 | 4,3 | 3,8 | 4,2 | 5,2 | 6,7 | 8,1 | 9,1 | 9,5 | 9,1 | |
| Sш.ш. | Н | 7158 | 5823 | 4087 | 4983 | -455 | -2755 | -4891 | -6364 | -6999 | -6189 | -3360 | 17227 | 22208 | 18859 | 11275 | 7242 | 5389 | 5245 | 6013 | 7368 | 8686 | 9925 | 10849 | 11283 |
| мм | 23,5 | 19,2 | 13,4 | 6,5 | -1,5 | -9,1 | -16,1 | -20,9 | -23,0 | -20,4 | -11,1 | 56,7 | 73,1 | 62,0 | 37,1 | 23,8 | 17,7 | 17,3 | 19,8 | 24,2 | 28,6 | 32,6 | 35,7 | 37,1 | |
Р |
Н | 6896 | 5589 | 3917 | 1904 | -438 | -2670 | -4773 | -6256 | -6928 | -6159 | -3356 | 17227 | 22180 | 18769 | 11160 | 7120 | 5259 | 5082 | 5794 | 7072 | 8325 | 9526 | 10453 | 10934 |
| мм | 22,7 | 18,4 | 12,9 | 6,3 | -1,4 | -8,8 | -15,7 | -20,6 | -22,8 | -20,3 | -11,0 | 56,7 | 73,0 | 61,7 | 36,7 | 23,4 | 17,3 | 16,7 | 19,1 | 23,3 | 27,4 | 31,3 | 34,4 | 36,0 | |
| Рг | Н | 6805 | 5361 | 3461 | 1144 | -1502 | -4342 | -7205 | -9904 | -12248 | -14063 | -15212 | -15605 | -15212 | -14063 | -12248 | -9904 | -7205 | -4342 | -1502 | 1144 | 3461 | 5361 | 6805 | 7803 |
| мм | 22,4 | 17,6 | 11,4 | 3,8 | -4,9 | -14,3 | -23,7 | -32,6 | -40,3 | -46,3 | -50,0 | -51,3 | -50,0 | -46,3 | -40,3 | -32,6 | -23,7 | -14,3 | -4,9 | 3,8 | 11,4 | 17,6 | 22,4 | 25,7 | |
| ∆PГ | Н | 91,2 | 228 | 456 | 760 | 1064 | 1672 | 2432 | 3648 | 5320 | 7904 | 11856 | 32832 | 37392 | 32832 | 23408 | 17024 | 12464 | 9424 | 7296 | 5928 | 4864 | 4165 | 3648 | 3131 |
| мм | 0,3 | 0,8 | 1,5 | 2,5 | 3,5 | 5,5 | 8,0 | 12,0 | 17,5 | 26,0 | 39,0 | 108,0 | 123,0 | 108,0 | 77,0 | 56,0 | 41,0 | 31,0 | 24,0 | 19,5 | 16,0 | 13,7 | 12,0 | 10,3 | |
| а | 250 | 260 | 270 | 280 | 290 | 300 | 310 | 320 | 330 | 340 | 350 | 360 | 370 | 380 | 390 | 400 | 410 | 420 | 430 | 440 | 450 | 460 | 470 | 480 | |
| Rш.ш. | Н | 18212 | 18490 | 18627 | 18511 | 17831 | 17524 | 17142 | 16519 | 15809 | 14912 | 13641 | 11925 | 10345 | 9011 | 8102 | 7820 | 8097 | 10080 | 13090 | 16320 | 19249 | 21565 | 23026 | 23534 |
| мм | 59,9 | 60,8 | 61,3 | 60,9 | 58,7 | 57,6 | 56,4 | 54,3 | 52,0 | 49,1 | 44,9 | 39,2 | 34,0 | 29,6 | 26,7 | 25,7 | 26,6 | 33,2 | 43,1 | 53,7 | 63,3 | 70,9 | 75,7 | 77,4 | |
| Т | Н | 6942 | 5573 | 4156 | 3221 | 1259 | 0 | -1183 | -2765 | -3356 | -4393 | -5238 | -5714 | -5625 | -4871 | -3309 | -1026 | 1710 | 4460 | 6688 | 7894 | 7744 | 6169 | 3411 | 0 |
| мм | 22,8 | 18,3 | 13,7 | 10,6 | 4,1 | 0,0 | -3,9 | -9,1 | -11,0 | -14,5 | -17,2 | -18,2 | -18,5 | -16,0 | -10,9 | -3,4 | 5,6 | 14,7 | 22,0 | 26,0 | 25,5 | 20,3 | 11,2 | 0,0 | |
| K | Н | -9059 | -9854 | -10381 | -10452 | -10010 | -9747 | -9406 | -8972 | -8385 | -7769 | -6835 | -5556 | -3998 | 2467 | -975 | -111 | -137 | -1263 | -3476 | -6506 | -9845 | -12886 | -14995 | -15757 |
| мм | -29,8 | -32,4 | -34,1 | -34,4 | -32,9 | -32,1 | -30,9 | -29,5 | -27,6 | -25,6 | -22,5 | -18,3 | -13,2 | -8,1 | -3,2 | -0,4 | -0,5 | -4,2 | -11,4 | -21,4 | -32,4 | -42,4 | -49,3 | -51,8 | |
| N | Н | 2474 | 2032 | 1588 | 1052 | 484 | 0 | -454 | -903 | -1283 | -1602 | -1715 | -1835 | -1830 | -1508 | -975 | -287 | 455 | 1135 | 1633 | 1865 | 1779 | 1393 | 761 | 0 |
| мм | 8,1 | 6,7 | 5,2 | 3,5 | 1,6 | 0,0 | -1,5 | -3,0 | -4,2 | -5,3 | -5,6 | -6,0 | -6,0 | -5,0 | -3,2 | -0,9 | 1,5 | 3,7 | 5,4 | 6,1 | 5,9 | 4,6 | 2,5 | 0,0 | |
| Sш.ш. | Н | 11418 | 11326 | 11181 | 10788 | 10088 | 9747 | 9479 | 9261 | 9031 | 8929 | 8615 | 7974 | 6905 | 5428 | 3452 | 1033 | -1717 | -4637 | -7539 | -10229 | -15228 | -14284 | -15383 | -15757 |
| мм | 37,6 | 37,3 | 36,8 | 35,5 | 33,2 | 32,1 | 31,2 | 30,5 | 29,7 | 29,4 | 28,3 | 26,2 | 22,7 | 17,9 | 11,4 | 3,4 | -5,6 | -15,3 | -24,8 | -33,6 | -41,2 | -47,0 | -50,6 | -51,8 | |
Р |
Н | 11143 | 11134 | 11067 | 10737 | 10075 | 9747 | 9467 | 9217 | 8939 | 8778 | 8407 | 7727 | 6653 | 5209 | 3309 | 992 | -1654 | -4494 | -7357 | -10056 | -12400 | -14215 | -15364 | -15757 |
| мм | 36,7 | 36,6 | 36,4 | 35,3 | 33,1 | 32,1 | 31,1 | 30,3 | 29,4 | 28,9 | 27,7 | 25,4 | 21,9 | 17,1 | 10,9 | 3,3 | -5,4 | -14,8 | -24,2 | -33,1 | -40,8 | -46,8 | -50,5 | -51,8 | |
| Рг | Н | 8407 | 8702 | 8787 | 8761 | 8707 | 8683 | 8707 | 8761 | 8787 | 8702 | 8407 | 7803 | 6805 | 5361 | 3461 | 1144 | -1502 | -4342 | -7205 | -9904 | -12248 | -14063 | -15212 | -15605 |
| мм | 27,7 | 28,6 | 28,9 | 28,8 | 28,6 | 28,6 | 28,6 | 28,8 | 28,9 | 28,6 | 27,7 | 25,7 | 22,4 | 17,6 | 11,4 | 3,8 | -4,9 | -14,3 | -23,7 | -32,6 | -40,3 | -46,3 | -50,0 | -51,3 | |
| ∆PГ | Н | 2736 | 2432 | 2280 | 1976 | 1368 | 1064 | 760 | 456 | 152 | 76 | 0 | -76 | -152 | -152 | -152 | -152 | -152 | -152 | -152 | -152 | -152 | -152 | -152 | -152 |
| мм | 9,0 | 8,0 | 7,5 | 6,5 | 4,5 | 3,5 | 2,5 | 1,5 | 0,5 | 0,3 | 0,0 | -0,3 | -0,5 | -0,5 | -0,5 | -0,5 | -0,5 | -0,5 | -0,5 | -0,5 | -0,5 | -0,5 | -0,5 | -0,5 | |
| а | 490 | 500 | 510 | 520 | 530 | 540 | 550 | 560 | 570 | 580 | 590 | 600 | 610 | 620 | 630 | 640 | 650 | 660 | 670 | 680 | 690 | 700 | 710 | 720 | |
Коэффициент неравномерности крутящего момента
:
;
.
Эффективный крутящий момент двигателя в Н∙м:
;
.
Расхождение между полученным по графику и рассчитанным в тепловом расчете значениями
:
;
<
.
5 Расчет деталей на прочность
5.1 Поршень
Таблица 5.1― Размеры элементов поршневой группы
| Элементы поршневой группы | Расчетные зависимости для карбюраторного двигателя | Значения размеров, мм |
| Высота поршня |
1,05∙D | 104 |
| Расстояние от верхней кромки поршня до оси пальца |
0,6∙D | 60 |
| Толщина днища поршня |
0,06∙D | 5 |
| Высота юбки поршня |
0,7∙D | 70 |
| Диаметр бобышки |
0,4∙D | 40 |
| Расстояние между торцами бобышек |
0,4∙D | 40 |
| Толщина стенки юбки поршня |
3 | 3 |
| Толщина стенки головки поршня |
0,07∙D | 7 |
| Расстояние до первой кольцевой канавки |
0,1∙D | 10 |
| Толщина первой кольцевой перемычки |
0,04∙D | 4 |
Радиальная толщина кольца - компрессионного - маслосъемного |
0,0425∙D 0,0425D |
4,2 4,2 |
| Высота кольца |
3 | 3 |
Радиальный зазор кольца в канавке поршня - компрессионного - маслосъемного |
0,85 0,9 |
0,85 0,9 |
| Разность между величинами зазоров замка кольца в свободном и рабочем состоянии |
3.1∙t | 13 |
| Внутренний диаметр поршня |
D-2(s+t+Δt) | 74,6 |
| Число масляных отверстий в поршне |
10 | 10 |
| Диаметр масляного канала |
0,4∙a | 1,2 |
| Наружний диаметр пальца |
0,25∙D | 25 |
| Внутренний диаметр пальца |
0,7∙dn | 17,5 |
| Длина пальца |
0,83∙D | 82 |
| Длина втулки шатуна |
0,4∙D | 40 |
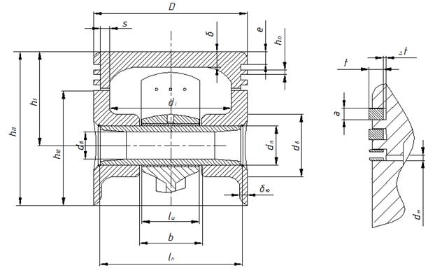
Принимаем материал поршня – алюминиевый сплав.

5.1 – Расчетная схема поршневой группы
5.1.1 Днище поршня
Максимальное напряжение изгиба в диаметральном сечении днища поршня
в МПа:
;
.
где
МПа.
Днище поршня должно быть усилено ребрами жесткости, поскольку расчетные напряжение превышает допускаемые 20…25 МПа.
5.1.2 Головка поршня
Головка поршня в сечении
, ослабленная отверстиями для отвода масла, проверяется на сжатие и разрыв.
Для определения напряжения сжатия определяем:
- диаметр поршня по дну канавок
в м:
;
.
- площадь продольного диаметрального сечения масляного канала
в м2
:
;
.
- площадь сечения
головки поршня
в м2
:
;
.
- максимально сжимающую силу
в МН:
;
.
Напряжение сжатия
в МПа:
![]()
;
.
Рассчитанное напряжение сжатия не превышает допустимые значения напряжений на сжатие для поршней из алюминиевых сплавов – (30…40)МПа
Для определения напряжения разрыва в сечении
определяем:
- максимальную угловую скорость вращения коленчатого вала при холостом ходе
в рад∕с:
;
.
- массу головки поршня с кольцами
в кг:
;
.
![]()
где
кг – масса поршневого комплекта из динамического расчета
Сила инерции возвратно-поступательно движущихся масс
в МН определяется для режима максимальной частоты вращения при холостом ходе двигателя:
;
.
где
м ― отношение радиуса кривошипа к длине шатуна из динамического расчета.
Напряжение разрыва
в МПа:
;
.
Рассчитанное напряжение разрыва не превышает допустимые значения напряжений на разрыв для поршней из алюминиевых сплавов – (4…10) МПа.
5.1.3 Юбка поршня
Юбка поршня проверяется на износостойкость по удельному давлению
в МПа на стенку цилиндра от максимальной боковой силы
:
;
.
Рассчитанное значение удельного давления не превышает допустимые значения напряжений для современных двигателей – (0,33…0,96) МПа
5.2 Поршневое кольцо
Проводим расчет компрессионного кольца. Материал кольца – серый чугун.
Среднее давление в МПа кольца на стенку цилиндра определяется по формуле:
;
.
где
=1∙105
– модуль упругости чугуна
Рассчитанное среднее радиальное давление не превышает допустимые значения, которые составляют (0,11…0,37) МПа.
Для обеспечения хорошей приработки кольца и надежного уплотнения давления кольца на стенку цилиндра в различных точках окружности должно изменяться по эпюре с повышением давления у замка.
![]()
где
― значение отношения давления кольца на стенку цилиндра в различных точках окружности к среднему давлению.
Таблица 5.2― Построение эпюры давления кольца двигателя на стенку цилиндра
| 0 | 30 | 60 | 90 | 120 | 150 | 180 | |
| 1,05 | 1,04 | 1,02 | 1,0 | 1,02 | 1,27 | 1,5 | |
| Р, МПа | 0,183 | 0,182 | 0,178 | 0,175 | 0,178 | 0,222 | 0,262 |
Напряжение изгиба кольца в рабочем состоянии
в МПа:
;
.
Напряжение изгиба кольца при надевании его на поршень
в МПа:
;
.
где
― коэффициент зависящий от способа надевания кольца.
Рассчитанные напряжения при изгибе кольца не превышает допустимые значения, которые составляют (220…450) МПа.

Рисунок 5.2 ― Эпюра давлений компрессионного кольца на стенку цилиндра
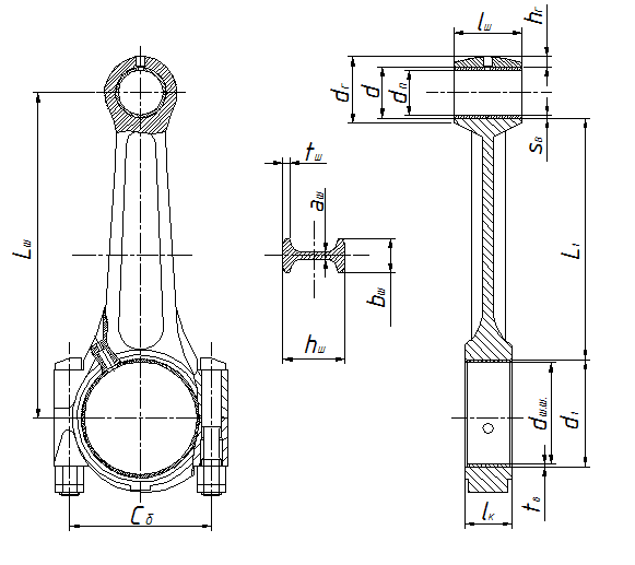
5.3 Шатун
Принимаем материал шатуна – Сталь 40.
Материал втулки – Бронза.
Таблица 5.3 ― Размеры элементов шатуна
| Элементы шатуна | Расчетные зависимости для карбюраторного двигателя | Значения размеров, мм |
| Наружный диаметр пальца |
0,25∙D | 25 |
Внутренний диаметр поршневой головки со втулкой |
1,2∙ |
30 |
| Наружный диаметр головки |
1,4∙ |
38 |
Минимальная радиальная толщина стенки головки |
( |
4 |
| Радиальная толщина стенки втулки |
( |
2,5 |
| Длина втулки шатуна |
0,385∙D | 38 |
| Диаметр шатунной шейки |
0,65∙D | 65 |
| Толщина стенки вкладыша |
0,04∙ |
2,5 |
| Расстояние между шатунными болтами |
1,7∙ |
110 |
| Длина кривошипной головки |
0,75∙ |
50 |
Размеры среднего сечения В-В шатуна: - - - - |
0,50∙ 1,22∙ 0,55∙ 4,0…7,5 |
52 67 19 3 |
5.3.1 Поршневая головка
Минимальная частота вращения коленчатого вала холостого хода в мин-1 :
;
.
Максимальная угловая скорость вращения коленчатого вала при холостом ходе
в рад/с:
;
.

Рисунок 5.3 – Схема шатунной группы
Разрывающая сила инерции
в Н при
:
;
![]()
где
― масса поршневого комплекта,
кг,
― масса верхней части головки шатуна,
кг
Площадь
в мм2
опасного сечения верхней головки шатуна:
;
.
Напряжение разрыва
а МПа:
;
.
Из условия обеспечения достаточной жесткости поршневой головки напряжение разрыва не превышает максимальных значений (20…50)МПа.
5.3.2 Кривошипная головка
Максимальная величина силы инерции
в МН:
;
![]()
где
― масса отъемной крышки кривошипной головки,
;
кг
Для определения напряжения изгиба крышки в МПа находим:
- внутренний радиус кривошипной головки
в м:
;
.
- момент инерции расчетного сечения крышки
в м4
:
;
.
- момент инерции расчетного сечения вкладыша
в м4
:
; ![]()
- суммарную площадь крышки и вкладыша в расчетном сечении
в м2
:
;
.
- момент сопротивления расчетного сечения крышки без учета ребер жесткости
в м2
:
;
.
Напряжение изгиба
в МПа:
;
.
Крышка кривошипной головки должна быть усилена ребрами жесткости, так как расчетное напряжение превышает допускаемые (100…300) МПа.
5.3.3 Стержень шатуна
Сила, сжимающая шатун
в МН по результатам динамического расчета:
.
Сила, растягивающая шатун
в МН по результатам динамического расчета:
.
Площадь среднего сечения шатуна
в м2
:
;
.
Минимальное напряжение
в МПа, возникающее в сечении В-В от растягивающей силы:
;
.
От сжимающей силы в МПа в сечении В-В возникают максимальные напряжения сжатия и продольного изгиба:
- в плоскости качания шатуна:
;
МПа,
где
― коэффициент, учитывающий влияние продольного изгиба шатуна в плоскости качания шатуна, ![]()
- в плоскости перпендикулярной плоскости качания шатуна:
;
МПа.
где
― коэффициент, учитывающий влияние продольного изгиба шатуна в плоскости, перпендикулярной плоскости качанию шатуна,
.
Напряжения
и
не превышают предельных значений для углеродистых сталей (160…250) МПа.
6 Расчет системы жидкостного охлаждения
6.1 Емкость системы охлаждения
При номинальной мощности
кВт емкость системы охлаждения
в дм3
выберем из диапазона значений:
;
.
Принимаем
дм3
.
6.2 Жидкостный насос
Принимаем:
- количество теплоты отводимой охлаждающей жидкостью от двигателя
Дж/с;
- средняя теплоемкость жидкости
Дж/(кг∙К);
- средняя плотность жидкости
кг/м3
;
- температурный перепад жидкости в радиаторе
К.
Циркуляционный расход жидкости в системе охлаждения двигателя
в м2
/с:
;
.
Принимаем коэффициент подачи насоса ![]()
Расчетная производительность насоса
в м3
/с:
;
.
Принимаем:
- скорость жидкости на входе в насос
м/с;
- радиус ступицы крыльчатки
м;
Радиус выходного отверстия крыльчатки
в м:
;
.
Принимаем:
- углы между направлениями скоростей
,
и
:
и
;
- гидравлический КПД
.
Окружная скорость потока жидкости на входе колеса
в м/с:
;
.
Передаточное отношение ременного привода тот коленчатого вала принимаем
.
Частота вращения насоса
в мин-1
:
;
.
Радиус крыльчатки колеса на входе
в м:
;
.
Окружная скорость входа потока
в м/с:
;
.
Угол между скоростями
и
принимается
.
Угол
;
.
Принимаются:
- число лопаток на крыльчатке
;
- толщина лопатки у входа
м;
- толщина лопатки у выхода
м.
Ширина лопатки на входе
в м:
;
.
Радиальная скорость потока на выходе из колеса
в м/с:
;
.
Ширина лопатки на выходе
в м:
;
.
Принимаем механический КПД насоса
.
Мощность потребляемая жидкостным насосом
в кВт:
;
.
6.3 Жидкостный радиатор
Принимаем:
- количество теплоты, отводимой от двигателя через охлаждающую жидкость к окружающему воздуху
Дж/с;
- средняя теплоемкость воздуха
Дж/(кг∙К);
- объемный расход жидкости, проходящей через радиатор
;
- средняя плотность жидкости
кг/м3
;
- температурный перепад
К;
- температура перед радиатором
К.
Количество воздуха, проходящего через радиатор
в кг/с:
;
.
Массовый расход жидкости, проходящей через радиатор
в кг/с:
;
.
Средняя температура охлаждающего воздуха, проходящего через радиатор,
в К:
; ![]()
Принимаем:
- температурный перепад
К;
- оптимальное значение температуры
К.
Средняя температура жидкости в радиаторе
в К:
;
.
Коэффициент теплопередачи радиатора принимаем
Вт/(м2
∙К).
Поверхность охлаждения радиатора
в м2
:
;
.
6.4 Вентилятор
Принимаем:
- массовый расход воздуха, подаваемый вентилятором
кг/с;
- средняя температура воздуха
К;
- напор, создаваемый вентилятором
Па.
Плотность воздуха при средней его температуре в радиаторе
в кг/м3
:
;
.
Производительность вентилятора
в м3
/с:
;
.
Задаем скорость воздуха перед фронтом радиатора без учета скорости движения автомобиля
м/с.
Фронтовая поверхность радиатора
в м2
:
;
.
Диаметр вентилятора
;
м.
Окружная скорость вентилятора
;
м/с.
где
― коэффициент, зависящий от формы лопастей: для криволинейных
.
Частота вращения вентилятора
в мин-1
:
;
.
Мощность
в кВт, затрачиваемая на привод вентилятора:
;
.
где
― КПД вентилятора,
- для литого вентилятора.
Приложения
Приложение 1
Таблица сравнения показателей рассчитанного двигателя с прототипом
| Показатели | Тип двигателя | ||||
| Прототип | Рассчитанный | ||||
| Коэффициент избытка воздуха α | 0,85…0,98 | 0,9 | |||
| Давление остаточных газов |
1,05…1,25 | 1,12 | |||
| Температура остаточных газов |
900…1100 | 1000 | |||
| Степень подогрева заряда |
0…20 | 15 | |||
| Коэффициент остаточных газов γr | 0,04…0,10 | 0,061 | |||
| Температура в конце впуска |
340…370 | 347,8 | |||
| Коэффициент наполнения |
0,70…0,90 | 0,764 | |||
| Показатель политропы сжатия |
1,34…1,38 | 1,36 | |||
| Температура в конце сжатия |
600…800 | 751,5 | |||
| Давление в конце сжатия |
0,9…2,0 | 1,56 | |||
| Степень повышения давления цикла |
3,2…4,2 | 3,76 | |||
| Степень предварительного расширения |
1,0 | 1,0 | |||
| Температура конца видимого сгорания |
2400…3100 | 2630 | |||
| Максимальное давление сгорания |
3,5…7,5 | 5,86 | |||
| Показатель политропы расширения |
1,23…1,30 | 1,258 | |||
| Температура в конце расширения |
1200…1700 | 1514,1 | |||
| Давление в конце расширения |
0,35…0,6 | 0,397 | |||
| Средняя скорость поршня |
9…16 | 13,5 | |||
| Среднее эффективное давление |
0,6…1,1 | 0,75 | |||
| Эффективный КПД |
0,23…0,38 | 0,29 | |||
| Механический КПД |
0,75…0,92 | 0,80 | |||
| Эффективный удельный расход топлива |
2300…3100 | 282,6 | |||
| Отношение |
0,86…1,07 | 1,95 | |||
| Относительная теплота |
23…38 | 29,00195604 | |||
| Относительная теплота |
24..32 | 24,09538035 | |||
| Относительная теплота |
30…55 | 28,01157978 | |||
| Относительная теплота |
0…21 | 14,11670973 | |||
| Относительная теплота |
3…10 | 4,774374102 | |||
Фазы газораспределения: -открытие впускного клапана до ВМТ |
10…35 | 27 | |||
| -закрытие впускного клапана после НМТ |
40…85 | 50 | |||
| -открытие выпускного клапана до НМТ |
40…70 | 55 | |||
| -закрытие выпускного клапана после ВМТ |
10…50 | 35 | |||
| Показатели | Тип двигателя | ||
| Прототип | Рассчитанный | ||
| Критерий Гинцбурга |
1,3…2,8 | 2,03 | |
| Критерий Костина |
3,5…9,0 | 8,97 | |
| Масса двигателя |
152,6…450 | 281,05 | |
Приложение Б
Техническая характеристика двигателя
1. Тип двигателя – карбюраторный..
2. Число тактов – 4.
3. Число и расположение цилиндров – 4, рядное.
4. Порядок работы цилиндров –
5. Расположение и число клапанов в цилиндре – верхнее, по два в цилиндре.
6. Рабочий объем двигателя, дм3 – 2,9.
7. Диаметр цилиндра, мм – 98,8.
8. Ход поршня, мм – 95.
9. Степень сжатия – 8,5.
10. Номинальная мощность, кВт – 80,3.
11. Максимальная рабочая частота вращения, мин-1 – 4400.
12. Габаритные размеры двигателя, мм – 770х525х725.
13. Направление вращения коленчатого вала – правое.
14. Максимальное среднее эффективное давление, МПа – 0,94.
15. Максимальный эффективный крутящий момент, Н∙м – 217,8.
16. Минимальная частота вращения коленчатого вала, мин-1 – 600.
17. Частота вращения при максимальном крутящем моменте, мин-1 – 2200.
18. Сорт топлива – бензин А-76 по ГОСТ 2084-77.
19. Минимальный удельный расход топлива, г/(кВт∙ч) – 250,8.
20. Фазы газораспределения: впуск (начало, конец), выпуск (начало,
конец) – (27, 60), (55, 35).
21. Наличие наддува – нет.
22. Тип системы охлаждения – жидкостный, закрытый с принудительной
циркуляцией.
23. Объем смазочной системы, дм3 – 6.
24. Объем жидкостной системы охлаждения, дм3 – 18.