| Скачать .docx |
Реферат: Конструирование микросхемы, разработка топологии
I. Анализ электрической схемы
Расчёт мощностей рассеяния Pi
Для упрощения расчётов Pi
резисторов R4
, R5
, R8
, R9
, R10
, R12
и R19
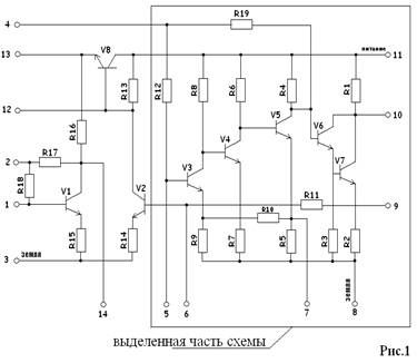
преобразуем выделенную часть схемы рис.1 (только те ветви, на которых находятся вышеуказанные резисторы) в эквивалентную (рис.2). Рассчитываем токи в контурах эквивалентной схемы рис.2 методом контурных токов.


I111 (R4 +R19 +R8 +R12 )-I222 (R19 +R12 )-I444 R4 =0
I222 (R19 +R12 +R10 )-I111 (R19 +R12 )-I333 R10 =0
I333 (R10 +R5 +R9 )-I222 R10 -I444 R5 =0
I444 (R4 +R5 )-I111 R4 -I333 R5 =E

= 111059850000 – 49237209000 – 11055924000 = 50766717000

![]()
= 345450 + 16405950 = 16751400 ;
![]()
I111 = = 0,000329968 A
![]()
![]()

![]()
= 775500 + 16250850 = 17026350 ;
![]()
I222 = = 0,000335384 A
![]()
![]()

= 25030500 – 10804500 + 11399850 = 25625850 ;
![]()
I333 = = 0,00050478 A

= 164059500 – 72390150 = 91669350 ;
![]()
I444 = = 0,0018057 A
Зная контурные токи, мы можем рассчитать:
I4 = I444 – I111 = 0,0018057 - 0,000329968 = 0,001475732 A
I5 = I444 – I333 = 0,0018057 - 0,00050478 = 0,00130092 A
I8 = I111 = 0,000329968 A
I9 = I333 = 0,00050478 A
I10 = I333 – I222 = 0,00050478 - 0,000335384 = 0,000169396 A
I12 = I1 9 = I222 – I111 = 0,000335384 - 0,000329968 = 0,000005416 A
Теперь рассчитываем токи на остальных резисторах:
Для расчёта тока на резисторах R11
, R13 и R14 представимконденсатор на 9-ом выводе как резистор с самым большим сопротивлением, которое только имеем на схеме УПЧ и схеме его включения (Rдобавочное
=22000+22000=44000 Om см. паспорт МС), т.е.:
![]()
Для более точного подсчёта I15 – I18 подробнее рассмотрим транзистор V1:
где b - коэффициент передачи тока (bКТ31 7 А @70)
![]()
II. Разработка маршрутного технологического процесса изготовления микросхемы.
Наиболее простым способом формирования рисунка микросхемы является напыление элементов через свободные маски. Если при этом зазор между маской и подложкой отсутствует, линейные размеры элементов строго соответствуют размерам щелей в маске (метод контактной маски). Наличие зазора между подложкой и маской, устранить который полностью невозможно, приводит к образованию «зоны размытости» рисунка. Причём размер этой зоны, как показывает практика, увеличивается с ростом толщины маски и клинообразности профиля её вырезов. С уменьшением же толщины снижается жёсткость маски и увеличивается её «провисание» над подложкой, что, в свою очередь, также приводит к росту зоны размытости.
Напыление резистивных и проводниковых плёнок выполняется в одной вакуумной камере в непрерывном процессе. Для сублимации применяют резистивный испаритель, покрытый гальваническим слоем сублимируемого вещества либо стержень из спрессованного и спёченного порошка сублимируемого вещества, а вещества, плохо взаимодействующие с тугоплавкими материалами испаряют из жидкого состояния. Напыления ведут на подогретые подложки, температуру которых регулируют изменением тока нагревателя. При достижении требуемой температуры подложек испаритель подводят на позицию испарения и подают на него напряжение. При нагреве испарителя вакуум в камере ухудшается, так как с поверхности испарителя происходит выделение газов. После окончания газовыделения и восстановления вакуума открывают заслонку и напыляют пленку сублимируемого вещества. При достижении требуемой толщины плёнки заслонку закрывают, на позицию переводят следующую подложку и так процесс продолжают для напыления плёнки на все подложки.
Нанесение Нанесение проводников
резистивного слоя и контактных площадок
![]() |
![]() |
Маска
![]() |
![]() |
||
![]()
![]()
![]()
Подложка
III. Расчёт геометрических размеров плёночных элементов.
Прежде всего, для расчёта геометрических размеров резисторов нужно найти мощность P, рассеиваемую каждым резистором.Рассеиваемая мощность на резисторе находится по формуле:
(1), где i – номер элемента.
Применяя формулу (1) найдём Pi для каждого резистора (см. таблицу 1).
Так как резисторы R1 , R5 , R7 , R9 , R10 , R14 , R15 , R18 меньше 1000 Ом, то размещать их будем на другом слое.
Теперь, для того, чтобы выбрать материал, из которого будут изготавливаться резистивные плёнки, проводники и контактные площадки нужно найти удельное поверхностное сопротивление резистивной плёнки для каждого слоя по формуле (значения Rопт
см. таблицу 1):
Зная Rопт для каждого слоя, можем выбрать материал резистивной плёнки, контактных площадок и проводников, а также температурный коэффициент сопротивления a и допустимую удельную мощность рассеяния P0 соответствующий выбранному материалу:
I слой : резистивная плёнка – нихром, проволока Х20Н80 (ГОСТ 12766-67)
Контактные площадки
и проводники - медь
a = 1×10-4
P0 = 2 Вт/см2
II слой : резистивная плёнка – кермет К-50С (ЕТО.021.013 ТУ)
Контактные площадки
и проводники - золото с подслоем хрома (нихрома)
a = -4×10-4
P0 = 2 Вт/см2
Зная величину каждого резистора и Rо слоя, в котором он находятся, можно найти коэффициент формы для каждого резистора данного слоя:
![]()
где Кф – коэффициент формы плёночного элемента (значения Кф см. в таблице 1).
Теперь рассчитаем погрешность коэффициента формы:
![]()
Таблица 1.
Номер R |
I | P i | Резистор | R i | 1/R i | Rопт | Kф |
| 1 | 0,0034543 | 0,008113888 | R1 | 680 | 0,0014706 | 245,636 | 2,76832341 |
| 2 | 0,002651 | 0,007027801 | R2 | 1000 | 0,001 | 4918,03 | 0,20333344 |
| 3 | 0,0008033 | 0,00212946 | R3 | 3300 | 0,000303 | 4918,03 | 0,67100036 |
| 4 | 0,00147573 | 0,00718669 | R4 | 3300 | 0,000303 | 4918,03 | 0,67100036 |
| 5 | 0,00130092 | 0,000169239 | R5 | 100 | 0,01 | 245,636 | 0,40710638 |
| 6 | 0,00047755 | 0,002280587 | R6 | 10000 | 0,0001 | 4918,03 | 2,03333441 |
| 7 | 0,00047755 | 0,000107188 | R7 | 470 | 0,0021277 | 245,636 | 1,9134 |
| 8 | 0,00032997 | 0,001633183 | R8 | 15000 | 6,667E-05 | 4918,03 | 0,20333344 |
| 9 | 0,00050478 | 2,54803E-05 | R9 | 100 | 0,01 | 245,636 | 1,9134 |
| 10 | 0,0001694 | 1,34867E-05 | R10 | 470 | 0,0021277 | 245,636 | 1,9134 |
| 11 | 3,4178E-06 | 1,16814E-08 | R11 | 1000 | 0,001 | 4918,03 | 0,20333344 |
| 12 | 5,416E-06 | 1,37865E-07 | R12 | 4700 | 0,0002128 | 4918,03 | 0,95566717 |
| 13 | 0,00032308 | 0,00156571 | R13 | 15000 | 6,667E-05 | 4918,03 | 3,05000161 |
| 14 | 0,00032723 | 5,03286E-05 | R14 | 470 | 0,0021277 | 245,636 | 1,9134 |
| 15 | 0,00100583 | 5,15964E-05 | R15 | 51 | 0,0196078 | 245,636 | 0,20762426 |
| 16 | 0,00100583 | 0,004754962 | R16 | 4700 | 0,0002128 | 4918,03 | 0,95566717 |
| 17 | 1,4167E-05 | 3,01056E-06 | R17 | 15000 | 6,667E-05 | 4918,03 | 3,05000161 |
| 18 | 1,4167E-05 | 1,24436E-07 | R18 | 620 | 0,0016129 | 245,636 | 2,52405958 |
| 19 | 5,416E-06 | 2,93331E-07 | R19 | 10000 | 0,0001 | 4918,03 | 2,03333441 |
1).Для резисторов с 1 £K Ф £ 10
![]() |
Рассчитываем ширину резистора :
![]() |
где h – длина перекрытия для плёночных элементов, расположенных в разных слоях (h ³ 0,2 мм).
2).Для резисторов с 0,1 £KФ £ 1
Рассчитываем длину резисторов:
![]()
![]()
![]()

![]() |
Рассчитываем ширину резисторов:
![]()
Площадь резисторов равна:
Значения ширины, длины и площади каждого резистора см. таблицу 2.
Проверка:
![]()
1).
Таблица 2.
Номер R |
B точн /L точн | Bp | Bрасч | L p | L расчётн | L полн | S см | Проверка P 0 ' | Проверка | Проверка |
| 1 | 0,37293958 | 0,038 | 0,37294 | 1,43242 | 0,005 | 1,518871 | 0,033795 | 11,070295 | ||
| 2 | 1,09593152 | 5,38982 | 0,02673 | 1,09593 | 1,49593 | 0,081 | 0,087163 | 0,00854 | 11,06254 | |
| 3 | 0,46116892 | 0,68729 | 0,02673 | 0,46117 | 0,86117 | 0,006 | 0,359786 | 0,026162 | 11,080162 | |
| 4 | 0,46116892 | 0,68729 | 0,0491 | 0,46117 | 0,86117 | 0,006 | 1,214237 | 0,026162 | 11,080162 | |
| 5 | 0,94694806 | 2,32605 | 0,00587 | 0,94695 | 1,34695 | 0,031 | 0,005402 | 0,011723 | 11,048223 | |
| 6 | 0,27625982 | 0,024 | 0,27626 | 0,96173 | 0,003 | 0,858374 | 0,046596 | 11,100596 | ||
| 7 | 0,41715887 | 0,005 | 0,41716 | 1,19819 | 0,005 | 0,021445 | 0,032318 | 11,068818 | ||
| 8 | 1,09593152 | 5,38982 | 0,01289 | 1,09593 | 1,49593 | 0,081 | 0,020256 | 0,00854 | 11,06254 | |
| 9 | 0,41715887 | 0,003 | 0,41716 | 1,19819 | 0,005 | 0,005098 | 0,032318 | 11,068818 | ||
| 10 | 0,41715887 | 0,002 | 0,41716 | 1,19819 | 0,005 | 0,002698 | 0,032318 | 11,068818 | ||
| 11 | 1,09593152 | 5,38982 | 3,4E-05 | 1,09593 | 1,49593 | 0,081 | 1,45E-07 | 0,00854 | 11,06254 | |
| 12 | 0,378961 | 0,39654 | 0,00026 | 0,37896 | 0,77896 | 0,003 | 4,46E-05 | 0,038056 | 11,092056 | |
| 13 | 0,24590161 | 0,016 | 0,2459 | 1,15 | 0,003 | 0,553671 | 0,049362 | 11,103362 | ||
| 14 | 0,41715887 | 0,004 | 0,41716 | 1,19819 | 0,005 | 0,010069 | 0,032318 | 11,068818 | ||
| 15 | 1,59353231 | 7,67508 | 0,00231 | 1,59353 | 1,99353 | 0,153 | 0,000337 | 0,006319 | 11,042819 | |
| 16 | 0,378961 | 0,39654 | 0,04767 | 0,37896 | 0,77896 | 0,003 | 1,539372 | 0,038056 | 11,092056 | |
| 17 | 0,24590161 | 7E-04 | 0,2459 | 1,15 | 0,003 | 0,001065 | 0,049362 | 11,103362 | ||
| 18 | 0,38251703 | 2E-04 | 0,38252 | 1,3655 | 0,005 | 2,38E-05 | 0,033466 | 11,069966 | ||
| 19 | 0,27625982 | 3E-04 | 0,27626 | 0,96173 | 0,003 | 0,00011 | 0,046596 | 11,100596 |

2).
![]()
![]()
3).
![]()
Результаты проверки см. в таблице 2.






