| Скачать .docx |
Реферат: Гидросистема прицепного скрепера
Украинская государственная строительная корпорация Украинская государственная строительная "Укрстрой"
николаевский строительный колледж
КУРСОВАЯ РАБОТА
по предмету: "гидравлика и гидропривод"
на тему:"гидросистема прицепного скрепера".
2.1.3.090214 120 КР 005 46000
Руководитель проекта:
Красников В.Ф.
Разработал: студент
группы КМС – 46
Пигарёв С.Н.
Николаев 1998г.
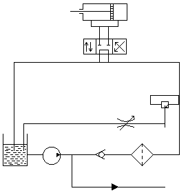
Схема гидропривода разгрузки ковша прицепного скрепера.
Скрепер предназначается для послойной разработки грунтов.
Гидравлическая система служит для разгрузки скрепера путём поворота (опрокидование) ковша. Силовой цилиндр работает от насоса, находящегося на тягаче, перемещаемая скрепер. При расчёте схемы принять что давление в гидросхеме тягача должно
на 3% превышать давление в схеме скрепера, а расход равен 0,75% от расхода в системе.
Схема гидропривода включает масленый насос (1), забирающий масло из бака и пода-
ющий его через обратный клапан (2), фильтр (3) и редукционный клапан (4) к трёхпозицион-
ному золотниковому распределительному устройству типа Г74-1 (6). В положении, указанном на схеме, осуществляется рабочий ход гидроцилиндра, т.е. происходит опрокидывание ковша
(рис.).
Редукционный клапан поддерживает постоянным давление «после себя».
Основы расчёта .
1 . Выбор силового цилиндра.
Для выбора типа силового цилиндра необходимо задаться величиной стандартного давления цилиндра из ряда
Р=1 ; 6; 3; 4; 7; 8; 10; 12; 15; 16; 20. MPa
и определить ориентировочный диаметр поршня из формулы (mm):
![]() |
где F3 – заданная нагрузка на шток силового цилиндра, N ;
Р -стандартное давление, Ра .
Зная ход поршня – S, его диаметр dо и величину стандартного давления – р по техничес-
ким характеристикам (каталог “Гидравлическое оборудование” с.358) подбирается соответству-
ющий тип гидроцилиндра .
Диаметр штока находится из рисунка цилиндра .
Определяется максимальное усилие ,развиваемое цилиндром ,
Fmax = p (А n - Аш ) ,
где Аn и Аш – площади поршня и штока, начисленные по размерам диаметров, взятым из ката-
лога .
Усилие Fmax должно, примерно, соответствовать заданному – F3 .
Если Fmax существенно отличается от F3 , необходимо принять другое значение давле-
ния и повторить расчёт .
2 . Если условие F3 = Fmax соблюдается, то определяется расход масла в гидравлической систе-
ме , для чего находится скорость поршня
где S – ход поршня ( по каталогу ) ;
t - время рабочего хода .
Расход по штоковой полости
Qш = Аn* U
где Аш n = Аn – A ш –площадь штоковой полости .
По поршневой
Qn = An* U .
3 . В схеме используется реверсивный золотник с ручным управлением типа Г74-1. Золотник
выбирается по каталогу исходя из условия пропуска максимального расхода в системе (Q).
Определив наибольший рекомендуемый расход (по технической характеристике золот-
ника) – Qmax и перепад давления при рекомендуемом расходе - DРр, из формулы Вейсбаха опре-
деляется коэффициент золотника
![]() |
где ρ – плотность масла;
Авых – площадь сливного отверстия золотника (диаметр сливного отверстия берётся из
каталога).
4 . Считая, что расход через дроссель редукционного клапана составляет 0,25 Qш n , по каталогу
подбирается обратный клапан, обеспечивающий пропуск 1,25Qш n , и определяется его коэффи-
циент сопротивления lо.к. (так же, как для золотникового распределителя).
5. Расчитывается фильтр (см. методические указания).
6 . По расходам на участках сети подбираются диаметры трубопроводов.
7 . Определяется давление в точке Д
F3 н – номинальная нагрузка,
DРем – падение давления в сливной магистрали,
где Dем -площадь сечения сливного трубопровода .
8. Находится давление в точке В системы
Рв =Ра - D Рав
9. Находится давление в точке С
Рс =Ра - D Рсд
10. По каталогу “Гидравлическое оборудование” подбирается насос, обеспечивающий давление
не менее чем Ра “Подача насоса определяется условием Q3 = 0,25 * Q1 (cм. Пункт 11).Предпо-
чтение следует отдавать насосам более простых конструкций.
11. Расчитывается редукционный клапан (см. методические указания) на расход
Q1 = Q м – Q т
и давления Р2 = Рс и Р1 = Р3
Q3 – паспортная подача насоса.
Расход Q3 находится из соотношения
Q3 = Q1 * Q м
12. Объём масляного бака системы ltr определяется по эмпирической формуле
![]() |
Где t1 - температура окружающей среды, 0 С;
t2 - допустимая температура нагрева масла, 0 С;
R- количество тепла , выделяющегося в системе при работе (кI)
R=Pa* Qn* t(1- h ) * 10-3
В этой формуле
r а (Ра ) , Qn (m3 /S)
t – время работы механизма в течение часа, выраженное в секундах;
h- КПД насоса .
3. Рекомендация по выбору рабочей жидкости.
1. минеральные масла с вязкостью при 50 0 С 20-40 сст. Рекомендуется для систем с давлением
до 70 кг./см2 , а для давлений до 200 кг/см2 рекомендуемого масла с вязкостью от 60 до 110 сст.
2. Температура застывания масла должна быть на 15-20 0 С ниже минемальной рабочей темпе-
ратуры гидросистемы.
3. Применение смеси масел в системах с высоким рабочим давлением не рекомендуется .
4. Применение в гидросистемах выщелоченных индустриальных масел не рекомендуется.Не рекомендуются также дистилатные масла серно-кислотной очистки которая под влиянием дав-
ления и температуры окисляются с выделением смолистых веществ .
5. Масла АМг-10 , ГМц-2 , которые могут эксплуатироваться без замены до 2-х лет и более.
Рекомендуется заменять масло после того , как его вязкость изменилась более чем на 20%.
6. Для гидроприводов строительных машин и оборудования эксплуатационный температурный режим составляет от 50 0 С до 70 0 С и так учитывая указанные выше рекоменда-
ции наиболее соответствуют всем требованиям масло АМг-10 .
Его характеристика
Вязкость при 50 0 С = 10 сст.
-50 0 С = 1250 сст.
Температура застывания -70 0 С
r = 850 кг/ м3 .
Содержание воды - 0 % , кислот , механических примесей и зольность отсутствуют .
|
|||
|
|||
|
|||
|
|||

![]() |
|
|
Список литературы.
1. Абрамов Е.И. "Элементы гидропривода", издательство "Техника", Киев 1969 г. 320с.
2. Барсов И.П. "Строительные машины и оборудование" издательство "Стройиздат" 1986 г. 511 с.
3. Иоффе А.М. "Гидравлическое оборудование металлургических цехов", Москва издательство "Металлургия" 1989 г. 248 с.



