| Похожие рефераты | Скачать .docx |
Реферат: Схема внутрицехового электроснабжения до 1000 В
МИНИСТЕРСТВО ОБРАЗОВАНИЯ РОССИЙСКОЙ ФЕДЕРАЦИИ
САМАРСКИЙ ГОСУДАРСТВЕННЫЙ ТЕХНИЧЕСКИЙ УНИВЕРСИТЕТ
РЕФЕРАТ
ПО ДИСЦИПЛИНЕ<<ПРОИЗВОДСТВО ЭЛЕКТРОЭНЕРГИИ>>
НА ТЕМУ<<СХЕМА ВНУТРИЦЕХОВОГО ЭЛЕКТРОСНАБЖЕНИЯ ДО 1000В>>
Выполнил: студент IV курса
Заочного факультета, группы1А
Клёпов А.С.
Проверил: Брятов А.С.
САМАРА 2004
Содержание
1. Внутрицеховые сети………………………………………………...стр.3
Питающие………………………………………………………………..стр.3
2. Распределительные внутрицеховые сети………………………..стр.4
Радиальные схемы……………………………………………………….стр.4
Магистральные схемы…………………………………………………..стр.5
Троллейные линии………………………………………………………стр.5
Смешанные (комбинированные) схемы………………………………..стр.6
3. Конструктивное выполнение внутрицеховых электрических сетей……………………………………………………………………...стр.7
3.1. Шинопроводы……………………………………………………...стр.8
3.2 Электропроводки…………………………………………………стр.10
Скрытая электропроводка……………………………………………..стр.10
3.3 Кабельные линии в сетях напряжением до 1 кВ……………..стр.11
Модульные сети………………………………………………………..стр.12
4. Основное оборудование внутрицеховых сетей………………...стр.12
Силовые распределительные шкафы ШР-11…………………………стр.13
Осветительные групповые щитки…………………………………….стр.13
Плавкие предохранители………………………………………………стр.13
Контактор……………………………………………………………….стр.15
Магнитные пускатели………………………………………………….стр.15
Автоматические воздушные выключатели…………………………...стр.16
5. Список используемой литературы………………………………стр.20
Введение.
Сети напряжением до 1 кВ служат для распределения электроэнергии внутри цехов промышленных предприятий, а также для питания некоторых ЭП, расположенных за пределами цеха на территории предприятии. Цеховые электрические сети напряжением до 1 кВ являются составной частью СЭС промышленного предприятия и осуществляют непосредственное питание большинства ЭП. Схема внутри цеховой сети определяется технологическим процессом производства, планировкой помещений цеха, взаимным расположением ТП, ЭП и вводов питания, расчётной мощностью, требованиями бесперебойности электроснабжения, технико-экономическими соображениями, условиями окружающей среды.
На (рис 1) показано устройство внутрицеховых электроустановок, соединение которых между собой по определённой схеме образует цеховую электрическую сеть.
На (рис 1), представляющем собой поперечный разрез пролёта производственного помещения цеха, показаны открытые шинные магистрали 1 , расположенные в верхней зоне (А) цеха. Там же установлен осветительный шинопровод 2 . На капители колонны в зоне (Б) расположен троллейный шинопровод 3 для питания нагрузок мостового крана, по конструкциям вдоль стены цеха в зоне (В) размещены распределительный 4 и магистральные 8 шинопроводы. В цехе в зоне (Д) имеется кабельный канал 6 для прокладки внутрицеховых кабелей, распределительный шкаф 5 для питания силовых электроприемников и осветительный щиток 7 зона (Г) .
1 Внутрицеховые сети.
Внутрицеховые сети делятся на питающие и распределительные.
Питающие
отходят от источника питания (ТП) к распределительным шкафам (РШ), к распределительным шинопроводам или к отдельным крупным ЭП. В некоторых случаях питающая сеть выполняется по схеме БТМ (блок трансформатор – магистраль), (рис 2 б и 3). В этом случае от трансформатора КТП отходит магистральный шинопровод (магистраль), предназначенный для передачи электроэнергии нескольким РШ или нескольким ЭП, присоединённым к магистрали в различных точках. Отдельные приёмники и РШ в этом случае присоединяются к магистрали с помощью ответвлений.
2 Распределительные внутрицеховые сети - это сети, к которым непосредственно подключаются различные ЭП цеха. Распределительные сети выполняются с помощью распределительных шинопроводов (ШРА) и распределительных шкафов.
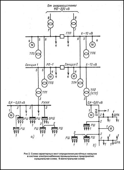
Характерным примером радиальной схемы является (рис 2 а). Здесь от секции 1 распределительного пункта РП-1 напряжением 6-10 кВ потребители НН через трансформатор получают питание отдельными линиями, отходящими от РУНН подстанции ТП1. Радиальные схемы применяют при наличии групп сосредоточенных нагрузок с неравномерным распределением их по площади цеха, во взрыво- и пожароопасных цехах, в цехах с химически активной и аналогичной средой. Радиальные схемы нашли широкое применение в насосных и компрессорных станциях, на предприятиях нефтехимической промышленности, в литейных и других цехах. Радиальные схемы внутрицеховых сетей выполняют кабелями или изолированными проводами. Они могут быть применены для нагрузок любой категории надёжности.
Достоинства радиальных схем является их высокая надёжность, так как авария на одной линии не влияет на работу ЭП, подключенных к другой линии. Недостатками радиальных схем являются: малая экономичность, связанная со значительным расходом проводникового материала, труб, распределительных шкафов; большое число защитной и коммутационной аппаратуры; ограниченная гибкость сети при перемещениях ЭП, вызванных изменением технологического процесса; невысокая степень индустриализации монтажа.
Магистральные схемы
(рис 2 и 3) целесообразно применять для питания силовых и осветительных нагрузок, распределённых относительно равномерно по площади цеха, а также для питания группы ЭП, принадлежащих одной линии. При магистральных схемах одна питающая магистраль обслуживает несколько распределительных шкафов и крупные ЭП цеха.
Одной из разновидностей магистральных схем является схема БТМ (рис 3). В этом случае внутрицеховая сеть упрощается, так как цеховая КТП может быть выполнена без РУНН.
Схемы БТМ широко применяются для питания цеховых сетей механических цехов машиностроительных предприятий с поточным производством. Для обеспечения универсальности сети необходимо питающую магистраль 1
рассчитать на передачу всей мощности трансформатора, распределительные шинопроводы 2
–на максимальную расчётную нагрузку
электроприёмников, расположенных на обслуживаемых шинопроводом участка цеха.
Шинопроводом называется жесткий токопровод заводского изготовления напряжением до 1 кВ , поставляемый комплектными секциями.
Согласно схемы БТМ следует проектировать с числом отходящих от КТП магистральных шинопроводов, не превышающим числа установленных на подстанциях трансформаторов. Магистральный шинопровод присоединяется непосредственно к выводам низкого напряжения трансформатора. Длинна магистральных шинопроводов при их номинальной нагрузке и
не должна превышать: 220 м
при номинальном токе 1600 А и 180 м при номинальном токе 2500 А
. При питании от магистральных шинопроводов одновременно силовых и осветительных нагрузок указанная предельная длинна шинопроводов снижается примерно в 2 раза.
При магистральной схеме ЭП могут быть подключены в любой точке магистрали.
Троллейные линии предназначены для питания подъёмно-транспортных механизмов цеха.
Достоинствами магистральных схем являются: упрощёние РУНН трансформаторных подстанций, высокая гибкость сети, дающая возможность перестановок технологического оборудования без переделки сети, использование унифицированных элементов (шинопроводов), позволяющих вести монтаж индустриальными методами. Недостатком является их меньшая надёжность по сравнению с радиальными схемами, так как при аварии на магистрали все подключенные к ней ЭП теряют питание. (Однако введение в схему резервных перемычек между ближайшими магистралями значительно повышает надёжность магистральных схем.) Применение шинопроводов постоянного сечения приводит к некоторому перерасходу проводникового материала.
На практике для электроснабжения цеховых ЭП радиальные или магистральные схемы редко встречаются в чистом виде. Наибольшее распространение имеют смешанные (комбинированные) схемы
(рис 4), сочетающие в себе элементы радиальных и магистральных схем и пригодные для любой категории электроснабжения. Такие схемы применяются в прокатных и мартеновских цехах металлургической промышленности, в кузнечных, котельных и механосборочных цехах, на обогатительных фабриках и т.п. В смешанных схемах от главных питающих магистралей и их ответвлений электроприёмники питаются через распределительные шкафы РШ или шинопроводы ШРА в зависимости от расположения оборудования в цехе. На участках с малой нагрузкой, где прокладка распределительных шинопроводов нецелесообразна, устанавливаются распределительные шкафы, присоединяемые к ближайшим шинопроводам (распределительным или магистральным). РШ устанавливаются вблизи места расположения ЭП при среднем радиусе отходящих от РШ линий 10-30 м
.
В схеме (рис 4) распределительные шинопроводы ШРА и шкафы РШ получают питание от главной питающей магистрали (ШМА). Распределительные шинопроводы ШРА применяются в тех цехах, где возможны частые изменения технологического процесса и перестановки оборудования.
В цехах промышленных предприятий с преобладанием нагрузок I
и II
категории должны предусматриваться резервные перемычки между соседними подстанциями. На (рис 5) показаны такие схемы резервирования. Шины 0,4 кВ
двухтрансформаторных КТП секционируются автоматически выключателем QF
3
(рис 5 а). При отключении одного трансформатора питание нагрузок осуществляется от другого трансформатора путём автоматического включения QF
3
по схеме АВР или вручную. На однотрансформаторных КТП предусматриваются резервные перемычки между соседними РШ или ШРА.
Пропускная способность резервной перемычки должна быть 30-40% мощности силового трансформатора. При нормальной схема электроснабжения цеховых потребителей резервные перемычки разомкнуты. Перемычки создают удобства при эксплуатации, облегчают проведение послеаварийных ремонтных работ, повышают надёжность внутрицеховых сетей и способствуют снижению потерь электроэнергии, так как в часы малых нагрузок можно питать все ЭП от одного трансформатора, отключив остальные.
На выбор схемы внутрицеховых электрических сетей оказывают большое влияние условия окружающей среды цеха. Они определяются температурой воздуха, влажностью, наличием агрессивных газов или пыли, возможностью возникновения взрыва или пожара. Наиболее эффективным средством защиты электроустановки от разрушающего действия химически активных, пожароопасных и взрывоопасных сред является территориальное удаление электрооборудования. Когда это выполнить невозможно, выбирают такие материалы проводников и изоляции, которые способны длительно противостоять разрушающему действию агрессивной среды. Как правило, для помещений с такими неблагоприятными средами применяют радиальные схемы питания ЭП, коммутационные аппараты которых располагают в отдельных помещениях с нормальной средой.
В цехах промышленных предприятий с пожароопасной средой предусматривают устройства противопожарной автоматики. В этом случае на выводе РШ (ШРА), куда подключены электродвигатели вентиляционных механизмов, устанавливают мощный магнитный пускатель. В цепь катушки пускателя последовательно включают размыкающий контакт датчика противопожарного устройства. Для сокращения зоны распространения огня в случае возникновения пожара в цехе этим контактом отключаются все вентиляционные установки.
3 Конструктивное выполнение внутрицеховых электрических сетей
Внутрицеховые электрические сети напряжением до 1 кВ различаются между собой по многим конструктивным признакам. Конструкции сетей зависят от материала проводников, способов изоляции, условия окружающей среды, от степени ответственности электроустановки, от расстояния источника питания до потребителя, от характера нагрузки (спокойная, ударная) и других факторов.
По способам изоляции сети напряжением до 1 кВ можно разделить на две большие группы: выполняемые из шин и неизолированных проводов и из изолированных проводов и кабелей. К сетям напряжением до 1 кВ , выполняемым неизолированными проводами, относятся ВЛ, которые на промышленных предприятиях имеют крайне ограниченное применение. Из неизолированных и изолированных шин выполняют шинопроводы. Электропроводки и КЛ относятся к сетям, выполненным из изолированных проводников.
Примерная классификация сетей напряжения до 1 кВ
по конструктивным признакам приведена на (рис 6).
3.1 Шинопроводы представляют собой комплектное электротехническое устройство для внутрицеховой электрической сети. Разновидностями магистральных шинопроводов являются открытые шинные магистрали из неизолированных шин, которые прокладываются на высоте 10-12 м по нижнему поясу ферм на изоляторах в цепях небольшой протяжённости на (рис. 1). Открытые шинные магистрали достаточно дёшевы и надёжны. Стоимость их несколько увеличивается за счёт спусков и подъёмов питающих линий и ответвлений. Спуски и подъёмы выполняются изолированными проводами. Открытые шинные магистрали применяются в цехах, где по условиям влажности и пыльности среды невозможно применение комплектных магистральных шинопроводов типа ШМА, предназначенных только для помещений с нормальной средой. Но в связи с тем, что открытые шинные магистрали имеют большую индуктивность по сравнению с комплектными шинопроводами, а, следовательно, и большие потери напряжения, их не следует применять в мощных протяжных сетях. Комплектные шинопроводы изготовляют на заводах электротехнической промышленности. Состоят они из отдельных секций, соединяемые между собой сваркой, болтовыми зажимами или штепсельными разъёмами. Шинопроводы имеют высокую надёжность, длительный срок службы, удобны при монтаже и эксплуатации благодаря жёсткости конструкции шин и коробов, являются самонесущими. Наличие стандартных готовых секций позволяет создать универсальную сеть, к которой можно дополнительно подключать ЭП при изменении технологии производства.
На (рис 7) приведены конструкции шинопроводов разных типов.
Комплектные шинопроводы прменются только для внутренней электропроводки. При необходимости выхода шинопровода за пределы помещения, а также в условиях стесненности, сложных изгибов, в случаях пересечения трубопроводов, строительных конструкций и т.п. удобнее заменять секции магистрального шинопровода кабельными вставками марки АВВ на большие токи (более 1000 А).
Кабели марки АВВ по сравнению с кабелями других марок сечением 240
мм
характеризуется повышенным удельным расходом проводникового материала.
3.2 Электропроводки.
Электропроводками называют сети постоянного и переменного тока напряжением до 1 кВ
, выполняемые изолированными проводами и небронированными кабелями малых (до16 мм
)
сечений с резиновой и пластмассовой изоляцией жил с относящимися к ним креплениями и поддерживающими конструкциями. В цехах промышленных предприятий основным конструктивным видом электропроводок является прокладка в лотках, коробах, трубах и на тросах.
На (рис 8) показаны варианты открытой электропроводки на лотках, на (рис 9) в коробах. Электропроводки в коробах в отличие от электропроводок в лотках защищают провода и кабели от загрязнений. Короба изготовляют в виде П-образных профилей с перегородками секциями длинной 3 м
. В коробах есть планки для крепления уложенных в них проводов и кабелей. Число проводов, прокладываемых в одном коробе, не должно быть более 12
. Реже в цехах промышленных предприятий применяется прокладка на роликах и изоляторах.
Скрытая электропроводка применяется в конструктивных элементах зданий, в стенах, полах и перекрытиях, в фундаментах оборудования и т.п. и может быть выполнена в трубах, в каналах, образованных в толще бетона, и закладываться в строительные элементы зданий или трубы.
Важным компонентом электропроводок является изоляция проводов, которая изготавливается из резины или полихлорвинилового пластиката.
Изолированные провода и кабели отличаются друг от друга исполнением защитных оболочек. Кабели в отличие от проводов имеют поверх изоляции жил герметичную оболочку (алюминиевую, свинцовую, поливинилхлоридную), предохраняющую изоляцию от неблагоприятного воздействия окружающей среды и служащую механической защитой кабелей.
Исходя из требований экономии меди, ПУЭ рекомендуют во всех случаях применять провода и кабели с алюминиевыми жилами, за исключением производств с взрывоопасной средой категории В-1
и В-1а
, где применение проводников с медными жилами является обязательным. Кроме того, медные проводники применяются для механизмов, работающих в условиях постоянных вибраций, сотрясений, а также для передвижных электроустановок.
Если предусмотрена электропроводка в трубах , то во всех случаях, где это допустимо, следует вместо металлических труб применять пластмассовые трубы. Металлические трубы следует использовать во взрывоопасных помещениях и в помещениях с коррозионной - активной средой.
3.3 Кабельные линии в сетях напряжением до 1 кВ
Кабель состоит из токоведущих медных или алюминиевых жил, имеющих изоляцию жил и поясную изоляцию. Внутренняя оболочка (поясная изоляция) служит для усиления изоляции жил. Для защиты от механических повреждений в конструкцию кабеля входит броня, поверх которой накладывается внешняя покровная оболочка - для металлической брони кабеля.
На (рис. 10) приведена конструкция четырёхжильного кабеля с бумажной изоляцией и вязкой пропиткой на напряжение до 1 кВ .
Во внутрицеховых электрических сетях кабели прокладываются по стенам, по конструкциям (в лотках, коробах, на кронштейнах), в трубах, в кабельных каналах (рис. 11).
При выборе сечения проводов и кабелей следует учитывать, что провода и кабели с алюминиевыми жилами следует применять, начиная с сечения 2 мм
по условиям механической прочности, с медными жилами – начиная с сечения 1мм
. При прокладке кабелей с алюминиевыми жилами в траншеях минимальное сечение жил 6мм
. Для прокладки в трубах по условиям протяжки не рекомендуется применять провод сечением выше 120мм
. Для питания переносных и передвижных механизмов применяют шланговые многожильные гибкие провода или кабели с медными жилами и резиновой изоляцией, например кабели марки КРПТ.
При сооружении внутрицеховых сетей применяются модульные сети.
Они представляют собой прокладку проводов под потолком в трубах с разветвительными коробками, над которыми устанавливаются напольные колонки (рис. 12). Сеть называется модульной, так как ответвительные коробки для присоединения ЭП выполняются с заданным шагом (модулем) 1,5-6 м
в зависимости от характера производства и габаритов технологического оборудования. Линии, отходящие от напольных колонок к ЭП, выполняются проводами или кабелями в трубах. Модульная магистраль рассчитана на максимальный ток 100 А
. Модульные сети применяются на предприятиях машиностроительной, приборостроительной, радиотехнической и других отраслей производства в тех случаях, когда возможна частичная перепланировка технологических агрегатов и предъявляются особые требования к стерильности и эстетике производства. Применение модульной сети делает электротехническую часть производства независимой от размещения технологического оборудования.
4 Основное электрооборудование внутрицеховых сетей.
Кроме шинопроводов в качестве основного электрооборудования для внутрицеховых сетей напряжением до 1 кВ применяются: панели распределительные, силовые распределительные шкафы, распределительные пункты, ящики с рубильниками и предохранителями, ящики с блоками выключатель – предохранитель, щитки освещения, плавкие предохранители, магнитные пускатели, контакторы, автоматические выключатели и др.
Щиты, вводные устройства, шкафы, панели, щитки и другие распределительные устройства современных конструкций – это законченные комплектные устройства для приёма и распределения электроэнергии, управления и защиты ЭУ от перегрузок и коротких замыканий. В них смонтированы коммутационные и защитные аппараты, измерительные приборы, аппаратура автоматики и вспомогательные устройства.
Для комплектования распределительных устройств (щитов низкого напряжения цеховых ТП) применяются распределительные панели одностороннего обслуживания типа ЩО-70М. Их целесообразно применять на ТП, встроенных в производственные помещения предприятия, с трансформаторами мощностью до 630 кВ
А.

На крупных и ответственных ТП с трансформаторами мощностью 1000 кВ
А
и более при установке сложных коммутационных аппаратов, требующих обслуживания с задней стороны, применяются панели двухстороннего обслуживания.
В цехах промышленных предприятий для распределения электроэнергии применяются силовые распределительные шкафы ШР11
(рис. 13).
Применяются также распределительные пункты серии ПР24 с автоматическими выключателями А3700 взамен распределительных пунктов, ПР9000 , в которые встраивались снятые с производства автоматические выключатели А3100 .
Осветительные групповые щитки типов ЯОУ-8501, ЯОУ-8504 (рис. 14) предназначены для распределения электроэнергии, защиты от перегрузок и токов короткого замыкания осветительных сетей. Они применяются в трёхфазных сетях переменного тока напряжением 380/220 В с глухозаземлённой нейтралью и могут служить для нечастых (до шести в час) оперативных включений и отключений электрических цепей.
Для защиты внутрицеховых электрических сетей от токов КЗ служат плавкие предохранители.
Предохранители насыпные серии ПК
изготавливаются на напряжение 3-35 кВ и номинальные токи до 400 А. Патрон предохранителя (рис. 20) состоит из фарфоровой трубки 3
, армированный латунными колпачками 2
. Внутри патрона размещены медные или серебряные плавкие элементы. Для обеспечения нормальных условий гашения дуги плавкие элементы должны иметь значительную длину и малое сечение. Это достигается применением нескольких параллельных вставок 5
, намотанных на ребристый керамический сердечник (рис. 20 в), или, при больших токах, несколько спиральных вставок (рис. 20, б). После того как трубка заполнена кварцевым песком 4
, торцевые отверстия закрываются крышками 1
и тщательно запаиваются. Нарушение герметичности, увлажнение песка могут привести к потере способности гасить дугу. Для уменьшения температуры плавления плавкой вставки использован металлургический эффект. На плавкие из меди напаяны шарики из олова 6
, которые, расплавляясь при температуре не более
С, растворяют в себе медь вставки, цепь обрывается и загорается дуга в нескольких параллельных каналах (в соответствии с числом вставок). Возникшая дуга охлаждается зернами кварца в узкой щели и гаснет раньше, чем ток КЗ в цепи достигнет наибольшего значения. Это свойство называется токоограничивающим эффектом.
Такое свойство предохранителей позволяет не проверять по действию токов КЗ токоведущие части и аппараты, находящиеся за ними.
Срабатывание предохранителя определяется по указателю 7 , который выбрасывается пружиной из трубки после перегорания стальной вставки, нормально удерживающей пружины в подтянутом состоянии. Стальная вставка перегорает после рабочих вставок, когда по ней проходит весь ток.
Полное время отключения при токах КЗ предохранителем ПК 0,005-0,008 с, отключаемый ток КЗ до 40 кА.
Патрон ПК вставляется в контакты, укреплённые на опорных изоляторах (рис. 20, а). В зависимости от номинального тока в предохранителях может быть один, два, четыре патрона (ПК1, ПК2, ПК4).
.
Они являются простейшими аппаратами токовой защиты, действие которых основано на перегорании плавкой вставки. Предохранитель включается последовательно в фазу защищаемой цепи. Наименьший ток, при котором плавкая вставка предохранителя ещё не перегорает при длительной работе, называется током неплавления
Этот ток по значению должен быть, возможно, ближе к номинальному току
, на который маркируется плавкая вставка. Отношение I
/
I
должно быть несколько больше единицы. Зависимость времени перегорания плавкой вставки (времени срабатывания предохранителя) от тока цепи называется защитной
или время-токовой характеристикой
предохранителя. Предохранители являются токоограничивающими аппаратами, так как в них обеспечивается деионазация околодугового пространства, а, следовательно, и отключение цепи настолько быстро, что при больших кратностях тока в предохранителе ток не успевает достигнуть своего предельного значения.
Номинальным током плавкой вставки называют ток, который может длительно проходить через неё, не вызывая расплавления металла вставки или сильного нагрева. Время перегорания плавкой вставки при заданных значения тока определяется по защитным характеристикам.
На (рис. 15) изображена схема защиты электрической сети предохранителями. При КЗ в точке К
раньше других должна расплавится плавкая вставка предохранителя F
2
, имеющая меньший номинальный ток. По условию селективности защитная характеристика ближайшего к источнику питания предохранителя F
1
, должна располагаться над характеристикой более удалённого по схеме предохранителя F
2
.
Как правило,
>
.
Для управления работой электродвигателей станков, вентиляторов, кранов и других ЭП служат контакторы и магнитные пускатели.
Контактором называется аппарат, приводимый в действие электромагнитом, включение и отключение которого можно осуществлять дистанционно с помощью кнопок управления. Вместе с другими электрическими аппаратами контакторы служат для пуска, ускорения, изменения направления вращения и остановки ЭП при ручном и автоматическом управлении. Контакторы применяются для коммутации силовых цепей электродвигателей мощностью 100 кВт и выше. Для более мелких ЭП применяют магнитные пускатели. В цепях переменного тока в основном используется трёхполюсные контакторы серий КТ, КТВ, а в цепях постоянного тока – одно – и двухполюсные контакторы серии КП, КПВ.
Магнитные пускатели
предназначены главным образом для дистанционного управления асинхронными электродвигателями с короткозамкнутым ротором мощностью до 100 кВт
; для пуска непосредственным подключением к сети и останова электродвигателя (нереверсивные пускатели); для пуска, останова и реверса электродвигателя (реверсивные пускатели). В исполнении с тепловым реле пускатели защищают управляемые электродвигатели от перегрузок.
Магнитный пускатель представляет собой трёхполюсной контактор переменного тока прямоходовой магнитной системой, в которой дополнительно встроены два тепловых реле защиты, включенных последовательно в две фазы главной цепи электродвигателя. На (рис. 16 а и б) показаны общий вид пускателя ПМЛ и схема управления электродвигателем с помощью магнитного пускателя типа ПМЛ.
Защита электродвигателей от перегрузки и от обрыва одной фазы осуществляется с помощью тепловых реле типа РТЛ, присоединяемых к пускателю перемычками.
Автоматические воздушные выключатели предназначены для автоматического размыкания электрических цепей при анормальных режимах (КЗ и перегрузках), для редких оперативных переключений (три-пять в час) при нормальных режимах, а также для защиты электрических цепей при недопустимых снижениях напряжения. По сравнению с предохранителями автоматические выключатели обладают рядом преимуществ: после срабатывания автоматический выключатель снова готов к работе, в то время как в предохранителе требуется замена калибровочной плавкой вставки, увеличивающая время простоя ЭП; более точные защитные характеристики; совмещение функций коммутации электрических цепей и их защиты; наличие у некоторых автоматических выключателей независимых расцепителей, позволяющих осуществлять дистанционное отключение электрической цепи и др.
В отличие от предохранителей в автоматических выключателях не применяется какой-либо специальной среды для гашения дуги. Дуга гасится в воздухе, поэтому автоматические выключатели называются воздушными.
По числу полюсов автоматические выключатели бывают одно-, двух- и трёхполюсные, изготавливаются на токи до 6000 А
при напряжении переменного тока до 660 В
и постоянного тока до 1 кВ
. Отключающая способность их достигает 200-300 кА
. По времени срабатывания (
) различают: нормальные автоматические выключатели с
с; селективные с регулируемой выдержкой времени до 1 с
; быстродействующие с
с.
Наименьший ток, вызывающий отключение автоматического выключателя, называют током трогания или током срабатывания, а настройку расцепителя автоматического выключателя на заданный ток срабатывания – уставкой тока срабатывания.
Автоматический выключатель имеет следующие основные элементы: контакты с дугогасительной системой; привод; механизм свободного расцепления; расцепители; вспомогательные контакты.
Основными элементами автоматических выключателей, выполняющими его защитные функции при анормальных режимах в цепи, являются расцепители, при срабатывании которых автоматический выключатель отключается мгновенно или с выдержкой времени. Автоматический выключатель может иметь один или несколько расцепителей.
По принципу действия расцепители разделяются на электромагнитные и термобиметаллические (тепловые). Существуют расцепители максимального тока, которые срабатывают при токе, большем уставки тока срабатывания; расцепители минимального напряжения, которые срабатывают, когда напряжение на катушке становится меньше заданного, и расцепители независимые, которые срабатывают без выдержки времени, когда на их катушку подано напряжение.
Для защиты от коротких замыканий применяют электромагнитные расцепители мгновенного действия или с выдержкой времени, обеспечивающей избирательность действия. Одновременная защита сети от КЗ и перегрузки осуществляется за счёт применения комбинированных расцепителей, состоящих из двух элементов – для защиты от КЗ и от перегрузок.
Как правило, автоматические выключатели имеют встроенные в них расцепители. На (рис. 17) представлены различные виды расцепителей, условно показанные для одного вида автоматического выключателя: тепловой
(обычно биметаллический) или электронный инерционный расцепитель максимального тока с зависимой от тока выдержкой времени. Эти расцепители осуществляют защиту от перегрузки цепи. Тепловые расцпители (рис.17,а) срабатывают, как и тепловые реле магнитных пускателей за счёт изгибания биметаллической пластины 2
, получающей тепло от нагревателя 3
, присоединённого к сети через шунт 4
, и воздействующей на отключающий механизм автоматического выключателя. Защитная характеристика теплового расцепителя подобна характеристике предохранителя; электромагнитный
или электронный расцепитель максимального тока мгновенного срабатывания с независимым от тока временем срабатывания (рис. 17,б). Вид защиты с таким расцепителем иногда называют отсечкой
. Она осуществляет защиту от токов КЗ, превышающих 6 – 10
-кратные значения номинального тока электрической цепи. Расцепитель максимального тока состоит из катушки 1
и сердечника 5
. Когда по катушке протекает ток КЗ, сердечник создаёт механическое усилие, что приводит к отключению автоматического выключателя. Ток срабатывания расцепителя максимального тока можно регулировать. Расцепитель может быть снабжён механизмом выдержки времени, зависимой или независимой от тока. Такие расцепители позволяют осуществить селективную защиту; расцепитель минимального напряжения,
состоящий из катушки 1
с сердечником 5
и пружины 6
(рис. 17в) и срабатывающий при недопустимом снижении напряжения в цепи (30-50 %
).
Такие расцепители применяют для электродвигателей, сомозапуск которых нежелателен при самопроизвольном восстановлении питания; независимый расцепитель
(рис. 17г), служащий для дистанционного отключения автоматического выключателя кнопкой 7
и для автоматического отключения цепи при срабатывании внешних защитных устройств.
Первые два вида расцепителей максимального тока устанавливаются во всех фазах автоматического выключателя, остальные – по одному на выключатель.
В настоящее время в цеховых электрических сетях напряжением до 1 кВ применяются автоматические выключатели различных конструкций: типов А3700, АВМ, АЕ-20, <<Электрон>> и др. Автоматические выключатели серии А3700 включают типы А3710, А3720, А3730, А3740 на номинальные токи соответственно 160, 250, 400 и 630 А.
На (рис. 18) показан выключатель серии А3700 : 1 -корпус из пластмассы, на котором смонтированы детали и сборочные узлы, 2 -крышка, закрывающая детали выключателя (кроме зажимов). Коммутирующее устройство состоит из подвижных 3 и неподвижных 4 контактов, изготовленных из металлокерамической композиции на основе серебра. Подвижные контакты 3 припаяны к контактодержателям 5 , которые укреплены на общей изоляционной траверсе 6 и связаны с механизмом управления. Контактодержатели 5 электрически соединены гибким соединением 7 с максимальными расцепителями и выводами 8 для присоединения внешних проводников со стороны подвижных контактов. Неподвижные контакты 4 припаяны к малоподвижным контактодержателям 9 , которые электрически соединены с неподвижными скобами 10 и имеют вывод 11 для присоединения внешних проводников со стороны неподвижных контактов. Контактодержатели 9 опираются на пружины 12 . Механизм управления выключателем выполнен по принципу ломающихся рычагов и устроен так, что обеспечивает моментальное замыкание и размыкание контактов 3 и 4 при оперировании выключателем, а также моментное размыкание контактов при автоматическом срабатывании независимо от того, удерживается ли рукоятка 13 выключателя оператором во включенном положении или нет.
В случае КЗ якорь 18 расцепителя действует на отключающую рейку 20 , освобождает защёлку и происходит автоматическое отключение; полупроводниковый блок защиты 22 при перегрузках подаёт сигнал на независимый расцепитель, якорь которого действует на отключающую рейку 20 .
Дугогасительные камеры с деионной решёткой расположены над контактами каждого полюса выключателя и представляют собой набор укреплённых в изоляционной оправе 15 стальных пластин14 , с помощью которых происходит разделение дуги на ряд последовательных дуг. Искрогаситель 16 предназначен для гашения пламени дуги, возникающей при отключении автоматическим выключателем тока КЗ.
Таким образом, в данном курсовом проекте были рассмотрено всё основное оборудование подстанций. Полученные знания пригодятся для дальнейшей работы на предприятии.
Список используемой литературы
1) ”Обслуживание электрических подстанций„ О.В. Белецкий, С.И. Лезнов, А.А. Филатов
2) ”Электроснабжение промышленных предприятий и установок„Л.Л. Коновалова, Л.Д. Рожкова
3) ” Электроснабжение промышленных предприятий „ Б.А. Князевский, Б.Ю. Липкин
4) ”Справочник по электроснабжению промышленных предприятий „А.А. Фёдоров, В.В. Каменева, Е.А. Конюхова
5) ”Устройство, монтаж и эксплуатация тяговых подстанций „ Б.Е. Геронимус, В.Г. Гурвич, В.В. Мазов
Похожие рефераты:
Электрические нагрузки промышленных предприятий
Расчет схемы электроснабжения плавильного цеха обогатительной фабрики
Электроснабжение комплекса томатного сока
Реконструкция подстанции "Гежская" 110/6 кВ