| Скачать .docx |
Реферат: Оптические датчики газового состава
Московский ордена Ленина, ордена Октябрьской Революции
и ордена Трудового Красного Знамени
ГОСУДАРСТВЕННЫЙ ТЕХНИЧЕСКИЙ УНИВЕРСИТЕТ
имени Н.Э.Баумана.
_________________________________________________________
Факультет РЛ
Кафедра РЛ2
Реферат по дисциплине
"Лазерные оптико-электронные приборы"
студента
Майорова Павла
Леонидовича
,группа РЛ3-101.
Руководитель
Немтинов Владимир Борисович
Тема реферата:
"Оптическая обработка информации"
В данном реферате обсуждаются датчики газового состава, то есть речь идет об обработке информации о составе газовой смеси. Важность анализа газового состава сегодня не вызывает сомнений, поскольку она напрямую связана с основными проблемами современной цивилизации: экономией энергии, сырья, контролем качества, оптимизацией промышленных процессов, охраной окружающей среды, совершенствованием медико-биологических методов и т.д.
Датчики, предназначенные для определения химического состава газовой смеси, получили широкое распространение, связанное прежде всего с контролем за процессами горения в целях экономии энергии и сокращения загрязнения атмосферы. Многие из новых датчиков газового состава предназначены для анализа газового состава горючих смесей или продуктов сгорания; O2 , СО, СО2 , Н2 О, SO2 , SO3 , NOx , CHx , и т. д.
Характеристики датчиков газового состава также претерпевают заметную эволюцию: появляются новые датчики с более высокой селективностью, происходит их миниатюризация, приспособление к измерению непосредственно в рабочем объеме; некоторые из них способны заменить сложные и громоздкие анализаторы.
Кислород в качестве объекта газового анализа занимает особое место: возможности точного и быстрого анализа этого газа, предоставляемые сегодня некоторыми датчиками и, прежде всего, датчиками на основе твердых электролитов, находят многочисленные применения в таких весьма различных областях человеческой деятельности, как химическая промышленность, металлургия, сельское хозяйство, пищевая промышленность, медицина, биология, системы кондиционирования и контроля атмосферы в лаборатории. Применение таких датчиков все расширяется, стимулируя разработку новых специальных зондов для таких газов, как Cl2 , SO2 , HCl, H2 S, H2 и т. п.
Граница между "датчиками" и "анализаторами" в случае анализа газа является расплывчатой. При ее определении используются три критерия:
* возможность оперативного использования в непрерывном или квазинепрерывном режиме для контроля газовой среды либо определения ее физических параметров (температуры, давления, скорости циркуляции, содержания пыли и т.п.);
* отсутствие необходимости в использовании химических реагентов;
* невмешательство оператора в каждое измерение (для отбора проб, поверки и т. д.).
Это определение датчиков специально дается нестрого. Анализаторы, которые не рассматриваются как датчики газового состава, — это масс-спектрометры, анализаторы на основе хемолюминесценции (ионизация газа под действием высокоэнергетического ультрафиолетового излучения) и приборы ядерного магнитного резонанса (ЯМР).
Возможна следующая классификация датчиков газового состава
* электрохимические датчики на основе твердых электролитов;
* электрические датчики;
* катарометры;
* парамагнитные датчики;
* оптические датчики.
Далее, следуя теме реферата, будет рассмотрен только один тип датчиков.
Поглощение электромагнитного излучения молекулой газа может привести не только к возбуждению электрона, но также к изменениям колебательной энергии (колебания атомов относительно каждой химической связи) и вращательной энергии (вращение всей молекулы или ее части). Все эти изменения энергии являются квантованными. Возможны только определенные значения кинетического момента вращения или энергии колебаний, характеризующие так называемые колебательные и вращательные энергетические уровни.
Поглощение видимого, ультрафиолетового и рентгеновского излучений вызывает изменение электронной энергии молекул. Поглощение инфракрасного излучения приводит к изменениям колебательных и вращательных состояний молекул.
Эти эффекты используются в абсорбционной спектроскопии, которая является, следовательно, методом определения химического состава газа, поскольку получаемые спектры поглощения однозначно характеризуют его. Измерение интенсивности электромагнитного излучения, поглощаемого газовой смесью, зависит от природы газа и позволяет, таким образом, определить концентрацию данного газа в смеси. Согласно закону Бугера — Ламберта — Бера, доля (I/I0 ) интенсивности излучения, поглощенного кюветой с газом, изменяется экспоненциально с длиной кюветы l , концентрацией c газа и коэффициентом поглощения а :
lg(I/I0 )=alc.
Применимость закона Бугера — Ламберта — Бера. Некорректное применение этого закона может привести к существенным ошибкам. Закон справедлив только в том случае, если излучение является монохроматическим, что не выполняется в случае бездисперсионных приборов. Кроме того, коэффициент удельного поглощения а изменяется с используемой шириной полосы, а изменение температуры анализируемого газа приводит к смещению полосы поглощения. Закон также не учитывает общего давления и влияния непоглощающих газов, присутствующих в смеси.
Для того чтобы устранить или учесть эти источники ошибок, наряду с другими неконтролируемыми факторами, такими, как изменение интенсивности излучения, изменение чувствительности детектора или загрязнение окон датчика, обычно используются приборы, работающие по двухлучевой схеме.
Газы, анализ которых в промышленности осуществляется с использованием методов абсорбционной спектроскопии, перечислены в табл. 1.
| Таблица 1. Основные газы, анализируемые с помощью оптических излучений | |||||
Длина волны, нм |
Рентгеновское излучение 10-2 ¸ 10 |
УФ 10 ¸ 5×102 |
Видимое 5×102 ¸ 8×102 |
ИК 8×102 ¸ 106 |
|
| Основные анализируемые газы | H2 S, газообразные кислоты | O2 , O3 , SO2 , NH3 , Hg | Cl2 , ClO2 , NOx , H2 O | H2 O, CO, CO2 , NO, N2 O, NH3 , SO2 , SO3 , алканы, алкены | |
| Следовые количества | — | NH3 , SO2 , O3 , Hg | + | + | |
| концентраций | Высокие концентрации | + | O3 , SO2 | + | + |
Анализаторы с использованием видимого и ультрафиолетового излучения. Пучок света, испускаемый лампой (обычно ртутной), монохроматизируется с помощью соответствующих фильтров.
В некоторых приборах монохроматическое излучение разделено на два пучка, направленные соответственно на кювету, через которую продувается смесь анализируемых газов, и на другую кювету, содержащую газ сравнения (двухлучевой спектрометр). Интенсивности излучения на выходе детектируются и сравниваются с помощью фотоэлементов.
В приборе другого типа (однолучевом спектрометре) пучок света направляется на кювету, через которую продувается смесь. После этой кюветы пучок света разделяется на два пучка, проходящие через два фильтра, один из которых дает излучение, поглощаемое анализируемым газом, а другой — не поглощаемое. Сопоставление интенсивностей этих потоков света осуществляется с помощью фотоэлементов.
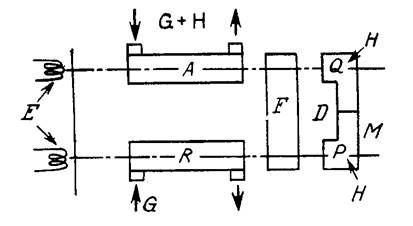
Рис. 1. Принципиальная схема инфракрасного бездисперсионного двухлучевого спектрометра с положительным фильтром. |
Анализаторы, использующие ИК-излучение. Дисперсионные или "монохроматизирующие" приборы используются для контроля процессов в промышленности очень редко; обычно используют недисперсионные приборы, т, е. приборы без спектрального разложения. Хотя селективность этих приборов ниже, однако при промышленном использовании они имеют ряд преимуществ, таких, как лучшая чувствительность, простота, надежность и меньшие эксплуатационные расходы.
В варианте однолучевого прибора излучение от источника проходит через кювету с анализируемым газом, а затем — последовательно через два обращающих фильтра, что позволяет сопоставить с помощью детектора поглощение для двух длин волн — одной, соответствующей пику поглощения для анализируемого газа, и другой — отвечающей минимальному поглощению (последняя принята в качестве стандарта).
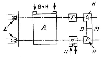
Рис. 2. Принципиальная схема инфракрасного бездисперсионного двухлучевого спектрометра с отрицательным фильтром. |
Анализаторы на основе двухлучевой схемы более распространены. Различают приборы двух основных типов (рис. 1 и рис. 2):
* анализаторы с положительным фильтром;
* анализаторы с отрицательным фильтром.
Анализаторы с положительным фильтром (рис. 1) снабжены рабочей кюветой А , через которую пропускается анализируемая газовая смесь (газ H , поглощающий в инфракрасной области спектра, и газ G , не поглощающий в этой области), и кюветой сравнения R , содержащей непоглощающий газ G . Кюветы изготавливаются из меди или из позолоченного либо посеребренного изнутри стекла. Они закрыты окнами, прозрачными для излучения (LiF, кварц, слюда, CaF2 и др.). В состав детектора D , работающего по дифференциальной схеме, входят две камеры, P и Q , заполненные газом Н и разделенные мембраной М . Газ Н , содержащийся в камере Р , поглощает излучение на определенных длинах волн, а газ, находящийся в камере Q , будет поглощать излучение на этих длинах волн тем меньше, чем больше доля газа Н в смеси, пропускаемой через кювету А . Нагрев и, следовательно, давление газа H в секциях P и Q детектора будут тем больше различаться, чем выше содержание газа Н в смеси (положительный, фильтр). Если анализируемая смесь содержит газы, которые могут оказывать мешающее влияние (т. е. газы, полосы поглощения которых перекрываются с полосами анализируемого газа), то ими заполняется компенсационная кювета F , через которую проходят два луча. Таким образом, обеспечивается режим, при котором изменение концентрации этих газов не влияет на процесс измерений.
В анализаторах с отрицательным фильтром (рис. 2) излучение от источника направляется на кювету A , через которую продувается анализируемая газовая смесь (G + H ), затем параллельно через кювету N , в которой циркулирует анализируемый газ H , и через компенсационную кювету F с газом, который может оказать мешающее влияние, и, наконец, на приемник (аналогичный описанному выше), включенный в дифференциальную схему. В этом приборе разность давлений между секциями P и Q детектора будет тем меньше, чем выше концентрация газа Н в смеси (отрицательный фильтр).
К настоящему времени достаточно разработана только инфракрасная абсорбционная спектроскопия. Около 80% анализаторов этого типа используются в промышленности для определения СО и СО2 и для контроля загрязнения окружающей среды. Эти анализаторы менее распространены в сталелитейной промышленности по сравнению с масс-спектрометрами, несмотря на высокую стоимость последних.
Использование лазеров в качестве источника монохроматического излучения получило широкое распространение в анализаторах, требующих очень высокой чувствительности, и в дистанционном анализе без отбора проб (определение загрязняющих примесей).
Анализаторы, использующие УФ- или видимое излучение, применяются в промышленности значительно реже — в особых случаях, для которых не существует других простых методов анализа.
Аш Ж., Андре П. и др. Датчики измерительных систем.
Кулаков М.В. Технологические измерения и приборы для химических производств.
Павленко В.А. Газоанализаторы.
Тхоржевский В.П. Автоматический анализ химического состава газов.
Вступление................................................................................................................................
Датчики газового состава........................................................................................................
Оптические датчики.............................................................................................................
Физические принципы....................................................................................................
Модели...............................................................................................................................
Применение.......................................................................................................................
Список литературы..................................................................................................................
Оглавление................................................................................................................................

