| Скачать .docx |
Реферат: Операционный усилитель
Лабораторная работа №2
Операционный усилитель
Цель работы:
Ознакомиться с основными характеристиками
операционных усилителей, исследовать некоторые устройства построенные на ОУ
Оборудование:
Установка ЛСЭ-1М
Осцилограф С1-73
Цифровой вольтметр В7-16
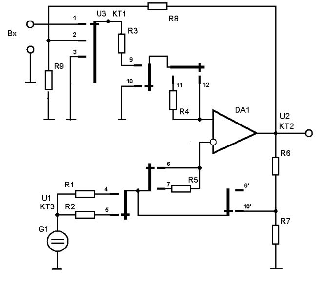
Собираем схему УПТ. коммутаторы: 4,10,11,10.
Используем в качестве входного сигнала напряжение источника постоянного тока G1. Плавно изменяя Uвх снимаем показания и строим график передаточной характеристики
KUoc =-R6/R1= -5
Собираем схему компаратора . комутаторы: 3,4,6,9,12.
Опорное напряжение равно нулю, т. к. неинвертирующий вход подключен к “земле”, в качестве входного сигнала используем напряжение источника постоянного тока G1.
Снимаем показания и строим график передаточной характеристики .
Так же для компаратора с гистерезисной характеристикой, комутаторы: 2,4,6,9,12.
Uср. = 4,62 (R7/R7+R6) = 4,2в
Uотп = -3,04(R7/R7+R6) =-2,75в
Uг = Uср. - Uотп =1,4в
Вывод: Графики передаточных характеристик далеки от идеальных, видимо, неуравновешенны плечи источника питания ОУ.
Расчётные данные так же отличаются от экспериментальных.
Например для УПТ KUoc =-5 следовательно при UВХ =1в UВЫХ =-5в при UВХ –1в, UВЫХ = 5в на деле это не так UВЫХ = -3,03в и 4,56в.
передаточная характеристика компаратора нестабильна в районе порога переключения, поэтому значение Uвых = 0 при U вх = 0 условно (гистерезисный компаратор свободен от этого недостатка)
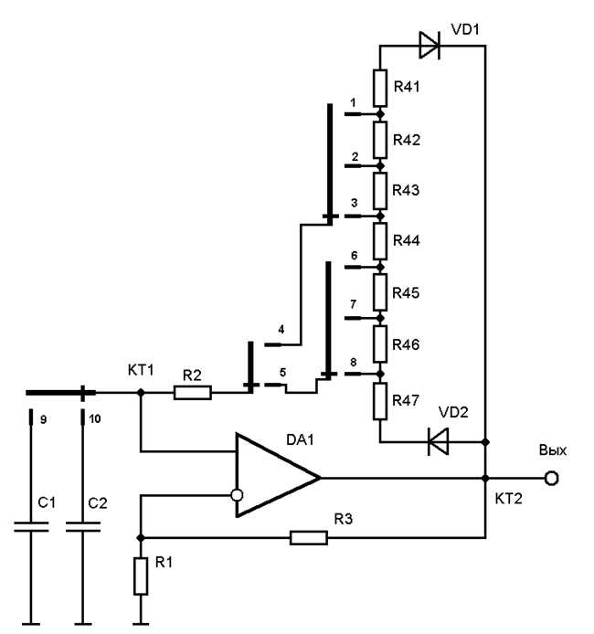
Собираем схему мультивибратора . комутаторы: 2,8,5. комутаторы 9 или 10
t1,1 = (R2+R41+R42+R43+R44+R45+R46) C1 = 6.75mS
tu1,1 = t1,1 ln(1+(2R1/R3) = 7.41mS
t2,1 = (R2+R47) C1 = 1.005mS
tu2,1 = t2,1 ln(1+(2R1/R3) =1.103mS
f1
=1/t1,1
+t2,1
= 0.12кГц
КТ3
КТ2
КТ1
t1,2 = (R2+R41+R42+R43+R44+R45+R46) C2 = 2.115 mS
tu1,2 = t1,2 ln(1+(2R1/R3) = 2.31 mS
t2,2 = (R2+R47) C2 = 0.3149 mS
tu2,2 = t2,2 ln(1+(2R1/R3) = 0.34 mS
f2 =1/t1,2 +t2,2 = 0.38 кГц
Таблица 1. передаточная характеристика инвертирующего У.П.Т.
U G1[в] |
-1,5 |
-1 |
-0,5 |
0 |
0,5 |
1 |
1,5 |
Uвых[в] |
4,62 |
4,558 |
2,415 |
0,1 |
-2,22 |
-3,027 |
-3,39 |
Таблица 2. передаточная характеристика компаратора
U G1[в] |
-1,5 |
-1 |
-0,5 |
-0,1 |
0 |
0,1 |
0,5 |
1 |
1,5 |
Uвых[в] |
4,62 |
4,62 |
4,625 |
4,625 |
0 |
-3,042 |
-3,035 |
-3,04 |
-3,04 |
Таблица 3. передаточная характеристика гистерезисного компаратора
U G1[в] |
-1 |
-0,6 |
-0,4 |
-0,1 |
0 |
0,1 |
0,4 |
0,6 |
1 |
Uвых[в] |
4,62 |
4,62 |
4,62 |
4,62 |
4,62 |
4,62 |
4,62 |
-3,04 |
-3,04 |
U G1[в] |
1 |
0,6 |
0,4 |
0,1 |
0 |
-0,1 |
-0,4 |
-0,6 |
-1 |
Uвых[в] |
-3,04 |
-3,04 |
-3,04 |
-3,04 |
-3,04 |
-3,04 |
4,62 |
4,62 |
4,62 |

Передаточная характеристика гистерезисного компаратора
Передаточная характеристика компаратора


Передаточная характеристика У.П.Т.

мультивибратор
| R1 | 100k |
| R2 | 2k |
| R3 | 100k |
| R41 | 4.7k |
| R42 | 5.1k |
| R43 | 6.8k |
| R44 | 8.2k |
| R45 | 8.2k |
| R46 | 12k |
| R 47 | 4.7k |
| C 1 | 0.15мкф |
| C 2 | 0,047мкф |
| VD1,2 | Кд522 |
| DA 1 | 553уд1 |

УПТ и компаратор
| R1 | 2k |
| R2 | 10k |
| R3 | 2k |
| R4 | 10k |
| R5 | 10k |
| R6 | 10k |
| R7 | 100oм |
| R8 | 91k |
| R9 | 24k |
| DA 1 | 140уд1 |
Передаточная характеристика гистерезисного компаратора


Передаточная характеристика компаратора
