| Скачать .docx |
Реферат: ЭТПиМЭ
С О Д Е Р Ж А Н И Е
Ч а с т ь 1
1.1. Упрощение логических выражений.
1.2. Формальная схема устройства.
1.3. Обоснование выбора серии ИМС.
1.4. Выбор микросхем.
1.4.1. Логический элемент ² ИСКЛЮЧАЮЩЕЕ ИЛИ ² .
1.4.2. Логический элемент ² 2 ИЛИ ² с мощным открытым коллекторным выходом.
1.4.3. Логический элемент ² 2 И ² с открытым коллектором.
1.4. 4 . Логический элемент ² 2 И ² с повышенной нагрузочной способностью.
1.4. 5 . Логический элемент ² НЕ ²
1.5. Электрическая принципиальная схема ЦУ.
1.6. Расчет потребляемой мощности и времени задержки.
1.6.1. Потребляемая мощность.
1.6.2. Время задержки распространения.
Ч а с т ь 2
2.1. Расчет базового элемента цифровой схемы.
2.1.1. Комбинация: Х1 = Х2 =Х3 = Х4 = ² 1 ² .
2.1.2. Комбинация: Х1 = Х2 =Х3 = Х4 = ² 0 ² .
2.1.3. Любая иная комбинация.
2.2. Таблица состояний логических элементов схемы.
2.3. Таблица истинности.
2.4. Расчет потенциалов в точках.
2.4.1. Комбинация 0000.
2.4.2. Комбинация 1111.
2.4.3. Любая иная комбинация.
2.5. Расчет токов.
2.5.1 Комбинация 0000.
2.5. 2 Комбинация 1111.
2.6. Расчет мощности рассеиваемой на резисторах.
2.6.1. Комбинация 0000.
2.6.2. Комбинация 1111.
Ч а с т ь 3
3.1. Разработка топологии ГИМС.
3.2. Расчет пассивных элементов ГИМС.
3.3. Подбор навесных элементов ГИМС.
3.4. Топологический чертеж ГИМС (масштаб 10:1).
В А Р И А Н Т № 2

В ы х о д: ОК; ОС; или ОЭ.
Рпот < 120 мBт
tз.р. £ 60 нс

Ч а с т ь 1
1.1. Упрощение логических выражений.


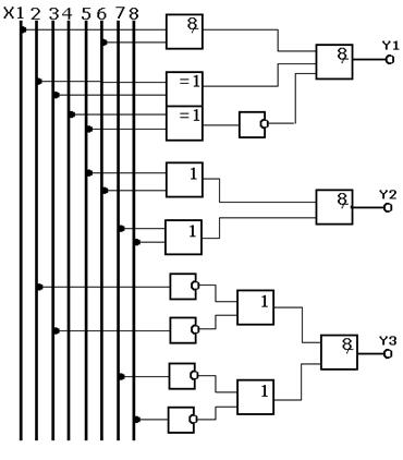
1.2. Формальная схема устройства.
1.3. Обоснование выбора серии ИМС.
Учитывая, что проектируемое цифровое устройство должно потреблять мощность не превышающую 100мВт и время задержки не должно превышать 100 нс для построения ЦУ можно использовать микросхемы серии КР1533 (ТТЛШ) имеющие следующие технические характеристики:
Напряжение питания: 5В10%.
Мощность потребления на вентиль: 1мВт.
Задержка на вентиль: 4 нс.
1.4. Выбор микросхем.
1.4.1. Логический элемент ² ИСКЛЮЧАЮЩЕЕ ИЛИ ² .
D1 - KP1533
ЛП 5
Параметры:
| Рпот = Епит × Iпот = 5 × 5,9 = 29.5 мВт |
Епит = 5 В
Iпот = 5,9 мА
1.4.2. Логический элемент ² 2 ИЛИ ² с мощным открытым коллекторным выходом.
D2 - КР1533ЛЛ4
Параметры:
|
|
Епит = 5 В
I1 пот = 5 мА
I0 пот = 10,6 мА
|
|

1.4.3. Логический элемент ² 2 И ² с открытым коллектором.
D3 - KP1533 ЛИ2

Параметры:
|
|
Епит = 5 В
I1 пот = 2,4 мА
I0 пот = 4,0 мА
|
|

1.4.3. Логический элемент ² 2 И ² с повышенной нагрузочной способностью.
D4 - KP1533 ЛИ1

Параметры:
|
|
Епит = 5 В
I1 пот = 2,4 мА
I0 пот = 4 мА
|
|

1.4. 5 . Логический элемент ² НЕ ² .
D5 - KP1533 ЛН1

Параметры:
|
|
Епит = 5,5 В
I1 пот = 1,1 мА
I0 пот = 4,2 мА
|
|

|
|
|
|
|
![]() |
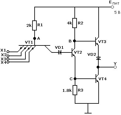
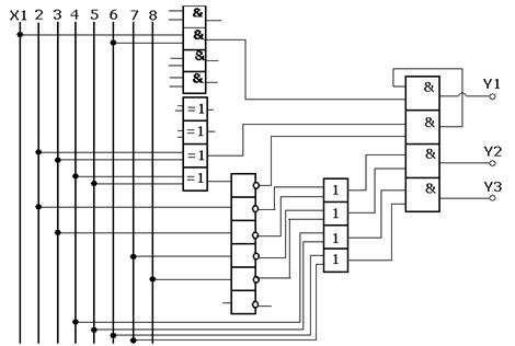
С учетом выбранных микросхем внесем в формальную схему некоторые изменения (с целью минимизировать количество микросхем).
|
|
|
|
|
|
|
|
|
|
|
1.6.1. Потребляемая мощность.
Pпот = Pпот D1 + Pпот D2 + Pпот D3 + Pпот D4 + Pпот D5 = 29.5 + 39 + 16 + 16 + 13.25 = 113.75 мВт
113.75 < 120 - Условие задания выполняется.
1.6.2. Время задержки распространения.
Для расчета времени задержки возьмем самый длинный путь от входа к выходу. Например от входов х2 х3 до выхода y2 . Тогда:
tз.р. = tз.р. D 5.2 + tз.р. D 2 .1 + tз.р. D3.2 = 9.5 + 10.5 + 34.5 = 54,5 мВт
54,5 < 60 - Условие задания выполняется.
Ч а с т ь 2
2.1. Расчет базового элемента цифровой схемы.

Для трех комбинаций входных сигналов составим таблицу состояний всех активных элементов схемы.
2.1.1. Комбинация: Х1 = Х2 =Х3 = Х4 = ² 1 ² .
Если на все входы многоэмиттерного транзистора VT1 поданы напряжения логической ²1², то эмиттеры VT1 не получают открывающегося тока смещения (нет разности потенциалов). При этом ток, задаваемый в базу VT1 через резистор R1 , проходит от источника Eпит в цепь коллектора VT1 , смещенного в прямом направлении, через диод VD1 и далее в базу VT2 . Транзистор VT2 при этом находится в режиме насыщения (VT2 - открыт) в точке ² B ² Uб =0,2 В (уровень логического нуля). Далее ток попадает на базу VT4 и открывает VT4 на выходе схемы ²0².
2.1.2. Комбинация: Х1 = Х2 =Х3 = Х4 = ² 0 ² .
Когда на входы многоэмиттерного транзистора VT1 поданы уровни логического нуля переходы база - эмиттер смещаются в прямом направлении. Ток, задаваемый в его базу через резистор R1 проходит в цепь эмиттера. При этом коллекторный ток VT1 уменьшается, поэтому транзистор VT2 закрывается. Транзистор VT4 также закрывается (т.к. VT2 перекрыл доступ тока к базе VT4 ). На выход, через открытый эмиттерный переход VT3 попадает уровень логической единицы - на выходе ²1².
2.1.3. Любая иная комбинация.
Например: Х1 = 1; Х2 = 0; Х3 = 1; Х4 = 1
Когда хотя бы на один любой вход многоэмиттерного транзистора VT1 подан уровень логического нуля соответствующий (тот на который подан ²0²) ² В ² переход база-эмиттер смещается в прямом направлении (открывается) и отбирает базовый ток транзистора VT2 . Получается ситуация как в пункте 2.1.1.
2.2. Таблица состояний логических элементов схемы.
| Х1 |
Х2 |
Х3 |
Х4 |
Uвх1 |
Uвх2 |
Uвх3 |
Uвх4 |
VT1 |
VT2 |
VT3 |
VT4 |
Uвых |
Y |
| 1 |
1 |
1 |
1 |
5 |
5 |
5 |
5 |
Закр |
откр |
закр |
откр |
0,2 |
0 |
| 0 |
0 |
0 |
0 |
0,2 |
0,2 |
0,2 |
0,2 |
Откр |
закр |
откр |
закр |
5 |
1 |
| 0 |
0 |
1 |
1 |
0,2 |
0,2 |
5 |
5 |
Откр |
закр |
откр |
закр |
5 |
1 |
2.3. Таблица истинности.
На выходе схемы появится уровень логической единицы при условии, что хотя бы на одном, но не на всех входах ²1². Если на всех входах ²1², то на выходе ²0².
| Х1 |
Х2 |
Х3 |
Х4 |
Y |
| 0 |
0 |
0 |
0 |
1 |
| 0 |
0 |
0 |
1 |
1 |
| 0 |
0 |
1 |
0 |
1 |
| 0 |
0 |
1 |
1 |
1 |
| 0 |
1 |
0 |
0 |
1 |
| 0 |
1 |
0 |
1 |
1 |
| 0 |
1 |
1 |
0 |
1 |
| 0 |
1 |
1 |
1 |
1 |
| 1 |
0 |
0 |
0 |
1 |
| 1 |
0 |
0 |
1 |
1 |
| 1 |
0 |
1 |
0 |
1 |
| 1 |
0 |
1 |
1 |
1 |
| 1 |
1 |
0 |
0 |
1 |
| 1 |
1 |
0 |
1 |
1 |
| 1 |
1 |
1 |
0 |
1 |
| 1 |
1 |
1 |
1 |
0 |
| - Схема выполняет логическую функцию²И-НЕ². |
2.4. Расчет потенциалов в точках.
2.4.1. Комбинация 0000.
При подаче на вход комбинации 0000 потенциал в точке ² A ² складывается из уровня нуля равно 0,2 В и падения напряжения на открытом p-n переходе равном 0,7 В. Значит потенциал в точке ² A ² Uа = 0,2 + 0,7 = 0,9 В.
Транзистор VT2 закрыт (см. п. 2.1.2.) ток от источника питания через него не проходит поэтому потенциал в точке ² B ² Uб = Eпит = 5 В. Транзистор VT2 и VT4 закрыт, поэтому потенциал в точке ² C ² Uс =0 В. Потенциал в точке ² D ² складывается из Епит = 5 В за вычетом падения напряжения на открытом транзис-торе VT3 равным 0,2 В и падения напряжения на диоде VD2 = 0,7 В. Напряжение Ud = 5 - ( 0,2 + 0,7 ) = 4,1 В.
2.4.2. Комбинация 1111.
При подачи на вход комбинации 1111 эмиттерный переход VT1 запирается, через коллекторный переход протекает ток. На коллекторный переход VT1 подают напряжение равным 0,7 В. Далее 0,7 В подают на диоде КD1 и открытом эмитторном переходе транзистора VT2 , а также на открытом эмиттерном переходе транзистора VT4 . Таким образом потенциал в точке ² a ² Ua = 0,7 + 0,7 + 0,7 + 0,7 =2,8 В. Потенциал в точке ² C ² Uс = 0,7 В. (Падение напряжения на эмиттерном переходе VT4 ).
Потенциал в точке ² B ² напряжение базы складывается из потенциала на коллекторе открытого транзистора VT2 = 0,2 В и падения напряжения на коллекторном переходе транзистора VT3 = 0,7 В. Напряжение Uб = 0,2 + 0,7 = 0,9 В. Потенциал в точке ² D ² напряжение Ud = 0,2 В. (Напряжения на коллекторном переходе открытого эмиттерного перехода VT4 ).
2.4.3. Любая иная комбинация.
При подачи на вход любой другой комбинации содержащей любое количество нулей и единицу (исключая комбинацию 1111) приведет к ситуации аналогичной п.3.2.1.
2.5. Расчет токов.
2.5.1 Комбинация 0000.
2.5. 2 Комбинация 1111.
2.6. Расчет мощности рассеиваемой на резисторах.
2.6.1 Комбинация 0000.
PR1 = IR1 × U R 1 = 1,025 × (5-0,9)=4,2 мВт
PR 2 = IR 2 × U R2 = 0 мВт
PR 3 = IR 3 × U R 3 = 0 мВт
2.6.2 Комбинация 1111.
PR1 = IR1 × U R 1 = 0,55 × (5-2,8) = 1,21 мВт
PR 2 = IR 2 × U R2 = 2,05 × (5-0,9) = 8,405 мВт
PR 3 = IR 3 × U R 3 = 0,38 × 0,7 = 0,266 мВт
Сведем расчеты в таблицу.
| Х1 |
Х2 |
Х3 |
Х4 |
Ua |
U б |
Uc |
Ud |
IR1 |
IR2 |
IR3 |
PR1 |
PR2 |
PR3 |
| 0 |
0 |
0 |
0 |
0,9 |
5 |
0 |
4,1 |
1,025 |
0 |
0 |
4,2 |
0 |
0 |
| 1 |
1 |
1 |
1 |
2,8 |
0,9 |
0,7 |
0,2 |
0,55 |
2,05 |
0,38 |
1,21 |
8,4 |
0,26 |
| 0 |
0 |
1 |
1 |
0,9 |
5 |
0 |
4,1 |
1,025 |
0 |
0 |
4,2 |
0 |
0 |
Ч а с т ь 3
3. Разработка топологии ГИМС.
В конструктивном отношении гибридная ИМС представляет собой заключенную в корпус плату (диэлектрическую или металлическую с изоляционным покрытием), на поверхности которой сформированы пленочные элементы и смонтированы компоненты.
В качестве подложки ГИМС используем подложку из ситала, 9-го типоразмера имеющего геометрические размеры: 10х12 мм (см[2] стр.171; табл. 4.6). Топологический чертеж ГИМС выполним в масштабе 10:1.
3.1. Расчет пассивных элементов ГИМС.
Для заданной схемы требуется 3 резистора следующих номинальных значений:
R1 = 4 кОм R2 = 2 кОм R3 = 1,8 кОм
Сопротивление резистора определяется по формуле:
,
где:
RS - удельное поверхностное сопротивление материала.
- длина резистора.
b - ширина резистора.
Для изготовления резисторов возьмем пасту ПР - ЛС имеющую RS =1 кОм .
Тогда:
=2 мм b = 0,5 мм
R1 = 1000 × ( 2 / 0,5 ) = 4 кОм
=1 мм b = 0,5 мм
R2 = 1000 × ( 1 / 0,5 ) = 2 кОм
=2,25 мм b = 1,25 мм
R3 = 1000 × ( 2,25 / 1,25 ) = 1,8 кОм
Сведем результаты в таблицу.
| Номиналы резисторов кОм. |
Материал резистора. |
Материал контакта площадок. |
Удельное сопротивление поверхности RS , (Ом / ) |
Удельная мощность рассеивания ( P0 , Вт / см2 ). |
Способ напыления пленок. |
- длина резистора. (мм). |
B - ширина резистора. (мм). |
| 4 |
ПАСТА ПР-1К |
ПАСТА ПП-1К |
1000 |
3 |
Сетно-графия |
2 |
0,5 |
| 2 |
ПАСТА ПР-1К |
ПАСТА ПП-1К |
1000 |
3 |
Сетно-графия |
1 |
0,5 |
| 1,8 |
ПАСТА ПР-1К |
ПАСТА ПП-1К |
1000 |
3 |
Сетно-графия |
2,25 |
1,25 |
3.2. Подбор навесных элементов ГИМС.
Для данной схемы требуется:
1) один 4-х эмиттерный транзистор.
2) три транзистора n-p-n.
3) два диода.
Геометрические размеры навесных элементов должны быть соизмеримы с размерами пассивных элементов:
1) В качестве 4-х эмиттерного транзистора использован транзистор с геометрическими размерами 1х4 мм и расположением выводов как на рис.1.
|
|
|
|
2) В качестве транзистора n-p-n используем транзистор КТ331.
Эксплутационные данные:
Umax кэ = 15 В
Umax бэ = 3 В
I к max = 20 мА
3) В качестве диодов использован диод 2Д910А-1
|
|
Эксплутационные данные:
U об р = 5 В
I пр = 10 мА
Проверим удовлетворяет ли мощность рассеивания на резисторах максимальной мощности рассеивания для материала из которого изготовлены резисторы, а именно для пасты ПР-1К у которой P0 = 3 Вт/см2 .
Для R1
P1 max = 4,2 мВт
SR1 =× b = 2 × b = 2 × 0,5 = 1 мм2
Необходимо чтобы P0 ³ P1 max , т.е. условие выполняется.
Для R2
P2 max = 8,4 мВт
SR2 =× b = 2 × b = 1 × 0,5 = 0,5 мм2
Необходимо чтобы P0 ³ P2 max , т.е. условие выполняется.
Для R3
P3 max = 0,26 мВт
SR2 =× b = 2 × b = 2,25 × 1,25 = 2,82 мм2
Необходимо чтобы P0 ³ P3 max , т.е. условие выполняется.
3.3. Топологический чертеж ГИМС (масштаб 10:1).




