| Скачать .docx |
Курсовая работа: Конструирование элементов балочной клетки
Министерство образования и науки Российской Федерации
Дальневосточный Федеральный Университет
Строительный институт
Кафедра строительных конструкций и материалов
Курсовая работа
по дисциплине
металлические конструкции
на тему:
Конструирование элементов балочной клетки
Выполнил:
Студент
группы С-8933
Фенькив С.С.
Проверила:
Лесная В.И.
Владивосток
2011
Содержание
1. Компоновка балочной клетки.. 3
1.2 Определение шага вспомогательных балок и балок настила. 3
1.3 Расчёт листового несущего настила. 3
2. Расчёт прокатных балок балочной клетки усложненного типа.. 4
2.1.1 Определение нагрузки на балку настила. 4
2.1.2 Определение внутренних усилий в балке настила. 4
2.1.3 Подбор сечения балки настила. 4
2.1.4 Проверки прочности и жёсткости принятого сечения балки настила. 4
2.2 Расчёт вспомогательных балок. 5
2.2.1 Определение нагрузки на вспомогательную балку.5
2.2.2 Определение внутренних усилий вспомогательной балки. Подбор сечения. 5
2.2.3 Проверка прочности и жёсткости принятого сечения. 6
3. Расчёт прокатных балок балочной клетки нормального типа.. 7
3.1.1 Определение нагрузки на балку настила. 7
3.1.2 Определение внутренних усилий в балке настила. 7
3.1.3 Подбор сечения балки настила. 7
3.1.4 Проверки прочности и жёсткости принятого сечения балки настила. 8
4. Расчёт и конструирование сварных составных балок.. 8
4.2 Определение внутренних усилий в главной балке. 9
4.3 Подбор сечения главной балки.. 9
4.4 Изменение сечения главной балки по длине. 11
4.4.1 Проверка прочности по касательным напряжениям на опоре. 13
4.6 Проверка общей устойчивости главной балки.. 13
4.7 Проверка местной устойчивости стенки и конструирование ребер жесткости.. 14
4.8 Расчет опорного ребра главной балки.. 14
4.9 Укрупнительные стыки балок. 15
4.9.1Конструирование стыка на монтажной сварке.15
4.9.2 Расчет укрупнительного стыка на высокопрочных болтах. 16
4.9.3 Расчет крепления вспомогательной балки к главной балке. 18
5. Расчет и конструирование колонны... 18
5.1 Расчетная схема. Расчетная длина.. 19
5.2 Подбор составного сечения стержня колонны.19
5.3 Расчет оголовка колонны. 21
Список используемой литературы... 26
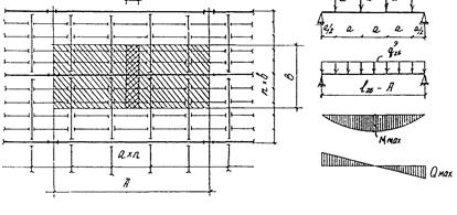
1. Компоновка балочной клетки
Исходные данные:
Тип балочной клетки и тип сопряжения балок: усложнённый, пониженное сопряжение
Шаг колонн в продольном направлении А =12 м.
Шаг колонн в поперечном направлении В =6 м.
Габариты площадки в плане 2Ах2Б
Полезная равномерно распределённая нагрузка Р = 14 кН/м2
Материал конструкций: сталь марки ВСт3Кп (С245) ГОСТ 277 72-88
1.1 Общие сведения
Балочной клеткой называется система несущих балок с уложенным по ним настилом.
Различаются три типа балочной клетки: упрощённый, нормальный и усложнённый.
Выбор типа балочной клетки связан с вопросом о сопряжении балок между собой по высоте. В связи с этим различают следующие опирания балок – этажное, в одном уровне, пониженное.
Основные размеры рабочей площадки в плане и по высоте здания обычно оговариваются в технологическом задании на проектирование, исходя из требований размещения оборудования и функционального процесса.
В балочной клетке усложнённого типа балки настила устанавливаются на вспомогательные (второстепенные) балки, опирающиеся на главные балки.
На балки настила укладывается настил, обычно стальной. Главные балки опираются на колонны и располагаются вдоль больших расстояний между колоннами.
1.2 Определение шага вспомогательных балок и балок настила
Принимаем шаг вспомогательных балок при А=1200 см, а=200 см.
Принимаем толщину настила tн =0,8 см.
Выбираем шаг балок настила при В=600 см, b=100 см.
1.3 Расчёт листового несущего настила
![]()
кН/см2
![]()
131,986 см
Принимаем длину настила lн =100 см (в пределах 10 см)
Собственный вес 1м2 настила равен qн =62,8 кг или 0, 628кН/м2
2. Расчёт прокатных балок балочной клетки усложненного типа
По статической схеме балки в системе балочной клетки принимаются разрезными, шарнирно опёртыми.
По типу сечения балки настила и вспомогательные балки, как правило, выполняют из прокатных двутавров по ГОСТ 8239-72* .
2.1 Расчёт балки настила
2.1.1 Определение нагрузки на балку настила
qн бн = (P+qн )∙b=(14+0,628) = 14,628 кН/м = 0,146 кН/см
qр бн = (P∙γf1 +qн ∙γf2 )∙b=(14∙1,2+0,628∙1,05) = 17,4594 кН/м = 0,175 кН/см
2.1.2 Определение внутренних усилий в балке настила
=
= 890,4 кН∙см
=
= 17,81 кН
2.1.3 Подбор сечения балки настила
По СНиП II-23-81* :
Марка стали (С245)
Ry =230 МПа – расчётное сопротивление стали
Ru =350 МПа
γc =1
=35,19 см3
с=1,1 – коэффициент, учитывающий возможность развития пластических деформаций
По сортаменту подбираем двутавр № 10* с расчётными характеристиками:
Wx =39,7 см3 , Jx =198 см4 , h=10 см, b=5,5см; d=0,45 см, t=0,72 см, gбн =9,46 кг/м
2.1.4 Проверки прочности и жёсткости принятого сечения балки настила
Проверяем прочность принятого сечения балки на действие нормальных напряжений
σ=
=20,39 кН/см2
< Ry
∙γc
=23 – условие выполнено
Проверяем жёсткость:
![]()
![]()
![]()
0,0037 < 0,004 – условие выполнено.
Окончательно принимаем для балки настила I №10* (по ГОСТ 8239-72*)
Вес балки настила
Gбн =0,0946∙2=0,1892 кН
2.2 Расчёт вспомогательных балок
2.2.1 Определение нагрузки на вспомогательную балку.
Нормативное значение сосредоточенной силы, передаваемой балками настила на вспомогательную балку
0,14628∙200+0,1892 = 29,446 кН

Рис. 2.2.1 К определению нагрузки на вспомогательную балку.
Эквивалентная равномерно распределённая нормативная нагрузка:
=
=0,29446 кН/см
Расчётное значение сосредоточенной силы на вспомогательную балку
0,174595∙200+0,1892∙1,05=35,118 кН
Эквивалентная равномерно распределённая расчётная нагрузка
=
=0,35118 кН/см
2.2.2 Определение внутренних усилий вспомогательной балки. Подбор сечения
=
=16277 кН∙см
=
=108,51 кН
Требуемый момент сопротивления
=643,36 см3
Подбираем двутавр №36 с расчётными характеристиками:
Wx =743 см3 , Jx =13380 см4 , h=36 см, b=14,5 см, d=0,75 см, t=1,23 см, gвб =48,6 кг/м
2.2.3 Проверка прочности и жёсткости принятого сечения
Проверка прочности
σ=
=19,92 кН/см2
< Ry
∙γc
=23 – условие выполнено
Проверка жёсткости
![]()
0,003 < 0,004 – условие выполнено

Рис. 2.2.3 К определению площади смятия стенки.
Проверяем условие применимости
![]()
![]()
1 < 2,48 < 6 11,79< 35
0
=
-
=360-12.3=347.7 мм
Принимаем
=15.
Значение предельного отношения

5,95
Фактическое отношение
; 6,89 < 5,95 – общая устойчивость вспомогательной балки не обеспечена.
Принимаем двутавр № 30 Ш2 с расчётными характеристиками:
Wx =827 см3 , Jx =12200 см4 , h=295 см, b=20 см, d=0,85 см, t=1,3 см, gвб =61 кг/м
Так как Jx =12200см4 двутавра №30 Ш2 меньше Jx =13380 см4 двутавра №36, то выполняем проверку жесткости
![]()
< 0,004 – условие выполнено
Проверка общей устойчивости:
σс
=
=19,62<21,85 следовательно общая устойчивость обеспечена, значит окончательно принимаем двутавр № 30 Ш2.
Проверим прочность стенки:
lef =b+2tf =5,5+2∙1,3=8,1 см – длина площадки смятия стенки
=6,02 кН/см2
< Ry
=24 кН/см2
– прочность стенки вспомогательной балки в местах приложения сосредоточенных сил обеспечена.
Окончательно принимаем для вспомогательных балок двутавр №30 Ш2.
Вес Gвб =0.61∙6=3,66 кН.
3. Расчёт прокатных балок балочной клетки нормального типа
3.1 Расчёт балки настила
3.1.1 Определение нагрузки на балку настила
qн бн = (P+qн )∙b=(14+0, 628) = 14,628 кН/м = 0,14628 кН/см
qр бн = (P∙γf1 +qн ∙γf2 )∙b=(14∙1,2+0,628∙1,05) = 17,46 кН/м = 0,1746 кН/см
3.1.2 Определение внутренних усилий в балке настила
=
= 8014,14 кН∙см
=
= 53,43 кН
3.1.3 Подбор сечения балки настила
По СНиП II-23-81* :
Марка стали (С245)
Ry =230 МПа – расчётное сопротивление стали
Ru =350 МПа
γc =1
=316,76 см3
с=1,1 – коэффициент, учитывающий возможность развития пластических деформаций
По сортаменту подбираем двутавр № 27 с расчётными характеристиками:
Wx =371 см3 , Jx =5010 см4 , h=27 см, d=0,6 см, t=9,8 см, gбн =31,5 кг/м
3.1.4 Проверки прочности и жёсткости принятого сечения балки настила
Проверяем прочность принятого сечения балки на действие нормальных напряжений
σ=
=19,63 кН/см2
< Ry
∙γc
=23 – условие выполнено
Проверяем жёсткость:
![]()
![]()
![]()
0,00398 < 0,004 – условие выполнено.
Окончательно принимаем для балки настила I №27 (по ГОСТ 8239-72*)
Вес балки настила
Gбн =0,315∙7=2,205 кН
4. Расчёт и конструирование сварных составных балок
Главные балки балочных клеток проектируют составными из листовой стали по ГОСТ 82-70* . Соединение листов осуществляется сваркой или заклёпками. Большинство используемых составных балок – сварные, клёпаные балки применяются в основном при тяжёлой подвижной нагрузке, так как в этих условиях они значительно надёжнее сварных. В обычных условиях сварные балки более экономичны.
3.1 Сбор нагрузки на главную балку
Нормативное значение сосредоточенной силы на главную балку
Pн
гб
=
=0,29446 ∙600+3,66 =180,336 кН
– нормативное значение сосредоточенной силы;
q – нормативная погонная нагрузка вспомогательной балки;
l – пролёт вспомогательной балки
Эквивалентная нормативная погонная нагрузка на главную балку
qн
гб
=
=
=90,168 кН/см
а – шаг вспомогательных балок
Расчётное значение сосредоточенной силы на главную балку
Pр
гб
=
=0,35118 ∙600+3,66∙1,05=214,551 кН
Эквивалентная погонная расчётная нагрузка на главную балку
qр
гб
=
=
=1,072755 кН/см
4.2 Определение внутренних усилий в главной балке
![]()
202751 кН∙см
![]()
675,8 кН

Рис. 4.2. Распределение нагрузки на главную балку
4.3 Подбор сечения главной балки
Сечение главной балки назначается в зависимости от величины требуемого момента сопротивления сечения:

=7870,76 см3
Определяем высоту сечения главной балки.
Конструктивная высота балки: hконстр
=
=
=120 см
Оптимальная высота балки: hопт
=
99,87 см
Минимальная высота балки при условии, что предельный относительный прогиб балки
; hmin
=
=
=105,107см
Окончательно высоту главной балки h принимаем близкой к hопт , не менее hmin и кратной 10 см. В нашем случае целесообразно принять h=110 см, так как балка с более низкой величиной стойки не будет обеспечивать требуемого момента сопротивления.
Рассчитываем и конструируем стенку главной балки.
По эмпирической формуле tw
=7+
=10,3 мм=1,03 см
Из условия прочности стенки на срез tw
=
=0,689 см,
где Rs =0,58∙Ry =0,58∙23=13,34 кН/см2
Задаёмся предварительной толщиной поясов tf =2 см.
Определяем высоту стенки hw =110-2∙2=106 см.
Вычисляем высоту стенки из условия укрепления её только поперечными рёбрами жёсткости:
tw
=
=0,6439см
Толщину стенки tw окончательно принимаем большей второго и третьего значений, близкой к первому, и согласно с сортаментом на листовую сталь tw =1,2 см,
Рассчитываем и конструируем пояса главной балки. Определяем требуемый момент инерции поясов:
=
=299792 см4
Требуемая площадь сечения поясов при:
51,4 см2
Толщину пояса tf определяем, следуя рекомендациям назначать толщину полки tf не менее 12 мм и не более 3tw : 12 мм < tf < 3tw :
tf ,min =1,2 см, tf,max =3tw =3·1,2=3,6 см.
Принимаем tf =2 см.
Определяем ширину пояса bf
= 51,4 /2=25,7 см
Принимаем bf = 26 см, в соответствии с условиями: 18 см <bf < 30tf =60 см.
Проверяем местную устойчивость пояса , при hef =h0 =108 см:
bef /tf < 0,11hef /tw , где hef = h0
, где
см;
- устойчивость сжатого пояса обеспечена.
Окончательно принимаем пояса балки сечением 26 ´2 см, размеры стенки – 106 ´ 1,2 см.
Для подобранного сечения главной балки вычисляем геометрические характеристики:
Момент инерции относительно оси х-х:
=
119102+303264=422366 см4
.
Момент сопротивления сечения балки относительно оси х-х:
![]()
7680 см3
Принятое сечение главной балки проверяем на прочность по нормальным напряжениям. Значение сх
определяем в зависимости от отношения
=
=0,4088 путем интерполяции сх
=1,1455
![]()
23 кН/см2
≤ 23 - прочность балки обеспечена.
Жёсткость главной балки не проверяем, так как принятая высота сечения:
h=110 см >hmin =105,107см, что гарантирует прогиб в пределах норм.
4.4 Изменение сечения главной балки по длине

Место изменения сечения главной балки находится на расстоянии
х=(1/6)∙lГ Б =(1/6)·12=2 м=200см.
Определяем внутренние расчетные усилия в месте изменения сечения:
, где х=(1/6)∙
.
М1
= (
∙200∙(1200-200))/2=107275,5 кН∙см;
=
∙(1200/2-200)=429,102кН
Определяем требуемые геометрические характеристики уменьшенного сечения:
,
где Rwy - расчетное сопротивление сварного стыкового шва растяжению, Rwy =0,85Ry .
=5487,24 см3
;
=
=301798 см4
.
Вычисляем ширину уменьшенного пояса, учитывая рекомендации:
bf 1 > 1/10h; bf 1 > 1/2bf ; bf 1 > 18 см.
bf 1 > 1 / 10∙110=11см; bf 1 > 1/2∙26=13 см; bf 1 > 18 см.
Требуемый момент инерции уменьшенных поясов:
=301798-119102=182696 см4
.
Требуемая площадь сечения уменьшенных поясов:
![]()
=
=31,326 см2
.
Ширина уменьшенного пояса:
=
=15,66 см. Принимаем 18 см.
Окончательные размеры уменьшенного сечения:
h=110 см, hw =106 см, tw =1,2см, bf 1 =18 см, tf =2 см.
Уточняем значение площади сечения пояса:
Af 1 =18∙2= 36 см2 .
Вычисляем геометрические характеристики уменьшенного сечения
=
=329054 см4
;
=
=5982,8 см3
.
Проверяем прочность сварного стыкового шва в месте изменения сечения.
![]()
=
=17,93 кН/см2
< 0,85∙23=19,55 кН/см2
.
Проверяем прочность балки в месте изменения сечения по приведенным напряжениям от совместного действия М1
и Q1
, предварительно определив
,
и Sf
1
:
=
=17,279 кН/см2
;
=
=1944 см3
;
=
=2,1126 кН/см2
;
где
- нормальные напряжения в уровне поясных швов,
- касательные напряжения в уровне поясных швов, Sf
1
- статический момент уменьшенного пояса.
,![]()
Прочность балки в месте изменения сечения обеспечена.
4.4.1 Проверка прочности по касательным напряжениям на опоре
Вычисляем статический момент полусечения балки на опоре:
S1
=(bf
1
tf
)
+(
)
= (18
)
+![]()
=3114,42 см3
.
Проверка прочности по касательным напряжениям:
=
=3,198 кН/см2
< 0,58·23∙1=13,34 кН/см2
.
Прочность балки на опоре обеспечена.
4.5 Расчет поясных швов
Сдвигающую силу, приходящуюся на 1 см длины шва определяем:
=
=3,99 кН/см.
Принимаем электроды Э46,
Rwf
=20кН/см2
–расчётное сопротивление срезу по металлу шва,
,
Rwz
=0,45·36=16,2 кН/см2
– расчетное сопротивление срезу по металлу границы сплавления,
, γwf
=γwz
=γc
=1
Для определения опасного сечения углового шва сравниваем произведения:
=
=22 кН/см2
- по металлу шва;
=1,15·16,2·1=18,63 кН/см2
- по металлу границы сплавления.
18,63 кН/см2 < 22 кН/см2 .
Опасное сечение проходит по металлу границы сплавления, проверку необходимо выполнять по:
,
где n - число швов, n=2 при двустороннем поясном шве.
Задаемся минимальным катетом исходя из толщины свариваемых элементов - kf = 6 мм, и проверяем прочность сварного шва:
3,99 < 2·1,15·0,6·16,2·1=22,356 - прочность шва обеспечена при катете шва kf = 6 мм.
4.6 Проверка общей устойчивости главной балки
Для рабочих площадок промышленных зданий чаще всего используются пониженное сопряжение балок или сопряжение в одном уровне, при которых передача нагрузки на главные балки происходит не только через другие балки, но и непосредственно через настил, непрерывно опирающийся на верхний сжатый поиск балки и удерживающий балку от потери устойчивости. Таким образом, проверки общей устойчивости балки не требуется, что соответствует требованиям норм п.5.16 [4].
4.7 Проверка местной устойчивости стенки и конструирование ребер жесткости
Толщина стенки назначалась из условия укрепления ее только поперечными ребрами жесткости.
С целью выяснения необходимости проверки местной устойчивости стенки, определяем ее условную гибкость и проверяем выполнения условия:
, где hef
= hw
, t = tw
.
- местная устойчивость стенки обеспечена, проверка не требуется.
Так как
=3,01 < 3,2 - стенку следует укреплять поперечными ребрами жесткости на расстоянии не более 2,5hef
=2,5·106=265 см. Если поперечные ребра ставить только в местах крепления к главной балке второстепенных балок, шаг которых 300 см, это условие не выполняется, поэтому принимаем шаг ребер жесткости 150 см.
Определяем размеры ребер жесткости: ширина ребра bh =1060/30+40 = 75 мм.
Из расчета крепления вспомогательной балки болтами нормальной точности d=18 мм вычисляем минимальную ширину ребра:
bmin = 3dотв +10=3·18+10=64 мм. Окончательно назначаем ширину ребра 80 мм.
Толщина ребра ts
=
=
=0,5346 см.
В соответствии с сортаментом на листовую сталь принимаем ts =6 мм.
4.8 Расчет опорного ребра главной балки
Ширину опорного ребра принимаем равной ширине уменьшенного сечения пояса: bh = bf 1 = 18 см. Толщину опорного ребра вычисляем из расчета на смятие, предварительно определив расчетное сопротивление смятию Rp = Ru = 35 кН/см2 .
=
=1,073 см,
Принимаем th = 1,5 см.
Выступающая часть опорного ребра ah < 1,5th = 1,5·1,5 = 2,25 см.
Принимаем ah =2 см.
Устойчивая часть стенки, включающаяся в работу ребра на продольный изгиб

=21,547 см.
Площадь сечения условной стойки:
А=bh th +ctw =18×1,5+21,547·1,2=52,8564 см2
Момент инерции опорного ребра относительно оси y-y:
Jy = th bh 3 /12+ ctw 3 /12=(1,5∙183 )/12+(21,547×1,23 )/12=732,103 см4
Радиус инерции:
![]()
см.
Высота опорного ребра:
hh =h+ah -tf =110+2-2=110 см.
Гибкость опорного ребра из плоскости балки:
ly =hh /iy =110/3,7216=29,557
Коэффициент продольного изгиба j - по табл. 72 [4], j = 0,9343.
Проверяем устойчивость опорного ребра:
s=
Rp
gc
=
=13,68 кН/см2
< Ry
gc
=23 кН/см2
- устойчивость опорного ребра обеспечена.
Проверяем крепление опорного ребра к стенке балки по формуле:
, где lw
- расчетная длина шва, принимаемая с учетом неравномерной работы сварного шва по длине.
Принимаем автоматическую сварку электродами Э46, расчетное сопротивление металла шва Rwf = 20 кН/см2 по табл. 56 [4]. Катет шва назначаем kf = 1см, bf = 1,1 по табл. 34* [4]. lw = 85kf bf =85·1·1,1=93,5
3,28 кН/см2
≤ 20 кН/см2
- прочность шва обеспечена с большим запасом. По табл. 38 [4] принимаем минимально возможный катет kf
= 6 мм и выполняем проверку: lw
= 85kf
bf
=85·0,6·1,1=56,1
20 кН/см2
.
Окончательно принимаем шов kf = 6 мм.
Учитывая большой запас прочности, проверку шва по металлу границы сплавления можно опустить.
4.9 Укрупнительные стыки балок
Из соображений удобства доставки с завода изготовителя на монтажную площадку тем или иным видом транспорта главная балка может быть изготовлена в виде двух отправочных элементов, а на монтажной площадке собрана с помощью укрупнительного стыка.
Чтобы получить два одинаковых отправочных элемента укрупнительный стык обычно устраивают в середине пролета.
4.9.1 Конструирование стыка на монтажной сварке.

Сварной укрупнительный стык конструируют таким образом, чтобы сжатый пояс и стенка стыковались прямым швом, и растянутый пояс - косым под углом 600 . Такой стык при правильном выборе сварочных материалов будет равнопрочным основному сечению балки и может не рассчитываться.
Чтобы уменьшить сварочные напряжения сначала сваривают поперечные стыковые швы стенки и поясов, имеющие наибольшую поперечную усадку. Оставленные не заваренными на заводе участки поясных швов длиной около 500 мм дают возможность поясным листам несколько вытянуться при усадке швов.
Последними заваривают угловые швы, имеющие небольшую продольную усадку.
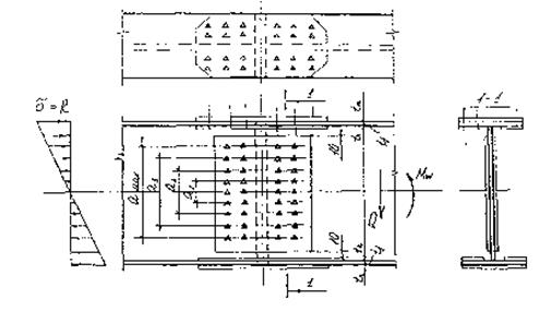
4.9.2 Расчет укрупнительного стыка на высокопрочных болтах
Исходные данные: запроектировать стык главной балки на высокопрочных болтах d=16 мм из стали 40ХС «селект», Rbun =135 кН/см2 . Стык расположен в середине пролета главной балки. Изгибающий момент в сечении М=202751 кН∙см.
Обработка поверхности - газопламенная, gВ = 0,9, gh = 1.02, m=0,42[4].

Рис. 4.8 Укрупнительный стык на высокопрочных болтах.
Определяем несущую способность одного высокопрочного болта по:
![]()
где Rbh
- расчетное сопротивление высокопрочного болта на растяжение, определяемое по п. 3.7. [4] по формуле Rbh
=0,7Rbun
, где Rbun
- наименьшее временное сопротивление болта разрыву, принимаемое по табл. 61*
[4];
- коэффициент трения, табл. 36 [4]; γh
- коэффициент надежности, табл. 36 [4]; Аbh
- площадь сечения болта нетто, табл. 62 [4]; γb
- коэффициент условий работы соединения, зависит от количества болтов необходимых для восприятия расчетного усилия, принимается равным: 0.8, при n<5; 0.9 при 5<n<10;
1.0 при n>10; k - число поверхностей трения.
Qbh
=
=127,46 кН.
Стык поясов:
Каждый пояс балки перекрывается тремя накладками, одной сечением bн tн , где bн =bf и tн =1/2tf +0,2 см и двумя – шириной bн =1/2(bf -4) и толщиной tн =1/2tf +0,2см. Назначаем размеры сечения накладок, перекрывающих пояса балки: верхняя накладка 26´1,2 см2 и две нижние 11´1,2 см2 .
Изгибающий момент, воспринимаемый поясами:
=
=145577,69 кН×см
Расчетное усилие в поясе:
=
=1348 кН
Количество болтов для крепления накладок:
=
=10,57 принимаем 12 болтов.
Площадь сечения пояса на краю стыка с учетом ослабления двумя отверстиями
d0
= 1,8 см:
, где nk
- число отверстий, попадающих в сечение пояса по крайнему ряду.
Аfn
=52-2·1,8·2=44,8 см 2
0,85·Af
=44,2 см 2
– согласно СниП [4], прочность поясов по ослабленному сечению обеспечена.
Аналогично проверяется ослабление отверстиями накладок:
Каждый пояс балки перекрывается тремя накладками, назначаем размеры сечения накладок, перекрывающих пояса балки: верхняя накладка 26´1,2 см2 и две нижние 11´1,2 см2 .
Целесообразно принять для накладок сталь С275 Rу =26,5 кН/см2
Площадь сечения накладок в середине стыка с учетом ослабления двумя отверстиями d0 =1,8 см:
Аn =26·1,2 +2·11·1,2 -2·2·1,8·1,2=48,96см2 > 0,85·Af =44,2см2 , ослабление накладок можно не учитывать.
Стык стенки:
Назначаем размеры накладок для стыка стенки:
t = 1/2tw + 0,2, cм
t=1/2·1,2+0,2=0,8 см.
Принимаем в соответствии с сортаментом на листовую сталь t =0,8 см.
hн = hw - 2tн - 2, см
hн =106-2·1,2-2=101,6 см. Принимаем hн = 101,6 см.
Изгибающий момент, приходящийся на стенку:
=
=57173,3 кН см.
Расстояние между двумя крайними рядами болтов:
amax »hн - 4d0 =101,6 -4·1,8=94,4 см. Принимаем аmax = 90см. Назначаем два вертикальных ряда болтов на полунакладке и вычисляем коэффициент стыка, m=2:
![]()
=2,49
по таблице определяем количество горизонтальных рядов и принимаем k=13;
шаг заклепок в вертикальном ряду: аmax /k-1=90/(13-1)=7,5 см.
Вычисляем
,
Sаi 2 =152 +302 +452 +602 +752 +902 =20475 см2 .
Проверяем прочность наиболее нагруженного крайнего болта:
,
125,6556 кН < Qbh
=127,46 кН - прочность стыка стенки обеспечена.
4.9.3 Расчет крепления вспомогательной балки к главной балке
Опорная реакция вспомогательной балки от расчетной нагрузки:
107,184 кН.
Стык выполняем на болтах нормальной точности класса 5.8 .
Определяем несущую способность одного болта:
Nbs =ARbs gb ns ,
где А - площадь сечения стержня болта, А=pd2 /4; Rbs =20 кН/см2 расчетное сопротивление болта срезу по табл. 58* [4], gb =0,9 - коэффициент условий работы соединения по табл. 35 [4]; ns =1 - число срезов болта, ns =1, диаметр болта принимаем 18 мм. (для отличия последних от болтов высокой прочности диаметром 16 мм)
Nbs = 2,54·20·0,9·1=45,78 кН.
Требуемое количество болтов:
, где 1,2 - коэффициент, учитывающий увеличение
опорной реакции из-за некоторого защемления в узле;
=2,8
При назначении количества n округляется до целого числа в большую сторону. Принимаем n =4.
Проверяем прочность вспомогательной балки по сечению, ослабленному четырьмя отверстиями диаметром 1,8 см:
d0 = d+ 2 мм
d0 =18+2=20 мм.
An = (hb - nd0 )tw ,где hb иtw - соответственно высота балки и толщина ее стенки;
An =(29,5 – 4·2)·1,3 = 27,95

< Rs
=0,58∙23=13,34 кН/см2
- прочность балки по ослабленному сечению обеспечена.
5. Расчет и конструирование колонн ы
Усилие в центрально сжатой колонне можно принять равным сумме опорных реакций балок с учетом их собственного веса (массы).
Усилие определяется по формуле:
N = n×P + 0,5×G×n, где n – число балок , опирающихся на колонну, Р – реакция одной балки , G – масса одной балки
Vгб
=![]()
![]()
![]()
![]()
Vгб
=106∙1,2∙1200+26∙2∙800∙2+18∙2∙400∙2+110∙1,5∙8∙2=267280 см3
0,270м3
(с учетом сварки и накладных пластин)
ρ=78,5 кН/м3
кН
N = 2∙675,8 + 0,5∙
∙2 =1373 кН
5.1 Расчетная схема. Расчетная длина
Расчетную схему принимаем с шарнирным закреплением вверху и жёстким внизу колонны. Расчетная длина колонны определяется в зависимости от принятой расчетной схемы по формуле:
Lef
= μ·![]()
Графическая длина учитывает заглубление подошвы колонны ниже уровня нулевой отметки на 0,6 м, и равна:
lг =(5,4 – 1,1+ 0,6) = 4,9 м
Lef = 1·4,9 = 4,9 м
5.2 Подбор составного сечения стержня колонны .
Задаемся коэффициентом продольного изгиба φ = 0,698 и по табл. 72 /4/ устанавливаем гибкость λ = 80.
Сечение принимаем в виде симметричного двутавра.
Требуемая площадь поперечного сечения.
![]()
Требуемый радиус инерции.
![]()
Ориентировочные габариты сечения.
![]()
Для обеспечения возможности автоматической сварки принимаем h = В = 26 см.
Проверяем условие обеспечения местной устойчивости стенки.
Условная гибкость стержня.

2,67 > 2.0, следовательно, для обеспечения местной устойчивости стенки необходимо выполнение условия.
![]()


см
мм
Принимаем ![]()
Условие выполняется.
Устойчивость стенки при заданной толщине обеспечена.
Определяем площадь сечения стенки, принимая tw = 6 мм.
![]()
Площадь сечения одной полки.
![]()
Требуемая толщина полки.
![]()
В соответствии с сортаментом на листовую сталь принимаем толщину 14 мм и проверяем условие обеспечения местной устойчивости.


18.76 условие выполнено.
Местная устойчивость полок обеспечена при толщине tf
=1,![]()
Определяем высоту стенки.
![]()
Вычисляем геометрические характеристики сечения.
![]()
![]()
![]()


Сравнивая радиусы инерции, видим, что ix > iy , следовательно, при равенстве расчетных длин Lx и Ly гибкость колонны будет больше относительно оси Y-Y.
Выполняем проверку устойчивости.
![]()
![]()
.
![]()
Требования СНиП(4) выполняются.
Окончательно принимаем.
tw =0.6 см; tf =1.5см; hw =23,2см b=26см h=26
Проверяем выполнение условия

-Условие не выполняется следовательно стенку колонны можно не укреплять поперечными ребрами жесткости. Катет шва для крепления полок к стенке kf
=6мм .
5.3 Расчет оголовка колонны.
Рис. 5.3. Оголовок сплошной колонны.
![]()
Ширина вертикального ребра поверху.
![]()
Принимаем
.
Толщину вертикального ребра определяем из расчета на смятие под опорной плитой.
. Принимаем 16мм
-расчетное сопротивление смятию.
Длину ребра lw находим из расчета швов для крепления его к стенке.
Катет шва назначаем, руководствуясь рекомендациями п. 12.8 /4/, kf = 10 мм.
Сварка полуавтоматическая в углекислом газе проволокой СВ-08ГА.
![]()
![]()
![]()
![]()
![]()
![]()
Расчет выполняем по сечению, проходящему по металлу шва.
Расчетная длина шва.
![]()
По конструктивным требованиям к фланговым швам.
![]()
![]()
Верхний конец колонны фрезеруем, поэтому швы для крепления опорной плиты к колонне принимаем конструктивно с минимальным катетом kf = 7 мм по т. 38 /4/.
Стенку колонны у концов вертикальных ребер укрепляем поперечными ребрами сечением 100 х 8 мм.
5. 4Расчет базы колонны.

Рис. 5.4. База колонны составного сечения.
Принимаем фундамент из бетона класса В10.
- расчетное сопротивление бетона под плитой.
-коэффициент зависящий от отношения площади опорной плиты к площади обреза фундамента(в месте опирания на фундамент опорной плиты) значения изменяются от 1-1.5 принимаем 1.25
- расчетное сопротивление бетона смятию под плитой.
Расчетное усилие для расчета базы колонны N’=1,01N=1386,73
Требуемая площадь плиты из условия смятия бетона под плитой.
![]()
Принимаем траверсы толщиной tтр = 10 мм.
Консольные участки плиты С = 40 мм.
Ширина плиты определяется конструктивно.
![]()
Длина плиты.
~52
Плита загружена снизу равномерным отпорным давлением фундамента, равным напряжению под плитой.
![]()
Определим изгибающие моменты в условных балочках шириной в 1 см на различных участках плиты.
Участок I. (Опирания на четыре стороны)
![]()
![]()
![]()
Участок II. (Консольный)
![]()
Участок III. (Опирания по 3 сторонам)
Проверяем отношение свободной стороны b1 к защемленной a1
B1/a1=26/11,6=2,24>2
Следовательно изгибающий момент определяется как в консольной балке пролетом 11,6см
![]()
Максимальный момент возникает на первом участке
Определяем толщину плиты из условия прочности изгибаемого элемента.
![]()
-момент сопротивления изгибающего эл-та

Принимаем толщину плиты в соответствии с сортаментом на листовую сталь tпл = 3,6 см
Рассчитываем прикрепление траверс к колонне.
![]()
![]()
![]()
![]()
![]()
![]()
Расчет выполняем по сечению, проходящему по металлу шва.
Расчетная длина шва.
![]()
По конструктивным требованиям к фланговым швам.
![]()
![]()
Высоту траверсы назначаем по длине сварного шва hт = 20 см.
Торец колонны принимаем фрезерованным, поэтому крепление траверсы к плите назначаем конструктивно с минимально возможным катетом kf = 8 мм.
Проверка прочности траверсы.
![]()
Изгибающий момент и перерезывающая сила в защемленной консоли.
![]()
![]()
Проверка прочности траверсы по нормальным и касательным напряжениям.
![]()
![]()
Условия прочности выполняются с большим запасом.
6. Список используемой литературы
- Беленя Е.И. Металлические конструкции. – М.: Стройиздат, 1985.
- СНиП 2.01.07-85. Нагрузки и воздействия. Нормы проектирования. – М.: Стройиздат, 1986.
- СНиП 2.01.07-85. Нагрузки и воздействия. нормы проектирования. Дополнения. Разд. 10. Прогибы и перемещения. – М.: 1988.
- СНиП 2-23-81*. Стальные конструкции. Нормы проектирования. – М.: Стройиздат, 1988.
- Мандриков А.О. Примеры расчёта металлических конструкций. – М.: Стройиздат, 1991.