| Скачать .docx |
Курсовая работа: Расчет монолитного ребристого перекрытия
ФЕДЕРАЛЬНОЕ АГЕНТСТВО ПО ОБРАЗОВАНИЮ
ПЕРМСКИЙ ГОСУДАРСТВЕННЫЙ ТЕХНИЧЕСКИЙ УНИВЕРСИТЕТ
СТРОИТЕЛЬНЫЙ ФАКУЛЬТЕТ
КАФЕДРА СТРОИТЕЛЬНЫХ КОНСТРУКЦИЙ
ПОЯСНИТЕЛЬНАЯ ЗАПИСКА
К курсовому проекту
на тему:
РАСЧЕТ МОНОЛИТНОГО РЕБРИСТОГО ПЕРЕКРЫТИЯ
Пермь, 2009
Введение
Монолитное ребристое перекрытие состоит из монолитной плиты, второстепенных и главных балок, монолитно связанных между собой.
Суть монолитно-ребристого перекрытия заключается в том, что в целях экономии бетона он удален из растянутой зоны и сосредоточен главным образом в сжатой зоне. В растянутой зоне бетон сохранен лишь для размещения рабочей растянутой арматуры.
Монолитная плита работает вдоль короткой стороны как многопролетная неразрезная балка, опирается на второстепенные балки и монолитно связана с ними.
Второстепенные балки воспринимают нагрузку от монолитной плиты и передают ее на главные балки, монолитно связанные с ними.
Главные балки опираются на колонны и наружные стены.
1. Выбор экономичного варианта
1.1 Монолитное перекрытие с главными балками вдоль здания
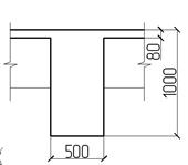
Пролет второстепенной балки l вб =6600 мм ; пролет главных балок l гб =8000 мм . Принимаем высоту плиты h пл =80 мм для q вр =11,5 кН/м2 и шаг второстепенных балок 1600 мм (рис. 1 ).

Рис. 1. «Схема в плане монолитно-ребристого перекрытия»
1. Определяем вес бетона, требуемого на плиту:
.
2. Определяем вес бетона, необходимый для второстепенной балки:
Определяем требуемую высота второстепенной балки:
,
принимаем высоту второстепенной балки
.
Определяем требуемую ширину второстепенной балки:
,
принимаем высоту второстепенной балки
.
Тогда вес всех второстепенных балок:
.
2. Определяем вес бетона, необходимый для главных балок:
Определяем требуемую высоту главной балки:
,
принимаем высоту главной балки
.
Определяем требуемую ширину главной балки:
,
принимаем высоту главной балки
.

Рис. 2 «Разрез 1–1. Главная балка»

Рис. 3 «Разрез 2–2. Второстепенная балка»
Тогда вес всех главных балок:
.
Общий вес всего бетона, требуемого на монолитно-ребристую плиту, при расположении главных балок вдоль здания:
.
3.2 Монолитное перекрытие с главными балками поперек здания
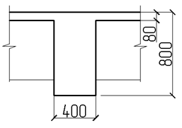
Пролет второстепенной балки l вб =8000 мм ; пролет главных балок l гб =6600 мм . Принимаем высоту плиты h пл =80 мм для q вр =11,5 кН/м2 и шаг второстепенных балок 1650 мм (рис. 4 ).

Рис. 4 «Схема в плане монолитно-ребристого перекрытия»
1. Определяем вес бетона, требуемого на плиту:
.
2. Определяем вес бетона, необходимый для второстепенной балки:
Определяем требуемую высота второстепенной балки:
,
принимаем высоту второстепенной балки
.
Определяем требуемую ширину второстепенной балки:
,
принимаем высоту второстепенной балки
.
Тогда вес всех второстепенных балок:
.
2. Определяем вес бетона, необходимый для главных балок:
Определяем требуемую высоту главной балки:
,
принимаем высоту главной балки
.
Определяем требуемую ширину главной балки:
,
принимаем высоту главной балки
.

Рис. 5 «Разрез 3–3. Второстепенная балка»

Рис. 6 «Разрез 4–4. Главная балка»
Тогда вес всех главных балок:
.
Общий вес всего бетона, требуемого на монолитно-ребристую плиту, при расположении главных балок поперек здания:
.
Так как
, то за окончательный вариант для расчета принимаем монолитно ребристую плиту с главными балками, расположенными вдоль здания.
2. Расчет монолитной плиты
2.1 Сбор нагрузок на плиту
Таблица 3
| Наименование |
Нормативная нагрузка |
Коэффициент надежности |
Расчетная нагрузка |
| I. Постоянная нагрузка |
|||
| А) Конструкция пола |
|||
| 1. плиты URSA |
0,024 |
1,2 |
0,0288 |
| 2. пергамин 1 слой |
0,00135 |
1,2 |
0,00162 |
| 3. Цементно-песчаная стяжка |
0,54 |
1,3 |
0,702 |
| 4. плитка керамическая |
0,39 |
1,2 |
0,468 |
| Б) Собственный вес плиты |
2 |
1,1 |
2,2 |
| II. Временная нагрузка |
11,5 |
1,2 |
13,8 |
| Итого |
14,455 |
17,200 |
|
Выделяем полосу шириной 1 м. Тогда расчетная нагрузка
.
Расчетная схема перекрытия представлена на рис. 7.

Рис. 7. «Продольный разрез плиты. Расчетная схема»
Плита рассчитывается, как многопролетная неразрезная балка, на которую действует равномерно распределенная нагрузка (рис. 7). Расчетный пролет принимается равным: крайний – расстояние от центра опоры до ребра второстепенной балки, средний – расстояние между второстепенными балками:
;
.
Определяем наибольшие моменты, возникающие в плите:
;
;
.
4.2 Подбор арматуры в среднем пролете
Для расчета плиты выделяем полосу шириной 1 м. Тогда расчетное сечение плиты будет следующим (рис. 8 ).
В первом приближении принимаю арматуру В500 диаметром 6 мм.

Рис. 8. «Расчетное сечение плиты»
,
где
– ширина расчетного сечения,
– расчетная высота сечения;
– коэффициент, учитывающий длительность действия нагрузки.
Определяем требуемую площадь арматуры:
,
По сортаменту подбираем диаметр арматуры и количество стержней: n=7 стержней арматуры В500 диаметром d=4 мм, для которых
.
Определяем шаг стержней:
.
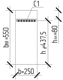
Рабочие стержни раскладываем вдоль плиты в соответствии с эпюрой моментов. Поперечные стержни подбираем конструктивно: стержни арматуры В500 диаметром d =3 мм с шагом 300 мм.
Окончательно принимаем сетку С-1:
.

Рис. 9 «Сетка С-1»
4.3 Подбор арматуры в крайнем пролете
В крайнем пролете, помимо сетки С-1, поперек плиты дополнительно раскатываем сетку С-2.
Для расчета плиты выделяем полосу шириной 1 м. В первом приближении принимаю арматуру В500 диаметром 6 мм.
.
Определяем требуемую площадь арматуры:

По сортаменту подбираем диаметр арматуры и количество стержней: n=4 стержней арматуры В500 диаметром d=3 мм, для которых
.
Принимаем шаг стержней конструктивно 200 мм.
Рабочие стержни раскладываем поперек плиты.
Продольные стержни подбираем конструктивно: стержни арматуры В500 диаметром d =3 мм с шагом 300 мм.
Окончательно принимаем сетку С-2:
.

Рис. 10 «Сетка С-2»
3. Расчет второстепенной балки
3.1 Сбор нагрузок на второстепенную балку
Таблица 4.
| Наименование |
Нормативная нагрузка |
Коэффициент надежности |
Расчетная нагрузка |
| I. Постоянная нагрузка |
|||
| А) Конструкция пола |
|||
| 1. плиты URSA
|
0,0384 |
1,2 |
0,04608 |
| 2. пергамин 1 слой
|
0,00216 |
1,2 |
0,00259 |
| 3. Цементно-песчаная стяжка |
0,864 |
1,3 |
1,1232 |
| 4. плитка керамическая |
0,624 |
1,2 |
0,7488 |
| Б) Вес плиты перекрытия |
3,2 |
1,1 |
3,52 |
| 3. Собственный вес второстепенной балки |
2,938 |
1,1 |
3,232 |
| Постоянная нагрузка (g ) |
7,667 |
8,673 |
|
| II. Временная нагрузка (v
) |
18,4 |
1,2 |
22,08 |
| Итого: |
26,066 |
30,753 |
|
Строим огибающие эпюры моментов по формулам:
;
.
Пролеты:
- средний;
- крайний.
Полученные значения моментов сведены в таблицу 5.
Таблица 5
| крайний пролет |
|||||
| сечение |
|
|
|
|
|
| 0L |
0 |
0 |
0 |
0 |
0 |
| 0,1L |
0,038 |
0,038 |
0,011 |
45,28452 |
22,18295 |
| 0,2L |
0,066 |
0,066 |
0,018 |
78,65207 |
37,5826 |
| 0,3L |
0,084 |
0,084 |
0,021 |
100,1026 |
46,19896 |
| 0,4L |
0,091 |
0,091 |
0,019 |
108,4445 |
46,84032 |
| 0,5L |
0,089 |
0,089 |
0,014 |
106,0611 |
41,89008 |
| 0,6L |
0,077 |
0,077 |
0,005 |
91,76074 |
30,15655 |
| 0,7L |
0,055 |
0,055 |
-0,008 |
65,54339 |
11,63972 |
| 0,8L |
0,023 |
0,023 |
-0,025 |
27,40905 |
-13,6604 |
| 0,9L |
-0,019 |
-0,019 |
-0,046 |
-22,6423 |
-45,7438 |
| 1L |
-0,071 |
-0,071 |
-0,071 |
-84,6106 |
-84,6106 |
| средний пролет |
|||||
| сечение |
|
|
|
|
|
| 0L |
-0,063 |
-0,063 |
-0,063 |
-72,0921 |
-72,0921 |
| 0,1L |
-0,017 |
-0,017 |
-0,045 |
-19,4534 |
-42,4581 |
| 0,2L |
0,018 |
0,018 |
-0,03 |
20,59774 |
-18,8389 |
| 0,3L |
0,043 |
0,043 |
-0,02 |
49,20572 |
-2,55488 |
| 0,4L |
0,058 |
0,058 |
-0,015 |
66,37051 |
6,393943 |
| 0,5L |
0,063 |
0,063 |
-0,012 |
72,09211 |
10,47235 |
| 0,6L |
0,058 |
0,058 |
-0,015 |
66,37051 |
6,393943 |
| 0,7L |
0,043 |
0,043 |
-0,02 |
49,20572 |
-2,55488 |
| 0,8L |
0,018 |
0,018 |
-0,03 |
20,59774 |
-18,8389 |
| 0,9L |
-0,017 |
-0,017 |
-0,045 |
-19,4534 |
-42,4581 |
| 1L |
-0,063 |
-0,063 |
-0,063 |
-72,0921 |
-72,0921 |
Расчетная схема перекрытия представлена на рис. 11.

Рис. 11. «Расчетная схема перекрытия»
Рис. 12. «Огибающие эпюры моментов, эпюра поперечных сил»
Второстепенная балка рассчитывается как неразрезная многопролетная балка с равномерно распределенной нагрузкой. Расчетный пролет принимается равным: крайний – от центра тяжести опоры до края ребра главной балки; средний – расстояние в свету между ребрами главных балок.
Определяем наибольшие моменты, возникающие в второстепенной балке:
;
;
.
3.2 Подбор нижней арматуры в крайнем пролете
В первом приближении принимаю арматуру А400 диаметром 14 мм.
Расчетное сечение приведено на рис. 13.

Рис. 13. «Сечение 1-1»
Определяем свес полки:
, тогда принимаем свес полки
.
Определяем положение нейтральной оси:
для этого находим
,
где
– толщина плиты,
,
– расстояние до центра тяжести арматуры (в первом приближении диаметр арматуры 14 мм).
Так как
, то нейтральная ось проходит в полке, а сечение рассчитывается как прямоугольное шириной
.
Рис. 14. «Расчетное сечение»
В первом приближении принимаю арматуру А400 диаметром 14 мм.
,
Определяем требуемую площадь арматуры:

По сортаменту подбираем диаметр арматуры при количестве стержней n
=4
: n
=4
стержня арматуры А400 диаметром d
=16
мм, для которых
. Стержни укладываем попарно вплотную друг к другу.
3.3 Подбор нижней арматуры в среднем пролете
В первом приближении принимаю арматуру А400 диаметром 14 мм.
Расчетное сечение приведено на рис. 13.
Определяем свес полки:
, тогда принимаем свес полки
.
Определяем положение нейтральной оси:
для этого находим
,
где
– толщина плиты,
,
– расстояние до центра тяжести арматуры (в первом приближении диаметр арматуры 14 мм).
Так как
, то нейтральная ось проходит в полке, а сечение рассчитывается как прямоугольное шириной
.
Расчетное сечение приведено на рис. 14 .
В первом приближении принимаю арматуру А400 диаметром 14 мм.
,
Определяем требуемую площадь арматуры:
![]()
По сортаменту подбираем диаметр арматуры при количестве стержней n
=2
: n
=2
стержня арматуры А400 диаметром d
=18
мм, для которых
.
3.4 Подбор арматуры на опоре
В первом приближении принимаю арматуру В500 диаметром 5 мм.
Расчетное сечение приведено на рис. 15 .

Рис. 15. «Расчетное сечение»
,
где
,
.
Определяем требуемую площадь арматуры:
![]()
По сортаменту подбираем диаметр и количество стержней:
n
=32
стержня арматуры В500 диаметром d
=5
мм, для которых
.
Находим шаг стержней:
, принимаем шаг стержней 140 мм. Рабочие стержни раскладываем вдоль второстепенной балки.
Поперечные стержни подбираем конструктивно: стержни арматуры В500 диаметром d =3 мм с шагом 300 мм.
Окончательно принимаем сетку С-1:
.
3.5 Подбор верхней арматуры в среднем пролете
Определяем по огибающей эпюре моментов (рис. 12
)
. Так как это значение ниже нулевой линии, то верхнюю арматуру в среднем пролете принимаем конструктивно.
Принимаем 2 стержня арматуры А400 диаметром d =10 мм.
3.6 Подбор верхней арматуры в крайнем пролете
Определяем по огибающей эпюре моментов (рис. 12
)
. Так как это значение ниже нулевой линии, то верхнюю арматуру в среднем пролете принимаем конструктивно.
Принимаем 2 стержня арматуры А400 диаметром d =10 мм.
3.7 Расчет по наклонному сечению на действие поперечной силы
Расчет выполняется на крайней, средней опоре слева и справа. Сделаем расчет на максимальную поперечную силу – слева от средней опоры:
.
Проверяем необходимость устройства хомутов. Для этого находим
.
Так как
, то хомуты подбираются по расчету.
– погонное усилие в хомутах,
– площадь сечения 1 поперечного стержня диаметром d
=10
мм, n=2
– количество стержней в сечении,
– шаг хомутов задается конструктивно, из условий:
и
.
Определяем поперечное усилие, воспринимаемое хомутами:
, где
– проекция наиболее опасной наклонной трещины.
, где
,
.
Так как
, то окончательно принимаем хомуты из арматуры А400 диаметром d
=10
мм с шагом 200 мм.
5.8 Расчет места обрыва стержней
Так как момент на опорах уменьшается и стремится к 0, то нет смысла доводить все 4 стержня до конца балки, доведем только 2 стержня.
Определим момент, воспринимаемый всеми 4 стержнями:

, где
– высота сжатой зоны бетона.
Определим момент, воспринимаемый 2 стержнями:
![]()
, где
– высота сжатой зоны бетона.
Тогда места теоретические обрыва стержней (рис. 17 ):
,
.
Для обеспечения анкеровки арматуры обрываемые стержни заводим за места теоретического обрыва на величины:
,
но так как
, то окончательно принимаем
.
Тогда
.
,
но так как
, то окончательно принимаем
.
Тогда
.
Рис. 17. «Эпюра материала и определение места обрыва стержней»
