| Скачать .docx |
Реферат: Железобетонные конструкции каркаса многоэтажного промышленного здания
КУРСОВОЙ ПРОЕКТ
по дисциплине
«Строительные конструкции»
ЖЕЛЕЗОБЕТОННЫЕ КОНСТРУКЦИИ КАРКАСА
МНОГОЭТАЖНОГО ПРОМЫШЛЕННОГО ЗДАНИЯ
| Выполнил: |
|
|
|
|
|
|
|
|
|
|
|
|
|
|
| Руководитель проекта: |
|
Содержание
1. Компоновка конструктивной схемы каркаса здания. 4
1.1. Объёмно-планировочные параметры здания . 4
1.2. Состав и работа каркаса здания . 4
1.4. Колонны и наружные стены .. 5
1.7. План и поперечный разрез здания . 6
2. Определение нагрузок и статический расчёт элементов каркаса. 7
2.2. Нагрузки на перекрытие и покрытие . 8
2.3. Статический расчёт панели перекрытия . 8
2.4. Статический расчёт поперечной рамы каркаса . 9
3. Расчёт и конструирование предварительно напряженной панели перекрытия. 13
3.1. Характеристики прочности бетона и арматуры .. 13
3.2. Предварительное напряжение арматуры .. 13
3.3. Граничная относительная высота сжатой зоны бетона . 15
3.4. Опалубочные размеры панели . 13
3.5. Эквивалентное поперечное сечение панели . 16
3.6. Подбор продольной рабочей арматуры панели . 17
3.7. Конструирование поперечной рабочей арматуры панели . 19
3.8. Расчет полки панели на местный изгиб . 19
3.9. Рабочие чертежи панели перекрытия . 21
4. Расчет и конструирование ригеля перекрытия. 22
4.1. Прочностные и деформативные характеристики бетона и арматуры .. 22
4.2. Подбор продольной рабочей арматуры ригеля . 22
4.3. Подбор поперечной рабочей арматуры ригеля . 25
4.4. Обрыв продольной арматуры в пролёте . 29
4.5. Конструктивное армирование ригеля, опорный узел . 30
5. Расчёт и конструирование колонны.. 31
5.1. Подбор продольной арматуры .. 31
5.2. Конструирование поперечной арматуры колонны .. 32
6. Расчёт и конструирование фундамента. 33
6.2. Определение площади подошвы фундамента . 33
6.3. Определение основных размеров фундамента . 34
6.4. Расчёт фундамента на продавливание . 36
6.5. Проверка прочности плиты по наклонному сечению .. 36
6.6. Подбор арматуры подошвы фундамента . 36
Введение
М ногоэтажные промышленные здания служат для размещения различных производств: цехов лёгкого машиностроения, приборостроения, химической, электро- и радиотехнической промышленности, а также складов, холодильников, гаражей, предприятий железнодорожного транспорта и прочих объектов. Для всех названных производств характерны сравнительно небольшие технологические нагрузки на конструкции здания.
Многоэтажные промышленные здания целесообразно строить, когда производственный процесс организован по вертикальной схеме и когда производство не относится к категории взрыво- и пожароопасных.
Чаще всего многоэтажные производственные здания выполняют из железобетона, так как в настоящее время он является одним из основных материалов капитального строительства.
Основу многоэтажного производственного здания образует железобетонный каркас, состоящий из колонн, ригелей, плит перекрытия и элементов жёсткости. В зданиях с неполным каркасом колонны располагаются только внутри, а наружные стены выполняют функции несущих и ограждающих конструкций.
В настоящее время железобетонное строительство осуществляется в основном в монолитном исполнении. Сборные железобетонные конструкции, возведение которых на строительной площадке осуществлено из заранее заготовленных элементов, получили распространение в основном в эксплуатируемом фонде. Вместе с тем, методы расчёта этих конструкций, в отличие от монолитных, достаточно полно разработаны и просты для понимания.
В данной работе выполняется проектирование основных несущих конструкций сборного железобетонного каркаса многоэтажного производственного здания. Целью проектирования является разработка технологичных конструктивных решений, обеспечивающих несложное, быстрое и экономичное изготовление, транспортирование и монтаж конструкций, которые будут надёжны и безопасны в эксплуатации.
Проектирование осуществляется в соответствии с действующими нормативно-правовыми актами Российской Федерации (Федеральными Техническими регламентами) и нормативными документами (СНиП, ГОСТ, СП – Сводами правил, СТО – Стандартами организаций), составляющими техническую и юридическую основу проектных работ и обеспечивающими необходимую надёжность и экономичность объектов недвижимости.
1. Компоновка конструктивной схемы каркаса здания
Объёмно-планировочные параметры здания
Таблица 1.1
| Расстояние между продольными разбивочными осями |
L |
по заданию |
8,4 м |
| Количество пролётов поперек здания |
n |
по заданию |
4 |
| Ширина здания (в осях) |
L 0 |
L·n |
33,6 м |
| Расстояние между поперечными разбивочными осями |
l |
по заданию |
8,4 м |
| Количество пролетов вдоль здания |
m |
по заданию |
13 |
| Длина здания (в осях) |
l 0 |
l · m |
109,2 м |
| Высота этажа |
H |
по заданию |
4,2 м |
| Количество этажей |
по заданию |
5 |
Состав и работа каркаса здания
Продольные и поперечные разбивочные оси образуют сетку , в узлах которой устанавливаются колонны. Расстояние между продольными разбивочными осями принято называть пролётом здания , между поперечными – шагом колонн .
Колонны по высоте имеют выступающие части – консоли , на которые устанавливаются балки – ригели . Сверху на ригели укладываются панели перекрытия .
На панели действуют вертикальные нагрузки (эксплуатационные), которые передаются затем через ригели на колонны, а с них через фундаменты на грунт основания. Горизонтальные нагрузки (ветровые) воспринимаются наружными стенами здания, которые выполняются из кирпича. На них передается также и часть вертикальных нагрузок.
Конструктивная система здания с использованием колонн и несущих стен носит название неполного каркаса .
Чтобы в элементах каркаса не возникали дополнительные усилия от изменения температуры, здание в необходимых случаях разрезают на отдельные самостоятельные блоки (температурные отсеки) поперечными и продольными температурными швами .
По требованиям СНиП [2] наибольшая длина температурного отсека составляет 60 м .
· Длина здания l 0 = 109,2 м > 60 м , поэтому необходимо устройство поперечного тепературного шва. Предусматриваем шов примерно в середине длины здания, тогда длина температурных отсеков составит 8,4 × 7 = 58,8 м и 8,4 × 6 = 50,4 м .
4 Если длина здания превышает 120 м , то необходимо устраивать два температурных шва, которые будут делить здание на три части; при длине свыше 180 м – три шва и т.д.
· Температурный шов представляет собой два ряда колонн, смещённых от разбивочной оси на 500 мм .
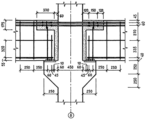
Сечение колонн обычно принимают квадратным со стороной 300, 350, 400, 450 мм (в соответствии с требованиями унификации). С увеличением нагрузки увеличивается и сечение колонн.
Толщина наружной стены принимается кратной размерам кирпича (250 ´120 мм , высота 65 мм ), с учётом 10 мм на вертикальный шов:
| 380 мм = 120+10+250 мм |
(1,5 кирпича) |
| 510 мм = 250+10+250 мм |
(2 кирпича) |
| 640 мм = 250+10+120+10+250 мм |
(2,5 кирпича) |
· Принимаем сечение колонн 450 ´ 450 мм , толщину кладки наружных стен 640 мм (постоянной на всех этажах).
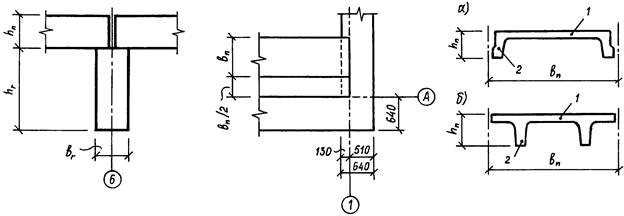
Принимаем поперечное направление ригелей , т.е. располагаем ригели поперёк здания.
Сечение ригеля принимаем прямоугольным (оно простое в расчёте, но это плохо отражается на эстетических качествах помещений). Назначаем размеры сечения ригеля (рис. 1.1):
· высота h r = (1/10…1/15)×L = 8400/10…8400/15 = 840…560 мм ;
принимаем h r = 800 мм (кратно 50 мм ); подсказка в приложении 1 .
· ширина b r = (0,3…0,4)×h r = 0,3×800…0,4×800 = 240…320 мм ;
принимаем b r = 300 мм (кратно 50 мм ); подсказка в приложении 1 .
4 Чем больше высота сечения ригеля, тем лучше он работает на восприятие нагрузки, но строительная высота перекрытия при этом увеличивается.
Ригели, находящиеся у продольной наружной стены, опираются одним концом на эту стену, а другим – на консоль колонны. Глубину заделки ригеля в стену примем равной длине кирпича (250 мм ).
4 Выбор типа панелей производится на основе экономических и эксплуатационных критериев. Панели бывают рёбристые (рис.1.3,а), типа «2Т» (рис.1.3,б), или многопустотные. В данной работе применяются рёбристые панели перекрытия.
Схема раскладки панелей. Принимаем наиболее распространённый вариант раскладки (подходит для любого типа панелей): между колоннами укладываются связевые панели, которые служат распорками, передающими горизонтальные нагрузки. Рядовые и связевые панели имеют одинаковую ширину; укладываемые у продольных стен доборные панели в два раза уже рядовых (рис. 1.2).
4 Важно обеспечить, чтобы оси связевых панелей располагались точно по оси колонн, т.е. совпадали с разбивочными осями здания.
Заделка панелей в стены:
4 в продольные стены панели не заделываются;
4 в поперечные стены заделка составляет 130 мм
(половина кирпича с учётом толщины раствора шва: 120 + 10 мм ).
Привязка наружных стен к разбивочным осям:
4 к продольной оси: нулевая привязка
(внутренняя грань стены совмещена с разбивочной осью);
4 к поперечной оси: привязка 130 мм
(внутренняя грань стены смещена с разбивочной оси внутрь здания на величину заделки панели в стену).
Размеры сечения панели перекрытия:
4 высота hп = (1/20…1/30)l = 8400/20…8400/30 = 420…280 мм ,
принимаем hп = 400 мм (кратно 50 мм );
4 ширина панели bn назначается такой, чтобы ширина панели находилась в пределах 1100…1500 мм (кратно 100 мм ) и на длине пролёта можно было разместить целое число панелей (обычно 6 панелей, при сетке колонн 6х6 м – 5 панелей). Рекомендуемые высота и ширина панелей представлена в Приложении 1.
При l = 8,4 м ширина панели составляет bn = 1400 мм ; между продольными осями укладывается 6 панелей. Они показываются на чертеже.
План и поперечный разрез здания
Компоновка конструктивной схемы каркаса заканчивается изображением плана и поперечного разреза здания (масштаб М 1:200). Основные сборные конструктивные элементы каркаса на строительных чертежах принято обозначать марками (например: П-1, П-2, П-3 – панели перекрытия соответственно рядовые, связевые и доборные). Однотипные элементы получают одинаковые марки.
Колонны здания для удобства изготовления, транспортировки и монтажа разделяются по высоте на отдельные монтажные элементы . Длина монтажного элемента может составлять 1; 2 и 3 этажа (но не более 18 м для возможности перевозки).
Для удобства выполнения работ по замоноличиванию стыков и сварки выпусков арматуры стык колонн располагается выше пола перекрытия на 800 мм .
Для изображения на поперечном разрезе задают ориентировочные (предварительные) размеры консольного выступа колонн (напр. 250´250 мм, скос под углом 45º) и фундамента (трёхступенчатый, высота ступени 350 мм). Глубина заложения подошвы фундамента df принимается по заданию.
|
||
|
||
|
|
|
|
|

2. Определение нагрузок и статический расчёт элементов каркаса
В нормах проектирования (СНиП [1]) указаны нормативные (эксплуатационные ) значения нагрузок (qn ), которые соответствуют условиям нормальной эксплуатации сооружений. В расчётах по несущей способности (1-я группа предельных состояний) используются расчётные значения нагрузок (q ), получаемые в результате умножения их нормативной величины qn на коэффициент надёжности по нагрузке γf ³ 1 (табл. 2.1), учитывающий статистический характер изменчивости нагрузок:
q = qn · γf
Таблица 2.1.
Коэффициенты надёжности по нагрузке
| Вид нагрузки |
γf |
пункт СНиП [1] |
|
| Постоянная: собственный вес конструкций |
железобетонных |
1,1 |
табл. 1 |
| изоляционных, выравнивающих и отделочных слоев, выполняемых на строительной площадке |
1,3 |
||
| Временная |
снеговая |
1,4 |
п. 5.7 |
| технологическая v ≥ 2 кН/м 2 |
1,2 |
п. 3.7 |
|
Расчётные значения нагрузок принято также умножать на коэффициент надёжности по назначению здания γ n , учитывающий степень ответственности зданий и сооружений, которая характеризуется значимостью экономических, социальных и экологических последствий отказов этих объектов. Здание в данном проекте, как и большинство зданий, относится к нормальному уровню ответственности, которому соответствует коэффициент γn = 0,95 (прил. 7* СНиП [1]).
При действии нагрузок в элементах (сечениях) конструкции возникают внутренние усилия и перемещения, а в отдельных компонентах сечений – напряжения и деформации. Прочность сечения обеспечена, если напряжения от расчётных нагрузок не превышают расчётного сопротивления материала R . Расчётное сопротивление получают делением нормативного сопротивления Rn на коэффициент надёжности по материалу γm ³ 1:
R = Rn, / γm .
Нормативное сопротивление определяют с обеспеченностью (доверительной вероятностью), равной 0,95. Это значит, что прочность 95 из 100 испытанных образцов не будет ниже нормативного сопротивления.
Расчёты по 2-й группе предельных состояний (по деформациям, трещиностойкости), в отличие от расчётов по 1-й группе, характеризуются более низким уровнем ответственности, поэтому в этих расчётах используются нормативные значения нагрузок.
2.2. Нагрузки на перекрытие и покрытие
Таблица 2.2
Вид нагрузки |
Толщина слоя, м |
Объёмный вес, кН/м 3 |
Нагрузка, кН/м 2 |
||||
| нормативная |
γf |
расчётная |
|||||
| Нагрузка на перекрытие: |
|||||||
| Постоянная (собственный вес конструкций): |
Рёбристая панель перекрытия (прил. 1 ) |
2,5 |
1,1 |
2,750 |
|||
| Стяжка из цем. раствора |
0,015 |
18 |
0,27 |
1,3 |
0,351 |
||
| Плиточный пол |
0,015 |
20 |
0,3 |
1,3 |
0,390 |
||
| Временная (по заданию !) |
6,5 |
1,2 |
6,5×1,2 = 7,800 |
||||
| Полная (постоянная + временная) Р 0 |
S |
9,57 |
11,291 |
||||
| Нагрузка на покрытие: |
|||||||
| Постоянная (собственный вес конструкций): |
Рёбристая панель покрытия (прил. 1) |
2,5 |
1,1 |
2,750 |
|||
| Пароизоляция: 2 слоя рубероида на мастике |
0,1 |
1,3 |
0,130 |
||||
| Утеплитель: плиты минераловатные |
0,15 |
3 |
0,45 |
1,3 |
0,585 |
||
| Стяжка из цем. раствора |
0,02 |
18 |
0,36 |
1,3 |
0,468 |
||
| Гидроизоляция: 3 слоя рубероида на мастике |
0,20 |
1,3 |
0,260 |
||||
| Слой гравия на мастике |
0,02 |
20 |
0,40 |
1,3 |
0,520 |
||
| Временная (снеговая) |
1,29 |
1,4 |
1,800 |
||||
| Полная (постоянная + временная) Р 1 |
S |
5,30 |
6,513 |
||||
2.3. Статический расчёт панели перекрытия
2.3.1. Расчётная схема панели
· Расчётной схемой панели перекрытия является балка, свободно лежащая на двух опорах (рис. 2.1).
· Расчётный пролёт панели – это расстояние между центрами её опорных площадок:
,
где br – ширина ригеля (п. 1.5).
2.3.2. Расчётная нагрузка
· Панель воспринимает нагрузку, действующую в пределах её номинальной ширины bп = 1,4 м .
· Полная расчетная нагрузка на панель (Р 0 – из табл. 2.2; bn – из п. 1,6; gn = 0,95):
q = Р 0 bn gn = 11,291×1,4×0,95 = 15,017 кН /м .
2.3.3. Внутренние усилия в панели
Наибольшие внутренние усилия в панели перекрытия при действии полной расчётной нагрузки вычисляются по формулам сопротивления материалов (рис. 2.1, в):
· изгибающий момент (в середине пролёта):
,
· поперечная сила (на опоре):
.
|
2.4. Статический расчёт поперечной рамы каркаса
2.4.1. Расчётная схема поперечной рамы
Многоэтажная многопролётная поперечная рама каркаса здания является сложной статически неопределимой системой. При расчете её делят на ряд простых, размещая шарниры посередине высоты стоек рамы, и рассматривают отдельно рамы верхнего, первого и типового этажа (рис. 2.2). Усилия во всех ригелях средних пролетов будут одинаковыми, поэтому достаточно рассматривать трёхпролётные рамы. Расчёт проведём для рамы типового этажа (рис. 2.2,б).
· Средний пролёт рамы равен расстоянию между продольными разбивочными осями L = 8,4 м .
· Величина крайнего пролета рамы – это расстояние от оси крайнего ряда колонн до центра опорной площадки ригеля на стене:
,
где а = 250 мм – глубина заделки ригеля в стену.
Внутренние усилия в раме определяют от совместного действия постоянной (q ) и временной (v ) нагрузки, рассматривая три комбинации с различными схемами действия временной нагрузки (рис. 2.2, б).
Если построить все три эпюры моментов на одном чертеже и учитывать только максимальные по абсолютной величине значения, можно получить так называемую огибающую эпюру моментов и использовать её в расчете (рис. 2.2, б).
Определение внутренних усилий можно производить:
4 вручную с помощью специальных таблиц;
4 с использованием современных проектно-вычислительных программных комплексов конечно-элементного анализа.
Оба эти метода достаточно трудоёмки, поэтому в данной работе мы не будем пользоваться ни одним из них, а проведём расчет упрощённо, как это делают старые опытные проектировщики. В их задачу входит проверка результатов, которые выдал компьютер или какой-нибудь (торопливый) расчётчик.
|
Рис. 2.2.
а – расчётная схема поперечной рамы здания;
б – условная рама типового этажа, схемы её загружения и эпюры внутренних усилий;
в – определение поперечных усилий на участке стержня из условий равновесия
При определении нагрузок от собственного веса конструкций часто используют понятие объёмного веса материала. Его следует отличать от объёмной массы (плотности). Например, объёмная масса железобетона r = 2500 кг/м3 , по этой величине путём несложного преобразования можно найти объёмный вес железобетона: g0 = 25 кН/м3 .
2.4.2. Нагрузка на ригель поперечной рамы
· Ригель воспринимает нагрузку, действующую на грузовой площади шириной, равной расстоянию между поперечными разбивочными осями l = 8,4 м , а также нагрузку от собственного веса.
· Расчётная линейная нагрузка на ригель от его собственного веса:
qr = br hr gb gf = 0,3×0,8×25×1,1 = 6,6 кН /м ,
где
br , hr – размеры поперечного сечения ригеля (п. 1.5);
γb = 25 кН/м 3 – объёмный вес конструкций из тяжелого бетона;
γf = 1,1 – коэффициент надёжности по нагрузке (табл. 2.1).
· Продольная расчетная линейная нагрузка на ригель (Р 0 – из табл. 2.2):
q = (P 0 l + qr )×gn = (11,291×8,4 + 6,6)×0,95 = 96,37 кН /м .
2.4.3. Внутренние усилия в ригеле
Значения ординат огибающей эпюры моментов в ригеле обычно не превышают следующих величин [7]:
| 4 в крайнем пролёте: |
|
| 4 на левой средней опоре: |
M 21 = M 23 = 0,085 qL 2 = 0,085×96,37 ×(8,4)2 = 577,98 кН ×м , |
| 4 в среднем пролёте: |
M 22 = 0,055 qL 2 = 0,055×96,37 ×(8,4)2 = 373,99 кН ×м , |
| 4 на правой средней опоре: |
M 32 = 0,065 qL 2 = 0,065×96,37 ×(8,4)2 = 441,99 кН ×м . |
Значения поперечных сил на опорах определяются методами строительной механики (рис. 2.2,в):
QA = Qq + QM , QB = Qq – QM ,
где:
Qq – поперечная сила от действия равномерно распределённой нагрузки:
;
QM – поперечное усилие от действия опорных изгибающих моментов:
.
4 В крайнем пролёте:
,
,
Q 12 = 410,78 + (- 67,79) = 342,99 кН , Q 21 = 410,78 – (- 67,79) = 478,57 кН .
4 В среднем пролёте:
,
,
Q 23 = 404,75 + 16,18 = 420,93 кН , Q 32 = 404,75 – 16,18 = 388,57 кН .
· Расчетный изгибающий момент на средней опоре определяется в сечении ригеля по грани колонны; величину этого момента можно вычислить по формуле:
,
где hk – ширина колонны: hk = 450 мм (п. 1.4).
2.4.4. Продольные усилия в колонне 1-го этажа
· Колонны здания работают в составе поперечной рамы каркаса, поэтому в них возникают продольные силы и изгибающие моменты. Последние обычно невелики, поэтому мы ограничимся только определением продольных усилий.
· Наибольшая продольная сила в колонне возникает на уровне пола 1-го этажа (сечение «к » на рис. 2.2, а).
· Колонна воспринимает со всех этажей нагрузку, действующую на её грузовой площади размером L ´l , а также нагрузку от собственного веса.
· Нагрузка от собственного веса колонны
4 Нормативная нагрузка:
,
где
nэ = 5 – число этажей; H = 4,2 м – высота этажа; hk – ширина колонны.
4 Расчётная нагрузка:
Gk = Gk , n ×gf = 106,31×1,1 = 116,94 кН .
· Продольная сила в колонне на уровне пола 1-го этажа (Р 0, n и Р 0 – из табл. 2.2):
4 От нормативной нагрузки:
Nk , n = Gk , n + L ×l ×[P 0, n ×(nэ – 1) + P 1, n ] =
= 106,31 + 8,4×8,4×[9,57×(5 – 1) + 5,30] = 3 181 кН .
4 От расчётной нагрузки:
Nk = gn ×(Gk + L ×l ×[P 0 ×(n э – 1) + P 1 ]) =
= 0,95×(116,94 + 8,4×8,4×[11,291×(5 – 1) + 6,513]) = 3 575 кН .
3. Расчёт и конструирование предварительно напряженной панели перекрытия
3.1. Характеристики прочности бетона и арматуры
Бетон
4 Применяем тяжелый бетон класса В40 (по заданию), подвергнутый тепловой обработке при атмосферном давлении.
4 Расчётное сопротивление сжатию Rb = 22,0 МПа (табл. 13 СНиП [2]).
4 Бетон находится под воздействием длительной нагрузки, поэтому в расчетах умножаем его расчётное сопротивление на коэффициент условий работы γb 2 = 0,9 (табл. 15 СНиП [2]).
Арматура
4 Продольная рабочая арматура панели – предварительно напрягаемая, класса А- VI (А1000) – по заданию.
Сопротивление растяжению:
· нормативное Rsn = 980 МПа (табл. 19* СНиП [2]),
· расчётное Rs = 815 МПа (табл. 22* СНиП [2]).
4 Полка панели армируется сеткой из проволочной арматуры класса Вр- I (В500) .
Расчётное сопротивление растяжению Rs = 410 МПа (табл. 23* СНиП [2]).
3.2. Предварительное напряжение арматуры
Предварительно напряженная арматура – это арматура, получающая начальные (предварительные) напряжения в процессе изготовления конструкций до приложения внешних нагрузок в стадии эксплуатации.
3.2.1. Методы натяжения арматуры
Существуют два метода натяжения арматуры: натяжение на упоры и натяжение на бетон . Натяжение на бетон применяется, как правило, только в монолитных конструкциях.
4 Используем метод натяжения арматуры на упоры , так как он наиболее целесообразен в условиях заводского изготовления железобетонных конструкций.
Арматура до бетонирования натягивается и затем фиксируется в натянутом состоянии на жестком стенде или форме. После укладки в форму бетона и набора им необходимой передаточной прочности арматура освобождается от натяжных приспособлений. Арматура, стремясь сократиться, обжимает бетон, а сама остаётся растянутой.
3.2.2. Способы натяжения арматуры
Существует 4 способа натяжения арматуры (из них получили распространение только первые два):
1. Механический (с помощью домкратов, рычагов, грузов).
2. Электротермический (с помощью эл. тока).
3. Электротермомеханический (комбинированный).
4. Физико-химический (самонапряжение).
4 Используем электротермический способ натяжения , так как он является наиболее распространённым благодаря своей несложности, малой трудоёмкости и сравнительно низкой стоимости оборудования.
Стержни арматуры нагревают до температуры 300…350ºС с помощью электротока и в нагретом состоянии закрепляют в упорах формы. При остывании стержни, стремясь сократиться, натягиваются, что используется для обжатия бетона. Точность этого метода по сравнению с остальными более низкая. Кроме того, этот способ достаточно энергоёмкий и не может применяться для натяжения арматуры классов Aт-VII, B-II, Bр-II, К-7, К-19.
3.2.3. Величина предварительных напряжений в арматуре
· Допустимое отклонение значения предварительного напряжения при электротермическом способе натяжения определяются по формуле (2) СНиП [2]:
,
где l – длина натягиваемого стержня (расстояние между наружными гранями упоров): l = 8,4 м .
· В соответствии с формулой (1) СНиП [2] установим пределы, в которых можно назначать величину предварительного напряжения в арматуре:
ssp ³ 0,3 Rsn + p = 0,3×980 + 72,86 = 366,86 МПа ;
ssp £ Rsn – p = 980 – 72,86 = 907,14 МПа .
Границы этого интервала установлены на основе следующих соображений:
- при высоких значениях предварительных напряжений существует опасность разрыва арматурной стали или её проскальзывания в захватах при натяжении; опасность разрушения бетона или образования в нём трещин вдоль напрягаемой арматуры.
- низкие значения предварительных напряжений неэффективны, т.к. почти всё напряжение будет утрачено в результате потерь.
· Величина предварительного напряжения назначается обычно близкой к верхнему пределу: σsp £ 0,9Rsn = 0,9×980 = 882 МПа . Принимаем σsp = 850 МПа .
· Передаточная прочность бетона Rbp – это прочность бетона к моменту его обжатия усилием натяжения арматуры.
Передаточная прочность бетона назначается не менее (п.2.6* СНиП [2]):
Rbp ³ 0,5 B = 0,5×40 = 20 МПа , где В – класс бетона, В = 40 МПа .
Rbp ³ 15,5 МПа . Принимаем Rbp = 20 МПа .
· Возможные производственные отклонения от заданного значения предварительного напряжения арматуры учитываются в расчётах коэффициентом точности натяжения арматуры γsp :
gsp = 0,9 – при благоприятном влиянии предварительного напряжения;
gsp = 1,1 – при неблагоприятном влиянии предварительного напряжения.
· Значение gsp = 1,1 соответствует случаю, когда увеличение усилия обжатия сверх проектного неблагоприятно сказывается на работе конструкции, например, при расчёте прочности железобетонного элемента в стадии обжатия.
3.3. Граничная относительная высота сжатой зоны бетона
· Граничное значение относительной высоты сжатой зоны бетона определяется по формуле (25) СНиП [2]:
,
где
ω – характеристика сжатой зоны бетона, определяемая по формуле (26) СНиП [2]:
ω = a – 0,008 Rb gb 2 = 0,85 – 0,008 × 22 × 0,9 = 0,6916;
a – коэффициент, учитывающий вид бетона; для тяжелого бетона a = 0,85;
Rb здесь следует брать в МПа .
σsR – напряжение в арматуре, определяемое по формуле:
σ sR = Rs + 400 – σsp gsp = 815 + 400 – 800×0,9 = 495 МПа ;
здесь используется значение gsp = 0,9.
σs c, u – предельное напряжение в арматуре сжатой зоны, принимаемое при g b 2 < 1,0 равным σs c, u = 500 МПа .
Тогда 
3.4. Опалубочные размеры панели
Опалубочные размеры необходимы для изготовления опалубочных форм сборных железобетонных элементов. Обычно предусматривается применение типовых опалубочных форм. Чертежи железобетонных элементов, на которых показаны только наружные размеры, называются опалубочными .
3.4.1. Основные габаритные размеры панели
а) номинальные – в осях. Эти размеры установлены в процессе компоновки конструктивной схемы каркаса здания:
4 длина ln = 8400 мм
4 ширина bn = 1400 мм
4 высота hn = 400 мм .
б) конструктивные – с учётом зазоров, которые необходимы:
1) для возможности свободной укладки сборных элементов при монтаже (зазор не менее 10 мм );
2) для возможности замоноличивания швов между элементами (зазор не менее 30 мм при высоте элементов более 250 мм , п. 5.51 СНиП [2]).
Устраиваем зазоры (рис. 3.1): Δ = 30 мм , Δ1 = 10 мм , тогда конструктивные размеры панели будут такими:
· длина l k = ln – Δ = 8 400 – 30 = 8 370 мм ,
· ширина bk = bn – Δ1 =1 400 – 10 = 1 390 мм .
Принимаем величину уступа в поперечном сечении ребристой панели δ = 15 мм , тогда зазор Δ2 :
Δ2 = Δ1 + 2δ = 10 + 2 · 15 = 40 мм > 30 мм , требования СНиП выполнены.
3.4.2. Ширина продольного ребра панели
4 внизу (b 1 ) принимается из условия обеспечения требуемой толщины защитного слоя бетона b 1 ≥ 70…80 мм , принимаем b 1 = 80 мм .
4 вверху (b 2 ) принимается из условия обеспечения уклона граней ребра, равного 1/10:
;
4 средняя ширина
: ![]()
3.4.3. Размеры полки (плитной части)
4 ширина (расстояние в свету между продольными рёбрами):
.
4 толщина h ¢ f ≥ 50…60 мм , принимаем h ¢ f = 60 мм .
3.4.4. Поперечные рёбра
Поперечные ребра панели предусматриваются по её краям, и по длине пролета. Размеры поперечных ребер назначаем конструктивно (см. рис. 3.1.)
3.5. Эквивалентное поперечное сечение панели
При расчете фактическое поперечное сечение панели заменяется эквивалентным тавровым сечением (рис. 3.2.) Оно имеет ту же площадь и те же основные размеры.
4 В расчетах на трещиностойкость, которые мы выполнять не будем, используется приведённое сечение: площадь сечения арматуры приводится к площади сечения бетона, исходя из равенства их деформаций.
4 Полная высота сечения равна высоте панели: h = hn = 400 мм .
4 Полезная (рабочая) высота сечения h 0 = h – a , где
а – расстояние от нижней растянутой грани сечения до центра тяжести продольной рабочей арматуры.
Принимаем а = 3 см , тогда h 0 = 40 – 3 = 37 см .
|
|
|
|
|
|
|
|
· Толщина стенки эквивалентного сечения равна суммарной толщине ребер:
b = 2bm = 2·9,25 = 18,5 см .
· Толщина полки h ¢ f = 6 см .
· Участки полки, удаленные от ребра, напряжены меньше, чем соседние участки. Поэтому ширина свеса полки в каждую сторону от ребра bef ограничивается двумя условиями (п. 3.16 СНиП [2]); она должна быть:
1) не более 1/6 пролета элемента: bef ≤ l /6 = 8400/6 = 1400 мм.
2) в рёбристой панели, когда расстояние между поперечными ребрами больше, чем между продольными:
· при h ¢f ≥ 0,1h : bef ≤ с /2
· при h ¢ f < 0,1h : bef ≤ 6 h ¢ f
· В данной рёбристой панели 0,1h = 0,1·35 = 3,5 см < h ¢ f = 6 см , поэтому
bef ≤ c /2 = 1050/2 = 525 мм (с – из п. 3.4.3).
Принимаем bef = min {l /6; c /2} = min {1400; 525} мм = 525 мм = 52,5 см ,
тогда принимаемая в расчете ширина полки b ¢ f :
b ¢ f = 2 b 2 + 2 bef = 2·10,5 + 2·52,5 = 126 см .
3.6. Подбор продольной рабочей арматуры панели
· Определение требуемой продольной рабочей арматуры производят с помощью вспомогательного коэффициента А0 (М – из п. 2.3.3, b ¢ f и h 0 см. выше):
![]()
4 Все величины в расчётных формулах рекомендуется брать в кН и см:
М = 119,04 кН = 11 904 кН·см; Rb = 22 МПа = 2,2 кН/см2 .
· По значению коэффициента А 0 находим значения относительной высоты сжатой зоны ξ = x / h 0 и относительного плеча внутренней пары сил η = z 0 / h 0 , используя специальную таблицу или предлагаемые аналитические зависимости:
,
η = 1 – 0,5ξ = 0,984.
· Фактическая высота сжатой зоны:
х = ξ h 0 = 0,033×37 = 1,221 см < hf ´ = 6 см ,
поэтому граница сжатой зоны находится в пределах полки.
· Для напрягаемой арматуры необходимо использовать коэффициент условий работы γs6 , который учитывает увеличение сопротивления арматуры при её деформациях за границей условного предела текучести; этот коэффициент определяется по формуле (27) СНиП [2]:

где η0 – коэффициент, учитывающий класс арматуры; для арматуры класса А-VI η0 =1,10 (п. 1.13. СНиП [2]). Тогда
![]()
поэтому принимаем γs 6 = η0 = 1,10.
· Требуемая площадь сечения продольной рабочей арматуры:
![]()
· По сортаменту арматуры назначаем диаметр стержней так, чтобы он был не менее требуемой величины А s . Число стержней – 2, по одному в каждом ребре.
Принимаем 2 Æ18А- VI , А s = 4,02 см 2 .
4 Сортамент арматуры можно найти в Приложении 2 . Не следует создавать излишний запас прочности элемента. Переармированные элементы не только неэкономичны, но и опасны.
· Толщина защитного слоя бетона а b продольной рабочей арматуры, необходимого для предохранения её от коррозии, должна составлять (п. 5.5 СНиП [2]):
- не менее диаметра стержня: а b ≥ d = 16 мм ,
- не менее 20 мм (в ребрах высотой h ≥ 250 мм ): а b ≥ 20 мм .
4 Защитный слой бетона – это толщина слоя бетона от грани элемента до ближайшей поверхности арматурного стержня.
· Фактическая толщина защитного слоя:
а b = а – 0,5 d = 30 – 0,5·16 = 22 мм > 20 мм ,
значит, требования СНиП по величине защитного слоя выполнены.
4 Если бы указанные требования не выполнялись, расстояние а пришлось бы увеличить, а расчёт (п. 3.6.) произвести заново.
3.7. Конструирование поперечной рабочей арматуры панели
Конструирование поперечной арматуры заключается в выборе класса, диаметра и шага поперечных стержней. Обычно конструирование сопровождается расчётом, в результате которого устанавливается, обеспечена ли прочность элемента по наклонному сечению. Однако, учитывая сравнительно небольшой объем курсового проекта, ограничимся лишь конструированием.
· Используем поперечную арматуру из проволоки класса Вр-I, диаметром 5 мм (Æ5Вр-I).
· Шаг поперечной арматуры назначаем не основе конструктивных требований п. 5.27 СНиП [2]:
1) на приопорных участках длиной, равной ¼ пролета l 0 = l /4 = 7,8/4 = 1,95 м
при высоте сечения h ≤ 450 мм (в данном случае h = 350 мм ) шаг поперечной арматуры должен быть не более:
,
S 1 £ 150 мм .
Принимаем S 1 = 150 мм (кратно 50 мм ), см. прил. 1 .
2) на остальной части пролёта при высоте сечения h > 300 мм шаг поперечной арматуры должен быть не более:
,
S 2 £ 500 мм .
Принимаем S2 = 250 мм (кратно 50 мм ).
· Поперечные стержни входят в состав плоского каркаса, которому присвоим марку К-1 (см. арматурные чертежи в графической части). Продольные стержни этого каркаса принимаем конструктивно, из арматуры Æ8А-I.
· Для возможности свободной укладки каркаса в форму концы всех его стержней должны отстоять от грани элемента на 10 мм (п. 5.9 СНиП [2]). Величина защитного слоя бетона для поперечной и конструктивной арматуры в рёбрах высотой h ≥ 250 мм должна быть не менее диаметра стержня и не менее 15 мм (п. 5.6 СНиП).
4 Продольная напрягаемая арматура не входит в состав никаких каркасов, так как приварка к ней стержней ухудшает её прочностные свойства.
· Поперечные ребра армируем каркасами К-2. Используем те же виды арматуры, что и для каркаса К-1. Шаг стержня назначаем конструктивно (например, 200 мм ).
3.8. Расчет полки панели на местный изгиб
3.8.1. Общие соображения
Плитная часть панели (или просто плита ), называемая в тавровом сечении полкой , работает на изгиб как пластина, опёртая по контуру на продольные и поперечные ребра. Работа плиты под действием нагрузок зависит от соотношения сторон опорного контура.
· При отношении сторон l 2 /l 1 > 2 (рис. 3.3, а), плиты работают в направлении меньшей стороны, а в другом направлении за них работают рёбра. Такие плиты называются балочными , их рассчитывают как балки пролётом l 1 , выделяя из них полосы шириной b = 1 м .
· При отношении сторон l 2 /l 1 ≤ 2 (рис. 3.3, б), что бывает, например, при частом расположении поперечных рёбер, плиты работают в двух направлениях в плане и их за это называют плитами, опёртыми по контуру . Изгибающие моменты в таких плитах меньше, чем в балочных, поэтому опёртые по контуру плиты являются более эффективными. Однако в запас прочности расчёт такой плиты всегда можно провести и по балочной схеме.
- Очевидно, что в нашей панели перекрытия, у которой поперечные ребра расположены только по краям, имеем дело с балочной плитой.
3.8.2. Нагрузки на полку панели
Равномерно распределённая нагрузка на полку панели с несущественным превышением может быть принята такой же, как и для всей плиты (табл. 2.1). Линейную расчётную нагрузку определяем сбором поверхностной нагрузки с условной ширины b = 1 м :
q = P 0 b γn = 13,091·1,0·0,95 = 12,436 кН /м .
3.8.3. Расчётная схема полки, внутренние усилия
· В рёбристой панели расчётная схема полки принимается в виде балки с жёсткой заделкой на концах (рис. 3.4, а), в панели типа 2Т – в виде двухопорной консольной балки (рис. 3.4, б).
· Расчётный изгибающий момент:
4 в рёбристой панели (с учётом перераспределения усилий):
;
|
|
3.8.4. Поперечное сечение полки
· Условное поперечное сечение полки (рис. 3.4,в) – прямоугольное, шириной b = 100 см , высотой h ¢ f = 6 см . Плита армируется сеткой из арматуры Æ5Вр-I, Rs = 410 МПа .
· Минимальная толщина защитного слоя бетона в плитах толщиной до 100 мм составляет а b = 10 мм (п. 5.5 СНиП [2]). Тогда минимально необходимое расстояние от нижней грани сечения до центра тяжести арматуры (диаметром d = 5 мм ):
а = а b + 0,5d = 100 + 0,5·5 = 12,5 мм , принимаем а = 15 мм .
· Рабочая высота сечения h 0 = h ¢ f – a = 6 –1,5 = 4,5 см .
3.8.5. Подбор рабочей арматуры
· Параметр А
0
:
.
· Относительная высота сжатой зоны:
.
· Относительное плечо внутренней пары сил: η = 1 – 0,5ξ = 0,984.
· Требуемая площадь арматуры:
.
· Используем для армирования сетку с минимально допустимым шагом S = 200 мм (п. 5.20 СНиП [2]), тогда в пределах условной ширины b = 1 м размещается 5 стержней. По сортаменту определяем, что площадь сечения 5Æ5 равна А s = 0,982 см 2 , что составляет больше требуемой.
3.8.6. Конструирование сеток
· Выбранная рабочая арматура располагается параллельно короткой стороне сетки. В направлении длиной стороны арматуру ставим конструктивно: принимаем стержни Æ4Вр-I с шагом 200 мм (кратно 50 мм ). Размеры сеток приведены в прил. 3.
· Арматурная сетка размещается в растянутой зоне сечения полки, положение которой определяется по эпюре изгибающих моментов (рис. 3.4).
4 В рёбристой панели используется две сетки: пролётные моменты воспринимают сетки С-1, установленные у нижней грани сечения; опорные моменты воспринимают аналогичные, но более узкие сетки С-2 (2 шт.), установленные у верхней грани сечения.
4 В панели типа 2Т используется одна сетка С-1, расположенная у нижней грани сечения; вблизи ребер и на консолях стержни сетки переводятся в верхнюю зону.
· Шаг стержней у краев сетки может отличаться от основного (в меньшую сторону, кратно 10 мм ).
3.9. Рабочие чертежи панели перекрытия
· На основе полученных в ходе расчета и конструирования данных выполняем арматурные чертежи панели перекрытия. На них показывается размещение арматуры в сечении элемента, и, кроме того, вычерчиваются отдельно арматурные каркасы и сетки.
· Эти чертежи являются рабочими: по ним будет изготавливаться конструкция, поэтому они должны обладать достаточной степенью детализации .
· Для того чтобы оперативно определять, какое количество арматуры нужно для изготовления железобетонного изделия, на рабочих чертежах приводятся эти сведения в виде таблицы, которую принято называть спецификацией арматуры . Она приведена в графической части.
4. Расчет и конструирование ригеля перекрытия
4.1. Прочностные и деформативные характеристики бетона и арматуры
Бетон
4 Используем тяжелый бетон класса В25 (по заданию), подвергнутый тепловой обработке при атмосферном давлении.
4 Расчетные сопротивления бетона (табл. 13 СНиП [2]):
· сжатию Rb = 14,5 МПа ,
· растяжению Rbt = 1,05 МПа .
4 Коэффициент условий работы, учитывающий длительность действия нагрузки γb 2 = 0,9 (табл. 15 СНиП [2]).
4 Начальный модуль упругости бетона Е b = 27 000 МПа (табл. 18 СНиП [2]).
Арматура
4 Продольная рабочая арматура – ненапрягаемая, класса А- III (А400) , диаметр Æ10…40 мм.
Расчётное сопротивление растяжению Rs = 365 МПа (табл. 22* СНиП [2]).
Модуль упругости арматуры Es = 200 000 МПа (табл. 29* СНиП [2]).
4 Поперечная рабочая арматура – также класса А- III (А400) .
Расчетное сопротивление растяжению поперечной арматуры (табл. 22* СНиП [2]):
Rsw = 285 МПа (Æ6…8 мм), Rsw = 290 МПа (Æ10…40 мм).
Если диаметр поперечных стержней меньше 1/3 диаметра продольных стержней, значение Rsw = 255 МПа (примеч. к табл. 22* СНиП [2]).
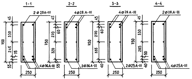
4.2. Подбор продольной рабочей арматуры ригеля
· Расчетное поперечное сечение ригеля – прямоугольное (рис. 4.1). Размеры сечения установлены в процессе компоновки конструктивной схемы каркаса (п. 1.5):
4 высота h = 750 мм ,
4 ширина b = 250 мм .
· Арматура располагается в растянутой зоне сечения, положение которой определяется по эпюре изгибающих моментов в ригеле: в пролёте – внизу, на опоре – вверху. Арматуру располагаем в два ряда, чтобы иметь возможность не ставить (обрывать) часть стержней там, где они не требуются по расчёту.
· Порядок подбора продольной рабочей арматуры в ригеле такой же, как и в панели перекрытия. Результаты подбора арматуры приведены в табл 4.1.
· Рабочая высота сечения: h 0 = h – a ,
где а – расстояние от растянутой грани сечения до центра тяжести продольной рабочей арматуры; принимается в пределах а = 4…10 см (задаётся по своему усмотрению, при этом чем больше изгибающий момент в сечении, тем больше должно быть это расстояние).

Рис. 4.1. Расчётное поперечное сечение ригеля: а – в пролёте, б – на средних опорах.
· Условный параметр А
0
: ![]()
· Относительная высота сжатой зоны: ![]()
· Относительное плечо внутренней пары сил: η = 1– 0,5ξ
· Требуемая площадь сечения арматуры: ![]()
· Подбираем по сортаменту необходимый диаметр стержня, учитывая, что число стержней в сечении – 4.
· Арматура подбирается для трех сечений ригеля:
1 – сечение в крайнем пролете (М 11 );
2 – сечение в левой средней опоре (используется момент Mfr , см. стр. 12 );
3 – сечение в среднем пролете (М 22 ).
· На средней опоре используется расчётный изгибающий момент в сечении ригеля по грани колонны (п.2.4.3 ).
· Граничная относительная высота сжатой зоны:
,
где ω = a – 0,008 Rb gb 2 = 0,85 – 0,008 × 14,5 × 0,9 = 0,7456;
σ sR = Rs = 365 МПа (для ненапрягаемой арматуры).
· Толщина защитного слоя бетона а b для продольной рабочей арматуры должна составлять (п. 5.5 СНиП [2]):
4 не менее диаметра стержня: а b ≥ d ,
4 не менее 20 мм в балках высотой h ≥ 250 мм : а b ≥ 20 мм .
· Расстояние в свету между стержнями продольной рабочей арматуры а s должно составлять (п. 5.5 СНиП [2]):
4 не менее наибольшего диаметра стержня: а s ≥ d ,
4 не менее 25 мм для нижней арматуры и 30 мм для верхней: а s ≥ 25 (30) мм .
· Расстояния по высоте между осями арматурных стержней (рис. 4.1) должны назначаться с учётом этих требований, а также кратными 5 мм :
а 1 ³ а b + 0,5d = max {d ; 20 мм } + 0,5d ;
а 2 ³ а s + d = max {d ; 25 мм (30 мм для сечения на средней опоре) } + d .
· Тогда расстояние от растянутой грани сечения до центра тяжести продольной рабочей арматуры составит:
а = а 1 + 0,5а 2 .
4 Если оно сильно отличается от принятого ранее, особенно в большую сторону, то прочность может быть не обеспечена и расчёт необходимо провести заново. Если это расстояние отличается не сильно и площадь арматуры взята с запасом, расчёт можно не повторять. Окончательно это выяснится в табл. 4.2.
Таблица 4.1
Подбор продольной рабочей арматуры ригеля
| Расчётное сечение |
в крайнем пролёте |
на левой средней опоре |
в среднем пролёте |
|
| М , кН·см |
М 11 = 60 799 |
Mfr = 43 400 |
М 22 = 34 098 |
|
| h 0 = h – a , см |
75 – 8 = 67 |
75 – 7 = 68 |
75 – 6 = 69 |
|
| А 0 |
0,4151 |
0,2877 |
0,2195 |
|
| ξ |
0,5880 |
0,3484 |
0,2510 |
|
| η |
0,706 |
0,826 |
0,874 |
|
| Требуемая А s , см 2 |
35,22 |
21,17 |
15,49 |
|
| Принятое армирование |
4Æ36 А-III |
4Æ28 А-III |
4Æ25 А-III |
|
| Фактич. А s , см 2 |
40,72 |
24,63 |
19,68 |
|
| а 1 , мм |
Минимальное |
36 + 0,5×36 = 54 |
28 + 0,5×28 = 42 |
25 + 0,5×25 = 37,5 |
| Принятое |
55 |
45 |
40 |
|
| а 2 , мм |
Минимальное |
36 + 36 = 72 |
30 + 28 = 58 |
25 + 25 = 50 |
| Принятое |
75 |
60 |
50 |
|
| Факт. а = a 1 + 0,5a 2 , мм |
55 + 0,5·75 = 92,5 |
45 + 0,5·60 = 75 |
40 + 0,5×50 = 65 |
|
| Фактич. h 0 = h – a , см |
75 – 9,25 = 65,75 |
75 – 7,5 = 67,5 |
75 – 6,5 = 68,5 |
|
| Расст. h 01 = h – a 1 , см |
75 – 5,5 = 69,5 |
75 – 4,5 = 70,5 |
75 – 4 = 71 |
|
Примечания. 1) Если получается ξ > ξR = 0,6036, то высоту сечения h необходимо увеличить. 2) Стержни диаметром 40 мм применять не рекомендуется. 3) При необходимости возможно армирование пятью стержнями – три в нижнем ряду и два в верхнем, или шестью стержнями (по три в каждом ряду).
4.3. Подбор поперечной рабочей арматуры ригеля
4.3.1. Конструирование поперечной арматуры
· Диаметр стержней поперечной арматуры d принимается из условия ее свариваемости с продольной арматурой наибольшим диаметром D = 36 мм (в крайнем пролёте):
d ≥ 0,25D = 0,25·36 = 9 мм .
· Чтобы расчётное сопротивление поперечной арматуры не снижалось (п. 4.1), её диаметр должен составлять
d ≥ D /3 = 36/3 = 12 мм .
4 Окончательно диаметр назначим после расчёта. Если по расчёту поперечная арматура требоваться не будет, её диаметр примем только исходя из указанных здесь условий.
· Шаг стержней поперечной арматуры назначается в соответствии с конструктивными требованиями п. 5.27 СНиП [2], затем проверяется расчетом прочности по наклонному сечению.
1) На приопорных участках длиной L 0 = L /4 = 7,8/4 = 1,95 м
при высоте сечения h > 450 мм (в данном случае h = 750 мм )
,
S 1 £ 500 мм .
Принимаем S 1 = 250 мм (кратно 50 мм ), см. прил. 1 .
2) На остальной части пролета при h >300 мм :
,
S 2 £ 500 мм .
Принимаем S 2 = 500 мм (кратно 50 мм ).
4.3.2. Общие соображения по расчёту прочности наклонных сечений
· Для обеспечения прочности элемента по наклонному сечению необходимо провести три расчёта:
1. Расчёт на действие поперечной силы по наклонной трещине.
2. Расчёт на действие изгибающего момента по наклонной трещине.
3. Расчёт на действие поперечной силы по наклонной полосе между наклонными трещинами.
· Расчёт на действие изгибающего момента допускается не проводить, если все стержни продольной арматуры доведены до опоры и имеют надёжную анкеровку . В данном случае некоторые стержни не доводятся до опоры, но отвечают определённым конструктивным требованиям, которые учтены в п. 4.4., поэтому расчёт на действие изгибающего момента выполнять не будем.
4 Анкеровка арматуры – обеспечение восприятия арматурой действующих на неё усилий путём заведения её на определённую длину за расчётное сечение или устройства на её концах специальных анкеров.
· Расчет прочности ригеля по наклонному сечению на действие поперечной силы проведем для сечения, в котором значение Q максимальное (сечение слева от средней опоры ригеля), Q = Q 21 = 470,27 кН , см. п. 2.4.3 .
· Установленный в результате расчёта шаг поперечной арматуры в целях унификации принимаем и возле остальных опор. При необходимости можно провести соответствующие расчёты и увеличить шаг арматуры.
4.3.3. Расчет на действие поперечной силы по наклонной трещине
1-й этап. Установим необходимость проведения расчёта.
· Поперечное усилие в сечении с наклонной трещиной воспринимает бетон (Qb ) и поперечная арматура (Qsw ). Расчетная схема усилий приведена на рис. 4.2.
|
· Минимально возможное значение поперечного усилия, воспринимаемого бетоном (по ф-ле п. 3.31* СНиП [2]):
Qb , min = jb 3 Rbt gb 2 bh 0 = 0,6×0,105×0,9×25×65,75 = 93,20 кН < Q = 470,27 кН .
здесь jb 3 – коэффициент, учитывающий вид бетона; для тяжелого бетона jb 3 = 0,6; рабочая высота h 0 принимается для сечения в крайнем пролёте.
В качестве рабочей высоты сечения принимается фактическое значение h 0 в крайнем пролёте из табл. 4.1.
4 Если Q < Qb , min , то поперечная арматура по расчёту не требуется.
· Фактически бетон может воспринимать большее усилие, чем Qb , min , поэтому уточним значение Qb . В общем случае расчета принимается, что поперечное усилие распределяется поровну между бетоном и поперечной арматурой:
Qb = Qsw = Q / 2 = 470,27 / 2 = 235,14 кН .
· Параметр, характеризующий сопротивление бетона образованию наклонных трещин:
Mb = jb 2 Rbt gb 2 bh 0 2 = 2,00×0,105×0,9×25×65,752 = 20 426 кН ×см ;
здесь jb 2 - коэффициент, учитывающий вид бетона; для тяжелого бетона jb 2 = 2,00.
· Длина проекции опасной наклонной трещины на продольную ось элемента из ф-лы (76) СНиП [2]:
![]()
· Величина с 0 принимается в пределах h ≤ с 0 ≤ 2h 0 = 2·65,75 = 131,5 см .
Указанное условие выполняется, и мы оставляем с 0 без изменения.
Когда условие не выполняется, то с 0 принимается равным верхнему или нижнему пределу (например, если получается с 0 > 2h 0 , то следует принимать с 0 = 2h 0 ).
· Поперечное усилие, воспринимаемое бетоном:
![]()
· Получили Qb < Q , значит бетон не может воспринять всё усилие и поперечная арматура требуется по расчёту.
2-й этап. Найдём шаг поперечной арматуры, необходимой по расчёту.
· Необходимая интенсивность поперечного армирования из ф-лы (82) СНиП [2]:
.
· В соответствии с ф-лой (33) СНиП [2] величина qsw принимается не менее:
,
qsw = 2,707 кН/см > 0,709 кН/см , условие выполняется.
· Требуемый диаметр поперечных стержней из формулы (81) СНиП [2]:
.
В поперечном сечении ригеля устанавливается два каркаса с поперечной арматурой, поэтому принимаем по сортаменту 2 Æ14 А- III (А sw = 3,08 см 2 ).
Условие d ≥ D /3 выполняется: d = 14 мм > 36/3 = 12 мм .
· Максимально допустимый шаг, свыше которого трещины появляются между поперечными стержнями и усилия полностью передаются на бетон:
; условие S
≤ S
max
выполняется.
3-й этап (проверочный). Найдём несущую способность наклонного сечения с принятым армированием.
· Интенсивность поперечного армирования (усилие в поперечных стержнях, отнесённое к единице длины элемента):
.
· Длина проекции опасной наклонной трещины по ф-ле (80) СНиП [2]:
.
· Поперечное усилие, воспринимаемое бетоном:
.
· Поперечное усилие, воспринимаемое арматурой:
Qsw = qsw с 0 = 3,573×75,61 = 270,15 кН .
· Как уже отмечалось, Qb = Qb + Qsw = 270,15 + 270,15 = 540,30 кН > Q = 470,27 кН .
Таким образом, прочность элемента на действие поперечной силы по наклонной трещине обеспечена.
Проверка: поперечные усилия, воспринимаемые бетоном и арматурой, примерно равны (Qb = Qsw ), что подтверждает правильность принятой ранее предпосылки.
4.3.4. Проверка прочности на действие поперечной силы по наклонной полосе между наклонными трещинами
· Коэффициент, учитывающий вид бетона:
jb 1 = 1 – bRb gb 2 = 1 – 0,01×14,5×0,9 = 0,870.
Здесь β = 0,01 для тяжелого бетона; Rb следует брать в МПа .
· Коэффициент приведения площади сечения арматуры к площади сечения бетона (отношение модулей упругости):
![]()
· Коэффициент поперечного армирования сечения:
.
· Коэффициент, учитывающий влияние поперечной арматуры:
;
.
· Условие проверки (ф-ла (72) СНиП [2]):
.
Q = 470,27 кН < 661,21 кН .
· Проверка выполняется, значит, прочность сечения на действие поперечной силы по наклонной полосе между наклонными трещинами обеспечена.
4 Все необходимые расчеты теперь выполнены, и мы размещаем стержни арматуры в соответствии с принятым шагом, показывая их на арматурных чертежах. Это пригодится для следующего расчёта, который будет частично графическим.
4.4. Обрыв продольной арматуры в пролёте
В целях экономии металла часть продольной арматуры (не более 50% расчётной площади) может не доводиться до опор, а обрываться в пролете там, где она уже не требуется согласно расчету прочности элемента по нормальным стержням.
Обрываемые стержни должны быть заведены за место своего теоретического обрыва на некоторую длину заделки w , на протяжении которой для гарантии условия прочности наклонных сечений на действие изгибающего момента отсутствие обрываемых стержней компенсируется поперечной арматурой.
А. Построение эпюры материалов
Вычисляем значение изгибающих моментов, воспринимаемых нормальным сечением железобетонного элемента с полным количеством арматуры (4 стержня) и с уменьшенным её количеством (2 стержня), используя формулу:
М s = Rs As zb = 36,5×As zb ,
где zb – плечо внутренней пары сил (расстояние от равнодействующей усилий в продольной арматуре до равнодействующей усилий в сжатой зоне):
zb = h 0 – 0,5х ,
где х – высота сжатой зоны элемента, определяется из условия равенства равнодействующих усилий в растянутой и сжатой зонах сечения:
.
Результаты расчёта приведены в таблице 4.2.
Таблица 4.2
Определение несущей способности нормальных сечений ригеля
| Армирование |
А s , см 2 |
h 0 , см |
х , см |
zb , см |
Мs , кН ×см |
М , кН ×см |
| 4Æ36 |
40,72 |
65,75 |
45,56 |
42,97 |
63 868 |
60 799 |
| 2Æ36 |
20,36 |
69,5 |
22,78 |
58,11 |
43 185 |
- |
| 4Æ28 |
24,63 |
67,5 |
27,56 |
53,72 |
48 296 |
43 400 |
| 2Æ28 |
12,32 |
70,5 |
13,78 |
63,61 |
28 603 |
- |
| 4Æ25 |
19,63 |
68,5 |
21,96 |
57,52 |
41 212 |
34 098 |
| 2Æ25 |
9,82 |
71 |
10,99 |
65,51 |
23 480 |
- |
В последней графе таблицы приведены расчётные значения изгибающих моментов от внешней нагрузки. Для обеспечения прочности нормального сечения необходимо соблюдение условия: Мs ³ М .
4 Для дальнейшего продолжения расчёта необходимо уже начертить схему поперечного армирования ригеля и эпюры внутренних усилий.
· Найденные значения несущей способности нормального сечения откладываем на эпюре изгибающих моментов от внешних нагрузок. Точки, в которых отложенные ординаты, соответствующие уменьшенному количеству арматуры, пересекаются с эпюрой моментов от внешних нагрузок, являются местами теоретического обрыва продольных стержней . Измеряем координаты этих точек от опор l , соответствующие им значения поперечных сил Q и шага поперечной арматуры S ; заносим эти данные в таблицу 4.3. Наносим штриховку в зонах запаса прочности, в результате получаем так называемую эпюру материалов .
Б. Определение длины заделки арматурных стержней.
· Длина стержня w , на которую он должен быть заведён за место своего теоретического обрыва, определяется из условия обеспечения прочности наклонного сечения на действие изгибающего момента:
, где
D – диаметр продольного стержня; Q – расчётное поперечное усилие в месте теоретического обрыва стержня; qsw – интенсивность поперечного армирования (частично она определена в п. 4.3.3):
,
· Кроме того, из условия обеспечения надежной анкеровки расстояние w принимается не менее 20 диаметров продольного стержня: w ³ 20D ; тогда w max = max {w ; 20×D }.
· Определение длины заделки w продольных арматурных стержней производится в табл. 4.3. Принятая в качестве окончательной длины заделки w max (кратная 50 мм , с округлением в большую сторону) указывается на эпюре материалов. Фактически обрываемый стержень необходимо завести за ближайший продольный стержень на величину не менее диаметра обрываемого стержня D .
Таблица 4.3
Определение длины заделки арматурных стержней
| # |
l , мм (графич.) |
Q , кH (графич.) |
S , см |
qsw , кH/см |
D , см |
w , cм |
20×D , см |
w max , см |
| 1 |
1 200 |
200 |
25 |
3,573 |
3,6 |
46,0 |
72 |
75 |
| 2 |
2 800 |
200 |
25 |
3,573 |
3,6 |
46,0 |
72 |
75 |
| 3 |
500 |
420 |
25 |
3,573 |
2,8 |
72,7 |
64 |
75 |
| 4 |
500 |
360 |
25 |
3,573 |
2,8 |
64,4 |
64 |
65 |
| 5 |
2 600 |
140 |
25 |
3,573 |
2,5 |
32,1 |
50 |
50 |
4.5. Конструктивное армирование ригеля, опорный узел
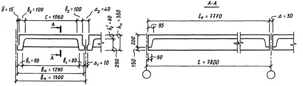
· В соответствии с п. 5.21. СНиП [2] в изгибаемых элементах при высоте сечения h > 700 мм у боковых граней должны ставиться конструктивные продольные стержни с расстояниями между ними по высоте не более 400 мм . Устанавливаем посередине высоты сечения арматурные стержни Æ10А- I . Плоские сварные каркасы К-1 (2 шт.) объединяем в пространственный каркас с помощью горизонтальных поперечных стержней, устанавливаемых через 1,0...1,5 м .
· Стык ригеля и колонны. В верхней части стыка выпуски арматуры из колонны и ригеля соединяются вставкой арматуры на ванной сварке , затем полость стыка замоноличивается. Вставка арматуры повышает точность монтажного соединения в случае нарушения соосности выпусков арматуры. В нижней части стыка монтажными сварными швами соединяются закладные детали колонны и ригеля. Температурный зазор между торцом ригеля и гранью колонны может составлять 60…100 мм .
5. Расчёт и конструирование колонны
5.1. Подбор продольной арматуры
· В колоннах средних рядов здания изгибающие моменты М незначительны, поэтому можно принять, что колонна воспринимает только продольные усилия N и работает в условиях внецентренного сжатия со случайным эксцентриситетом.
4 При действии значительных изгибающих моментов М колонна является внецентренно сжатой с расчётным эксцентриситетом e = M/N.
· Подбор продольной арматуры достаточно провести для наиболее нагруженной колонны 1-го этажа, а в колонных остальных этажей принять его таким же. Расчётное продольное усилие в колонне 1-го этажа: Nk = 3 514 кН (п. 2.4.4).
· Расчётная длина колонны принимается равной высоте этажа: l 0 = Нэ = 4,2 м .
· Классы бетона и арматуры для колонны принимаются такими же, как и у ригеля перекрытия (п. 4.1). Коэффициент длительности действия нагрузки gb 2 = 0,9.
· Продольное армирование колонны назначается из условия прочности, которое имеет вид:
Nk £ j (Rb gb 2 A + Rsc As,tot ),
где j – коэффициент, учитывающий влияние продольного изгиба; принимается по справочной таблице в зависимости от отношения расчётной длины колонны к её ширине: l 0 /hk = 4,2/0,45 = 9,33; тогда коэффициент j = 0,9.
| l 0 /hk |
6…12 |
16 |
20 |
| j |
0,9 |
0,8 |
0,7 |
А – площадь поперечного (бетонного) сечения колонны: A = (bk )2 = 452 = 2025 см 2 .
Rsc – расчётное сопротивление продольной арматуры сжатию; для арматуры класса A-III (А400) Rsc = 365 МПа .
As , tot – суммарная площадь продольной арматуры колонны, которую необходимо определить в результате расчёта.
· Требуемая площадь сечения продольной арматуры As , tot назначается из двух равноправных условий:
4 из условия прочности:
.
4 из условия обеспечения минимального коэффициента армирования
m min = 0,002 (0,2%): As,tot ³ 2A×m min = 2×2025×0,002 = 8,1 см 2 .
· Принимаем по сортаменту As , tot = 40,72 см 2 (4 Æ36 A- III) .
· Устанавливаем 4 арматурных стержня по углам колонны (рис. 5.1).
4 Допускается применять для армирования колонны 6 стержней, однако в данном случае этот вариант является менее выгодным.
5.2. Конструирование поперечной арматуры колонны
· Поперечная арматура в колоннах устанавливается в целях:
1. Образования пространственных каркасов.
2. Предотвращения выпучивания продольных стержней.
3. Сдерживания поперечных деформаций бетона.
· Диаметр поперечной арматуры d назначается из условия свариваемости с продольными арматурными стержнями колонны диаметром D :
d ³ 0,25D = 0,25×36 = 9 мм . Принимаем поперечную арматуру Æ10 A- III .
· Шаг поперечных арматурных стержней не должен превышать
s £ 20D = 20×36 = 720 мм ; s £ 500 мм . Принимаем s = 500 мм (кратно 50 мм ).
· Для усиления концевых участков у торцов колонн дополнительно устанавливаем сетки косвенного армирования из арматуры Æ8 A-I, размер ячеек 50´50 мм . Назначаем 5 сеток с шагом 75 мм.
· Толщина защитного слоя бетона а b для продольной рабочей арматуры колонны (см. рис. 5.1) должна составлять (п. 5.5 СНиП [2]):
4 не менее диаметра стержня: а b ≥ D = 36 мм ,
4 не менее 20 мм : а b ≥ 20 мм .
Требуемое расстояние от наружной грани колонны до центра тяжести продольной арматуры: а ³ а b + 0,5D = 36 + 0,5·36 = 54 мм . Принимаем a = 55 мм , тогда
фактическая толщина защитного слоя: а b = а – 0,5D = 55 – 0,5·36 = 37 мм > 36 мм .
· Толщина защитного слоя бетона а bw для поперечной арматуры колонны должна составлять (п. 5.5 СНиП [2]):
4 не менее диаметра стержня: а bw ≥ d = 10 мм ,
4 не менее 15 мм : а bw ≥ 15 мм .
Фактическая толщина защитного слоя: а bw = а b – d = 37 – 10 = 27 мм > 15 мм .
Таким образом, требования по величине защитного слоя выполнены.
|
|
|
|
|
|
|
|
|
|
|
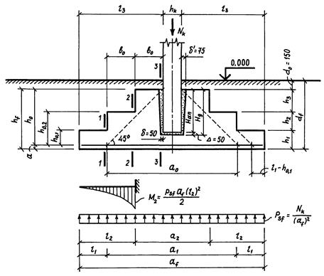
6. Расчёт и конструирование фундамента
· Проектируем отдельный монолитный фундамент мелкого заложения под колонну.
4 Основные понятия: обрез фундамента – это его верхняя грань, подошва фундамента – это нижняя грань, основание – это грунт под подошвой фундамента, глубина заложения подошвы фундамента – это расстояние от наружной поверхности земли до подошвы фундамента.
· Глубина заложения подошвы фундамента назначается исходя из инженерно-геологических условий площадки строительства, климатических воздействий на верхние слои грунта (в том числе условий промерзания грунта), а также конструктивных особенностей возводимого и соседних сооружений и составляет (по заданию) df = 1,3 м .
· Пол 1-го этажа выполняется по грунту. Заглубление обреза фундамента относительно уровня пола 1-го этажа: d 0 = 0,15 м .
· Высота фундамента: hf = df – d 0 = 1,30 – 0,15 = 1,15 м .
· Расчётное сопротивление грунта основания (по заданию):
R 0 = 0,25 МПа = 250 кН /м 2 .
· Средний удельный вес фундамента с грунтом на его уступах: gm = 20 кН /м 3 .
· Классы бетона и арматуры для фундамента принимаются такими же, как и у ригеля перекрытия (п. 4.1). Коэффициент длительности действия нагрузки gb 2 = 0,9.
· Под фундаментом предусматривается бетонная подготовка толщиной 100 мм из бетона класса В3,5 .
· Фундамент под колонну, сжатую со случайным эксцентриситетом, воспринимает в основном только продольную силу, поэтому его можно считать центрально нагруженным. Продольные усилия на уровне верха фундамента допускается принимать такими же, как на уровне пола 1-го этажа (п. 2.4.4):
нормативное усилие Nk . n = 3 123 кН ; расчётное усилие Nk = 3 514 кН .
Центрально нагруженные фундаменты обычно проектируют квадратными в плане.
4 Внецентренно нагруженные колонны и фундаменты проектируют прямоугольными, при этом широкая сторона располагается в плоскости действия изгибающего момента.
· Расчёт фундамента состоит из двух этапов. На первом из них проводится расчёт по несущей способности основания, в результате которого определяется площадь подошвы фундамента Af . На втором этапе выполняется расчёт по несущей способности самого фундамента, на основе которого определяются остальные размеры фундамента и площадь рабочей арматуры As , f .
6.2. Определение площади подошвы фундамента
· Расчёт по несущей способности основания выполняется на действие нормативных нагрузок с учётом веса фундамента и грунта на его уступах. Расчёт производится из условия, что давление под подошвой фундамента pn не должно превышать расчётное сопротивление грунта основания R 0 :
.
· Тогда требуемая площадь подошвы фундамента:
.
· Необходимый размер стороны подошвы квадратного в плане фундамента:
, принимаем af
= 3,8 м
= 3800 мм
(кратно 100 мм
).
· Фактическая площадь подошвы фундамента: Af = 3802 = 144 400 см 2 .
· Расчёт по несущей способности конструкции самого фундамента выполняется на действие расчётных нагрузок без учёта веса фундамента и грунта на его уступах. Напряжения под подошвой фундамента в этом случае:
.
6.3. Определение основных размеров фундамента
· Высота фундамента hf = 1,15 м > 0,90 м , поэтому проектируем фундамент трёхступенчатым. Размеры ступеней назначаются таким образом, чтобы внутренние грани ступеней не пересекали прямую, проведённую под углом 45° к грани колонны на уровне верха фундамента (рис. 6.1). Указанная прямая определяет границы так называемой пирамиды продавливания .
|
|
|
|
Определение высоты ступеней
· Высота ступеней назначается кратной 50 мм . Принимаем высоту первой (нижней) и второй (средней) ступеней h 1 = h 2 = 350 мм , а третьей (верхней) ступени h 3 = 450 мм .
· Принимаем расстояние от нижней грани фундамента до центра тяжести растянутой арматуры подошвы а = 5 см , тогда рабочая высота фундамента:
h 0 = hf – a = 115 – 5 = 110 см .
· Рабочая высота первой и второй ступеней:
h 0,1 = h 1 – a = 35 – 5 = 30 см ; h 0,2 = h 1 + h 2 – a = 35 + 35 – 5 = 65 см .
Определение глубины заделки колонны в фундаменте
· Сборные колонны соединяют с фундаментами путём их заделки в специальные гнёзда (стаканы), оставляемые в фундаментах при бетонировании.
· Глубина заделки колонны в фундаменте Han должна быть не менее:
Han ³ 1,4hk = 1,4×450 = 630 мм ; Han ³ 25D = 25×36 = 900 мм ;
здесь D – диаметр продольной арматуры колонны.
· Принимаем Han = 900 мм , предусматриваем зазор между нижней гранью колонны и дном стакана D = 50 мм , тогда глубина стакана: Hg = Han + D = 900 + 50 = 950 мм .
· Толщина дна стакана должна быть не менее 200 мм :
tg = hf – Hg = 1150 – 950 = 200 мм = tg,min = 200 мм . Условие выполняется.
Определение размеров ступеней в плане
· Определяем минимальные размеры ступеней из условия работы фундамента на продавливание:
a 2 ³ hk + 2h 3 = 450 + 2×450 = 1350 мм ;
a 1 ³ hk + 2(h 2 + h 3 ) = 450 + 2×(350 + 450) = 2050 мм .
· Назначаем ширину выноса верхней ступени b 3 = 555 мм (для всех случаев), тогда ширина верхней ступени составит:
a 2 = hk + 2b 3 = 450 + 2×555 = 1560 мм > 1350 мм ,
а ширину выноса средней b 2 и нижней b 3 ступени – примерно одинаковой:
b 2 » b 3 » (af – a 2 )/4 = (3800 – 1560)/4 = 560 мм .
· Принимаем b 2 = 555 мм и b 3 = 565 мм , тогда ширина средней ступени составит:
a 1 = a 2 + 2b 2 = 1560 + 2×555 = 2670 мм > 2050 мм .
· Консольные вылеты ступеней:
l 1 = b 3 = 565 мм ; l 2 = b 3 + b 2 = 565 + 555 = 1120 мм ;
l 3 = b 2 + b 3 + b 1 = 565 + 555 + 555 = 1675 мм .
· Назначаем зазоры между стенками стакана и гранями колонны: сверху d¢ = 75 мм , снизу d = 50 мм .
6.4. Расчёт фундамента на продавливание
· Условие расчёта фундамента на продавливание имеет вид (формула (107) СНиП [2]):
F £ a Rbt gb 2 um h 0 ,
где a – коэффициент, учитывающий вид бетона; для тяжелого бетона a = 1,00;
um ×h 0 – площадь боковой поверхности пирамиды продавливания; сторона верхнего основания пирамиды равна ширине колонны hk , сторона нижнего основания
a 0 = hk + 2h 0 = 45 + 2×110 = 265 см ;
um – среднеарифметическое между периметрами верхнего и нижнего основания пирамиды продавливания:
um = (4hk + 4a 0 )/2 = 4(hk + h 0 ) = 4×(45 + 110) = 620 см;
F – продавливающая сила, равная разности усилий, приложенных к верхнему и нижнему основаниям пирамиды продавливания:
F = Nk – psf ×(a 0 )2 = 3 514 – 0,025×(265)2 = 1 758 кН > 0.
4 Если F < 0, то основание пирамиды продавливания выходит за пределы подошвы фундамента и продавливания не происходит.
Предельное усилие, которое может воспринять фундамент из условия работы на продавливание:
Fult = a Rbt gb 2 um h 0 = 1,00×0,105×0,9×620×110 = 6445 кН > F = 1758 кН .
Проверка выполняется.
6.5. Проверка прочности плиты по наклонному сечению
· Рабочая высота нижней ступени фундамента должна соответствовать условию прочности бетона по наклонному сечению на действие поперечной силы при отсутствии поперечного армирования в сечении, начинающемся на нижней границе пирамиды продавливания для первой ступени.
Условие расчёта имеет вид: Q £ Qb , min , где
Q – поперечное усилие в конце наклонного сечения, вызванное реактивным давлением грунта:
Q = psf ×af ×(l 1 – h 0,1 ) = 0,025×380×(56,5 – 30) = 251,75 кН ,
Qb , min – минимальное поперечное усилие, воспринимаемое бетоном в наклонном сечении:
Qb,min = 0,6×Rbt ×gb 2 ×af ×h 0,1 = 0,6×0,105×0,9×380×30 = 646,38 кН > Q = 251,75 кН ,
поэтому прочность плиты по наклонному сечению обеспечена.
6.6. Подбор арматуры подошвы фундамента
· Под действием реактивного давления грунта psf ступени фундамента работают на изгиб как консольные элементы (см. рис. 6.1). Растягивающие усилия воспринимает продольная арматура, расположенная возле подошвы фундамента. Подбор продольной арматуры производится для сечений, проходящих по грани средней ступени (1-1), по грани верхней ступени (2-2) и по грани колонны (3-3).
· Расчётный изгибающий момент в каждом исследуемом сечении определяется как в консоли вылетом li :
.
· Плечо внутренней пары сил при расчёте фундамента допускается принимать равным zb = 0,9h 0 . Тогда требуемая площадь сечения арматуры составит:
,
где для арматуры класса А-III расчётное сопротивление Rs = 36,5 кН /см 2 .
· Расчёт требуемой площади арматуры для трёх сечений приведён в табл. 6.1.
Таблица 6.1.
Определение площади арматуры подошвы фундамента
| Сечение i |
ai см |
h 0,i см |
li cм |
Mi кН ×см |
As,i см 2 |
| 1 |
а 1 = 267 |
30 |
56,5 |
15 163 |
15,39 |
| 2 |
а 2 =156 |
65 |
112,0 |
59 584 |
27,90 |
| 3 |
hk = 45 |
110 |
167,5 |
133 267 |
36,88 |
· Фундаментные плиты армируют по подошве сварными сетками; диаметр арматуры составляет 10…16 мм , шаг стержней s = 100…200 мм .
· Применим для армирования сетку с ячейками 100´100 мм , расстояние от вертикальной грани подошвы до первого стержня назначим равным 50 мм . Тогда в каждом направлении сетка будет состоять из af /100 = 3800/100 = 38 стержней.
· Требуемая площадь одного стержня: As ,1 ³ 36,88/38 = 0,97 см 2 .
Принимаем в итоге по сортаменту 38 Æ12 А -III , шаг s = 100 мм ;
площадь одного стержня А s ,1 = 1,131 см 2 , всех стержней А s , f = 38 А s ,1 = 42,98 см 2 .
· Толщина защитного слоя бетона фундамента ab должна быть выше минимально допустимой ab , min (при наличии подготовки под фундаментом ab , min = 35 мм ):
ab = a – 0,5D = 50 – 0,5×12 = 44 мм > ab ,min = 35 мм . Условие выполняется.
· Процент армирования (для сечения 1-1):
.
· В пределах глубины стакана дополнительно предусматриваем 5 сеток конструктивного поперечного армирования из стержней Æ8A-I, устанавливаемых с шагом s = 150 мм , причём верхняя сетка находится на расстоянии s 0 = 50 мм от верха стакана.
Список литературы
1. СНиП 2.01.07 – 85*. Нагрузки и воздействия. / Госстрой России. – М.: ФГУП ЦПП, 2004. – 44 с.
2. СНиП 2.03.01 – 84*. Бетонные и железобетонные конструкции. / Госстрой России. – М.: ФГУП ЦПП, 2001. – 76 с.
3. СНиП 52 -01 -2003. Бетонные и железобетонные конструкции. Основные положения. – М.: ФГУП ЦПП, 2004. – 24 с.
4. Строительные конструкции : Учебник для ВУЗов / Под ред. В.Н. Байкова и Г.И. Попова. – М.: Высш. шк., 1986. – 543 с.
5. Строительные конструкции: Учебник для ВУЗов / В.П. Чирков, В.С. Фёдоров, Я.И. Швидко, М.В. Шавыкина и др. Под ред. В.П. Чиркова. – М.: ГОУ «Учебно-методический центр по образованию на железнодорожном транспорте», 2007. – 448 с.
6. Байков В .Н., Сигалов Э.Е. Железобетонные конструкции. Общий курс: Учебник для ВУЗов. – М.: Стройиздат, 1991. – 767 с.
7. Бондаренко В.М., Римшин В.И. Примеры расчёта железобетонных и каменных конструкций: Учеб. пособие. – М.: Высш. шк., 2006. – 504 с.
8. Тимофеев Н.А. Проектирование несущих железобетонных конструкций многоэтажного промышленного здания: Метод. указания к курсовой работе и практическим занятиям для студентов спец. «Строительство ж. д., путь и путевое хозяйство». – М.: МИИТ, 2004. – 48 с.
Графическая часть и спецификации
Лист 1. План и поперечный разрез здания (М 1:200).
Лист 2. Армирование панели перекрытия (М 1:10).
Лист 3. Армирование ригеля перекрытия (М 1:50),
конструктивное решение опорного узла (М 1:20)
Лист 4. Армирование фундамента под колонну (М 1:50).

|
|
|
|
|
|
|
|
|
|
|
ПРИМЕЧАНИЯ:
1. Бетон тяжёлый класса В40. Передаточная прочность при обжатии 20 МПа.
2. Натяжение напрягаемой арматуры электротермическим способом на упоры. Контролируемое значение предварительного напряжения 800 МПа.
|
|
|
|
|
|
|
|
|

|
|
|
|
|
|
|
|
|
Спецификация арматуры на ригель и фундамент

Приложения
Характеристики панелей и ригелей перекрытия
| Пролёт L , м |
Характеристики панели перекрытия |
Характеристики ригеля перекрытия |
|||||||
| высота |
номинальная ширина |
число панелей по длине пролёта |
шаг поперечной арматуры, мм |
высота |
ширина |
шаг поперечной арматуры, мм |
|||
| hn , мм |
bn , мм |
S 1 |
S 2 |
hr , мм |
br , мм |
S 1 |
S 2 |
||
| 6 |
300 |
1 200 |
5 |
150 |
200 |
600 |
200 |
200 |
450 |
| 6,6 |
300 |
1 100 |
6 |
150 |
200 |
650 |
250 |
200 |
450 |
| 7,2 |
350 |
1 200 |
6 |
150 |
250 |
700 |
250 |
200 |
500 |
| 7,8 |
350 |
1 300 |
6 |
150 |
250 |
750 |
250 |
250 |
500 |
| 8,4 |
400 |
1 400 |
6 |
150 |
300 |
800 |
300 |
250 |
500 |
| 9 |
450 |
1 500 |
6 |
150 |
300 |
850 |
300 |
250 |
500 |
Нормативные и расчётные сопротивления бетона, начальные модули упругости
| Класс бетона |
Средняя прочность при сжатии |
Сопротивления при сжатии |
Сопротивления при растяжении |
Начальный модуль упругости |
||
| нормативное |
расчётное |
нормативное |
расчётное |
|||
| В |
М, кг/см2 |
Rbn, МПа |
Rb, МПа |
Rbtn, МПа |
Rbt, МПа |
Eb, МПа |
| В15 |
197 |
11,0 |
8,5 |
1,10 |
0,75 |
24 000 |
| В20 |
262 |
15,0 |
11,5 |
1,35 |
0,90 |
27 500 |
| В25 |
327,5 |
18,5 |
14,5 |
1,55 |
1,05 |
30 000 |
| В30 |
393 |
22,0 |
17,0 |
1,75 |
1,15 |
32 500 |
| В35 |
459 |
25,5 |
19,5 |
1,95 |
1,30 |
34 500 |
| В40 |
524 |
29,0 |
22,0 |
2,10 |
1,40 |
36 000 |
| В45 |
590 |
32,0 |
25,0 |
2,25 |
1,50 |
37 000 |
| В50 |
655 |
36,0 |
27,5 |
2,45 |
1,60 |
38 000 |
| В55 |
721 |
39,5 |
30,0 |
2,60 |
1,70 |
39 000 |
| В60 |
786,5 |
43,0 |
33,0 |
2,75 |
1,80 |
39 500 |
Характеристики горячекатаной, проволочной и канатной арматуры
| Обозначение классов арматуры |
Номинальный диаметр, мм |
Нормативное сопротивление |
Расчётное сопротивление |
|||
| новое |
прежнее |
растяжению |
сжатию |
поперечной арматуры |
||
| СНиП 52-01-04 |
СНиП 2.03.01-84* |
Rsn, МПа |
Rs, МПа |
Rsc, МПа |
Rsw, МПа |
|
| А240 |
A-I |
6…40 |
240 |
215 |
215 |
170 |
| А300 |
A-II |
10…40 |
300 |
270 |
270 |
215 |
| А400 |
A-III |
6…40 |
400 |
355 |
355 |
285 |
| А500 |
- |
6…40 |
500 |
435 |
400 |
300 |
| В500 |
Bp-I |
3…12 |
500 |
415 |
360 |
300 |
| А540 |
A-IIIв |
20…40 |
540 |
450 |
200 |
- |
| А600 |
A-IV |
10…40 |
600 |
520 |
400 |
- |
| А800 |
A-V |
10…40 |
800 |
695 |
400 |
- |
| А1000 |
A-VI |
10…40 |
1000 |
830 |
400 |
- |
| Вр1200 |
Bp-II |
8 |
1200 |
1000 |
400 |
- |
| Вр1300 |
Bp-II |
7 |
1300 |
1070 |
400 |
- |
| Вр1400 |
Bp-II |
4; 5; 6 |
1400 |
1170 |
400 |
- |
| Вр1500 |
Bp-II |
3 |
1500 |
1250 |
400 |
- |
| К1400 |
К-7 |
15 |
1400 |
1170 |
400 |
- |
| К1500 |
К-7 |
6; 9; 12 |
1500 |
1250 |
400 |
- |
| К1500 |
К-19 |
14 |
1500 |
1250 |
400 |
- |
Сортамент стержневой и проволочной арматуры
Площади поперечных сечений проволочной и стержневой арматуры
| Диаметр, мм |
Расчётная площадь поперечного сечения, см2 при числе стержней |
Масса 1 м длины, кг |
|||||
| 1 |
2 |
3 |
4 |
5 |
6 |
||
| 3 |
0,071 |
0,141 |
0,212 |
0,283 |
0,353 |
0,424 |
0,052 |
| 4 |
0,126 |
0,251 |
0,377 |
0,502 |
0,628 |
0,754 |
0,092 |
| 5 |
0,196 |
0,393 |
0,589 |
0,785 |
0,982 |
1,178 |
0,144 |
| 6 |
0,283 |
0,57 |
0,85 |
1,13 |
1,41 |
1,70 |
0,222 |
| 8 |
0,503 |
1,01 |
1,51 |
2,01 |
2,51 |
3,02 |
0,395 |
| 10 |
0,785 |
1,57 |
2,36 |
3,14 |
3,93 |
4,71 |
0,617 |
| 12 |
1,131 |
2,26 |
3,39 |
4,52 |
5,65 |
6,79 |
0,888 |
| 14 |
1,539 |
3,08 |
4,62 |
6,16 |
7,69 |
9,23 |
1,208 |
| 16 |
2,011 |
4,02 |
6,03 |
8,04 |
10,05 |
12,06 |
1,578 |
| 18 |
2,545 |
5,09 |
7,63 |
10,18 |
12,72 |
15,27 |
1,998 |
| 20 |
3,142 |
6,28 |
9,42 |
12,56 |
15,71 |
18,85 |
2,466 |
| 22 |
3,801 |
7,60 |
11,40 |
15,20 |
19,00 |
22,81 |
2,984 |
| 25 |
4,909 |
9,82 |
14,73 |
19,63 |
24,54 |
29,45 |
3,840 |
| 28 |
6,158 |
12,32 |
18,47 |
24,63 |
30,79 |
36,85 |
4,830 |
| 32 |
8,043 |
16,09 |
24,13 |
32,17 |
40,21 |
48,26 |
6,310 |
| 36 |
10,179 |
20,36 |
30,54 |
40,72 |
50,89 |
61,07 |
7,990 |
| 40 |
12,566 |
25,13 |
37,70 |
50,27 |
62,83 |
75,40 |
9,865 |
Диаметры прокатываемой арматуры
| Диаметр, мм |
Стержневая горячекатаная арматура |
Проволочная арматура |
|||||||||
| А240 A-I |
А300 A-II |
А400 A-III |
А500 |
А600 A-IV |
А800 A-V |
А1000 A-VI |
Aт-VII |
В500 Вр-I |
Вр-II |
В-II |
|
| 3 |
+ |
+ |
+ |
||||||||
| 4 |
+ |
+ |
+ |
||||||||
| 5 |
+ |
+ |
+ |
||||||||
| 6 |
+ |
- |
+ |
+ |
+ |
+ |
+ |
||||
| 8 |
+ |
- |
+ |
+ |
+ |
+ |
+ |
||||
| 10 |
+ |
+ |
+ |
+ |
+ |
+ |
+ |
+ |
+ |
||
| 12 |
+ |
+ |
+ |
+ |
+ |
+ |
+ |
+ |
+ |
||
| 14 |
+ |
+ |
+ |
+ |
+ |
+ |
+ |
+ |
|||
| 16 |
+ |
+ |
+ |
+ |
+ |
+ |
+ |
+ |
|||
| 18 |
+ |
+ |
+ |
+ |
+ |
+ |
+ |
+ |
|||
| 20 |
+ |
+ |
+ |
+ |
+ |
+ |
+ |
+ |
|||
| 22 |
+ |
+ |
+ |
+ |
+ |
+ |
+ |
+ |
|||
| 25 |
+ |
+ |
+ |
+ |
+ |
+ |
+ |
+ |
|||
| 28 |
+ |
+ |
+ |
+ |
+ |
+ |
+ |
+ |
|||
| 32 |
+ |
+ |
+ |
+ |
+ |
+ |
+ |
||||
| 36 |
+ |
+ |
+ |
+ |
|||||||
| 40 |
+ |
+ |
+ |
+ |
|||||||
Приложение 3
Размещение арматуры в каркасах и сетках панелей
| Пролёт панели l , м |
Конструктивная длина панели lk , мм |
Размещение арматуры по длине каркаса К-1, мм |
Общая длина стержня, мм |
| 6 |
5 970 |
25 + 2×100 + (150×9 = 1350) + (200×14 = 2800) + (150×9 = 1350) + 2×100 + 25 |
5 950 |
| 6,6 |
6 570 |
25 + (150×11 = 1650) + (200×16 = 3200) + (150×11 = 1650) + 25 |
6 550 |
| 7,2 |
7 170 |
25 + (150×12 = 1800) + (250×14 = 3500) + (150×12 = 1800) + 25 |
7 150 |
| 7,8 |
7 770 |
50 + (150×13 = 1950) + (250×15 = 3750) + (150×13 = 1950) + 50 |
7 750 |
| 8,4 |
8 370 |
25 + 100 + (150×14 = 2100) + (300×13 = 3900) + (150×14 = 2100) + 100 + 25 |
8 350 |
| 9 |
8 970 |
25 + 100 + (150×15 = 2250) + (300×14 = 4200) + (150×15 = 2250) + 100 + 25 |
8 950 |
| Пролёт панели l , м |
Размещение арматуры по длине каркаса К-2, мм |
Общая длина стержня, мм |
Размещение арматуры по высоте каркаса К-1, мм |
Общая длина стержня, мм |
| 6 |
30 + (200×5 = 1000) + 30 |
1 060 |
10 + 260 + 10 |
280 |
| 6,6 |
30 + (150×6 = 900) + 30 |
960 |
10 + 260 + 10 |
280 |
| 7,2 |
30 + (200×5 = 1000) + 30 |
1 060 |
10 + 310 + 10 |
330 |
| 7,8 |
30 + 150 + (200×4 = 800) + 150 + 30 |
1 160 |
10 + 310 + 10 |
330 |
| 8,4 |
30 + (200×6 = 1200) + 30 |
1 260 |
10 + 360 + 10 |
380 |
| 9 |
30 + 150 + (200×5 = 1000) + 150 + 30 |
1 360 |
10 + 410 + 10 |
430 |
| Пролёт панели l , м |
Размещение арматуры по длине сеток С-1 и С-2, мм |
Общая длина стержня, мм |
Размещение арматуры по ширине сетки С-1, мм |
Общая длина стержня, мм |
| 6 |
50 + (200×29 = 5 800) + 50 |
5 900 |
50 + (150×6 = 900) + 50 |
1 000 |
| 6,6 |
50 + (200×32 = 6 400) + 50 |
6 500 |
50 + (200×4 = 800) + 50 |
900 |
| 7,2 |
50 + (200×35 = 7 000) + 50 |
7 100 |
50 + (150×6 = 900) + 50 |
1 000 |
| 7,8 |
50 + (200×38 = 7 600) + 50 |
7 700 |
50 + (200×5 = 1000) + 50 |
1 100 |
| 8,4 |
50 + (200×41 = 8 200) + 50 |
8 300 |
50 + 150 + (200×4 = 800) + 150 + 50 |
1 200 |
| 9 |
50 + (200×44 = 8 800) + 50 |
8 900 |
50 + (200×6 = 1200) + 50 |
1 300 |
Размещение арматуры в каркасах ригелей
| Пролёт ригеля L , м |
Конструктивная длина ригеля Lk , мм |
Размещение арматуры по длине каркаса крайнего ригеля, мм |
Общая длина стержня, мм |
| 6 |
5 965 |
40 + 200 + (200×7 = 1400) + (450×6 = 2700) + (200×7 = 1400) + 100 + 60 + 45 |
5 945 |
| 6,6 |
6 565 |
40 + 50 + (200×8 = 1600) + (450×7 = 3150) + (200×8 = 1600) + 60 + 45 |
6 545 |
| 7,2 |
7 165 |
40 + 200 + (200×8 = 1600) + (500×7 = 3500) + (200×8 = 1600) + 100 + 60 + 45 |
7 145 |
| 7,8 |
7 765 |
40 + 100 + (250×8 = 2000) + (500×7 = 3500) + (250×8 = 2000) + 60 + 45 |
7 745 |
| 8,4 |
8 365 |
40 + 200 + (250×8 = 2000) + (500×8 = 4000) + (250×8 = 2000) + 60 + 45 |
8 345 |
| 9 |
8 965 |
40 + 200 + (250×9 = 2250) + (500×8 = 4000) + (250×9 = 2250) + 100 + 60 + 45 |
8 945 |
| Пролёт ригеля L , м |
Lk , мм |
Размещение арматуры по длине каркаса среднего ригеля, мм |
Общая длина стержня, мм |
| 6 |
5 430 |
40 + 60 + 80 + (200×7 = 1400) + (450×5 = 2250) + (200×7 = 1400) + 80 + 60 + 40 |
5 410 |
| 6,6 |
6 030 |
40 + 60 + 180 + (200×8 = 1600) + (450×5 = 2250) + (200×8 = 1600) + 180 + 60 + 40 |
6 010 |
| 7,2 |
7 630 |
45 + 60 + 150 + (200×9 = 1800) + (500×5 = 2500) + (200×9 = 1800) + 150 + 60 + 45 |
7 610 |
| 7,8 |
7 230 |
45 + 60 + (250×8 = 2000) + (500×6 = 3000) + (250×8 = 2000) + 60 + 45 |
7 210 |
| 8,4 |
8 830 |
45 + 60 + 50 + (250×9 = 2250) + (500×6 = 3000) + (250×9 = 2250) + 50 + 60 + 45 |
8 810 |
| 9 |
8 430 |
45 + 60 + 100 + (250×9 = 2250) + (500×7 = 3500) + (250×9 = 2250) + 100 + 60 + 45 |
8 410 |


