| Скачать .docx |
Курсовая работа: Расчет и проектирование фундаментов мелкого заложения и свайных фундаментов
МИНИСТЕРСТВО ОБРАЗОВАНИЯ И НАУКИ УКРАИНЫ
ПРИДНЕПРОВСКАЯ АКАДЕМИЯ СТРОИТЕЛЬСТВА И АРХИТЕКТУРЫ
Кафедра Основания и фундаменты
Курсовой проект
«Расчет и проектирование фундаментов мелкого заложения и
свайных фундаментов».
Выполнил студент 808 группы
Проверил ассистент
Днепропетровск
2007
И сходные данные
(вариант 1/25)
Длина здания 48 м
Ширина здания 27 м
Количество пролётов 3
Ширина пролётов ---
АБ 9 м
БВ 6 м
ВГ 12 м
Количество этажей 5
Высота этажа 3,6 м
Шаг колонн по рядам ---
А 6 м
Б 12 м
В 12 м
Г 6 м
Вид колонн (материал) ЖБК
Сечение колонн (база) 0,4 х 0,4 м
Нагрузка на фундаменты 10 кН/м3
Ряд А
N 2500 кН
Mx 290 кН/м3
Mу 120 кН/м3
Ряд Б:
N 4500 кН
Mx 350 кН/м3
Mу 160 кН/м3
Ряд В:
N 5400 кН
Mx 420 кН/м3
Mу 90 кН/м3
Ряд Г:
N 3500 кН
Mx 470 кН/м3
Mу 45 кН/м3
Планировочная отметка – 0,15 м
Отметка пола подвала ---
Район строительства г.Днепропетровск
Здание (тип) неотапливаемое
Физико-механические свойства грунтов
Таблица 1
| Наименование грунта |
Мощность слоя, м |
с, кН/м3 |
сs, кН/м3 |
W, |
Wl, |
Wp, |
ц , ˚ |
c, кг/см2 |
м |
Кф, см/сек |
Р, кг/см2 |
S, м |
|||
| Чернозем |
0.8 - 0.9 |
1,66 |
- |
0,14 |
- |
- |
- |
- |
- |
- |
- |
- |
|||
| Песок мелкозернистый |
6,0 - 5.6 |
1,93 |
2,65 |
0,2 |
- |
- |
- |
- |
0,27 |
- |
- |
- |
|||
| Супесь пылеватая |
4,5-3,8 |
1,5 |
2,66 |
0,21 |
0,2 |
0,2 |
17 |
7,0 |
0,3 |
0,1 |
0,62 |
||||
| 0,2 |
1,22 |
||||||||||||||
| 0,3 |
1,83 |
||||||||||||||
| 0,4 |
2,8 |
||||||||||||||
| Глина четвертичная |
неогрн. |
1,98 |
2,74 |
0,23 |
0,4 |
0,2 |
- |
- |
0.43 |
- |
- |
- |
|||
| Ур.Гор.Вод. 2,0 м |
|||||||||||||||
Анализ инженерно-геологических условий площадки
Геологический разрез

По основным физическим характеристикам и классификационным показателям грунтов площадки определяются физико-механические характеристики грунтов площадки, обеспечивающие возможность определения расчетного сопротивления и деформации оснований, а именно:
1) песчаного грунта:
- коэффициент пористости е
где
- плотность минеральных частиц
W - природная влажность
- природная плотность
- степень влажности грунта
![]()
2) супеси пылеватой
- коэффициент пористости е
3) глина четвертичная
- коэффициент пористости е
- число пластичности грунта по значениям влажностей на пределе текучести и раскатывания
Ip = Wl - Wp = 0,4 – 0,2 = 0,2
- показатель текучести грунта
![]()
По вычисленным физико-механическим характеристикам и классификационным показателям грунта по табл.1 прил.1 СНиП 2.02.01-83 определяются прочностные и деформационные характеристики грунта С, j, Е,
Все вычисленные и определенные физико-механические характеристики грунтов заносятся в сводную таблицу физико-механических характеристик грунтов площадки.
Таблица 2
|
|
|
C, кПа |
j |
E, Мпа |
|
| Чернозем |
16,6 |
- |
- |
- |
- |
| Песок мелкозернистый |
19,3 |
26,5 |
2 |
32 |
28 |
| Супесь пылеватая |
15 |
26,6 |
7 |
17 |
9,52 |
| Глина четвертичная |
19,8 |
27,4 |
61 |
19,5 |
22,5 |
I . Проектирование фундамента мелкого заложения на естественном основании
1. Выбор глубины заложения фундамента
Глубина заложения фундамента зависит от:
- климатического района строительства (глубины промерзания грунта);
- технологических особенностей проектируемого здания (наличия подвалов, технологических каналов, расположенных в подземной части здания, технологических отстойников, водящих боровов, подводящих трубопроводов и др.);
- конструктивных особенностей проектируемого здания или сооружения;
- фактора инженерно-геологических условий.
1.1. С учетом глубины промерзания глубина заложения фундамента назначается по расчетной схеме глубины сезонного промерзания грунта df, которая устанавливается следующим образом:
Нормативная глубина сезонного промерзания грунта определяется по формуле:
м,
где Mt - безразмерный коэф., численно равный сумме абсолютных значений среднемесячных отрицательных температур за зиму в данном районе по СНиП 2.01.01-82 "Строительная климатология и геофизика" (для Днепропетровска Mt = -13,3).
d0 - величина в метрах, принимаемая равной:
· для суглинков и глин - 0,23
· для супесей, песков мелких и пылеватых - 0,25
· для песков средней крупности, крупных и гравелистых - 0,30
· для крупнообломочных грунтов - 0,34
Расчетная глубина сезонного промерзания грунта определяется: (м)
![]()
где kh - коэф., учитывающий влияние теплового режима сооружения принимаемый 0,8.
Глубина заложения фундаментов по первому фактору (глубине промерзания):
м
1.2. С учетом технологических особенностей проектируемого здания глубина заложения фундамента должна назначаться на 0,5 м ниже отметки технологических подвалов, т.е:
![]()
где dn - отметка пола подвала или пола технологического пространства проектируемого объекта.
Подвала в данном здании нет.
1.3. С учетом конструктивных особенностей здания глубину заложения фундамента рекомендуется назначать в зависимости от действующих нагрузок и принимать при
1000 < g < 2000 кH d = 1,5 м
2000 < g < 3000 кН d = 2,0 м
3000 < g < 5000 кН d = 2,5 м
g > 5000 кН d = 3,0 м (при N = 5400 кН)
1.4. При анализе инженерно-геологических условий учитывают следующие факторы:
· фундамент должен быть заглублён в несущий слой грунта минимум на 0,5 м;
· фундамент должен прорезать верхние слои слабого грунта;
· под подошвой фундамента нельзя оставлять тонкий слой несущего грунта.
Вывод: Исходя из анализа инженерно-геологических условий, конструктивных особенностей здания, принимаем глубину заложения фундамента
![]()
При этом несущим слоем является песок мелкозернистый с характеристиками: C = 2 кПа, E = 28 МПа, ц = 32˚,
=19,3 кН/м3.
2. Расчет площади подошвы с проверкой контактных напряжений
Предварительно размеры фундамента в плане определяются по краевому расчетному сопротивлению R кр. при ширине фундамента b = 1м:
(1)
где
- коэффициенты условий работы оснований (
) и сооружений (
) принимаются по табл.3 СНиП 2.02.01-83; ![]()
К – коэффициент, принимаемый равным 1, если прочностные характеристики грунта (j и С) определены непосредственными испытаниями, К = 1,1, если j и С приняты по табл.1-3 прил.1 СНиП 2.02.01-83 "Основания зданий и сооружений";
- коэффициенты, принимаемые по табл.4 СНиП 2.02.01-83 ![]()
kz – коэффициент влияния площади фундамента. Для фундаментов шириной
b < 10м, кz = 1
b > 10м, кz = Z0/ b+0,2 (Z0 = 8,0 м)
b - ширина фундамента (принятая нами b = 1м)
- расчетное значение удельного веса грунтов залегающих ниже подошвы фундамента;
- расчетное значение удельного веса грунтов залегающих выше подошвы фундамента,
кН/м3
- удельные весы грунтов, залегающих выше подошвы фундамента (см. рис.)
CII - расчетное значение удельного сцепления грунта, залегающего непосредственно под подошвой фундамента;
d1 - глубина заложения фундаментов без подвальных зданий (помещений) от уровня планировки или приведенная глубина заложения наружных и внутренних фундаментов от пола подвала, определяемая по формуле (если нет подвала, то d1 = d):
![]()
hs - толщина слоя грунта выше подошвы фундамента со стороны подвала, м;
hcf - толщина пола подвала, м.
- удельный вес конструкции пола подвала.
dв - глубина подвала - расстояние от уровня планировки до пола.
Определяется площадь фундамента в первом приближениям по формуле:
![]()
По определенной площади фундамента вычисляются размеры фундамента в плане:
где б- соотношение сторон фундамента (
= l/b) или сторон сечения колонны или сооружения. По вычисленным размерам фундамента в плане устанавливается сопротивление грунта основания по формуле (1):
![]()
![]()
I. 1) При b = 1 м, R = 514,27 кПа
2) A =
м2
3)
м
4)
![]()
II. 1) При b = 3,45 м, R = 596,6 кПа
2) A =
м2
3)
м
![]()
III. 1) При b = 3,17 м, R = 587,26 кПа
2) A =
м2
3)
м
![]()
Прекращаем подбор.
Вычисленные размеры фундамента в плане округляют в большую сторону до кратных 0,1м для гражданских зданий, т.е. принимаем b = 3,2 м, а l = 3,2 м, соответственно A =
м2 R = 587,26 кПа.
2.1 Проверяем контактные напряжения.
1.
; ![]()
2. Проверяются контактные напряжения по подошве фундаментов по условию:
кПа
кПа
![]()
![]()
N, Mx, My - усилия, передаваемые на фундамент от сооружения (по заданию или расчету рамы)
Wx, Wy - момент сопротивления подошвы фундамента
м3
3. Конструирование фундамента
По заданию вид колонны – железобетонная, размерами 0,4 х 0,4 м.
3.1. Тип фундамента назначают из условия жесткости
мм
мм
Фундамент принимаем с подколонником.
3.2. Размеры подколонника в плане назначаются конструктивно и принимаются равными:
bпк= bк+0,6=0,4+0,6=1 м
lпк=lк+0,6 = 0,4+0,6 =1 м
Для выбранного типа фундаментов определяется высота конструкции фундамента или его плитной части по формуле:
,
м
где ![]()
l, b – размеры подошвы фундамента в плане;
- размеры сечения колоны (по заданию).
- расчётное сопротивление бетона на растяжение, кПа;
- среднее давление подошвы фундамента, кПа.
Реальная высота (с учётом защитного слоя) вычисляется по формуле:
![]()
Принимаем оптимальную высоту, равную 900 мм (кратную 150 мм)
При данной высоте конструктивно целесообразно установить 3 ступени по – 300 мм.
4. Расчет фундамента на продавливание
Проверяем условие жесткости конструкции фундамента по условию:
![]()
![]()
- фундамент гибкий.
Продавливание происходит по поверхности усеченной пирамиды, верхним основанием которой является нижнее сечение основание подколонника или колонны, а грани расположены под углом 45°
![]()
![]()
![]()
где: Aтр – площадь поверхности грани пирамиды продавливания;
Aпр – площадь продавливания – площадь подошвы фундамента за пределами пирамиды продавливания.
кПа – расчетное сопротивление бетона на растяжение.
м2
м2
где
м
кН
кн.
- условие выполняется.

5. Армирование конструкций фундамента (расчёт на изгиб)
При определении усилий в конструкции фундамента (подошвы фундамента) в заданном сечении, за расчетную схему принимается консольная балка с жесткой заделкой в заданном сечении - оставшейся части фундамента, на которую действует нагрузка.
Подбор рабочей арматуры производим по двум сторонам:

Сечение 1-1
кПа
кНм
![]()
см2
Площадь сечения одного стержня:
см2
Из сортамента выбираем арматуру диаметром 12 мм с As1 = 1,313 см2 , тогда As = 5х1,313 = 6,565 см2 .
Сечение 2-2
кПа
кНм
см2
Площадь сечения одного стержня:
см2
Из сортамента выбираем арматуру диаметром 9 мм с As1 = 0,636 см2 , тогда As = 5х0,636 = 3,18 см2
Сечение 3-3
кПа
кНм
см2
Площадь сечения одного стержня:
см2
Из сортамента выбираем арматуру Вр-1 диаметром 4 мм с As1 = 0,126 см2 , тогда As = 5х0,126 = 0,63 см2
Принимаем сетку С1 из арматуру А-400 диаметром 12 мм. По стороне l и b ее количество составит
шт.
6. Расчет осадки методом послойного суммирования
1. Среднее давление подошвы фундамента Рср = 587,3 кПа
2. Природное давление грунта на уровне подошвы фундамента.
кПа
3. Дополнительное вертикальное давление под подошвой фундамента.
кПа
4. Разбиваем основание фундамента на элементарные слои
м
4. Вычисляем и строим эпюру естественного давления ![]()
5. Вычисляем и строим эпюру
, где
a – коэффициент затухания напряжений. Зависит от соотношения сторон фундамента и относительной глубины, выбирается значение из таблицы СниПа. ![]()
6. Находим нижнюю границу сжимаемой толщи: ![]()
7. Считаем суммарную осадку по всем слоям: 
Расчёты по данному алгоритму приведены ниже в таблице 3
Таблица 3
| № эл. |
Z, м |
о |
б |
у zg0, кПа |
0.2 у zg0, кПа |
у zpi, кПа |
у zpiср, кПа |
Е, кПа |
S, м |
||||
| 0 |
0 |
0 |
1.000 |
55,60 |
11,12 |
531,70 |
|
||||||
| 1 |
0,64 |
0,6 |
0.972 |
67,95 |
13,59 |
515,75 |
523,72 |
|
0,009 |
||||
| 2 |
1,28 |
1,2 |
0.848 |
80,30 |
16,06 |
450,88 |
483,32 |
|
0,00884 |
||||
| 3 |
1,92 |
1,8 |
0.682 |
92,654 |
18,53 |
362,62 |
406,75 |
|
0,0074 |
||||
| 4 |
2,56 |
2,4 |
0.532 |
105,00 |
21,00 |
282,86 |
322,74 |
|
0,0059 |
||||
| 5 |
3,2 |
3,0 |
0.414 |
117,36 |
23,47 |
220,12 |
251,49 |
|
0,00459 |
||||
| 6 |
3,84 |
3,6 |
0.325 |
128,33 |
25,66 |
172,80 |
196,46 |
|
0,00359 |
||||
| 7 |
4,48 |
4,2 |
0.260 |
137,93 |
27,59 |
138,24 |
155,52 |
|
0,00836 |
||||
| 8 |
5,12 |
4,8 |
0.210 |
147,53 |
29,51 |
111,66 |
124,95 |
|
0,00672 |
||||
| 9 |
5,76 |
5,4 |
0.173 |
157,13 |
31,43 |
91,98 |
101,82 |
|
0,00547 |
||||
| 10 |
6,4 |
6,0 |
0.145 |
166,73 |
33,35 |
77,09 |
84,54 |
|
0,0045 |
||||
| 11 |
7,04 |
6,6 |
0.123 |
176,33 |
35,27 |
65,39 |
71,24 |
|
0,0038 |
||||
| 12 |
7,68 |
7,2 |
0.105 |
189,00 |
37,8 |
55,82 |
60,60 |
|
0,00138 |
||||
| 13 |
8,32 |
7,8 |
0.091 |
201,67 |
40,33 |
48,38 |
52,10 |
|
0,0012 |
||||
| 14 |
8,96 |
8,0 |
0,077 |
214,04 |
42,80 |
40,94 |
44,66 |
|
0,0010 |
||||
| У= 0,0717 |
|||||||||||||
Проверяем выполнение условия S < Su . В нашем случае 7,14 см < 8 см, где Su =8см – предельное значение осадки. Условие выполнилось.
Эпюра распределения напряжений szp , szg

II. Фундаменты мелкого заложения на искусственном основании в виде грунтовой подушки
1. Выбор глубины заложения фундамента
1.1. Глубина заложения фундамента зависит от:
- климатического района строительства (глубины промерзания грунта);
- технологических особенностей проектируемого здания (наличия подвалов, технологических каналов, расположенных в подземной части здания, технологических отстойников, водящих боровов, подводящих трубопроводов и др.);
- конструктивных особенностей проектируемого здания или сооружения;
- фактора инженерно-геологических условий.
Учитывая то, что данная расчётно-графическая работа – учебная, принимаем глубину заложения фундамента из предыдущем расчёте, т.е. ![]()
Под подошвой фундамента находится песок мелкозернистый, поэтому в учебных целях принимаем подушку из суглинка (гs = 26,3 кН/м3 , г = 20 кН/м3, W = 15 %) со следующими физико-механическими свойствами:
- определяем коэф. пористости
![]()
![]()
Принимаем гd = 16,52 кН/м3 ;
- определяем показатель текучести
![]()
Вывод: Исходя из анализа инженерно-геологических условий, конструктивных особенностей здания, принимаем глубину заложения фундамента d = 3,0 м. Грунтовую подушку выполняем из суглинка с характеристиками: C = 34 кПа, E = 24,5 МПа, ц = 24,5˚.
2. Расчет площади подошвы с проверкой контактных напряжений
2.1. Предварительно размеры фундамента в плане определяются по краевому расчетному сопротивлению R кр. при ширине фундамента b = 1м:
(1)
где
- коэффициенты условий работы оснований (
) и сооружений (
) принимаются по табл.3 СНиП 2.02.01-83; ![]()
К – коэффициент, принимаемый равным 1, если прочностные характеристики грунта (j и С) определены непосредственными испытаниями, К = 1,1, если j и С приняты по табл.1-3 прил.1 СНиП 2.02.01-83 "Основания зданий и сооружений";
- коэффициенты, принимаемые по табл.4 СНиП 2.02.01-83 ![]()
kz – коэффициент влияния площади фундамента. Для фундаментов шириной
b < 10м, кz = 1
b > 10м, кz = Z0/ b+0,2 (Z0 = 8,0 м)
b - ширина фундамента (принятая нами b = 1м)
- расчетное значение удельного веса грунтов залегающих ниже подошвы фундамента;
- расчетное значение удельного веса грунтов залегающих выше подошвы фундамента,
кН/м3
- удельные весы грунтов, залегающих выше подошвы фундамента (см. рис.)
CII - расчетное значение удельного сцепления грунта, залегающего непосредственно под подошвой фундамента;
d1 - глубина заложения фундаментов бесподвальных (помещений) зданий от уровня планировки или приведенная глубина заложения наружных и внутренних фундаментов от пола подвала, определяемая по формуле (если нет подвала, то d1 = d):
hs - толщина слоя грунта выше подошвы фундамента со стороны подвала, м;
hcf - толщина пола подвала, м.
- удельный вес конструкции пола подвала.
dв - глубина подвала - расстояние от уровня планировки до пола.
Определяется площадь фундамента в первом приближениям по формуле:
![]()
По определенной площади фундамента вычисляются размеры фундамента в плане:
![]()
где б- соотношение сторон фундамента (
= l/b = 1) или сторон сечения колонны или сооружения
По вычисленным размерам фундамента в плане устанавливается сопротивление грунта основания по формуле (1):
![]()
I. 1) При b = 1 м, R = 324,37 кПа
2) A =
м2
3)
м
4)
![]()
II. 1) При b = 4,5 м, R = 390,24 кПа
2) A =
м2
3)
м
![]()
III. 1) При b = 4,0 м, R = 380,83 кПа
2) A =
м2
3)
м
![]()
Проверка целесообразности дальнейшего подбора:
![]()
Прекращаем подбор.
Вычисленные размеры фундамента в плане округляют в большую сторону до кратных 0,1м для, т.е. принимаем b = 4,1 м, а l = 4,1 м, соответственно
м2 ; R = 380,83 кПа.
2.2. Проверяем контактные напряжения.
1.
; ![]()
2. Проверяются контактные напряжения по подошве фундаментов по условию:
кПа
кПа
![]()
![]()
N, Mx, My - усилия, передаваемые на фундамент от сооружения (по заданию или расчету рамы)
Wx, Wy - момент сопротивления подошвы фундамента
м3
3. Конструирование фундамента
3.1. Размеры подколонника в плане назначаются конструктивно и принимаются равными:
bпк= bк + 0,6 = 1,0 м
lпк= lк + 0,6 = 1,0 м
Для выбранного типа фундаментов определяется высота конструкции фундамента или его плитной части по формуле:
,
м
где ![]()
l, b – размеры подошвы фундамента в плане;
- размеры сечения колоны (по заданию).
- расчётное сопротивление бетона на растяжение, кПа;
- среднее давление подошвы фундамента, кПа.
Реальная высота (с учётом защитного слоя) вычисляется по формуле:
![]()
Принимаем оптимальную высоту, равную 900 мм (кратную 150 мм)
При данной высоте конструктивно целесообразно установить 3 ступени по–300 мм.

4. Расчет на продавливание
Проверяем условие жесткости конструкции фундамента по условию:
![]()
![]()
- фундамент гибкий.
Продавливание происходит по поверхности усеченной пирамиды, верхним основанием которой является нижнее сечение основание подколонника или колонны, а грани расположены под углом 45°
![]()
![]()
![]()
где: Aтр – площадь поверхности грани пирамиды продавливания;
Aпр – площадь продавливания – площадь подошвы фундамента за пределами пирамиды продавливания.
кПа – расчетное сопротивление бетона на растяжение.
м2
м2
где
м
кН
кн.
- условие выполняется.
5. Армирование конструкций фундамента
При определении усилий в конструкции фундамента (подошвы фундамента) в заданном сечении, за расчетную схему принимается консольная балка с жесткой заделкой в заданном сечении - оставшейся части фундамента, на которую действует нагрузка.
Подбор рабочей арматуры производим по двум сторонам:

Сечение 1-1
кПа
кНм
![]()
см2
Площадь сечения одного стержня:
см2
Из сортамента выбираем арматуру диаметром 12 мм с As1 = 1,313 см2 , тогда As = 5х1,313 =6,565 см2
Сечение 2-2
кПа
кНм
см2
Площадь сечения одного стержня:
см2
Из сортамента выбираем арматуру диаметром 12 мм с As1 = 1,313 см2 , тогда As = 5х1,313 = 6,565 см2
Сечение 3-3
кПа
кНм
см2
Площадь сечения одного стержня:
см2
Из сортамента выбираем арматуру диаметром 3 мм с As1 = 0,07 см2 , тогда As = 5х0,07 = 0,35 см2
Принимаем сетку С2 из арматуру А-400 диаметром 12 мм. По стороне l и b ее количество составит
шт.
6. Выбор размеров подушки
6.1. Определение высоты подушки.
Исходя из условия, что
, принимаем в расчёт
м. Т.к. размеры подушки должны быть кратны 10 см, то принимаем hпод = 2,5 м.
6.2. Определение размеров подушки в плане.
Используем формулы:
;
, где
б – угол естественного откоса. Для суглинка (окружающего грунта) он равен 40.
В – угол распределения напряжений. Для песка (материал подушки) он равен 30˚.
м. Для кратности принимаем
= 9,1 м;
м. Для кратности принимаем
= 15,1 м,
м.
м.
Итак, окончательно приняли следующие размеры грунтовой подушки:
- на уровне низа
м;
- на уровне верха
м.
7. Расчет осадки методом послойного суммирования
7.1. Среднее давление подошвы фундамента Рср = 381,23 кПа
7.2. Природное давление грунта на уровне подошвы фундамента .
кПа
7.3. Дополнительное вертикальное давление под подошвой фундамента.
кПа
7.4. Разбиваем основание фундамента на элементарные слои
м
7.5. Вычисляем и строим эпюру естественного давления
7.6. Вычисляем и строим эпюру
, где
a – коэффициент затухания напряжений. Зависит от соотношения сторон фундамента и относительной глубины, выбирается значение из таблицы СниПа. ![]()
7.7.
Находим нижнюю границу сжимаемой толщи:
7.8. Считаем суммарную осадку по всем слоям: 
Расчёты по данному алгоритму приведены ниже в таблице 4.
Таблица 4
| № эл. |
Z, м |
о |
б |
у zg0, кПа |
0.2 у zg0, кПа |
у zpi, кПа |
у zpiср, кПа |
Е, кПа |
S, м |
||
| 0 |
0 |
0 |
1,000 |
55,60 |
11,12 |
325,63 |
|
||||
| 1 |
0,82 |
0,4 |
0,972 |
72,00 |
14,40 |
316,51 |
321,07 |
|
0,0086 |
||
| 2 |
1,64 |
0,8 |
0,848 |
88,40 |
17,68 |
276,13 |
296,32 |
|
0,00793 |
||
| 3 |
2,46 |
1,2 |
0,682 |
104,80 |
20,96 |
222,08 |
249,11 |
|
0,00667 |
||
| 4 |
3,28 |
1,6 |
0,532 |
120,63 |
24,12 |
173,24 |
197,66 |
|
0,00463 |
||
| 5 |
4,1 |
2,0 |
0,414 |
136,45 |
27,29 |
134,81 |
154,03 |
|
0,0036 |
||
| 6 |
4,92 |
2,4 |
0,325 |
152,28 |
30,45 |
105,83 |
120,32 |
|
0,0028 |
||
| 7 |
5,74 |
2,8 |
0,260 |
168,10 |
33,62 |
84,66 |
95,25 |
|
0,00223 |
||
| 8 |
6,56 |
3,2 |
0,210 |
183,93 |
36,79 |
68,38 |
76,52 |
|
0,0018 |
||
| 9 |
7,38 |
3,6 |
0,173 |
196,23 |
39,25 |
56,33 |
62,36 |
|
0,0043 |
||
| 10 |
8,2 |
4,0 |
0,145 |
208,53 |
41,71 |
47,22 |
51,78 |
|
0,0036 |
||
| 11 |
9,02 |
4,4 |
0,123 |
220,83 |
44,16 |
40,05 |
43,64 |
|
0,003 |
||
| У= 0,049 |
|||||||||||
Проверяем выполнение условия S < Su . В нашем случае 4,90 см < 8 см, где Su =8см – предельное значение осадки. Условие выполнилось.
Эпюра распределения напряжений szp , szg
III Расчёт свайных фундаментов
1. Выбор глубины заложения ростверка
1.1. Определение глубины заложения ростверка зависит от нескольких факторов:
- Глубины промерзания грунта. Из предыдущих расчётов мы уже определили эту величину
м;
- Наличие конструктивных особенностей. В нашем случае подвальных помещений нет, поэтому
;
- Глубина заложения ростверка. Исходя из условия, что
мм,
где
dр - глубина заложения ростверка, м;
hст - глубина стакана в фундаменте. Для наших фундаментов под ЖБК-колонны hст = 0.
Учитывая все перечисленные условия, принимаем глубину заложения ростверка dр = 1,5 м, исходя из кратности ростверка по высоте 15 см.
Принимаем шарнирное соединение ростверка и сваи. Голова сваи заходит в тело ростверка на 5 – 10 см. принимаем для расчёта 10 см.
Тогда отметка головы сваи будет равна –1,4 м.
2. Выбор несущего слоя
Считаем, что несущим слоем будет глина четвертичная, поэтому, заглубляем сваю в слой глины на 3,6 м (для применения стандартной длины сваи). При этом длина сваи равна hсв = 13 м.
Под нижним концом сваи находится сжимаемый грунт (Е < 50 МПа). Дальнейший расчёт ведём как для висячей сваи. Принимаем железобетонную забивную сваю квадратного сечения. Для выбранной нами длины можно принять сечение 40 х 40 см.
3. Определение несущей способности сваи
,
где n – количество слоёв с одинаковыми силами трения по длине сваи;
гс – коэффициент условий работы ( гс = 1);
гсr и гсf - коэффициенты условий работы под подошвой сваи и по боковой поверхности, зависят от условий изготовления или погружения сваи. (гсr =1 и гсf = 1);
А – площадь сечения сваи;
R – расчётное сопротивление под подошвой сваи, зависит от длины сваи и грунта. (R = 6900 кПа);
U – периметр сечения сваи;
l – расстояние от середины слоя до поверхности земли;
f - расчётное сопротивление по боковой поверхности сваи, зависит от l (принимается из СниПа).
Таблица 5
| hi , м |
li , м |
fi , кПа |
hi * fi , кН/м |
|
| 1,5 |
2,25 |
31,25 |
46,88 |
|
| 1,5 |
3,75 |
37,25 |
55,88 |
|
| 1,5 |
5,25 |
40,5 |
60,75 |
|
| 1,5 |
6,75 |
31,75 |
47,63 |
|
| 1,5 |
8,25 |
33,25 |
49,88 |
|
| 1,5 |
9,75 |
33,875 |
50,81 |
|
| 1,5 |
11,25 |
66,75 |
100,13 |
|
| 1 |
12,5 |
68,5 |
68,5 |
|
| 480,50 |
||||
кН
4. Определение расчетной нагрузки на сваю
Определяем по формуле:
кН.
гк – коэффициент запаса. Для расчёта он равен 1,4, если для полевых испытаний, то равен 1,25.
Определим необходимое количество свай в фундаменте по формуле:
шт.,
где N – заданная нагрузка на фундамент.
5. Конструирование ростверка

Определяем фактическую нагрузку на сваю: 
где y – расстояние от главной оси до оси самой нагруженной сваи
yi – расстояние до оси каждой сваи
кН
P > Nф; 843,50 > 768 – условие выполняется.
Расчёт на продавливание. Расчет не производим, так как конструкция ростверка жёсткая.
7. Расчет деформаций свайных фундаментов

м;
м;
м2 ;
м;
м3 ;
кН;
Выполняем проверку давления под нижним концом сваи:
,
где 
![]()
; кz = 1.
кПа.
кПа.
413,99 кПа. < 2375,52 кПа. – условие выполняется.
8. Расчет осадки линейно деформированного пространства
8.1. Среднее давление подошвы фундамента Рср = 479,7 кПа
8.2. Вычисляем и строим эпюру естественного давления
8.3. Рассчитываем дополнительную вертикальную нагрузку
8.4. Высота рассчитываемых слоёв hi = 0,2 ' b = 0,2 ' 4,09 = 0,82 м
8.5. Вычисляем и строим эпюру , где
б – коэффициент затухания напряжений. Зависит от соотношения сторон фундамента и относительной глубины, выбирается значение из таблицы СниПа.
8.6. Находим нижнюю границу сжимаемой толщи:
В нашем случае 60.305 кПа > 49,977 кПа, условие выполняется.
8.7. Считаем суммарную осадку по всем слоям:
8.8. Проверяем выполнение условия S < Su . В нашем случае 3,37 см < 12 см, где Su = 12 см – предельное значение осадки
Расчёты по данному алгоритму приведены ниже в таблице 6.
Таблица 6
| № эл. |
Z, м |
о |
б |
у zg0, кПа |
0.2 у zg0, кПа |
у zpi, кПа |
у zpiср, кПа |
Е, кПа |
S, м |
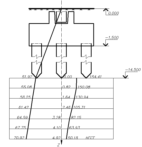
| 0 |
0 |
0 |
1,000 |
259,58 |
51,92 |
154,41 |
22,5х103 |
||
| 1 |
0,80 |
0,4 |
0,972 |
275,42 |
55,08 |
150,08 |
152,25 |
22,5х103 |
0,00433 |
| 2 |
1,60 |
0,8 |
0,848 |
291,26 |
58,25 |
130,94 |
140,51 |
22,5х103 |
0,00399 |
| 3 |
2,40 |
1,2 |
0,682 |
307,10 |
61,42 |
105,31 |
118,13 |
22,5х103 |
0,00336 |
| 4 |
3,20 |
1,6 |
0,532 |
322,94 |
64,59 |
82,15 |
93,73 |
22,5х103 |
0,00266 |
| 5 |
4,00 |
2,0 |
0,414 |
338,78 |
67,75 |
63,93 |
73,04 |
22,5х103 |
0,0020 |
| 6 |
4,80 |
2,4 |
0,325 |
354,62 |
70,92 |
50,18 |
57,05 |
22,5х103 |
0,00162 |
| 0,0153 |
|||||||||
Эпюра распределения напряжений szp , szg

| Фундамент на естественном основании |
Фундамент на искусственном основании |
Свайный фундамент |
|
| Объем земли м3 |
2747,52 |
14808,81 |
3432,36 |
| Объем бетона м3 |
165,63 |
295,66 |
662,48 |
| Объем обратной засыпки |
2581,89 |
113,63 |
2770,88 |
| Количество арматуры, кг |
792,12 |
1502,256 |
284,6 |
| Доп. работы |
устройство гидроизоляции и дренажа |
уплотнение грунтовой подушки |
забивка и доставка свай |
| Осадка, мм |
66 |
49 |
15 |
IV. Технико-экономическое сравнение вариантов
Таблица 7
Считаю, что самый рациональный фундамент будет фундамент мелкого заложения на естественном основании т.к. объем земляных работ и объем бетона меньше чем у других вариантов. Для дальнейшего расчета принимаем фундаменты мелкого заложения на естественном основании.
V. Расчет фундамента мелкого заложения на естественном основании по ряду Г
1. Выбор глубины заложения фундамента
Глубина заложения фундамента зависит от:
- климатического района строительства (глубины промерзания грунта);
- технологических особенностей проектируемого здания (наличия подвалов, технологических каналов, расположенных в подземной части здания, технологических отстойников, водящих боровов, подводящих трубопроводов и др.);
- конструктивных особенностей проектируемого здания или сооружения;
- фактора инженерно-геологических условий.
1.1. С учетом глубины промерзания глубина заложения фундамента назначается по расчетной схеме глубины сезонного промерзания грунта df, которая устанавливается следующим образом:
Нормативная глубина сезонного промерзания грунта определяется по формуле:
м,
где Mt - безразмерный коэф., численно равный сумме абсолютных значений среднемесячных отрицательных температур за зиму в данном районе по СНиП 2.01.01-82 "Строительная климатология и геофизика" (для Днепропетровска Mt = -13,3).
d0 - величина в метрах, принимаемая равной:
· для суглинков и глин - 0,23
· для супесей, песков мелких и пылеватых - 0,25
· для песков средней крупности, крупных и гравелистых - 0,30
· для крупнообломочных грунтов - 0,34
Расчетная глубина сезонного промерзания грунта определяется: (м)
![]()
где kh - коэф., учитывающий влияние теплового режима сооружения принимаемый 0,8.
Глубина заложения фундаментов по первому фактору (глубине промерзания):
м
1.2 . С учетом технологических особенностей проектируемого здания глубина заложения фундамента должна назначаться на 0,5 м ниже отметки технологических подвалов, т.е:
![]()
где dn - отметка пола подвала или пола технологического пространства проектируемого объекта.
Подвал в данном здании нет.
1.3. С учетом конструктивных особенностей здания глубину заложения фундамента рекомендуется назначать в зависимости от действующих нагрузок и принимать при
1000 < g < 2000 кH d = 1,5 м
2000 < g < 3000 кН d = 2,0 м
3000 < g < 5000 кН d = 2,5 м
g > 5000 кН d = 3,0 м
1.4. При анализе инженерно-геологических условий учитывают следующие факторы:
· фундамент должен быть заглублён в несущий слой грунта минимум на 0,5 м;
· фундамент должен прорезать верхние слои слабого грунта;
· под подошвой фундамента нельзя оставлять тонкий слой несущего грунта.
Вывод: Исходя из анализа инженерно-геологических условий, конструктивных особенностей здания, принимаем глубину заложения фундамента
м
При этом несущим слоем является песок мелкозернистый с характеристиками: C = 2 кПа, E = 28 МПа, ц = 32˚,
=19,3 кН/м3.
2. Расчет площади подошвы с проверкой контактных напряжений
Предварительно размеры фундамента в плане определяются по краевому расчетному сопротивлению R кр. при ширине фундамента b = 1м:
(1)
где
- коэффициенты условий работы оснований (
) и сооружений (
) принимаются по табл.3 СНиП 2.02.01-83; ![]()
К – коэффициент, принимаемый равным 1, если прочностные характеристики грунта (j и С) определены непосредственными испытаниями, К = 1,1, если j и С приняты по табл.1-3 прил.1 СНиП 2.02.01-83 "Основания зданий и сооружений";
- коэффициенты, принимаемые по табл.4 СНиП 2.02.01-83 ![]()
kz – коэффициент влияния площади фундамента. Для фундаментов шириной
b < 10м, кz = 1
b > 10м, кz = Z0/ b+0,2 (Z0 = 8,0 м)
b - ширина фундамента (принятая нами b = 1м)
- расчетное значение удельного веса грунтов залегающих ниже подошвы фундамента;
- расчетное значение удельного веса грунтов залегающих выше подошвы фундамента,
кН/м3
- удельные весы грунтов, залегающих выше подошвы фундамента (см. рис.)
CII - расчетное значение удельного сцепления грунта, залегающего непосредственно под подошвой фундамента;
d1 - глубина заложения фундаментов бесподвальных (помещений) зданий от уровня планировки или приведенная глубина заложения наружных и внутренних фундаментов от пола подвала, определяемая по формуле (если нет подвала, то d1 = d):
![]()
hs - толщина слоя грунта выше подошвы фундамента со стороны подвала, м;
hcf - толщина пола подвала, м.
- удельный вес конструкции пола подвала.
dв - глубина подвала - расстояние от уровня планировки до пола.
Определяется площадь фундамента в первом приближениям по формуле:
![]()
По определенной площади фундамента вычисляются размеры фундамента в плане:
![]()
где б- соотношение сторон фундамента (б = l/b) или сторон сечения колонны или сооружения. По вычисленным размерам фундамента в плане устанавливается сопротивление грунта основания по формуле (1):
![]()
I. 1) При b = 1 м, R = 273,14 кПа
2) A =
м2
3)
м
4)
![]()
II. 1) При b = 4,05 м, R = 352,14 кПа
2) A =
м2
3)
м
![]()
III. 1) При b = 3,46 м, R = 336,85 кПа
2) A =
м2
3)
м
![]()
Прекращаем подбор.
Вычисленные размеры фундамента в плане округляют в большую сторону до кратных 0,1м для гражданских зданий, т.е. принимаем b = 3,6 м, а l = 3,6 м, соответственно A =
м2 R = 336,85 кПа.
3. Проверяем контактные напряжения
3.1.
; ![]()
3.2. Проверяются контактные напряжения по подошве фундаментов по условию:
кПа
кПа
![]()
![]()
N, Mx, My - усилия, передаваемые на фундамент от сооружения (по заданию или расчету рамы)
Wx, Wy - момент сопротивления подошвы фундамента
м3
4. Конструирование фундамента
По заданию вид колонны – железобетонная, размерами 0,4 х 0,4 м.
4.1. Тип фундамента назначают из условия жесткости
мм
мм
Фундамент принимаем с подколонником.
4.2. Размеры подколонника в плане назначаются конструктивно и принимаются равными:
bпк= bк+0,6=0,4+0,6=1 м
lпк=lк+0,6 = 0,4+0,6 =1 м
Для выбранного типа фундаментов определяется высота конструкции фундамента или его плитной части по формуле:
,
м
где ![]()
l, b – размеры подошвы фундамента в плане;
- размеры сечения колоны (по заданию).
- расчётное сопротивление бетона на растяжение, кПа;
- среднее давление подошвы фундамента, кПа.
Реальная высота (с учётом защитного слоя) вычисляется по формуле:
![]()
Принимаем оптимальную высоту, равную 900 мм (кратную 150 мм)
При данной высоте конструктивно целесообразно установить 3 ступени по – 300 мм.
5. Расчет фундамента на продавливание
Проверяем условие жесткости конструкции фундамента по условию:
![]()
![]()
- фундамент гибкий.
Продавливание происходит по поверхности усеченной пирамиды, верхним основанием которой является нижнее сечение основание подколонника или колонны, а грани расположены под углом 45°
![]()
![]()
![]()
где: Aтр – площадь поверхности грани пирамиды продавливания;
Aпр – площадь продавливания – площадь подошвы фундамента за пределами пирамиды продавливания.
кПа – расчетное сопротивление бетона на растяжение.
м2
м2
где
м
кН
кн.
- условие выполняется.

6. Армирование конструкции фундамента (расчёт на изгиб)
При определении усилий в конструкции фундамента (подошвы фундамента) в заданном сечении, за расчетную схему принимается консольная балка с жесткой заделкой в заданном сечении - оставшейся части фундамента, на которую действует нагрузка.
Подбор рабочей арматуры производим по двум сторонам:
Сечение 1-1
кПа
кНм
![]()
см2
Площадь сечения одного стержня:
см2
Из сортамента выбираем арматуру диаметром 12 мм с As1 = 1,313 см2 , тогда As = 5х1,313 = 6,565 см2 .
Сечение 2-2
кПа
кНм
см2
Площадь сечения одного стержня:
см2
Из сортамента выбираем арматуру диаметром 8 мм с As1 = 0,503 см2 , тогда As = 5х0,503 = 4,024 см2
Сечение 3-3
кПа
кНм
см2
Площадь сечения одного стержня:
см2
Из сортамента выбираем арматуру диаметром 6 мм с As1 = 0,283 см2 , тогда As = 5х0,283 = 1,415 см2
Принимаем сетку из арматуру А-400 диаметром 12 мм. По стороне l и b ее количество составит
шт.
7. Расчет осадки методом послойного суммирования
7.1. Среднее давление подошвы фундамента Рср = 336,85 кПа
7.2. Природное давление грунта на уровне подошвы фундамента.
кПа
7.3. Дополнительное вертикальное давление под подошвой фундамента.
кПа
7.4. Разбиваем основание фундамента на элементарные слои
м
Вычисляем и строим эпюру естественного давления ![]()
7.5. Вычисляем и строим эпюру
, где
a – коэффициент затухания напряжений. Зависит от соотношения сторон фундамента и относительной глубины, выбирается значение из таблицы СниПа. ![]()
7.6. Находим нижнюю границу сжимаемой толщи: ![]()
7.7. Считаем суммарную осадку по всем слоям: 
Расчёты по данному алгоритму приведены ниже в таблице 8
Таблица 8
| № эл. |
Z, м |
о |
б |
у zg0, кПа |
0.2 у zg0, кПа |
у zpi, кПа |
у zpiср, кПа |
Е, кПа |
S, м |
| 0 |
0 |
0 |
1.000 |
36,31 |
7,26 |
300,54 |
|
||
| 1 |
0,72 |
0,6 |
0.972 |
50,20 |
10,04 |
291,52 |
296,03 |
|
0,0061 |
| 2 |
1,44 |
1,2 |
0.848 |
64,10 |
12,82 |
254,86 |
273,19 |
|
0,0056 |
| 3 |
2,16 |
1,8 |
0.682 |
77,99 |
15,60 |
204,97 |
229,92 |
|
0,00473 |
| 4 |
2,88 |
2,4 |
0.532 |
91,89 |
18,37 |
159,89 |
182,43 |
|
0,00375 |
| 5 |
3,6 |
3,0 |
0.414 |
105,79 |
21,16 |
124,42 |
142,16 |
|
0,00292 |
| 6 |
4,32 |
3,6 |
0.325 |
119,68 |
23,94 |
97,67 |
111,05 |
|
0,00228 |
| 7 |
5,04 |
4,2 |
0.260 |
133,58 |
26,72 |
78,14 |
87,91 |
|
0,0018 |
| 8 |
5,76 |
4,8 |
0.210 |
147,48 |
29,50 |
63,11 |
70,63 |
|
0,00145 |
| 9 |
6,84 |
5,4 |
0.173 |
161,37 |
32,27 |
51,99 |
57,55 |
|
0,00118 |
| 10 |
7,2 |
6,0 |
0.145 |
172,17 |
34,43 |
43,58 |
47,79 |
|
0,00289 |
| 11 |
7,92 |
6,6 |
0.123 |
182,97 |
36,60 |
36,96 |
40,27 |
|
0,00244 |
| 12 |
8,64 |
7,2 |
0.105 |
193,77 |
38,75 |
31,55 |
34,26 |
|
0,0020 |
| У= 0,0371 |
|||||||||
Проверяем выполнение условия S < Su . В нашем случае 3,70 см < 8 см, где Su =8см – предельное значение осадки. Условие выполнилось.
Эпюра распределения напряжений szp , szg

