| Скачать .docx |
Реферат: Покрытие по треугольным металлодеревянным фермам с клееным верхним поясом
ФЕДЕРАЛЬНОЕ АГЕНСТВО ПО ОБРАЗОВАНИЮ
ГОСУДАРСТВЕННОЕ ОБРАЗОВАТЕЛЬНОЕ УЧРЕЖДЕНИЕ
ВЫСШЕГО ПРОФЕССИОНАЛЬНОГО ОБРАЗОВАНИЯ
«Нижегородский государственный архитектурно-строительный университет»
(ННГАСУ)
Кафедра конструкций из дерева, древесных композитов и пластмасс
Курсовой проект
Покрытие по треугольным металлодеревянным
фермам с клееным верхним поясом
Студент 4 курса гр.121 А. А. Орешкова
Преподаватель: А. И. Один
Нижний Новгород
Содержание
1. Задание на проектирование............................................................................ 3
2. Расчет и проектирование кровельного щита................................................. 4
2.1. Выбор конструктивного решения покрытия.......................................... 4
2.2. Выбор сорта, влажности и определение расчетных сопротивлений
древесины щита............................................................................................... 4
2.3. Расчет кровельного щита......................................................................... 5
2.3.1. Сбор нагрузок................................................................................. 5
2.3.2. Расчет прогонов, составляющих щит............................................. 6
2.3.3. Расчет решетки щита....................................................................... 9
3. Определение минимальных размеров поперечного сечения колонн из
условия их гибкости.......................................................................................... 13
4. Расчет и проектирование фермы.................................................................. 14
4.1. Определение геометрических размеров элементов фермы.................. 14
4.2. Выбор сорта древесины, ее влажности и расчетных сопротивлений,
типа и марки клея.......................................................................................... 14
4.3. Статический расчет фермы.................................................................... 15
4.3.1. Подсчет нагрузок.......................................................................... 15
4.3.2. Определение усилий в элементах фермы..................................... 16
4.4. Конструктивный расчет......................................................................... 18
4.4.1. Подбор сечений деревянных элементов фермы........................... 18
4.4.2. Выбор марок, расчётных сопротивлений стали и типа
сварных соединений................................................................................ 22
4.4.3. Подбор сечения стальных элементов фермы............................... 23
4.5. Расчёт узлов фермы............................................................................... 24
4.5.1. Опорный узел................................................................................ 24
4.5.2. Промежуточный узел нижнего пояса........................................... 25
4.5.3. Промежуточный узел верхнего пояса В (рисунок 15)................ 28
4.5.4. Коньковый узел фермы................................................................. 28
5. Мероприятия по защите деревянных конструкций от возгорания и
гниения.............................................................................................................. 29
Литература........................................................................................................ 30
Рассчитать и сконструировать покрытие однопролетного не отапливаемого здания складского назначения. Здание каркасное размером в плане по разбивочным осям 12х36 м. Колонны - деревянные клееные. Шаг колонн вдоль здания 3,0 м. Привязка колонн к продольной оси здания нулевая. Несущие конструкции покрытия – треугольные металлодеревянные фермы с клееным верхним поясом серии 1.863-2 высотой не менее, чем 1/8l . Материал основных конструкций – сосна. Здание защищено от прямого воздействия ветра. Район строительства – город Онега. Здание отапливаемое, температура воздуха в основных помещениях здания - 200 С. Условия эксплуатации при относительной влажности внутри помещения 70%.
Схема поперечного разреза здания приведена на рисунке 1.

Рис. 1. Схема поперечного разреза здания.
2. Расчет и проектирование кровельного щита.
2.1. Выбор конструктивного решения покрытия.
В соответствии с заданием принимаем ограждение покрытия из асбестоцементных волнистых листов обыкновенного профиля по ГОСТ 16223 «Листы асбестоцементные волнистые обыкновенного профиля и детали к ним», с размерами листа 1750х1125 мм и сборных дощатых щитов размером 3000х2500мм. Длина щита равняется принятому шагу ферм. Схема кровельного щита представлена на рисунке 2.

Рис. 2. Схема кровельного щита.
Каждый щит состоит из пяти прогонов, соединенных при помощи решетки из брусков в жесткую в своей плоскости конструкцию.
По длине ската укладывается три нормальных щита. Стойки нижних щитов выпускаются на ширину карниза, и по ним настилается сплошной дощатый настил под стальные кровельные листы.
При кровле из асбоцементных листов обыкновенного профиля минимальный уклон ската 33% (18о 16/ ). Принимаем перехлест листов более 150 мм - уклон ската уменьшается до 25% (14°). В данном покрытии уклон ската составляет 14,04°, т.е. укладывается в допустимые пределы.
2.2. Выбор сорта, влажности и определение расчетных сопротивлений древесины щита.
Принимаем для ограждающих конструкций покрытия здания склада древесину сосны по ГОСТ 8486-66 второго сорта.
Температурно-влажностные условия эксплуатации конструкций, согласно заданию – А2. Для этих условий максимальная влажность не клееной древесины 20%.
Расчетные сопротивления древесины сосны 2-го сорта назначаем согласно табл.3 [1] с учетом необходимых коэффициентов условий работы по п.3.2.
Для основных видов напряженного состояния в табл.1 приведены значения расчетных сопротивлений и коэффициентов условий работы.
Таблица 1. Расчетные сопротивления и коэффициенты условий работы природной древесины сосна 2-го сорта.
| Конструктивные элементы и виды напряженного состояния | Значения расчетного сопротивления, МПа | Коэффициенты условий работы |
| Изгибаемые элементы кровельных щитов шириной до 11 см и высотой до 50см | Rи = 13,0 | mв = 1 |
| Растянутые элементы вдоль волокон | Rp = 7,0 | mв = 1 |
Подсчет нагрузок на элементы кровельного щита производится в соответствии с [2].
Нормативный вес конструкций или отдельных конструкций элементов приходящихся на единицу площади покрытия (Па) определяется по формуле:
![]()
где b и h – сечение конструктивного элемента в м;
l1 – расстояние в осях между конструктивными элементами в м;
r - плотность материала.
Расчетный вес снегового покрова на 1 м2 горизонтальной поверхности земли для г. Онега, расположенного в V снеговом районе, по весу снегового покрова
Sо =3200 Н/м2 .
Полное расчетное значение снеговой нагрузки на 1 м2 площади горизонтальной проекции определяется по формуле:
![]()
где m = 1 – коэффициент перехода от веса снегового покрова земли к снеговой нагрузке на покрытие в соответствии с п.5.5* и приложением 3 [2].
Sр = 3200*1= 3200 Н/м2 .
Линейная нагрузка на прогон кровельного щита (в Н/м) определяется путем умножения нагрузки на покрытие (в Па), на расстояние между прогонами l1 .
Подсчет нагрузок на кровельный щит приведен в табл.2.
Таблица 2. Подсчет нагрузок на кровельный щит.
| Конструктивные элементы | Нормативная нагрузка | Коэффициент перегрузки | Расчетная нагрузка |
Постоянная нагрузка, в Па Асбоцементные волнистые листы УВ-7.5-1750 с учетом нахлеста листов |
220,0 | 1,1 | 242,0 |
Прогоны, принимаемые из досок 60х150 мм с расстоянием между осями 500 мм.
|
90 | 1,1 |
99 |
| Решетка щитов (ориентировочно 20% от веса прогонов) | 18 | 1,1 | 19,8 |
| Итого g: | 328 | 360,8 | |
| Поверхностная нагрузка на горизонтальную плоскость g/cosa | 338,1 | 371,9 | |
Временная снеговая нагрузка, в Па Полное значение снеговой нагрузки, S |
2240 | 1/0,7 | 3200 |
Полное значение доли длительной нормативной нагрузки, в Па
|
338,1+3200*0,5=1938,1 |
2.3.2 Расчет прогонов, составляющих щит .
Прогоны рассчитываются на косой изгиб:
- в плоскости перпендикулярной скату, как разрезные балки с расчетным пролетом l = 3,0 м
- в плоскости ската, как неразрезные двухпролетные балки с пролетами
l´= 0,5·l =1,5 м, имеющие опоры у средней стойки щита.
Линейная расчетная нагрузка на прогон:
- постоянная 371,9*0,5 = 186 Н/м;
- временная (снеговая) 3200*0.5 = 1600 Н/м;
- суммарная 186+ 1600 = 1786 Н/м.
Проверка прочности на косой изгиб производится при двух схемах загружения:
- от действия собственного веса и снега (рис. 3)
- от действия собственного веса и сосредоточенного груза Р = 1 кН (рис. 4) с умножением последнего на коэффициент перегрузки n = 1.2.
В первом случае загружения при равномерно распределенной нагрузке изгибающий момент, как в плоскости ската, так и в плоскости, перпендикулярной к скату будет посередине пролета в точке “c”. Изгибающий момент в плоскости перпендикулярной к скату:
Н*м.
Изгибающий момент в плоскости ската:
Н*м.
Где qx = q*cosa = 1786*0,97 = 1732,4 Н/м.
qy = q*sina = 1786*0,243 = 434 Н/м.

Рис. 3. Расчётная схема прогона для первого случая загружения:
а. схема разложения сил по главным осям сечения;
б. схема загружения и эпюра моментов Мx . c . в плоскости, перпендикулярной к скату;
в. Схема загружения и эпюра моментов Мy . c . в плоскости ската.
Во втором случае загружения необходимо определить изгибающие моменты в сечении прогона С, а также в промежуточном сечении d, расположенном на расстоянии
x= 0,432*l´= 0,432*1,5= 0,648 м.
Изгибающие моменты в плоскости, перпендикулярной к скату:
- при сосредоточенной силе Р, приложенной в середине пролета:
Н*м;
- при сосредоточенной силе приложенной на расстоянии x = 0,648/

Здесь gx = g*cosa = 186*0,97 = 180,4 Н/м;
Px = P*cosa = 1200*0,97 = 1164 Н;
gy = g*sina = 186*0,243 = 45,2Н/м;
Py = P*sina = 1200*0,243 = 291,6 Н.
Изгибающие моменты в плоскости ската:
- при сосредоточенной силе, приложенной в середине пролета, изгибающий момент равен нулю тогда
Н*м;
- при сосредоточенной силе, приложенной в сечении d:


Рис. 4. Расчетная схема прогона для второго случая загружения:
а. к определению моментов в середине пролета;
б. к определению моментов в сечении d;
1. Эпюра изгибающих моментов в плоскости, перпендикулярной к скату, от постоянной нагрузки (
) и сосредоточенной силы Px
, приложенной в точке с, (
);
2. Эпюра My . g . от постоянной нагрузки в плоскости ската;
3.Эпюра изгибающих моментов в плоскости, перпендикулярной к скату, от постоянной нагрузки (
) и сосредоточенной силы Px
, приложенной в точке d, (
);
4. Эпюры изгибающих моментов в плоскости ската от постоянной нагрузки (
) и сосредоточенной силы (МII
y
.
p
.
).
Изгибающие моменты для обоих сочетаний нагрузки приведены в табл.3
Таблица 3. Изгибающие моменты в расчетных сечениях прогона.
| Сочетание нагрузок | Сечение | Изгибающие моменты, Н*м | |
| в плоскости перпендикулярной к скату | в плоскости ската | ||
| Постоянная и временная нагрузки | С | 1949 | 122,1 |
| Собственный вес и сосредоточенная сила Р=1200 Н | С | 1076 | 12,7 |
| Собственный вес и сосредоточенная сила Р=1200 Н | d | 824 | 106,9 |
Согласно табл.3 наибольшие изгибающие моменты в сечении С прогона при первом сочетании нагрузок.
Для принятого сечения прогона моменты сопротивления определяются:
;
.
Определим напряжения в принятом сечении прогона по формуле:
Па = 10,02 МПа<
<Rи =13 МПа
Rи = 13 МПа – расчетное сопротивление изгибу древесины пихты второго сорта;
mв = 1 – коэффициент, учитывающий условия эксплуатации конструкций.
Принятое сечение прогона удовлетворяет условиям прочности.
Проверяем прогон на жесткость в плоскости, перпендикулярной к скату:
м <fu
=
м
Где Ix
=
;
qx .дл.н. = 1938,1*0,5*0,97 = 940 Н/м.
Условие жесткости выполняется.
2.3.3. Расчет решетки щита
Скатная составляющая от суммарной постоянной и временной (снеговой) нагрузки:
Q = (371,9 + 3200)*Fгр *sina = 3571,9*7,3*0,243 = 6336 Н.
где Fгр = 2.5*3*cosa = 7,5*0.97 = 7,3 м2 – горизонтальная проекция грузовой площади щита.
Усилие в одном раскосе щита определится:
Н;
где 0.75 – коэффициент, учитывающий грузовую площадь для раскосов, которая на рисунке 2 ограждена пунктирной линией;
b = 31о – угол наклона раскоса к оси пояса стропильной фермы.
Принимаем сечение раскоса 100х60 мм. При этом F = 0.1*0.06 = 6*10-3 м2 ;
![]()
Расчетная длина раскоса
м.
Гибкость раскоса ![]()
где b = 60 мм – толщина раскоса; cosb = 0.86 (рисунок 5).
Усилие Д к раскосу приложено с эксцентриситетом е = b/2 = 0.06/2 = 0.03 м.
Изгибающий момент в раскосе М = Д*е = 2763*0.03 =82,9 Н*м.
Проверяем сечение раскоса на внецентренное сжатие по формуле:
;
где
Н*м;
Здесь x = ![]()
Кн = 0.81 + 0.19*x = 0.81 + 0.19*0.987 = 0.998
Па = 1,86 МПа< 13*1*1.0 = 13,0 МПа.
Для крепления раскоса к прогону принимаем гвозди d = 5мм и длиной l = 125мм. Их количество определится по формуле:
![]()
где Т – расчетная несущая способность гвоздя на один шов сплачивания.
Для несимметричных соединений несущая способность гвоздя на один шов сплачивания определится:
- из условия сплачивания
Ти = 2.5d2 + 0.01a2 = 2.5*0.52 + 0.01*5,552 = 0.932 кН = 932 Н;
- из условия смятия более толстого элемента (прогона)
Тс = 0.35*c*d = 0.33*6,0*0.5 = 1,05 кН =1050 Н
- из условия смятия более тонкого элемента (подкоса)
при с>а>0.35с; 6>5.55>0.35*6 = 2.1; Та = кн аd = 0.365*5.55*0.5 = 1.013 кН = 1013 Н.
Принимаем Т = 932 Н.
n=
шт, принимаем 3 гвоздя.
В остальных пересечениях прикрепляем раскос к прогонам одним гвоздем, а к верхнему прогону – двумя.
Между всеми прогонами вдоль стоек ставятся распорки из досок на ребро 40х75 мм, прикрепляемые гвоздями d = 5мм и l = 150 мм.
Для восприятия скатной составляющей R опорной реакции щита на верхний пояс фермы ставим упоры на 7 гвоздях.
Нижний прогон (5-5) щита, кроме изгиба от вертикальных нагрузок, воспринимает также растяжение и изгиб в плоскости ската от внецентренного прикрепления к нему раскоса.

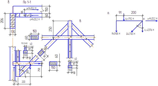
Рис. 5. Узлы кровельного щита.
а – схема сил; б – деталь узла В; в – деталь узла А.
Предполагаем, что все усилие Д передается на прогон 5-5. Тогда в узле К прогон воспринимает растягивающие усилие U = Д*sinb = 2763*0.514 = 1420,2 Н и поперечную силу АI = Д*cosb = 2763*0.86 = 2376 Н.
Опорная реакция от скатной составляющей нагрузки на щит:
Н.
Усилие в крайней стойке А2 = R – АI = 3168 – 2376 =792 Н.
Момент в прогоне в плоскости, перпендикулярной к скату:
Мн = U*e = 1420,2*0.105 =149,1 Н*м.
Здесь е =
м.
Напряжение в прогоне в точке n от внецентренного растяжения:
![]()
0.16*106 + 5,02*106 +0,73*106 =5,91*106 Па = 5,91 МПа < Rp *mв *mп = 7*1*1 = 7 МПа.
Условие прочности выполняется.
В точке К прогона действуют изгибающие моменты:
- в плоскости ската Мy = R*a – А2 (а – 0.091) = 3168*0.291 – 792*(0.291 – 0.091) =
= 764 Н*м;
где а = 0.291 м – расстояние от опорной реакции R до точки К;
- в плоскости, перпендикулярной к скату, от собственного веса и снега
Н*м;
Напряжение в прогоне:
Па = 11,43 МПа <
< 13 МПа.
3. Определение минимальных размеров поперечного сечения колонн из условия их гибкости
В качестве несущих конструкций покрытия принимаются треугольные металлодеревянные фермы с клееным верхним и металлическим нижним поясами. Фермы опираются на клееные деревянные колонны сечением hk xbk = 40,8x18.5 см. Размеры поперечного сечения колонн приняты по предварительным расчетам из условия достижения предельной гибкости lпр = 120 по формулам:
м.
м.
где m - коэффициент, учитывающий закрепление концов колонны, значения которого принимаются по п.4.21 [1];
Н = 6,4 м – высота колонны;
lр =Н = 6,4 м – расчетная длина колонны из плоскости изгиба.
Ширина и высота поперечного сечения колонн назначается с учетом существующего сортамента пиломатериалов по ГОСТ 24454-80, припусков на фрезерование пластей досок перед склеиванием и припусков на фрезерование по ширине клеевого пакета. Принимаем для изготовления колонн 12 досок шириной 200 мм и толщиной 34 мм (40 мм до острожки). Учитывая последующую чистовую острожку боковых граней колонн устанавливаем размеры поперечного сечения: hк = 12х34 = 408 мм и bк = 200-15 = 185 мм.

Рис. 6. Сечение колонны.
4. Расчет и проектирование фермы
4.1 Определение геометрических размеров элементов фермы
Расчетный пролет фермы l = L – hк = 12000 – 408 =11592 мм.
Высота фермы назначается из условия ее жесткости с учетом допустимого уклона кровли, принимаемого в зависимости от вида водоизолирующего слоя.
Принимаем высоту фермы h =1450мм.,что не меньше
=
мм. Назначаем строительный подъем fстр
=
*l =
мм.
Угол наклона верхнего пояса с учетом строительного подъема
tga =
; a = 14,12о
; sina = 0.243; cosa = 0.970.
Длина одного ската верхнего пояса (с учетом строительного подъема)
м.
Длина элементов фермы:
ВД = ВЕ = 2,9875*tga -
м.
м.
м.
Геометрическая схема фермы приведена на рисунке 7.
4.2 Выбор сорта древесины, ее влажности и расчетных сопротивлений, типа и марки клея
Принимаем для элементов стропильных ферм и связей жесткости древесину хвойных пород сосну по ГОСТ 24454-80 второго сорта.
При постоянной влажности внутри отапливаемых помещений 70% температурно – влажностные условия эксплуатации конструкций, согласно таблице 1 [1] –А2. Для этих условий максимальная влажность неклееной древесины 20% и клееной - 12%.
Расчетные сопротивления древесины лиственницы второго сорта назначаем согласно таблице 3 [1] с учетом необходимых коэффициентов условий работы по п.3.2.
Для основных видов напряженного состояния в таблице 4 приведены значения расчетных сопротивлений и коэффициентов условий работы.

Рис. 7. Расчетная схема фермы.
Таблица 4. Расчетные сопротивления и коэффициенты условий работы древесины сосны второго сорта.
| Конструктивные элементы и виды напряженного состояния | Значения расчетного сопротивления, МПа | Коэффициенты условий работы | Расчетное сопротивление сосны |
| Клееный верхний пояс шириной свыше 13 см и высотой сечения свыше 13 до 50 см. Смятие и сжатие вдоль волокон. | Rc = 15.0 | mп = 1,0 mв = 1,0 mсл = 1,05 |
15,75 |
| Клееная стойка шириной свыше 13 см и высотой сечения свыше 13 до 50 см. Сжатие и смятие вдоль волокон. | Rc = 15.0 | mп = 1,0 mв = 1,0 mсл = 1,05 |
15,75 |
| Клееный верхний пояс. Местное смятие поперек волокон в месте примыкания стойки. | Rсм.90 = 3.0 | mп = 1,0 mв = 1,0 |
3,0 |
4.3. Расчет фермы
4.3.1. Определение нагрузок
Нормативная поверхностная нагрузка от ограждения покрытия приведенная к горизонтальной поверхности составляет:
gн = 338,1 Па.
Временная нормативная поверхностная нагрузка равна:
Sн = 2240 Па.
Нормативная поверхностная нагрузка от собственной массы стропильной фермы со связями может быть определена по формуле:
Па;
где Кс.в. = 4 – коэффициент собственной массы стропильной фермы с учетом связей.
Расчетная линейная нагрузка на ферму:
- постоянная g = (gн
+
)*gf
1
*В = (338,1+125,4)*1.1*3 = 1529,6 Н/м;
- временная S = Sн * gf 2 *В = 2240*1,6*3 = 10752 Н/м;
где gf 1 = 1.1 – коэффициент перегрузки для постоянной нагрузки, согласно таблице 1 [3];
В = 3 м – шаг ферм вдоль здания.
Узловая нагрузка в средних узлах стропильной фермы:
- постоянная G = 2,9875*cosa*g = 2,9875*0,97*1529,6 = 4433 Н =
= 4,43 кН.
- временная (снеговая) F = 2,9875*cosa*S =2,9875*0,97*10752 = 31158 Н =
= 31,16 кН.
Полная узловая нагрузка P = 4,43+31,16 =35,59 кН.
4.3.2. Определение усилий в элементах фермы
Усилия в элементах фермы определяем путем построения диаграммы усилий от единичной узловой нагрузки, расположенной на половине пролета фермы (рисунок 8). Полученные значения заносим в таблицу 5. Умножая их на фактические узловые нагрузки находим расчетные усилия в элементах фермы.
Опорные реакции от единичной нагрузки определяются из условий:
SМВ
= 0; 11,592*А – 0.5*11,592 – (5,461 +3,065) – 0.5*![]()
![]()
SМА
= 0; 11,592*В – 0.5*![]()
![]()
Таблица 5. Усилия в стержнях фермы при различных сочетаниях нагрузок.
| Элементы фермы | Обозначения элементов | Стержни | Усилия от единичной нагрузки Р=1 | Усилия от постоянной узловой нагрузки G=4,43 кН | Усилия от временной снеговой нагрузки F=31,16 кН | Расчётные усилия, кН | |||||
| Слева | Справа | На всём пролёте | Слева | Справа | На всём пролёте | При снеге слева | При снеге на всём пролёте | ||||
| Верхний пояс | О1 | в-1 | -4,11 | -1,98 | -6,09 | -26,98 | -128,068 | -61,6968 | -189,764 | -155,046 | -216,743 |
| О2 | г-2 | -3,87 | -1,98 | -5,85 | -25,92 | -120,589 | -61,6968 | -182,286 | -146,505 | -208,202 | |
| О3 | д-4 | -1,98 | -3,87 | -5,85 | -25,92 | -61,6968 | -120,589 | -182,286 | -87,6123 | -208,202 | |
| О4 | д-5 | -1,98 | -4,11 | -6,09 | -26,98 | -61,6968 | -128,068 | -189,764 | -88,6755 | -216,743 | |
| Нижний пояс | И1 | а-1 | 2,99 | 1,94 | 4,93 | 21,84 | 93,1684 | 60,4504 | 153,6188 | 115,0083 | 175,4587 |
| И2 | а-3 | 1,99 | 1,99 | 3,82 | 16,92 | 59,5156 | 59,5156 | 119,0312 | 76,4382 | 135,9538 | |
| И3 | а-5 | 1,94 | 2,99 | 4,93 | 21,84 | 60,4504 | 93,1684 | 153,6188 | 82,2903 | 175,4587 | |
| Стойки | V1 | 1-2 | -0,97 | 0 | -0,97 | -4,3 | -30,2252 | 0 | -30,2252 | -34,5223 | -34,5223 |
| V2 | 4-5 | 0 | -0,97 | -0,97 | -4,3 | 0 | -30,2252 | -30,2252 | -4,2971 | -34,5223 | |
| Раскосы | Д1 | 2-3 | 2,07 | 0.03 | 2,1 | 9,3 | 64,5012 | 0,9348 | 65,436 | 73,8042 | 74,739 |
| Д2 | 3-4 | 0.03 | 2,07 | 2,1 | 9,3 | 0,9348 | 64,5012 | 65,436 | 10,2378 | 74,739 | |
| Опорные реакции | VA | ‑ | 1.49 | 0.51 | 2 | 8,86 | 46,4284 | 15,8916 | 62,32 | 55,2884 | 71,18 |
| VB | ‑ | 0.51 | 1.49 | 2 | 8,86 | 15,8916 | 46,4284 | 62,32 | 24,7516 | 71,18 | |
Рис. 8. Определение усилий графическим способом (Диаграмма Максвелла-Кремоны)
4.4. Конструктивный расчет.
4.4.1. Подбор сечений деревянных элементов фермы.
Верхний пояс.
В верхнем поясе действует продольное усилие О1 =216740 Н и изгибающий момент Мq от поперечной нагрузки q=(g+S)=(1529,6+10752)=12281,6 Н/м.
Для уменьшения положительного момента Мq узлы фермы А,В и Б решены с внецентренным приложением продольной силы, в результате чего в поясе возникают отрицательные моменты МN .
Задаёмся сечением верхнего пояса фермы, с учётом сортамента на пиломатериалы по ГОСТ 24454-80, из 11 слоёв сечением слоя 32´200 мм.
После фрезерования досок по пластям, с учётом рекомендаций [7], получим слои толщиной δ=32–6=26 мм. Припуски на фрезерование боковых поверхностей элементов длиной до 12 м составляют 15 мм. При этом ширина досок верхнего пояса будет В=200–15=185 мм.
Сечение верхнего пояса после механической обработки слоёв по пластям и боковых поверхностей склеенных элементов определится:
b´h=185´(11∙26)=185´286 мм.
Определим минимальную длину площадок смятия в опорном, промежуточном узле В и коньковом узле фермы.
Минимальная длина площадки смятия в опорном узле А и промежуточном узле В:
с1
=с2
=
0,078м.
Длина площадок смятия в коньковом узле:
С3
=
0,079м;
где Rсм18.6`
=
14.19МПа.
Принимая эксцентриситеты сил в узлах верхнего пояса е1
, е2
, е3
равными между собой и приравнивая напряжение в сечении пояса по середине и по краям панели (задаваясь
=0,75), величину эксцентриситета вычислим по формуле:
е=
0,04м;
Мq
=
13702 Н∙м.
<
м.
Принимаем е=0,030.При этом длины площадок смятия будут равны 206 мм (рисунок 9)

Рис. 9. Определение эксцентриситетов (е1 ;е2 ;е3 ) продольного усилия в верхнем поясе.
Для принятого сечения верхнего пояса 185´286 мм расчётная площадь:
Fрасч =0,185∙0,286=0,0529м².
Расчётный момент сопротивления площади сечения определится:
Wрасч =b∙h²/6=0,185∙0,286²/6=2,52∙10-3 м3 .
Гибкость пояса в плоскости фермы:
λх
=ℓ0
/rх
=
= 36,14
Проверяем верхний пояс на прочность, как сжато-изгибаемый элемент при полном загружении его постоянной и временной снеговой нагрузкой по формуле:
*mп
*mсл
;
Здесь Rs = 15 МПа – расчетное сопротивление древесины второго сорта сжатию согласно таблице 4.
mп = 1.0 и mсл = 1.05 – коэффициенты условий работы по таблице 4.
Величина Мд в соответствии с расчётной схемой, приведённой на рисунке 10 определяется из выражения:
Мд
=Мд1
‑Мд2
=
,
где
0,989;
кн =0,81+0,19∙ξ=0,81+0,19∙0,989 =0.998;
MN = 216740∙0,04 = 8670 Н∙м.
Мд
=
5070 Н∙м.

Рис. 10. Расчетная схема верхнего пояса фермы
6109069 Па=6,11 МПа < Rс
=15*1.0*1.05 =
= 15,75 МПа.
При одностороннем загружении снегом слева продольное усилие О1 =155050 кН.
Изгибающий момент от продольной силы равен:
MN =155050∙0,04=6202 Н∙м.
0,919;
кн =0,81+0,19∙ξ=0,81+0,19∙0,919=0,985;
Мд
=
8058 Н∙м.
Напряжение в поясе определится по формуле:
6128621 Па=6,13 МПа < Rс
=15*1.0*1.05 =
=15,75 МПа.
Согласно п. 6.19. [2] в клееных сжато-изгибаемых элементах допускается сочетать древесину двух сортов, используя в крайних зонах на высоте поперечного сечения не менее 0,15hболее высокий сорт пиломатериала.
Принимаем для крайних зон по две доски 2-го сорта, что составляет 2∙26=52 мм, а в средней зоне 7 досок 3-го сорта, что составляет 7∙26=182 мм.
Компоновка поперечного сечения панелей верхнего пояса показана на рисунке 11.

Рис. 11. Компоновка поперечного сечения верхнего пояса фермы
Расчёт верхнего пояса фермы на устойчивость плоской формы деформирования не производим, поскольку кровельные щиты связываются с последним по всей длине нижними прогонами, в результате чего достигается сплошное раскрепление сжатой кромки. Сам кровельный щит, состоящий из прогонов и решетки является геометрически неизменяемой системой.
Стойка ВД.
Ширину поперечного сечения стойки принимаем равной ширине верхнего пояса – 185 мм.
Из условия смятия древесины поперёк волокон определим высоту сечения стойки:
0,062 м,
где Rсм 90 =3 МПа – расчётное сопротивление древесины смятию поперёк волокон в узловых примыканиях элементов.
Принимаем сечение стойки 185´(3∙26)=185´78 мм.
Для принятого сечения стойки 185´78 мм площадь сечения:
Fрасч =0,185∙0,078=0,0144 м².
λ==
= 30,48 < 70;
φ=1–0,8∙(λ/100)²=1–0,8∙
=0,93
Проверяем стойку на устойчивость:
2577658 Па = 2,58 МПа < Rc
∙mсл
∙mп
=15∙1,05∙1,0 = 15,75 МПа.
4.4.2. Выбор марок, расчётных сопротивлений стали и типа сварных соединений.
В зависимости от степени ответственности, а также от условий эксплуатации согласно таблице 50 [3] проектируемая ферма относится к группе 2. Согласно этой же таблице для климатического района II4 , к которому относится г.Онега, принимаем по таблице 51[3] для элементов узловых соединений листовую сталь по ГОСТ 27772-88 марки С255 с расчётным сопротивлением растяжению, сжатию и изгибу по пределу текучести Ry =240 МПа (при толщине 4‑20 мм).
Для растянутых элементов АД; А`Д`; ДБ; Д`Б; ЕД` принимаем горячекатаную сталь периодического профиля по ГОСТ 5781-75 класса A 400. Расчётное сопротивление растяжению арматурной стали класса А 400 при диаметре стержней от 10 до 40 мм Rs =365 МПа.
Растянутые элементы фермы, имеющие концевую резьбу,по характеру работы могут быть отнесены к одноболтовым соединениям, работающим на растяжение.
Согласно таблице 57 [3] принимаем класс прочности 6.6, для которого по таблице 58 [3] находим расчётное сопротивление Rbt =250 МПа.
Для определения расчётных сопротивлений угловых швов срезу по металлу шва и металла по границе сплавления по таблице 55 [2] с учетом группы конструкции, климатического района и свариваемых марок стали выбираем типы электродов по ГОСТ 9467-75*:
Э42А или Э46А для стали С255,
Э50А для арматурных стержней А 400.
Выбранным типам электродов, согласно таблице 56 [3], соответствуют расчётные сопротивления угловых швов срезу по металлу шва:
Э42А – Rwf =180 МПа;
Э46А – Rwf =200 МПа;
Э50А – Rwf =215 МПа.
Расчётное сопротивление угловых швов срезу по металлу границы сплавления определяем по таблице 3 [3]:
Rwz =0,45∙Run =0,45∙370=166,5 МПа.
Согласно п. 11.2 [3] для сварных элементов из стали с пределом текучести до 295 МПа следует применять электроды, для которых должно выполняться условие:
1.1Rwz
< Rwf
< Rwz
,
где βz =1.0 и βf =0,7 – коэффициенты, принимаемые по таблице 34 [8].
Ryn =245 МПа < 295 МПа – Э42А и Э46А
При электродах типа Э42А – 1,1∙166,5 < 180 < 166,5∙1/0,7 (МПа)
условие 183,15 > 180 < 237,9 (МПа) не выполняется
При электродах типа условие Э46А – 183,15 < 200 < 237,9 (МПа) выполняется
При электродах типа Э50А Ryn = 375 МПа > 295 МПа – Э50А
условие 166,5 < 215 < 237,9 (МПа) выполняется
Таким образом для свариваемых элементов угловыми швами применяем электроды:
- Э46А – для марки стали С255;
- Э50А – для арматуры А 400 (С375).
4.4.3. Подбор сечения стальных элементов фермы
Опорная панель А-Д.
Опорную панель нижнего пояса А-Д принимаем из двух стержней арматурной стали класса А 400. Растягивающее усилие в этой панели U1 = 175460 Н.
Требуемая площадь двух стержней с учётом коэффициента m=0,85 (по п. 3.4. [2]), учитывающего неравномерность распределения усилий между стержнями:
5,655∙10-4
м²=5,655 см²,
принимаем два стержня диаметром 20 мм с F= 2*3,142 = 6,284 см²=
= 6,284*10-4 м2 >5,655*10-4 м2 .
Панель нижнего пояса Д-Д`.
Панель нижнего пояса Д-Д` принимаем из трёх стержней арматурной стали класса А 400, между которыми вварены концевые стержни из арматурной стали класса А 240 с нарезкой на концах (рисунок 12 а)

Рис. 12. Стальные элементы фермы
а – панель Д – Д/
б – панель Д - Б
Растягивающее усилие в панели Д-Д` ‑ U2 =135950 Н. Требуемая площадь трёх стержней:
4,382∙10-4
м² =4,382 см²,
принимаем 3 диаметром 14 мм с F=3*1,539 = 4,617 см²=4,617*10-4 м2 > 4,382∙10-4 м²
Требуемая площадь нетто концевых стержней:
5,438∙10-4
м² = 5,438 см².
принимаем диаметр стержня 28 мм с F = 6,158 см² > 5,438 см².
Раскос Д – Б
Раскос Д-Б принимаем из двух стержней арматурной стали класса А 400 с вваренным с одной стороны концевым стержнем из арматурной стали класса А 240 с нарезкой на конце(рисунок 12 б)
Растягивающее усилие в раскосе Д1 = 74740 Н. Требуемая площадь 2-х стержней:
2,409∙10-4
м² = 2,409 см²;
принимаем 2 диаметром 14 мм F = 2*1,539 = 3,078 см² = 3,078*10-4 м2 > 2,409∙10-4 м²
Требуемая площадь нетто концевого стержня:
2,99∙10-4
м² = 2,99 см²;
принимаем диаметр стержня 20 мм с F = 3,142 см² > 2,99 см².
4.5.1. Опорный узел.
Опирание фермы на колонну и соединение верхнего пояса с нижним в опорных узлах производится при помощи стальных сварных башмаков (рисунок 13).
Верхний пояс фермы упирается в плиту, которая приваривается к вертикальным фасонкам и диафрагме. Фасонки и диафрагма свариваются с горизонтальной опорной плитой. Ветви нижнего пояса привариваются к фасонкам.
Требуемая площадь опорной плиты из условия передачи ею реакции опоры фермы на клееные деревянные колонны:
0.0047 м²;
где Rсм =3 МПа – расчётное сопротивление дерева смятию .
С учётом отверстий для анкеров конструктивно принимаем ширину опорной плиты 150 мм и длину её 400 мм.
При этом площадь опорной плиты:
Fоп ф =0.15∙0.400=0.06 м² > 0.0047 м²
Толщину опорной плиты определим из условия прочности на изгиб по сечению 1-1 консольного участка.
Изгибающий момент в полосе плиты единичной ширины в сечении 1-1 определится:
6129,84 Н∙м,
где
1186333 Па=1,19 МПа.
Момент сопротивления полосы плиты:
Wпл
=
.
Из условия прочности требуемый момент сопротивления площади плиты:
Wтр
=![]()
Приравняв Wтр =Wпл получим:
0,0124 м.
Принимаем толщину плиты 13 мм.
Толщина плиты определяется из условия прочности на изгиб, рассматривая полосу плиты единичной ширины.
Изгибающий момент в полоске определяется как в двухпролётной балке с пролётами а=189/2=94,5:
М=
6351,64 Н∙м,
где
5687221 Па = 5,69 МПа.
Толщина плиты определится по формуле:
12,6∙10-3
м=0,013 м.
Принимаем толщину плиты 14 мм.
Круглые стержни панели АД привариваются к фасонкам четырьмя угловыми швами, которые должны воспринимать растягивающее усилие в нижнем поясе И1 = 175460 Н.
Расчетная длина сварного шва определяется из условия на срез согласно п.11.1 [3] по двум сечениям – по металлу шва и металлу границы сплавления.
Максимальный катет шва при сварке листа и круглого стержня:
кf =1,2∙δ=1,2∙8=9,6 мм.
Принимаем кf =8 мм.
Расчётная длина шва по металлу шва определится по формуле:
![]()
=0.0384 м = 38,4 мм,
где γwf =1,0 – коэффициент условий работы шва;
γс =0,95 – кэффициент условий работы узла конструкции.
Расчётная длина шва по металлу границы сплавления определится по формуле:
![]()
=0.0347 м = 34,7 мм,
Принимаем длину шва 150 мм.
4.5.2. Промежуточный узел «Д» по нижнему поясу
В этом узле соединяются четыре элемента фермы: опорная и центральная панель нижнего пояса, стойка и раскос.
Сжатая стойка из клееной древесины опирается на упорный столик, расположенный между двумя стальными фасонками, приваренными к ветвям опорной панели. На концах опорной панели и на фасонках выполнены упоры и, в отверстия которых пропускаются концевые стержни (имеющие резьбу) раскоса и центральной панели нижнего пояса и закрепляются гайками и контргайками.
Толщину плиты опорного столика определим исходя из условия её работы на изгиб.
Нагрузкой на плиту является равномерное давление стойки:
σп
==
= 1865946 Па = 1,87 МПа.
Изгибающий момент определяется как в плите, опёртой по трём сторонам. Однако при отношении а/b < 0,5 влияние опирания на сторону «а» делается незначительным и плита рассчитывается, выделив полосу 1 см как консоль с вылетом «а» по формуле:
М= ;
В данном случае =
= 0.27 < 0.5;
М =
= 2337,5 Н∙м.
Толщина плиты определяется по формуле:
0,01 м,
Принимаем толщину плиты 10 мм.
Ребро опорного столика рассчитывается на изгиб с учётом работы плиты.
Площадь поперечного сечения столика:
Аст =b∙δп +hр ∙δр = 0.1*0.01 + 0.1*0.01 = 2∙10-3 м².
Статический момент площади поперечного сечения относительно оси х1 -х1 :
Sх1
=δр
∙hр
∙(+)=0.01∙0.1∙
= 5.5∙10-5
м3
.
Расстояние от оси х1 -х1 до центра тяжести поперечного сечения:
Z =
=0.0275 м.
Момент инерции площади сечения относительно оси х-х:
Ix
=
=
=
2.35*10-6
м4
;
Момент сопротивления сечения:
Wx
= =
= 3.04∙10-5
м3
.
Изгибающий момент в столике:
М =
где q = σп ∙b = 1,87∙106 ∙0.1 = 187000 Н/м.
М =
= 834,98 Н∙м.
Напряжение в столике:
=
=27466447 Па = 27,47 МПа < Rу
gс
=240*0.95 = 228 МПа.
Сварные швы, прикрепляющие ребро опорного столика к фасонкам, должны воспринять усилие V1 = 61580Н. Расчётная длина сварного шва определяется из условия на срез
- по металлу шва:
![]()
=0.0433 м = 43,3 мм,
где к = 6 мм – минимальный катет швов по таблице 38 [8].
Rwf = 200 МПа – расчетное сопротивление угловых швов по металлу шва для стали С255 и электродах Э46А
- по металлу границы сплавления:
![]()
= 0.0364 м = 36,4 мм.
Привариваем ребро упорного столика к фасонкам по вертикальным плоскостям. При этом фактическая расчётная длина швов определится:
4∙(100–10) = 360 мм > 43,3 мм.
Упорная плита столика приваривается к ребру и фасонкам.
Сварные швы прикрепляющие упор к ветвям нижнего пояса рассчитываются на срез по усилию И2 = 135950 Н.
При кf =6 мм расчётная длина шва по металлу шва определится по формуле:
![]()
= 0.0396 м = 39,6 мм.
Расчётная длина шва по металлу границы сплавления:
![]()
= 0.0358 м = 35,8 мм,
Принимаем длину швов 120 мм.
Сварные швы прикрепляющие фасонки к ветвям нижнего пояса воспринимают усилие равное равнодействующей усилий в нижнем поясе:
∆И = И1 ‑И2 =175460 – 135950 = 39510 Н.
Принимаем, с запасом прочности, длину нижнего шва как и в опорном узле 150 мм, при кf =6 мм.
Концевой стержень центральной панели нижнего пояса фермы Д-Д` приваривается к трём ветвям шестью швами.
При кf =6 мм расчётная длина шва по металлу шва:
![]()
0.0264 м = 26,4 мм.
Расчетная длина шва по металлу границы сплавления:
![]()
= 0.0239 м = 23,9мм.
Принимаем длину шва 70 мм.
Концевой стержень раскоса Д-Б приваривается к двум ветвям четырьмя швами.
При кf =6 мм расчётная длина шва по металлу шва:
![]()
= 0.0218 м = 21,8 мм.
Расчётная длина шва по металлу границы сплавления:
![]()
= 0.0197 м = 19,7 мм.
Принимаем длину шва 70 мм.
4.5.3. Промежуточный узел верхнего пояса В
Глубина прорези от верхней кромки равна 2∙е=2∙40 = 80 мм. Соединение смежных клееных блоков пояса осуществляется при помощи деревянных накладок сечением 69´144 мм(до острожки – доска сечением 75х150), располагаемых с двух сторон и связанных конструктивно болтами Æ 14 мм.
Подбалка, поддерживающая верхний пояс в месте стыка, нижней гранью опирается на стойку, сжимающее усилие в которой V1 = 34520 H.
Площадь смятия равна Fсм = 0.185∙0.104 = 0.0192 м2
Напряжение смятия:
=
= 1797917 Па = 1,8 МПа < Rсм 90
∙mп
= 3∙1.0 = 3,0 МПа.
Принимаем сечение стойки из шести досок 32х200 (после фрезерования слоев и пакета – 185х(4х26)=185х104).
4.5.4. Коньковый узел фермы
Конструкция конькового узла (рисунок 13) предусматривает укрупненную сборку фермы перед ее монтажом из двух шпренгелей.
Стальные опорные элементы приняты конструктивно из листовой стали С255 толщиной 8 мм.
Каждая ветвь раскоса приваривается двумя швами длиной по 70 мм при Кf = 6 мм.
5.Мероприятия по защите деревянных конструкций от возгорания и гниения.
В соответствии с [7] конструктивные решения зданий и сооружений должны обеспечивать возможность периодического осмотра деревянных конструкций и возобновления защитных покрытий.
Защита деревянных конструкций от коррозии, вызываемой воздействием биологических агентов, предусматривает антисептирование, консервирование, покрытие лакокрасочными материалами или поверхностную пропитку составами комплексного действия.
Применяемые в конструкциях металлические элементы надлежит защищать от коррозии в соответствии с п. 5 [7].
При опирании несущих деревянных конструкций необходимо предусматривать установку гидроизоляционных прокладок.
1. Защитную обработку деревянных элементов производить
после выборки гнёзд, снятия фасок, сверления отверстий.
2. Элементы цельного сечения - щит и элементы связей покрыть
составом КДС-А - огнебиозащитное покрытие
3. Клеёные элементы - обработать за 2 раза составом ПФ-115 –
лакокрасочное влагостойкое покрытие.
4. Торцы элементов обмазать герметиком У-30м.
5. Металлические детали окрасить за 2 раза составом ПФ-115 по
грунтовке.
Литература
1 Строительные нормы и правила. Деревянные конструкции. Нормы проектирования. СНиП II-25-80. М. 1995.
2 Строительные нормы и правила. Нормы проектирования. Нагрузки и воздействия. СНиП 2.01.07-85* . Минстрой России. – М.:ГП ЦПП, 1996. – 44 с.
3 Строительные нормы и правила. Стальные конструкции. Нормы проектирования. СНиП II-23-81* . М.1982.
4 Строительные нормы и правила. Защита строительных конструкций от коррозии. СНиП 2.03.11-85. Госстрой СССР. – М.:ГП ЦИТП, 1986. – 46 с.
5 Кравцов Е.А. Расчет и конструирование ограждения покрытия из асбоцементных волнистых листов и сборных дощатых щитов. Методические указания по выполнению курсового и дипломного проекта/ ГИСИ им. В.П. Чкалова. – Горький, 1987. – 40 с.
6 Кравцов Е.А. Покрытие по треугольным металлодеревянным фермам с клееным верхним поясом. Методические указания по выполнению курсового проекта/ ГИСИ им. В.П. Чкалова. – Горький, 1987. – 40 с.