| Скачать .docx |
Дипломная работа: Специализированная поликлиника в г Краснодаре
Министерство образования РФ
Кафедра технологии, организации, экономики строительства и управления недвижимостью
ПОЯСНИТЕЛЬНАЯ ЗАПИСКА
к дипломному проекту
на тему:
«Специализированная поликлиника в городе Краснодаре»
2006
Содержание
Введение
1. Исходные данные для проектирования
2. Генплан
3. Основные сведения о технологическом оборудовании и технологии производства и о функциональном назначении
4. Технико-экономическое сравнение вариантов конструкций и выбор основного варианта
5. Архитектурно-строительная часть
5.1. Объемно-планировочные решения
5.2. Теплотехнический расчет ограждающих конструкций
5.3. Конструктивное решение здания
5.4. Решение фасада, внутренняя отделка помещений
5.5. Инженерное оборудование
6. Расчетно-конструктивная часть
6.1. Расчет железобетонной четырехпролетной рамы
6.2. Сбор нагрузок на междуэтажное перекрытие
6.3. Расчет рамы методом заменяющих рам
6.4. Расчет нижней части колонны по осям В-14
6.5. Расчет стыка колонны с надколонной плитой
6.6. Расчет на воздействие сейсмической нагрузки
7. Технология строительного производства
7.1. Технология строительно-монтажных работ
7.1.1 Определение номенклатуры и объемов внутриплощадочных подготовительных и основных строительно-монтажных работ
7.1.2 Калькуляция трудовых затрат и машиносмен на подготовительные и основные строительно-монтажные работы в целом по объекту
7.1.3 Выбор основных строительно-монтажных машин, оснастки и приспособлений по техническим параметрам
7.1.4 Краткое описание методов выполнения работ
7.1.5 Описание разработанной технологической карты на один из видов строительно-монтажных работ с анализом ее технико-экономических показателей
8. Организация, планирование и управление в строительстве
8.1. Расчет и построение сетевого графика
8.1.1 Карточка-определитель, разработанная с использованием калькуляции трудовых затрат
8.1.2 Сетевой график и его оптимизация
8.2. Строительный генеральный план
8.2.1 Расчет потребности во временных зданиях и сооружениях
8.2.2 Расчет потребности в складских помещениях и площадях
8.2.3 Расчет потребности в воде для нужд хозяйственно-бытовых, технологических и пожаротушения
8.2.4 Расчет потребности в электроэнергии и выбор трансформаторов
8.2.5 Расчет потребности в сжатом воздухе и выбор компрессора
8.2.6 Расчет потребности в тепле и выбор источников временного теплоснабжения
8.2.7 Краткое описание разработанного стройгенплана с анализом его технико-экономических показателей
9. Экономическая часть
9.1. Составление сметной документации
9.1.1 Локальные сметные расчеты
9.1.2 Объектная смета
9.1.3 Сводный сметный расчет
9.2. Технико-экономические показатели по проекту
10. Стандартизация и контроль качества
10.1 Стандартизация
10.2 Контроль качества
11. Безопасность жизнедеятельности на производстве
11.1 Обеспечение безопасных условий труда при устройстве монолитного перекрытия
12. Противопожарные мероприятия
13. Охрана окружающей среды
Список использованной литературы
Введение
В строительстве, как в одной из базовых отраслей, происходят серьезные структурные изменения. Увеличился удельный вес строительства объектов непроизводственного назначения, значительно возросли объемы реконструкции зданий, сооружений, городских микрорайонов, а также требования, предъявляемые к качеству работ, защите окружающей среды, продолжительности инвестиционного цикла строительства объекта. Возникают новые взаимоотношения между участниками строительства, появляются элементы состязательности и конкурентности. Резко изменился масштаб цен, стоимостных показателей, заработной платы, ресурсопотребления. В условиях рыночной экономики несоизмеримо более ощутимыми становятся последствия принимаемых строителями решений. К повышенным требованиям, предъявляемым к инженеру-строителю, относится и умение работать с компьютером.
Графическая часть проекта выполнена в системе автоматического проектирования AutoCAD, которая широко используется во всем мире инженерами-проектировщиками.
Пояснительная записка выполнена на компьютере с использованием программных пакетов MicrosoftWord, MicrosoftExcel,WinСмета 2000.
Дипломный проект "Специализированная поликлиника в городе Краснодаре" выполнен на основании утвержденного эскизного проекта, с выделением очередей строительства.
Проект первой очереди выполнен в соответствии с действующими нормами и правилами градостроительства и пособиями по проектированию учреждений здравоохранения.
Специализированная поликлиника создается на базе второй горбольницы.
Такие медицинские учреждения показали высокую эффективность системы курсового амбулаторного лечения.
Система здравоохранения города нуждается в создании центра по медицинскому обслуживанию инвалидов Великой Отечественной войны, и других войн, практически постоянно поддерживающему их лечению, связанному со старением контингента.
Требования жизни подсказали: решением перечисленных проблем является строительство нового здания Специализированной поликлиники, приспособленной для обслуживания инвалидов и ветеранов всех войн.
В данном проекте уделяется особое внимание монолитному железобетонному каркасу. Так, в разделе 6 представлен расчет и конструирование монолитного каркаса, а в разделе 6 разработана технологическая карта на устройство каркаса из монолитного железобетона.
Дипломный проект содержит 13 разделов и охватывает основные вопросы реального проектирования в строительстве.
1. Исходные данные для проектирования
Площадка для строительства здания “Специализированная поликлиника” находится в западной части города Краснодара на территории диагностического центра.
Район строительства относится по СНиП 2.01.01-82 к IIIB климатическому району, характеризующемуся отрицательными температурами в зимнее время и жарким летом с большой интенсивностью солнечной радиации.
Проект специализированной поликлиники разработан для строительства в регионе со следующими климатическими и инженерными характеристиками:
- расчетная зимняя температура наружного воздуха – -19ºС;
- нормативный вес снегового покрова для I-го района – 0,50 кПа;
- нормативное значение ветрового напора для IV-го района – 0,48 кПа;
- сейсмичность площадки строительства – 7 баллов;
С поверхности до глубины 1,6…1,8 м почва суглинистая темно-коричневая, микропористая, твердая с корнями растений. С глубины 1,8 м до 3,4…4,8 м- суглинок лессовый, темно-бурый, микропористый твердый с гнездами и стяжениями карбонатов до 10…15%. С 4,8 до 5,5…7,5-супесь зеленовато-бурая твердая, микропористая; с 7,5 м до 7,9…11,2 м – суглинок зеленовато-серый, твердый, плотный, ожелезненный.
Грунты ИГЭ 1, ИГЭ 2 и ИГЭ-3 – просадочные (просадочность первого типа). Подземные воды вскрыты на глубине 9,25…11,2 м, значение прогнозного уровня 6,25 м. Глубина сезонного промерзания грунтов – 0,8 м; (СНиП 2.0101-82).
2. Генплан
Площадь участка составляет 0,67 га, в том числе под строительство здания 0,22 га, для благоустройства – 0,45 га.
Участок имеет форму прямоугольника и граничит с северо-востока – оградой диагностического центра, с северо-запада – зеленой зоной и зоной благоустройства центра, с юга- востока и юга-запада с проездами диагностического центра.
Рельеф площадки – пологий склон с уклоном в юга-западном направлении. Абсолютные отметки поверхности земли изменяются от 26,4 до 28,7 м.
На участке, выделенном для благоустройства, запроектированы тротуары и площадки для отдыха.
Инженерные сети размещаются вдоль проездов прямолинейно и параллельно линиям застройки. Водопровод, канализация, кабели проложены в траншеях, тепловые сети в подземных каналах.
Отвод поверхностных вод обеспечен закрытым способом в ливневую канализацию. Для отвода запроектированы железобетонные лотки №1,2,3 с покрытием из решеток.
Генеральный план размещения здания “Специализированная поликлиника” на участке выполнен в целом в границах, выделенных для проектирования с учетом увязки с примыкающей застройкой и конфигурацией проектируемого корпуса.
Главным фасадом здание ориентировано на ул. Красных партизан и формирует облик комплекса.
Таблица 1.1. Основные показатели по генплану.
| № п/п | Наименование показателя | Ед. изм | Существующее положение | Проектируемое положение |
| 1 | Площадь территории | га | 5,6 | 5,6 |
| 2 | Площадь застройки, в том числе проектируемая | м² | 12188 | 14200 |
| 3 | В том числе проектируемая | м² | 2162 | |
| 4 | Площадь озеленения | м² | 21310 | 18990 |
| 5 | Площадь дорог | м² | 16330 | 15560 |
| 6 | Плотность застройки | % | 21,7 | 25,6 |
| 7 | Коэффициент озеленения | 0,38 | 0,34 |
3. Основные сведения о технологическом оборудовании и технологии производства и о функциональном назначении
Проектируемое здание “Специализированная поликлиника “предназначено для сложившейся структуры лечебного учреждения. Состав и площади помещений приняты в соответствии с утвержденными эскизным проектом задания заказчика. Планировочное решение здания определено технологией лечения больных.
В “Специализированной поликлинике” лечебные, вспомогательные и административные помещения располагаются по этажам в следующем порядке:
Подвал – научная фотолаборатория, архив, стерилизационное отделение, хозяйственные и технические помещения;
1-й этаж – вестибюль с регистратурой, аптечный киоск, гардероб, комната охраны, неврологическое, кардиологическое отделение, инфекционный кабинет, административные помещения;
2-й этаж – консультативные отделы, ингалятории с фитотерапией;
3-й этаж – иглорефлексотерапия, мануальная терапия;
4-й этаж – дневной стационар на 24 кушетки.
Все помещения медицинского учреждения оснащены мебелью, медицинской аппаратурой и оборудованием отечественного и импортного производства.
Основные графики движения в комплексе следующие. Посетители с улицы попадают в главный вестибюль с гардеробом, для доступа инвалидов в колясках предусмотрен пандус. После оформления в регистратуре посетители направляются в соответствующие отделения. В остальные отделения посетители поднимаются по главной открытой лестнице или рядом расположенными лифтами, а также двумя рассредоточенными лестницами.
Медицинский персонал входит как через главный вход, так и через служебные входы. Врачебный персонал и медсестры раздеваются в своих кабинетах. Для процедурных медсестер, санитарок предусмотрен отдельный гардероб на первом этаже.
Медикаменты для аптечного киоска и для медицинского учреждения подаются через служебный вход.
На каждом этаже запроектированы кладовые уборочного инвентаря. Мусор выносится в закрываемых бочках через служебный вход.
Доставка материалов, подлежащих стерилизации, их обработка и последующая выдача осуществляется с учетом организации двух потоков (грязного и чистого). Возможность пересечения грузопотоков исключена планировочным решением.
4. Технико-экономическое сравнение вариантов конструкций и выбор основного варианта
Сравниваем три варианта конструктивного решения:
1 Вариант – здание рамно-связевое из монолитного железобетона;
2 Вариант - кирпичное здание;
3 Вариант – здание из керамических камней, облицованное лицевым кирпичом.
Объемы работ, сметную стоимость и трудоемкость по вариантам конструктивных решений определим в табличной форме.
Ведомость объемов работ, трудоемкости и сметной документации вариантов конструктивных решений
Таблица 4.1. 1 Вариант – здание рамно-связевое из монолитного железобетона
| № п/п | Наименование конструктивных элементов и видов работ | Ед. изм. | Кол-во, шт | Расход бетона, м³ | Расход стали, кг | Трудоемкость, чел-ч. | Нормативный источник | Себестоимость, руб. | ||||
| на 1 эл-т | всего | на 1 эл-т | всего | на 1 эл-т | всего | на 1 эл-т | всего | |||||
| 1 | 2 | 3 | 4 | 5 | 6 | 7 | 8 | 9 | 10 | 11 | 12 | 13 |
| 1 | Устройство ж/б колонн высотой до 6 м, периметром до 2 м | шт | 32 | 0,576 | 18,432 | - | - | 11,17 | 374,4 | ЕРЕР 6-109 | 55.3 | 1019,3 |
| 2 | Стоимость арматуры | кг | 32 | - | - | 72,56 | 2,321 | - | - | СНиП IV-4-82 п.5 | 26,5 | 615,33 |
| 3 | Устройство ж/б стен и перегородок, высотой до 6 м, толщиной до 200 мм | м³ | 36,72 | 1 | 36,72 | - | - | 13,7 | 503,06 | ЕРЕР 6-150 | 53,1 | 1949,8 |
| 4 | Стоимость арматуры | кг | - | - | - | 140 | 5460 | - | - | СНиП IV-4-82 п.18 | 28,3 | 1545,2 |
| 5 | Устройство легкобетонных стен и перегородок высотой до 6 м, толщиной до 500 мм | м³ | - | 1 | 168,6 | - | - | 7,04 | 1186,9 | ЕРЕР 6-152 | 37,9 | 6389,9 |
| 6 | Стоимость арматуры | кг | - | - | - | 50,3 | 17197 | - | - | СНиП IV-4-82 п.17 | 25,6 | 2173,4 |
| 7 | Устройство безбалочных перекрытий, толщиной более 200 мм | м³ | - | 1 | 103,5 | - | - | 5,91 | 611,7 | ЕРЕР 6-175 | 34,6 | 3581,1 |
| 8 | Стоимость арматуры | кг | - | - | - | 66,0 | 6831 | - | - | СНиП IV-4-82 п.11 | 27,7 | 1892,2 |
| Итого прямых затрат | 2661ч-ч | 19166,3 | ||||||||||
| 325 ч-д | ||||||||||||
| в том числе материалы | 17303,5 | |||||||||||
| Накладные расходы 14,2% | 2721,6 | |||||||||||
| Итого себестоимость: | 21877,9 | |||||||||||
Таблица 4.1. 2 Вариант – кирпичное здание
| № п/п | Наименование конструктивных элементов и видов работ |
Ед. изм. | Кол-во, шт | Расход бетона, м³ | Расход стали, кг | Трудоемкость, чел-ч. | Нормативный источник | Себестоимость, руб. | ||||
| на 1 эл-т | всего | на 1 эл-т | всего | на 1 эл-т | всего | на 1 эл-т | всего | |||||
| 1 | 2 | 3 | 4 | 5 | 6 | 7 | 8 | 9 | 10 | 11 | 12 | 13 |
| 1 | Кладка наружных стен простых при высоте этажа до 4 м из керамического кирпича, толщиной 510 мм | м³ | 165,3 | - | - | - | - | 4,05 | 669,5 | ЕРЕР 8-30 | 32,93 | 5570,6 |
| 2 | Стены внутренние, при высоте этажа до 4 м из керамического, толщиной 380 мм | м³ | 71,9 | - | - | - | - | 3,9 | 280,8 | ЕРЕР 8-36 | 33,7 | 2426,4 |
| 3 | Стены внутренние, при высоте этажа до 4 м из керамического, толщиной 250 мм | м³ | 22,7 | - | - | - | - | 3,9 | 179,4 | ЕРЕР 8-36 | 33,7 | 764,9 |
| 5 | Изоляция поверхностей из пенопласта на битуме стен | м³ | 24,5 | - | - | - | - | 19,5 | 477,8 | ЕРЕР 26-38 | 38,2 | 935,9 |
| 6 | Стоимость пенопласта | м³ | 24,01 | - | - | - | - | - | - | С114-721 | 30,1 | 772,7 |
| 6 | Укладка перемычек массой до 0,3 т, при наибольшей массе монтажных элементов до 0,8 т и высоте здания 30 м | шт | 114 | - | - | - | - | 0,13 | 14,9 | ЕРЕР 7-445 | 0,3 | 26,22 |
| 7 | Стоимость перемычек | м³ | 4,72 | - | 14,95 | - | 732,5 | - | - | ССЦ 1668 | 66 | 311,5 |
| 8 | Стоимость арматуры | т | 0,732 | - | - | - | - | - | - | СНиП IV-4-82 п.11 | 250 | 183,0 |
| 9 | Укладка плит перекрытий шириной 1,5 м при наибольшей массе элементов до 0,5 т | шт | 46 | - | - | - | - | 2,52 | 115,92 | ЕРЕР 7-226 | 9,32 | 428,7 |
| 10 | Стоимость плит перекрытий | м² | 414 | - | - | - | - | - | - | ССЦ 1021 | 17,2 | 7120,8 |
| 11 | Улучшенная штукатурка внутренних поверхностей стен | 100 м² | 8.83 | - | - | - | - | 121 | 1068 | ЕРЕР 15-268 | 154,0 | 1359,8 |
| Итого прямых затрат | 2716 | 2716 | 19805,9 | |||||||||
| 331 | ||||||||||||
| в том числе материалы | 17818,6 | |||||||||||
| Накладные расходы 14,2% | 2818,8 | |||||||||||
| Итого себестоимость | 22669,7 | |||||||||||
Таблица 4.3. 3 Вариант – здание из керамических камней, облицованное лицевым кирпичом
| № п/п | Наименование конструктивных элементов и видов работ | Ед. изм. | Кол-во, шт | Расход бетона, м³ | Расход стали, кг | Трудоемкость, чел-ч. | Нормативный источник | Себестоимость, руб. | ||||
| на 1 эл-т | всего | на 1 эл-т | всего | на 1 эл-т | всего | на 1 эл-т | всего | |||||
| 1 | 2 | 3 | 4 | 5 | 6 | 7 | 8 | 9 | 10 | 11 | 12 | 13 |
| 1 | Кладка наружных стен толщиной 510 мм из камней с облицовкой лицевым кирпичом | м³ | 165,3 | - | - | - | - | 4,71 | 778,6 | ЕРЕР 8-30 | 8,35 | 1380,2 |
| 2 | Стены внутренние, при высоте этажа до 4 м из керамического, толщиной 380 мм | м³ | 72,0 | - | - | - | - | 3,9 | 280,8 | ЕРЕР 8-36 | 33,7 | 2426,4 |
| 3 | Стены внутренние, при высоте этажа до 4 м из керамического, толщиной 250 мм | м³ | 22,7 | - | - | - | - | 3,9 | 179,4 | ЕРЕР 8-36 | 33,7 | 764,9 |
| 4 | Стоимость камней керамических | тыс.шт на 1 м³ | 0,129х165,3 =21,3 |
- | - | - | - | - | - | ССЦ т.1 п.162 | 83,1 | 1770 |
| 5 | Изоляция поверхностей из пенопласта на битуме стен | м³ | 24,5 | - | - | - | - | 19,5 | 477,7 | ЕРЕР 26-38 | 38,2 | 935,9 |
| 6 | Стоимость пенопласта | м³ | 24,01 | - | - | - | - | - | - | С114-721 | 30,1 | 722,7 |
| 7 | Стоимость лицевого кирпича | тыс.шт на 1 м³ | 0,138х165,3 =22,8 |
- | - | - | - | - | - | ССЦ т.1п. 177 | 170 | 3876 |
| 8 | Укладка перемычек массой до 0,3 т, при наибольшей массе монтажных элементов до 0,8 т и высоте здания 30 м | шт | 114 | - | - | - | - | 0,13 | 14,82 | ЕРЕР 7-445 | 0,3 | 26,22 |
| 9 | Стоимость перемычек | м³ | 4,72 | - | - | - | - | - | - | ССЦ 1668 | 66 | 311,5 |
| 10 | Стоимость арматуры | т | 0,732 | - | - | - | - | - | - | СНиП IV-4-82 п.11 | 250 | 183,0 |
| 11 | Укладка плит перекрытий шириной 1,5 м при наибольшей массе 0,5 т | шт | 46 | - | - | - | - | 2,52 | 115,9 | ЕРЕР 7-226 | 9,32 | 428,7 |
| 12 | Стоимость плит перекрытий | м² | 414 | - | - | - | - | - | - | ССЦ 1021 | 17,2 | 7120,8 |
| 13 | Улучшенная штукатурка стен | 100 м² | 8,83 | - | - | - | - | 124 | 1068 | ЕРЕР 15-268 | 154,0 | 1359,8 |
| Итого прямых затрат | 2824 | 21306,4 | ||||||||||
| 344 | ||||||||||||
| в том числе материалы | 19153,6 | |||||||||||
| Накладные расходы 14,2% | 3025,5 | |||||||||||
| Итого себестоимость | 24331,8 | |||||||||||
Из таблиц №4.1, 4.2 и 4.3 видно, что наибольшую трудоемкость осуществления конструктивного решения имеет 3-й вариант. Его принимаем за базовый при проведении сравнения.
2. Определим продолжительность возведения конструкций
tдн = mi / (nRS) (4.1)
где
- продолжительность возведения конструкций;
- трудоемкость возведения конструкций i-го варианта, чел.-дн.;
n - количество бригад, принимающих участие в возведении конструкций;
R - количество рабочих в бригаде, чел;
S - принятая сменность работы в сутки.
Подсчет величины продолжительности строительства исчисленной в днях на величину в годах осуществляется по формуле:
ti
=
(4.2)
где 260 - среднее число рабочих дней в году при 5-ти дневной рабочей неделе.
Принимаем сопоставимые условия проведения работ:
- одинаковое количество рабочих бригад - 1;
- число рабочих в бригаде -
;
- работы проводятся в одну смену -
.
Продолжительность осуществления конструктивных решений по вариантам составит:
tдн1 = 325/1х5х1=65 дней
= 65/260 = 0,250 года
tдн2 = 331/1х5х1=66 дней
= 66260 = 0,254года
tдн3 =215/1х5х1=69 дней
= 69/260 = 0,265 года
3. Определение основных производственных фондов.
Для проведения монтажных работ принят башенный кран КБ-403А, инвентарно-расчетная стоимость которого составляет 55,6 тыс. руб.
4. Определим величину оборотных средств по приближенному расчету. Она принимается в размере норматива оборотных средств в производственные запасы для осуществления конструктивного решения и величины оборотных средств в незавершенное строительство по конструктивному решению
Фобi =
, (4.3)
где 1.08 - коэффициент перехода от сметной себестоимости к сметной стоимости;
- сметная себестоимость конструктивного решения, руб;
- норматив производственных запасов на складах стройплощадки, руб, определяется по формуле:
Зм =
(4.4)
где М - однодневный расход основных материалов, деталей и конструкций, шт, м2, м3 и т.д.;
Ц - сметная цена материалов, деталей и конструкций, руб;
- норма запаса основных материалов, деталей и конструкций в днях (принимается в размере 10 дней)
Получаем следующие величины оборотных средств по вариантам:
Фоб1 =![]()
руб
Фоб2 =
руб
Фоб3 =
руб
5. Определим приведенные затраты по принятым вариантам конструктивных решений здания с учетом затрат на текущий ремонт, амортизацию и содержание конструкций. Эксплуатационные затраты на отопление, освещение, вентиляцию и прочее условно принимаются одинаковыми и в расчетах не учитываются.
Величина годовых эксплуатационных затрат определяется по формуле:
Иi =
(4.5)
где
- норматив амортизационных отчислений на реновацию, %;
-норматив амортизационных отчислений на капитальный ремонт, %;
- норматив отчислений на текущий ремонт и содержание конструкций, %;
- сметная себестоимость конструктивного решения, руб.
Согласно приложения 4 суммарная величина амортизационных отчислений для вариантов составит:
1-й вариант -Н1+Н2+Н3 = 0,67+0,19+0,1 = 0,96%
2-й вариант -Н1+Н2+Н3 = 0,8+0,27+0,25 = 1,32%
3-й вариант -Н1+Н2+Н3 = 0,8+0,27+0,45 = 1,52%
Величины годовых эксплуатационных затрат по вариантам:
И1 =
руб
И2 = ![]()
руб
И3 =
руб
6. Поскольку сопутствующие капитальные вложения по вариантам отсутствуют, то они принимаются равными нулю.
Величину капитальных вложений определим исходя из удельного усредненного показателя сметной стоимости 1 м3 здания и приближенного переходного коэффициента от сметной стоимости к капитальным вложениям по формуле:
Кб =
(4.6)
где
=15 - удельный усредненный показатель сметной стоимости строительно-монтажных работ 1 м3 здания, принимается по приложению 5, руб/м3;
- 7257,6 м3 -объем здания;
- приближенный переводной коэффициент от сметной стоимости СМР к капитальным вложениям принят - 1,5;
,
- коэффициенты учета территориального пояса и вида строительства, принимаемые по приложениям 2,3.
Величина капитальных вложений по базовому варианту:
Кб =
руб
7. Величина капитальных вложений для сравниваемых вариантов определяется по формуле:
Кс =
(4.7)
где
- сметная себестоимость базового варианта конструктивного решения, руб;
- сметная себестоимость конструктивного решения сравниваемого варианта, руб.
Капитальные вложения по сравниваемым вариантам:
К1 =
руб
К2 =
руб
8. Для сравниваемых вариантов конструктивных решений продолжительность строительства определяется по формуле:
Тс =
(4.8)
где
- продолжительность строительства базового варианта принята равной 15,5 мес =1,29 года (СНиП 1.04.03-85)
Продолжительность строительства для сравниваемых вариантов:
Тс1 =![]()
года
Тс2 =
года
9. Экономический эффект от сокращения продолжительности строительства рассчитывается по формуле:
Эф =
(4.9)
где Ен - нормативный коэффициент экономической эффективности капитальных вложений.
Для 1-го варианта по отношению к базовому:
Эф2 =
руб
Для 2-го варианта по отношению к базовому:
Эф3 =
руб
Приведенные затраты определяются по формуле:
Зi =
(4.10)
где Фоснi - стоимость основных производственных фондов, участвующих в процессе возведения i-го конструктивного решения, руб.
10. Величина приведенных затрат по вариантам:
З1 =
руб
З2 =
руб
З3 =
руб
13. Окончательные результаты сводим в таблицу.
Таблица 4.4 Технико-экономические показатели
| Nп/п | Наименование показателей | Ед. Изм. | Вариант | ||
| 1 | 2 | 3 | |||
| 1 | Сметная себестоимость конструктивного решения | тыс.руб. | 21,9 | 22,7 | 24,3 |
| 2 | Трудоемкость осуществления конструктивного решения | чел.-дн. | 325 | 331 | 344 |
| 3 | Продолжительность осуществления конструктивного решения | годы | 1,275 | 1,279 | 1,290 |
| 4 | Расход материалов на 1 м2 конструктивного решения а) Бетон |
м3 /м2 | 0,31 | 0,08 | 0,08 |
| б) Сталь | кг/м2 | 54,6 | 8,4 | 8,4 | |
| 5 | Приведенные затраты | тыс.руб. | 34,7 | 35,7 | 37,5 |
На основе расчетов технико-экономических показателей и приведенных затрат по вариантам видно, что по первому варианту конструктивного решения получены наиболее предпочтительные величины. Следовательно, этот вариант должен быть принят для дальнейшей детальной проработки.
5. Архитектурно строительная часть
5.1 Объемно-планировочные решения
Специализированная поликлиника представляет собой разновысотный объем сложной формы. Здание вытянуто вдоль ул. Красных партизан и выходит на нее главным фасадом.
Здание состоит из четырех и одноэтажных частей. Наибольшую площадь занимает первый этаж, в который вошли центральный лестнично-лифтовый узел с вестибюлем. В нем расположены гардероб и регистратура. Широкие двери ведут в три отделения, вошедшие в первую очередь: неврологическое, кардиологическое. Отделения имеют светлые рекреации с зимним садом. На второй и последующие этажи можно подняться по центральной лестнице. Рядом с лестницей находится лифтовый холл, оснащенный больничным лифтом на 12 человек с широким входным проемом, что дает возможность пользоваться им инвалидам на колясках. Из вестибюля посетители могут попасть в любое из отделений, расположенное на первом этаже, либо подняться на следующие этажи.
На втором этаже находятся кабинеты врачей консультационного отделения. Налево от центральной лестницы расположен фитобар с подсобным помещением, рядом можно получить консультацию специалиста.
Через холл посетители попадают в зимний сад, который выполнен из легких конструкций, имеет остекленный потолок и две стены. Площадь зимнего сада заполнена озеленением и банкетками для отдыха.
Третий этаж занимает отделение физиотерапии, кабинет психологической разгрузки.
На четвертом этаже расположен стационар дневного пребывания на 24 койки.
На всех этажах предусмотрены санузлы с учетом обслуживания инвалидов.
Здание завершает машинное отделение лифтов и венткамера, в которые можно попасть по центральной лестнице.
Под частью здания, выходящей к проезду между реабилитационным корпусом и существующим диагностическим корпусом, находится цокольный этаж. С этой стороны отметка его пола выходит почти на поверхность и помещения имеют естественное освещение.
В цокольном этаже расположены стерилизационная, комплекс помещений сауны с отдельным входом, архив, актовый зал на 96 мест и буфет с подсобными помещениями. Часть этажей заняты техническими помещениями.
Комплекс помещений сауны начинается с раздевалки, при которой предусмотрен санузел. Далее посетители попадают в помещение с душевыми.
Здание реабилитационного корпуса, имея изрезанные очертания, живописно вписывается в окружающую зеленую зону. Остекление принято тонированными зеркальными стеклопакетами теплого тона. Стены из пенобетона. Основной колер стен – белый. Цоколь и часть первого этажа отделаны плитами из натурального камня по сетке на цементно – песчаном растворе.
Основные технико-экономические показатели:
объем здания – 10101 м³
общая площадь – 2856 м
полезная площадь – 2528 м²
площадь застройки –1158,1 м²
5.2 Теплотехнический расчет ограждающих конструкций
Расчет производится согласно главы СНиП П-3-79 «Строительная теплотехника» и СНКК 23-302-2000 (ТСН 23-302-2000 Краснодарского края) Энергетическая эффективность жилых и общественных зданий. Нормы по теплозащите зданий и методических указаний к курсовому и дипломному проектированию «Теплотехнический расчет ограждающих конструкций зданий».
Расчетные условия ( по данным СНКК 23-302-2000):
1. Расчетная температура внутреннего воздуха – tint = +210 С;
2. Расчетная температура наружного воздуха – text = - 190 С;
(температура наиболее холодной пятидневки)
5. Продолжительность отопительного периода Zext = 168 сут.;
6. Средняя температура наружного воздуха за отопительный период text av +2,80 С;
7. Градусосутки отопительного периода Dd = 30580 С.
8. Назначение – лечебное.
9. Размещение в застройке – отдельностоящее.
10. Тип – четырехэтажное.
11. Конструктивное решение – рамно-связевое из монолитного бетона с самонесущими стенами из пенобетона.
Объемно-планировочные параметры здания:
12. Общая площадь наружных стен, включая окна и двери
Aw+F+ed
= Pst
× Hh
=
м2
Площадь наружных стен (за минусом площади окон и входных дверей):
Aw = 1974,9 – 542,5 – 5,76 = 1426,64 м2
AF = 542,5 м2 – площадь окон и витражей;
Aed = 2.4×2.4 = 5,76 м2 – площадь входной двери.
Площадь покрытия и площадь пола 1-го этажа равны:
Ас = Аst = 885,4 м2
13. Площадь наружных ограждающих конструкций определяется как сумма площади стен (с окнами и входными дверьми) плюс площадь пола, плюс площадь совмещенного покрытия:
Ае sum = Aw + F + ed + Ас + Аst = 1974,9+885,4+885,4 = 3745,7 м2
14-15. Площадь отапливаемых помещений (общая площадь) Аh и полезная площадь Аr :
Аh
=580,5+
м2
Аr =2856,4-327,8=2528,6 м2,
16. Отапливаемый объем здания:
Vh
=Ast
×Hh
=
м3
17-18. Показатели объемно-планировочного решения:
- коэффициент остекленности здания: Р =АF / Aw + F + ed = 542,5/1974,9= 0,27;
- показатель компактности здания: Ке des = Ае sum / Vh = 3745,7/10101 = 0,37.
Теплотехнические показатели
19. Согласно СниП П-3-79приведенное сопротивление теплопередаче наружных ограждений R0 r , м2 0 С/Вт должно приниматься не ниже требуемых значений R0 red , которые устанавливаются по табл. 1б в зависимости от градусосуток отопительного периода.
Для Dd = 30580 С×сут требуемое сопротивление теплопередаче равно для:
- стен Rw red = 2,46 м2 ×0 С/Вт;
- окон и балконных дверей Rf red = 0,377 м2 ×0 С/Вт;
- входных дверей Rw red = 1,35 м2 ×0 С/Вт;
- совмещенное покрытие Red red = 3,6 м2 ×0 С/Вт;
- пол первого этажа Rf = 3,25 м2 ×0 С/Вт;
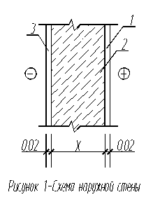
Определимся с конструкциями и рассчитаем толщины утеплителей наружных ограждений по принятым сопротивлениям теплопередачи. Схема конструкции стены приведена на рисунке 1.

1. Известково-песчанный раствор плотностью 1600 кг/м3
d1
=20 мм, с коэффициентом теплопроводности
А =0,70 Вт/(мо
С)
2. Пенобетон плотностью 600 кг/м3
d2
=Х мм, с коэффициентом теплопроводности
А =0,22 Вт/(мо
С)
3. Цементно-песчанный раствор плотностью 1800 кг/м3
d3
=20 мм, с коэффициентом теплопроводности
А =0,76 Вт/(мо
С
Определяем требуемое сопротивление теплопередаче стены, исходя из санитарно-гигиенических и комфортных условий:
м2
×0
С/Вт
R0 =RВ +Rраств +Rж/б +Rраств + Rн =Ro треб
R0
=
м2
×0
С/Вт
[2,46 – (0,115 +0,028+ 0,026 + 0,043)]×0,22 = x
x = 0,5 dбет =0,5 м
толщина стены 0,5+0,02= 0,54 м
Для обеспечения требуемого по градусосуткам сопротивления теплопередаче совмещенного покрытия R0 тр = 3,6 м2 ×0 С/Вт определяем толщину утеплителя в многослойной конструкции покрытия (термическое сопротивление пароизоляции отнесены в запас), схема которого приведена на рисунке 2.

1. Железобетонная монолитная плита плотностью 2500 кг/м3
d1
=250 мм, с коэффициентом теплопроводности
А =1,92 Вт/(мо
С)
2. Утеплитель-пенополистирол плотностью 150 кг/м3
d2
=Х мм, с коэффициентом теплопроводности
А =0,052 Вт/(мо
С)
3. Цементно-песчанный раствор плотностью 1800 кг/м3
d3
=40 мм, с коэффициентом теплопроводности
А =0,76 Вт/(мо
С)
R0 =RВ +Rж/б +Rутеп +Rраств + Rн =Ro треб
R0
=
м2
×0
С/Вт
1/8,7+0,25/1,92 + X/0,052+ 0,04/0,76 + 1/23= 2,46
[3.6-(0,115+0,13 +0,052+0,043)]×0,052 = X
X = (3,6-0,34)×0,052= 0,169 м
dут = 17 см
Для обеспечения требуемого по градусо-суткам сопротивления теплопередаче R0 тр = 3,25 м2 ×0 С/Вт перекрытия по грунту, определяем его конструкцию и рассчитаем толщину утеплителя (рис. 3).

1. Цементно-песчанный раствор плотностью 1800 кг/м3
d1
=40 мм, с коэффициентом теплопроводности
А =0,76 Вт/(мо
С)
2. Утеплитель-керамзит плотностью 300 кг/м3
d2
=Х мм, с коэффициентом теплопроводности
А =0,12 Вт/(мо
С)
3. Железобетонная монолитная плита плотностью 2500 кг/м3
d3
=250 мм, с коэффициентом теплопроводности
А =1,92 Вт/(мо
С)
R0 =RВ + Rраств + Rутеп +Rж/б + Rн =Ro треб
R0
=
м2
×0
С/Вт
1/8,7+0,04/0,76 + X/0,12+ 0,25/1,92 + 1/23= 3,25
[3,25-(0,115+0,052 +0,13+0,043)]×0,12 = X
X = (3,25-0,34)×0,12= 0,349 м принимаем dут = 35 см
20. Приведенный трансмиссионный коэффициент теплопередачи:
Km tr = b(Aw /Rw r +AF / RF r + Aed / Rtd r +n×Ac / Rc r + n×Af / Rf r )/ Ае sum
Km tr = 1,1(1426,6/2,46 + 542,5/0,38 + 5,75/1,35 + 1×885,4/3,6 +0,6×885,4/3,25)/3745,7 = 1.1(597,67 + 1427,6 + 4,25 + 245,94+163,45)/3745,7 = 0,651 (Вт/м2 ×0 С),
21. Воздухопроницаемость наружных ограждений принимается по таблице 12* СниП П-3-79*. Согласно этой таблице воздухопроницаемость стен, покрытия, перекрытия первого этажа Gm w = Gm c = Gm f = 0,5 кг/(м2 ×0 С), окон и деревянных переплетов и балконных дверей Gm F = 6 кг/(м2 ×0 С).
22. Требуемая среднесуточная кратность воздухообмена в общественных зданиях, функционирующих не круглосуточно, определяется по формуле:
где
— продолжительность рабочего времени в учреждении, ч;
— кратность воздухообмена в рабочее время, ч-1
, согласно СНиП 2.08.02 для учебных заведений, поликлиник и других учреждений, функционирующих в рабочем режиме неполные сутки, 0,5 ч-1
в нерабочее время;
na
=
=0,75 ч-1
23. Приведенный инфильтрационный (условный) коэффициент теплопередачи здания определяется по формуле:
Кm inf = 0.28×c×na ×bv ×Vh ga ht ×k/Ac sum , ga ht =353/(275+text av )
Кm inf = 0,28×1×0,75×0,85×10101×1,27×0,8/3745,7 = 0,489 (Вт/м2 ×0 С).
24. Общий коэффициент теплопередачи здания, (Вт/м2 ×0 С) определяемый по формуле:
Кm = Km tr + Кm inf = 0,651+0,489 = 1,14 (Вт/м2 ×0 С)
Теплоэнергетические показатели
25. Общие теплопотери через ограждающую оболочку здания за отопительный период, МДж
Qh = 0.0864×Km ×Dd × Ae sum = 0,0864×1,14×3058×3745,7 = 1128207(МДж)
26. Удельные бытовые тепловыделения qint , Вт/м3 , следует устанавливать исходя из расчетного удельного электро- и газопотребления здания, но не менее 10 Вт/м3
Принимаем 12 Вт/м3 .
27. Бытовые теплопоступления в здание за отопительный период, МДж:
Qint = 0,0864×qint ×Zht ×AL = 0,0864×12×168×2528,6 = 440437 МДж
28. Теплопоступления в здание от солнечной радиации за отопительный период, МДж:
Qs =tF ×kF ×(AF1 l1 +AF2 l2 + AF3 l3 +AF4 l4 )= 0,9×0,9×(185,26×382+ 131,26×816+ 98,52 ×382+126,96×816)= 0,81×(70769+107108+37634+103599)=258479 МДж
29. Потребность в тепловой энергии на отопление здания за отопительный период, МДж, определяют по формуле:
Qh y = [Qh – (Qint + Qs )×Y]×bh
Qh y = [1128207- (440437+258479)×0,8]×1,13 = 643053 МДж
30.Удельный расход тепловой энергии на отопление здания qh des , кДж/(м3 ×0 Ссут): qh des = 103 Qh y /Ah ×Dd
qh des = 103 ×643053 /10101×3058 = 20,81 кДж/(м3 ×0 Ссут)
Разница между удельным расходом энергии на отопление здания и требуемым (20,81 против 31) составляет 32,87%, что превышает допустимую разницу (5%), поэтому необходим пересмотр вариантов до достижения условия:
qh reg ≥ qh des .
Уменьшаем приведенные сопротивления теплопередачи ограждающих конструкций, определенные по таблице 1”б” СНиП II-3-79*, исходя из условий энергосбережения. (Изменения вносим в пункт 19).
19. Для второго этапа принимаем следующие сопротивления ограждающих конструкций:
- стен Rw red = 1,72 м2 ×0 С/Вт;
- окон и балконных дверей Rf red = 0,377 м2 ×0 С/Вт;
- входных дверей Rw red = 1,35 м2 ×0 С/Вт;
- совмещенное покрытие Red red = 20,5 м2 ×0 С/Вт;
- пол первого этажа Rf = 1,15 м2 ×0 С/Вт;
20. Приведенный трансмиссионный коэффициент теплопередачи:
Km tr = b(Aw /Rw r +AF / RF r + Aed / Rtd r +n×Ac / Rc r + n×Af / Rf r )/ Ае sum
Km tr = 1,1(1426,6/1,72 + 542,5/0,38 + 5,75/1,35 + 1×885,4/2,05 +0,6×885,4/3,25)/3745,7 = 1.1(829,4 + 1427,6 + 4,25 + 431,9+769,9)/3745,7 = 0,92 (Вт/м2 ×0 С),
21. (Без изменения.) Воздухопроницаемость наружных ограждений принимается по таблице 12* СниП П-3-79*. Согласно этой таблице воздухопроницаемость стен, покрытия, перекрытия первого этажа Gm w = Gm c = Gm f = 0,5 кг/(м2 ×0 С), окон и деревянных переплетов и балконных дверей Gm F = 6 кг/(м2 ×0 С).
22. (Без изменения.) Требуемая среднесуточная кратность воздухообмена в общественных зданиях, функционирующих не круглосуточно, определяется по формуле:
где
— продолжительность рабочего времени в учреждении, ч;
— кратность воздухообмена в рабочее время, ч-1
, согласно СНиП 2.08.02 для учебных заведений, поликлиник и других учреждений, функционирующих в рабочем режиме неполные сутки, 0,5 ч-1
в нерабочее время;
na
=
=0,75 ч-1
24. Общий коэффициент теплопередачи здания, (Вт/м2 ×0 С) определяемый по формуле:
Кm = Km tr + Кm inf = 0,92+0,489 = 1,409 (Вт/м2 ×0 С)
Теплоэнергетические показатели
25. Общие теплопотери через ограждающую оболочку здания за отопительный период, МДж
Qh = 0.0864×Km ×Dd × Ae sum = 0,0864×1,409×3058×3745,7 = 1394425,7(МДж)
26. (Без изменения.) Удельные бытовые тепловыделения qint , Вт/м3 , следует устанавливать исходя из расчетного удельного электро- и газопотребления здания, но не менее 10 Вт/м3
Принимаем 12 Вт/м3 .
27. (Без изменения.) Бытовые теплопоступления в здание за отопительный период, МДж:
Qint = 0,0864×qint ×Zht ×AL = 0,0864×12×168×2528,6 = 440437,3 МДж
28. (Без изменения.) Теплопоступления в здание от солнечной радиации за отопительный период, МДж:
Qs =tF ×kF ×(AF1 l1 +AF2 l2 + AF3 l3 +AF4 l4 )= 0,9×0,9×(185,26×382+131,26×816 +98,52 ×382+126,96×816)= 0,81×(70769+107108+37634+103599)=258479 МДж
29. Потребность в тепловой энергии на отопление здания за отопительный период, МДж, определяют по формуле:
Qh y = [Qh – (Qint + Qs )×Y]×bh
Qh y = [1394425,7- (440437,3+258479,1)×0,8]×1,13 = 943880,2 МДж
30. Удельный расход тепловой энергии на отопление здания qh des , кДж/(м3 ×0 Ссут): qh des = 103 Qh y /Ah ×Dd
qh des = 103 ×943880,2 /10101×3058 = 30,55 кДж/(м3 ×0 Ссут)
При требуемом qh red = 31 кДж/(м3 ×0 Ссут)
По принятым сопротивлениям теплопередаче определимся конструкциями ограждений и толщиной утеплителя совмещенного покрытия и перекрытия первого этажа.
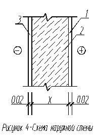
Стены: принимаем следующую конструкцию стены, теплотехнические характеристики материалов (рис. 4)
1. Известково-песчанный раствор плотностью 1600 кг/м3
d1
=20мм, с коэффициентом теплопроводности
А =0,70 Вт/(мо
С)
2. Пенобетон плотностью 800 кг/м3
d2
=Х мм, с коэффициентом теплопроводности
А =0,33 Вт/(мо
С)

3. Цементно-песчаный раствор плотностью 1800 кг/м3
d3
=20 мм, с коэффициентом теплопроводности
А =0,76 Вт/(мо
С)
Сопротивление теплопередаче:
R0 =RВ +Rраств +Rж/б +Rраств + Rн =Ro треб
R0
=
м2
×0
С/Вт
[1,72 – (0,115 + 0,028+0,026 + 0,043)]×0,33 =δ2
откуда толщина пенобетона δ2 =0,5 м
Совмещенное покрытие: принимаем следующую конструкцию совмещенного покрытия, теплотехнические характеристики материалов (рис. 5)
1. Цементно-песчаный раствор плотностью 1800 кг/м3
d1
=20 мм, с коэффициентом теплопроводности
А =0,76 Вт/(мо
С)
2. Утеплитель-газобетон плотностью 600 кг/м3
d2
=Х мм, с коэффициентом теплопроводности
А =0,22 Вт/(мо
С)
3. Железобетонная монолитная плита плотностью 2500 кг/м3
d3
=250 мм, с коэффициентом теплопроводности
А =1,92 Вт/(мо
С)

R0 =RВ +Rж/б +Rутеп +Rраств + Rн =Ro треб
R0
=
м2
×0
С/Вт
1/8,7+0,25/1,92 + X/0,22+ 0,02/0,76 + 1/23= 1,45
[1,45-(0,115+0,13 +0,026+0,043)]×0,22 = X
X = (1,45-0,314)×0,22= 0,249 м
Принимаем dут = 25 см
Перекрытие первого этажа: принимаем следующую конструкцию перекрытия первого этажа, теплотехнические характеристики материалов (рис. 6)
1. Цементно-песчаный раствор плотностью 1800 кг/м3
d1
=20 мм, с коэффициентом теплопроводности
А =0,76 Вт/(мо
С)
2. Утеплитель-газобетон плотностью 300 кг/м3
d2
=Х мм, с коэффициентом теплопроводности
А =0,11 Вт/(мо
С)
3. Железобетонная монолитная плита плотностью 2500 кг/м3
d3
=250 мм, с коэффициентом теплопроводности
А =1,92 Вт/(мо
С)
R0 =RВ + Rраств + Rутеп +Rж/б + Rн =Ro треб
R0
=
м2
×0
С/Вт
1/8,7+0,02/0,76 + X/0,11+ 0,25/1,92 + 1/23= 1,15
[1,15-(0,115+0,026 +0,13+0,043)]×0,11 = X
X = (1,15-0,314)×0,11= 0,9 м принимаем dут = 90 см

5.3 Конструктивное решение здания
Конструктивные решения обусловлены архитектурно – планировочными требованиями и приняты в соответствии с архитектурным заданием.
Здание рамно-связевое из монолитного железобетона с безригельными перекрытиями.
Фундаменты приняты из условия ограничения возможных деформаций для многоэтажной части из кустов свай, для одноэтажных пристроек – плитные фундаменты. Перекрытия – монолитные железобетонные. Кровля – плоская из рулонных материалов, утепленная газобетоном.
Отмостка вокруг здания – бетонная шириной 1000 мм. Стены – из монолитного пенобетона с поэтажным опиранием на консоли перекрытий.
Перегородки – кирпичные толщиной 120 мм и на металлическом каркасе с двухсторонней обшивкой гипсокартонными листами в два слоя.
5.4 Решение фасада, внутренняя отделка помещений
Стены из пенобетона покрыты штукатуркой типа “Drewa”. Основной колер стен – белый. Цоколь и часть первого этажа отделаны плитами из натурального камня по сетке на цементно-песчаном растворе. Остекление принято зеркальными стеклопакетами.
Внутренние стены и потолки после затирки (при необходимости – штукатурки) окрашиваются водоэмульсионной краской СТЭМ-45. В помещениях, где установлено сантехническое оборудование стены отделываются глазурированной плиткой или окрашиваются поливинилацетатной краской ВА-27.
5.5 Инженерное оборудование
Отопление
Отопление помещений корпуса – водяное, местными нагревательными приборами – радиаторами типа МС 140. Систеиы отопления – двухтрубные. Расход тепла на отопление по первой очереди 180000 ккал/час (218 кВт).
Источником теплоснабжения является котельная по ул. Красных партизан, 6 (резервный источник- котельная РОК-1. Котельная оборудована водонагревательными котлами ТВГ-8М, ТВГ-4Р и двумя паровыми котлами Е-1/9 Г.
Источником водоснабжения являются кольцевые сети 2-й горбольницы.
Вентиляция и кондиционирование
Для создания нормативных параметров воздуха в помещениях предусматривается:
· общественная вытяжная вентиляция;
· кондиционирование воздуха.
Количество воздуха для вентиляции и кондиционирования в помещениях определено расчетом в соответствии с требованиями СНиП 2.08.02-89, СНиП 2.04.05-91, пособиям по проектированию учреждений здравоохранения.
По экономическим соображениям и, исходя из надежности работы, приняты автономные кондиционеры японской фирмы “DEIKIN”, работающие в режиме “зима-лето”, поддерживающие в помещении заданную температуру воздуха и очищающие его от пыли. Расход тепла на вентиляцию первой очереди – 195000 ккал/час (226 КВт).
Теплоснабжение
Согласно схеме теплоснабжения источником тепла является котельная по ул. Красных партизан, 6 (резервный источник – котельная РОК-1). Котельная оборудована водогрейными котлами ТВГ-8М, ТВГ-4Р и двумя паровыми котлами Е-1/9 Г
Показатели параметров теплоносителей:
· теплофикационная вода с температурой подающей воды 150˚С и обратной 70 ˚С;
· подающей горячего водоснабжения 65˚С и циркуляционной воды 50 ˚С.
Давление в подающей магистрали на выходе из котельной Р=0,55 Мпа, давление в обратной магистрали входе в котельную Р=0,45 Мпа.
Водоснабжение
В соответствии с требованиями, предъявляемыми к качеству воды, в здании медицинского учреждения предусмотрена следующая система водоснабжения:
· хозяйственно - питьевая;
· противопожарная.
Питьевая вода используется для хозяйственно-питьевых нужд, полив газонов и территории, пожаротушения.
Источником водоснабжения являются кольцевые сети 2-й горбольницы диаметром 300 мм. Напор в сети – 4,0 атм. Учет воды производится водомером ВТ-80, установленным на вводе в колодце.
Внутренние сети водопровода – кольцевые, укладываются из стальных электросварных труб диаметром 100 мм по ГОСТ 10704-76 и из стальных водогазопроводных труб диаметром 15…50 мм по ГОСТ 3262-75. Пожарные краны устанавливаются в деревянных шкафах, оборудованных двумя огнетушителями.
Канализация
В соответствии с требованиями, предъявляемыми к качеству сточных вод, запроектированы следующие системы канализации:
· бытовая;
· дождевая.
В сеть бытовой канализации сбрасываются стоки от санприборов. Отвод бытовых стоков предусмотрен в существующую сеть фекальной канализации 2-й горбольницы диаметром 300 мм.
На выпуска канализации от санприборов, расположенных в подвале и в колодце здания, устанавливаются электрофицированные задвижки с автоматическим управлением.
Система дождевой канализации запроектирована для отвода дождевых стоков с кровли здания и дождеприемных лотков. Отвод дождевых стоков предусматривается в существующий ливневый коллектор диаметром 600 мм 2-й горбольницы. Сети канализации укладываются из чугунных и керамических труб с герметизацией стыковых соединений. Характеристика загрязнений в сточных водах соответствует требованиям Краснодарского Горисполкома (решение №362 от 12.07.91 г.).
Электроосвещение
Электроосвещение выполнено в соответствии со СниП II-4-79 и предусматривает:
· рабочее напряжение 220 В;
· аварийное и эвакуационное напряжение 220 В;
· ремонтное напряжение 42 В.
Аварийное освещение для продолжения работы предусмотрено только в процедурных и электрощитовой. В качестве источников света приняты люминесцентные светильники и лампы накаливания. Выбор светильников произведен в соответствии с условиями среды. Управление рабочим освещением осуществляется выключателями по месту управления эвакуационным освещением централизовано со щита аварийного освещения.
6. Расчетно-конструктивная часть
6.1 Расчет железобетонной четырехпролетной рамы
Расчет рамы ведем по оси «В».
Сечение стоек- колонн bxh=40x40 см, сечение ригелей bxh=0,5х(600+300)х25=450х25 см, где по методу заменяющих рам ширина ригеля равна полусумме двух смежных пролетов.
Ввиду того, что весь каркас здания представляет собой связевую систему, где связями служат железобетонные монолитные стены шахты лифта и лестничных клеток, которые воспринимают все возможные горизонтальные нагрузки (ветровую и сейсмическую), то рама будет работать только на вертикальные нагрузки.
6.2 Сбор нагрузок на междуэтажное перекрытие
Таблица 6.1 Сбор нагрузок на покрытие
| № п/п | Наименование нагрузок | Нормативная, н/м2 | Коэффициент надежности по нагрузке | Расчетная, н/м2 |
| 1 | 2 | 3 | 4 | 5 |
| 1 | Линоле δ=4 мм, ρ=18000 н/м3 | 72 | 1,1 | 79,2 |
| 2 | Стяжка из цементно-песчаного раствора δ=20 мм, ρ=18000 н/м3 | 360 | 1,3 | 468 |
| 3 | Газобетон δ=95 мм, ρ=10000 н/м3 | 950 | 1,3 | 1235 |
| 4 | Железобетонная плита δ=250 мм ρ=25000 н/м3 | 6250 | 1,1 | 6875 |
| 5 | Перегородки гипсокартонные | 220 | 1,1 | 242 |
| Итого | 7920 | 8902 | ||
| Полезная нагрузка | 2000 | 1,2 | 2400 | |
| в т.ч. кратковременная | 1000 | 1,2 | 1200 | |
| длительная | 1000 | 1,2 | 1200 |
Таблица 6.2. Сбор нагрузок на междуэтажное перекрытие
| № п/п | Наименование нагрузок | Нормативная, н/м2 | Коэффициент надежности по нагрузке | Расчетная, н/м2 |
| 1 | 2 | 3 | 4 | 5 |
| 1 | Гравий втопленный в битум δ=20 мм, ρ=20000 н/м3 | 400 | 1,1 | 79,2 |
| 2 | Стяжка из цементно-песчаного раствора δ=20 мм, ρ=18000 н/м2 | 360 | 1,3 | 468 |
| 3 | Утеплитель-газобетон δ=300 мм, ρ=3000 н/м3 | 900 | 1,3 | 1170 |
| 4 | Слой рубероида | 50 | 1,3 | 65 |
| 5 | Железобетонная плита δ=250 мм ρ=25000 н/м2 | 6250 | 1,1 | 6875 |
| Итого | 7960 | 9080 | ||
| Снеговая нагрузка для первого района | 500 | 1,4 | 700 |
Расчетные нагрузки на 1 погонный метр ригеля с учетом коэффициента по назначению здания γn =0,95.
Постоянная от покрытия:
q1
=
Н/м = 38,9 кН/м
Постоянная от перекрытия:
q2
=
Н/м = 38,1 кН/м
Временная на покрытие:
V1
=
Н/м = 3,0 кН/м
Временная на покрытие:
V2
=
Н/м = 10,3 кН/м
6.3 Расчет рамы методом заменяющих рам
Определяем геометрические характеристики элементов рамы:
момент инерции ригеля Ip
=
см4
момент инерции колонны Iк
=
см4
если Iк =1,00, то Iр =2,75
Погонные жесткости элементов рамы:
ιк = Iк /h=1/3,60=0,278 ιр = Iр /l=2,75/6,00=0,458
Определяем коэффициенты распределения в узлах рамы:
узел 1. к1-2
=
к1-4
=![]()
узел 2. к2-1
=
к2-3
=0,384, к2-5
=0,232
узел 3. к3-2
=
к3-6
=![]()
узел 4. к4-1
=
к4-7
=![]()
к4-5
=![]()
узел 5. к5-4
=
к5-6
=![]()
к5-2
=
к5-8
=![]()
узел 6. к6-3
=
к6-5
=![]()


к6-3
=![]()
узел 7. к7-4
=
к7-8
=![]()
к7-12
=![]()
узел 8. к8-7
=
к8-9
=![]()
к8-5
=
к8-13
=![]()
узел 9. к9-6
=
к9-8
=![]()
к9-14
=![]()
узел 10. к10-11
=
к10-15
=![]()
узел 11. к11-10
=
к11-16
=![]()
к11-12
=![]()
узел 12. к12-11
=
к12-13
=![]()
к12-7
=
к12-17
=![]()
узел 13. к13-12
=
к13-14
=![]()
к13-8
=
к13-18
=![]()
узел 14. к14-13
=
к14-9
=![]()
к14-19
=![]()
узел 15. к15-16
=
к15-10
=![]()
к15-20
=![]()
узел 16. к16-15
=
к16-17
=![]()
к16-11
=
к16-21
=![]()
узел 17. к17-16
=
к17-18
=![]()
к17-12
=
к17-22
=![]()
узел 18. к18-17
=
к18-19
=![]()
к18-13
=
к18-23
=![]()
узел 19. к19-18
=
к19-14
=![]()
к19-24
=![]()
Опорные моменты в верхних ригелях от постоянных нагрузок: М1
=
кН/м
Опорные моменты в средних ригелях от постоянных нагрузок: М2
=
кН/м
Распределение моментов производим в табличной форме методом Кросса.
Таблица 6.3 Изгибающие моменты от постоянной нагрузки в элементах рамы
| Узлы | 1 | 2 | 3 | 4 | 5 | 6 | ||||||||||||||||||||||||||||||||||||||||||||
| Стержни | 1-2 | 1-4 | 2-1 | 2-5 | 2-3 | 3-6 | 3-2 | 4-1 | 4-5 | 4-7 | 5-2 | 5-4 | 5-6 | 5-8 | 6-3 | 6-5 | 6-9 | |||||||||||||||||||||||||||||||||
| к | 0,622 | 0,378 | 0,384 | 0,232 | 0,384 | 0,378 | 0,622 | 0,274 | 0,452 | 0,274 | 0,189 | 0,311 | 0,311 | 0,189 | 0,274 | 0,452 | 0,274 | |||||||||||||||||||||||||||||||||
| Моп | +116,7 | - | -116,7 | - | +116,7 | - | -116,7 | - | +114,3 | - | - | -114,3 | +114,3 | - | - | -114,3 | - | |||||||||||||||||||||||||||||||||
| 1 цикл | -72,6 | -44,1 | - | - | - | +44,1 | +72,6 | -31,3 | -51,7 | -31,3 | - | - | - | - | +31,3 | +51,7 | +31,3 | |||||||||||||||||||||||||||||||||
| - | - | +36,3 | - | -36,3 | +15,7 | - | -22,0 | - | -15,7 | - | +25,9 | -25,9 | - | +22,1 | - | +17,8 | ||||||||||||||||||||||||||||||||||
| 2 цикл | - | - | - | - | - | -5,9 | -9,8 | +10,3 | +17,1 | +10,3 | - | - | - | - | -10,9 | -18,1 | -10,9 | |||||||||||||||||||||||||||||||||
| - | +5,2 | - | - | -4,9 | -5,5 | - | - | - | +2,1 | - | +8,6 | -9,0 | +0,4 | -3,0 | - | - | ||||||||||||||||||||||||||||||||||
| 3 цикл | -3,2 | -2,0 | +1,9 | +1,1 | +1,3 | +2,1 | +3,4 | -0,6 | -0,9 | -0,6 | - | - | - | - | +0,8 | +1,8 | +0,8 | |||||||||||||||||||||||||||||||||
| Итого | +41,0 | -41,0 | -78,5 | +1,1 | +74,4 | +50,5 | -50,5 | -41,6 | +78,8 | -32,7 | - | -79,8 | +79,4 | +0,4 | -39,9 | -78,9 | -39,0 | |||||||||||||||||||||||||||||||||
| Узлы | 7 | 8 | 9 | 10 | 11 | 12 | ||||||||||||||||||||||||||||||||||||||||||||
| Стержни | 7-4 | 7-8 | 7-12 | 8-5 | 8-7 | 8-9 | 8-13 | 9-6 | 9-8 | 9-14 | 10-11 | 10-15 | 11-10 | 11-16 | 11-12 | 12-11 | 12-7 | 12-17 | 12-13 | |||||||||||||||||||||||||||||||
| к | 0,274 | 0,452 | 0,274 | 0,189 | 0,311 | 0,311 | 0,189 | 0,311 | 0,452 | 0,311 | 0,622 | 0,378 | 0,384 | 0,232 | 0,384 | 0,311 | 0,189 | 0,189 | 0,311 | |||||||||||||||||||||||||||||||
| Моп | - | +114,3 | - | - | -114,3 | +114,3 | - | - | -114,3 | - | +116,7 | - | -116,7 | - | +116,7 | -116,7 | - | - | +114,3 | |||||||||||||||||||||||||||||||
| 1 цикл | -31,3 | -51,7 | -31,3 | - | - | - | - | +35,5 | +43,3 | +35,5 | -72,6 | -44,1 | - | - | - | +0,7 | +1,0 | +1,0 | +0,7 | |||||||||||||||||||||||||||||||
| -15,7 | - | +0,5 | - | +25,8 | -21,7 | - | +15,7 | - | +15,7 | - | -15,7 | -36,3 | - | +0,4 | - | -15,7 | - | - | ||||||||||||||||||||||||||||||||
| 2 цикл | +4,2 | +6,8 | +4,2 | +0,8 | +1,3 | +1,3 | +0,8 | -9,8 | -11,8 | -9,8 | +9,8 | +5,9 | +13,8 | -+8,3 | +13,8 | +4,9 | +3,0 | +3,0 | +4,9 | |||||||||||||||||||||||||||||||
| +5,2 | +0,7 | +1,5 | - | +3,4 | - | -2,5 | -5,5 | +0,7 | -4,9 | +6,9 | +3,1 | +4,9 | +1,5 | +2,5 | +6,9 | +2,1 | - | -4,1 | ||||||||||||||||||||||||||||||||
| 3 цикл | -2,0 | -3,4 | -2,0 | -0,2 | -0,3 | -0,3 | -0,1 | +3,0 | +3,7 | +3,0 | -6,2 | -3,8 | -3,4 | -2,1 | -3,4 | -1,5 | -1,0 | -0,9 | -1,5 | |||||||||||||||||||||||||||||||
| Итого | -39,6 | +66,7 | -27,1 | +0,6 | -84,1 | +93,9 | -1,8 | +38,9 | -78,4 | +39,5 | +54,6 | -54,6 | -137,3 | +7,7 | +130,0 | -105,7 | -11,7 | +3,1 | +114,3 | |||||||||||||||||||||||||||||||
| Узлы | 13 | 14 | 15 | 16 | 17 | |||||||||||||||||||||||||||||||||||||||||||||
| Стержни | 13-12 | 13-8 | 13-18 | 13-14 | 14-13 | 14-9 | 14-19 | 15-16 | 15-10 | 15-20 | 16-15 | 16-11 | 16-21 | 16-17 | 17-16 | 17-12 | 17-22 | 17-18 | ||||||||||||||||||||||||||||||||
| к | 0,311 | 0,189 | 0,189 | 0,311 | 0,452 | 0,274 | 0,274 | 0,452 | 0,274 | 0,274 | 0,311 | 0,189 | 0,189 | 0,311 | 0,311 | 0,189 | 0,189 | 0,311 | ||||||||||||||||||||||||||||||||
| Моп | -114,3 | - | - | +114,3 | -114,3 | - | - | +114,3 | - | - | -114,3 | - | - | +114,3 | -114,3 | - | - | +114,3 | ||||||||||||||||||||||||||||||||
| 1 цикл | - | - | - | - | +51,7 | +31,3 | +31,3 | -51,7 | -31,3 | -31,3 | - | - | - | - | - | - | - | - | ||||||||||||||||||||||||||||||||
| +0,4 | - | - | +25,8 | - | +17,8 | +17,8 | - | -22,1 | - | -15,7 | - | - | - | - | +0,5 | - | - | |||||||||||||||||||||||||||||||||
| 2 цикл | -8,1 | -5,0 | -5,0 | -8,1 | -16,0 | -9,8 | -9,8 | +8,0 | +6,1 | +8,0 | +4,9 | +3,0 | +3,0 | +4,9 | -0,3 | - | - | -0,2 | ||||||||||||||||||||||||||||||||
| +2,5 | +0,4 | -2,1 | -8,0 | -4,1 | - | -2,2 | +2,5 | +3,0 | - | +4,0 | +4,2 | - | -0,2 | +2,5 | +1,5 | - | -3,4 | |||||||||||||||||||||||||||||||||
| 3 цикл | +2,2 | +1,4 | +1,4 | +2,2 | +2,9 | +1,7 | +1,7 | -2,5 | -1,5 | -1,5 | -2,4 | -1,6 | -1,6 | -2,4 | -0,1 | -0,1 | -0,2 | |||||||||||||||||||||||||||||||||
| Итого | -117,3 | -3,2 | -5,7 | +126,2 | -79,8 | +41,0 | +38,8 | +70,6 | -45,8 | -24,8 | -123,5 | +5,6 | +1,4 | +116,5 | +1,9 | -0,1 | +110,5 | |||||||||||||||||||||||||||||||||
| Узлы | 18 | 19 | 20 | 21 | 22 | 23 | 24 | |||||||||||||||||||||||||||||||||||||||||||
| Стержни | 18-17 | 18-13 | 18-23 | 18-19 | 19-18 | 19-14 | 19-24 | 20-15 | 21-16 | 22-17 | 23-18 | 24-19 | ||||||||||||||||||||||||||||||||||||||
| к | 0,311 | 0,189 | 0,189 | 0,311 | 0,452 | 0,274 | 0,274 | - | - | - | - | - | ||||||||||||||||||||||||||||||||||||||
| Моп | -114,3 | - | - | +114,3 | -114,3 | - | - | - | - | - | - | - | ||||||||||||||||||||||||||||||||||||||
| 1 цикл | - | - | - | - | +43,3 | +35,5 | +35,5 | - | - | - | - | - | ||||||||||||||||||||||||||||||||||||||
| - | - | - | +21,7 | - | +15,7 | - | -15,7 | - | - | - | +17,8 | |||||||||||||||||||||||||||||||||||||||
| 2 цикл | -6,7 | -4,2 | -4,1 | -6,7 | -7,1 | -4,3 | -4,3 | - | - | - | - | - | ||||||||||||||||||||||||||||||||||||||
| -0,1 | -2,5 | - | -3,6 | -3,4 | -4,9 | - | +4,0 | +1,5 | - | -2,1 | -2,2 | |||||||||||||||||||||||||||||||||||||||
| 3 цикл | +1,9 | +1,2 | +1,2 | +1,9 | +3,7 | +2,3 | +2,3 | - | - | - | - | - | ||||||||||||||||||||||||||||||||||||||
| Итого | -119,2 | -5,5 | -2,9 | +127,6 | -77,8 | +44,3 | +35,5 | -11,7 | +1,5 | - | -2,1 | +15,6 | ||||||||||||||||||||||||||||||||||||||
Для определения изгибающих моментов от временной нагрузки располагаем последнюю через один пролет для получения максимального пролетного момента и в двух смежных пролетах для получения максимального пролетного момента.
Приняв для расчета и конструирования колонну нижнего этажа по оси «14», производим загрузку временной нагрузкой только ригель по узлам 15-16-17-18-19.
Моменты защемления: Моп
=![]()

Таблица 6.4 Изгибающие моменты от временной нагрузки по схеме А
| Узлы | 15 | 16 | 17 | 18 | 19 | |||||||||||||
| Стержни | 15-В | 15-Н | 15-16 | 16-15 | 16-В | 16-Н | 16-17 | 17-16 | 17-В | 17-Н | 17-18 | 18-17 | 18-В | 18-Н | 18-19 | 19-18 | 19-В | 19-Н |
| к | 0,274 | 0,274 | 0,452 | 0,311 | 0,189 | 0,189 | 0,311 | 0,311 | 0,189 | 0,189 | 0,311 | 0,311 | 0,189 | 0,189 | 0,311 | 0,452 | 0,274 | 0,274 |
| Моп | - | - | - | - | - | - | +31,0 | -31,0 | - | - | +31,0 | -31,0 | - | - | - | - | - | - |
| 1 цикл | - | - | - | -9,6 | -5,9 | -5,9 | -9,6 | - | - | - | - | +9,6 | +5,9 | +5,9 | +9,6 | - | - | - |
| - | - | -4,8 | - | - | - | - | -4,8 | - | - | +4,8 | - | - | - | - | +4,8 | - | - | |
| 2 цикл | +1,3 | +1,3 | +2,2 | - | - | - | - | - | - | - | - | - | - | - | - | -2,2 | -1,3 | -1,3 |
| - | - | - | +1,1 | - | - | - | - | - | - | - | - | - | - | -1,1 | - | - | - | |
| 3 цикл | - | - | - | -0,3 | -0,3 | -0,3 | -0,3 | - | - | - | - | +0,3 | +0,3 | +0,3 | +0,3 | - | - | - |
| Итого | +1,3 | +1,3 | -2,6 | -8,8 | -6,2 | -6,2 | +21,1 | -35,8 | - | - | +35,8 | -21,1 | +6,2 | +6,2 | +8,8 | +2,6 | -1,3 | -1,3 |
Таблица 6.5 Изгибающие моменты от временной нагрузки по схеме Б
| Узлы | 15 | 16 | 17 | 18 | 19 | ||||||||||||||
| Стержни | 15-В | 15-Н | 15-16 | 16-15 | 16-В | 16-Н | 16-17 | 17-16 | 17-В | 17-Н | 17-18 | 18-17 | 18-В | 18-Н | 18-19 | 19-18 | 19-В | 19-Н | |
| к | 0,274 | 0,274 | 0,452 | 0,311 | 0,189 | 0,189 | 0,311 | 0,311 | 0,189 | 0,189 | 0,311 | 0,311 | 0,189 | 0,189 | 0,311 | 0,452 | 0,274 | 0,274 | |
| Моп | - | - | +31,0 | -31,0 | - | - | - | - | - | - | +31,0 | -31,0 | - | - | - | - | - | - | |
| 1 цикл | -8,5 | -8,5 | -14,0 | +9,6 | +5,9 | +5,9 | +9,6 | -9,6 | -5,9 | -5,9 | -9,6 | +9,6 | +5,9 | +5,9 | +9,6 | - | - | - | |
| - | - | +4,8 | -7,0 | - | - | -4,8 | +4,8 | - | - | +4,8 | -4,8 | - | - | - | +4,8 | - | - | ||
| 2 цикл | -1,3 | -1,3 | -2,2 | +3,6 | +2,3 | +2,3 | +3,6 | -3,0 | -1,8 | -1,8 | -3,0 | +1,5 | +0,9 | +0,9 | +1,5 | -2,2 | -1,3 | -1,3 | |
| - | - | +1,8 | -1,1 | - | - | -1,5 | +1,8 | - | - | +0,8 | -1,5 | - | - | -1,1 | +0,8 | - | - | ||
| 3 цикл | -0,5 | -0,5 | -0,8 | +0,8 | +0,6 | +0,6 | +0,8 | -0,8 | -0,6 | -0,6 | -0,8 | +0,8 | +0,6 | +0,6 | +0,8 | -0,4 | -0,2 | -0,2 | |
| Итого | -10,3 | -10,3 | +20,6 | -25,1 | +8,8 | +8,8 | +7,5 | -6,8 | -8,3 | -8,3 | +23,2 | -25,4 | +7,4 | +7,4 | +10,6 | +3,0 | -1,5 | -1,5 | |
Построение эпюры Мпост.
Пролет 15-16:
Мх
=![]()
![]()
где Qx
=
x=2,77 м
Пролет 16-17:
Qx
=
x=3,02 м
Мх
=![]()
![]()
Пролет 17-18:
Qx
=
x=2,96 м
Мх
=![]()
![]()
Пролет 18-19:
Qx
=
x=3,22 м
Мх
=![]()
![]()
Построение эпюры Мвр.1 при временной нагрузке по всему пролету производим путем умножения эпюры Мпост. на к, где
к=V/g=10,3/38,1=0,27
Построение эпюры Мвр.2:
Пролет 16-17:
Мх
=![]()
![]()
Построение эпюры Мвр.3:
Пролет 15-16:
Мх
=![]()
![]()
Пролет 18-19:
Мх
=![]()
![]()


Принимаем конструктивно Му =Мх =-70,8 кНм
Плита №2.
Наибольший пролетный момент:
Мпр
=75,4+26,0=101,4 кНм, Мх
=
кНм – пролетный момент в надколонной полосе;
Му
=
кНм – опорный момент в пролетной полосе;
Плита №3.
Наибольший опорный момент:
Моп =-127,6-34,5=-162,1 кНм,
Опорный момент в надколонной полосе: Мх
=
кНм
Принимаем конструктивно Му =Мх =-116,0 кНм
Плита №4.
Наибольший пролетный момент:
Мпр =57,0+18,0=75,0 кНм
Пролетный момент в надколонной полосе: Мх
=
кНм
Опорный момент в пролетной полосе: Му
=
кНм
Плита №5.
Наибольший опорный момент:
Моп =-112,3-35,8=-148,1 кНм,
Опорный момент в надколонной полосе: Мх
=
кНм
Принимаем конструктивно Му =Мх =-106,6 кНм
Расчет арматуры.
Принимаем бетон класса В25: Rb =14,5 МПа, Rbt =1.05 МПа, Eb =30000 МПа.
Рабочая арматура класса А-IIId=10-40 мм с Rs =365 МПа, Rsc =365 МПа, Es =200000 МПа.
Сечение расчетной полосы плиты: bxh=300x25 см, h0 =h-a=25-3=22 см
Коэффициент условий работы для бетона γb 2 =0,9
Надколонная плита:
Наибольший опорный момент в надколонной плите Мх =Му =-116,0 кНм
По формуле (2.42 [ 2 ]) граничная высота сжатой зоны:
ξR
,
где ω=0,85-0,008Rb
γb
2
Находим:
A0
По табл. 3.1. [2] η=0,971; ξ=0,067, условие ξ<ξR – соблюдается т.к. 0,061<0,604
Необходимая площадь сечения арматуры:
As
см2
Наибольший пролетный момент в надколонной полосе Мх =52,7 кНм
A0
, η=0,984
Необходимая площадь сечения арматуры:
As
см2
Таким образом, плита армируется верхней сеткой из арматуры диаметром 12 А-III с шагом 150 мм и нижней сеткой из арматуры диаметром 10 А-III с шагом 150 мм.
Межколонная плита:
Опорный момент пролетной полосы М=-27,6 кНм
A0
, η=0,992
Необходимая площадь сечения арматуры:
As
см2
Принимаем арматуру диаметром 10 А-III с шагом 150 мм в обоих направлениях.
Наибольший пролетный момент в надколонной полосе Мх =52,7 кНм
A0
, η=0,984
Необходимая площадь сечения арматуры:
As
см2
Плита армируется нижней сеткой из арматуры диаметром 10 А-III с шагом 150 мм в обоих направлениях.
6.4 Расчет нижней части колонны по осям В-14
Грузовая площадь колонны: А
м2
Постоянные нагрузки:
-от собственного веса покрытия
кН
-от собственного веса 4-х перекрытий
кН
-от собственного веса 5-ти колонн
кН
Итого с учетом γn
=0,95
кН
Временные полезные полные нагрузки:
-на покрытии
кН
-на перекрытиях
кН
Итого с учетом γn
=0,95
кН
Полная нагрузка N
кН
Длительная нагрузка Nдл
кН
Изгибающий момент в колонне:
-от постоянной нагрузки Мп = +127,6-119,2=8,4 кНм
-от временной полной нагрузки Мвр = -25,4+10,6=-14,8 кНм
-от полной нагрузки Мп =-14,8+8,4=-6,4 кНм
-от длительных нагрузок Мдл
кНм
Сечение колонны bxh=40x40 см, h0 =h-a=40-4=36 см. Расчетная длина колонны l0 =H=3,6 м.
Бетон класса В25, арматура класса А-III.
По формуле 18.1 [2]:
![]()
Эксцентриситет силы: e0
Случайный эксцентриситет:
e0
или e0
Поскольку случайный эксцентриситет e0 =1,33 см больше эксцентриситета силы e0 =1,33 см, его и принимаем для расчета.
При отношении
, следует учитывать влияние продольного изгиба.
Находим значения моментов в сечении относительно оси, проходящей через центр тяжести наименее (сжатой) растянутой арматуры.
При длительной нагрузке:
М1
l
![]()
При полной нагрузке:
М1
Находим коэффициент, учитывающий влияние длительного действия на погиб элемента в предельном состоянии по формуле 4.19 [2]:
φl
Значение δ![]()
Принимаем δ=0,265
Отношение модулей упругости α![]()
Задаемся коэффициентом армирования μ1
Вычисляем критическую силу по формуле 18.5 [2]:
Ncr

Вычисляем коэффициент η по формуле 4.17 [2]:
η
Эксцентриситет e![]()
По формуле 18.1, 18.2, 18.3 [2]:
![]()
ξ![]()
αs
,
где δ^ =a/h0 =4/36=0,11
Армирование конструктивное. Принимаем по 2 диаметром 22 А-IIIc каждой стороны, тогда
μ1
6.5 Расчет стыка колонны с надколонной плитой
Стык на поперечную силу Q рассчитывается по формуле: Q=∑Ra F0 sinα+Qб.
При α=45º (угол наклона отгибов) и угле наклона пирамиды продавливания, также равном 45º, получим Qб =0,15Ru bср h0. В этих формулах F0 -сечение отгибов по каждой грани колонны;
bср =bв +bн /2- средний периметр оснований пирамиды продавливания.
Расчетная поперечная сила принимается по колонне по оси “14” нижнего этажа:
Q=
кН
На каждую грань колонны Q=308,6/4=77,1 кН
Проверяем условие формулы III.16 [1, стр. 49]: Q≤0,2Ru bср h0 ; h0 =22 см
bср
=
см; Q=
кН
Требуемое сечение отгибов по каждой стороне колонны:
F0
=
,
отгибы ставятся конструктивно. Принимаем 4Ø12 А-I с каждой стороны колонны.
6.6 Расчет на воздействие сейсмической нагрузки
Район строительства относится к восьмибальному по сейсмическому воздействию.
Фундаменты здания свайные, опирающийся на тугопластичные глины, поэтому по грунтам сейсмичность не изменяется.
Расчетные нагрузки: постоянные
-от покрытия gр1 = 9,098 кН/м2 »9, 10 кН/ м2;
-от перекрытия gр2 = 8,902 кН/м2 » 8,90 кН/м2.
Расчетные полезные нагрузки: длительные
-на покрытие gдл1 = 0 кН/м2;
-на перекрытие gдл2 = 1,20 кН/м2 .
Расчетные полезные нагрузки: кратковременные
-на покрытие gкр1 =0,70кН/м2;
на перекрытие gкр2 =1,20кН/м2 .
Ярусные расчетные нагрузки складываются из веса конструкции перекрытия, веса колонн, веса ограждающих стен и полезных нагрузок.
Так как сейсмическое воздействие относится к особым сочетаниям нагрузок, то применяются следующие коэффициенты сочетаний:
-для постоянных нагрузок gс =0,9;
-для временных длительных gс =0,8;
-для кратковременных gс =0,8.
При особых сочетаниях нагрузок ветровая нагрузка не учитывается.
Расчетный вес колонн (29 шт.):
кН
Расчетный вес стен с оконными проемами с усредненным объемным весом r=15,0 кН/м2 , при толщине 0,3 м и длине 85 м:
кН.
При общей площади этажа здания:
м2
Находим ярусные нагрузки по этажам:
-от покрытия
![]()
кН.![]()
![]()
Ярусные массы:
![]()
![]()
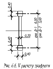
Находим жесткости железобетонных диафрагм здания вдоль цифровых осей:
-для Д-1
-3 шт
-для Д-2
-1 шт.

Жесткость диафрагм при бетоне В25 (Ев=30000 Мпа=3000000 Н/см2 =300000 кН/м2 )
В=0,85 Ев![]()
Находим тон свободных колебаний по формуле:
,
где a1 =1,8; a2 =0,3; a3 =0,1, соответственно формулам колебаний.
![]()
Но
=3,6
- высота здания;
n=5 – число этажей;
L=3,6 м – высота этажа.
Тон свободных колебаний определяется по формуле:
,
т.к. Т1 > 0,4 с, то необходимо определить тон для всех трех форм колебаний.
Для 2-го тона: Т2 = 0,88 с > 0,4 с
Для 3-го тона: Т3 = 0,29 с < 0,4 с
Динамические коэффициенты:
![]()
![]()
β1 = 0,28 < 0,8 β1 = 0,8
принято
β2 = 1,70 < 2,0 β2 = 1,92
β3 = 5,17 > 2,0 β3 = 2,0
Коэффициент формы колебаний:

Xi
(Xj
) = Sin (αi
- 1) ňξj
, где i = 1,2,3.
Таблица 6.6
| ξi = |
Xi (Xj ) для трех форм колебаний | ||
| Первой Х1 (Хj ) | Второй Х2 (Хj ) | Третьей Х3 (Хj ) | |
| 1 | 2 | 3 | 4 |
| 1,00 | Sin 0,5π = 1,000 | Sin 1,5π = -1,000 | Sin 2,5π = 1,000 |
| 0,80 | Sin 0,4π = 0,951 | Sin 1,2π = -0,588 | Sin 2π = 0,000 |
| 0,60 | Sin 0,3π = 0,809 | Sin 0,9π = +0,309 | Sin 1,5π = -1,000 |
| 0,40 | Sin 0,2π = 0,588 | Sin 0,6π = +0,951 | Sin π = 0,000 |
| 0,20 | Sin 0,1π = 0,309 | Sin 0,3π = +0,809 | Sin 0,5π = 1,000 |
Таблица 6.7. Коэффициенты форм колебаний
| Фермы | Этаж | ξш | Qj | Xi (Xj ) | X2 i (Xi ) | Qj Xi (Xj ) | Qj X2 i Xj ) | Коэффициенты ηik |
| 1 | 2 | 3 | 4 | 5 | 6 | 7 | 8 | 9 |
| 5 | 1,0 | 540 | 1,000 | 1,000 | 540 | 540 | ŋ15 = 1,000·1,27 = 1,27 | |
| 4 | 0,8 | 685 | 0,951 | 0,904 | 651 | 619 | ŋ14 = 0,951·1,27 = 1,21 | |
| Первая | 3 | 0,6 | 685 | 0,809 | 0,654 | 554 | 448 | ŋ13 = 0,809·1,27 = 1,03 |
| 2 | 0,4 | 685 | 0,588 | 0,346 | 403 | 237 | ŋ12 = 0,588·1,27 = 0,75 |

К дальнейшему расчету принимаем нагрузки по 1-й форме колебаний.
Расчетная сейсмическая нагрузка по формуле 2.5 СниП II-7-81 "Строительство в сейсмических районах".
Si = K1 K2 KΨ αβi ηi Qi ,
где К1 = 0,25 - для зданий, в конструкциях которых могут быть допущены остаточные деформации и трещины, при обеспечении безопасности людей и сохранности оборудования;
К2 = 0,9 - учет конструктивных решений здания с числом этажей до пяти;
KΨ = 1,0 - для каркасных зданий;
α = 0,2 - для сейсмичности 8 баллов.
Сейсмические силы:
Σ S5 = 0,25·0,9·1,0·0,2·0,8·1,27·540 = ~ 25 кН
Σ S4 = 0,25·0,9·1,0·0,2·0,8·1,21·685 = ~ 30 кН
Σ S3 = 0,25·0,9·1,0·0,2·0,8·1,09·685 = ~ 25 кН
Σ S2 = 0,25·0,9·1,0·0,2·0,8·0,75·685 = ~ 19 кН
Σ S1 = 0,25·0,9·1,0·0,2·0,8·0,382·685 = ~ 10 кН
Эти нагрузки распределяются пропорционально жесткостям диафрагм:
- для Д-1 коэффициент распределения
К1
= ![]()
- для Д-2 соответственно
К2
= ![]()
Нагрузки: на Д-1, на Д-2
S5 = 7,9 кНS5 = 1,3 кН
S4 = 9,5 кНS4 = 1,5 кН
S3 = 7,9 кНS3 = 1,3 кН
S2 = 6,0 кНS2 = 1,0 кН
S1 = 3,2 кН S1 = 0,9 кН
Изгибающие моменты в диафрагме Д-1 на уровне пола 5-го этажа рамы:
М5 = 7,9·3,6 = 28,44 кН·м
на уровне пола 4-го этажа рамы:
М4 = 7,9·7,2+9,5·3,6 = 91,08 кН·м
на уровне пола 3-го этажа рамы:
М3 = 7,9·10,8+9,5·7,2+7,9·3,6 = 182,16 кН·м
на уровне пола 2-го этажа рамы:
М2 = 7,9·14,2+9,5·10,8+7,9·7,2+6,0·3,6 = 294,84 кН·м
на уровне пола 1-го этажа рамы:
М1 = 7,9·17,8+9,5·14,2+7,9·10,8+6,0·7,2+3,2·3,6 = 419,04 кН·м
Диафрагма располагается на собственном свайном фундаменте, поэтому дополнительную вертикальную нагрузку от изгибающего момента воспринимают колонны, с которыми диафрагма связана монолитно, на уровне пола 1-го этажа:
Nдоп
= ±
кН
Вертикальная нагрузка, приходящаяся на колонну по осям 14-В составляет: N = 1486 кН с грузовой площади 6,0х4,5 = 27,0 м2 .
На колону по осям 14-Г с грузовой площадью А = 6х3 = 18 м2 с учетом сейсмической нагрузки, будет действовать нагрузка:
N =
кН < 1486 кН
Армирование колонн с диафрагмами принимаем аналогично армированию колонн рам без диафрагм.
7. Технология строительного производства
7.1 Технология строительно-монтажных работ
7.1.1 Определение номенклатуры и объемов внутриплощадочных подготовительных и основных строительно-монтажных работ
Подсчет объемов строительно-монтажных работ осуществляется в соответствии с правилами исчисления объемов работ технической части каждой главы СНиП IV-2-82.
Исходными данными служат архитектурно-строительная часть и сметная документация.
Таблица 7.1 Ведомость объемов работ
| № | Наименование работ | ед. | количество |
| п.п. | изм. | ||
| 1 | 2 | 3 | 4 |
| Подготовительный период | |||
| 1 | Планировка площадки | 1000 м2 | 7,405 |
| 2 | Устройство временных зданий и сооружений | м2 | 266,0 |
| 3 | Ограждение стройплощадки | м | 355,6 |
| 4 | Устройство автомобильных дорог | м2 | 972,0 |
| 5 | Устройство временного водопровода | м | 153,2 |
| 6 | Устройство временных электросетей | м | 155,5 |
| Подземная часть | |||
| 1. Земляные работы | |||
| 7 | Разработка грунта экскаватором с погрузкой в автосамосвалы | 100 м3 | 56,78 |
| 8 | Доработка грунта вручную | 100 м3 | 3,48 |
| 9 | Погрузка грунта экскаватором в автосамосвал | 100 м3 | 3,48 |
| 10 | Вывоз грунта автомобилем | 10 т | 105,46 |
| 11 | Обратная засыпка пазух | 100 м3 | 2,2 |
| 2. Фундаменты | |||
| 12 | Бурение скважин в грунтах III группы | м.п. | 520 |
| 13 | Погружение свай дизель-молотом в грунты I группы | шт | 260 |
| 14 | Вырубка бетона из оголовников свай | шт | 260 |
| 15 | Устройство щебеночных оснований под фундаменты | м2 | 623 |
| 16 | Устройство бетонной подготовки | 100 м2 | 6,23 |
| 17 | Устройство монолитного ростверка | м3 | 181,0 |
| Надземная часть | |||
| 3. Колонны | |||
| 18 | Устройство монолитных железобетонных колонн | м3 | 994 |
| 19 | Установка закладных деталей | т | 1,017 |
| 20 | Масляная окраска закладных деталей | 100 м2 | 0,252 |
| 4. Наружные стены | |||
| 21 | Устройство монолитных стен из пенобетона δ=500 мм | м3 | 981,0 |
| 22 | Установка арматурных каркасов и сеток в опалубке | т | 10,516 |
| 23 | Установка закладных деталей | т | 0,895 |
| 24 | Заполнение антисейсмичных швов пенопластом | 100 м | 7,92 |
7.1.2 Калькуляция трудовых затрат и машиносмен на подготовительные и основные строительно-монтажные работы в целом по объекту
Таблица 7.2 Калькуляция трудовых затрат
№ п.п |
Наименование работ | ед. изм. |
Объем работ | Обоснование | Норма времени | Затраты труда | ||
машинистов чел.-д(маш.-с) |
рабочих чел.-д |
машинистов чел.-д(маш.-ч | рабочих чел.-д |
|||||
| 1 | 2 | 3 | 4 | 5 | 6 | 7 | 8 | 9 |
| I Подземная часть | ||||||||
| 1. Земляные работы | СНиП IV-2-82 | |||||||
| 1 | Разработка грунта 2 группы экскаватором с ковшом 0,5 м³ с погрузкой на автомобили самосвалы | 100м3 | 56,78 | 1-22-2 | 0,195 | 0,089 | 11,07 | 5,05 |
| 2 | Доработка грунта вручную | м3 | 348,0 | 1-78-2 | 0,224 | 80 | ||
| 3 | Погрузка грунта 2 группы экскаватором в автосамосвал | 100 м3 | 3,48 | 1-12-2 | 0,195 | 0,089 | 0,68 | 0,31 |
| 4 | Вывоз грунта автомобилем | т | 105,46 | Кальк. | 0,548 | 57,79 | ||
| 2. Фундаменты | ||||||||
| 5 | Бурение скважин в грунтах III группы на глубину 2 м | 100 м | 5,2 | 4-26-1 | 2,92 | 3,77 | 15,18 | 19,6 |
| 6 | Погружение свай дизель-молотом в грунты I группы | м3 | 166,4 | 5-1-3 | 0,21 | 0,4 | 34,9 | 66,5 |
| 7 | Вырубка бетона из оголовников свай | шт | 260 | 5-9-1 | 0,117 | 30,42 | ||
| 8 | Устройство щебеночных оснований под фундаменты | 100 м3 | 0,63 | 8-3-2 | 10,85 | 6,83 | ||
| 9 | Устройство бетонной подготовки | 100 м3 | 0,63 | 6-1-1 | 16,70 | 10,5 | ||
| 10 | Устройство монолитного ростверка | 100 м3 | 1,81 | 6-1-16 | 22,8 | 42,7 | ||
| 3. Устройство монолитного каркаса | ||||||||
| 11 | Устройство монолитных железобетонных колонн высотой до 4м | 100 м3 | 0,994 | 6-12-7 | 237,8 | 236,4 | ||
| 12 | Установка закладных деталей весом до 4кг, | т | 1,017 | 6-9-7 | 25,6 | 26,01 | ||
| 14 | Устройство ж/б монолитной плиты перекрытия, | 100 м3 | 73,0 | 6-16-3 | 72,1 | 526,1 | ||
| 15 | Устройство деревянной опалубки проемообразователей | 100 м2 | 3,78 | 6-8-1 | 11,9 | 44,9 | ||
| 16 | Установка закладных деталей | т | 1,895 | 6-9-8 | 7,8 | 14,7 | ||
| 17 | Устройство монолитных стен толщиной до 160 мм | 100 м3 | 0,38 | 6-14-2 | 204,9 | 77,86 | ||
| 18 | Устройство монолитных стен толщиной до 200 мм | 100 м3 | 1,944 | 6-14-3 | 204,87 | 398,2 | ||
| 19 | Установка арматурных каркасов и сеток в опалубку стен, | т | 1,324 | 9-3-5 | 2,72 | 3,6 | ||
7.1.3 Выбор основных строительно-монтажных машин, оснастки и приспособлений по техническим параметрам
Подбирая монтажный кран, учитываем:
- из поднимаемых грузов наибольший вес имеет поворотный бункер с битом (вместимость 1 м³) - 3 т;
- стесненные условия стройплощадки (необходимость работы крана с одной стоянки, при максимальном требуемом вылете стрелы 27 м).
Принимаем башенный кран КБ-403 А со стрелой длиной 30 м и грузоподъемностью
4,5 т (при стреле длиной 30 м).

Выбор остальных строительных машин сводим в таблицу 7.3.
Таблица 7.3. Номенклатура машин для выполнения СМР
| Наименование машин и механизмов | Марка | Ед. изм. | Кол-во | Вид выполняемых работ |
Экскаватор с ковшом емк. 0,5 м³ |
Э-504 | шт | 1 | Земляные работы |
| Бульдозер 75 л.с. | Д-606 | шт | 1 | Земляные работы |
| Автосамосвал | КАМЗ-4554 | шт | 1 | Земляные работы |
| Автомобиль бортовой | ГАЗ-5203 | шт | 2 | Перевозка грузов |
| Полуприцеп | шт | 2 | Перевозка грузов | |
| Компрессор передвижной | СО-7А | шт | 1 | Выработка сжатого воздуха |
| Автомобиль | МАЗ-5166 | шт | Перевозка свай | |
| Кран | КС-2561Е | шт | ||
| Штукатурная станция | Салют-2 | шт | 1 | Штукатурные работы |
| Малярная станция | СО-115 | шт | 1 | Малярные работы |
| Перфоратор | П-4701 | шт | 1 | Сантехнические работы |
| Сверлильная машина | ИП-1010 | шт | 1 |
7.1.4 Краткое описание методов выполнения работ
Земляные работы предусматривается проводить экскаватором Э-504, оборудованным прямой лопатой с ковшом вместимостью 0,5 м³...При выполнении работ по устройству монолитных несущих конструкций, здание делится на пять ярусо-захваток. Методы производства работ по устройству монолитного каркаса подробно описаны в технологической карте (п. 7.1.5.)
Работы по устройству кровли выполнять в соответствии со СНиП 3.04.02-87. Отделочные работы производят после окончания монтажных работ и устройства кровли.
Штукатурные работы производятся с применением штукатурной станции «Салют-2», малярные работы – с применением малярной станции СО-115.
Монтаж конструкций производят башенным краном КБ-403 А.
Прочие работы производить с помощью средств малой механизации или нормокомплекта механизмов, приспособлений и инструментов.
Работы по устройству свайного фундамента начинают с разбивки осей здания и свайных рядов, которая производится с помощью теодолита и мерной ленты. Выполняют работы четыре человека (геодезист, мастер и два рабочих). При этом площадь свайного поля должна быть разделена на участки (захватки) с размерами, не превышающими длины мерной ленты, чаще - 20 м.
В первую очередь разбиваются главные оси здания, наносятся на обноску и закрепляются вне контура здания, контрольными точками. По обноскам натягиваются тонкие мягкие стальные проволоки. Точки их пересечения сносятся на грунт. В каждую из точек забивается стальной штырь диаметром 10…12 мм со шляпкой. Затем разбиваются другие оси и места их пересечения фиксируются.
Техника разбивки свайного ряда такова: вдоль оси, по поверхности грунта и в пределах захватки, рабочие натягивают мерную ленту и мастер производит отсчет каждой сваи от одной (базовой) точки.
До забивки свай по главным осям для контроля за точностью их погружения устанавливаются временные реперы на расстоянии 1…1,5 м друг от друга и по ходу забивки - по остальным осям. Временный репер- деревянный кол сечением 20х20 мм; но такой длины, чтобы он мог быть забит в грунт возможно надежнее и чтобы верх его был на проектной отметке погружаемой сваи.
В непосредственной близости от возводимого здания для фиксации вертикальных отметок должен быть установлен репер, привязанный геодезическим прибором к знаку государственной нивелировки. Абсолютные отметки на репере наносятся несмываемой краской, а место репера надежно защищается от смещений или повреждений.
Разметку места погружения сваи рекомендуется производить с помощью рамки - шаблона, ось которой надевается на разбивочный штырь; ориентированная по осям рамка вдавливается в грунт, отпечатывается на нем контур, выполняя роль кондуктора для погружаемой сваи.
Лучшим способом подачи сваи под копер является сваеустановщик, подающий сваю не только к месту погружения, но и под самый молот, причем в определенном положении.
К акту приемки свайных работ рекомендуется прилагать исполнительный план свайного поля с указанием у каждой сваи с номером № четырех величин: l - отказ сваи, Ð - отметка ее нижнего конца, n - количество ударов молотка, ±α - отклонение сваи в плане. Отметки нижних концов свай наносят на геологический профиль, совмещенный с продольным или поперечным разрезом.
В начале забивки необходимо внимательно наблюдать за правильностью погружения сваи в плане и по вертикали или по заданному углу наклона (при забивке наклонных свай).
Забивка производится с помощью подвески молотов, когда острие сваи погружено приблизительно до проектной отметки или получен проектный отказ; забивку свай производят циклами - по 10 ударов в каждом. При забивке свай дизель молотом считать удары (из-за большой частоты) практически невозможно. В этих случаях за отказ принимают величину погружения сваи за 1 мин. Отказы измеряют с погрешностью не более 1 мм.
Сваи, не давшие контрольного отказа после перерыва в 3…4 дня подвергаются контрольной добивке.
Работы по устройству ростверков производятся тотчас по приемке свайных работ. Поскольку ростверк является частью свайного фундамента, работы по ростверкам входят в график устройства свайных фундаментов.
По железобетонным сваям забивным ростверк выполняется из бетона и железобетона.
Глубина заложения подошвы ростверка назначается от конструктивных требований и решений нулевого цикла, а также проекта планировки (наличие подвала, техническое подполье и пр.).
Технические средства производства свайных работ.
Разгрузка и складирование свай производится автокраном КС-2561Е грузоподъемностью 6,3 т, смонтированном на шасси автомобиля ЗИЛ-130, оснащенном стрелой длиной 8 м и сменным рабочим оборудованием. Техническая характеристика крана в таблице.
Техническая характеристика крана КС-2561Е.
Таблица 7.4. Техническая характеристика крана КС-2561Е
| №№ п/п | Показатели | КС-2561Е |
1. 2. 3. 4. 5. 6. 7. 8. 9. |
Грузоподъемность, т: при вылете крюка: - наименьшем - наибольшем - при передвижении с грузом Высота подъема, м: - при наименьшем вылете - при наибольшем вылете Скорость подъема груза, м/с Скорость передвижения крана, км/ч: - рабочая - транспортная - Марка автомобиля Габариты в транспортном положении, м: - длина - высота - ширина Нагрузка на ось, кН: - переднюю - заднюю Масса крана в рабочем состоянии, т Частота вращения поворотной части, об/мин |
6,3 1,7 1,6 8 5,5 21,8 5 8,5 ЗИЛ-130 10,6 3,65 2,5 23 64 8,7 2,74 |
Техническая характеристика навесного оборудования С-860 на базе экскаватора.
Таблица 7.5. Техническая характеристика навесного оборудования
№№ п/п |
Показатели | С-850 |
1. 2. 3. 4. 5. 6. 7. 8. 9. 10. |
Полезная высота копра, м Полная высота копра, м Грузоподъемность, т Наклоны мачты копра: - назад - вперед - в сторону Угол поворота мачты вокруг оси копра Изменение вылета мачты, м Мощность двигателя базовой машины копра, л.с. Масса навесного или сменного оборудования без дизель-молота,т Тип комплектуемого сваебойного молота Масса ударной части, кг |
10 15,5 8,0 1:10 1:10 1:10 360º 0,5 100 3,8 С-268,С-859 1800 |
Для перевозки свай на строительную площадку выбираем автомобиль с бортовой платформой. Данные автомобиля приведены в таблице. Техническая характеристика автомобиля МАЗ-5166.
Таблица 7.6. Техническая характеристика автомобиля МАЗ-5166
№№ п/п |
Показатель | МАЗ-5166 |
| 1. | Грузоподъемность, кг | 14500 |
| 2. | Масса снаряженного автомобиля, кг | 9050 |
| 3. | Полная масса, кг | 23700 |
| 4. | Габаоиты, мм: - ширина | 2500 |
| - длина | 8525 | |
| - высота | 3685 | |
| 5. | Погрузочная высота, мм | 1415 |
| 6. | Наибольшая скорость, км/ч | 85 |
| 7. | Прицепы | - |
При выполнении строительно-монтажных работ необходимо выполнять требования соответствующих СНиП, правил производства работ, а также СНиП 12-04-2002 «Безопасность труда в строительстве», и ППЗ-05-85 «Правила пожарной безопасности при производстве строительно-монтажных работ».
7.1.5 Описание разработанной технологической карты на один из видов строительно-монтажных работ с анализом ее технико-экономических показателей
ТЕХНОЛОГИЧЕСКАЯ КАРТА
На комплексный процесс строительно-монтажных работ на 4-ом ярусе проектируемого здания.
В состав комплексного процесса входят работы:
- устройство монолитных колонн и внутренних стен;
- устройство монолитного перекрытия на отм. +7.200.
Область применения технологической карты
Данная технологическая карта устройство монолитного железобетонного каркаса. В состав работ, рассматриваемых в карте, входят:
опалубочные работы;
арматурные работы;
бетонирование колонн, внутренних стен и перекрытия;
такелажные работы.
Организация и технология выполнения работ
До начала работ по устройству монолитного каркаса должны выполнены следующие работы:
геодезическая разбивка осей и отметок;
нивелировка поверхности перекрытий;
произведена разметка положения стен и колонн в соответствии с проектом;
доставлены на площадку и подготовлены к работе необходимые приспособления, инвентарь и материалы.
Опалубочные работы
При бетонировании колонн, стен и перекрытий "Специализированной поликлиники” использовалась опалубка немецкой фирмы "PERI".
Монтаж этой опалубочной системы основан на использовании быстроразъемных замковых соединений, практически сводящей к минимуму использование соединений болтовых. К наиболее прогрессивным решениям опалубки "PERI" следует отнести конструкцию замкового соединения. Клиноэксцентриновый замок позволяет одним движением планки зацепить зажимные колодки, обеспечивающие плотное герметичное соединение рам соединяемых щитов. Процесс распалубки существенно облегчается из-за очень быстрого демонтажа замковых соединений, не требующих значительных усилий. Локальное размещение замковых соединений позволяет производить вручную демонтаж отдельными мелкими щитами без нарушения устойчивости общей системы опалубки.
За состоянием установленной опалубки должно вестись непрерывное наблюдение в процессе бетонирования. В случае непредвиденных деформаций отдельных элементов опалубки или недопустимого раскрытия щелей следует устанавливать дополнительные крепления и исправлять деформированные места.
Демонтаж опалубки разрешается проводить только после достижения бетоном требуемой прочности и с разрешения производителя работ.
Отрыв опалубки от бетона должен производиться с помощью домкратов.
После снятия опалубки необходимо:
произвести визуальный осмотр элементов опалубки;
очистить от налипшего бетона все элементы опалубки;
произвести смазку поверхности палуб, проверить и нанести смазку на винтовые соединения;
произвести сортировку элементов опалубки по маркам.
Арматурные работы
До монтажа арматуры необходимо:
тщательно проверить соответствие опалубки проектным размерам и качество ее выполнения;
составить акт приемки опалубки;
подготовить к работе такелажную оснастку и инструменты;
очистить арматуру от ржавчины;
проемы в перекрытиях закрыть деревянными щитами или поставить временное ограждение.
Арматурные стержни транспортируют в пачках, а закладные детали в ящиках.
Поступившие на строительную площадку арматурные стержни укладывают на стеллажах в закрытых складах, рассортированными по маркам, диаметрам и длинам.
Стержни подаются к месту монтажа пучками. Сетки нижнего и верхнего армирования вяжутся из стержней на монтажном горизонте.
Для образования защитного слоя между арматурой и опалубкой устанавливают фиксаторы с шагом 0,8-1 м.
Приемка смонтированной арматуры осуществляется до укладки бетонной смеси и оформляется актом на скрытые работы.
Бетонирование
До начала укладки бетонной смеси должны быть выполнены следующие работы:
проверена правильность установки арматуры и опалубки;
приняты по акту все конструкции и их элементы, доступ к которым после
бетонирования невозможен;
очищены от мусора, грязи и ржавчины опалубка и арматура;
проверена работа всех механизмов, исправность приспособлений, оснастки и инструментов.
Доставка на объект бетонной смеси предусматривается автобетоносместителями СБ-92В-2.
Подача бетонной смеси к месту укладки бетона предусмотрена в двух вариантах:
1) башенным краном КБ-403А в поворотных бункерах вместимостью 1,0 м3 с боковой выгрузкой с секторным затвором;
2) при помощи автобетононасоса ВН-80-20ПС с дальностью подачи бетонной смеси по горизонтали до 200 м, по вертикали 80 м.
В состав работ по бетонированию входят:
прием и подача бетонной смеси;
укладка и уплотнение бетонной смеси;
уход за бетоном.
Для загрузки бетонной смесью поворотные бункеры не требуют перегрузочных эстакад, а подаются к месту загрузки бетонной смесью башенным краном, который устанавливает бункеры в горизонтальном положении.
Автобетоносмеситель задним ходом подъезжает к бункеру и разгружается. Затем башенный кран поднимает бункер и в вертикальном положении подает его к месту выгрузки. В зоне действия башенного крана размещают несколько бункеров вплотную один к другому с расчетом, чтобы суммарная вместимость их равнялась вместимости автобетоносмесителя.
Колонны бетонируют непрерывно на всю высоту. Бетонную смесь осторожно загружают сверху и уплотняют ее внутренними вибраторами, опускаемыми в опалубку на веревках.
Стены бетонируют участками, заключенными между дверными проходами. Бетонную смесь укладывают слоями 30-40 см. Каждый слой тщательно уплотняется глубинными вибраторами. Глубина погружения рабочей части вибратора при уплотнении вновь уложенной бетонной смеси в ранее уложенный слой- 5-10 см. Шаг перестановки вибратора не должен превышать 1,5 радиуса его действия. Извлекать вибратор при перестановке следует медленно, не выключая двигателя, чтобы пустота под наконечником равномерно заполнялась бетонной смесью.
Перерыв между этапами бетонирования дожжен быть не менее 40 минут, но не более двух часов.
Бетонная смесь в перекрытии уплотняется виброрейкой СО-47.
При выдерживании бетона в начальный период твердения необходимо поддерживать благоприятный температурно-влажностный режим и предохранять его от механических повреждений.
Хождение людей по забетонированным поверхностям, а также установка на них опалубки разрешается не раньше того времени, когда бетон наберет прочность не менее 15 кгс/см2. Контроль за качеством бетонной смеси производит строительная лаборатория.
Контроль за качеством вибрирования ведется визуально, по степени осадки смеси, прекращению выхода из нее пузырьков воздуха и появлению цементного молока на поверхности уложенного бетона.
Работы по монтажу и демонтажу опалубки выполняются звеном из четырех человек:
Плотники 4 разр. -1;
2 разр. -2;
такелажники 2 разр. -2.
Работы по установке арматуры выполняются звеном из пяти человек:
Арматурщики 4 разр. -1;
2 разр. -2.
Работы по укладке бетонной смеси выполняются звеном из пяти человек:
при подаче башенным краном
Машинист бетононасоса 4 разр. -1;
бетонщики 2разр. -2;
такелажники 2 разр. -2
при подаче автобетононасосом
Машинист бетононасоса 4 разр. -1;
бетонщики 4разр. -1;
2 разр. -2.
При бетонировании с помощью автобетононасоса бетонная смесь подается непрерывно.
Из приемного бункера автобетононасоса смесь засасывается в подающий цилиндр, а затем нагнетается в бетоновод 125 мм.
Распределительная стрела насоса позволяет подавать бетонную смесь в любую точку в радиусе 22,5 м и на высоту до 22 м. С применением магистрального бетоновода дальность подачи смеси увеличивается по горизонтали до 200 м, а по вертикали до 80 м.
1. Установка автобетононасоса.
Исполнители: - машинист установки 4р,
- слесарь-строитель 4р /С1/.
До начала работ необходимо устроить временные автодороги, подъездные пути и пр.; спланировать площадку для установки автобетононасоса; обеспечить подачу воды и электроэнергии.
Проводимые операции при установке.
1. По команде слесаря машинист устанавливает автобетононасос, как можно ближе к конструкции. Затем машинист производит переключение работы двигателя базовой машины на силовые агрегаты автобетононасоса.
2. Слесарь освобождает передние и задние опоры, а машинист при помощи автоматического пульта устанавливает их в рабочее положение. При необходимости под пяту опор ставят деревянные прокладки.
3. Находясь у пульта машинист производит поочередное развертывание подъемных частей распределительной стрелы.
2. Монтаж бетоновода и подсоединение его к автобетононасосу.
Исполнители: - слесарь строительный /С1/ -4 р,
- слесари строительные 2р /С2,С3/.
До начала работ необходимо разработать ППР с указанием порядка и последовательности сборки бетоновода: произвести разворот и установку распределительной стрелы автобетононасоса к бетонируемым конструкциям: установить и закрепить арматуру и опалубку: смонтировать надежную звуковую или видеосвязь.
Операции по монтажу бетоновода указаны в графической части проекта.
3. Прием и подача бетонной смеси автобетононасосом.
Исполнители: - машинист бетонной установки 4р;
- слесарь строительный 4р.
Операции по приему и подачи бетонной смеси также указаны в графической части проекта.
4. Прием и укладка бетонной смеси в конструкцию.
Исполнители: - бетонщики 4р /Б1, Б4/;
- бетонщики 3р /Б2, Б5/;
- бетонщики 2р /Б3, Б6/.
Операции: 1. Прием и укладка бетонной смеси.
Продолжительность - 72 мин.
Затраты труда - 72 чел.-мин.
Б1 и Б4 равномерно распределяют поступающую смесь по объему, перемещая рукав.
2. Уплотнение бетонной смеси.
Продолжительность - 72 мин.
Затраты труда - 144 чел.-мин.
Б2 и Б3 (Б5 и Б6) уплотняют бетонную смесь глубинными вибраторами. Уплотнение прекращают после появления на поверхности цементного молока.
3. Выравнивание открытой поверхности.
Продолжительность - 12 мин.
Затраты труда - 36 чел.-мин.
Открытую поверхность Б1 и Б6 выравнивают с помощью рейки.
4. Переноска распределительного рукава.
Продолжительность - 4 мин.
Затраты труда - 12 чел.-мин.
После того, как машинист прекратит подачу бетонной смеси, бетонщики с помощью приспособлений переносят рукав к следующей захватке.
5. Разборка бетоновода.
Исполнители: - слесарь /С1/ - 4р;
- слесарь /С2 и С3/ - 3р, 2р.
Описание операций.
1. С1 открывает замок соединения на стыке рукава и последнего звена бетоновода, снимает его и резиновую прокладку и дает команду С1 и С3 переместить рукав к месту присоединения к оставшейся части бетоновода. С2 и С3 с помощью приспособления переносят рукав к месту установки.
2. С1 открывает замок соединения на последнем стыке, С2 и С3 раскрепляют крепечные обоймы опор под демонтируемым участкам. Далее С1…С3 снимают демонтируемую часть бетоновода с опор.
3. С2 и С3 подносят рукав к оставшейся части бетоновода. Место стыка распределительного рукава и звена бетоновода С1 закрывает резиновым кольцом и закрепляет быстроразъемным соединением. С2 и С3 направляют рукав в бетонируемую конструкцию.
4 С1…С3 разъединяют отсоединенный участок бетоновода на отдельные звенья, распределяя место стыка и укладывают элементы креплений труб в ящик.
5. Отсоединенные звенья С1, С2 и С3 очищают от остатков бетона с помощью напора воды.
6. Очищенные звенья С1, С2, С3 переносят к месту их складирования и укладывают на прокладки.
7. Освободившиеся стойки-опоры из-под отсоединенных частей бетоновода С1, С2 и С3 складывают и переносят к месту их складирования.
9. Экономическая часть
9.1 Составление сметной документации
9.1.3 Локальная смета
Локальная смета №1 на общестроительные работы Специализированной поликлиники в г. Краснодаре
| Сметная стоимость | 17 688 432 | руб. |
| Нормативная трудоемкость | 58 981,6 | чел/час |
| Сметная заработная плата | 1 786 724 | руб . |
Составлена в ценах 1-го квартала 2003 г.
Шифр и номер позиции норматива |
Наименование работ и затрат, единица измерения |
Стоимость единицы, руб. | Общая стоимость, руб. | Затраты труда рабочих, чел.-ч, не занятых обслуживанием машин |
||||
| Всего | эксплуатации машин | всего | основной зарплаты | Эксплуатации машин | обслуживающих машины | |||
| основной зарплаты | в т.ч. зарплаты | в т.ч. Зарплаты | на единицу | Всего | ||||
| 1 | 2 | 3 | 4 | 5 | 6 | 7 | 8 | 9 | 10 | 11 |
| 1. Земляные работы | ||||||||||
| 1 | Е1-1592 | Разработка грунта экскаваторами на гусеничном иколесном ходу с погрузкой на автомобили-самосвалы с ковшом вместимостью 0,5м3 грунт 2 группы, 1000 м3 | 5,68 | 172,0 7,6 |
164,1 66,9 |
976,6 | 43,4 | 931,7 379,9 |
15,51 86,30 |
88,04 490,02 |
| 2 | Е1-96 т.4, п.3 | Доработка грунта 2 группы вручную, 100м3 | 3,48 | 89,4 89,4 |
0,0 0,0 |
311,1 | 311,1 | 0,0 0,0 |
184,80 0,00 |
643,10 0,00 |
| 3 | Е1-1592 | Погрузка грунта экскаваторами на автомобили-самосвалы с ковшом вместимостью 0,5м3 грунт 2 группы, 1000 м3 | 0,35 | 172,0 7,6 |
164,1 66,9 |
59,9 | 2,7 | 57,1 23,3 |
15,57 86,30 |
5,42 30,03 |
| 4 | С312-25 | Перевозка грунта автосамосвалами до 25 км, т | 10 546,00 | 1,7 0,0 |
1,7 0,3 |
17 717,3 | 0,0 | 17 717,3 3 543,5 |
0,00 0,43 |
0,00 4 570,64 |
| 5 | Е1-1634 | Засыпка пазух песком, 1000 м3 | 0,22 | 20,3 0,0 |
20,3 6,8 |
4,5 | 0,0 | 4,5 1,5 |
0,00 8,80 |
0,00 1,94 |
| 6 | С497-251 | Песок для обратной засыпки траншей и котлованов, м3 | 242,00 | 6,6 0,0 |
0,0 0,0 |
1 597,2 | 0,0 | 0,0 0,0 |
0,00 0,00 |
0,00 0,00 |
| Итого по разделу Земляные работы | 20 666,5 | 357,2 | 18 710,6 3 948,1 |
736,6 4 571,1 |
||||||
| 2. Фундаменты | ||||||||||
| 7 | Е5-738 п.1,49 | Бурение скважин вращательным способом диаметром 250мм в грунтах 3 группы и глубиной 2м, м | 520,00 | 4,8 0,9 |
3,8 1,1 |
2 485,6 | 452,4 | 1 955,2 561,6 |
1,61 1,39 |
837,20 724,46 |
| 8 | С119-405 п.3-31 | Шнеки диметром 250 мм, шт. | 10,00 | 156,0 0,0 |
0,0 0,0 |
1 560,0 | 0,0 | 0,0 0,0 |
0,00 0,00 |
0,00 0,00 |
| 9 | Е5-7 | Погружение дизель-молотом на экскаваторе железобетонных свай длиной до 8м в грунты 1 группы, м3 | 166,40 | 19,6 2,0 |
15,1 3,1 |
3 261,4 | 336,1 | 2 512,6 519,2 |
3,31 4,02 |
550,78 669,73 |
| 10 | С497-1551 | Сваи квадратного сечения длиной до 8 м. периметр сторон 1000-1200 мм из бетона кл. В22,5, шт. | 260,00 | 59,4 0,0 |
0,0 0,0 |
15 441,4 | 0,0 | 0,0 0,0 |
0,00 0,00 |
0,00 0,00 |
| 11 | Е5-31 | Вырубка бетона из арматурного каркаса железобетонных свай площадью сечения до 0,1м2, 1 свая | 260,00 | 1,2 0,6 |
0,6 0,2 |
309,4 | 153,4 | 156,0 46,8 |
0,96 0,23 |
249,60 60,37 |
| 12 | Е8-11 | Устройство щебеночных оснований под фундаменты, м3 | 56,00 | 14,1 0,5 |
0,4 0,1 |
787,9 | 25,2 | 20,7 6,2 |
0,89 0,14 |
49,84 7,95 |
| 13 | Е6-1 | Устройство бетонной подготовки из бетона кл. В3,5-В7,5, м3 | 56,00 | 24,4 0,7 |
0,3 0,1 |
1 365,3 | 39,2 | 15,7 4,5 |
1,37 0,10 |
76,72 5,78 |
| 14 | Е6-16 | Устройство монолитных железобетонных ростверков из бетона класса В 22,5, м3 | 181,00 | 30,5 1,6 |
0,8 0,3 |
5 513,3 | 282,4 | 153,8 47,1 |
1,87 0,34 |
338,47 60,71 |
| 15 | С124-3-6 | Арматура класса а3 диаметром 6, 12, 14, 16 18, 20 мм, т | 2,41 | 270,0 0,0 |
0,0 0,0 |
649,9 | 0,0 | 0,0 0,0 |
0,00 0,00 |
0,00 0,00 |
| 16 | С124-29,38 | Комплекты арматурной заготовки не собранные в каркасы и сетки из стали кл.А1,А3 диаметром 8,10,12,16,20 мм, т | 5,25 | 237,8 0,0 |
0,0 0,0 |
1 247,7 | 0,0 | 0,0 0,0 |
0,00 0,00 |
0,00 0,00 |
| 17 | С124-28,29,38,41 | Комплекты арматурной заготовки не собранные в каркасы и сетки из стали класса а1 диаметром 6,10,12,28,32 мм, т | 7,14 | 204,6 0,0 |
0,0 0,0 |
1 461,7 | 0,0 | 0,0 0,0 |
0,00 0,00 |
0,00 0,00 |
| Итого по разделу Фундаменты | 34 083,6 | 1 288,7 | 4 814,1 1 185,3 |
2 102,6 1 529,3 |
||||||
| 3. Колонны | ||||||||||
| 18 | Е6-109 | Устройство железобетонных колонн из бетона кл. В15...В22,5 высотой до 6м,периметром,до 2м, м3 | 99,40 | 58,9 10,9 |
3,2 1,0 |
5 855,7 | 1 083,5 | 319,1 95,4 |
19,50 1,24 |
1 938,30 123,10 |
| 19 | С124-40 | Арматура из стали кл. а1,а3 диаметром 10, 20мм, т | 17,49 | 224,0 0,0 |
0,0 0,0 |
3 917,5 | 0,0 | 0,0 0,0 |
0,00 0,00 |
0,00 0,00 |
| 20 | Е6-83 | Установка закладных деталей весом до 4кг, т | 1,02 | 445,0 124,0 |
1,4 0,4 |
452,6 | 126,1 | 1,4 0,4 |
210,62 0,54 |
214,20 0,55 |
| 21 | Е15-614 | Масляная окраска за 2 раза закладных деталей, 100 м2 | 0,25 | 60,8 38,4 |
0,0 0,0 |
15,3 | 9,7 | 0,0 0,0 |
67,46 0,00 |
17,00 0,00 |
| Итого по разделу Колонны | 10 241,1 | 1 219,2 | 320,5 95,9 |
2 169,5 123,56 |
||||||
| 4. Стены наружные | ||||||||||
| 22 | Е6-354 | Устройство наружных и внутренних стен толщиной свыше 300 мм жилых и общественных зданий,возводимых в перестановочной опалубке из пенобнтона кл. В 3,5, м2 | 1 962,30 | 39,1 1,9 |
2,1 0,5 |
76 745,6 | 3 689,1 | 4 199,3 1 040,0 |
2,52 0,68 |
4 945,00 1 341,62 |
| 23 | Е6-359,360,361 | Установка арматурных каркасов и сеток в опалубку стен при массе элемента до 20 кг, до 50 кг, до 200 кг, т | 10,52 | 18,4 13,7 |
3,0 0,8 |
193,0 | 144,5 | 31,7 8,6 |
28,76 1,06 |
302,44 11,12 |
| 24 | Е6-369,370 | Установка закладных деталей при массе элемента до 5 кг, до 20 кг, т | 0,90 | 50,7 44,2 |
3,7 1,0 |
45,4 | 39,6 | 3,3 0,9 |
84,94 1,26 |
76,02 1,13 |
| 25 | С124-18-6,С120-26 | Стоимость арматуры класса а3, а1, диаметром 6,8,10,12,16 мм, т | 19,51 | 401,3 0,0 |
0,0 0,0 |
7 828,4 | 0,0 | 0,0 0,0 |
0,00 0,00 |
0,00 0,00 |
| 26 | С121,т.4,т19 | Стоимость закладных деталей, т | 0,95 | 549,5 0,0 |
0,0 0,0 |
522,0 | 0,0 | 0,0 0,0 |
0,00 0,00 |
0,00 0,00 |
| 27 | Е26-38 | Заполнение антисейсмичных швов пенопластом, м3 | 18,50 | 34,7 14,2 |
0,6 0,2 |
642,0 | 262,7 | 11,3 3,3 |
19,50 0,23 |
360,75 4,30 |
| 28 | С111-291 | Пенопласт термоизоляционный пс-1, т | 4,08 | 1 920,0 0,0 |
0,0 0,0 |
7 833,6 | 0,0 | 0,0 0,0 |
0,00 0,00 |
0,00 0,00 |
| 29 | Е6-72 | Устройство деревянной опалубки проемообразователей и отдельных участков стен, м2 | 542,00 | 2,6 0,5 |
0,0 0,0 |
1 392,9 | 287,3 | 10,8 5,4 |
0,98 0,01 |
531,16 6,99 |
| Итого по разделу Стены наружные | 95 202,8 | 4 423,2 | 4 256,4 1 058,3 |
6 215,4 1 365,2 |
||||||
| 5. Плиты перекрытия монолитные | ||||||||||
| 30 | Е6-175 | Устройство плиты монолитной из бетона кл. В25, м3 | 730,00 | 38,5 3,2 |
0,7 0,2 |
28 068,5 | 2 365,2 | 532,9 160,6 |
5,91 0,28 |
4 314,30 207,17 |
| 31 | Е6-72 | Устройство деревянной опалубки проемообразователей, м2 | 150,00 | 2,6 0,5 |
0,0 0,0 |
385,5 | 79,5 | 3,0 1,5 |
0,98 0,01 |
147,00 1,94 |
| 32 | Е6-83-84 | Установка закладных деталей весом до 4 кг, до 20 кг, т | 1,90 | 397,9 81,0 |
1,4 0,4 |
754,1 | 153,5 | 2,6 0,8 |
210,55 0,53 |
399,00 1,00 |
| 33 | С124-30,38 | Стоимость арматуры класса А1,А3 диаметром 6,10,12, мм, т | 75,97 | 278,1 0,0 |
0,0 0,0 |
21 131,1 | 0,0 | 0,0 0,0 |
0,00 0,00 |
0,00 0,00 |
| 34 | С124-29,38,39,50 | Комплекты арматурной заготовки не собранные в каркасы и сетки из стали кл.а1 и углеродистой стали общего назначения,диаметром 6,8,10,12,16 мм, т | 42,14 | 222,0 0,0 |
0,0 0,0 |
9 355,1 | 0,0 | 0,0 0,0 |
0,00 0,00 |
0,00 0,00 |
| 35 | Е26-50 | Уклакладка сетки тканной в два слоя в рабочих швах бетонирования, м2 | 70,00 | 1,3 0,1 |
0,0 0,0 |
92,4 | 4,2 | 0,0 0,0 |
0,22 0,00 |
15,40 0,00 |
| Итого по разделу Плиты перекрытия монолитные | 59 786,7 | 2 602,4 | 538,5 162,9 |
4 875,7 209,1 |
||||||
| 6. Стены внутренние | ||||||||||
| 36 | Е6-351-1 | Устройство внутренних стен толщиной до 160 мм жилых и общественных зданий,возводимых вперестановочной опалубке, м2 | 236,00 | 16,7 1,2 |
1,4 0,3 |
3 938,8 | 285,6 | 321,0 82,6 |
2,15 0,45 |
507,40 106,55 |
| 37 | Е6-352-1 | Устройство внутренних стен толщиной до 200 мм жилых и общественных зданий,возводимых в перестановочной опалубке, м2 | 972,00 | 18,6 1,2 |
1,4 0,4 |
18 059,8 | 1 185,8 | 1 390,0 359,6 |
2,15 0,48 |
2 089,80 463,94 |
| 38 | Е6-359...361 | Установка арматурных каркасов и сеток в опалубку стен при массе элемента до 20 кг,50 кг, 200 кг, т | 1,32 | 18,4 14,4 |
3,0 0,8 |
24,4 | 19,1 | 4,0 1,1 |
28,67 1,03 |
37,96 1,37 |
| 39 | С124-18-6,С120-26,29 | Арматура класса а1, а3 диаметром 6мм, 8, 10, 12, 16 мм, т | 27,50 | 244,1 0,0 |
0,0 0,0 |
6 713,0 | 0,0 | 0,0 0,0 |
0,00 0,00 |
0,00 0,00 |
| 40 | Е6-369,370 | Установка закладных деталей при массе элемента до 5 кг, до 20 кг, т | 2,65 | 50,7 44,3 |
3,7 1,0 |
134,4 | 117,3 | 9,8 2,6 |
84,47 1,26 |
223,85 3,35 |
| 41 | С124 т.4 т19 | Стоимость закладных деталей, т | 2,65 | 550,0 0,0 |
0,0 0,0 |
1 457,5 | 0,0 | 0,0 0,0 |
0,00 0,00 |
0,00 0,00 |
| 42 | Е6-72 | Установка деревянной опалубки, проемообразователей и отдельных участков стен, м2 | 228,00 | 2,6 0,5 |
0,0 0,0 |
586,0 | 120,8 | 4,6 2,3 |
0,98 0,01 |
223,44 2,94 |
| Итого по разделу Стены внутренние | 30 913,9 | 1 728,6 | 1 729,3 448,2 |
3 082,4 578,1 |
||||||
| 7. Кровля | ||||||||||
| 43 | Е12-309 | Устройство прокладной пароизоляции покрытий в один слой из рубероида рк-350, 100 м2 | 8,85 | 34,7 4,8 |
0,7 0,2 |
307,2 | 42,3 | 6,2 1,9 |
7,43 0,27 |
65,76 2,40 |
| 44 | Е12-287 | Утепление газобетоном,средняя толщина 250 мм, м3 | 201,61 | 63,8 1,3 |
0,6 0,2 |
12 862,5 | 258,1 | 112,9 34,3 |
2,54 0,22 |
512,09 44,21 |
| 45 | Е12-299 | Устройство выравнивающих цементных стяжек толщиной 15мм, 100 м2 | 8,85 | 54,3 7,6 |
0,7 0,2 |
480,3 | 67,6 | 6,6 1,9 |
14,29 0,28 |
126,56 2,51 |
| 46 | Е12-127 | Устройство кровель рулонных плоских четырехслойных для зданий без фонарей шириной более 24м на битумной мастике с защитным слоем на битумной антисептированной мастике: из гидроизоля, 100 м2 | 8,85 | 382,0 49,9 |
14,2 4,3 |
3 382,2 | 441,8 | 125,7 37,7 |
86,46 5,50 |
765,52 48,66 |
| 47 | Е12-277 | Устройство обрамлений на фасадах(наружные подоконники,пояски,балконы и др,): без водосточных труб, 100 м2 | 24,11 | 9,5 2,3 |
0,0 0,0 |
228,6 | 55,5 | 0,2 0,0 |
4,14 0,00 |
99,82 0,00 |
| 48 | Е12-279 | Устройство металлического слива, 100 м | 2,75 | 151,0 15,9 |
0,4 0,1 |
415,3 | 43,7 | 1,1 0,3 |
28,60 0,15 |
78,65 0,43 |
| Итого по разделу Кровля | 17 676,1 | 909,0 | 252,7 76,1 |
1 648,4 98,2 |
||||||
| 8. Перегородки | ||||||||||
| 49 | Е10-301 | Устройство перегородок в общественных зданиях на металлическом каркасе,с изоляцией,с двухсторонней обшивкой гипсокартонными листами в 2слоя, 100 м2 | 29,22 | 466,0 154,0 |
9,1 2,7 |
13 616,5 | 4 499,9 | 265,9 79,8 |
252,00 3,52 |
7 363,44 102,90 |
| 50 | С111-754 | Листы гипсокартонные облегченные толщиной 14мм, м2 | 12 378,90 | 1,8 0,0 |
0,0 0,0 |
22 158,2 | 0,0 | 0,0 0,0 |
0,00 0,00 |
0,00 0,00 |
| 51 | Е7-714 | Заделка швов между листами гипсокартона гипсовым раствором, 100 м | 45,47 | 11,3 4,5 |
0,3 0,1 |
512,9 | 206,4 | 14,1 4,1 |
7,35 0,12 |
334,20 5,28 |
| 52 | Е26-65 | Оклеивание поверхности изоляции на клейстере в один слой тканью хлопчатобумажной, м2 | 300,00 | 1,3 0,1 |
0,0 0,0 |
381,0 | 45,0 | 0,0 0,0 |
0,26 0,00 |
78,00 0,00 |
| 53 | Е8-43 | Перегородки армированные, толщиной в 1/2 кирпича из (керамического)(силикатного) кирпича при высоте этажа до чм, 100 м2 | 4,14 | 491,0 74,0 |
7,7 2,3 |
2 033,8 | 306,5 | 31,9 9,6 |
136,93 2,98 |
567,18 12,34 |
| Всего по разделу Перегородки | 38 702,4 | 5 057,8 | 311,9 93,4 |
8 342,8 120,5 |
||||||
| 9. Отделочные работы (потолки) | ||||||||||
| 54 | Е15-276 | Сплошное выравнивание бетонных поверхностей потолков цементно-алебастровым раствором, 100 м2 | 23,74 | 25,5 24,4 |
1,1 0,3 |
605,5 | 579,4 | 26,1 7,8 |
44,99 0,43 |
1 068,30 10,11 |
| 55 | кальк. | Стоимость цементно- алебасрового раствора, м3 | 16,62 | 14,7 0,0 |
0,0 0,0 |
245,0 | 0,0 | 0,0 0,0 |
0,00 0,00 |
0,00 0,00 |
| 56 | Е15-604 | Шпатлевка потолков, 100 м2 | 23,74 | 15,3 9,4 |
0,0 0,0 |
363,2 | 223,9 | 0,5 0,2 |
15,80 0,01 |
375,09 0,31 |
| 57 | Е15-509 | Известковая окраска внутри помещений высотой до 4м по кирпичу и бетону, 100 м2 | 2,40 | 3,1 2,4 |
0,1 0,0 |
7,5 | 5,8 | 0,1 0,0 |
4,59 0,03 |
11,04 0,06 |
| 58 | Е15-667 | Высокачественная окраска поливинилацетатными водоэмульсионными составами по сборным конструкциям,подготовленным под окраску потолков, 100 м2 | 26,65 | 83,0 31,8 |
1,2 0,4 |
2 211,9 | 847,5 | 32,0 9,6 |
53,50 0,46 |
1 425,77 12,38 |
| 59 | Е15-94 | Облицовка потолков в санузлах глазурованной плиткой, 100 м2 | 1,15 | 529,0 109,0 |
2,0 0,6 |
608,4 | 125,3 | 2,3 0,7 |
191,00 0,77 |
219,65 0,89 |
| Итого по разделу Отделочные работы (потолки) | 4 041,5 | 1 781,8 | 61,0 18,4 |
3 099,8 23,7 |
||||||
| 10. Полы | ||||||||||
| 60 | Е11-11 | Укладка подстилающих слоев газобетонных, м3 | 183,80 | 62,6 1,6 |
0,0 0,0 |
11 513,2 | 297,8 | 0,0 0,0 |
2,90 0,00 |
533,02 0,00 |
| 61 | Е11-67 | Устройство покрытий бетонных толщиной 30мм, 100 м2 | 1,31 | 103,5 20,5 |
1,7 0,5 |
135,3 | 26,8 | 2,3 0,7 |
40,26 0,67 |
52,66 0,88 |
| 62 | Е11-68 | Устройство покрытий бетонных толщиной 5мм(на изменение толщины покрытия по расценке 67), 100 м2 | 2,62 | 0,9 0,6 |
0,3 0,1 |
2,3 | 1,5 | 0,7 0,2 |
1,06 0,10 |
2,78 0,27 |
| 63 | Е11-207 | Устройство покрытий на клее бустилат из линолеума поливинилхлоридного на теплозвукоизолирующей подоснове,толщиной не менее 3,6мм, 100 м2 | 10,19 | 517,0 43,6 |
0,8 0,2 |
5 268,7 | 444,3 | 7,6 2,2 |
75,49 0,28 |
769,34 2,89 |
| 64 | Е15-563 | Улучшенная окраска колером масляным разбеленным по дереву полов (плинтусов), 100 м2 | 1,02 | 71,2 27,8 |
0,8 0,2 |
72,6 | 28,3 | 0,8 0,2 |
49,24 0,31 |
50,18 0,32 |
| 65 | Е11-179 | Устройство покрытий на битумной мастике из плиток керамических для полов многоцветных, 100 м2 | 2,25 | 477,0 67,5 |
6,2 1,9 |
1 075,2 | 152,1 | 14,0 4,2 |
100,00 2,40 |
225,40 5,41 |
| 66 | Е11-55 | Устройство стяжек цементных толщиной 20мм, 100 м2 | 7,90 | 72,1 9,9 |
0,9 0,3 |
569,3 | 78,0 | 7,5 2,2 |
18,80 0,36 |
148,52 2,85 |
| 67 | Е11-56 | Устройство стяжек цементных толщиной 5мм, 100 м2 | 7,90 | 14,1 0,2 |
0,2 0,1 |
111,4 | 1,3 | 1,8 0,6 |
9,34 0,09 |
73,77 0,71 |
| 68 | Е11-139 | Устройство покрытий из искусственной плитки на клеящей мастике, 100 м2 | 7,15 | 477,0 67,5 |
6,2 1,9 |
3 409,1 | 482,4 | 44,3 13,3 |
109,05 2,40 |
779,35 17,15 |
| Итого по разделу Полы | 22 157,1 | 1 512,6 | 79,1 23,6 |
2 635,0 30,5 |
||||||
| 11. Проемы | ||||||||||
| 69 | Е10-107 | Установка дверных блоков в перегородках и деревянных нерубленных стенах площадь проема до 3м2, м2 | 194,74 | 2,2 0,7 |
0,1 0,0 |
420,6 | 130,5 | 25,3 7,8 |
1,16 0,05 |
225,90 10,05 |
| 70 | Е10-112 | Установка блоков дверных в перегородках самозакрывающихся площадью до 3 м2, м2 | 60,74 | 7,4 0,9 |
0,1 0,1 |
451,9 | 56,5 | 9,1 3,6 |
1,61 0,08 |
97,79 4,70 |
| 71 | С111-398 | Стоимость пружин для самозакрывающихся дверей, 100 шт | 0,56 | 234,0 0,0 |
0,0 0,0 |
131,0 | 0,0 | 0,0 0,0 |
0,00 0,00 |
0,00 0,00 |
| 72 | С122-318 | Коробки дверные, м2 | 962,60 | 0,9 0,0 |
0,0 0,0 |
866,3 | 0,0 | 0,0 0,0 |
0,00 0,00 |
0,00 0,00 |
| 73 | кальк. | Стоимость полотен дверных офанеренных, м2 | 301,20 | 82,0 0,0 |
0,0 0,0 |
24 698,4 | 0,0 | 0,0 0,0 |
0,00 0,00 |
0,00 0,00 |
| 74 | кальк. | Стоимость наличников шириной 100 мм, м2 | 167,40 | 24,0 0,0 |
0,0 0,0 |
4 017,6 | 0,0 | 0,0 0,0 |
0,00 0,00 |
0,00 0,00 |
| 75 | кальк. | Стоимость обкладок, м2 | 106,00 | 24,0 0,0 |
0,0 0,0 |
2 544,0 | 0,0 | 0,0 0,0 |
0,00 0,00 |
0,00 0,00 |
| 76 | С111-448 | Двери входные в помещение однопольные, компл. | 156,00 | 3,4 0,0 |
0,0 0,0 |
525,7 | 0,0 | 0,0 0,0 |
0,00 0,00 |
0,00 0,00 |
| 77 | С111-390 | Замок врезной стальной никелированный с засовом двухсторонний с комплектом деталей и ключами, шт. | 156,00 | 3,0 0,0 |
0,0 0,0 |
461,8 | 0,0 | 0,0 0,0 |
0,00 0,00 |
0,00 0,00 |
| 78 | С122-264 | Блоки дверные трудновозгораемые с обшивкой полотен асбестовым картоном и облицовкой кровельной сталью полотен и коробок, м2 | 59,73 | 31,5 0,0 |
0,0 0,0 |
1 881,4 | 0,0 | 0,0 0,0 |
0,00 0,00 |
0,00 0,00 |
| 79 | Е9-106 | Монаж наружных дверных алюминиевых блоков, 100 м2 | 0,19 | 745,0 480,0 |
155,0 55,8 |
139,3 | 89,8 | 29,0 10,4 |
777,27 71,98 |
145,35 13,46 |
| 80 | С126-233 | Двери из алюминиевых сплавов для общественных зданий распашные однополбные, шт. | 8,00 | 97,4 0,0 |
0,0 0,0 |
779,2 | 0,0 | 0,0 0,0 |
0,00 0,00 |
0,00 0,00 |
| 81 | С126-241 | Двери из алюминиевых сплавов для общественных зданий распашные двупольные, шт. | 1,00 | 156,0 0,0 |
0,0 0,0 |
156,0 | 0,0 | 0,0 0,0 |
0,00 0,00 |
0,00 0,00 |
| 82 | Е9-105 | Монтаж оконных блоков из алюминиевых сплавов, 100 м2 | 1,80 | 259,0 186,0 |
67,0 41,3 |
466,7 | 335,2 | 120,7 74,4 |
271,70 53,28 |
489,60 96,01 |
| 83 | С126-149 | Стоимость конструкций окон из алюминевых сплавов, м2 | 186,24 | 152,0 0,0 |
0,0 0,0 |
28 308,5 | 0,0 | 0,0 0,0 |
0,00 0,00 |
0,00 0,00 |
| 84 | Е15-777 | Остекление в построечных условиях алюминиевых переплетов окон и балконных дверей двухслойными стеклопакетами площадью до 4 м2, 100 м2 | 1,59 | 42,4 33,0 |
2,8 0,8 |
67,5 | 52,5 | 4,5 1,3 |
59,26 1,08 |
94,29 1,72 |
| 85 | 06-02 | Стоимость двухслойных стеклопакетов тонированного стекла, м2 | 186,24 | 16,8 0,0 |
0,0 0,0 |
3 134,4 | 0,0 | 0,0 0,0 |
0,00 0,00 |
0,00 0,00 |
| 86 | Е15-78 | Укладка подоконных мраморных полированных плит, 10 м2 | 6,12 | 46,6 25,0 |
0,5 0,1 |
285,5 | 153,0 | 2,9 0,9 |
39,10 0,18 |
239,29 1,11 |
| 87 | 06-12-01 | Стоимость плит подоконных мраморных толщиной 25 мм, м2 | 61,20 | 71,2 0,0 |
0,0 0,0 |
4 354,4 | 0,0 | 0,0 0,0 |
0,00 0,00 |
0,00 0,00 |
| 88 | С126-845 | Комплект элементов нижнего горизонтального примыкания окон и балконныых дверей в проемах зданий, компл. | 65,00 | 9,1 0,0 |
0,0 0,0 |
588,9 | 0,0 | 0,0 0,0 |
0,00 0,00 |
0,00 0,00 |
| 89 | Е9-106 | Монаж витражей из алюминиевых сплавов, 100 м2 | 3,12 | 745,0 480,0 |
155,0 55,8 |
2 327,4 | 1 499,5 | 484,2 174,3 |
764,02 71,98 |
2 386,80 224,87 |
| 90 | С126-266 | Витражи для общественных зданий по индивидуальным проектам одинарные с фрамугами, м2 | 30,20 | 46,4 0,0 |
0,0 0,0 |
1 401,3 | 0,0 | 0,0 0,0 |
0,00 0,00 |
0,00 0,00 |
| 91 | 06-02 п.1-10 | Стоимость стеклопакетов из стекла, толщиной 6 мм, м2 | 312,00 | 16,8 0,0 |
0,0 0,0 |
5 251,0 | 0,0 | 0,0 0,0 |
0,00 0,00 |
0,00 0,00 |
| 92 | Е15-744 | Остекление алюминевых переплетов двухслойными стеклопакетами, 100 м2 | 3,12 | 113,0 78,5 |
2,8 0,8 |
353,0 | 245,2 | 8,7 2,6 |
49,80 1,08 |
155,58 3,39 |
| Итого по разделу Проемы | 83 611,8 | 2 562,2 | 684,5 275,4 |
3 834,6 355,8 |
||||||
| 12. Отделочные работы (стены) | ||||||||||
| 93 | Е15-275 | Сплошное выравнивание бетонных поверхностей стен цементно-алебастровым раствором, 100 м2 | 31,24 | 21,6 20,6 |
1,0 0,3 |
674,8 | 643,6 | 31,2 9,4 |
37,00 0,39 |
1 155,88 12,09 |
| 94 | кальк. | Стоимость раствора, м3 | 18,75 | 14,7 0,0 |
0,0 0,0 |
276,4 | 0,0 | 0,0 0,0 |
0,00 0,00 |
0,00 0,00 |
| 95 | Е15-603 | Шпатлевка бетонных поверхностей стен, 100 м2 | 31,24 | 12,2 6,8 |
0,0 0,0 |
381,1 | 213,1 | 0,6 0,3 |
11,50 0,01 |
359,26 0,40 |
| 96 | Е15-256 | Улучшенная штукатурка внутри зданий цементно-известковым раствором под плитку на латексе, 100 м2 | 1,36 | 110,7 46,4 |
6,8 4,0 |
150,7 | 63,2 | 9,3 5,5 |
73,89 5,20 |
100,64 7,08 |
| 97 | Е15-250 | Высококачественная штукатурка внутри зданий известковым раствором по камню и бетону стен, 100 м2 | 4,30 | 139,9 66,0 |
6,8 3,8 |
601,9 | 284,0 | 29,3 16,2 |
100,93 4,85 |
434,30 20,87 |
| 98 | Е15-509 | Известковая окраска внутри помещений высотой до 4м по кирпичу и бетону, 100 м2 | 3,33 | 3,1 2,4 |
0,1 0,0 |
10,4 | 8,0 | 0,2 0,1 |
4,60 0,03 |
15,32 0,09 |
| 99 | Е13-138 | Нанесение на огрунтованные поверхности эмали пф-133, 100 м2 | 9,72 | 11,1 0,9 |
0,3 0,1 |
107,9 | 8,9 | 2,6 0,8 |
1,37 0,10 |
13,32 1,00 |
| 100 | Е15-106 | Облицовка стен глазурованной плиткой, 100 м2 | 16,48 | 68,0 65,0 |
3,0 0,9 |
1 120,6 | 1 071,2 | 49,4 14,8 |
104,00 1,16 |
1 713,92 19,13 |
| 101 | Е15-812 | Оклейка стен моющимися пленочными обоями по штукатурке и бетону на тканевой основе, 100 м2 | 8,53 | 299,0 38,2 |
0,1 0,0 |
2 549,9 | 325,8 | 0,7 0,3 |
65,11 0,04 |
555,30 0,33 |
| 102 | Е15-814 | Оклейка стен моющимися пленочными обоями по гипсобетонным и гипсолитовым поверхностям на тканевой основе, 100 м2 | 16,87 | 277,0 31,5 |
0,1 0,0 |
4 673,0 | 531,4 | 1,2 0,5 |
53,00 0,04 |
894,11 0,65 |
| 103 | Е15-804 | Оклейка стен стеклохолстом по штукатурке и бетону, 100 м2 | 1,61 | 118,0 28,0 |
0,2 0,1 |
190,0 | 45,1 | 0,3 0,1 |
46,60 0,08 |
75,03 0,12 |
| 104 | Е15-666 | Высокачественная окраска поливинилацетатными водоэмульсионными составами по стеклохолсту, 100 м2 | 13,31 | 77,7 26,6 |
0,9 0,3 |
1 034,2 | 354,0 | 12,0 3,6 |
44,40 0,35 |
590,96 4,64 |
| 105 | Е15-664 | Высококачественная окраска поливинилацетатными водоэмульсионными составами по штукатурке стен, 100 м2 | 1,21 | 98,7 39,7 |
1,0 0,3 |
119,2 | 48,0 | 1,2 0,4 |
65,91 0,39 |
79,62 0,47 |
| 106 | Е15-668 | Отделка поверхностей стен составом "Байрамик-древо", 100 м2 | 20,31 | 70,5 58,0 |
0,1 0,0 |
1 431,9 | 1 178,0 | 2,0 0,6 |
91,00 0,04 |
1 848,21 0,79 |
| 107 | Е15-589 | Высококачественная окраска колером масляным разбеленным по сборным консрукциям,подготовленным под окраску стен, 100 м2 | 0,13 | 81,9 33,8 |
0,9 0,3 |
10,7 | 4,4 | 0,1 0,0 |
55,19 0,35 |
7,23 0,05 |
| Итого по разделу Отделочные работы (стены) | 13 332,7 | 4 778,6 | 140,1 52,5 |
7 843,1 67,6 |
||||||
| 13. Наружные отделочные работы | ||||||||||
| 108 | Е15-224 | Штукатурка фасадов высококачественная декоративням раствором по камню стен гладких, 100 м2 | 15,80 | 95,8 86,0 |
6,6 1,4 |
1 513,6 | 1 358,8 | 104,8 21,8 |
132,00 1,78 |
2 085,60 28,13 |
| 109 | кальк. | Стоимость раствора декоративного (0,7/0,3м3) (толщ. 30 мм), м3 | 47,88 | 53,3 0,0 |
0,0 0,0 |
2 551,5 | 0,0 | 0,0 0,0 |
0,00 0,00 |
0,00 0,00 |
| 110 | Е15-5 | Облицовка стен гранитом полированным толщиной 40мм, м2 | 62,00 | 17,6 14,8 |
0,1 0,0 |
1 090,6 | 917,6 | 3,1 1,2 |
21,90 0,03 |
1 357,80 1,60 |
| 111 | пр-т | Стоимость плит гранита, толщиной 300 мм, м2 | 62,00 | 243,7 0,0 |
0,0 0,0 |
15 108,2 | 0,0 | 0,0 0,0 |
0,00 0,00 |
0,00 0,00 |
| 112 | Е15-5 | Облицовка цоколя плитами шлифованного бальзата, м2 | 229,00 | 17,6 14,8 |
0,1 0,0 |
4 028,1 | 3 389,2 | 11,4 4,6 |
21,90 0,03 |
5 015,10 5,91 |
| 113 | пр-т | Стоимость плит из бальзата шлифованного, толщиной 30 мм, м2 | 229,00 | 206,5 0,0 |
0,0 0,0 |
47 295,4 | 0,0 | 0,0 0,0 |
0,00 0,00 |
0,00 0,00 |
| 114 | Е8-190 | Установка и разборка инвентарных наружных лесов высотой до 16м трубчатых для прочих отделочных работ, 100 м2 | 15,12 | 49,7 25,5 |
0,2 0,1 |
751,5 | 385,6 | 3,5 1,1 |
45,90 0,09 |
694,01 1,37 |
| Итого по разделу Наружные отделочные работы | 72 338,8 | 6 051,2 | 122,8 28,7 |
9 152,5 37,1 |
||||||
| 14. Подвесные потолки | ||||||||||
| 115 | Е34-323 | Каркасы акустических конструкций потолков металлические, 100 м2 | 7,95 | 606,0 157,0 |
3,5 1,1 |
4 819,5 | 1 248,6 | 27,8 8,4 |
260,90 1,35 |
2 074,95 10,77 |
| 116 | Е34-354 | Облицовка каркасов потолков неперфорированными плитами акустическими "Армстронг", 100 м2 | 7,95 | 81,2 63,1 |
1,0 0,3 |
645,8 | 501,8 | 8,3 2,5 |
110,96 0,40 |
882,45 3,18 |
| 117 | С111-769 | Стоимость плит размером 60х60 см, м2 | 819,16 | 10,9 0,0 |
0,0 0,0 |
8 928,8 | 0,0 | 0,0 0,0 |
0,00 0,00 |
0,00 0,00 |
| 118 | Е9-50 | Монтаж каркасов подвесных потолков с подвесками и деталями крепления, т | 1,26 | 73,0 43,3 |
14,3 4,3 |
91,7 | 54,4 | 18,0 5,4 |
69,32 5,53 |
87,07 6,95 |
| 119 | С121-1968 | Каркасы подвесных потолков с подвесками и деталями крепления 5, т | 1,26 | 346,0 0,0 |
0,0 0,0 |
434,6 | 0,0 | 0,0 0,0 |
0,00 0,00 |
0,00 0,00 |
| 120 | С147-29 | Цинкование стальных элементов, 100кг | 12,56 | 17,3 0,0 |
0,0 0,0 |
217,3 | 0,0 | 0,0 0,0 |
0,00 0,00 |
0,00 0,00 |
| 121 | Е34-354 | Облицовка каркасов потолков плитами из гипсокартона, 100 м2 | 1,79 | 81,2 63,1 |
1,0 0,3 |
145,7 | 113,2 | 1,9 0,6 |
110,75 0,40 |
198,69 0,72 |
| 122 | С111-754 | Листы гипсокартонные облегченные толщиной 14мм, м2 | 180,00 | 1,8 0,0 |
0,0 0,0 |
322,2 | 0,0 | 0,0 0,0 |
0,00 0,00 |
0,00 0,00 |
| Итого по разделу Подвесные потолки | 15 605,6 | 1 918,0 | 55,9 16,8 |
3 243,2 21,6 |
||||||
| Итого по смете: | ||||||||||
| Прямые затраты | 518 360 | 36 190 | 32 077 7 483 |
58 982 9 130 |
||||||
| Накладные расходы 14,2% | 73 607 | |||||||||
| Итого | 591 968 | |||||||||
| Плановые накопления 8% | 47 357 | |||||||||
| Итого | 639 325 | |||||||||
| Переход к ценам 2003 года | ||||||||||
| Накладные расходы К=42,57 | 3 133 458 | |||||||||
| Плановые накопления К=36,45 | 1 726 178 | |||||||||
| Материалы К=22,64 | 10 190 098 | |||||||||
| Машины и механизмы К=26,56 | 851 974 | |||||||||
| Заработная плата К=49,37 | 1 786 724 | |||||||||
| Итого | 17 688 432 | |||||||||
| Всего по смете: | 17 688 432 | |||||||||
10. Стандартизация и контроль качества
10.1 Стандартизация
Многие типовые индустриальные конструкции и детали заводского изготовления, прошедшие экспериментальную проверку и получившие широкое применение (оконные переплеты, двери, подоконные доски, лестничные ступени и пр.), утверждены в качестве обязательных стандартов для изготовления на предприятиях строительной промышленности и применения при проектировании. Описание каждого стандартного изделия приводится в Государственном общесоюзном стандарте, получившем название ГОСТа.
В соответствии с основными положениями по установлению объектов стандартизации в строительстве предусматривается разработка целого ряда комплексов организационно-методических стандартов. Некоторые из этих комплексов будут частями единых организационно-методических систем (например, система показателей качества, система безопасности труда), а другие - самостоятельными системами.
10.2 Контроль качества
Высокое качество строительства - основное условие обеспечения надежности и долговечности строящихся сооружений, социальной и экономической эффективности капитальных вложений.
Качество строительства зависит от:
- качества архитектурно-художественного уровня проектных решений;
- качества строительных материалов, конструкций, изделий, оборудования;
- квалификации рабочих и инженерно-технического персонала;
- уровня технической дисциплины;
- неукоснительного соблюдения требований проекта, ГОСТов, СпиП, технических условий, проектов организации строительства (ПОС) и проектов производства работ (ППР).
Качество производства строительно-монтажных работ регламентирует СниП, часть 3, который устанавливает требования к качеству работ, состав и порядок контроля качества, допускаемые отклонения (допуски) геометрических размеров, правила оформления скрытых работ и другие требования, направленные на обеспечение высокого качества строительной продукции.
Контроль качества строительно-монтажных работ на производстве включает в свой состав входной контроль рабочей документации, конструкций, материалов, изделий и оборудования; пооперационный контроль отдельных строительных процессов, а также приемочный контроль выполненных работ.
Выполнение правил производства работ отдельных видов, их качество контролирует бригадир, мастер, прораблинейный персонал стройки.
Ответственность за качество строительно-монтажных работ несет технический персонал строек. Внешний контроль за качеством строительства осуществляется техническим надзором заказчика и авторским надзором проектных организаций.
Особое место занимает авторский надзор, который обязан обеспечить контроль за неукоснительным исполнением требований проекта, ГОСТов, ТУ и СниП. Авторы проекта или группы авторского надзора, на которые проектными организациями возложены обязанности надзора, систематически посещают стройки, ведут журналы авторского надзора, следят за исполнением своих предписаний. В соответствии с положением авторский надзор имеет право запрещать применение конструкций, материалов и изделий, не соответствующих требованиям ГОСТов и ТУ, требовать приостановление работ отдельных видов, осуществляемых с нарушением проекта и СниП, вносить в соответствующие органы представления о привлечении к ответственности должностных лиц, допустивших некачественное исполнение работ.
Как правило, автор проекта должен быть председателем рабочей комиссии по приемке законченных зданий.
Проектные организации и лица, осуществляющие авторский надзор, несут ответственность за качественное исполнение проекта и выполнение обязанностей, предусмотренных Положением об авторском надзоре проектных организаций за строительством предприятий, зданий и сооружений (СниП 1.06.05-85).
Контроль качества проводят:
- визуально;
- измерением линейных размеров и оценкой качества отделки поверхностей;
- натурными испытаниями;
- с применением технических средств - разрушающим или механическим методом (испытание контрольных образцов), или неразрушающим методом (с применением ультразвуковой или радиационной аппаратуры, тепломеров).
Соответствие необходимым требованиям работ, которые скрываются последующими работами, фиксируют специальными актами на скрытые работы, составляемыми линейным персоналом с участием представителей авторского и технического надзора.
На каждом строительном объекте надлежит вести журналы работ (общий и по отдельным видам работ) и журнал авторского надзора, составлять акты промежуточной приемки ответственных конструкций, осуществлять испытания и опробование оборудования, систем, сетей и устройств.
Государственный надзор за качеством строительства осуществляют органы государственной инспекции надзора за строительством (ГАСН). Эти органы проводят систематические проверки состояния качества строительства при приемке в эксплуатацию законченных объектов. Качество отдельных видов и всего объекта в целом определяет рабочая комиссия с участием представителя авторского надзора. При нарушении требований проекта, СниП и технических условий на производство работ объект не принимают. Решение утверждает Государственная комиссия.
12. Противопожарные мероприятия
Противопожарные мероприятия выполнены в соответствии со СНиП 2.01.02-85* “Противопожарные нормы” и СНиП 2.08.027-89 “Общественные здания”.
Здание Специализированной поликлиники имеет две лестничные клетки, находящиеся в разных концах коридора. Помещения всех Этажей имеют по два рассредоточенных выхода.
Лестницы отделены от других помещений и коридоров перегородками и дверями с уплотнением и самозакрыванием.
Сауна отделена противопожарной перегородкой I типа и имеет отдельный выход.
Технические помещения имеют противопожарные двери. Ширина наружных дверей не менее ширины лестничного марша. Галерея отделена противопожарными дверями.
Выходы первого этажа сосредоточены по периметру, то есть исключены тупиковые коридоры. На перепадах кровли имеются пожарные лестницы. Одна из лестниц имеет выход на кровлю. На путях эвакуации нет отделки из горючих материалов.
В проекте предусмотрена система пожарной сигнализации. Автоматическое извещение о пожаре в защищаемых помещениях осуществляется тепловыми датчиками типа ДТЛ с легкоплавким замком, реагирующим на повышение температуры свыше 72ºС. При срабатывании датчика предусмотрена подача звукового сигнала.
13. Охрана окружающей среды
Охрана окружающей среды в настоящее время является одной из самых насущных задач человечества.
На стадии разработки генерального плана было предусмотрено:
· отдаление здания от промышленной зоны;
· формирование системы зеленых насаждений, способствующих шумозащите;
· вырубка деревьев и кустарников на территории объекта строительства, предусмотрена только в границах, установленных проектной документацией.
Образующийся на строительной площадке производственные и бытовые сточные воды отводятся согласно проектным решениям.
При производстве строительно-монтажных работ соблюдаются требования по предотвращению запыленности и загазованности воздуха.
Неиспользуемые отходы строительного производства, в том числе в том числе от разработки существующих зданий и строительный мусор, складируются и вывозятся в места, отводимые на непригодных для землепользования территории.
Список использованной литературы
1. Дорфман А.Э., Левонтин Л.Н. Проектирование безбалочных безкапительных перекрытий. М., Стройиздат, 1975, 124 с.
2. Байков В.Н., Сигалов Э.Е. Железобетонные конструкции. Общий курс. – М.: Стройиздат, 1985. -783 с.:ил.
3. И.П. Бракенгейм, В.Е. Моторный. Проектирование и производство работ по устройству свайных фундаментов. Учебное пособие. Краснодар: КПИ, 118с.
4. Евдокимов Н.И., Мцкевич А.Ф., Сытник В.С. Технология монолитного бетона и железобетона: Учеб. пособие для строительных вузов.-М.: Высш. школа, 1980.-335с.
5. Технология строительных процессов: Учеб./ А.А. Афанасьев, Н.Н. Данилов, В.Д. Копылов и др.; под ред. Н.Н. Данилова, О.М. Терентьева. – 2-е изд., перераб. – М.: Высш. шк., 2000. – 464 с.: ил.
6. Технология возведения зданий и сооружений: Учеб. для вузов / Теличенко В.И., Лапидус А.А. Терентьев О.М. и др.: - М.: Высш. шк.; 2001. – 320 с.: ил.
7. Организация строительного производства: Учебник для вузов / Т.Н. Цай,
П.Г. Грабовый, В.А. Большаков и др. – М.: Изд-во АСВ, 1999. – 432с.: ил.
8. Справочник строителя. Справочник / Г.М. Бадьин, В.В. Стебаков. – М.: Изд-во АСВ, 2001. – 340 с.: ил.
9. Справочник по инженерно-строительному черчению / Русскевич Н.Л., Ткач Д.И., Ткач М.Н. – 2-е изд., перераб. и доп. – Киев: Будiвельник, 1987. – 264 с.
10. Методические указания для проведения практических занятий по дисциплине "Организация и планирование строительного производства" для студентов всех форм обучения специальности 29.03 - Промышленное и гражданское строительство специализации "Технология и организация строительства" /Кубан. гос. технолог. ун-т: С.П. Король, В.М. Яковлев, Краснодар, 1995 г. 44 с.
11. Методические указания по разработке строительного генерального плана в составе курсового проекта по дисциплине "Организация и планирование строительного производства" и в разделе дипломного проекта "Организация строительства" для студентов всех форм обучения специальности 29.03 - Промышленное и гражданское строительство специализации "Технология и организация строительства" / /Кубан. гос. технолог. ун-т: С.П. Король, Краснодар, 1995 г. 34 с.
12. Методические указания по выполнению технико-экономических расчетов в составе курсового проекта по дисциплине "Организация и планирование строительного производства" и в разделе дипломного проекта "Организация строительства" для студентов всех форм обучения специальности 29.03 - Промышленное и гражданское строительство специализации "Технология и организация строительства" / /Кубан. гос. технолог. ун-т: С.П. Король, В.М. Яковлев, В.А. Пархоменко, В.А. Кириченко. Краснодар, 1995 г. 38 с.
13. Методические указания по выполнению контрольной работы по дисциплине «Техническое нормирование и сметное дело в строительстве» для студентов заочной формы обучения специальности 29.03 – Промышленное и гражданское строительство
14. СНиП 3.03.01-87. Несущие и ограждающие конструкции. – М.: Стройиздат, 1988.
15. СНиП 3.01.01-85*. Организация строительного производства. - М.: Стройиздат, 1995.
16. СНиП III-4-80*. Техника безопасности в строительстве. – М.: Стройиздат, 2000.
17. СНиП 12-04-2002. Безопасность труда в строительстве.-М.: Стройиздат 2002.
18. СНиП 2.01.01-82. Строительная климатология и геофизика. - М.: Стройиздат, 1984.
19. СНиП II-3-79*. Строительная теплотехника. – М.: Стройиздат, 1998.
20. СНКК 23-302-2000. Энергетическая эффективность жилых и общественных зданий. Нормативы по теплозащите зданий. Краснодар. 2001.-48с.
21. СНиП IV-2-82. Сметные нормы и правила. – М.: Стройиздат, 1986.
22. СНиП 2. 08. 02- 89*. Общественные здания и сооружения. – М.: Стройиздат, 1999.
23. СНиП II-7-81*. Строительство в сейсмических районах.- М.: Стройиздат, 2000.
24. СНиП 2.03.01-84* . Бетонные и железобетонные конструкции.- М.: Стройиздат, 1998.
25. СНиП 2.01.07-85*. Нагрузки и воздействия.- М.: Стройиздат, 1986.
26. ГОСТ 21-101-97.Основные требования к проектной и рабочей документации. – М.: Стройиздат, 1997.
27. СНиП 1,04,03-85. Нормы продолжительности строительства и задела в строительстве предприятий зданий и сооружений. - М.: Стройиздат, 1987
28. ЕНиР. Сб. Е1. Выпуск 1. Внутрипостроечные траспортные работы. – М.: Стройиздат, 1987.
29. ЕНиР. Сб. Е4. Монтаж сборных и устройство монолитных железобетонных конструкций.Выпуск 1.Здания и промышленные сооружения. – М.: Стройиздат, 1987.
30. ЕНиР. Сб. Е22. Сварочные работы.Выпуск 1.Конструкции зданий промышленных сооружений. – М.: Стройиздат, 1987.
31. ЕНиР. Сб. Е12. Свайные работы. – М.: Стройиздат, 1987.
32. Каталог единых районных единичных расценок на строительные работы по 7 зонам промышленно – гражданского строительства Краснодарского края. -Т.1.-Кн.1,2.- Краснодар, 1983.
33. Сборник сметных цен на местные строительные материалы, изделия и конструкции для промышленно – гражданского строительства по Краснодарскому краю. - Т.1.- Краснодар, 1983.