| Скачать .docx |
Курсовая работа: Расчет и конструирование элементов одноэтажного промышленного здания в сборном железобетоне
Федеральное агентство по образованию
Кубанский государственный технологический университет
Кафедра строительных конструкций и гидротехнических сооружений
Пояснительная записка
к курсовому проекту № 2 по дисциплине «Железобетонные и каменные конструкции »
на тему «Расчет и конструирование элементов одноэтажного промышленного здания в сборном железобетоне»
РЕФЕРАТ
Представленная пояснительная записка к курсовому проекту на тему: «Расчет и конструирование элементов одноэтажного промышленного здания в сборном железобетоне» имеет в объеме 34 листов. В ней представлены расчеты железобетонных элементов одноэтажного промышленного здания: поперечной рамы, колонны, фундамента под колонну, стропильной конструкции – арочной фермы. Пояснительная записка иллюстрирована необходимыми пояснениями и рисунками, а также схемами ко всем расчетам.
Все расчеты произведены в соответствии с нормативной докумен-тацией, в соответствии с требованиями СНиП.
Ил. 20, Табл. 4, Библиогр. 4
К пояснительной записке прилагается графическая часть – 2 листа формата А1.
Введение
При разработке проектов зданий и сооружений выбор конструктивных решений производят исходя из технико-экономической целесообразности их применения в конкретных условиях строительства с учетом максимального снижения материалоемкости, трудоемкости и стоимости строительства, достигаемых за счет внедрения эффективных строительных материалов и конструкций, снижения массы конструкций и т.п. Принятые конструктивные схемы должны обеспечивать необходимую прочность, устойчивость; элементы сборных конструкций должны отвечать условиям механизированного изготовления на специальных предприятиях.
При проектировании производственных зданий необходимо стремиться к наиболее простой форме в плане и избегать перепадов высот. При проектировании часто выбирают объемно-планировочные и конструктивные решения, так как они обеспечивают максимальную унификацию и сокращение числа типоразмеров и марок конструкций.
Увеличение объема капитального строительства при одновременном расширении области применения бетона и железобетона требует всемерного облегчения конструкций и, следовательно, постоянного совершенствования методов их расчета и конструирования.
Общие данные
Здание отапливаемое, сблокировано согласно конструктивной схеме.
Пролет железобетонной рамы 30 м, шаг колонн – 12 м, длина температурного блока 48 м. Мостовые краны грузоподъемностью 500/100 кН в каждом пролете. Снеговая нагрузка по IV снеговому географическому району, ветровая нагрузка для II района, местность типа С
– городской район с застройкой зданиями высотой более 25 м, средняя скорость ветра за период со средней суточной температурой воздуха £ 8°,
м/с "Строительная климатология" СНиП 23-01-99. Кровля рулонная, плотность утеплителя 300
.
Компоновка поперечной рамы железобетонного каркаса
В качестве основной несущей конструкции покрытия выбраны железобетонные арочные фермы пролетом 30 м с предварительно напряженным нижним растянутым поясом. Устройство фонарей не предусмотрено, цех оборудован лампами дневного света. Плиты покрытия предварительно напряженные железобетонные ребристые размером
м. Подкрановые балки металлические высотой 1.3 м. Наружные стены панельные навесные, опирающиеся на опорные столики колонн. Колонны проектируют сквозными двухветвевыми, ступенчатыми.
Отметка кранового рельса 12,9 м. Высота кранового рельса 120 мм.
Колонны имеют длину от обреза фундамента до верха подкрановой консоли
м.
От верха подкрановой консоли до низа стропильной конструкции, согласно стандарту на мостовые краны; высотой подкрановой балки, рельса, размером зазора
м. Окончательно принимаем
.
Полная длина колоны
м.
Соединение колонн с фермами выполняется сваркой закладных деталей и в расчетной схеме поперечной рамы считается шарнирным.
Размеры сечения колонны в надкрановой части назначают с учетом опирания ригелей непосредственно на торец колонны без устройства специальной консолей принимаем
см,
см.
Сквозные колонны имеют в нижней подкрановой части две ветви, соединенные короткими распорками-ригелями.
Для крайних колонн высота всего сечения
см.
Высота сечения ветви
мм, ширина
мм,
.

Рис. 1. Компоновка сечения колонн
Определение нагрузок на раму
Постоянная нагрузка от массы покрытия:
Таблица 1. Нагрузка от массы покрытия
| Собственный вес | Нормативная нагрузка, Н/м2 |
Коэффициент надёжности по нагрузке | Расчётная нагрузка, Н/м2 |
| 1. Железобетонных ребристых плит покрытия размером в плане |
2050 | 1,1 | 2255 |
| 2. Пароизоляция, один слой рубероида | 50 | 1,3 | 65 |
| 3. Утеплителя (плиты минераловатные полужесткие |
385 | 1,2 | 462 |
| 4. Асфальтобетонная стяжка ГОСТ 912884 |
350 | 1,3 | 455 |
| 5. Изопласта (рулонный наплавляемый) | 150 | 1,3 | 195 |
| ИТОГО | 2985 | 3432 |
Собственную массу принимаем
кН, распределенной на 1м2
кН/м2
;
,
,![]()
Нормативное значение постоянной нагрузки от покрытия:
кН/м2
.
Расчетная
кН/м2
.
Отношение
.
Временные нагрузки. Снеговая нагрузка.
Вес снегового покрова на 1 м2
площади горизонтальной проекции покрытия по СНиП 2.01.85 – 85 “Нагрузки и воздействия” для III района
кПа.
кН/м2
,
. Т. к.
- принимаем
.
На участке с перепадом высот коэффициент

Рисунок 2. Схема распределения снеговой нагрузки на участке у перепада высот
,
где
м - высота перепада, м, отсчитываемая от карниза верхнего покрытия до кровли нижнего;
![]()
м – длины, с которых снег переносится на рассматриваемый участок;
- доля снега, переносимого ветром к перепаду высот с верхнего покрытия при
,
с нижнего сводчатого покрытия при
;
Длина зоны повышенных снегоотложений
м при
;
Принимаем в расчете
;
![]()
Длительная составляющая снеговой нагрузки
кН/м2
для IV района.
Крановые нагрузки .
Таблица 2. Справочные данные по мостовым кранам
| Q, т | Пролет L, м |
Размеры, мм | Max давление колеса | Вес тележки Gn, кН |
Вес крана с тележкой Gк, кН |
Тип кранового рельса | Высота рельса h, мм |
Высота подкрановой балки при шаге колонн 12 м | ||||
| Главный крюк | Вспомо-гательный | H | М | B1 | K | Fn,,max | ||||||
| 50 | 10 | 30 | 2400 | 6300 | 260 | 4400 | 220 | 85 | 360 | КР-70 | 120 | 1300 |
Пролет крана
м.
кН,
.
Расчетное максимальное давление на колесо крана
кН,
кН.
Поперечная сила на одно колесо
кН.
- коэффициент трения при торможении тележки;
- количество колес крана с одной стороны;
- отношение тормозных колес тележки к общему числу колёс.

Рис. 3. Линия влияния давления на колонну
Вертикальная крановая нагрузка на колонны при невыгоднейшем положении кранов с коэффициентом сочетаний ![]()
кН,
кН.
- сумма ординат линии влияния
Горизонтальная крановая нагрузка на колонну от двух кранов при поперечном торможении
кН.
Ветровая нагрузка.
Нормативное значение ветрового давления по СНиП 2.01.85 – 85 “Нагрузки и воздействия” для II района, местности типа C,
кПа (600 Н/м2
), аэродинамический коэффициент: с наветренной стороны
, подветренной
. Нормативное значение средней составляющей ветровой нагрузки
wm
на высоте z над поверхностью земли
, где
- нормативное значение ветрового давления;
- коэффициент, учитывающий изменение ветрового давления по высоте;

Рисунок 4. Схема к определению нагрузки от ветра
С наветренной стороны
м, ![]()
кН/м2
;
м, ![]()
кН/м2
;
м, ![]()
кН/м2
.
м
кН/м2
.
Расчет раскосной железобетонной арочной фермы
Расчетные данные.
Бетон класса В35:
МПа;
МПа;
;
МПа;
МПа;
МПа.
Предварительно напряженная арматура класса А-V:
МПа;
МПа;
МПа.
Ненапрягаемая арматура класса А-II, А-I
Передаточная прочность бетона
МПа.
Разность температур натянутой арматуры и устройств воспринимающих усилие натяжения
.
Схема фермы и определение геометрических характеристик..
Арочную ферму проектируем с раскосной решеткой. Верхний пояс описан по дуге окружности радиусом:
м.
Центральный угол
равен:
;
.
Длина дуги верхнего пояса фермы:
м.
Разбиваем верхний пояс на 4 равные панели по 6.045 м.
Нагрузка от плит покрытия через ребра в виде сосредоточенных сил передается на узлы фермы и в середину второй и третьей панели верхнего пояса.
При ширине плиты покрытия
м угол, который опирается на дугу длинной
м, равен
.
Горизонтальная проекция первой плиты покрытия составляет
м;
второй
м; аналогично
м,
м.
Получаем схему передачи нагрузки от ребер плит на верхний пояс фермы.

Рисунок 5. Геометрическая схема и схема передачи нагрузки на ферму.
Определение нагрузок на ферму
Постоянная нагрузка
кН/м.
В однопролетном здании учитываем 3 варианта загружения снеговой нагрузкой,
:
1). Полная равномерно распределенная по всему пролету
кН/м.
2). Полная равномерно распределенная на половине пролета
.
3). Распределенная снеговая нагрузка, ординаты которой связаны с перепадом высот
и
кН/м.
Коэффициент перехода от нормативной к расчетной нагрузке
.

Рисунок 6. Геометрическая схема и схема передачи нагрузки на ферму
Производим подсчет нормативных и расчетных нагрузок на узлы верхнего пояса фермы для всех вариантов загружения:
Расчётное опорное давление фермы:
1) загружение постоянной нагрузкой:
кН;
кН;
кН;
кН;
кН;
2) первый вариант загружения снеговой нагрузкой:
кН;
кН;
кН;
кН;
кН;
3) второй вариант загружения снеговой нагрузкой:
кН;
кН;
кН;
кН;
кН;
4) третий вариант загружения снеговой нагрузкой:

Рисунок 7. Схема третьего варианта загружения снеговой нагрузкой
кН;
кН;
кН;
кН;
кН;
кН;
кН;
кН;
кН;
Определение усилий в элементах фермы произведен на ЭВМ с помощью программы ЛИРА-WINDOWS Версия 9.0, разработанной в НИИАСС (Киев), 1995-1998 г.
Вычисленные усилия сведены в таблицу 3 :
Таблица 3. Усилия в стержнях фермы.
| Элементы фермы | Обозначение стержня | Расчетное сечение | Продольная сила N от нормативных нагрузок , кН | |||
| Постоянная нагрузка | Снеговая нагрузка, вариант | |||||
| 1 | 2 | 3 | ||||
Верхний пояс |
1 | 1 | -941.980 | -275.938 | -191.998 | -445.692 |
| 2 | -938.982 | -275.843 | -191.715 | -444.596 | ||
| 3 | -900.990 | -263.968 | -180.629 | -416.233 | ||
| 2 | 1 | -903.652 | -264.069 | -151.234 | -359.945 | |
| 2 | -908.913 | -264.139 | -146.384 | -359.142 | ||
| 3 | -890.860 | -260.305 | -149.950 | -352.302 | ||
Нижний пояс |
3 | 857.237 | 251.181 | 173.695 | 401.035 | |
| 4 | 859.288 | 252.932 | 174.657 | 401.242 | ||
| 5 | 895.478 | 263.050 | 131.525 | 325.995 | ||
| Раскосы | 6 | -2.037 | -2.815 | -1.413 | -4.596 | |
| 7 | 37.431 | 8.444 | 41.639 | 62.389 | ||
| -33.195 | -58.647 | |||||
| 8 | -10.297 | -4.877 | 24.818 | 41.443 | ||
| -29.095 | -42.117 | |||||

Рисунок 8. Эпюры M кНм
Расчет нижнего пояса на прочность
Сечения, нормальные к продольной оси элемента .
Наибольшее растягивающее усилие в нижнем поясе
кН,
кН,
кНм.
Принимаем сечение нижнего пояса
см.
мм, величина
мм
мм – продольная сила проходит между ц.т. сечений арматуры., где
мм – расстояние от оси сечения напрягаемой арматуры до ближайшей грани.
Расстояние от направления действия силы до наиболее удаленной до нее арматуры
мм.
см2
, где
,
- мах значение коэффициента условий работы высокопрочной арматуры при напряжениях выше условного предела текучести.
(пункт 2.5.2[ 1 ]).
Для К7
см2
. Определяем количество прядей канатов
шт. Принимаем ø15 К7 (
см2
). Напрягаемая арматура окаймлена хомутами.
Продольная арматура каркасов класса А-V (4 ø8 с
см2
). Суммарный процентармирования составляет
%.
Сечение нижнего пояса представлено на рисунке :

Рисунок 9. сечение нижнего пояса
Расчет нижнего пояса по образованию трещин
Элемент относится к 3-й категории. Величину контролируемого предварительного напряжения арматуры принимаем из условия
МПа,
- при механическом способе натяжения,
МПа.
Определяем потери предварительного напряжения в арматуре при коэффициенте точности натяжения
.
Первые потери (происходящие до обжатия бетона):
(п. 2.4.2 [ 1 ]).
1. Потери от релаксации напряжений арматуры
МПа.
2. Потери от температурного перепада
МПа.
3. Потери от деформации анкеров
МПа, где
мм – обжатие опрессованных шайб или смятие высаженных головок,
см – смещение стержней в инвентарных зажимах,
см – длина натягиваемого стержня.
4. Потери от быстро натекающей ползучести бетона.
Коэффициент
;
(арматура А-III). Приведенная площадь бетона
см2
.
Усилие обжатия с учетом потерь
кН.
Сжимающее напряжение в бетоне ![]()
МПа.
Отношение
, где
, тогда
МПа,
где
, коэффициент 0,85 для бетона подвергнутого тепловой обработке.
Итак,
МПа.
Вторые потери
; от усадки бетона класса В40, подвергнутого тепловой обработке
МПа (табл.2.5 [ ]); от ползучести бетона при
кН,
МПа.
,
МПа.
Итак,
МПа.
Полные потери:
МПа.
Расчетный разброс напряжений при механическом способе натяжения принимают равным:
. Здесь
шт. (14 ø15 К-7). Т.к.
принимаем
.
Сила обжатия при ![]()
![]()
кН.
Усилие, воспринимаемое сечением при образовании трещин:
![]()
кН, где
- Коэффициент, учитывающий снижение трещиностойкости вследствие жесткости узлов фермы.
Следовательно, трещиностойкость приопорной панели нижнего пояса не обеспечена.
Проверка ширины раскрытия трещин , нормальных к продольной оси
Принимаем в первом приближении всю снеговую нагрузку длительной.
Приращение напряжение в растянутой арматуре:
МПа.
![]()
кН.
Приращение напряжение в растянутой арматуре от постоянной нагрузки:
, следовательно, трещины от постоянной нагрузки не возникают.
,принимаем
,
- растянутый элемент,
- для канатов,
- кратковременное действие нагрузки,
- коэффициент, учитывающий влияние жестких узлов.
мм
мм (таблица 2*
[ 1 ]).
Расчет верхнего пояса
Сечения, нормальные к продольной оси элемента . Расчет верхнего пояса на внецентренное сжатие производим для двух опасного сечения на действие расчетных усилий от схемы загружения постоянной нагрузкой и снеговой:
кН;
кНм.
кН;
кНм.
С учетом разгрузки от предварительного напряжения ;
кНм,
кНм.
Ориентировочная требуемая площадь сечения верхнего сжатого пояса фермы:
см2
.
Принимаем сечение верхнего пояса из условия опирания плит покрытия пролетом 12 м
см
см2
.
Расчетную длину для учета продольного изгиба в плоскости фермы согласно таблице 33 [1 СНиП 2.03.01-84* Бетонные и железобетонные конструкции.] при:
см
см.
Наибольшая гибкость сечения
. Необходимо учесть влияние прогиба элемента на его прочность.
При прямоугольном сечении с симметричным армированием
(без предварительного напряжения) с учётом, что
мм4
,
мм4
;
Зададимся
при
- первое приближение;
- коэффициент длительности действия на прогиб элемента в предельном состоянии, где
- тяжелый бетон (п. 4.2. [ 2 ]),
- моменты относительно оси, проходящей через ц.т. растянутой арматуры;
кНм,
кНм.
![]()
принимаем
. Отношение модулей упругости
.
Критическая сила

кН.
Вычисляем коэффициент
.
Эксцентриситет составляет
см.
Определяем
,
- тяжелый бетон.
Вычисляем характеристику сжатой зоны по формуле:
,
где
- арматура с физическим пределом текучести;
;
;
;
;
см2
.
Т.к.
, принимаем 2ø 16 А-II (приложение 6 [ 2 ]),
см2
, ![]()
Проверка прочности из плоскости фермы. Наибольшее сжимающее усилие в первой панели
кН;
кН.
Площадь сечения верхнего пояса фермы
см2
.
Расчетная длина элемента
см - проверку проводим по формуле
.
Где
см2
,
МПа при
.
По отношениям
,
находим
и
.
и
кН, т.е. прочность фермы из плоскости изгиба обеспечена.
Сечение верхнего пояса показано на рисунке :

Рисунок 10. Сечение верхнего пояса
Расчет второго раскоса
Расчетное растягивающее усилие
кН.
Сжимающее -
кН.
Усилие от длительной и постоянной нагрузки
кН.
Принимаем сечение раскоса
см.
Сечение арматуры из условия работы раскоса на растяжение
см2
.
Из условия работы раскоса на сжатие. Расчетная длина для учета продольного изгиба в плоскости фермы согласно таблице 33 [ 1 ]
см.
Определяем величину случайного эксцентриситета:
.
Расчетный эксцентриситет
см.
Наибольшая гибкость сечения
. Необходимо учесть влияние прогиба элемента на его прочность.
![]()
![]()
мм4
,
мм4
;
Зададимся
- первое приближение;
,
,
кНм,
кНм.
принимаем
. Отношение модулей упругости
.
Критическая сила

кН.
Вычисляем коэффициент
.
см.
Вычисляем:

![]()
;
;
;
;
см2
.
Принимаем арматуру конструктивно
В зависимости от
%,
(таблица 38 [1]).
Из условий работы на растяжение 4ø 10 А-II (приложение 6 [ 2 ]),
см2
.
Проверка ширины раскрытия трещин
, нормальных к продольной оси:
,
- внецентренно растянутый элемент,
- стержни периодического профиля.
- длительное действие нагрузки,
- коэффициент учитывающий влияние жестких узлов.
Принимаем в первом приближении всю снеговую нагрузку длительной.
Напряжение в растянутой арматуре
МПа.
![]()
мм
мм (таблица 2*
[ ]).
Сечение раскоса показано на рисунке :

Рисунок 11. Сечение второго раскоса
Расчет первого раскоса
Принимаем сечение раскоса
см.
Принимаем конструктивно 2ø 10 А-II, т.к.
.
Сечение раскоса показано на рисунке 12:

Рисунок 12. Сечение первого раскоса
Расчет и конструирование узлов фермы
Длина заделки напрягаемой арматуры
см – для канатов ø 12-15 мм. При меньшей длине анкеровка напрягаемой арматуры обеспечивается постановкой поперечных стержней.
Площадь сечения продольной ненапрягаемой арматуры
см2
Принимаем ø 6 А-I.
Длина заделки
см.
Расчет поперечной арматуры в опорном узле
. Расчетное усилие из условия прочности в наклонном сечении по линии отрыва
(рисунок ).

Рисунок 13. Опорный узел фермы
Условие прочности
;
Усилие в хомутах
кН, где
кН,
мм
для семипроволочных канатов;
кН – усилия в продольной арматуре;
- угол наклона линии
.
Площадь сечения одного поперечного стержня
см2
, где
МПа;
-шт. количество поперечных стержней в узле, пересекаемых линией
( за вычетом поперечных стержней, расположенных ближе 100 мм от точки
), при двух каркасах и шаге стержней
мм.
Принимаем ø 6 А-I,
см2
.
Обеспечения прочности на изгиб в наклонном сечении , условие прочности: момент сил не должен превышать момента внутренних усилий
;
Требуемая площадь стержня
![]()
см2
, что меньше принятого ø 6 А-I,
см2
– условие прочности на изгиб в наклонном сечении удовлетворяется.
В формуле
- угол наклона приопорной панели;
см,
см – высота сжатой зоны бетона;
см – расстояние от центра тяжести сжатой зоны равнодействующей усилий в поперечной арматуре.
Расчет прочности поперечной арматуре в промежуточных узлах
Расчетное усилие
кН .

Рисунок 14. Промежуточный узел фермы
Фактическая длина заделки стержней раскоса за линию
см, требуемая – для ø 6 А-I,
мм.
Необходимое сечение поперечных стержней каркасов
![]()
см2
, где
см
–условное увеличение длины заделки растянутой арматуры, при наличии на конце коротыша или петли,
- для узлов верхнего пояса и
- нижнего,
- угол м/у поперечными стержнями и направлением растянутого раскоса,
МПа;
-шт. количество поперечных стержней в узле, пересекаемых линией
, при двух каркасах и шаге стержней
мм.
Назначаем конструктивно ø 6 А-I,
см2
.
Площадь сечения окаймляющего стержня в первом узле определяется по условному усилию или
кН,
- усилия в растянутых раскосах.
Площадь сечения окаймляющего стержня
см2
,
МПа
– по условию ограничения раскрытия трещин; принимаем. ø 8 А-I,
см2
В узлах, где примыкают сжатые раскосы из конструктивных соображений поперечные стержни. ø 6 А-I, с шагом 100 мм, а окаймляющие стержни . ø 8 А-I.
Схема армирования фермы представлена в графической части.
Расчет фермы на монтажные нагрузки
Производим расчет верхнего пояса на монтажные нагрузки, возникающие при кантовании фермы.
При расчете учитываем, что прочность бетона при кантовании фермы достигает 70% от марочной.
Верхний пояс рассматриваем как двухконсольную балку, при условии строповки ее за второй узел на расстоянии 6,02 м от конца фермы.
Расчет производим на действие собственной массы верхнего пояса фермы и элементов решетки с учетом коэффициента динамичности
(без учета коэффициента
).

Рисунок 15. Схема к определению монтажных нагрузок.
кНм.
Определим площадь сечения арматуры при симметричном армировании
см2
<
см2
для 4ø 20 А-III.
Следовательно, прочность верхнего пояса на монтажные усилия
Определение усилий в колоннах железобетонной рамы
От постоянной нагрузки.
Нагрузка на колонну от покрытия
кН. Действует с эксцентриситетом в верхней части
м;
Нагрузка от веса стеновых панелей и остекления, передаваемая на колонну на отметках 8.4 м и 12
м.
кН,
кН, где
кН/м - вес 1 м2
стеновых панелей;
кН/м - вес 1 м2
остекления,
м. Передаваемая непосредственно на фундаментную балку
кН.
Нагрузка от веса подкрановых балок ориентировочно
![]()
кН,
,
м.
Нагрузка от веса колонн:
- надкрановая часть
кН;
- подкрановая часть
кН;
Коэффициент перехода от нормативной к расчетной нагрузке
.
![]()

Рис. 16. К определению эксцентриситетов продольных сил
Снеговая нагрузка
. Согласно приложению 3 [1] учитываем 2 варианта загружения снеговой нагрузкой,
:
1) Полная равномерно распределенная по всему пролету
кН/м.
2) Распределенная снеговая нагрузка, ординаты которой связаны с перепадом высот
и
кН/м.
Ветровой напор:
кН/м;
кН/м;
Ветровой напор:
кН/м;
кН/м;
Сосредоточенная нагрузка выше отметки 12.6 м
![]()
кН.
![]()
кН.
Крановая нагрузка.
Вертикальная крановая нагрузка на колонны при невыгоднейшем положении кранов с коэффициентом сочетаний ![]()
кН,
кН.
- сумма ординат линии влияния
Горизонтальная крановая нагрузка на колонну от двух кранов при поперечном торможении
кН.
Определение усилий в элементах фермы произведен на ЭВМ с помощью программы ЛИРА-WINDOWS Версия 9,0, разработанной в НИИАСС (Киев), 1995-1998 г.
Результаты расчета приведены в таблице 4.
Таблица 4. Комбинация нагрузок и усилив в сечениях левой колонны
| Нагрузка | Усилия в сечениях колонн | |||||||||||
| Надкрановая часть | Подкрановая часть (подкрановая ветвь) |
Надкрановая часть (внешняя ветвь) |
№ | Распорка | ||||||||
| Постоянная | N | -548.642 | N | -239.516 | N | -467.326 | 1 | N | 2.140 | |||
| M | 60.353 | M | 0.503 | M | 0.426 | 1 | M | -1.387 | ||||
| Q | Q | Q | 1 | Q | -4.318 | |||||||
| Снеговая 1 | N | -137.541 | N | -16.900 | N | -120.641 | 1 | N | 0.303 | |||
| M | 9.514 | M | -1.550 | M | -1.549 | 1 | M | 1.879 | ||||
| Q | Q | Q | 1 | Q | 4.034 | |||||||
| Снеговая 2 | N | -117.269 | N | -3.875 | N | -113.394 | 1 | N | 0.379 | |||
| M | 4.364 | M | 1.865 | M | 1.864 | 1 | M | 5.158 | ||||
| Q | Q | Q | 1 | Q | 2.263 | |||||||
Крановая V max |
N | N | -363.062 | N | -188.587 | 1 | N | 1.078 | ||||
| M | -35.440 | M | -3.016 | M | -3.013 | 1 | M | 6.685 | ||||
| Q | Q | Q | 1 | Q | 15.291 | |||||||
Крановая V min |
N | N | -31.209 | N | -119.240 | 1 | N | -0.026 | ||||
| M | -35.414 | M | -4.317 | M | -4.317 | 1 | M | 6.080 | ||||
| Q | Q | Q | 1 | Q | 15.23 | |||||||
| Крановая H | N | N | -86.518 | N | 86.518 | 1 | N | 0.007 | ||||
| M | 1.163 | M | 6.371 | M | -6.371 | 1 | M | -21.600 | ||||
| Q | Q | Q | 1 | Q | -8.637 | |||||||
| N | N | 54.947 | N | -54.947 | 1 | N | -0.259 | |||||
| M | 20.871 | M | -2.832 | M | -2.832 | 1 | M | 3.449 | ||||
| Q | Q | Q | 1 | Q | 8.964 | |||||||
Ветровая (напор) |
N | N | -77.412 | N | 77.412 | 1 | N | -0.989 | ||||
| M | 11.556 | M | 6.909 | M | 7.083 | 1 | M | -5.825 | ||||
| Q | Q | Q | 1 | Q | -14.813 | |||||||
Ветровая (отпор) |
N | N | 58.114 | N | -58.114 | 1 | N | 0.720 | ||||
| M | 8.820 | M | -5.220 | M | -5.448 | 1 | M | 4.396 | ||||
| Q | Q | Q | 1 | Q | 11.109 | |||||||
Таблица 5. комбинация нагрузок и усилив в сечениях правой колонны
| Нагрузка | Усилия в сечениях колонн | |||||||||||
| Надкрановая часть | Подкрановая часть (подкрановая ветвь) |
Надкрановая часть (внешняя ветвь) |
№ | Распорка | ||||||||
| Постоянная | N | -504.682 | N | -260.648 | N | -365.476 | 1 | N | 2.477 | |||
| M | 80.668 | M | 1.112 | M | 1.036 | 1 | M | -1.214 | ||||
| Q | Q | Q | 1 | Q | -4.33 | |||||||
| Снеговая 1 | N | -137.541 | N | -16.900 | N | -120.641 | 1 | N | 0.303 | |||
| M | 9.514 | M | -1.550 | M | -1.549 | 1 | M | 1.879 | ||||
| Q | Q | Q | 1 | Q | 4.034 | |||||||
| Снеговая 2 | N | -249.963 | N | -44.175 | N | -205.787 | 1 | N | 0.978 | |||
| M | 22.939 | M | -2.124 | M | -2.121 | 1 | M | 2.570 | ||||
| Q | Q | Q | 1 | Q | 5.135 | |||||||
Крановая V max |
N | N | -363.062 | N | -188.587 | 1 | N | 1.078 | ||||
| M | -35.440 | M | -3.016 | M | -3.013 | 1 | M | 6.685 | ||||
| Q | Q | Q | 1 | Q | 15.291 | |||||||
Крановая V min |
N | N | -31.209 | N | -119.240 | 1 | N | -0.026 | ||||
| M | -35.414 | M | -4.317 | M | -4.317 | 1 | M | 6.080 | ||||
| Q | Q | Q | 1 | Q | 15.23 | |||||||
| Крановая H | N | N | -86.518 | N | 86.518 | 1 | N | 0.007 | ||||
| M | 1.163 | M | 6.371 | M | -6.371 | 1 | M | -21.600 | ||||
| Q | Q | Q | 1 | Q | -8.637 | |||||||
| N | N | 54.947 | N | -54.947 | 1 | N | -0.259 | |||||
| M | 20.871 | M | -2.832 | M | -2.832 | 1 | M | 3.449 | ||||
| Q | Q | Q | 1 | Q | 8.964 | |||||||
Ветровая (напор) |
N | N | 61.085 | N | -61.085 | 1 | N | -0.283 | ||||
| M | -23.202 | M | -3.148 | M | -3.179 | 1 | M | 3.385 | ||||
| Q | Q | Q | 1 | Q | 9.660 | |||||||
Ветровая (отпор) |
N | N | -45.796 | N | 45.796 | 1 | N | 0.216 | ||||
| M | 17.395 | M | 2.360 | M | 2.361 | 1 | M | -2.875 | ||||
| Q | Q | Q | 1 | Q | -7.472 | |||||||
Расчетные данные.
Бетон класса В25:
МПа;
МПа;
;
МПа;
МПа;
МПа.
Арматура класса А-II:
МПа;
МПа.
Поперечная и конструктивная арматура класса А-I.
Коэффициент условия работы бетона
- при действии всех нагрузок;
- при отсутствии в расчетном сочетании ветровой и крановой нагрузок.
Расчет надкрановой части колонны
Расчетное сочетание
кН;
кН;
кНм.
Расчет в плоскости поперечной рамы .
Расчетную длину для учета продольного изгиба согласно таблице 33 [1 СНиП 2.03.01-84* Бетонные и железобетонные конструкции.], без учета крановой нагрузки
м.
Случайного эксцентриситет
мм.
Эксцентриситет продольной силы
мм
мм.
Гибкость сечения
. Необходимо учесть влияние прогиба элемента на его прочность.
Отношение
![]()
принимаем
.
При прямоугольном сечении с симметричным армированием
(без предварительного напряжения) с учётом, что
см4
,
см4
;
Зададимся
при 6ø 16 А-II,
см2
. - первое приближение;
- коэффициент длительности действия на прогиб элемента в предельном состоянии, где
- тяжелый бетон (п. 4.2. [ 1 ]),
- моменты относительно оси, проходящей через ц.т. растянутой арматуры;
кНм,
кНм.
Отношение модулей упругости
.
Критическая сила

кН.
Вычисляем коэффициент
.
Эксцентриситет составляет
см.
Верхний пояс армируют симметричной арматурой. Расчётные формулы для подбора симметричной арматуры
получают из совместного решения системы трёх уравнений: уравнения равновесия продольных усилий, моментов и эмпирической зависимости для
.
Определяем
,
- тяжелый бетон.
Вычисляем характеристику сжатой зоны по формуле:
,
,
где
- арматура с физическим пределом текучести;
![]()
;
;
;
;
мм2
Принимаем конструктивно ø 12 А-II (приложение 6 [ 1 ]),
см2
.
Расчет в плоскости перпендикулярной поперечной раме .
Расчетную длину для учета продольного изгиба согласно таблице 33 [1 СНиП 2.03.01-84* Бетонные и железобетонные конструкции.]
м;
Случайного эксцентриситет
мм,
мм.
Гибкость сечения
- расчет на устойчивость производить не требуется.
Сечение надкрановой части колонны показано на рисунке 16:

Рисунок 16. Сечение надкрановой части колонны
Расчет подкрановой части колонны
Подкрановая ветвь .
Расчетное сочетание – max сжимающее усилие
кН;
кН;
кНм.
Расчет в плоскости поперечной рамы .
Расчетную длину для учета продольного изгиба согласно таблице 33 [1 СНиП 2.03.01-84* Бетонные и железобетонные конструкции.], при учете крановой нагрузки
м;
Случайного эксцентриситет
мм
мм.
Эксцентриситет продольной силы
мм
мм.
Гибкость сечения
. Необходимо учесть влияние прогиба элемента на его прочность.
Отношение
![]()
принимаем
.
При прямоугольном сечении с симметричным армированием
(без предварительного напряжения) с учётом, что
см4
,
см4
;
Зададимся
при 6ø 16 А-II,
см2
. - первое приближение;
- коэффициент длительности действия на прогиб элемента в предельном состоянии, где
- тяжелый бетон (п. 4.2. [ 1 ]),
- моменты относительно оси, проходящей через ц.т. растянутой арматуры;
кНм,
кНм.
Отношение модулей упругости
.
Критическая сила

кН.
Вычисляем коэффициент
.
Эксцентриситет составляет
мм.
Верхний пояс армируют симметричной арматурой. Расчётные формулы для подбора симметричной арматуры
получают из совместного решения системы трёх уравнений: уравнения равновесия продольных усилий, моментов и эмпирической зависимости для
.
Определяем
,
- тяжелый бетон.
Вычисляем характеристику сжатой зоны по формуле:
,
где
- арматура с физическим пределом текучести;
;
;
;
Принимаем конструктивно 3ø 16 А-II (приложение 6 [ 1 ]),
см2
.
Внешняя ветвь .
Расчетное сочетание
кН;
кН;
кНм.
Расчет в плоскости поперечной рамы .
Расчетную длину для учета продольного изгиба согласно таблице 33 [1 СНиП 2.03.01-84* Бетонные и железобетонные конструкции.], при учете крановой нагрузки
м;
Случайного эксцентриситет
мм
мм.
Эксцентриситет продольной силы
мм
мм.
Гибкость сечения
. Необходимо учесть влияние прогиба элемента на его прочность.
Отношение
![]()
принимаем
.
При прямоугольном сечении с симметричным армированием
(без предварительного напряжения) с учётом, что
см4
,
см4
;
Зададимся
при 6ø 16 А-III,
см2
. - первое приближение;
- коэффициент длительности действия на прогиб элемента в предельном состоянии, где
- тяжелый бетон (п. 4.2. [ 1 ]),
- моменты относительно оси, проходящей через ц.т. растянутой арматуры;
кНм,
кНм.
Отношение модулей упругости
.
Критическая сила

кН.
Вычисляем коэффициент
.
Эксцентриситет составляет
мм.
Верхний пояс армируют симметричной арматурой. Расчётные формулы для подбора симметричной арматуры
получают из совместного решения системы трёх уравнений: уравнения равновесия продольных усилий, моментов и эмпирической зависимости для
.
Определяем
,
- тяжелый бетон.
Вычисляем характеристику сжатой зоны по формуле:
,
где
- арматура с физическим пределом текучести;
;
;
Принимаем конструктивно 3ø 16 А-II (приложение 6 [ 1 ]),
см2
.
Расчет в плоскости перпендикулярной поперечной раме .
Расчетную длину для учета продольного изгиба согласно таблице 33 [1 СНиП 2.03.01-84* Бетонные и железобетонные конструкции.]
м;
Случайного эксцентриситет
мм,
мм.
Гибкость сечения
- расчет на устойчивость производить не требуется.
Сечение надкрановой части колонны показано на рисунке

Рисунок 17. Сечение подкрановой части колонны
Расчет распорки .
кНм.
кНм.
кНм.
мм2
.
Принимаем ø 12 А-II (приложение 6 [ 1 ]),
см2
.
Коэффициент, учитывающий влияние продольной силы на несущую способность наклонного сечения
![]()
кН
-
поперечной арматуры по расчету не требуется,
- тяжелый бетон. Принимаем ø 4 Вр-I с шагом
мм.
Сечение распорки показано на рисунке 18:

Рисунок 18. Сечение распорки
Подбор размеров подошвы фундамента для колонны по оси А
Вычисляем предварительную площадь фундамента:
м2
,
где
- сумма нагрузок на фундамент для расчётов по второй группе предельных состояний кН;
кПа - значение расчётного сопротивления грунта несущего слоя;
кН/м3
- средний удельный вес материала фундамента и грунта на его обрезах
м– глубина заложения фундамента.
По полученному значению площади подошвы фундамента вычисляют его размеры:
м2
.

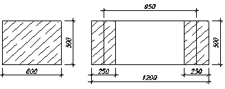
Рисунок 19. К конструированию фундамента
Расчётные характеристики грунта основания:
кН/м3
;
;
;
кПа;
МПа,
кН/м3
- удельный вес взвешенного в воде грунта.
Расчётные характеристики грунта засыпки:
кН/м3
;
;
кПа - расчётное значение удельного сцепления грунта, залегающего непосредственно под подошвой фундамента, кПа;
Нагрузка от массы грунта:
кН/м3
;
Нагрузка от веса фундамента
кН.
Нагрузка от части стены до отм. 8.4 м и фундаментной балки
мм:
кН,
м.
Нагрузка от пола и отмостки:
кН.
Расчетное сочетание :
Суммарная вертикальная нагрузка в уровне подошвы фундамента:
![]()
кН,
Изгибающий момент у обреза фундамента:
кНм.
Поперечная сила:
кН.
Момент в уровне подошвы фундамента:
![]()
кНм.
Расчётное сопротивление грунта основания
![]()
кН/м2
.
-коэффициенты условий работы, принимаемые по таблице 3[1];
- коэффициент надёжности, т.к. с
и φ
приняты по таблицам;
- коэффициенты, принимаемые по таблице 4 [1];
при b
<10 м,
ширина подошвы фундамента, м;
кН/м3
- осреднённое расчётное значение удельного веса грунтов, залегающих ниже подошвы фундамента (при наличии подземных вод определяются с учётом взвешивающего действия воды), кН/м3
;
м - глубина заложения фундаментов бесподвальных сооружений от уровня планировки ;
глубина подвала.
Среднее давление под подошвой фундамента:
кПа
кПа.
Максимальное и минимальное давление под подошвой фундамента:
,
,
.
Проверки выполняются. Размеры фундамента достаточны для восприятия нагрузок от вышележащих конструкций здания.
Расчет тела фундамента
Глубина стакана из условий
- заделки колонны в фундаменте
см;
- анкеровки сжатой арматуры колонны ø16 А-II в бетоне класса по прочности В25 (
МПа,
МПа)
см- для бетона В25;
- и условия
м.
Принимаем конструктивно
см.
Усилия на уровне верха фундамента:
кН,
кН.
кНм.
Момент действующий на уровне низа подколонника (сечение 1-1, рисунок )
кНм.

Рисунок 20. Внецентренно нагруженный фундамент
Эксцентриситет
м
м – стенку стакана следует производить по расчету.
Расчет продольной арматуры
. Расстояние от наружной грани до ц.т. арматуры
см. Эксцентриситет продольной силы относительно арматуры ![]()
см.
Площадь сечения арматуры
, где
см,
см3
;
см - размеры стакана.
Принимаем конструктивно по ![]()
см2
6ø16 А-II с
см2
.
Расчет поперечной арматуры
. Армируем подколонник поперечными сетками из арматуры класса А-I (
МПа), шаг сеток принимаем
мм
мм.
м
м
м,
принимаем расстояние до условной оси поворота колонны
м. Площадь сечения арматуры

где
кНм,
кН,
где
см,
м - сумма расстояний от обреза фундамента до каждой сетки.
Принимаем конструктивно сетки с арматурой ø 10 А-I.
Расчет нижней части фундамента . Максимальное и минимальное давление под подошвой фундамента без учета массы фундамента и грунта на уступах:
кН,
кПа,
кПа,
. кПа.
Рабочая высота плиты у основания подколонника из условия прочности на продавливание:
,где
,
кПа,
кН.
Принимаем
м,
см.
Расчет рабочей арматуры сетки нижней плиты
. Длинная сторона
.
Расчётные изгибающие моменты в сечениях I-I и II-II но формулам:
В сечении I-I по грани подколонника:
кНм.
кПа.
Площадь сечения арматуры:
см2
.
Принимаем шаг стержней
см на ширине
м укладывают 16ø10 А-II с
см2
.Процент армирования:
;
В сечении II-II по грани первой ступени:
кНм.
кПа.
Площадь сечения арматуры:
см2
- половину стержней не доводим до торцов плиты.
Короткая сторона
.
В сечении III-III по грани подколонника:
кНм.
кПа – среднее давление по подошве.
Площадь сечения арматуры:
см2
.
Принимаем шаг стержней
см на длине
м укладывают 18ø10 А-II с
см2
.Процент армирования:
;
Законструированный фундамент представлен в графической части.
Литература
1. Байков В.Н., Сигалов Э.Е. Железобетонные конструкции: Общий курс. Учебник для ВУЗов. – 5-е изд., перераб. и дополн. – М.: Стройиздат, 1991. – 768с.
2. СНиП 2.03.01-84. Бетонные и железобетонные конструкции - М.: ЦИТП Госстроя СССР, 1985. – 79с.
3. «Колонны одноэтажных промышленных зданий» - Методические указания по курсовому проекту №2 по курсу «Железобетонные конструкции» для студентов всех форм обучения специальности 2903 – Промышленное и гражданское строительство. – Краснодарский политехнический институт, 2005. – 41с.
4. Голышев А.Б. и др. Проектирование железобетонных конструкций. Справочное пособие. – Киев: Будивельник, 1994. – 496с.