| Скачать .docx |
Курсовая работа: Проектирование железобетонного промышленного здания
Содержание
1. Эскизное проектирование
1.1. Исходные данные для проектирования
1.2. Параметры мостового крана.
1.3. Привязка колонн к разбивочным осям.
1.4. Выбор типа колонн, размеры цеха по вертикали, проверка приближения габаритов мостового крана.
1.5. Назначение длины температурного блока, привязка колонн торцевых рам блока в продольном направлении.
1.6. Стеновое ограждение
2. СТАТИЧЕСКИЙ РАСЧЕТ ПОПЕРЕЧНОЙ РАМЫ
2.1. Расчетная схема
2.2. Сбор нагрузок на колонну.
2.2.1. Постоянная нагрузка от собственного веса покрытия
2.2.2. Постоянная нагрузка от собственного веса стены.
2.2.3. Нагрузки от веса подкрановой части колонны и подкрановой балки
2.2.4. Нагрузка от снега.
2.2.5. Крановые нагрузки.
2.2.6. Ветровая нагрузка
3. Расчет каркаса на ПЭВМ.
4. РАСЧЕТ КОЛОННЫ.
4.1. расчет надкрановой части колонны.
4.1.1. Расчетные сочетания усилий.
4.1.2. Определение коэффициента продольного изгиба и подбор сечения арматуры надкрановой части колонны
4.1.3. Проверка надкрановой части колонны на устойчивость из плоскости рамы.
4.1.4. Назначение и расстановка поперечной арматуры.
4.2. Расчет подкрановой части колонны.
4.2.1. Расчетные сочетания усилий.
4.2.2. Определение коэффициента продольного изгиба и подбор сечения арматуры подкрановой части колонны
4.2.3. Проверка подкрановой части колонны на устойчивость из плоскости рамы.
4.2.4. Назначение и расстановка поперечной арматуры.
4.3. Расчет консоли колонны.
4.4. Проектирование стыка рабочей продольной арматуры.
5. РАСЧЕТ БЕЗРАСКОСНОЙ ФЕРМЫ.
5.1. Геометрические размеры фермы и поперечных сечений элементов.
5.2 Статический расчет фермы
5.3. Расчет верхнего пояса
5.3.1. Определение коэффициента продольного изгиба
5.3.2. Определение сечения арматуры при симметричном армировании.
5.3.3. Назначение поперечной арматуры.
5.4. Расчет нижнего пояса
5.4.1. Определение сечения арматуры
5.4.2. Назначение предварительного напряжения
5.4.3. Потери предварительного напряжения
5.4.4. Расчет по образованию трещин
5.4.5. Расчет на раскрытие трещин
5.4.6. Назначение поперечной арматуры.
5.5. Расчет стоек
5.5.1. Расчет внецентренно сжатой стойки.
5.5.2. Поперечная арматура сжатой стойки
5.5.3. Расчет растянутой стойки
5.5.2. Поперечная арматура растянутой стойки
5.6. Проектирование опорного узла фермы
5.6.1. Конструирование опорного узла
5.6.2. Расчет опорного узла.
5.6.2.1 Расчет из условия отрыва нижнего пояса.
5.6.2.2 Расчет из условия изгиба опорного узла
6. РАСЧЕТ ФУНДАМЕНТА
6.1 Определение размеров подошвы фундаментов
6.1.1. Выбор типа фундамента
6.1.2. Назначение размеров подошвы фундамента
6.1.3. Проверка напряжений под подошвой фундамента
6.2. Назначение размеров подколонника.
6.3 Определение максимальных краевых напряжений на грунт от расчетных нагрузок
6.4 Определение высоты плитной части фундамента
6.5 Расчет высоты и вылета нижней ступени
6.6 Расчет арматуры подошвы фундамента
6.7. Расчет подколонника
6.7.1. Расчет продольной арматуры подколонника
6.7.2 Проверка ширины раскрытия трещин в сечении 2 – 2 подколонника.
6.7.3 Расчет поперечной арматуры подколонника.
6.7.4 Расчет на местное сжатие дна стакана подколонника.
Список использованной литературы.
1. Эскизное проектирование
1.1 Исходные данные для проектирования
1. Здание промышленное, одноэтажное и однопролётное, отапливаемое.
2. Пролёт рамы – 24 м.
3. Шаг поперечных рам – 6 м.
4. Длина здания – 96 м.
5. Высота помещения – 12 м.
6. поперечное сечение колонн прямоугольное.
7. Грузоподъёмность мостового крана 50 т (режим работы 6К).
8. Место строительства: Комсомольск-На-Амуре.
9. Класс бетона: обычного колонны – В20, фундамент – В15;
преднапряжённогого В25.
10. Класс арматуры: обычной А-III; преднапряжённой А-IV (А-III).
11. Натяжение арматуры на упоры.
12. Расчётное сопротивление грунта основания – 0,25 МПа.
1.2 Параметры мостового крана
По исходным данным (грузоподъёмность Qkr =50 т, пролёт рамы – 24 м) из [1, прил.1] принимаем кран со следующими параметрами:
1. Пролёт крана 22,5 м.
2. База крана А=5600.
3. Ширина крана В=6860.
4. Свес опоры крана В1 =300.
5. Габарит крана Нкр =3150.
6. Максимальная нормативная нагрузка на колесо Fmax =380 кН.
7. Масса крана с тележкой Gкр = 48,5 т.
8. Масса тележки Gт = 13,5 т.
1. 3. Привязка колонн к разбивочным осям
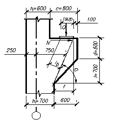
Поскольку шаг поперечных рам равен 6 м, то высоту сечения надкрановой части колонны принимаем равной h2 = 600 мм. Определим расстояние от оси опирания крана до внешней грани колонны:
В1 + h2 +З=300+600+60=960 мм.
где З - это расстояние от внутренней части колонны до торца крана, которое должно быть не менее 60 мм.
Принимаем привязку со сдвижкой на 250мм.
1.4. Выбор типа колонн, размеры цеха по вертикали, проверка приближения габаритов мостового крана
В зависимости от высоты цеха Н = 12 м, шага колонн В = 6м и грузоподъемности крана Qкр = 50 т устанавливаются размеры колонн по серии 1.424. 1-5 [1, прил. 2, табл. 1]. Данные приведены в табл. 1.1.
Таблица 1.1 – Характеристики принятой колонны.
| Н, м |
Шаг, м |
Qкр , т |
А, мм |
В, мм |
С, мм |
D, мм |
Е, мм |
Н2 , мм |
Н3 , мм |
Gк , т |
| 12 |
6 |
50 |
600 |
700 |
700 |
600 |
700 |
4300 |
8450 |
Высота верхней части колонны:
Н2
= Нcr
+Hcr
,
b
+hr
+
+Δ = 3,15+0,8+0,12+
+10 =4266
где Нcr =3,15м – высота крана, Нcr , B =0,8 м - высота подкрановой балки при шаге колонн В = 6 м; hr = 0,12 м - высота подкранового рельса Кр70 для мостовых кранов грузоподъемностью до 50 т, Δ= 0,1м – зазор, учитывающий возможный прогиб фермы.
Принимаем Н2 = 4300м.

Высота нижней части колонны (до обреза фундамента) будет равна:
H1 =H - H2 +0,15 = 12 - 4,3 + 0,15 = 7,85 м.
Где значение 0,15 м есть расстояние от отметки пола до верхнего обреза фундамента
Уточняем размер колонны:
Н* = Н1 + Н2 = 4,3+7,85 =12,15 м, Т.к высота колонны при высоте более 10,8м должна быть кратна 1,8м, принимаем высоту колонны равной 12,6м
Тогда Н*=12,6+0,15=12,75м
Н1 = 12,75 – 4,3 = 8,45м
Габаритные размеры принятой колонна приведена на рис. 1.1.
Отметка головки подкранового рельса равна:
ОГР = Н* - Н2 + Нcr , B + hr = 12,6– 4,3 + 0,8 + 0,12 = 9,22 м
Проверка зазоров:
Проверка зазора Δ1 - между краном и низом стропильной конструкции (Δ1 > 100 мм):
Δ1
= Н2
- hr
- Нcr
- Нcr
,
B
–
= 4300 - 120 – 3150 – 24000/250 = 934 мм.
Условие Δ1 = 934 мм> 100 мм выполняется.
Проверка зазора Δ2 - между торцом крана и колонной (Δ2 > 60 мм):
Δ2 = λ +250мм – А - В1 = 750+250 - 600 - 300 = 100мм > 60мм.
1.5. Назначение длины температурного блока, привязка колонн торцевых рам блока в продольном направлении
Т.к. длина здания по заданию составляет 96 м, то назначаем два температурных блока по 48м. Колонны торцевых рам блока смещаются внутрь здания с разбивочных осей на 500 мм с целью устранения доборных элементов в покрытии. В середине каждого температурного блока располагаем вертикальные крестовые связи жесткости (рис. 1.2).

Рис. 1.2 - Продольная рама и элементы жёсткости.
1.6. Стеновое ограждение
Разбиваем высоту Н = 12,6 м кратно ширине панели равной 1,8 м [1, табл.2]: 12,6/1,8 = 7 шт. (рис. 1.3). Назначаем стеновые панели толщиной δ = 30 см, массой 4,9 т. Нижняя цокольная панель устанавливается на фундаментную балку. Выше устраивается оконный проем высотой 1,8
3 = 5,4 м. Далее идет пояс из 1-ой панели, закрывающий подкрановую балку, затем пояс остекления в 2-е панели. Верхнюю часть стены заканчивают две парапетные панели по 1.2м, закрывающие торцы ферм и плиты покрытия с утеплителем и кровлей. Принимаем высоту фермы на опоре - 800 мм; высоту плиты покрытия - 300 мм при пролете 6 м; толщину кровли с утеплителем 150 мм. Итого: 1250 мм.
Размер двух принятых панелей 1,2х2=2,4 > 1,25 м.
2. СТАТИЧЕСКИЙ РАСЧЕТ ПОПЕРЕЧНОЙ РАМЫ
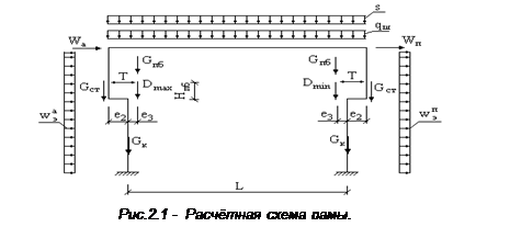
2.1. Расчетная схема
Приводим конструктивную схему рамы к расчетной (рис. 2.1).

Расчет рамы сводится к определению усилий М, N и Q в трех сечениях колонны при жесткости ригеля EIp .
2.2. Сбор нагрузок на колонну
2.2.1. Постоянная нагрузка от собственного веса покрытия
Состав покрытия и нагрузка от него сведены в табл. 2.1.
Таблица 2.1 Собственный вес шатра
| № |
Состав покрытия |
Нормативная нагрузка, кПа |
|
Расчетная нагрузка, кПа |
| 1 |
Гидроизоляция |
0,1 |
1,1 |
0,11 |
| 2 |
Цементная стяжка |
0,4 |
1,3 |
0,52 |
| 3 |
Утеплитель – фибролит плитный
|
0,5 |
1,2 |
0,60 |
| 4 |
Пароизоляция |
0,05 |
1,2 |
0,06 |
| 5 |
Ж.б. ребристые плиты 3х6 м, |
1,32 |
1,1 |
1,45 |
| 6 |
Ж.б. бескаркасные фермы L=24 м, при шаге рам 6м: |
0,68 |
1,1 |
0,75 |
| Итого |
3,05 |
3,49 |
||
| С учётом коэф. надёжности |
2,9 |
3,32 |
||
Грузовая площадь покрытия (шатра) Аш
для крайней колонны
:
Аш
=
=
=72 м2
Нагрузка от собственного веса шатра и надкрановой части колонны:
Gш
= qш
Aш
+
= qш
Aш
+
=
=3,32·72+0,95·1,1·25·0,6·0,4·4,3=239,04+26,96=266 кН
где р = 25кН/м3 - объемный вес железобетона.
2.2.2. Постоянная нагрузка от собственного веса стены
По принятой конструкции стены определяем ее вес:
GСТ
=
В(qCT
hCT
bCT
+1,75·q0
h0
b0
)=
GCT =0.95·1.1·6· (29·6·0.3+ 1.75·25·1,2·0.008) = 330 кН,
где qCT - объемный вес материала стеновой панели:
qCT
=
= 29кН/м3
;
q0 = 25 кН/м3 - удельный вес стекла; b0 = 8 мм - толщина двойного остекления; 1,75 - коэффициент, учитывающий вес оконной коробки и переплетов; hCT - суммарная высота стеновых панелей без цокольной панели в м; h0 - высота верхней полосы остекления в м.
2.2.3. Нагрузки от веса подкрановой части колонны и подкрановой балки
Расчетная нагрузка от подкрановой части колонны равна:
0,95·1,1·25·0,4·0,7·8,45=61,8 кН.
Расчетная нагрузка от подкрановой балки при шаге колонн 6 м равна:
Gпб
=![]()
=0,95·1,1·35 = 36,58 кН.
2.2.4. Нагрузка от снега
Расчетная снеговая нагрузка на 1 м2 горизонтальной поверхности земли определяется по формуле:
S=![]()
= 0,95·1,4·1·1,5=2 кН/м2
[2, п.5.1]
где S0
- нормативное значение веса снегового покрова на 1 м2
горизонтальной поверхности, принимаемое по [2, табл.4] в зависимости от снегового района. По заданию местом строительства является г. Комсомольск-на-Амуре: IV снеговой район, S0
=1.5 кН/м2
;
- коэффициент конфигурации кровли. В соответствии с [2, прил.3*]
=1; yf
= 1.4 - коэффициент надежности по нагрузке.
Нагрузка от снега на колонну:
SШ = S·АШ = 2·72= 144 кН.
2.2.5. Крановые нагрузки
Максимальное вертикальное нормативное давление колеса крана
Fmax . n =380 кН (п. 1.2).
Минимальное вертикальное давление колеса крана при двух колесах по одному рельсовому пути:
=
= 112,5кН.
Горизонтальное нормативное давление колеса крана на рельс при поперечном торможении тележки
Ткол,п
=
кН. [2, п. 4.4]
Расчетные крановые нагрузки на колесо:
Fmax
= Fmax
,
n
=380·0.85·1.1·0.95 = 338кН;
Fmin
=Fmin
,
n
=112,5·0.85·1.1·0.95 =60 кН;
Ткол
= Ткол,
n
=15,9·0.85·1.1·0.95 =14,1 кН,
где
=0.85 - коэффициент сочетания при режиме крана 6К [2, п. 4.17];
=1.1 [2, п. 4.8].
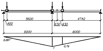
Расчетные вертикальные нагрузки Дmax и Дmin , а так же горизонтальная нагрузка Т на колонну определяются при расчете крайней колонны от неблагоприятного воздействия двух сближенных кранов [2, п. 4.11].
Линия влияния опорной реакции R на колонне при загружении соседних пролетов балки ходовыми колесами двух кранов для получения Rmax (Дmax , Дmin , T) изображена на рис. 2.1.

Рис. 2.1- Размещение колес двух кранов на линии влияния опорной реакции.
Дmax
=
=338· (0,067+1+0,79)=627,7 кН
Дmin =60·(0,067+1+0,79)=111,4 кН
T=
=14,1·(0,067+1+0,79)=26,2 кН
2.2.6. Ветровая нагрузка
Ветровая нагрузка прикладывается к раме в виде равномерно распределенной по высоте колонны нагрузки и сосредоточенной нагрузки в уровне верха колонны W действующей на участке площадью hn B, где hn -высота парапета.
Нормативное значение средней составляющей ветровой нагрузки
определяется по формуле:
[2, п.6.3]
где где
- нормативное значение ветрового давления. По заданию местом строительства является г. Комсомольск-на-Амуре: III ветровой район,
=0,38 кН/м2
[2, табл.5]; k - коэффициент, учитывающий изменение ветрового давления по высоте; с - аэродинамический коэффициент;
= 1.4 - коэффициент надежности по нагрузке.
Аэродинамический коэффициент активного давления с наветренной стороны Се = 0.8; коэффициент пассивного давления с подветренной стороны Се3 определяется по [2, прил. 4]: при отношении высоты цеха к его ширине Н / L = 12,6 / 24 = 0.525 и отношении длины здания к его ширине Взд / L =96 / 24 = 4; Се3 = -0,5.
Коэффициент k определяется интерполяцией по нормативным значениям [2, табл.6] и приведён в таблице 2.2:
Таблица 2.2 – Нормативные и рассчитанные коэффициенты k.
| Высота, м |
k |
Высота, м |
k |
| 10 |
0,65 |
12,6 |
0,702 |
| 20 |
0,85 |
15 |
0,75 |
Найдём нормативное значение ветрового давления на каждой высоте без учёта аэродинамического коэффициента (рис. 2.2):
=0,38·0,5·0,95·1,4=0,253 кН/м2
;
= 0,38·0,65·0,95·1,4=0,329 кН/м2
;
= 0,38·0,702·0,95·1,4=0,355 кН/м2
;
= 0,38·0,75·0,95·1,4=0, 379кН/м2
;

Рис. 2.2 –Эпюра ветрового давления.
Найдём площади полученных трапециевидных эпюр и их среднее значение, являющееся эквивалентной нагрузкой:
S1 =0.253·5=1,265 кН/м;
S2 =(0.253+0.329) ·0,5·5=1,455 кН/м;
S3 =(0.329+0.355) ·0,5·2,6= 0,889кН/м;
ωср =(1,256+1,455+0.889)/12,6=0.285 кН/м2 ;
Получаем давления с наветренной и подветренной стороны при шаге 6 м:
ωН =ωср ·Се B= 0.285 кН/м2 ·0,8·6 м= 1,368 кН/м;
ωП =ωср ·Се3 В= 0.285 кН/м2 ·(-0,5) ·6 м= -0,855кН/м.
Ветровая нагрузка W, действующая выше верха колонны, прикладывается в уровне низа ригеля рамы. Определяем площадь эпюры ветрового давления в пределах высоты парапета:
Sпр =(0.355+0.379)·0,5·2,4=0,881 кН/м;
Тогда W1 = Sпр В=0,881·6 =5,286 кН – расчетное давление без учета аэродинамических коэффициентов.
Суммарное давление ветра на парапет с наветренной и подветренной сторон:
=5,286·(0,7+0,5)=6,343кН.
3. Расчет каркаса на ПЭВМ
Необходимые исходные данные:
1 строка
1. Расчетная высота колонны:
Нр = Н + 0.15 = 12,6 + 0,15 =12,75 м.
2. Высота верхней части колонны: Н2 = 4.3 м.
3. Расстояние от подкрановой балки до низа фермы:
Н2 -Нпб =4.3 - 0,8 = 3,5 м.
4. Число рам в температурном блоке - 9.
2 строка
5. Отношение жесткостей рассматриваемой колонны
(ЕI2
– верхняя часть колонны, EI1
- нижняя часть колонны): для крайней колонны:
=![]()
6. Отношение жесткостей соседней колонны
. Т.к. здание однопролётное, то :
=
=0,629.
7. Отношение нижней части соседней колонны к нижней части рассматриваемой колонны. Т.к. здание однопролётное, то :
= 1.
3 строка
8. Эксцентриситет оси верхней части колонны (рис. 3.1):
е1 = -0,5(В-А) = -0,5(0,7-0,6) = -0,05м;
9. Эксцентриситет стены
е2
= -0,5(В +
) = -0,5(0,7 + 0,3) = -0,5 м;
10. Эксцентриситет подкрановой балки при нулевой привязке:
е3
=
- 0,5 В = 0,75 - 0,5·0,7 = 0,4 м.

Рис. 3.1 – К определению эксцентриситетов.
11. Высота сечения надкрановой части колонны: А = 0,6 м.
12. Высота сечения подкрановой части колонны: В = 0,7 м.
4 строка
13. Постоянная нагрузка от шатра: Gш =266 кН.
14. Постоянная нагрузка от стены: Gст = 330кН.
15. Постоянная нагрузка от подкрановой балки: Gпб =36,58 кН.
16. Постоянная нагрузка от нижней части колонны: G
=61,8кН.
5 строка
17. Нагрузка от снега: S = Sш = 144кН.
6 строка
18. Вертикальная крановая нагрузка: Дмах =627,7 кН.
19. То же: Дmin =111,4 кН.
20. Горизонтальная тормозная сила: Т = 26,2 кН.
7 строка
Ветровые нагрузки вводятся без учета аэродинамических коэффициентов, так как они учтены в программе.
21. Сосредоточенная ветровая нагрузка: W1 =5,286 кH.
22. Равномерно распределенная ветровая нагрузка:
= 1,8кН/м (без учёта аэродинамических коэффициентов).
Полученные исходные данные сведены в табл. 3.1.
Таблица 3.1 - Исходные данные для расчета на ПЭВМ.
| 12,75 |
4,3 |
3,5 |
9 |
||||||
| 0,629 |
0,629 |
1 |
|||||||
| -0,05 |
-0,5 |
0,4 |
0,6 |
0,7 |
|||||
| 266 |
330 |
36,58 |
61,8 |
||||||
| 144 |
|||||||||
| 627,7 |
111,4 |
26,2 |
|||||||
| 5,286 |
1,71 |
||||||||
Результаты расчета на ПЭВМ усилий М, N, и Q, а также РСУ в трех сечениях колонны приведены в табл. 3.2 и 3.3 соответственно.
Правила знаков приняты следующие:
+ М (положительный момент) вращает сечение против часовой стрелки (растянута внутренняя часть колонны);
+N (положительная продольная сила) направлена сверху вниз и сжимает колонну;
+Q (положительная перерезывающая сила) направлена справа налево (изнутри наружу).
Таблица 3.2 - Результаты расчета крайней колонны.
| Нагрузка |
У фундамента |
Усилия по сечениям |
||
| Под консолью |
Над консолью |
|||
| Постоянная |
М |
-49,246 |
92,193 |
-71,975 |
| Q=16,738 |
N |
695,38 |
633,580 |
266,00 |
| Снеговая |
M |
-2,16 |
4,043 |
-3,157 |
| Q=0,743 |
N |
144,00 |
144,00 |
144,00 |
| Dmax |
M |
-40,268 |
-152,822 |
98,258 |
| Q=-22,851 |
N |
627,70 |
627,700 |
0 |
| Dmin |
M |
48,417 |
-13,203 |
31,357 |
| Q=-7,292 |
N |
111,4 |
111,40 |
0 |
| Торм. 1 |
М |
-72,034 |
36,48 |
36,480 |
| Q=12,842 |
N |
0 |
0 |
0 |
| Торм. 2 |
М |
25,575 |
8,625 |
8,625 |
| Q=-2,006 |
N |
0 |
0 |
0 |
| Ветер 1 |
М |
-148,099 |
-25,094 |
-25,094 |
| Q=20,337 |
N |
0 |
0 |
0 |
| Ветер 2 |
М |
140,844 |
28,860 |
28,860 |
| Q=-17,587 |
N |
0 |
0 |
0 |
Шифры временных нагрузок
Снеговая - (2).
Крановые: D МАХ - (3); D MIN - (4);
D МАХ +ТОРМ - (5); D MIN +TOPM - (7);
D MAX –TOPM - (6); D MIN – TOPM - (8).
Ветровые: Ветер 1 - (13); Ветер 2 - (14).
Таблица 3.3 - Расчетные сочетания усилий
| № стр |
Грань сечения |
Момент, кНм |
Сила, кН |
Мядр , кНм |
Знак
|
Шифры В.Н. |
| У фундамента |
||||||
| Наиболее сжата: |
||||||
| 1 |
грань внешняя |
176,64 |
1389,91 |
338,8 |
+ |
2 6 14 |
| 2 |
грань внутренняя |
-213,07 |
1389,91 |
-375,22 |
+ |
2 5 13 |
| Наиболее растянута: |
||||||
| 3 |
грань внешняя |
-197,35 |
695,38 |
-116,22 |
- |
13 |
| 4 |
грань внутренняя |
185,92 |
795,64 |
93,09 |
- |
0 8 14 |
| Под консолью |
||||||
| Наиболее сжата: |
||||||
| 5 |
грань внешняя |
142,76 |
863,44 |
243,49 |
+ |
2 7 14 |
| 6 |
грань внутренняя |
-97,12 |
1328,11 |
-252,07 |
+ |
2 6 13 |
| Наиболее растянута: |
||||||
| 7 |
грань внешняя |
-100,76 |
1198,51 |
39,06 |
+ |
0 6 13 |
| 8 |
грань внутренняя |
139,12 |
733,84 |
53,5 |
- |
0 7 14 |
| Над консолью |
||||||
| Наиболее сжата: |
||||||
| 9 |
грань внешняя |
72,42 |
395,6 |
111,98 |
+ |
2 5 14 |
| 10 |
грань внутренняя |
-102,01 |
395,6 |
-141,57 |
+ |
2 8 13 |
| Наиболее растянута: |
||||||
| 11 |
грань внешняя |
-99,17 |
266,0 |
-72,57 |
- |
0 8 13 |
| 12 |
грань внутренняя |
75,26 |
266,0 |
48,66 |
- |
0 5 14 |
4. РАСЧЕТ КОЛОННЫ
4.1. Расчет надкрановой части колонны
4.1.1. Расчетные сочетания усилий
Для определения РСУ в сечении над консолью выпишем значения усилий из таблицы 3.2 в таблицу 4.1:
Таблица 4.1 – Усилия над консолью.
| Наименование нагрузки |
Шифры В.Н. |
М, кНм |
N, кН |
| Постоянная |
1 |
-71,985 |
266,0 |
| Снеговая |
2 |
-3,157 |
144,0 |
| Дm ах |
3 |
98,258 |
0 |
| Дmin |
4 |
31,357 |
0 |
| Дm ах + Торм. слева |
5 |
134,738 |
0 |
| Дm ах - Торм. слева |
6 |
61,778 |
0 |
| Дmin + Торм. слева |
7 |
67,837 |
0 |
| Дmin - Торм. слева |
8 |
-5,123 |
0 |
| Ветер слева |
13 |
-25,094 |
0 |
| Ветер справа |
14 |
28,86 |
0 |
Результат подсчета усилий представлен в табл. 4.2.
Таблица 4.2 - Расчетные сочетания усилий над консолью
| № |
Комбинация усилий |
М, кНм |
N, кН |
Мядр , кНм |
|||
| Внешн. грань |
± |
Внутрен. грань |
± |
||||
| I основное сочетание |
|||||||
| 1 |
При +Мmax (1+5) |
62,753 |
266 |
89,353 |
+ |
36,153 |
- |
| 2 |
При -Мmax (1+13) |
-99,17 |
266 |
-72,57 |
- |
-123,7 |
+ |
| 3 |
При Nmax (1+2) |
-75,142 |
410 |
-34,142 |
- |
-116,142 |
+ |
| II основное сочетание |
|||||||
| 4 |
При +Мmax [1+0,9(5+14)] |
75,253 |
266 |
101,85 |
+ |
48,65 |
- |
| 5 |
При -Мmax [1+0,9(2+13)] |
-102 |
395,6 |
-57,84 |
- |
-141,57 |
+ |
| 6 |
При Nmax [1+0.9(2+5+14)] |
72,41 |
395,6 |
111,97 |
+ |
32,85 |
- |
Ниже приводятся наиболее опасные сочетания усилий (рис. 4.1), найденные по наибольшим ядровым моментам (табл. 4.2):
Ядровое расстояние:
м
1. Наиболее сжата грань внешняя (строка 6):
М = 72,41 кНм; N = 395,6 кН;
Мя = 72,41 + 395,6 · 0,1 = 111,97 кНм
2. Наиболее сжата грань внутренняя (строка 5):
М = -102 кНм; N = 395,6 кН;
Мя = -102 - 395,6 · 0,1 = -141,57 кНм
3. Наиболее растянута грань внешняя (строка 2):
М = -99,17 кНм; N = 266 кН;
Мя = -99,17 + 266 · 0,1 = -72,57 кНм
4. Наиболее растянута грань внутренняя (строка 4):
М = 75,253 кНм; N = 266 кН;
Мя = 75,253 - 266 · 0,1 = 48,65 кНм
Разница в абсолютных значениях максимальных ядровых моментов:
![]()
Принимаем симметричное армирование.
4.1.2. Определение коэффициента продольного изгиба и подбор сечения арматуры надкрановой части колонны
Исходные данные:
Класс бетона - В 20: RB =11,5 [3, табл.13]; Ев =240000 МПа [3,табл.18];
Класс арматуры A-III; Rs = 365 МПа; Rsc = 365 МПа [3, табл. 22];
Размеры сечения: h = 0.6 м; b = 0.4 м.
1. Подбираем арматуру в сечении над консолью по 2-му сочетанию усилий (табл. 4.2, 5-я строка): М = -102 кНм; N = 395,6 кН;
Свободная длина надкрановой части колонны:
=
=2·4,3 м = 8,6 м,
где
= 2 [3, табл. 32], как для здания с мостовыми кранами при разрезных подкрановых балках, с учетом нагрузки от кранов (сочетание 2+8+13).
Определим гибкость:

Т.к.
=50 > 14 то по [3, п. 3.3] требуется учитывать продольный изгиб колонны.
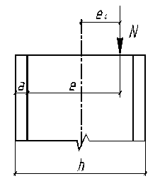
Эксцентриситет силы:
м,
Случайные эксцентриситеты [3, п. 1.21]:
= 0,00717 м;
м;
Так как система статически неопределима, принимаем наибольшее значение: е0 =0,258 м.
Критическая сила определяется по формуле:

где
- учитывает влияние длительного действия нагрузки:
φL
=
=1,78 [3, 21];
где
= 1 для тяжёлого бетона [3, табл. 30]; М - момент силы N относительно растянутой или менее сжатой арматуры сечения от всех нагрузок (рис. 4.2):
М = N![]()

Рис. 4.2 – Схема загружения колонны.
Принимая а = 0,04 м, получаем:
М = 395,6·(0,258+0,30-0,04)=204,9кНм;
- то же, от постоянной и длительной части снеговой нагрузки:
![]()
=334,4·(0,22+0,6/2-0,04) = 160,5 кН,
где
266+0,5·144·0,95 = 334,4 кН;
-71,985+0,5·(-3,157) ·0,95 = - 73,48 кНм,
здесь
=0,5 - по [2, п. 1.7 к)] для IV снегового района;
=0,95 - коэффициент сочетания [2, п. 1.12];
=0,22м
коэффициент
но не менее:
= 0,5 - 0,01
-0,01·11,5 = 0,242 [3, 22]
I - момент инерции сечения бетона:
I =
= 72·10-4
м4
;
Is
- момент инерции сечения арматуры при симметричном армировании и коэффициенте
= 0,20 % (согласно [3, табл. 38 ] и при
> 83):
Is
= ![]()
=0,61·10-4
м4
,
![]()
8,3
Вычислим:
3725 кН
Коэффициент продольного изгиба определится по формуле:
= 1,12 [3, 19]
Определим случай расчёта по “мягкому” критерию:
![]()
Предварительно принимаем случай больших эксцентриситетов.
Так как изгибающий момент отрицательный (-102 кНм), то растянутая арматура As
расположена у внешней грани колонны. Определим сечение арматуры из условия минимального процента армирования
= 0,002 (при λ=50) [3, табл.38]:
As
,
min
=
bh0
= 0.002·0,4·0,56 = 4,48·10-4
м2
.
Принимаем 2
18 (As
' =5,09·10-4
м2
) [1, прил.3];
Сечение арматуры получим из условия:
[3 ,26]
При симметричном армировании:
0,154
0,154·(1-0,5·0,154) = 0,142
![]()
Площадь арматуры:
-0,43·10 -4
м2
.
По расчету арматура не требуется. Принимаем из условия минимального армирования 2Ø18: АS =5.09см2 . Симметричное армирование надкрановой части показано на рисунке 4.3.

Рис. 4.3 – Арматура надкрановой части колонны рассчитанная по 2-му сочетанию усилий.
2. Проверяем арматуру, исходя из условия [2.25], в сечении над консолью по 1-му сочетанию усилий (табл. 4.2, 2-я строка): М = -99,17 кНм; N = 266 кН (наиболее растянута внешняя грань),:
Определим коэффициент продольного изгиба:
Свободная длина надкрановой части колонны:
=
=2·4,3 м = 8,6м,
где
= 2 [3, табл. 32], как для здания с мостовыми кранами при разрезных подкрановых балках, с учетом нагрузки от кранов (сочетание 1+8+13).
Определим гибкость:

Т.к.
=50 > 14 то по [3, п. 3.3] требуется учитывать продольный изгиб колонны.
Эксцентриситет силы:
м,
Случайные эксцентриситеты (еа = 0,0072, еа = 0,02), принимаем наибольшее значение: е0 =0,37 м.
Определим критическую силу:
φL
=
=1,93 ;
М = N![]()
а = 0,029 м, получаем:
М = 266·(0,37+0,30-0,029)=173кНм;
![]()
=266·(0,22+0,6/2-0,029) = 160,5 кН,
где
=266кН;
= 71,985кНм,
=0,27м
коэффициент
но не менее:
= 0,5 - 0,01
-0,01·11,5 = 0,242
I - момент инерции сечения бетона:
I = 72·10-4 м4 ;
Is
- момент инерции сечения арматуры при симметричном армировании и коэффициенте
= 0,2% :
Is
= ![]()
=0,74·10-4
м4
,
![]()
8,3
Вычислим:
3224 кН
Коэффициент продольного изгиба определится по формуле:
= 1,09
м
0.1
0.0995
Ne = 266·0,67 = 179 кНм,
выполняем проверку по условию [2,25]:
![]()
=0,0995·0,4·0,5712 ·11,5·103 ·1,1 + 365·103 · 5,09·10-4 ·(0,571-0,029) = 265кНм
Условие выполняется 265кНм>179кНм.
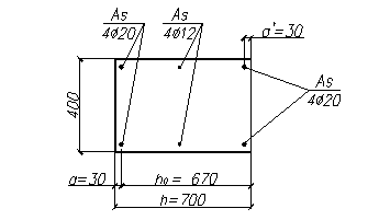
Окончательно принимаем симметричную арматуру 4Ø18АIII c общей площадью AS = 10.18см2 . Согласно конструктивным требованиям принимаем промежуточные стержни 2Ø12АIII c АS = 2.26 см2 , (Рис. 4.4).

Рис. 4.4 – Арматура надкрановой части колонны
4.1.3. Проверка надкрановой части колонны на устойчивость из плоскости поперечной рамы
Проверка производится в соответствии с [4, п. 3.64], по 2-му сочетанию N=396.5кН.
Расчетная длина колонны из плоскости изгиба:
N ≤ φ(Rb A + Rsc As,tot ) [3. 119]
где φ – коэффициент, определяемый по формуле
φ= φb + 2(φsb - φb )αs [3. 120]
но принимаемый не более φsb
, здесь φb
, φsb
– коэффициенты, принимаемые по [3, табл. 26], для
= 14,3,
, и тяжелого бетона φb
= 0,811,
и а=0,029м <0,15·h = 0.15·0.6 = 0.09м , φsb = 0,866.
αS
= ![]()
где АS , tot =12,44см2 , площадь всей арматуры расположенной в сечении.
φ= 0,811+2(0,866-0,811)0,15 =0,646
φ(Rb A + Rsc As,tot ) = 0,646·(11,5·1,1·103 ·0,4·0,6 + 365·103 ·12,44·10-4 )= 2581кН > 395.6кН.
Проверка на устойчивость из плоскости поперечной рамы выполняется.
4.1.4. Назначение и расстановка поперечной арматуры
Из условия свариваемости в соответствии с [5, прил.9] принимаем поперечную арматуру диаметром 6 мм (АIII). В соответствии с [4, п.5.22] назначаем шаг поперечной арматуры 300 мм (< 500, < 20d = 20
18= 360).
Согласно [4, п.5.46 и п.5.24] в верхней части колонны устанавливаем 4 сетки косвенного армирования с шагом 100 мм, что > 60 мм и < 150 (400/3=133 мм). При этом сетки располагаются на длине 400 мм >10d=180 мм. Размеры ячеек принимаются равные 50 мм, что > 45 мм и < 400/4 = 100 мм.
4.2. Расчет подкрановой части колонны
4.2.1. Расчетные сочетания усилий
Значения расчётных сочетаний усилий для расчёта нижней части колонны выпишем из таблицы 3.3 для сечения у фундамента (по наибольшим ядровым моментам). Данные внесены в таблицу 4.3.
Таблица 4.3 – Усилия в колонне у фундамента.
| № соч-я |
Грань сечения |
Момент, кНм |
Сила, кН |
Мядр , кНм |
Знак
|
Шифры В.Н. |
| Наиболее сжата: |
||||||
| 1 |
грань внешняя |
176,64 |
1389,91 |
338,8 |
+ |
2 6 14 |
| 2 |
грань внутренняя |
-213,1 |
1389,91 |
-375,2 |
+ |
2 5 13 |
| Наиболее растянута: |
||||||
| 3 |
грань внешняя |
-197,35 |
695,4 |
-116,2 |
- |
0 13 |
| 4 |
грань внутренняя |
185,92 |
795,64 |
93,1 |
- |
0 8 14 |
Разница в абсолютных значениях максимальных ядровых моментов:
![]()
Принимаем симметричное армирование.
4.2.2. Определение коэффициента продольного изгиба и подбор сечения арматуры подкрановой части колонны
Исходные данные:
Класс бетона - В 20: RB =11,5 [3, табл.13]; Ев =240000 МПа [3,табл.18];
Класс арматуры A-III; Rs = 365 МПа; Rsc = 365 МПа [3, табл. 22];
Размеры сечения: h = 0,7 м; b = 0,4 м.
1. Подбираем арматуру по 2-му сочетанию усилий (табл. 4.3):
М = -213,1 кНм; N = 1389,91 кН;
Свободная длина подкрановой части колонны:
=
=1,5·8,45 м = 12,675 м,
где
= 1,5 [3, табл. 32], как для здания с мостовыми кранами при разрезных подкрановых балках с учётом нагрузки от кранов (сочетание 2+5+13).
Определим гибкость:
62,3
Т.к.
=62,3 > 14 то по [3, п. 3.3] требуется учитывать продольный изгиб колонны.
Эксцентриситет силы:
м,
Случайные эксцентриситеты [3, п. 1.21]:
= 0,014 м;
м;
Так как система статически неопределима, принимаем наибольшее значение: е0 =0,153 м.
Критическая сила определяется по формуле:

где
- учитывает влияние длительного действия нагрузки:
φL
=
=1,45 [3, 21];
где
= 1 для тяжёлого бетона [3, табл. 30]; М - момент силы N относительно растянутой или менее сжатой арматуры сечения от всех нагрузок
М = N![]()
Принимая а = 0,04 м, получаем:
М = 1389,91·(0,153+0,35-0,04)=643,5кНм;
- то же, от постоянной и длительной части снеговой нагрузки:
![]()
=763,78·(0,066+0,7/2-0,04) = 287,2 кН,
где
695,38+0,5·144·0,95 = 763,78 кН;
--49,256+0,5·(-2,16) ·0,95 = - 50,28 кНм,
здесь
=0,5 - по [2, п. 1.7 к)] для IV снегового района;
=0,95 - коэффициент сочетания [2, п. 1.12];
=0,066м
коэффициент
но не менее:
= 0,5 - 0,01
-0,01·11,5 = 0,2 [3, 22]
I - момент инерции сечения бетона:
I =
= 114·10-4
м4
;
Is
- момент инерции сечения арматуры при симметричном армировании и коэффициенте
= 0,20 % (согласно [3, табл. 38 ] и при
> 83):
Is
= ![]()
=1,01·10-4
м4
,
![]()
8,3
Вычислим:
2908 кН
Коэффициент продольного изгиба определится по формуле:
= 1,92 [3, 19]
Определим случай расчёта по “мягкому” критерию:
![]()
Предварительно принимаем случай больших эксцентриситетов.
Так как изгибающий момент отрицательный (-213,1 кНм), то растянутая арматура As
расположена у внешней грани колонны. Определим сечение арматуры из условия минимального процента армирования
= 0,002 (при λ=62,3) [3, табл.38]:
As
' = As,min
=
bh0
= 0.002·0,4·0,66 = 5,28·10-4
м2
.
Принимаем 2
20 (As
' =6,28·10-4
м2
) [1, прил.3];
Сечение растянутой арматуры получим из условия:
[3 ,26]
При симметричном армировании:
0,458
0,458·(1-0,5·0,458) = 0,353
![]()
Площадь арматуры:
-0,72·10 -4
м2
.
По расчету арматура не требуется, устанавливаем арматуру из условия минимального армирования 2Ø20: АS =6,28см2 . Симметричное армирование надкрановой части показано на рисунке 4.4.

Рис. 4.5 – Схема армирования подкрановой части колонны.
2. Проверяем арматуру, исходя из условия [2.25], в сечении у фундамента по сочетанию усилий (табл. 4.3, 3-я строка): М = -197,35кНм; N = 695,4кН (наиболее растянута внешняя грань),:
Определим коэффициент продольного изгиба:
Свободная длина надкрановой части колонны:
=
=1,5·8,45 м = 12,675 м,
где
= 1,5 [3, табл. 32], как для здания с мостовыми кранами при однопролетных балках, без учета нагрузки от кранов (сочетание 1+13).
Определим гибкость:
62,3
Т.к.
=62,3 > 14 то по [3, п. 3.3] требуется учитывать продольный изгиб колонны.
Эксцентриситет силы:
м,
Случайные эксцентриситеты (еа = 0,014, еа = 0,023), принимаем наибольшее значение: е0 =0,284 м.
Определим критическую силу:
φL
=
= 1,25
M’ = М = N![]()
а = 0,03 м, получаем:
М = 695,4·(0,284+0,35-0,03) = 420 кНм;
![]()
=695,4·(0,07+0,7/2-0,03) = 105,7кН,
где
=695,4кН;
= 49,246кНм,
=0,07м
коэффициент
но не менее:
= 0,5 - 0,01
-0,01·11,5 = 0,2
I - момент инерции сечения бетона:
I = 114·10-4 м4 ;
Is
- момент инерции сечения арматуры при симметричном армировании и коэффициенте
= 0,2% :
Is
= ![]()
=1,2·10-4
м4
,
![]()
8,3
Вычислим:
3742 кН
Коэффициент продольного изгиба определится по формуле:
= 1,22
м
0.23
0.2
Ne = 695,4·0,669 = 465,2 кНм,
выполняем проверку по условию [2,25]:
![]()
=0,2·0,4·0,672 ·11,5·103 ·1,1 + 365·103 · 6,28·10-4 ·(0,67-0,03) = 601кНм
Условие выполняется 601кНм>465,2кНм.
Окончательно принимаем симметричную арматуру 4Ø20АIII c общей площадью AS = 12,56см2 . Согласно конструктивным требованиям принимаем промежуточные стержни 2Ø12АIII c АS = 2.26 см2 , (Рис. 4.6).

Рис. 4.6 – Схема армирования подкрановой части колонны.
4.2.3. Проверка подкрановой части колонны на устойчивость из плоскости поперечной рамы
Проверка производится в соответствии с [4, п. 3.64], по N=1328,1кН.
Расчетная длина колонны из плоскости изгиба:
N ≤ φ(Rb A + Rsc As,tot ) [3. 119]
где φ – коэффициент, определяемый по формуле
φ= φb + 2(φsb - φb )αs [3. 120]
но принимаемый не более φsb
, здесь φb
, φsb
– коэффициенты, принимаемые по [3, табл. 26], для
= 18,1,
, и тяжелого бетона φb
= 0,69,
и а=0,02м <0,15·h = 0.15·0.7 = 0.105м , φsb = 0,0,79.
αS
=
0,178
φ= 0,69+2(0,79-0,69)0,178 =0,75
φ(Rb A + Rsc As,tot ) = 0,75·(11,5·1,1·103 ·0,4·0,7 + 365·103 ·14,82·10-4 )= 3062кН > 1328,1кН.
Проверка на устойчивость из плоскости поперечной рамы выполняется.
4.2.4. Назначение и расстановка поперечной арматуры
Из условия свариваемости в соответствии с [6, прил.9] принимаем поперечную арматуру диаметром 6 мм (АIII). В соответствии с [4, п.5.22] назначаем шаг поперечной арматуры 400 мм (< 500, < 20d = 20
20= 400).
Сетки косвенного армирования в нижней части колонны не устанавливаются.
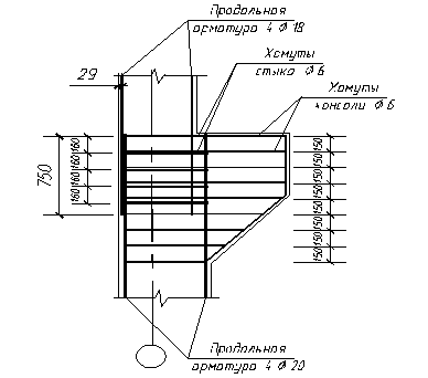
4.3. Расчет консоли колонны
Основные размеры консоли показаны на рисунке 4.8.

Рис. 4.8 - Расчетная схема консоли.
Исходные данные: hв = 600мм; с = 800мм; hн = 700мм; d = 600мм;
е = 700мм; lsup = 250мм (для балки пролётом 6 м);
кН;
Класс бетона - В 20: RB =11,5 МПа, RBt =0,90 МПа [3, табл.13];
Ев 240000 МПа [3,табл.18];
Класс арматуры A-III; Rs = 365 МПа; Rsc = 365 МПа [3, табл. 22];
Т.к. вылет консоли с = 800мм меньше 0,9·hк = 0,9·(700+600)=1170мм, то расчёт ведётся как для короткой консоли.
Расчет окаймляющих стержней:
Из рисунка 4.8 следует:
0,956, отсюда θ =73 о
;
где hк = d+l = 700 + 600 = 1300мм; f = 600 -100=500мм;
N0 =Q·ctgθ = 664.28·ctg73o = 195.9кН
5.4·10-4
м2
Принимаем 2ø20 AIII (As =6,28·10-4 м2 ).
Требуемая длина анкеровки:
мм,
но не менее
12·20 = 240 мм и
=200 мм.
Принимаем длину анкеровки l = 300 мм.
Расчёт хомутов.
Условие прочности:
[3, (85)]
Из условия свариваемости с ø20 [5, прил.9] принимаем хомуты Æ6 AIII (Asw =0.283см2 ).
Шаг назначаем из условий:
150мм. Но Sw
≤150мм. Принимаем Sw
= 150мм:
Тогда
9,43·10-4
lb = lsup Sinθ = 250·0,956=239мм;
![]()
1,04 [3, (87)]
тогда Q ≤ 0.8·1.04·11.5·103 ·1.1·0.4·0.239·0.956 =961.9 кН [3, (85)]
Правая часть условия (85) принимается:
1. Не более 3.5Rbt bh0 = 3.5·0.9·103 ·1.1·0.4·(1.3 – 0.03)= 1760кН;
2. Не менее меньшего из 2-х значений:
2.5Rbt bh0 = 2.5·0.9·103 ·1.1·0.4·(1.3 – 0.03)= 1257кН;
2104кН.
Принимаем правую часть [3, (85)] равной 961.9 кН, тогда условие прочности
Q = 664.28кН < 961.9кН выполняется.
4.4. Проектирование стыка рабочей продольной арматуры
В соответствии с [3, п. 5.38] длина перепуска
. По [3, табл.37] для стыков арматуры в растянутом бетоне при диаметре 20 мм:
740 мм,
но не менее
20·20 = 400 мм и
=250 мм. Принимаем длину перепуска l = 750 мм.
В соответствии с [3, п. 5.22] расстояние между хомутами по длине перепуска должно составлять не более 10dmin = 10·20 = 200 мм. В местах нахлёста арматуры принимаем хомуты диаметром 6 мм (АIII) и шагом 160 мм.
Армирование консоли показано на рисунке 4.9.

Рис. 4.9 - Армирование консоли.
5. РАСЧЕТ БЕЗРАСКОСНОЙ ФЕРМЫ.
5.1. Геометрические размеры фермы и поперечных сечений элементов
По проекту рассчитывается безраскосная ферма пролётом 18 м.
Сетка колонн 24·6 м, нагрузка на 1 м2 покрытия составляет:
Полная 3,32+2=5,32 кН/м2 , в том числе снег 1,33 кН/м2 .
В соответствии с [1, табл.12], этой нагрузке соответствует 1-й тип опалубки. Размеры поперечных сечений элементов фермы для 1-го типа опалубки составляют (b
h) [1, табл.13]:
1) Верхний пояс – 0,24
0,20;
2) Нижний пояс – 0,24
0,22;
3) Стойки – 0,24
0,25
Ферма с нанесёнными размерами элементов показана на рисунке 5.1.

Рис. 5. - . Геометрическая схема безраскосной фермы.
5.2 Статический расчет фермы
Статический расчет безраскосных ферм производится на ЭВМ по программе MKEG для статически неопределимых систем .
Исходные параметры расчета стержневой системы (фермы):
1. Количество элементов – 23;
2. Количество закрепленных узлов – 2;
3. Всего узлов – 16;
4. Шифр фермы – KGK24-1;
5. Количество загруженных узлов – 7;
6. Величина узловой нагрузки – кН:
95,76 кН
Усилия в элементах фермы приведены в таблице 14.
Результаты расчета фермы на ЭВМ (усилия в элементах фермы) приведены в таблице 5.1.
Для удобства вычисления ядровых моментов и выбора РСУ усилия в элементах сведены в таблицу 5.2 (Рассматривается половина фермы ввиду её симметрии).
Таблица 5.2 – Расчетные сочетания усилий.
| Элемент |
h, см |
r = h/6, м |
М, кНм |
N, кН |
|
| верхний пояс |
0.2 |
0.033 |
12.856 |
-861.268 |
41.56 |
| -25.27 |
-817.695 |
52.53 |
|||
| 4.312 |
-778.494 |
30.26 |
|||
| 3.231 |
-770.184 |
28.9 |
|||
| стойка |
0.22 |
0.0367 |
12.414 |
-23.961 |
13.29 |
| 12.625 |
20.121 |
13.36 |
|||
| -4.588 |
-2.651 |
4.685 |
|||
| 0 |
-1.753 |
0.064 |
|||
| нижний пояс |
0.25 |
0.0417 |
20.929 |
796.461 |
54.11 |
| -32.633 |
776.692 |
65 |
|||
| 6.082 |
765.784 |
37.99 |
|||
| 4.122 |
768.748 |
36.15 |
5.3 Расчет верхнего пояса
Исходные данные:
Класс бетона: В25, Rb =14,5 МПа; γb 2 =0.9, EB = 27000 МПа.
Класс арматуры: A-III; Rs = 365 МПа; Rsc = 365 МПа ES = 20000МПа
Сечение 24´20 см.
Расчетные усилия: М =-25.27 кНм, N = -817.695 КН.
Нагрузка на узел фермы: полная Р = 95.76 кН;
длительная Pl =(g+αS)Aгр = (3,32+0,5·2)18 = 77,76кН
где
=0,5 по [2, п.1.7 к)] для III снегового района.
Усилия от длительной нагрузки
-20,52кН;
кН.
Эксцентриситет
м.
5.3.1. Определение коэффициента продольного изгиба
Свободная длина элемента верхнего пояса фермы при расчете в плоскости фермы при е0 = 0,031 < h / 8 = 0,025 равна l0 = 0.9l = 0.9·3=2,7 м [2, табл.33].
Вычисляем случайные эксцентриситеты:
м ,
м.
Принимаем наибольшее значение: eo = 0.031 м.
кНм.
= 664··(0.031 + 0.01 – 0.04) = 60,42 кНм
= 817.695·(0.031 + 0.1 – 0.04) = 74.4 кНм
=
=1.812;
, но не менее:
,
принимаем δe = 0,2345;
м-4
;
, откуда
0,2% [3, табл. 38];
= 0.023·10-4
м-4
;
![]()
Критическая сила при потере устойчивости:

1413 кН
Коэффициент продольного изгиба:

5.3.2. Определение сечения арматуры при симметричном армировании
Эксцентриситет с учетом продольного изгиба:
е0 ·η = 0,031·2,374 = 0,0725м, что больше 0,3h = 0.3·0.2 = 0.06м
Предварительно принимаем случай “больших” эксцентриситетов.
1. Задаем сечение арматуры (4 Æ20 с AS = A’S =12.56см2 ) [1, прил.3].
2. Определяем
(граничную высоту сечения).
0,605 [3, (25)],
где ω =0,85 – 0,08·RB = 0.85 – 0.08·17·0.9 = 0.7456 [3, (26)]
для арматуры A-IV: σSR = RSC + 400 - σSP - ΔσSP = 510 + 400 = 910МПа,
σSP = 0, ΔσSP =0, тк. отсутствует предварительное напряжение.
3. Определим требуемую относительную высоту сжатой зоны сечения:
1,47 > 0.605
- случай “малых” эксцентриситетов.
Определим требуемую относительную высоту сжатой зоны сечения для случая “малых” эксцентриситетов:
0,651
4. Определяем
0,439
5. Проверяем несущую способность по формуле:
![]()
[3, (36)],
где:
Ne =N
817.695·(0,031·2,374 + 0.2/2 – 0.03)=117.42 кНм
=
=0,439·0,24·0,172 ·14,5·103 ·0,9 + 365·103 · 12.56·10-4 ·(0,17-0,03) =104Нм
Условие не выполняется 117,42кНм>104кНм.
Увеличим сечение арматуры, принимаем (4 Æ20 с AS = A’S =15,2см2 )
0,754
![]()
Ne =N
817.695·(0,031·2,374 + 0.2/2 – 0.031)=116,6 кНм
=
=0,47·0,24·0,1692 ·14,5·103 ·0,9 + 365·103 · 12.56·10-4 ·(0,169-0,031) =118,6Нм
116,6 кНм <118,6Нм
Условие [3, (36)] выполняется. Сечение показано на рисунке 5.2.
Рис. 5.2 – Сечение верхнего пояса.
5.3.3. Назначение поперечной арматуры
Согласно [3, п.5.22] принимаем поперечную арматуру с шагом 400, что меньше 20d = 20
22 = 440 и 500 мм. Диаметр арматуры назначаем из условия свариваемости [4, прил.9] и наличия в сортаменте. Принимаем ø6AIII.
5.4. Расчет нижнего пояса
Исходные данные:
Класс бетона: В25, Rb =14,5 МПа; γb 2 =0.9, EB = 27000 МПа.,
Rb,ser = 18,5 МПа, Rbt,ser 1,6 МПа;
Класс арматуры A-IV; Rs = 510 МПа; Rsc = 450 МПа; Rs,ser =590МПа;
ES = 19000МПа
Сечение 24´22см.
![]()
Расчетные усилия: М = - 32,63 кНм, N = 776,7 кН.
a=a’=0,05 м.
5.4.1. Определение сечения арматуры
Армирование симметричное AS = A’S
Эксцентриситет силы N (рис. 5.3):
м;

Рис.5.3 - Расчетная схема нижнего пояса.
Так как е0
<
0,06 м, то сила N находится между арматурами и это случай “малых” эксцентриситетов, расчет ведется по формулам:
Ne ≤ A’S RS (h0 -a’) [3, (61)]
Ne’ ≤ AS RS (h0 -a’) [3, (62)]
При симметричном армировании получим:
е0
=
0.018м;
е’ =
0.102м.
Выбираем большее значение и получим:
10.6·10-4
м2
где γS 6 = η =1.2 для арматуры класса A-IV [3, п.3.13].
Принимаем 3Æ22 AS = A’S = 11,4м2 [1, прил.3].
Суммарная арматура: AS + A’S = 22,8 м2 .
Процент армирования сечения:
![]()
Проверка размещения стержней в сечении:
b > 3·2,2 + 2·5 + 2·2,5 = 21см.
Размещение стержней показано на рисунке 5.4.

Рис. 5.4 – Размещение продольной напрягаемой арматуры.
5.4.2. Назначение предварительного напряжения
В соответствии с [3, п. 123] должны удовлетворяться условия:
σsp + p ≤ Rs,ser ; σsp - p ≥ 0.3Rs,ser ; [3, (1)]
Величина р при механическом способе натяжения арматуры принимается равной p = 0.05σsp [2, п.1,23], тогда:
![]()
МПа.
Назначаем σsp = 550МПа.
5.4.3. Потери предварительного напряжения
Натяжение арматуры производится на упоры [по заданию].
Первые потери
1) От релаксации напряжения при механическом способе натяжения стержневой арматуры:
σ 1 = 0.1σsp -20 = 55 – 20 = 35МПа;
2) От перепада температур для бетона В25:
σ 1 = 1.25Δt = 1.25·65 =81МПа;
3) От деформации анкеров:
16МПа;
4) От позиции 4 [3, табл.5] потерь нет (натяжение на упоры);
5) От позиции 5 [3, табл.5] потерь нет (стержневая арматура);
6) Потери от быстро натекающей ползучести
:
Усилие в арматуре с учетом потерь (позиции 1 – 5):
P1 = [σ – (σ1 +σ2 +σ3 )]Asp = [550 – (35+81+16,1)]22,8·10-4 · 103 = 953 кН;
Сжимающие напряжения в бетоне от силы Р1 :
![]()
где Ared = Ab + αAS = 0.24·0.22 + 7.04·22.8·10-4 = 0.069 м2
Передаточная прочность бетона принимается по [3, п.2.6].
Для арматуры класса А-IV:
Rbp ≥ 11МПа кроме того, Rbp ≥ 0,5B = 0,5·25 =12,5МПа.
Принимаем Rbp =12,5МПа;
α=0,25+0,025Rbp =0.25+0.025·12.5 =0.563 < 0.8;
β=5.25-0.185 Rbp = 5.25 – 0.185·12.5 = 2.94 (но не более 2.5), принимаем β=2,5;
Т.к.
> α, то
117МПа
Суммируем, первые потери напряжений:
σlos 1 = 35+81+16+0+0+117 = 249МПа
Усилие в арматуре с учетом первых потерь:
P1 = (σsp –σlos1 )As = (550 – 249)22.8·10-4 ·103 = 682.3кН.
Вторые потери
7) Потери релаксации напряжений арматуры учтены в 1) пункте;
8) Потери напряжений от усадки бетона при классе бетона В25 и тепловой обработке σ8 =35 МПа.
9) Ползучесть бетона:
Сжимающие напряжения в бетоне с учетом первых потерь:
МПа. Так как
>0.75, то:
106МПа.
α = 0,85 –коэффициент принимаемый для бетона подвергнутого тепловой обработке при атмосферном давлении.
Полные потери:
σlos = σlos 1 + σlos 2 = 249+(35+106) = 390МПа
МПа
МПа.
Усилие предварительного обжатия с учетом полных потерь напряжений:
кН.
5.4.4. Расчет по образованию трещин
Средний коэффициент надежности по нагрузке определяем по [табл.2.1] с учетом снеговой нагрузки:
;
Нормативные усилия равны (первая панель нижнего пояса):
8,502 кНм;
324,6 кН.
Нормативные усилия от длительных нагрузок (см. раздел п.5.3):
7,262 кНм;
277,3 кН.
Проверка по образованию трещин производится по формуле
[3, (124)]
где
- момент от внешних сил относительно оси параллельной нулевой линии и проходящей через ядровую точку наиболее удаленную от растянутой зоны, трещиностойкость которой проверяется:
кНм;
кНм,
где
м,
где ![]()
- момент, воспринимаемый сечением при образовании трещин.
[3, (125)]
- ядровый момент от силы
.
кНм [3, (129)]
где
коэффициент точности натяжения арматуры при механическом способе натяжения [3, п.1.27].
55,58 кНм.
Так как при полном загружении нормативной нагрузкой условие [3, (124)] не выполняется (
= 66,87 >
= 55,58), а так же при действии длительной части нагрузки условие [3, (124)] не выполняется (
= 57,12 >
= 55,58), трещины образуются и необходимо проверить их раскрытие.
5.4.5. Расчет на раскрытие трещин
Ферма находится в закрытом помещении и поэтому относится к 3-ей категории трещиностойкости, для которой допускается ограниченное по ширине непродолжительное (
=0,4 мм) и продолжительное (
=0,3 мм) раскрытие трещин [3, п.1.16, табл.2].
Раскрытие трещин определяется по формуле:
[3, (144)]
где
для внецентренно растянутых элементов;
- коэффициент длительности действия нагрузки. Для непродолжительного действия нагрузки
=1. Для тяжёлого бетона естественной влажности при длительном действии нагрузки
, где
- коэффициент армирования сечения:
;
- для стержневой арматуры периодического профиля; d=14 - диаметр арматуры в мм;
- приращение напряжений в арматуре от действия внешней нагрузки [3, п.4.15].
1. Определяем раскрытие трещин от кратковременного действия всех нагрузок
. Эксцентриситет равнодействующей продольных сил
и
относительно центра тяжести сечения равен:
м
м.
Т.к. ![]()
то можно в формуле [3, (148)] принять
(
м расстояние между арматурой
и
).
Тогда напряжение в арматуре:
[3, (148)]
где
- эксцентриситет силы
относительно арматуры
(рис. 5.5)
м

Рис.5.5 - Приложение силы преднапряжения.
Эксцентриситет силы
относительно арматуры
:
м.
206,6 МПа [3, (148)];
мм [3, (144)];
2. Определяем
- раскрытие трещин от кратковременного действия постоянной и длительной нагрузки при ![]()
Так как
сечение растянуто.
м
м.
Т.к. ![]()
то можно в формуле [3, (148)] принять
м.
м
м.
159,7 МПа [3, (148)];
мм [3, (144)];
3. Определяем
- продолжительное раскрытие трещин (от постоянной и длительной нагрузки) при
и
=1,311:
мм [3, (144)];
Непродолжительное раскрытие трещин равно:
![]()
Полученные значения раскрытия трещин
и
не превышают предельных величин, установленных нормами проектирования.
5.4.6. Назначение поперечной арматуры
Для крепления поперечной арматуры дополнительно вводим в сечение конструктивную продольную арматуру 4Ø10AIII. Согласно [3, п.5.22] принимаем поперечную арматуру с шагом 500 мм. Диаметр арматуры назначаем из условия свариваемости [4, прил.9] и наличия в сортаменте. Принимаем Ø6AIII.
5.5. Расчет стоек
Класс бетона: В25,
14,5 (
МПа),
27000 МПа.
Класс арматуры: A-III, ![]()
Сечение 24´28 см.
Расчетные усилия:
Сжатая стойка 2 – 3:
,
,
[табл. 5.2];
l=1,525 м [табл. 5.1].
Растянутая стойка: 6 – 7:
,
[табл. 5.2];
l=2,735 м [табл. 5.1].
5.5.1. Расчет внецентренно сжатой стойки
Определение коэффициента продольного изгиба ![]()
Свободная длина в плоскости фермы [3, табл.33]:
м;
Гибкость стойки:![]()
;
Так как
, то необходимо учитывать продольный изгиб.
Эксцентриситет ![]()
Вычисляем случайные эксцентриситеты:
м ,
м.
Принимаем наибольшее значение:
1,847 м.
Усилия от длительной нагрузки:
кН;
кН.
кНм,
кНм.
;
, но не менее:
;
принимаем
6,596;
м-4
;
, откуда
0,05% [3, табл. 38];
0,00576
м-4
;
7,407.
Критическая сила при потери устойчивости:

3702 кН
Коэффициент продольного изгиба:

![]()
Требуемое сечение арматуры при симметричном армировании:


![]()
Принимаем
(2Æ12AIII). Размещение арматуры показано на рисунке 5.6.

Рис. 5.6 - Размещение арматуры сжатой стойки.
5.5.2. Поперечная арматура сжатой стойки
Согласно [3, п.5.22] принимаем поперечную арматуру с шагом 200, что меньше 20d = 20
12 = 240 и 500 мм. Диаметр арматуры назначаем из условия свариваемости [4, прил.9] и наличия в сортаменте. Принимаем ø6AIII.
5.5.3. Расчет растянутой стойки
Т.к. М=0, то расчёт ведём по [3, п.3.26]. Должно соблюдаться условие:
[3, (60)];
Из [3, (60)] определим требуемую суммарную площадь арматуры:
![]()
Из условия минимального диаметра арматуры в стойке (Æ8мм) принимаем
(2Æ8AIII).
5.5.2. Поперечная арматура растянутой стойки
Согласно [3, п.5.22] принимаем поперечную арматуру с шагом 600. Диаметр арматуры принимаем Æ6AIII [4, прил.9].
5.6. Проектирование опорного узла фермы
5.6.1. Конструирование опорного узла
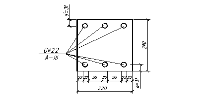
Пояса фермы соединяются в опорном узле (рис.5.7).
1. Определение размеров опорного листа.
Опорная реакция фермы:
![]()
![]()
Принимаем
.
2. Определение угла наклона верхнего пояса в опорном узле:
.

Рис.5.7 - Опорный узел.
3. Дополнительные ненапрягаемые стержни с площадью сечения:
.
Принимаем минимальную арматуру: 4Æ12, ![]()
Длина её анкеровки (растянутая арматура в растянутом бетоне):
[3, (186)]
принимаем
350 мм.
4. Сечение стержней, окаймляющих узел, принимается из условия:
![]()
принимаем 2Æ10 ![]()
5.
Сетки косвенного армирования ставятся над опорным листом на участке длиной
и
[3, п.5.61], где
- длина зоны передачи напряжений
:
мм [3, (11)].
Тогда 0.6
283
170 мм = 17 см;
Длина участка, где стоят сетки принимается 200. Диаметр арматуры должен быть
мм и
мм. В соответствии с [3, п.5.24] принимаем сетку из арматуры Æ10AII, с ячейками 50´50 мм с шагом 50 мм (4 сетки).
Поперечная арматура ставится с шагом 100 мм, а её диаметр назначается по нижеследующему расчету.
6. Анкеровка арматуры верхнего пояса:
мм [3, (186)],
но не менее
мм и не менее
200 мм.
Принимаем длину анкеровки арматуры верхнего пояса 400 мм.
5.6.2. Расчет опорного узла
5.6.2.1 Расчет из условия отрыва нижнего пояса
Расчет из условия отрыва нижнего пояса по сечению АВ из-за ненадежности анкеровки преднапряженной арматуры и дополнительных стержней (рис.5.8).

Рис.5.8 - Схема разрушения опорного узла с отрывом нижнего пояса
Для того, чтобы не произошел отрыв нижнего пояса, должно удовлетворятся условие:
![]()
где
усилие в поперечной арматуре, пересекающей трещину;
и
- усилия, воспринимаемые дополнительной арматурой
и преднапряженной арматурой
с учетом уменьшения напряжений на длине анкеровки.
Учитывая, что напряжения в арматуре на длине анкеровки снижаются от
или
до нуля по прямой зависимости, получаем:
и
при
и ![]()
где
- расстояния от торца фермы до пересечения рассматриваемого стержня с прямой АВ (рис. 5.5);
,
- длины зон анкеровки преднапряженной и обычной арматуры. Для стержневой арматуры
= 35d =
см;
1)
(анкеровка в сжатом бетоне) [2, (186)];
2)
см; Принимаем
см.
В соответствии с рис.5.8 расстояния до линии обрыва:
![]()
Усилия в арматуре:
кН;
кН;
кН;
кН;
Из условия отрыва требуемое усилие в поперечной арматуре узла:
кН;
Т.к.
отрицательна, то арматура по расчёту не требуется. Конструктивно из условия свариваемости принимаем поперечную арматуру Æ8 А-III.
5.6.2.2 Расчет из условия изгиба опорного узла
Расчет из условия изгиба опорного узла по наклонному сечению АС (рис. 5.9).
Так как угол наклона сечения АС относительно АВ изменяется незначительно, усилия в продольной арматуре не меняются.
Высота сжатой зоны (рис.5.9):
м.

Рис.5.9 - Схема усилий в сечении АС при расчете на прочность на действие момента
Проверка прочности на действие изгибающего момента производится по формуле:
,
где
кНм;
![]()
кНм;
Условие прочности по наклонному сечению АС на действие изгибающего момента выполняется.
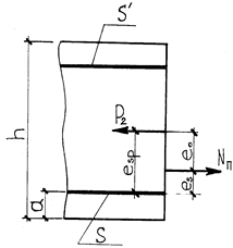
6. РАСЧЕТ ФУНДАМЕНТА
Исходные данные:
Заглубление фундамента:
Нормативная глубина промерзания:
м,
где
– коэффициент равный сумме отрицательных среднемесячных температур [6, табл.3]; d0
= 0,23 м – для суглинков.
Расчетная глубина промерзания:
м,
где kh
= 0,6 – коэффициент влияния теплового режима здания. Принимаем глубину заложения
= 1,2 м.
Усредненная плотность фундамента и грунта на обрезах ![]()
Расчетное сопротивление грунта![]()
Класс бетона В15;
(
),
[3, табл.13]; Ев
=205000 МПа;
Класс арматуры A-II; Rs = 280 МПа; Rsc = 280 МПа [3, табл. 22];
Таблица 6.1 - Сочетание усилий.
| Сечение |
Сочетание |
N0 на- грузок |
Расчетные усилия |
Нормативные усилия |
||||
| M, кНм |
N, кН |
Q, кН |
М, кНм |
N, кН |
Q, кН |
|||
| У обреза фундамента |
+М о.ф. -М о.ф. Nmin о.ф. |
2, 6, 14 2, 5, 13 0, 7, 13 |
+193,97 -234,51 -205,93 |
873,12 873,12 540,73 |
-26,75 35,71 41,94 |
|||
| У подошвы фундамента |
+М п.ф. -М п.ф. Nmin п.ф. |
2, 6, 14 2, 5, 13 0, 7, 13 |
222,06 -272,01 -249,97 |
873,12 873,12 540,73 |
-26,753 35,71 41,94 |
193,10 -236,53 -217,36 |
759,23 759,23 470,20 |
-23,26 31,05 36,47 |
В таблице 6.1:
кН;
кН;
кН;
![]()
Нормативные усилия получены делением расчетных на усредненный коэффициент надежности по нагрузке ![]()
Схема загружения фундамента показана на рисунке 6.1.

Рис.6.1 - Схема загружения фундамента.
6.1 Определение размеров подошвы фундаментов
6.1.1. Выбор типа фундамента
Т.к. выполняются следующие условия, то фундамент проектируется симметричным:
;
м,
где
м и
м.
6.1.2. Назначение размеров подошвы фундамента
Принимается следующее отношение ширины подошвы фундамента к длине: ![]()
Первоначально площадь подошвы: ![]()
м2
.
Сторона подошвы:
м.
Принимаем b =1,8 м (кратно 0.3м).
Параметры:
м2
;
м.
Длина подошвы:
м.
Принимаем
м (кратно 0.3 м). Тогда отношение сторон:
. Развиваем b до 2,1 м, тогда
.
Площадь подошвы равна:
.
6.1.3. Проверка напряжений под подошвой фундамента
I сочетание: ![]()
![]()
;
![]()
![]()
> 0.
II сочетание: ![]()
;
![]()
![]()
> 0.
III сочетание ![]()
;
![]()
![]()
> 0.
Проверка среднего давления:
.
Условия выполняются, поэтому оставляем размеры подошвы: 2,1´3,3 м.
6.2. Назначение размеров подколонника
Конструктивные требования: толщина стенки стакана
(рис. 6.2) принимается
см. Т.к. в плоскости изгиба при
м, то
м.
Принимаем (в плоскости М)
см.
Тогда
м.
Принимаем
(кратно 0.3 м).
Принимаем из плоскости момента
тогда ширина сечения подколонника: ![]()
Принимаем
м (кратно 0.3 м).

Рис. 6.2 - Схема подколонника.
Глубина стакана
определяется из двух условий:
1. Глубина стакана колонны при
должна быть не менее большего размера сечения колонны плюс пять сантиметров:
м;
2. Глубина заделки колонны в стакане, кроме того, должна удовлетворять требованию заделки рабочей арматуры колонны:
Из условий анкеровки арматуры [2, п.5.14]
,
где 
Но не менее ![]()
Принимаем большую глубину стакана: ![]()
6.3 Определение максимальных краевых напряжений на грунт от расчетных нагрузок
Краевые напряжения на грунт:
![]()
6.4 Определение высоты плитной части фундамента
Высота плитной части фундамента Нпл определяется из условия продавливания. Так как в расчете высота подколонника Нп ещё неизвестна, предполагаем что продавливание происходит от дна стакана (рис. 6.3).

Рис.6.3 - Продавливания фундамента по периметру колонны.
Тогда требуемая рабочая высота плитной части фундамента
определяется по формуле:
м,
где![]()
.
Высота плитной части должна быть не менее:
.
Принимаем двухступенчатую плиту с высотой ступени 0,45 м.
,
.
Проверяем случай расчета:
,
где ![]()
Так как
, подтверждается случай продавливание плитной части фундамента от дна стакана.
6.5 Расчет высоты и вылета нижней ступени
Высота нижней ступени h1 проверяется расчетом на продавливание, а наибольшая величина С1 max устанавливается расчетом на поперечную силу при отсутствии поперечной арматуры (рис. 6.4).
Расчет на продавливание нижней ступени производится из условия:
![]()
где
=![]()
![]()
где ![]()
Здесь
– площадь многоугольника давления по подошве (рис. 6.4):
,
где ![]()
![]()
Так как
то условие прочности на продавливание бетона ступени выполняется.

Рис.6.4. К расчету высоты и вылета нижней ступени фундамента.
Максимальный вылет нижней ступени С1 max определяем при условии отсутствия поперечной арматуры на ширину b =1м по формуле [3, п.3.31]:
![]()
;
![]()
Т.к.
, то проверка выполняется.
6.6 Расчет арматуры подошвы фундамента
Расчет арматуры подошвы фундамента производится из условия изгиба плиты под воздействием реактивного давления грунта в двух направлениях:
1) В плоскости рамы (Рис. 6.5):
Сечение 1-1
(см. п. 6.3);
![]()
Изгибающий момент на один метр ширины фундамента:
![]()

Рис.6.5 - Расчетная схема работы плиты на изгиб в плоскости рамы.
Сечение 2-2
![]()
![]()
Требуемая площадь арматуры на 1 метр ширины фундамента:
в сечении 1-1:
![]()
в сечении 2-2:
![]()
Шаг стержней принимается равным 250 мм. Принимаем по большему значению 4Æ12 А-II на 1 погонный метр ширины фундамента ![]()
2) Из плоскости рамы на 1 погонный метр:
![]()
![]()
![]()
Площадь арматуры на 1 погонный метр длины фундамента.
![]()
![]()
Принимаем 2Æ10 А-II (1,57 см2 ) на погонный метр длины подошвы (с шагом 500 мм).
Таким образом, принята сварная сетка с размерами ячеек 200х500мм из стержней Æ12 AII в направлении действия активного момента и стержней Æ10 AII в поперечном направлении.
Так как диаметр арматуры класса AII сетки не превышает 22 мм, в соответствии с [5, п.2.56] проверку ширины раскрытия трещин в плитной части фундамента производить не требуется.
6.7. Расчет подколонника
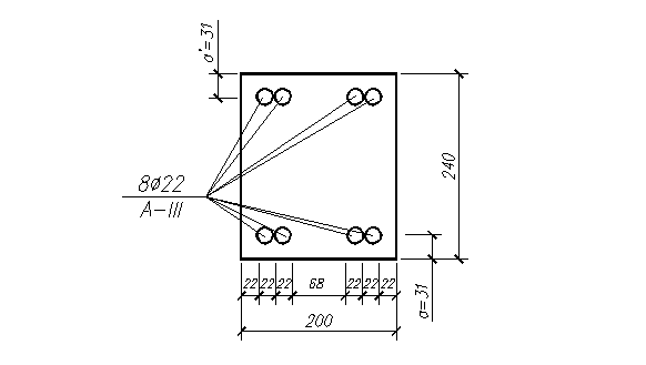
6.7.1. Расчет продольной арматуры подколонника
Рабочая вертикальная арматура устанавливается у коротких граней подколонника (рис. 6.6). Расчет арматуры производится как внецентренно сжатого элемента по усилиям в сечении 1-1 (коробчатое, приводимое к двутавровому) и по усилиям в сечении 2-2 (сплошное прямоугольное).

Рис.6.6 - Вертикальная арматура подколонника
Усилия у обреза фундамента по наибольшему ядровому моменту [табл.6,1]: M = -234,5 кНм; N = 873,1 кН; Q = 35,71 кН..
В сечении 1-1:
![]()
В сечении 2-2:
![]()
![]()
![]()
Рассчитываем сечение подколонника с симметричной арматурой в сечении с максимальным моментом М= - 266,6 кНм.
Предполагаем первый случай внецентренного сжатия: большие эксцентриситеты (
).
[3, 36]
[3, 37]
Задаем сечение сжатой арматуры при минимальном проценте армирования
=0,05 % [3, табл.38]:
![]()
Принимаем 5Æ12 (шаг 200 мм,
).
![]()


![]()

![]()
Растянутая арматура по расчету не требуется. Конструктивно принимаем
(2Æ12 А-II).
6.7.2 Проверка ширины раскрытия трещин в сечении 2 – 2 подколонника.
Определяем необходимость проверки ширины раскрытия трещин в соответствии с [5, п.2.52].
Напряжение по наименее сжатой грани составляет:
![]()
Так как напряжений растягивающие, но не превышают
, расчет по образованию и раскрытию трещин не требуется.
6.7.3 Расчет поперечной арматуры подколонника
Под действием момента
происходит поворот колонны относительно горизонтальной оси, проходящей через точку К. При этом момент от поворота Мк
уравновешивается моментами усилий в поперечной арматуре, относительно дна стакана (рис.6.7).

Рис.6.7 - Горизонтальная арматура подколонника
При расчете у верхнего обреза подколонника [табл. 6.1]:
1) по сочетанию (+М):
![]()
Имеем второй случай поворота;
2) по сочетанию (Nmin ):
![]()
Имеем третий случай поворота;
3) по сочетанию (-М):
![]()
Имеем второй случай поворота;
Т.к. в 1-м и 3-м сочетании имеет место второй случай поворота, принимаем к расчету сочетание (-М) (с наибольшим эксцентриситетом е0 =0,27 м):
М = 234,5 кНм; N = 873,1 кН; Q = 35,71 кН.
![]()
![]()
Определение сечения поперечной арматуры класса А-II.
![]()
Для третьего сочетания 3-й случай поворота:
М = 205,9 кНм; N = 540,73 кН; Q = 41,94 кН.
![]()
Т.к. этот момент меньше полученного ранее, сечение каждого стержня в одной сетке:
.
Принимаем 4 сетки из стержней Æ10AII (0,785×4=3.14 см2
)
, что соответствует минимальному диаметру стержней сеток [5, п.4.25]. Т.к. арматура принята с запасом, убираем две сетки (нижних), тогда:
.
Окончательно принимаем 2 сетки из стержней Æ10AII.
6.7.4 Расчет на местное сжатие дна стакана подколонника
Расчет подколонника на местное сжатие дна стакана производится в соответствии с [5, п.2.48].
При расчете на местное сжатие дна стакана подколонника без поперечного (косвенного) армирования должно удовлетворяться условие:
Nc £ yloc Rb,loc Aloc 1 , [5, (63)]
где Nc - расчетная продольная сила в уровне торца колонны, определяемая по [5, п. 2.20]:
Nc
= a N=0,868
873,1=757,4 кН [5, (26)]
где a — коэффициент, учитывающий частичную передачу продольной силы N на плитную часть фундамента через стенки стакана и принимаемый равным:
a = (1 - 0,4Rbt
Ac
/N) =
[5, (27)]
где Rbt
= 0,75 МПа - расчетное сопротивление бетона замоноличивания стакана и принимается с учетом коэффициентов условий работы gb2
, gb9
(для В15); Ac
= 2(hc
ol
+ bc
ol
)( hc
- 0.05)=
- площадь боковой поверхности колонны, заделанной в стакан фундамента;
yloc
- коэффициент, равный 0,75 при
;
Rb,loc
- расчетное сопротивление бетона смятию, определяемое по формуле: Rb,loc
= jloc
Rb
=
МПа, [5, (64)]
где jloc
=
[5, (65)]
Аloc2
=
=1,08 м2
- площадь поперечного сечения подколонника;
Аloc1
=
=0,28 м2
- площадь торца колонны.
Rb - призменная прочность бетона подколонника с учетом коэффициентов условий работы gb3 , gb9 ;
Nc
= 757,4 £ yloc
Rb,loc
Aloc1
= 0,75
10,2
0,28
103
= 2142 кН
Условие [5, (63)] выполняется, поэтому сетки косвенного армирования ниже дна стакана устанавливать не требуется.
Список использованной литературы
1. Я.И.Гуревич, В.А.Танаев Расчет железобетонных конструкций одноэтажного промышленного здания. Учебное пособие для курсового и дипломного проектирования. – Хабаровск, 2001г.
2. СНиП 2.01.07-85* Нагрузки и воздействия / Минстрой России. - М.: ГП ЦПП, 1996.-44 с.
3. СНиП 2.03.01-84* Бетонные и железобетонные конструкции / Минстрой России. - М.: ГП ЦПП, 1996. - 76 с.
4. Байков В.Н., Сигалов Э.Е. Железобетонные конструкции, Общий курс. – 5-е изд., перераб. И доп. - М. СИ; 1991.
5. Пособие по проектированию фундаментов на естественном сновании под колонны зданий и сооружений (к СНиП 2.03.01-84 и СНиП 2.02.01-83) Ленпромстройпроект Госстроя СССР. – М.: ЦИТП Госстроя СССР, 1989. – 112 с.
6. СНиП 23.01-99. Строительная климатология/ Минстрой России. - М.: ГП ЦПП, 1999. - 56 с.