| Скачать .docx |
Курсовая работа: Проектирование оснований и фундаментов гражданских зданий
Нижегородский государственный архитектурно-строительный университет
Кафедра оснований, фундаментов и инженерной геологии
Курсовая работа
Проектирование оснований и фундаментов гражданских зданий
Выполнил: ст. гр.3/05-2
Бабурина Е.В.
Проверил
Нижний Новгород – 2010
Содержание
Введение
1. Обработка результатов исследований физико-механических свойств грунтов
1.1 Определение расчетных показателей физико-механических свойств грунтов ИГЭ-1
1.2 Определение расчетных показателей физико-механических свойств грунтов ИГЭ-2
1.3 Определение расчетных показателей физико-механических свойств грунтов ИГЭ-3
2. Оценка инженерно-геологических условий строительной площадки и инженерно-геологический разрез
3. Нагрузки, действующие в расчетных сечениях
3.1 Выбор расчетных сечений и определение грузовых площадей
3.2 Расчетные нагрузки, действующие на 1 мІ грузовой площади
3.3 Расчет нагрузок от собственного веса кирпичных стен
3.4 Расчетный вес оконных заполнений
3.5 Временные нагрузки
4. Вариант ленточного фундамента мелкого заложения
4.1 Определение глубины заложения фундамента
4.2 Определение ширины подошвы фундамента
4.3 Расчет осадки ленточного фундамента
5 Вариант свайного фундамента из забивных призматических свай
5.1 Определение шага свай
6. Технико-экономическое сравнение вариантов фундаментов
Список использованной литературы
Введение
В курсе «Механика грунтов, основания и фундаменты» особое внимание уделяется вопросам внедрения новейших достижений теории в практику фундаментостроения, направленных на индустриализацию, удешевление, ускорение, и улучшение качества строительства.
Целью курсового проекта по этой дисциплине является ознакомление с принципами проектирования оснований и фундаментов и закрепление теоретических знаний. Тематика проектирования отвечает учебным задачам подготовки инженеров и увязана с решением практических вопросов – выполнением проектов фундаментов сооружений.
При выполнении курсового проекта необходимо научиться пользоваться строительными нормами, ГОСТами, типовыми проектами, каталогами изделий для выполнения фундаментов, а также учебной, справочной и научной литературой; рекомендуется широко использовать вычислительную технику; должны найти отражение требования стандартов единой системы конструкторской документации (ЕСКД), технико-экономического анализа, предложения по производству работ нулевого цикла, вопросы техники безопасности.
Исходные данные к курсовой работе указаны на листах, выданных кафедрой.
1. Обработка результатов исследований физико-механических свойств грунтов
1.1 Определение расчетных показателей физико-механических свойств грунтов ИГЭ №1
Инженерно геологический элемент №1 (ИГЭ №1) представлен супесью.
- Число пластичности
Iр=WL-Wp, % ;
где WL – на границе текучести
Wp – влажность на границе раскатывания
Ip=20-15=5%
Определяем тип грунта по [1] табл. п.2.4 в соответствии с данными ГОСТ 25.100-95 тип грунта супесь.
- Показатель текучести
IL=
;
IL=
;
В соответствии с данными из табл. п.2.5 супесь характеризуется как пластичная.
- Плотность сухого грунта
ρd=
, г/см3;
ρd=![]()
- Коэффициент пористости
;
;
- Расчётное сопротивление грунта по [1] табл. П.3.1 R0 =176.14 кПа
-Модуль деформации грунтов определяется по графикам компрессионных испытаний или испытаний штампом.
Е=![]()
где W=0,79 – безразмерный коэффициент учитывающий форму штампа (круглый)
d=0,798 – диаметр штампа (при площади 5000 см2)
V – коэффициент Пуассона принимаем равный
0,3 – для супеси;
0,35 – для суглинков;
0,3 – для песка
ΔР=Р2-Р1 – приращение давления на прямолинейном участке графика
S=f(P) – график
Где Р1=50кПа – давление равное вертикальному напряжению от собственного веса грунта на уровне заложения подошвы фундамента
ΔР= Р2-Р1=100-50=50 кПа ΔS=5-2=3мм=0,003м
Е=
=9561.4 кПа

1.2 Определение расчетных показателей физико-механических свойств грунтов ИГЭ №2
Инженерно геологический элемент №2 (ИГЭ №2) представлен суглинком.
- Число пластичности
Iр=WL-Wp, % ;
где WL – на границе текучести
Wp – влажность на границе раскатывания
Ip=22-14=8%
Определяем тип грунта по [1] табл. п.2.4 в соответствии с данными ГОСТ 25.100-95 тип грунта суглинок.
- Показатель текучести
IL=
;
IL=
;
В соответствии с данными из табл. п.2.5 суглинок характеризуется как текучий.
- Плотность сухого грунта
ρd=
, г/см3;
ρd=![]()
- Коэффициент пористости
;
;
- Расчётное сопротивление грунта по [1] табл. П.3.1 R0 =100 кПа
-Модуль деформации
Строим график компрессионных испытаний e=f(P)

По графику определяем коэффициент сжимаемости
где p1 и p2 - давления принимаемые соответственно 100 и 200 кПа.
e1 и e2 – коэффициенты пористости соответствующие принятым давлениям
кПа-1
Компрессионный модуль деформации

β=0,62 для суглинка
e1- коэффициент Пористости при р=100
=2504,8 кПа
Для перехода к натуральному значению E от компрессионных испытаний значений EK вводятся корректирующие коэффициенты mK
E=mK.EK
E=2·2504,8=5009,6 кПа
1.3 Определение расчетных показателей физико-механических свойств грунтов ИГЭ №3
Инженерно геологический элемент №3 (ИГЭ №3) представлен песком
Тип грунта по гранулометрическому составу - песок мелкий, так как d частиц >1мм составляет 100%, что превышает 75% от массы всего песка
- Плотность сухого грунта
ρd=
, г/см3;
ρd=
- Коэффициент пористости
;
где Рs – плотность частиц грунта, г/см2;
Р – плотность грунта , г/см2;
W – природная влажность , %;
;
В соответствии [1] табл.п.2.3 песок средней плотности сложения.
- Степень влажности
SR
;
где РW – плотность воды, г/см3;
SR
;
По степени влажности определяем насыщенность песков водой. Из [1] табл. П.2.2 следует, что песок влажный.
Расчётное сопротивление грунта
Для ИГЭ – 3 по [1] табл. П.3.1 R0=200 кПа.
Строим график компрессионных испытаний e=f(P)

По графику определяем коэффициент
кПа-1
Компрессионный модуль деформации
=10842,7 кПа
Для перехода к натуральному значению E от компрессионных испытаний значений EK вводятся корректирующие коэффициенты mK
E=mK.EK
E=1·10842,7=10842,7 кПа
Результаты расчета физико-механических свойств грунтов сводятся в таблицу
Итоговая таблица физико-механических свойств грунтов
| № |
Характеристики грунтов |
Ед.изм |
ИГЭ-1 |
ИГЭ-2 |
ИГЭ-3 |
| 1 |
Плотность грунта ρ |
г/см3 |
1,7 |
1,55 |
1,8 |
| 2 |
Плотность сухого грунта ρd |
г/см3 |
1,44 |
1,24 |
1,525 |
| 3 |
Плотность частиц грунта ρS |
г/см3 |
2,68 |
2,63 |
2,65 |
| 4 |
Природная влажность W |
% |
18 |
25 |
18 |
| 5 |
Влажность на границе раскатыванияWp |
% |
15 |
14 |
- |
| 6 |
Влажность на границе текучести WL |
% |
20 |
22 |
- |
| 7 |
Удельный вес грунта γ |
кН/м3 |
16,8 |
15,3 |
17,8 |
| 8 |
Коэффициент пористости e |
0,861 |
1,121 |
0,737 |
|
| 9 |
Степень влажности Sr |
- |
- |
0,65 |
|
| 10 |
Число пластичности Ip |
% |
5 |
8 |
- |
| 11 |
Показатель текучести IL |
% |
0,6 |
1,375 |
- |
| 12 |
Угол внутреннего трения φ |
о |
18 |
10 |
26 |
| 13 |
Удельное сцепление C |
кПа |
9 |
8 |
- |
| 14 |
Модуль деформации E |
кПа |
9561,4 |
5009,6 |
10842,7 |
| 15 |
Расчетное сопротивление R0 |
кПа |
176,14 |
100 |
200 |
2. Оценка инженерно-геологических условий участка застройки и инженерно-геологический разрез
Жилой дом расположен в городе Челябинск. Площадка строительства свободна от существующих зданий и инженерных коммуникаций. Рельеф участка ровный.
Инженерно-геологические условия исследованы путём бурения трёх скважин. По результатам бурения построен инженерно-геологический разрез.
В геологическом отношении строительная площадка представлена следующими инженерно-геологическими элементами:
ИГЭ – 1: Супесь пластичная, аллювиальный - делювиальный, современного четвертичного возраста (a-dQIV); с расчетным сопротивлением R0=176,14 кПа; мощность слоя 1,0 м. Является слабым основанием.
ИГЭ – 2: Суглинок текучий, аллювиальный, четвертичного возраста (aQIV); с расчетным сопротивлением R0=100кПа; мощность слоя 1,0 м; является слабым основанием.
ИГЭ – 3: Песок мелкий, средней плотности сложения, влажный, аллювиальный, современного третичного возраста (aQIII); с расчётным сопротивлением R0=200 кПа.
В целом инженерно-геологические условия благоприятные для строительства.

3. Нагрузки, действующие в расчетных сечениях
Расчет производится по двум группам предельных состояний:
- по первой группе предельных состояний определяется несущая способность свайных фундаментов, а так же проверяется прочность конструкций фундамента. Расчет ведется по расчетным усилиям, определяется с коэффициентом надежности по нагрузке γf>1;
-по второй группе предельных состояний (по деформациям) определяется размер подошвы фундаментов и их осадки. Расчет производиться по расчетным усилиям при γf=1.
3.1 Выбор расчетных сечений и определение грузовых площадей
Сечение 1-1: принимаем сечение по наружной стене по оси 1 между осями В и Г. Стена самонесущая, поэтому грузовая площадь не находится, берется участок стены шириной 1 м.
Сечение 2-2: принимаем сечение по внутренней стене по оси В между осями 3 и 4 Агр = (2,52-0,38)/2 + (5,7-0,19-0,07)/2=3,79 мІ
Сечение 3-3: принимаем сечение по наружной стене по оси А между осями 3 и 4.
Агр = (1,81/2+1,2+1,81/2)·(5,7-0,19-0,07)/2=8,19м2
Сечение 4-4: принимаем сечение по наружной стене по оси 2
Агр = 2,82/2 = 1,41 м2
| № сеч. |
1-1 |
2-2 |
3-3 |
4-4 |
| Агр , м2 |
0 |
3,79 |
8,19 |
1,41 |
План проектируемого здания и выбранные расчетные сечения представлены в задании.
3.2 Расчетные нагрузки действующие на 1 м2 грузовой площади
Постоянные: Кровельное покрытие
Междуэтажные перекрытия
Стены из кирпича
Оконное заполнение
Перегородки
Лестничные марши
Временные: Снеговая нагрузка
Нагрузка на перекрытия
Постоянные распределённые нагрузки от 1м2.
| № |
Вид нагрузки |
Нормативная нагрузка, кН/м2 |
γf |
Расчётная нагрузка кН/м2 |
| 1 2 3 4 |
Кровля Панели многопустотные железобетонные Утеплитель-пенобетонные плиты Цементный раствор М100 4 слоя рубероида, гравий |
3,2 1,25 0,6 0,4 |
1,1 1,2 1,3 1,2 |
3,52 1,5 0,78 0,48 |
| Итого по кровле |
5,45 |
6,28 |
||
| 1 2 |
Междуэтажное перекрытие Панели многопустотные железобетонные Паркет, линолеум по легкобетонной подготовке |
3,2 0,9 |
1,1 1,2 |
3,52 1,08 |
| Итого по междуэтажному перекрытию |
4,1 |
4,6 |
||
| 1 |
Лестничные конструкции Марши ж/б серии 1.251-1.4; площадки ж/б серии 1.252-1.4 |
3,8 |
1,1 |
4,18 |
| Итого по лестничным конструкциям |
3,8 |
4,18 |
||
| 1 |
Перегородки Гипсобетонные панели |
0,3 |
1,2 |
0,36 |
| Итого по перегородкам |
0,3 |
0,36 |
3.3 Расчет нагрузок от собственного веса кирпичных стен
Сечение 1 – 1
а) Расчетные нормативные нагрузки для расчета оснований по 2-й группе предельных состояний
Р = γкк · Vкк = γкк· (Vст - Vок ), кН,
где γкк – удельный вес кирпичной кладки, кН/м3
Vкк – объем кирпичной кладки, м3
Vст – объем стены, м3
Vок – объем оконных проемов, м3
Vок =hок·
·δст·nок , м3,
Vок =1,81·
·0,64·4=5,61 м3,
Vст =(9,9+0,3+3)·
·0,64+1,0·
·0,51=21,59 м3
Р = 16· (21,59-5,61 )=255,68 кН
- Расчетные нагрузки для расчета по 2-й группе предельных состояний
РII = P · γf
γf =1 – коэффициент перегрузки
РII = 255,68·1=255,68 кН
б) Для расчета по 1-й группе предельных состояний
РI = P · γ1
РI = 255,68·1,1=281,25 кН
Сечение 2 – 2
а) Расчетные нормативные нагрузки для расчета по 2-й группе предельных состояний
Р = γкк · Vкк , кН,
Vкк =(9,9+0,3+3)·1,0·0,38=5,016 м3
Р = 18·5,016 =90,3 кН
- Расчетные нагрузки для расчета по 2-й группе предельных состояний
РII = P · γf
γf =1 – коэффициент перегрузки
РII = 90,3·1=90,3 кН
б) Для расчета по 1-й группе предельных состояний
РI = P · γ1
РI = 90,3·1,1=99,33 кН
Сечение 3 – 3
а) Расчетные нормативные нагрузки для расчета оснований по 2-й группе предельных состояний
Р = γкк · Vкк = γкк· (Vст – Vок ), кН,
где γкк – удельный вес кирпичной кладки, кН/м3
Vкк – объем кирпичной кладки
Vст – объем стены
Vок – объем оконных проемов
Vок =hок·
·δст·nок , м3,
Vок =1,81·
·0,64·4=6,08 м3,
Vст =(9,9+0,3+3)·
·0,64+1,0·
·0,51=27,0 м3
Р = 16· (27,0 – 6,08 )=334,72 кН
- Расчетные нагрузки для расчета по 2-й группе предельных состояний
РII = P · γf
γf =1 – коэффициент перегрузки
РII = 334,72·1=334,72 кН
б) Для расчета по 1-й группе предельных состояний
РI = P · γ1
РI = 334,72·1,1=368,2 кН
Сечение 4 – 4
а) Расчетные нормативные нагрузки для расчета по 2-й группе предельных состояний
Р = γкк · Vкк , кН,
Vкк =(9,9+0,3+3)·1,0·0,64+1,0·0,51·1,0=8,96 м3
Р = 16·8,96 =143,36кН
- Расчетные нагрузки для расчета по 2-й группе предельных состояний
РII = P · γf
γf =1 – коэффициент перегрузки
РII = 143,36·1=143,36 кН
б) Для расчета по 1-й группе предельных состояний
РI = P · γ1
РI = 143,36·1,1=157,7 кН
3.4 Расчетный вес оконных заполнений
Сечение 1 – 1
а) для расчета оснований по 2-й группе предельных состояний
Р = 0,7 · Аок· nок , кН,
где Аок – площадь одного окна, м
Аок =hок·
0,7 – вес одного квадратного метра остекления
nок – количество окон
Аок =1,81·
=2,19 м2
Р = 0,7·2,19·4 =6,13 кН
- Расчетная длительная нагрузка
РII = P · γf
РII = 6,13·1=6,13 кН
б) Для расчета фундаментов по первой группе предельных состояний
РI = P · γ1
РI = 6,13·1,1=6,74 кН
Сечение 3 - 3
а) для расчета оснований по 2-й группе предельных состояний
Р = 0,7 · Аок· nок , кН,
где Аок – площадь одного окна, м
Аок =hок·
0,7 – вес одного квадратного метра остекления
nок – количество окон
Аок =1,81·
=3,28 м2
Р = 0,7·3,28·4 =9,18 кН/м
- Расчетная длительная нагрузка
РII = P · γf
РII = 9,18·1=9,18 кН
б) Для расчета фундаментов по первой группе предельных состояний
РI = P · γ1
РI = 9,18·1,1=10,1 кН
3.5 Временная нагрузка
По длительности действия нагрузка распределяется на длительные и кратковременные. При расчете оснований по первой группе предельных состояний (по несущей способности) они учитываются как кратковременные, а при расчете по второй группе предельных состояний (по деформации) – как длительные. Для определения длительной нагрузки берем пониженное значение нагрузок ψ1=0,95, а для определения кратковременных напряжений – полное нормативное напряжение ψ2=0,9.
Снеговая нагрузка
а) для расчета оснований по второй группе предельных состояний (по деформации)
- полное нормативное значение нагрузки
S=So·µ,
где So – нормативное значение веса снегового покрова на 1м2 горизонтальной поверхности земли. Челябинск относится к III снеговому району: So=1,8 кПа.
µ - коэффициент перехода от веса снегового покрова на земле к снеговой нагрузке на покрытие.
S=1,8·1=1,8 кН/м2
- Пониженное нормативное значение нагрузки
Sn=S·k,
где S – полное нормативное значение
k – понижающий коэффициент.
Sn=1,8·0,5=0,9 кН/м2
- Расчетное значение длительной снеговой нагрузки
SII = Sn · γf · ψ1,
где ψ1 – коэффициент сочетаний для длительной нагрузки
γf - коэффициент надежности по нагрузке при расчете по второй группе предельных состояний.
SII = 0,9·1,2·0,95=1,026 кПа
б) Для расчета фундаментов по первой группе предельных состояний.
- Расчетное значение кратковременной снеговой нагрузки
SI = S · γf · ψ2, где
γf - коэффициент надежности по нагрузке
ψ2=0,9 – коэффициент сочетаний для кратковременной нагрузки
SI = 1,8·1,4·0,9=2,268 кПа
Нагрузка на междуэтажные перекрытия
а) для расчета по второй группе предельных состояний
- пониженное значение нормативной нагрузки.
Р=0,7 кПа
- Расчетное значение длительных нагрузок
PII = γf · ψ1 · P
γf =1,3
ψ1=0,95
PII = 1,3·0,95·0,7=0,86 кПа
б) для расчета фундаментов по первой группе предельных состояний.
- полное значение нормативной нагрузки.
Р=2,0кПа
- расчетное значение кратковременных нагрузок
PI = γf · ψ2 · P· ψn1
γf =1,3
ψn1 - коэффициент сочетаний.
ψn1 = 0,4+
,
где ψA1 - коэффициент сочетаний для ленточных фундаментов
n - общее количество перекрытий
ψn1 = 0,4+
=0,7 ,
PI = 1,3·0,9·2,0·0,7=1,638 кПа
Нагрузка на лестничные конструкции
а) для расчета оснований по второй группе предельных состояний
- пониженное значение нормативной нагрузки.
Р=1 кПа.
- расчетное значение длительной нагрузки
PII = γf · ψ1 · P
γf =1,0
ψ1=0,95
PII = 1,0·0,95·1,0=0,95 кПа
б) для расчета фундаментов по первой группе предельных состояний
- полное значение нормативной нагрузки. Определяется по табл. 3 п.12 [ ]: Р=3кПа
- расчетное значение кратковременной нагрузки
PI = γf · ψ2 · P· ψn1
γf =1,2
ψ2=0,9
PI = 1,2·0,9·3,0·0,7=2,27 кПа
Нагрузки, действующие в расчетном сечении
Таблица 3.3
| Виды нагрузок |
1-1 |
2-2 |
3-3 |
4-4 |
||||
| По II г.п.с. кН/м |
По I г.п.с. кН/м |
По II г.п.с. кН/м |
По I г.п.с. кН/м |
По II г.п.с. кН/м |
По I г.п.с. кН/м |
По II г.п.с. кН/м |
По I г.п.с. кН/м |
|
| Постоянные: |
||||||||
| 1. Кирпичная кладка |
255,68 |
281,25 |
90,3 |
99,33 |
334,72 |
368,2 |
143,36 |
157,7 |
| 2. Оконное заполнение |
6,13 |
6,74 |
- |
- |
9,18 |
10,1 |
- |
- |
| 3. Кровля |
- |
- |
20,66 |
23,80 |
44,63 |
51,43 |
- |
- |
| 4. Междуэтажное перекрытие |
- |
- |
62,16 |
69,74 |
134,31 |
150,70 |
- |
- |
| 5. Лестничная конструкция |
- |
- |
- |
- |
- |
- |
21,43 |
23,57 |
| 6. Перегородки |
- |
- |
4,55 |
5,46 |
9,83 |
11,79 |
- |
- |
| Итого: |
261,81 |
287,99 |
177,67 |
198,33 |
532,67 |
592,22 |
164,79 |
181,27 |
| Временые: |
||||||||
| 1. Снег |
- |
- |
3,89 |
8,60 |
8,40 |
18,57 |
- |
- |
| 2. Междуэтажное перекрытие |
- |
- |
13,04 |
24,83 |
28,17 |
53,66 |
- |
- |
| 3. Лестничная конструкция |
- |
- |
- |
- |
- |
- |
5,36 |
12,80 |
| Итого: |
- |
- |
16,93 |
33,43 |
36,57 |
72,23 |
5,36 |
12,80 |
| Всего: |
108,63 |
119,50 |
194,60 |
231,76 |
189,12 |
220,75 |
170,15 |
194,07 |
4. Вариант ленточного фундамента мелкого заложения
4.1 Определяем глубину заложения фундамента
Глубина заложения фундамента определяется в зависимости от:
-инженерно-геологических условий;
-наличие технического подполья;
-климатических особенностей района.
- нормативная глубина промерзания:
dfn=d0·
, м
где d0 – глубина промерзания грунта, для песков мелких принимается равной 0,28м.
Mt – безразмерный коэффициент, численно равный сумме абсолютных значений среднемесячных отрицательных температур в данном районе строительства
dfn=0,28·
=2,15
- расчётная глубина промерзания
грунт строительный фундамент
df=kn·dfn , м
где – kn коэффициент, учитывающий влияние теплового режима здания
kn =0,7 для зданий с подвалом или техническим подпольем при t=5єс
df=0,7·2,15=1,505 м
- приведенная глубина заложения фундамента со стороны подвала
d1= hs+hcf·γcf/γІІ , м
где hs – толщина слоя грунта выше подошвы фундамента со стороны подвала, м;
hs= 1,42м ,
hcf – толщина конструкции пола подвала, м; hcf= 0,008 м,
γcf =22 кн/м3- удельный вес конструкции пола подвала
γґІІ – удельный вес грунта выше подошвы фундамента
γґІІ= 17,8 кН/м3
d1= ![]()
- проверяем, выполняются ли условия
- d1 ≥ 0,5м
d ≥ df
d1= 1,43≥ 0,5 – условие выполняется
d= 3,0м≥ 1,505м – условие выполняется.

4.2 Определение ширины подошвы фундамента
Ширина подошвы центрально нагруженных ленточных фундаментов определяется из условия, что среднее давление по подошве фундамента не должно превышать расчётного сопротивления грунта под подошвой фундамента P≤R.
- ширина подошвы фундамента
b=n0ІІ /(R-γmg·d ), м
где n0ІІ – расчётная нагрузка на верхнем обрезе фундамента
γmg – средний удельный вес грунта и материала фундамента, кН/м
γmg =20 кН/м3
d – глубина заложения фундамента , м
d=3,0м
R- расчётное сопротивление грунта основания, определяемое по формуле :
R=
[Мγ·Кz·b·γІІ+Мg·d1· γґІІ +( Мg-1)·dв· γґІІ+Мс·С2]
γс1 и γс2 – коэффициенты условия работы [3, табл. 3.3.]
γс1=1,25
γс2=1,1128
К=1, так как физические характеристики грунта получены непосредственными испытаниями
Кz=1 при b < 10 м
Мγ, Мg, Мс – коэффициенты принимаемые в зависимости от расчётного значения угла внутреннего трения [3, табл. 3.2.]
При φ=26є Мγ=0,84 Мg=4,37 Мс=6,90
γІІ – удельный вес грунта, залегающего ниже подошвы фундамента, кН/м3
γґІІ - удельный вес грунта, залегающего выше подошвы фундамента, кН/м3
γІІ= γIIґ= 17,8 кН/мі;
С ІІ – удельное сцепление грунта, залегающего непосредственно под подошвой фундамента, кПа
С ІІ =0 кПа
b – ширина подошвы фундамента, м
d1 – приведённая глубина заложения фундамента со стороны подвала, м
dв – глубина подвала
dв=1,5м
Сечение 1-1
n0ІІ = 108,63 кН
b=108,63 /(200 - 20·3,0) = 0,776 м
R=
[0,84·1,0·0,776·17,8+4,37·1,43·17,8 +(4,37-1)·1,5· 17,8+6,9·0] = 296,0 кН/м2
b=108,63 /(296,0 - 20·3,0) = 0,46 м
Так как разность двух значений b превышает 10% (0,776-0,46/0,776=40,7 %) уточнение необходимо продолжить.
R=
[0,84·1,0·0,46·17,8+4,37·1,43·17,8 +(4,37-1)·1,5· 17,8+6,9·0] = 289,45кН/м2
b=108,63 /(289,45 - 20·3,0) = 0,47 м
Так как разность двух значений b не превышает 10% (0,47-0,46/0,47=2,13 %) дальнейшее уточнение не требуется.
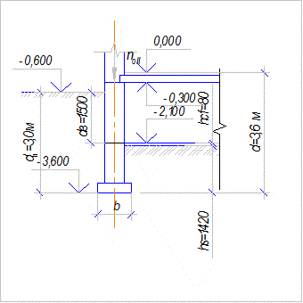
По таблице 4.1 [3] принимаем b=0,6 м
Принимаем ФЛ 6.24 с массой плиты mпл=1,0 т
Конструкция сборного ленточного фундамента представлена на рисунке
Проверка давления на грунт под подошвой фундамента:
кПа
GfII=24·(5·0,6·0,6+0,6·0,3)=47,52 кПа
P = 260,25 кПа ≤ R =289,45 кПа

Сечение 2-2
n0ІІ = 194,6 кН
b=194,6 /(200 - 20·3,0) = 1,39 м
R=
[0,84·1,0·1,39·17,8+4,37·1,43·17,8 +(4,37-1)·1,5· 17,8+6,9·0] = 308,8кН/м2
b=194,6 /(308,8 - 20·3,0) = 0,78м
Так как разность двух значений b превышает 10% (1,39-0,78/1,39=43,9 %) уточнение необходимо продолжить.
R=
[0,84·1,0·0,78·17,8+4,37·1,43·17,8 +(4,37-1)·1,5· 17,8+6,9·0] = 296,11кН/м2
b=194,6 /(296,11 - 20·3,0) = 0,82м
Так как разность двух значений b не превышает 10% (0,82-0,78/0,82=4,9 %) дальнейшее уточнение не требуется.
По таблице 4.1 [3] принимаем b=1,0 м
Принимаем ФЛ 10.24 с массой плиты mпл=1,5 т
Конструкция сборного ленточного фундамента представлена на рисунке
Проверка давления на грунт под подошвой фундамента:
кПа
GfII=24·(5·0,4·0,6+1,0·0,3)=36,0 кПа
GgII=17,8·1,12·(0,3+0,3)=11,96 кПа
P = 242,56 кПа ≤ R =296,11 кПа

Сечение 3-3
n0ІІ = 189,12 кН
b=189,12 /(200 - 20·3,0) = 1,351 м
R=
[0,84·1,0·1,351·17,8+4,37·1,43·17,8 +(4,37-1)·1,5· 17,8+6,9·0] = 307,96кН/м2
b=189,12 /(307,96 - 20·3,0) = 0,76м
Так как разность двух значений b превышает 10% (1,351-0,76/1,351=43,7 %) уточнение необходимо продолжить.
R=
[0,84·1,0·0,76·17,8+4,37·1,43·17,8 +(4,37-1)·1,5· 17,8+6,9·0] = 295,69кН/м2
b=189,12 /(295,69 - 20·3,0) = 0,80м
Так как разность двух значений b не превышает 10% (0,8-0,76/0,8=5,0%) дальнейшее уточнение не требуется.
По таблице 4.1 [3] принимаем b=1,0 м
Принимаем ФЛ 10.24 с массой плиты mпл=1,5 т
Конструкция сборного ленточного фундамента представлена на рисунке
Проверка давления на грунт под подошвой фундамента:
кПа
GfII=24·(5·0,6·0,6+1,0·0,3)=50,4 кПа
GgII=17,8·(1,12·0,2+2,7·0,2)=13,60 кПа
P = 253,12 кПа ≤ R =295,69кПа

Сечение 4-4
n0ІІ = 170,15 кН
b=170,15 /(200 - 20·3,0) = 1,215 м
R=
[0,84·1,0·1,215·17,8+4,37·1,43·17,8 +(4,37-1)·1,5· 17,8+6,9·0] = 305,26 кН/м2
b=170,15 /(305,26 - 20·3,0) = 0,69м
Так как разность двух значений b превышает 10% (1,215-0,69/1,215=43,2 %) уточнение необходимо продолжить.
R=
[0,84·1,0·0,69·17,8+4,37·1,43·17,8 +(4,37-1)·1,5· 17,8+6,9·0] = 294,24 кН/м2
b=170,15 /(294,24 - 20·3,0) = 0,73 м
Так как разность двух значений b не превышает 10% (0,73-0,69/0,73=5,5 %) дальнейшее уточнение не требуется.
По таблице 4.1 [3] принимаем b=0,8 м
Принимаем ФЛ 8.24 с массой плиты mпл=1,4 т
Конструкция сборного ленточного фундамента представлена на рисунке
Проверка давления на грунт под подошвой фундамента:
кПа
GfII=24·(5·0,6·0,6+0,8·0,3)=48,96 кПа
GgII=17,8·(1,12·0,1+2,7·0,1)=6,80 кПа
P = 282,4 кПа ≤ R =294,24 кПа

4.3 Расчёт осадки ленточного фундамента
Толщину слоя под подошвой фундамента на глубине не менее 4 м разбиваем на элементарные слои толщиной hi=0,4·b=0,4·1,0=0,4 м
Определяем расстояние от подошвы фундамента до верхней границы каждого элементарного слоя zi
Определяем напряжение от собственного веса грунта действующее в уровне подошвы фундамента по формуле:
σzg0=γґІІ·d, кПа
σzg0=16,8·1,0+15,3·1,0+ 17,8· (3,0-1,0-1,0)=49,9 кПа
σzр0 =242,56-49,9=192,66 кПа
Определяем напряжение от собственного веса грунта на нижней границе каждого элементарного слоя по формуле:
σzgi= σzg0+
γІIi·hi, кПа
где γІIi – удельный вес грунта ниже подошвы фундамента
hi – толщина элементарного слоя
Определяем напряжение от собственного веса грунта на границе основных слоёв по формуле:
σzg1=γІІ1·hi1
σzg2=σzg1+γІІ2·hi2
где γІІ1 – удельный вес первого слоя
По полученным данным строим эпюру напряжений от собственного веса грунта σzgi слева от оси z
Определяем дополнительные вертикальные напряжения на верхней границе каждого элементарного слоя по формуле:
σzpi= αi ·p0, кПа
где p0 – дополнительное напряжение в уровне подошвы фундамента
p0=p- σzg0, кПа
αi – коэффициент, зависящий от от формы подошвы фундамента и r=2z/b
[3 таблица 5.1]
Cтроим эпюру дополнительных напряжений справа от оси z.
Определяем нижнюю границу сжимаемой толщи основания для этого справа от оси z строим эпюру 0,2 от σzgi нижняя граница будет находиться на глубине на которой будет выполняться условие: σzpi=0,2 σzgi
Определяем величину осадки основания как сумму осадок элементарных слоёв
Расчет оснований по деформациям производим, исходя из условия:
![]()

где β – безразмерный коэффициент равный 0,8
hi – толщина слоя
Еi – модуль деформации
σzg1=16,8·1,0=16,8 кПа
σzg2=16,8+15,3·1,0=32,1 кПа
σzg3=16,8+32,1+17,8·6,2=159,26 кПа

Осадка определена по нормативному методу послойного суммирования для одного самого нагруженного сечения.

Расчетная схема к определению осадки ленточного фундамента
5. Вариант свайного фундамента из забивных призматических свай
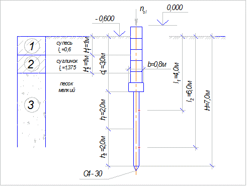
Длину сваи назначаем из условия прорезки слабых грунтов и заглубления на 1,5 – 2м. Выбираем С4-30.Составляем схему к несущей способности сваи (рис.5.1).
Способ погружения сваи – забивка.
Несущая способность забивной висячей сваи определяется по формуле:
где γс – коэффициент условия работы сваи в грунте γс =1 (для низких ростверков)
R – расчётное сопротивление грунта под нижним концом сваи [3 табл. 7,1]
R=f (IL ; L)=2400 кПа;
L=7,0 м;
А – площадь поперечного сечения сваи в м2;
U – периметр сваи в м;
fi - расчётное сопротивление i – го слоя грунта основания на боковой поверхности сваи в кПа;
γcR; γcf – коэффициенты условия работы грунта, соответственно под нижним концом и на боковой поверхности погружения сваи (при погружении забивкой)
Расчётные характеристики сводим в таблицу:
Таблица 1.
| Грунт |
li , м |
fi , м |
hi , м |
fi · hi |
γcf |
γcf · fi · hi |
| Песок мелкий |
4,0 |
38,0 |
2,0 |
76,0 |
1,0 |
76,0 |
| 6,0 |
42,0 |
2,0 |
84,0 |
1,0 |
84,0 |
|
| ∑160,0 |
Тогда Fd=1·[1·2400·0,09+1,2·160,0]=408,0 кН
Расчётная нагрузка на одиночную висячую сваю
, кН
γк – коэффициент надёжности (γк =1,4)
N=
кПа

Расчетная схема к определению несущей способности призматической сваи.
5.1 Определение шагов свай
Сечение 1-1:
Шаг свай определяется из условия:
А=
где :
nІ – нагрузка в уровне подошвы ростверка
Предварительный шаг свай: А=291,4/119,5 = 2,44 м
Так как А=2,44>6d=1,8 м. Принимаем шаг свай конструктивно не более 1,8 м.
Сечение 2-2:
Требуемый шаг свай :
А=291,4/231,76=1,26 м. Принимаем шаг свай не более 1,26 м.
Сечение 3-3:
Требуемый шаг свай :
А=291,4/220,75=1,32 м . Принимаем шаг свай не более 1,32 м.
Сечение 4-4:
Требуемый шаг свай :
А=291,4/194,07=1,50 м . Принимаем шаг свай не более 1,5 м.

Конструкция свайного фундамента из призматических свай.
6. Технико-экономическое сравнение вариантов фундаментов
Здание строится в городе Челябинск. С учетом инженерно-геологических условий площадки строительства при рассмотрении возможных вариантов фундаментов возможны следующие:
- ленточный сборный фундамент на естественном основании;
- свайный фундамент из призматических свай.
Расчеты технико-экономических показателей сведены в таблицу 5.1:
- стоимость работ;
- трудоемкость выполнения.
Работы одинаковы для всех вариантов фундаментов, во внимание не принимаются:
• горизонтальная гидроизоляция;
• монтаж железобетонных плит покрытий;
• засыпка пазух;
• устройство бетонного пола толщиной 100 мм;
• боковая обмазочная гидроизоляция фундаментных стен битумной мастикой в 2 слоя;
• асфальтовая отмостка.
ТЭП сравниваемых фундаментов.
| № п/п |
Наименование показателя |
Ед. изм. |
Величина показателей |
|
| Вариант I |
Вариант II |
|||
| 1 |
Объем работ |
Секц. |
1 |
1 |
| 2 |
Сметная стоимость СМР |
Руб. |
2611,86·1,2·1,08 ·11,75=39773,4 |
4547,84·1,2·1,08 ·11,75=69254,51 |
| 3 |
Трудоемкость выполнения работ |
Чел-дн. |
21,06·1,25· ·1,07/8=3,5 |
162,50·1,25· ·1,07/8=27,2 |
| 4 |
Продолжительность производства работ |
год |
3,5/6·230= =0,0026 |
27,2/6·230= =0,029 |
Экономичным является фундамент на естественном основании.
Расчет ТЭП
| № п/п |
Виды работ |
Ед. Изм. |
Нормативы на ед. времени |
I. Ленточный сборный фундамент |
II. Свайный фундамент из призматических свай |
|||||
| Стоим. (руб.) |
Труд-ть (чел-час) |
Объем работ |
Стоим. (руб.) |
Труд. (чел-час) |
Объем работ |
Стоим. (руб.) |
Труд. (чел-час) |
|||
| 1 |
Разработка грунта I группы экскаватором |
мі |
0-131 |
0,006 |
821.7 |
107-65 |
4,93 |
881,51 |
115-48 |
5,29 |
| 2 |
Монтаж ж/б фундаментных плит |
мі |
51-40 |
0,331 |
48,72 |
2504-21 |
16,13 |
- |
- |
- |
| 3 |
Погружение дизель-молотом на тракторе ж/б свай в грунт |
мі |
59-62 |
2,016 |
- |
- |
- |
47,88 |
2854-61 |
96,53 |
| 4 |
Устройство монолитных ж/б ростверков |
мі |
37-08 |
1,426 |
- |
- |
- |
42,55 |
1577,75 |
60,68 |
| Итого: |
2611,86 |
21,06 |
4547,84 |
162,50 |
||||||
Список использованной литературы
1. СНиП 2.02.01-83*. Основания зданий и сооружений/ Минстрой России. –М.: ГП ЦПП. 1995.-48с.
2. ГОСТ 25100-95. Грунты. Классификация/ Госстрой России.-М.: ГУП ЦПП, 1997.-38
3. Канаков Г.В., Прохоров В.Ю. Проектирование оснований и фундаментов гражданских зданий. Учебное пособие.– Н. Новгород: Изд. МИПК ННГАСУ. 1999.-71с.
4. СНиП 2.01.01-82. Строительная климатология и геофизика / Госстрой СССР.- М.: Стройиздат,1983.-136с.
5. СНиП 2.01.07-85*. Нагрузки и воздействия / Минстрой России.- М.: ГП ЦПП. 1996.-44с.
6. СНиП 2.02.03-85. Свайные фундаменты / Минстрой России.- М.: ГП ЦПП. 1986.-48с.