| Скачать .docx |
Курсовая работа: Курсач
Курсовая работа
по дисциплине
«Основания и фундаменты»
Выполнил:
Проверил:
Балашиха 2005
Оглавление.
1. Введение............................................................................................... 3
1. Вычисление физико-механических характеристик грунтов.............. 4
2. Заключение по данным геологического разреза площадки строительства и выбор возможных вариантов фундаментов.................................................. 5
3. Сбор нагрузок, действующих на фундамент мелкого заложения.... 5
4. Расчет фундамента мелкого заложения по предельным состояниям 7
4.1. Расчет и конструирование фундамента мелкого заложения по первой группе предельных состояний.................................................................... 7
4.2. Расчет фундамента мелкого заложения по второй группе предельных состояний (по деформациям) и проверка несущей способностиподстилающего слоя грунта................................................................................................ 11
5. Расчет фундамента из забивных свай трения по предельным состояниям 14
5.1. Расчет и конструирование фундамента из забивных свай трения по первой группе предельных состояний...................................................... 14
5.2. Расчет фундамента из забивных свай трения по второй группепредельных состояний (по деформациям).................................... 17
Заключение............................................................................................ 20
Литература............................................................................................. 21
Инженерное сооружение состоит из надземной части и фундамента, расположенного ниже уровня воды в реке или поверхности земли. Основное назначение фундамента - передать массиву грунта, называемому основанием, давление от собственного веса сооружения и действующих на него нагрузок.
Фундаменты и их основания - ответственные элементы сооружения, от качества и надежности которых в значительной степени зависит долговечность и безопасность его эксплуатации.
Фундаменты мостовых опор возводят в сложных гидрогеологических условиях, что обуславливает применение конструкций и способов устройства, как правило, во многом отличающихся от фундаментов промышленных зданий.
Задачи повышения экономической эффективности транспортного строительства должны решаться в неразрывной связи с повышением качества и надежности фундаментов строящихся объектов.
Для проектирования фундаментов необходимо знать условия прочности и устойчивости грунтов, на которые они опираются.
В рамках курсового проекта изучаются вопросы расчета, проектирования и сооружения фундаментов мостов с целью обеспечения их требуемой надежности и долговечности при минимальных затратах материалов, труда и средств.
Для того чтобы для проектируемой опоры моста найти наиболее целесообразное и обоснованное решение фундамента, необходимо комплексное рассмотрение вопросов геологии строительной площадки, поведения грунта при нагрузке и способов производства работ по его возведению. В этой связи необходимо применять вариантное проектирование и на основе анализа различных вариантов принимать наиболее экономически целесообразное и конструктивно обоснованное решение фундамента под опору моста.
При выполнении курсового проекта рассматриваются 2 варианта фундаментов. Расчет обязательных вариантов фундаментов производится по двум группам предельных состояний - по несущей способности и по деформациям.
1. Вычисление физико-механических характеристик грунтов
Вариант № 21, геологический разрез № 1
| ...........……... | _____ - 2.000 Песок мелкий ¯ |
|
| ___________ | _____ - 4.000 Суглинок ¯ |
Отметка уровня грунтовых вод |
| ========== | _____ - 3.000 Песок средней крупности ¯ |
|
| ========== | _____ - 10.000 Глина ¯ |
Физико-механические характеристики грунтов, полученные по результатам испытания образцов приведены в табл. 1.
Таблица 1
Физико-механические характеристики грунтов,
полученные в лабораторных условиях
| Номер варианта | 21 | ||
| Наименование и толщина слоя грунта | 1-й слой - песок мелкий h = 2,0м |
2-й слой - суглинок h = 4,0 м |
3-й слой – песок средней крупности h =3,м |
| Плотность твердых частиц грунта rs , т/м3 | 2,67 | 2,75 | 2,72 |
| Плотность грунта r, т/м3 | 1,76 | 1,92 | 1,89 |
| Природная весовая влажность грунта W, д.е. | 0,25 | 0,2973 | 0,21 |
| Влажность грунта на границе текучести WL , д.е. | - | 0,380 | - |
| Влажность грунта на границе пластичности WP , д.е. | 0,177 | 0,260 | 0,241 |
| Коэффициент бокового расширения грунта m | 0,25 | 0,20 | 0,23 |
| Коэффициент сжимаемости грунта mo , 1/МПа | 0,053 | 0,107 | 0,078 |
По варианту № 21 рассчитаны физико-механические характеристики грунтов приведены в табл. 2.
Таблица 2
Физико-механические характеристики грунта, полученные расчетом
| Номер слоя грунта | 1 | 2 | 3 |
| Наименование грунта | песок мелкий | суглинок | Песок средней крупности |
| Удельный вес грунта g, кН/м3 | 19,4 | 18,816 | 19,9 |
| Удельный вес твердых частиц грунта gs , кН/м3 | 26,4 | 26,950 | 26,4 |
| Число пластичности грунта IP , д.е. | 0,003 | 0,120 | 0,235 |
| Показатель текучести грунта IL , д.е. | 0,4 | 0,3108 | 0,2655 |
| Коэффициент пористости грунта e, д.е. | 0,7919 | 0,8581 | 0,8759 |
| Степень влажности грунта Sr , д.е. | 0,6109 | 0,9528 | 0,9423 |
1-й слой грунта - песок мелкий, толщина слоя - 2 м. По степени влажности песок средней крупности относится к влажным грунтам, по модулю деформации - к малосжимаемым грунтам.
2-й слой грунта - суглинок, толщина слоя - 4,0 м. По степени влажности суглинок относится к насыщенным водой грунтам, по показателю текучести находится в тугопластичном состоянии, по модулю деформации относится к среднесжимаемым грунтам.
3-й слой грунта – песок средней крупности, толщина слоя – 3 м. По степени влажности песок относится к влажным грунтам, по показателю текучести находится в тугопластичном состоянии, по модулю деформации относится к малосжимаемым грунтам.
Природный рельеф площадки спокойный, с выдержанным залеганием пластов грунта. Все грунты могут служить естественным основанием. На отм. – 3 м. расположены подземные воды.
В качестве возможных вариантов фундаментов могут быть рассмотрены: фундамент мелкого заложения, свайный фундамент на забивных призматических сваях.
Подошву фундамента мелкого заложения следует расположить в песке средней крупности, свайные фундаменты запроектировать следующим образом: принять конструкцию свайного фундамента с низким ростверком, расположенном в песке средней крупности, сваи заглубить не менее чем на 1 м в глину, так как физико-механические характеристики глины лучше, чем у суглинка.
3. Сбор нагрузок, действующих на фундамент мелкого заложения
Составим таблицу с нагрузками действующие на фундаменты мелкого заложения:
Таблица 3
A, м |
B, м |
H, м |
h1 , м |
h2 , м |
h3 , м |
C1 , м |
P1 , м |
P2 , м |
T1 , м |
T2 , м |
T3 ,м |
| 12,0 | 2,5 | 10 | 0,60 | 0,40 | 3,20 | 0,50 | 1700 | 1550 | 270 | 230 | 950 |
Вычерчиваем схему промежуточной опоры, на которую наносим действующие усилия (рис. 1).
1. Нормальное усилие N.
No , II = 6×(P1 + P2 ) = 6×(1700 кН + 1550 кН) = 19500 кН,
No,I =gf ×No,II = 1,2×19500 кН = 23400 кН,
где gf =1,2 - коэффициент надежности по нагрузке.
2. Изгибающий момент относительно отметки 0.000, действующий вдоль моста.
Mo,II = 6×(P1 - P2 )×c1 + T1 ×(H + h1 + h2 ) = 6×(1700 кН - 1550 кН)×0,5 м + 270 кН×(14,5 + 0,6 + 0,4) м = (450 + 4185) кН = 4635 кН×м.
Mo,I =gf ×Mo,II = 1,2×4635 кН×м = 5562 кН×м.
c1 c1 T2
| P2 P2 P2 P1 P1 P1 | |||||||||||||||||||||
| P2 | ¯ | ¯ | P1 | h3 | ¯ | ¯ | ¯ | ¯ | ¯ | ¯ | |||||||||||
| T1 | ® | ||||||||||||||||||||
| h2 | |||||||||||||||||||||
| h1 | |||||||||||||||||||||
| B | 4c1 | A | |||||||||||||||||||
| H | |||||||||||||||||||||
0.000 ____ ¯ |
T3 |
||||||||||||||||||||
Рис. 1. Схема промежуточной опоры с действующими нагрузками
3. Изгибающий момент относительно отметки 0.000, действующий поперек моста.
Mo,II = T2 ×(H + h1 + h2 + h3 ) = 230 кН×(14,5 + 0,6 + 0,4 + 3,2) м = 4301 кН×м;
Mo,I =gf ×Mo,II = 1,2×4301 кН×м = 5161,2 кН×м.
4. Сдвигающая сила, действующая на отметке 0.000, вдоль моста.
To,II = T1 = 270 кН; To,I =gf ×To,II = 1,2×270 кН = 324 кН.
5. Сдвигающая сила, действующая на отметке 0.000, поперек моста.
To,II = T2 + T3 = 230 кН + 950 кН = 1180 кН.
To,I = gf ×To,II = 1,2×1180 кН = 1416 кН.
6. Вес опоры.
а) вес тела опоры
Nоп ,II = Аоп ×H×gб = [(A - B)×B + p×(B/2)2 ]×H×gб =
= [(12 м - 2,5 м)×2,5 м + 3,14×(2,5 м/2)2 ]×14,5 м×25 кН/м3 = 10389,25 кН.
Nоп ,I =gf ×Nоп ,II = 1,2×10389,25 кН = 12467,1 кН,
где gб = 25 кН/м3 - удельный вес бетона.
б) вес подферменника
Nпф,II = Апф ×H×gб = {[A + 8×с1 - (B/2 + 0,3)×2]×(B + 0,6) + [p×(B/2 + 0,3)2 ]}×h2 ×gб + {[A - (B/2 + 0,3)×2]×(B + 0,6) + p×(B/2 + 0,3)2 }×h1 ×gб ×gk1 = {[12 м + 8×0,5 м - (2,5 м/2 + 0,3 м)×2]×(2,5 м + 0,6 м) + 3,14×(2,5 м/2 + 0,3 м)2 ]}×0,4 м×25 кН/м3 + {[12 м - (2,5 м/2 + 0,3 м)×2]×(2,5 м + 0,6 м) + 3,14×(2,5 м/2 + 0,3 м)2 }×0,6 м×25 кН/м3 ×1,053 = 475,3 кН + 544, 85 кН = 1030,15 кН;
Nпф ,o,I = gf ×Nпф ,o,II 1,2×1030,15 кН = 1236,18 кН.
7. Нормальное суммарное усилие, включающее вес пролетных строений, вес опоры и вес подферменника
åNo,II = 19500 кН + 10389,25 кН + 1030,15 кН = 30919, 4 кН.
åNo,I = 23400 кН + 12467,1 кН + 1236,18 кН = 37103, 28 кН.
4. Расчет фундамента мелкого заложения по предельным состояниям
4.1. Расчет и конструирование фундамента мелкого заложения по первой группе предельных состояний
Обрез фундамента заглубляем на 0,3 м от нулевой отметки грунта.
Подошву фундамента следует назначать не менее расчетной глубины промерзания грунта плюс 0,25 м. С учетом того, что песок мелкий, находящийся во влажном состоянии обладает относительно невысоким условным сопротивлением Ro , назначим глубину заложения фундамента df = 3 м. Угол a принимаем равным 30о .
Тогда размеры подошвы фундамента из конструктивных соображений можно определить по формуле:
Aк = lп ×bп = (А + 2×hф ×tga)×(В + 2×hф ×tga),
где hф ×tga = (3,0 м - 0,3 м)×tg30о = 1,559 м, с учетом округления кратно 100 мм принимаем 1,6 м. Aк = (12 м + 2×1,6 м)×(2,5 м + 2×1,6 м) = 15,2 м×5,7 м = 86,64 м2 . Значит lп = 15,2 м; bп = 5,7 м - соответственно длина и ширина подошвы фундамента.
Определяем расчетное сопротивление грунта осевому сжатию под подошвой фундамента R, кПа, по формуле:
R = 1,7×{Ro ×[1 + k1 ×(b - 2)] + k2 ×g×(df - 3)} =
= 1,7×{245 кПа×[1 + 0,10 1/м×(5,7 м - 2 м)] + 3,0×17,248 кН/м3 ×(3 м - 3 м)} =
= 570,605 кПа
Определяем площадь подошвы фундамента при отсутствии взвешивающего действия воды в мелком песке.
AР = åNo,I /(P - gm ×df ), где P £ R/gn = 407,575 кПа
AР = 37103,28 кН/(407,575 кПа - 19,62 кН/м3 ×3 м) = 106,4 м2 .
Проверяем условие: |[(AР - AК )/ AР ]|×100% £ 10%
[(106,4 м2 - 86,64 м2 )/106,4 м2 ]×100% = 18,57 % - условие не выполняется.
Увеличим глубину заложения подошвы фундамента до 4 м. Угол a примем равным 30о . Тогда размеры подошвы фундамента из конструктивных соображений можно определить по формуле:
Aк = lп ×bп = (А + 2×hф ×tga)×(В + 2×hф ×tga),
где hф ×tga = 3,7 м×tg30о = 2,136 м, с учетом округления кратно 100 мм принимаем 2,2 м. Тогда Aк = (12 м + 2×2,2 м)×(2,5 м + 2×2,2 м) = 16,4 м×6,9 м = 113,16 м2 . Значит lп = 16,4 м; bп = 6,9 м - соответственно длина и ширина подошвы фундамента.
Определяем расчетное сопротивление грунта осевому сжатию под подошвой фундамента R, кПа, по формуле:
R = 1,7×{Ro ×[1 + k1 ×(b - 2)] + k2 ×g×(df - 3)} =
= 1,7×{245 кПа×[1 + 0,10 1/м×(6,0 м - 2 м)] + 3,0×17,248 кН/м3 ×(4 м - 3 м)} =
= 671,07 кПа
Так как b > 6 м, то в расчет принимаем b = 6 м.
Снова определяем площадь подошвы фундамента, так как взвешивающее действие воды в песке мелкой крупности отсутствует, то последний член в этой формуле не учитываем.
AР = åNo,I /(P - gm ×d), где P £ R/gn = 479,3 кПа
AР = 37103,28 кН/(479,3 кПа - 19,62 кН/м3 ×4 м) = 92,57 м2 .
Проверяем условие по формуле: |[(AР - AК )/ AР ]|×100% £ 10%
[(113,16 м2 - 92,57 м2 )/113,16 м2 ]×100% = 18,20 % - условие не выполняется.
Изменим угол a, примем его равным 27о . Тогда размеры подошвы фундамента из конструктивных соображений можно определить по формуле:
Aк = lп ×bп = (А + 2×hф ×tga)×(В + 2×hф ×tga),
где hф ×tga = 3,7 м×tg27о = 1,88 м, с учетом округления кратно 100 мм принимаем 1,9 м. Тогда Aк = (12 м + 2×1,9 м)×(2,5 м + 2×1,9 м) = 15,8 м×6,3 м = 99,54 м2 . Значит lп = 15,8 м; bп = 6,3 м - соответственно длина и ширина подошвы фундамента.
Проверяем условие по формуле:
|[(AР - AК )/ AР ]|×100% £ 10%
[(99,54 м2 - 92,57 м2 )/99,54 м2 ]×100% = 7,00 % - условие выполняется.
Начинаем выполнять конструирование фундамента исходя из следующих условий: глубина заложения подошвы фундамента df = 4,0 м, hф = 3,7 м, площадь фундамента по результатам конструирования должна быть не менее расчетной, равной AР = 92,57 м2 .
| опора | |||||||||||||
| df =4,0 м | hст,3 = 1,2 м | ||||||||||||
| 3-я ступень | |||||||||||||
| hст,2 = 1,2 м. | |||||||||||||
| 2-я ступень | |||||||||||||
| hст,1 = 1,3 м. | |||||||||||||
| 1-я ступень | |||||||||||||
| b3 = 3,9 м | |||||||||||||
| b2 = 5,3 м | |||||||||||||
| b1 = 6,7 м | |||||||||||||
Рис. 2. Размеры фундамента мелкого заложения.
Назначаем три ступени hст,1 =1,3 м, hст,2 = hст,3 = 1,2 м. Ширину нижней ступени определяем по формуле: bст,1 = hст,1 ×tga = 1,3 м×tg27о = 0,66 м. С учетом кратности размеров ступени 100 мм примем bст, 1 = 0,7 м.
Ширину средней и верхней ступеней также определяем по формуле:
bст,1 = bст,2 = hст,2 ×tga = 1,2 м×tg27о = 0,61 м.
С учетом кратности размеров ступеней 100 мм примем bст,2 = bст,3 = 0,7 м.
Итак все ступени по ширине одинаковы: bст,1 = bст,2 = bст,3 = bст = 0,7 м. Высота ступеней различна: hст,1 =1,3 м, hст,2 = hст,3 = 1,2 м.
Тогда размеры фундамента будут следующие:
l3 = lоп + 2×bст = 12 м + 2×0,7 м = 13,4 м, b3 = bоп + 2×bст = 2,5 м + 2×0,7 м = 3,9 м; l2 = l3 + 2×bст = 13,4 м + 2×0,7 м = 14,8 м, b2 = b3 + 2×bст = 3,9 м + 2×0,7 м = 5,3 м; lп =l2 +2×bст = 14,8 м+2×0,7 м = 16,2 м, bп =b2 +2×bст = 5,3 м+2×0,7 м = 6,7 м.
Тогда
Аф = lп ×bп = 16,2 м×6,7 м = 108,54 м2 ,
что больше требуемой по расчету (рис. 2).
Определяем объем фундамента по формуле:
Vф = bп ×lп ×hст,1 + (bп - 2×bст,1 )×(lп - 2×bст,1 )×hст,2 + (bп - 2×bст,1 - 2×bст,2 )×(lп - 2×bст,1 - 2×bст,2 )×hст,3 = 6,7 м×16,2 м×1,3 м + (6,7 м - 2×0,7 м)×(16,2 м - 2×0,7 м)×1,2 м + (6,7 м - 2×0,7 м- 2×0,7 м)×(16,2 м - 2×0,7 м - 2×0,7 м)×1,2 м = 297,942 м3 .
Вес фундамента:
Nф,II = Vф ×gб = 297,942 м3 ×24 кН/м3 = 7150,61 кН.
Nф ,I = gf ×Nф ,II = 1,2×7150,61 кН = 8580,73 кН.
Определяем объем грунта, при этом ввиду малости последнего члена в расчете им пренебрегаем.
Vгр = bп ×lп ×df - Vф = 6,7 м×16,2 м×4 м - 297,942 м3 = 136,218 м3 .
Вес грунта:
Nгр,II = Vгр ×g = 136,218 м3 ×17,248 кН/м3 = 2349,49 кН.
Nгр ,I = gf ×Nгр ,II = 1,2×2349,49 кН = 2819,4 кН.
С учетом найденного фактического веса фундамента и грунта, лежащего на его уступах, определяем среднее давление по подошве фундамента P, кПа, по формуле:
P = (åNo,I + Nф ,I + Nгр ,I )/Aф £ R/gn
P = (åNo,I + Nф ,I + Nгр ,I )/Aф = (37103,28 кН + 8580,73 кН + 2819,4 кН)/(16,2 м×6,7 м) = 446,9 кПа
446,9 кПа < 479,3 кПа - условие выполняется.
С учетом найденной глубины заложения фундамента, размеров его подошвы, веса фундамента и грунта, лежащего на его уступах, приведем изгибающие моменты, действующие вдоль и поперек моста относительно подошвы фундамента.
Изгибающий момент относительно плоскости подошвы фундамента мелкого заложения, действующий вдоль моста.
Mo,II = 6×(P1 - P2 )×c1 + T1 ×(H + h1 + h2 + df ) = 6×(1700 кН - 1550 кН)×0,5 м + 270 кН×(14,5 + 0,6 + 0,4 + 4,0) м = (450 + 5265) кН = 5715 кН×м.
Mo,I =gf ×Mo,II = 1,2×5715 кН×м = 6858 кН×м.
Изгибающий момент относительно плоскости подошвы фундамента мелкого заложения, действующий поперек моста.
Mo,II = T2 ×(H + h1 + h2 + h3 + df ) + T3 ×df = 230 кН×(14,5 + 0,6 + 0,4 + 3,2 + 4,0) м = 9021 кН×м; Mo,I =gf ×Mo,II = 1,2×9021 кН×м = 10825,2 кН×м.
Остальные нагрузки не изменяются и собраны ранее.
Производим расчет внецентренно-нагруженного фундамента с учетом действия моментов, направленных вдоль и поперек моста.
| y | |
| bп =3,0 м | x |
lп =4,0 м
Рис. 3. Размеры подошвы фундамента мелкого заложения
Wx = bп 2 ×lп /6 = 50,203 м3 , Wy = bп ×lп 2 /6 = 190,058 м3 .
Согласноформуле
p = (åNo,I + Nф ,I + Nгр ,I )/Aф ± Mx /Wx ± My /Wy £gc ×R/gn ,
где gc = 1,2; R = 700,22 кПа; gn =1,4; запишем:
p = (åNo,I + Nф,I + Nгр,I )/Aф ± Mx /Wx ± My /Wy = (37103,28 кН + 8580,73 кН + 2819,4 кН)/16,2 м×6,7 м ± 6858 кН×м/121,203 м3 ± 10825,2 кН×м/293,058 м3 = 446,9 кПа ± 56,58 кПа ± 36,94 кПа
pmax = 540,42 кПа, pmin = 353,38 кПа, pcр = 446,9 кПа.
pmax = 540,42 кПа < gc ×R/gn = 1,2×671,07 кПа/1,4 = 575,20 кПа, pmin = 353,38 кПа>0, pcр = 446,9 кПа < 479,3 кПа, pmin /pmax = 0,6539 > 0,25 - условия выполняются.
Производим проверку фундамента мелкого заложения на сдвиг по подошве по формуле:
Qr £ (m/gn )×Qz ,
а) в стадии эксплуатации:
Qr = gf ×(T2 + T3 ) = 1,2×(950 кН + 230 кН) = 1416 кН, m = 0,9, gn = 1,1.
Qz = m×(åNo,I + Nф ,I + Nгр ,I ) = 0,4×(37103,28 кН +
8580,73 кН + 2819,4 кН) = 19401,4 кН.
1416 кН < (0,9/1,1)× 19401,4 кН = 15873,8 кН - условие выполняется.
б) в стадии строительства
Qr = gf ×T3 = 1,2×950 кН = 1140 кН, m = 0,9, gn = 1.
Qz = m×(Nоп ,I + Nф ,I + Nгр ,I ) = 0,4×(13703,3 кН +
8580,73 кН + 2819,4 кН) = 10041,4 кН.
1140 кН < 0,9×10041,4 кН = 9037,3 кН - условие выполняется.
Произведем расчет фундамента мелкого заложения на опрокидывание относительно оси x, так как относительно нее фундамент имеет меньший размер подошвы bп = 6,7 м. Расчет производим по формуле:
Mu £ (m/gn )×Mz , Mz = (åNo,I + Nф,I + Nгр,I )×bп /2 = 48503,41 кН×6,7 м/2 = 162486,4 кН×м; Mu = Mx = 6858 кН×м, m = 0,8, gn =1,1; 6858 кН×м < (0,8/1,1)×162486,4 кН×м = 118171,9 кН×м - условие выполняется.
Проверим положение равнодействующей активных сил.
- вдоль моста:
eo = Mx /N = 6858 кН×м/48503,41 кН = 0,1414 м,
r = Wx /A = 121,203 м3 /(16,2 м×6,7 м) = 1,117 м,
eo /r =0,1414 м/1,117 м = 0,1266 < 1 - условие выполняется.
- поперек моста:
eo = My /N = 10825,2 кН×м/48503,41 кН = 0,2232 м,
r = Wy /A = 293,058 м3 /(16,2 м×6,7 м) = 2,7 м,
eo /r =0,2232 м/2,7 м = 0,0827 < 1 - условие выполняется,
где N = åNo,I + Nф ,I + Nгр ,I.
Нижняя граница сжимаемой толщи основания принимается равной на глубине z = Hc , где выполняется условие: szp, i £ 0,1×szg, i (для большей точности вычислений, хотя при E³ 5 МПа достаточно выполнения условия szp, i £ 0,1×szg, i ).
Так как под песком средней крупности залегает суглинок с меньшим модулем деформации E, чем у песка, то необходимо произвести проверку несущей способности подстилающего слоя.
Проверку несущей способности подстилающего слоя грунта производим по формуле:
g×(d + zi ) +a×(P - g×df ) = 17,248 кН/м3 ×(4 м + 2,5 м) + 0,5218×(372,4 кПа - 69 кПа) = 270,43 кПа < 456,7 кПа/1,4 = 326,2 кПа - условие выполняется.
При вычислении расчетного сопротивления грунта R принимается b = 6 м.
Расчет осадки фундамента мелкого заложения выполняется по формуле:
n
S = b×å(szp,i ×hi )/Ei ,
i=1
где b - безразмерный коэффициент, равный 0,8; szp = a×Po ; szg,o = g×df = 17,248 кН/м3 ×4,0 м = 69 кПа; Po = P - szg,o = 372,4 кПа - 69 кПа = 303,4 кПа; P = 372,4 кПа - среднее давление по подошве фундамента, определенное от действия нормативных нагрузок.
Результаты расчета сведены в табл. 4.
Таблица 4
Расчет осадки фундамента мелкого заложения
| zi | z = 2×zi /bп | ai | szg,i кПа |
szg,i, ср кПа |
szp,i , кПа |
szp,i, ср кПа | hi , м |
Ei МПа |
szp,i, ср ×hi /Ei , м |
| 0 | 0,000 | 1,000 | 49,0 | 283,4 | |||||
| 70,55 | 246,7 | 0,5 | 26,4 | 27,15×10-3 | |||||
| 2,5 | 0,746 | 0,8896 | 92,1 | 229,9 | |||||
| 110,9 | 220,2 | 0,5 | 15,63 | 30,74×10-3 | |||||
| 4,5 | 1,343 | 0,6939 | 129,7 | 190,5 | |||||
| 148,5 | 164,4 | 0,5 | 15,63 | 23,60×10-3 | |||||
| 6,5 | 1,940 | 0,5217 | 167,3 | 138,3 | |||||
| 181,2 | 123,2 | 0,5 | 20,75 | 10,35×10-3 | |||||
| 8,0 | 2,388 | 0,4223 | 195,1 | 108,1 | |||||
| 206,4 | 90,2 | 0,5 | 20,75 | 13,28×10-3 | |||||
| 10,5 | 3,134 | 0,3039 | 217,6 | 72,2 | |||||
| 228,8 | 60,3 | 0,5 | 20,75 | 9,68×10-3 | |||||
| 13,0 | 3,881 | 0,2256 | 240,1 | 48,4 | |||||
| 251,3 | 40,3 | 0,5 | 20,75 | 7,27×10-3 | |||||
| 15,5 | 4,627 | 0,1722 | 262,5 | 32,2 | |||||
| 273,7 | 26,5 | 0,5 | 20,75 | 5,60×10-3 | |||||
| 18,0 | 5,373 | 0,1344 | 284,9 | 20,8 | |||||
| 296,2 | 16,7 | 0,5 | 20,75 | 4,42×10-3 | |||||
| 20,5 | 6,119 | 0,1074 | 307,4 | 12,6 | |||||
| 318,6 | 9,6 | 0,5 | 20,75 | 3,57×10-3 | |||||
| 23,0 | 6,866 | 0,0872 | 329,8 | 6,5 |
å 105,66×10-3 м
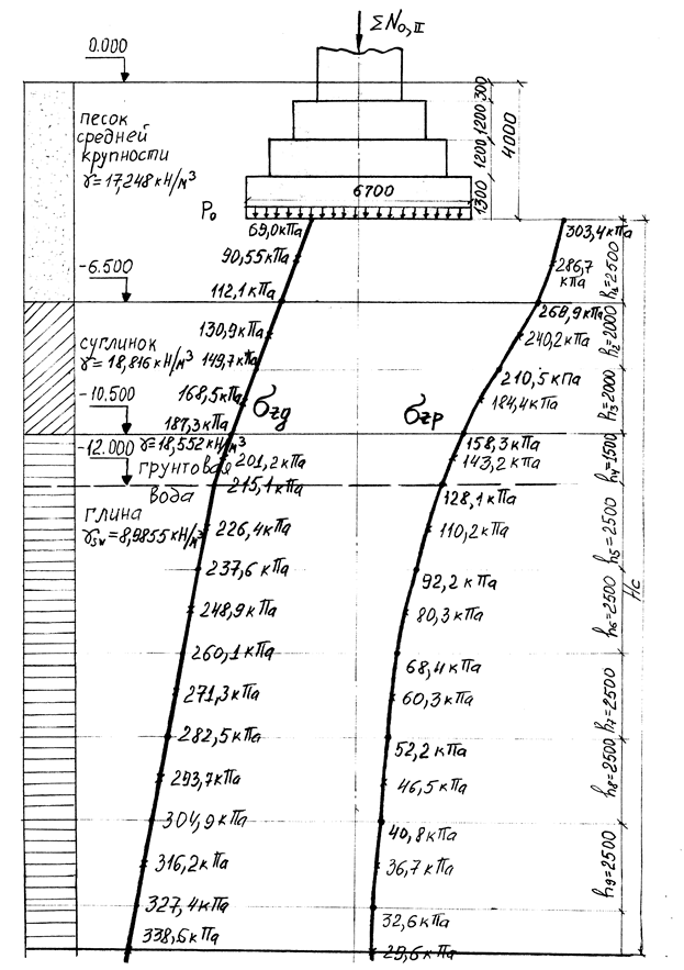
Итак, осадка фундамента S = 0,8×105,66×10-3 м = 8,85×10-2 м = 8,85 см, что меньше предельно допустимой осадки Smax = 12 см.

Рис. 4. Эпюра осадки фундамента мелкого заложения.
5. Расчет фундамента из забивных свай трения
по предельным состояниям
5.1. Расчет и конструирование фундамента из забивных свай трения по первой группе предельных состояний
Необходимо запроектировать свайный фундамент из висячих забивных свай. Все ранее собранные нагрузки остаются без изменения. Назначаем глубину заложения подошвы ростверка свайного фундамента dр = 2,1 м, высоту ростверка hр = 1,5 м. Свая железобетонная размерами 40×40 см, длиной lсв =18 м. Для фундаментов опор мостов сваю заделывают в ростверк не менее, чем на две стороны сваи, т.е. в данном случае на 0,8 м. Допускается также заделывать сваю в ростверк с помощью выпусков арматуры, длиной, определяемой расчетом, но не менее 30ׯ продольной арматуры периодического профиля (диаметр арматуры 18 - 24 мм) плюс тело сваи должно быть заделано в ростверк не менее чем на 10 см. Высота ростверка, считая от верхних концов свай или арматурных выпусков, должна быть не менее 0,5 м для расположения не менее двух арматурных сеток, расположенных над головами свай. Тогда конструктивная высота ростверка по первому варианту hр,min = 2×0,4 м + 0,5 м = 1,3 м, - по второму варианту hр,min = 30ׯ м + 0,1 м + 0,5 м = 30×0,02 м + 0,1м + 0,5 м = 1,2 м. Назначенная толщина ростверка hр = 1,5 м достаточна по конструктивным соображениям. Вычерчиваем геологический разрез, наносим сваю с частью ростверка и необходимыми привязками (рис. 5).
Несущую способность сваи определяем по формуле:
Fd = gc ×(gcR ×R×A + u×ågcf ×fi ×hi ),
где gc = 1; R = 5054,43 кПа - определяем по интерполяции согласно [16, табл.1]; A = b2 = (0,4 м)2 = 0,16 м2 ; u = 4×0,4 м = 1,6 м; fi - расчетное сопротивление i-го слоя грунта основания на боковой поверхности сваи, кПа, принимаемое согласно [16, табл. 2], рассчитанное по интерполяции и приведенное в табл.5; hi - толщина i-го слоя грунта, соприкасающегося с боковой поверхностью сваи, м, приведено в табл. 5 и на рис.12; gcR = 1, gcf = 1.
| Песок | hр =1,3 м | dр =1,5 м |
| мелкий | h1 = 0,5 м | |
| - 2.000 | h2 = 0,5 м | |
| h3 = 0,5 м | ||
| Грунтовая вода -4.000 | h4 = 0,5 м | |
| Суглинок | h5 = 0,5 м | |
| --4.000 | h6 = 0,5 м | |
| h7 = 0,5 м | ||
| Песок средней крупности | h8 = 0,5 м | |
| -3.000 | h9 = 0,5 м | |
| h10 = 0,5 м |
Рис. 5. Привязка сваи к геологическому разрезу
Таблица 5
| hi,ср , м | ji, кПа | hi, м |
| h1, ср = 2,25 | j1 = 46,8 | h1 = 2,0 |
| h2, ср = 2,75 | j2 = 53,75 | h2 = 2,5 |
| h3, ср = 3,25 | j3 = 57,5 | h3 = 3,0 |
| h4, ср = 3,75 | j4 = 42,312 | h4 = 3,5 |
| h5, ср = 4,25 | j5 = 44,231 | h5 = 4,0 |
| h6, ср = 4,75 | j6 = 53,9775 | h6 = 4,5 |
| h7, ср = 5,25 | j7 = 55,969 | h7 = 5,0 |
| h8, ср = 5,75 | j8 = 58,245 | h8 = 5,5 |
| h9, ср = 6,25 | j9 = 60,521 | h9 = 6,0 |
| h10, ср = 6,75 | j10 = 62,3987 | h10 = 6,5 |
Fd = gc ×(gcR ×R×A + u×ågcf ×fi ×hi ) = 1×{1×5054,43кПа×0,16 м2 + 1,6 м×[1×(46,8 кПа×1,4 м + 53,75 кПа×1,5 м + 57,5 кПа×1,5 м + 42,312 кПа×2,0 м + 44,231 кПа×2,0 м + 53,9775кПа×1,5 м + 55,969 кПа×2,0 м + 58,245 кПа×2,0 м + 60,521 кПа×2,0 м + 62,3987 кПа×1,3 м)]} = 2276 кН.
Число свай в фундаменте определяем по формуле:
n = gk ×åNo,I /(Fd - gf ×a2 ×df ×gm ) =
= (1,4×37103,28 кН)/[2276 кН - 1,2×(1,2 м)2 ×2,1 м×20 кН/м3 ] = 23,57 » 24 шт.
Расстояние между сваями а = 3×b = 1,2 м.
Так как фундамент является внецентренно нагруженным, то полученное расчетом количество свай увеличиваем на 30 % и принимаем 32 сваи, а с учетом расположения свай в ростверке (см. рис. 5) принимаем 33 сваи. Свесы ростверка принимаем равными 0,25 м, считая от наружных граней крайних рядов свай.
Определяем площадь ростверка свайного фундамента по формуле:
Aр = bр ×lр = (1,4 м×2 + 0,4 м + 2×0,25 м)×(1,2 м×10 + 0,4 м + 2×0,25 м) =
3,7 м×12,9 м = 47,73 м2 .
Определяем вес ростверка свайного фундамента по формуле:
NP,I = gf ×NP,II = gf ×Aр ×hр ×gб = 1,2×47,73 м2 ×1,5 м×25 кН/м3 = 2147,85 кН.
Рис.5. План ростверка свайного фундамента
Определяем вес грунта, лежащего на обрезе ростверка свайного фундамента по формуле:
NG,I = gf ×NG,II = gf ×Aр ×(dр - hр )×gгр = 1,2×47,73 м2 ×0,6 м×17,248 кН/м3 = 592,74 кН.
Вес свай в свайном фундаменте определяется по формуле:
NС,I = gf ×NС,II = gf ×Aсв ×lр,св ×gб ×n=1,2×(0,4 м)2 ×17,2 м×25 кН/м3 ×33 =2724,48 кН.
Определяем нагрузку, действующую на каждую сваю:
N = (åNo,I + NG,I + NС,I + NP,I )/n = (37103,28 кН + 592,74 кН + 2724,48 кН + 2147,85 кН)/33 = 1289,95 кН < 2276 кН/1,4 = 1625,7 кН - условие выполняется.
Вычисляем моменты, действующие вдоль и поперек моста относительно плоскости подошвы ростверка свайного фундамента:
Изгибающий момент относительно плоскости подошвы ростверка свайного фундамента, действующий вдоль моста.
Mo,II = 6×(P1 - P2 )×c1 + T1 ×(H + h1 + h2 + dр ) = 6×(1700 кН - 1550 кН)×0,5 м + 270 кН×(14,5 + 0,6 + 0,4 + 2,1) м = (450 + 4752) кН = 5202 кН×м.
Mo,I =gf ×Mo,II = 1,2×5202 кН×м = 6242,4 кН×м.
Изгибающий момент относительно плоскости подошвы ростверка свайного фундамента, действующий поперек моста.
Mo,II = T2 ×(H + h1 + h2 + h3 + df ) + T3 ×dр = 230 кН×(14,5 + 0,6 + 0,4 + 3,2 + 2,1) м = 6779 кН×м; Mo,I =gf ×Mo,II = 1,2×6779 кН×м = 8134,8 кН×м.
Расчетную нагрузку на одну сваю во внецентренно нагруженном фундаменте при эксцентриситете относительно двух главных осей инерции определяем по формуле:
n n
N = [åNo,I + NP,I + NG,I + NC,I ]/n ± (Mx ×y)/Syi 2 ± (My ×x)/Sxi 2 .
i=1 i=1
x = 6,0 м, y = 1,4 м, Sxi 2 = 6×[(1,2 м)2 + (2,4 м)2 + (3,6 м)2 + (4,8 м)2 +(6,0 м)2 ] = 475,2 м2 ,Syi 2 = 22×(1,4 м)2 = 43,12 м2 .
Nmax = 1289,95 кН + (6242,4 кН×м×1,4 м)/43,12 м2 + (8134,8 кН×м×6,0 м)/475,2 м2 = 1595,34 кН; Nmin = 1289,95 кН - (6242,4 кН×м×1,4 м)/43,12 м2 - (8134,8 кН×м×6,0 м)/475,2 м2 = 984,56 кН.
Nmax = 1595,34 кН < Fd /gn = 2276 кН/1,4 = 1625,7 кН - условие выполняется.
Nmin = 984,56 кН > 0 - условие выполняется.
Производим проверку несущей способности по грунту фундамента из свай как условного фундамента мелкого заложения. Условный фундамент принимаем в виде прямоугольного параллелепипеда с размерами, определяемыми согласно [14, 16]. Среднее значение расчетных углов внутреннего трения грунтов jm , прорезанных сваями, определяют по формуле:
n
jm = åji ×hi /d = (35°×4,4 м + 19°×4,0 м + 16°×8,8 м)/17,2 м» 22°.
i=1
Несущую способность основания условного фундамента проверяют по формуле, при этом подлежащие проверке среднее P, кПа (тс/м2 ), и максимальное Pmax , кПа (тс/м2 ), давления на грунт в сечении 3-4 по подошве условного фундамента определяют по формуле:
Nc Nc [6ac ×(3Mc + 2Fh ×d)]
P = ¾¾; Pmax = ¾¾ + ¾¾¾¾¾¾¾¾ ,
ac ×bc ac ×bc bc ×[(k×d4 /cb ) + 3×ac 3 ]
Размеры условного фундамента будут равны:
ширина условного фундамента
bусл = 2×1,4 м + 0,4 м + 2×d×tg 22°/4 = 6,512 м,
длина условного фундамента
lусл = 10×1,2 м + 0,4 м + 2×d×tg 22°/4 = 15,712 м.
Площадь подошвы условного фундамента
Aусл = bусл ×lусл = 6,512 м×15,712 м = 102,32 м2 .
Общий объем условного фундамента
Vобщ = Aусл ×(d + dр ) = 102,32 м2 ×(17,2 + 2,1) м = 1974,78 м3 .
Объем грунта
Vгр = Vобщ - Vсвай - Vроств = 1974,78 м3 - 90,816 м3 -71,595м3 = 1812,37 м3 .
Вычисляем вес грунта по слоям с учетом взвешивающего действия воды:
NG,I = gf ×NG,II = (11803,3 + 8764,1 + 10878,9) кН = 31446,3 кН.
Среднее давление под подошвой условного фундамента, определенное по первой группе предельных состояний
Рср , I = [åNo,I + NP,I + NC,I + NG,I ]/Aусл = (37103,28 + 2147,85 + 2724,48 + 31446,3) кН/102,32 м2 = 717,6 кПа.
Определяем расчетное сопротивление грунта основания осевому сжатию согласно [9] и в результате получаем R = 1123,5 кПа. Проверяем условие P £ R/gn . 717,6 кПа < 1123,5 кПа/1,4 = 802,4 кПа - условие выполняется.
Определяем максимальное Pmax , кПа (тс/м2 ) давление на грунт по подошве условного фундамента вдоль и поперек моста.
- вдоль моста:
ac = 6,512 м, bc = 15,712 м, Mc = 6242,4 кН×м, Fh = 324 кН. Pmax = 730,2 кПа.
- поперек моста:
ac = 15,712 м, bc = 6,512 м, Mc = 8134,8 кН×м, Fh = 1416 кН. Pmax = 780,9 кПа.
Проверяем условие Pmax £gc ×R/gn = 1,2×1123,5 кПа/1,4 = 965,9 кПа -условие выполняется.
5.2. Расчет фундамента из забивных свай трения по второй группепредельных состояний (по деформациям)
Определяем среднее давление под подошвой условного фундамента от действия нормативных нагрузок (по второй группе предельных состояний):
Pср ,II = [åNo,II + NP,II + NC,II + NG,II ]/Aусл =
= (30919,4 + 1789,875 + 2270,4 + 26205,3) кН/102,32 м2 = 598 кПа.
Определяем осадку свайного фундамента как условного фундамента мелкого заложения.
Сжимаемую толщу разбиваем на слои толщиной не более 0,4×bусл = 0,4×6,512 м = 2,6 м. Принимаем hi = 2,5 м.
Расчет осадки фундамента мелкого заложения выполняется по формуле:
n
S = b×å(szp,i ×hi )/Ei ,
i=1
где b - безразмерный коэффициент, равный 0,8; szp = a×Po ; szg,o = NG,I I /(Aусл – Асвай ) = 26205,3 кН/(102,32 м2 - 33×0,4 м×0,4 м) = 270 кПа - определяется с учетом взвешивающего действия воды; Po = P - szg,o = 598 кПа - 270 кПа.= 328 кПа; Pср,II = 598 кПа - среднее давление по подошве фундамента, определенное от действия нормативных нагрузок.
n
szg = szg , o + ågi ×hi ,
i=1
Нижняя граница сжимаемой толщи основания принимается равной на глубине z = Hc , где выполняется условие: szp = 0,1×szg .
Результаты расчета осадки свайного фундамента как условного фундамента мелкого заложения приведены в табл. 6.
Таблица 6
Расчет осадки свайного фундамента как условного фундамента
мелкого заложения
| zi | z = 2×zi /bп | ai | szg,i кПа |
szg,i, ср кПа |
szp,i , кПа |
szp,i, ср кПа | hi , м |
Ei МПа |
| 0,000 | 0,000 | 1,000 | 250,00 | 308,00 | ||||
| 261,23 | 288,98 | 0,5 | 20,75 | |||||
| 2,500 | 0,768 | 0,8840 | 272,46 | 269,95 | ||||
| 283,69 | 228,68 | 0,5 | 20,75 | |||||
| 5,000 | 1,536 | 0,6323 | 294,92 | 187,40 | ||||
| 306,15 | 155,85 | 0,5 | 20,75 | |||||
| 7,500 | 2,303 | 0,4399 | 317,38 | 124,29 | ||||
| 328,61 | 103,27 | 0,5 | 20,75 | |||||
| 10,000 | 3,071 | 0,3117 | 339,84 | 82,24 | ||||
| 351,07 | 68,60 | 0,5 | 20,75 | |||||
| 12,500 | 3,839 | 0,2285 | 362,30 | 54,95 | ||||
| 373,53 | 45,78 | 0,5 | 20,75 | |||||
| 15,000 | 4,607 | 0,1726 | 384,76 | 36,61 | ||||
| 395,99 | 30,22 | 0,5 | 20,75 | |||||
| 17,500 | 5,375 | 0,1336 | 407,22 | 23,82 | ||||
| 418,45 | 19,31 | 0,5 | 20,75 | |||||
| 20,000 | 6,143 | 0,1061 | 429,68 | 14,80 |
Итак, осадка свайного фундамента:
S = 0,8×2,5 м×(308,98 кПа + 248,68 кПа + 175,85 кПа + 123,87 кПа + 88,6 кПа + 65,78 кПа + 50,82 кПа + 39,31 кПа)/20,75 МПа = 10,61×10-2 м = 10,61 см,
что меньше предельно допустимой осадки Smax = 12 см.
Так как нижний слой грунта имеет постоянный модуль деформации, то проверку его несущей способности выполнять не следует [14].
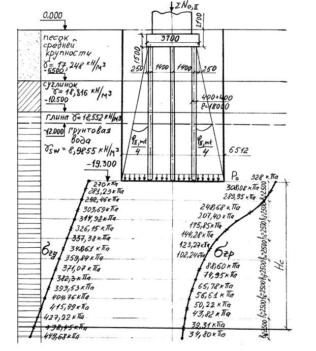
Строим эпюру осадок для свайного фундамента.
Рис. 7. Эпюра осадок свайного фундамента.
Задачей инженера, проектирующего фундаменты, является нахождение оптимального решения при помощи вариантного проектирования и оптимизационных методов расчета. В настоящее время выбор наиболее оптимального конструктивного решения фундамента осуществляется, как правило, путем технико-экономического сравнения вариантов устройства фундаментов по следующим показателям: экономической эффективности; материалоемкости; необходимости выполнения работ в сжатые сроки; величинам допустимых осадок и их возможных неравномерностей; возможности выполнения работ в зимнее время; трудоемкости выполнения работ и т.п.
Задачей проектирования является выбор наиболее эффективного решения, которое может быть определено только при правильной оценке инженерно-геологических условий строительной площадки, работы грунтов в основании совместно с фундаментами и надземными конструкциями и способа устройства фундамента, гарантирующего сохранность природной структуры грунта.
Получение наиболее эффективного решения связано со значительным объемом расчетов, выполнение которых требует широкого применения ЭВМ. Особенно важно применение ЭВМ для проектирования сложных систем фундаментов по второй группе предельных состояний (по деформациям) с учетом загружения всех соседних фундаментов, а также при расчете совместной работы системы основание-фундамент-сооружение. Такая система может быть рассчитана с помощью ЭВМ, например, методом конечных элементов, позволяющим учитывать различие свойств грунтов.
Важное значение имеет и совершенствование методов расчета и проектирования оснований и фундаментов. В этой связи становится существенным учет нелинейных свойств грунтов оснований. Нелинейность и реология деформирования, предусматривающая зависимость напряженного состояния от режима и уровня нагружения с применением методов оптимизации, позволяют получать существенную экономию материальных затрат при устройстве фундаментов.
В заключении следует отметить, что глубокое изучение курса "Механика грунтов, основания и фундаменты" позволит будущим инженерам-мостовикам правильно оценить свойства различных грунтов, возможность их деформаций под действием нагрузок и степень устойчивости грунтов в массивах; определить тип, размеры и наиболее рациональный способ возведения фундаментов; производить расчеты фундаментов с учетом действующих на них нагрузок в сочетании со свойствами грунтов строительной площадки по предельным состояниям.
1. Берлинов М.В. Основания и фундаменты: Учеб. для строит. спец. вузов. - 2-е изд., перераб. и доп. - М.: Высш. шк., 1998. - 319 с.
2. Глотов Н.М., Завриев К.С., Шпиро Г.С. Основания и фундаменты. М., Транспорт, 1969.
3. Глотов Н.М., Силин К.С. Строительство фундаментов глубокого заложения. М.: Транспорт, 1985. - 246 с.
4. Глотов Н.М., Соловьев Г.П., Файнштейн И.С. Основания и фундаменты мостов. М.: Транспорт, 1990. - 239 с.
5. Основания и фундаменты: Справочник / Г.И.Швецов, И.В.Носков, А.Д.Слободян, Г.С.Госькова. М.: Высш. шк., 1991. - 383 с.
6. Расчеты фундаментов мостовых опор глубокого заложения. Завриев К.С., Шпиро Г.С. М., Транспорт, 1970. - 216 с.
7. Силин К.С., Глотов Н.М., Завриев К.С. Проектирование фундаментов глубокого заложения. М.: Транспорт, 1981. - 252 с.
8. СНиП 2.03.01-84*. Бетонные и железобетонные конструкции / Госстрой СССР. - М.: ЦИТП Госстроя СССР, 1989. - 80 с.
9. СНиП 2.02.01-83. Основания зданий и сооружений / Госстрой СССР. - М.: Стройиздат, 1985. - 40 с.
10. СНиП 2.02.03-85. Свайные фундаменты / Госстрой СССР. - М.: ЦИТП Госстроя СССР, 1985. - 48 с.