| Скачать .docx |
Курсовая работа: Земляные работы
МИНИСТЕРСТВО ОБРАЗОВАНИЯ РОССИЙСКОЙ ФЕДЕРАЦИИ
Пермский государственный технический университет
Строительный факультет
Кафедра строительного производства
ПОЯСНИТЕЛЬНАЯ ЗАПИСКА
Выполнил гр. ПГС07
Краснов В.Г.
Руководитель
Бочкарёва Т.М.
г. Пермь 2010
Содержание
1. Определение черных отметок вершин геодезической сетки
2. Определение средней планировочной отметки
3. Определение красных (проектных) отметок
4. Определение рабочих отметок
5. Определение объемов земляных работ
6. Определение объема грунта в откосах
7. Баланс земляных масс
8. Определение объема земляных работ при разработке выемок
9. Выбор бульдозера в качестве ведущей машины комплекта
10. Выбор скрепера в качестве ведущей машины комплекта
11. Технико-экономический расчет комплекта планировочных машин с ведущей машиной - бульдозером
12. Технико-экономический расчет комплекта планировочных машин с ведущей машиной –скрепером
13. Выбор комплекта землеройной и транспортной техники
1. Определение черных отметок вершин геодезической сетки
,
где
– черная отметка горизонтали, ближайшей к вершине;
– превышение между соседними горизонталями по высоте;
– расстояние между горизонталями, между которыми находится рассматриваемая вершина, м;
х – расстояние от ближайшей горизонтали до рассматриваемой вершины, м.
Значения черных отметок вершин геодезической сетки
| Шифр вершин геодезической сетки | Черная отметка |
| А1 | |
| А2 | |
| А3 | |
| А4 | |
| А5 | |
| Б1 | |
| Б2 | |
| Б3 | |
| Б4 | |
| Б5 | |
| В1 | |
| В2 | |
| В3 | |
| В4 | |
| В5 | |
| Г1 | |
| Г2 | |
| Г3 | |
| Г4 | |
| Г5 | |
| Д1 | |
| Д2 | |
| Д3 | |
| Д4 | |
| Д5 | |
| Е1 | |
| Е2 | |
| Е3 | |
| Е4 | |
| Е5 | |
| Ж1 | |
| Ж2 | |
| Ж3 | |
| Ж4 | |
| Ж5 |
2. Определение средней планировочной отметки
Н
0
□
![]()
![]()
![]()
![]()
Н
0
□

3. Определение красных (проектных) отметок
В случае планировки территории с двумя уклонами красные отметки вычисляют по формуле:
Н
кр
= Н
0
l
1
i
1
l
2
i
2
,
где l 1, 2 – расстояние от вершин геодезической сетки до оси вращения, соответственно до оси симметрии площадки N–N′ и до оси симметрии площадки О–О′, называемое плечом поворота, м;
i 1 – уклон вдоль длинной стороны площадки;
i 2 – уклон вдоль короткой стороны площадки.
| Шифр вершины | Плечо поворота | Уклоны | Красная(планировочная) Отметка Нкр |
||
| L2 | L1 | I2 (tg a) | I1 (tg b) | ||
| А1 | 120,00 | 80,00 | 0,001 | 0,005 | 122,93 |
| А2 | 120,00 | 40,00 | 0,001 | 0,005 | 122,73 |
| А3 | 120,00 | - | 0,001 | - | 122,53 |
| А4 | 120,00 | -40,00 | 0,001 | 0,005 | 122,33 |
| А5 | 120,00 | -80,00 | 0,001 | 0,005 | 122,13 |
| Б1 | 80,00 | 80,00 | 0,001 | 0,005 | 122,89 |
| Б2 | 80,00 | 40,00 | 0,001 | 0,005 | 122,69 |
| Б3 | 80,00 | - | 0,001 | - | 122,49 |
| Б4 | 80,00 | -40,00 | 0,001 | 0,005 | 122,29 |
| Б5 | 80,00 | -80,00 | 0,001 | 0,005 | 122,09 |
| В1 | 40,00 | 80,00 | 0,001 | 0,005 | 122,85 |
| В2 | 40,00 | 40,00 | 0,001 | 0,005 | 122,65 |
| В3 | 40,00 | - | 0,001 | - | 122,45 |
| В4 | 40,00 | -40,00 | 0,001 | 0,005 | 122,25 |
| В5 | 40,00 | -80,00 | 0,001 | 0,005 | 122,05 |
| Г1 | - | 80,00 | - | 0,005 | 122,81 |
| Г2 | - | 40,00 | - | 0,005 | 122,61 |
| Г3 | - | - | - | - | 122,41 |
| Г4 | - | -40,00 | - | 0,005 | 122,21 |
| Г5 | - | -80,00 | - | 0,005 | 122,01 |
| Д1 | -40,00 | 80,00 | 0,001 | 0,005 | 122,77 |
| Д2 | -40,00 | 40,00 | 0,001 | 0,005 | 122,57 |
| Д3 | -40,00 | - | 0,001 | - | 122,37 |
| Д4 | -40,00 | -40,00 | 0,001 | 0,005 | 122,17 |
| Д5 | -40,00 | -80,00 | 0,001 | 0,005 | 121,97 |
| Е1 | -80,00 | 80,00 | 0,001 | 0,005 | 122,73 |
| Е2 | -80,00 | 40,00 | 0,001 | 0,005 | 122,53 |
| Е3 | -80,00 | - | 0,001 | - | 122,33 |
| Е4 | -80,00 | -40,00 | 0,001 | 0,005 | 122,13 |
| Е5 | -80,00 | -80,00 | 0,001 | 0,005 | 121,93 |
| Ж1 | -120,00 | 80,00 | 0,001 | 0,005 | 122,69 |
| Ж2 | -120,00 | 40,00 | 0,001 | 0,005 | 122,49 |
| Ж3 | -120,00 | - | 0,001 | - | 122,29 |
| Ж4 | -120,00 | -40,00 | 0,001 | 0,005 | 122,09 |
| Ж5 | -120,00 | -80,00 | 0,001 | 0,005 | 121,89 |
4. Определение рабочих отметок
Рабочие отметки определяем по формуле:
±h р = Н кр – Н черн
Значения рабочих отметок в вершинах геодезической сетки
| Шифр вершин | Красные отметки Нкр |
Черные отметки Нчерн |
Рабочие отметки hр | |
| (+) насыпь | (–) выемка | |||
| А1 | 122,93 | 124,13 | 1,20 | |
| А2 | 122,73 | 124,14 | 1,41 | |
| А3 | 122,53 | 123,54 | 1,01 | |
| А4 | 122,33 | 123,08 | 0,75 | |
| А5 | 122,13 | 122,68 | 0,55 | |
| Б1 | 122,89 | 124,14 | 1,25 | |
| Б2 | 122,69 | 124,14 | 1,45 | |
| Б3 | 122,49 | 123,07 | 0,58 | |
| Б4 | 122,29 | 122,70 | 0,41 | |
| Б5 | 122,09 | 122,16 | 0,07 | |
| В1 | 122,85 | 123,63 | 0,78 | |
| В2 | 122,65 | 123,59 | 0,94 | |
| В3 | 122,45 | 123,08 | 0,63 | |
| В4 | 122,25 | 122,54 | 0,29 | |
| В5 | 122,05 | 122,00 | 0,05 | |
| Г1 | 122,81 | 123,09 | 0,28 | |
| Г2 | 122,61 | 122,97 | 0,36 | |
| Г3 | 122,41 | 122,66 | 0,25 | |
| Г4 | 122,21 | 122,18 | 0,03 | |
| Г5 | 122,01 | 121,65 | 0,36 | |
| Д1 | 122,77 | 122,44 | 0,33 | |
| Д2 | 122,57 | 122,14 | 0,43 | |
| Д3 | 122,37 | 122,15 | 0,22 | |
| Д4 | 122,17 | 121,75 | 0,42 | |
| Д5 | 121,97 | 121,24 | 0,73 | |
| Е1 | 122,73 | 121,86 | 0,87 | |
| Е2 | 122,53 | 121,74 | 0,79 | |
| Е3 | 122,33 | 121,50 | 0,83 | |
| Е4 | 122,13 | 121,18 | 0,95 | |
| Е5 | 121,93 | 120,84 | 1,09 | |
| Ж1 | 122,69 | 121,31 | 0,38 | |
| Ж2 | 122,44 | 121,14 | 1,30 | |
| Ж3 | 122,29 | 120,90 | 1,39 | |
| Ж4 | 122,09 | 120,67 | 1,42 | |
| Ж5 | 121,89 | 120,35 | 1,54 | |
5. Определение объемов земляных работ
В "чистых" призмах объем грунта выемки или насыпи определяем по формуле:
![]()
где
– сумма значений всех рабочих отметок в вершинах квадрата,
;а – сторона квадрата, м.
| № квадрата | Объемы работ | ||
| насыпь(+) | выемка(-) | ||
| 1 | 5,31 | 2124 | |
| 2 | 4,45 | 1780 | |
| 3 | 2,75 | 1100 | |
| 4 | 1,78 | 712 | |
| 5 | 4,42 | 1768 | |
| 6 | 3,6 | 1440 | |
| 7 | 1,91 | 764 | |
| 9 | 2,36 | 944 | |
| 10 | 2,18 | 872 | |
| 16 | 1,54 | 616 | |
| 17 | 2,42 | 968 | |
| 18 | 2,27 | 908 | |
| 19 | 2,42 | 968 | |
| 20 | 3,12 | 1248 | |
| 21 | 4,34 | 1736 | |
| 22 | 4,31 | 1724 | |
| 23 | 4,59 | 1836 | |
| 24 | 5 | 2000 | |
2. Объемы (м3 ) грунта в "смешанных" призмах определяют по формулам:
,
где
– сумма значений рабочих отметок выемки или насыпи;
– сумма абсолютных значений четырех (всех) отметок квадрата.
| № квадрата | Объемы работ | ||||
| насыпь(+) | выемка(-) | ||||
| 8 | 0,77 | 0,05 | 0,82 | 1,22 | 289,22 |
| 11 | 1,17 | 0,03 | 1,2 | 0,3 | 456,3 |
| 12 | 0,29 | 0,44 | 0,73 | 106,08 | 46,08 |
| 13 | 0,64 | 0,76 | 1,4 | 165,03 | 117,03 |
| 14 | 0,61 | 0,65 | 1,26 | 134,13 | 118,13 |
| 15 | 0,25 | 0,67 | 0,92 | 195,17 | 27,17 |
6. Определение объема грунта в откосах
Объемы грунта в элементарных фигурах откосов определяем по формулам:
боковые откосы - тип трехгранная пирамида
![]()
![]()
![]()
![]()
боковые откосы - тип призматоид
![]()
![]()
угловые откосы - тип четырехгранная пирамида
![]()
![]()
![]()
![]()
7. Баланс земляных масс
| Наименование объемов | Объем грунта, м3 | Расхождение в объемах ΔV%, % | |
| выемка (-) | насыпь (+) | ||
| 1. Основные объемы: | |||
| 1) объемы чистых призм | 11504,00 | 12004,00 | |
| 2) объемы смешанных призм | 1053,93 | 601,93 | |
| 2. Дополнительные объемы в откосах | 26,52 | 183,32 | |
| ИТОГО: | 12587,45 | 12789,25 | |
| Объем грунта выемки с учетом коэффициента остаточного разрыхления | 13087,83 | 2,27 | |
| Недостаток (избыток) грунта | 13087,83 | 12789,25 | |
8. Определение объема земляных работ при разработке выемок
Расчет геометрических объемов выемки можно выполнять по средней величине ее глубины (Н ср ).
Среднюю глубину выемки рассчитывают в следующей последовательности:
1) определяют красные (планировочные) отметки Н кр(зд) контура здания методом "поворота" Н 0 =122,41 м
![]()
![]()
![]()
![]()
2) определяется среднее значение
контура здания
;
3) отметка дна выемки Н дна определяется с учетом проектируемой высоты фундамента
Н
дна(кр)
=
.
Н
дна(ср)
=
.
4) средняя величина выемки определяется по формуле
Н
ср(кр)
=
– Н
дна
=122,288-120,291=1,997 м
Н
ср(ср)
=
– Н
дна
=122,288-120,191=2,097 м
Геометрические размеры траншеи.
1) Для крайних колонн
а=2+2*0,5=3м
а/ =3+2*1,997*0,25=4м
2) Для колонн среднего ряда
а=2,2+2*0,5=3,2м
а/ =3,2+2*2,097*0,25=4,25м
Определение геометрических объемов выемок
Геометрический объем траншей, без учета откосов на торцах, может быть определен по формуле
![]()
![]()
![]()
Объемы на торцах
1) крайние колонны
![]()
![]()
![]()
![]()
2) средние колонны
![]()
![]()
![]()
![]()
Суммарный геометрический объем траншеи
![]()
![]()
![]()
Определение геометрического объема приямков под фундаменты
![]()
![]()
Определение геометрического объема грунта обратной засыпки
1) Н обр. з(кр) = h ф – 0,15=1,850-0,15=1,7м
Н обр. з(ср) = h ф – 0,15=1,950-0,15=1,8м
2) для колонн крайнего ряда
![]()
для колонн среднего ряда
![]()
3) ![]()
![]()
Сводная таблица объемов земляных масс, м3
Наименование работ |
Геом. объем, м3 |
Увеличение грунта при разработке | Объем грунта, м3 |
|
| величина первоначального разрыхления грунта | величина остаточного разрыхления грунта | |||
| Разработка грунта в траншее по оси А. | 381,68 | 1,15 | – | 438,93 |
| То же по оси Б. | 426,69 | 1,15 | - | 490,69 |
| То же по оси В. | 381,68 | 1,15 | – | 438,93 |
| Разработка недобора грунта в приямках под фундаменты | 15,44 | 1,15 | – | 17,75 |
| Обратная засыпка грунта в пазух фундамента | 903,23 | – | 1,04 | 868,49 |
| Объем лишнего грунта на вывоз | 302,26 | 1,15 | – | 347,60 |
9. Выбор бульдозера в качестве ведущей машины комплекта
Расчет сменной эксплуатационной производительности бульдозера
Расчет сменной эксплуатационной производительности бульдозера определяется по формуле
, м3
/см
м3
/см
где с – продолжительность рабочей смены, равная 8 часам;
V отв – объем грунта в твердом теле, срезаемого отвалом – ножом буль-дозера (рассчитывается по формуле (4)), м3 ;
Kс – коэффициент сохранения грунта на ноже во время его транспортирования (формула (5));
Kукл – коэффициент уклона для бульдозера (табл. 7 прил. 1). При незначительных уклонах планируемой площадки (i = 0,005, i = = 0,001) Kукл принять равным единице;
Kв – коэффициент использования машины во времени (ЕНиРсб.Е2 В1 прил. 4) в соответствии с параграфом "Разработка и перемещение нескального грунта бульдозерами";
– продолжительность цикла работы бульдозера (формула (6)), с;
м3
где l отв , Н отв – длина и высота отвала бульдозера (технические характеристики ДЗ-34С), м;
j – угол естественного откоса грунта (табл. 8 прил. 1);
Kп.р – коэффициент первоначального разрыхления грунта (ЕниРсб.Е2 В1 прил. 2).
Kс = 1 – 0,005L c р =1-0,005*163=0,185
где L ср – средняя дальность перемещения грунта (расстояние между центрами выемки и насыпи планируемой площадки = 163,0), м.
Длительность цикла работы бульдозера определяется по формуле
= t
p
+ t
п
+ t
o
.
x
+ t
пов
=16,48+43,22+46,20+10=115,9с
где t p – время резания грунта (набора грунта на отвал бульдозера – формула с;
t п – время перемещения грунта на отвале, формула (7), с;
t o . x – время обратного хода бульдозера, формула (7), с;
t пов – время на два поворота (при дальности транспортировки грунта на ноже до 75 м t пов = 0, при работе бульдозера челночным способом t пов = 10–12 с).
Время резания грунта, его перемещения на ноже и обратного хода бульдозера в секундах рассчитывается по общей формуле (7), где длина пути и скорость движения бульдозера являются переменными величинами:
,
![]()
![]()
где L p (п)(о.х) – длина пути соответственно резания, перемещения грунта и обратного хода бульдозера, определяемые по формулам (8, 9, 10), м;
– скорость бульдозера соответственно при резании, перемещении грунта и при движении обратным ходом, км/ч (технические характеристики);
Kу – коэффициент, учитывающий ускорение, замедление и переключение передач (табл. 9 прил. 1).
Длина пути резания грунта (длина пути набора грунта на нож), м
L
p
=
,
где
– толщина стружки при клиновом способе резания грунта бульдозером, м (рис. 2, табл. 10 прил. 1). Рекомендуется принимать в расчет
= 0,15–0,2 м.
Длина пути перемещения грунта на отвале бульдозера, м
L п = L ср – L р =163-10,53=152,47м
Дальность пути бульдозера обратным ходом, м
L о.х = L ср =163,0м .
Расчет нормативной производительности бульдозера
Нормативная производительность бульдозера, м3 /см, определяется по формуле
м3
/см (11)
где а – единица измерения, предусмотренная параграфом ЕНиРсб.Е2 В1 ( 100 м3 );
– трудоемкость разработки единицы продукции (единичная трудоемкость), норма времени разработки и перемещения нескального грунта бульдозером (чел.-ч/маш.-ч), определяемая по формуле
, (12)
где
– норма времени разработки и перемещения грунта на 10 метров, чел.-ч/маш.-ч;
– норма времени разработки и перемещения грунта на каждые дополнительные 10 м перемещения, чел.-ч/маш.-ч.
Значения
и
определяются в соответствии с группой грунта II при его разработке бульдозерами (табл. 1 ЕНиРсб.Е2 В1).
при L п = 120 м для бульдозера ДЗ-34С на базе трактора ДЭТ-250 при разработке II группы грунта
= 0,24 + 0,21 × 15,3 = 3,453 чел.-ч/маш.-ч. (13)
Вывод:
дальнейший расчет можно производить по минимальному значению производительности
м3
/см
Определение расчетной продолжительности работы бульдозера
Расчетная продолжительность работы одного бульдозера
при планировке площадки (разработка и перемещение нескального грунта) определяется по формуле (см)
, (14)
где
– объем грунта выемки, перемещаемого в насыпь при планировке площадки (с учетом коэффициента остаточного разрыхления), м3
;
S – показатель сменности работы машины. С целью максимального использования строительной техники целесообразно планировать работу машин в две смены (S = 2).
Расчеты по подбору комплектов планировочных машин во всех рассматриваемых вариантах следует выполнять с учетом одинаковой сменности использования техники.
Выбор грунтоуплотняющих машин (катков) (ДУ 29, массой 23 т), используемыхв качестве вспомогательной техники в комплекте
Определение нормативной производительности грунтоуплотняющей машины (катка)
При подборе вспомогательных машин комплекта (к которым относятся грунтоуплотняющие машины) достаточно произвести их расчет только по нормативной производительности,
м2
/см (15)
где
– нормативная производительность катка, м2
/см;
– норма времени уплотнения площадей и поверхностей катком, определяется по формуле
, (16)
где
– норма времени работы катка при первых четырех проходках по одному следу, чел.-ч/маш.-ч;
– норма времени работы катка на каждую проходку сверх первых четырех проходок по этому же следу, чел.-ч/маш.-ч. при уплотнении грунта самоходными катками ДУ-29 массой 23 т при условии 8 проходок по одному следу и длине гона катка до 200 м
= 0,79 + 0,14 · 4 = 1,35 чел.-ч/маш.-ч. (17)
Число проходок при уплотнении площадей и поверхностей можно принять по табл. 7, табл. 8 прил. 2.
При отсутствии данных по количеству проходок катка по одному следу принять число проходок, равное 8.
Определение расчетной продолжительности работы грунтоуплотняющей машины (катка)
Расчетная продолжительность одного катка
(см) определяется по формуле
(18)
где h 1 – толщина уплотняемого слоя грунта (h 1 принять равной толщине отсыпаемого слоя бульдозерами). принимаемое значение h 1 не должно превышать значение технических характеристик катка, м.
Величина толщины уплотняемого слоя h
1
влияет на конечный результат расчета, т.е. на количество бульдозеров в комплекте. Соотношение
в формуле (18) является переводом объема работ V
в
из единиц измерения м3
в объем работ, выраженный суммарной площадью послойного уплотнения катком, м2
.
При планировании работы бульдозеров в две смены по формуле (14) работу катка также следует принять в две смены (S = 2).
Определение количества ведущих машин (бульдозеров) в комплекте планировочных машин
Количество бульдозеров
(шт.) определяется отношением расчетных продолжительностей работы одной ведущей и одной вспомогательной машин:
. (19)
По результату расчета
принять целое число
, необходимость уменьшения или увеличения которого обусловлена допустимым значением процента плановой производительности труда (формулы (20) и (21)).
Определение плановой производительности (процента производительности) работы бульдозеров и катка в комплекте
Производительность работы грунтоуплотняющей машины (катка):
,
(20)
где
– производительность работы грунтоуплотняющей машины (катка), %;
– принятая продолжительность катка (целое число), см.
Производительность работы бульдозера
определяется по формуле
.
(21)
При несоблюдении условий (20) и (21) значение расчетного количества бульдозеров
следует округлять в большую сторону до целого числа либо необходимо подобрать другой комплект планировочных машин.
10. Выбор скрепера в качестве ведущей машины комплекта
Скреперами разрабатывают песчаные, глинистые, суглинистые, галечно-гравийные, связные грунты с обломочными включениями скальных пород. Цикл работы скрепера состоит из следующих операций: набора грунта, движения груженого скрепера, разгрузки ковша, движения порожнего скрепера.
При организации работы скреперов в качестве дополнительной операции может быть произведено предварительное рыхление плотных грунтов при значительном сопротивлении их резанию. Предварительному рыхлению подвергают грунты III и IV групп (ЕНиРсб.Е2 В1 табл. 1 глава I).
При загрузке скрепера плотными и тяжелыми грунтами используется трактор-толкач, обеспечивающий недостающее усилие тягача скрепера. Применение трактора-толкача позволяет:
увеличить толщину стружки срезаемого грунта,
уменьшить длину резания грунта,
обеспечить полное наполнение ковша.
Тракторы-толкачи оборудованы толкающими плитами с амортизаторами.
В расчетной работе следует рассмотреть два варианта планировочных машин с ведущей машиной – скрепером. В качестве отличительной особенности в рассматриваемых вариантах можно принять разные объемы ковшей скреперов.
Выбор скреперов следует произвести с учетом рекомендаций (табл. 1, табл. 2, табл. 3 прил. 1), (табл. 1, табл. 2, табл. 3 прил. 3) и по техническим характеристикам скреперов (ЕНиРсб.Е2 В1). Перед расчетом проверить наличие Нвр (ЕНиРсб.Е2 В1), а также наличие данных для технико-экономического расчета (табл. 4, табл. 5, табл. 6 прил. 4).
Определение сменной эксплуатационной производительности скрепера ДЗ - 23
Сменная эксплуатационная производительность скрепера
определяется по формуле (м3
/см):
м3
/см (22)
где q 1 – вместимость ковша скрепера (технические характеристики), м3 ;
k 1 – коэффициент использования вместимости ковша,
k
1
=
; (23)
k н – коэффициент наполнения ковша рыхлым грунтом (табл. 4 либо табл. 5 прил. 3);
k в – коэффициент использования скрепера во времени (ЕНиРсб.Е2 В1 прил. 4); k в =0,8
– длительность цикла работы скрепера, с, определяемая по формуле
= t
3
+ t
г.х
+ t
p
+ t
п.х
+ t
пов
=73,88+75,81+11,52+53,79+30,0=245с (24)
где t 3 , t г.х , t p , t п.х , t пов – соответственно продолжительность загрузки скрепера, груженого хода, разгрузки, порожнего хода, поворотов. Суммарное время на два поворота скрепера принять для прицепных t пов = 28–60 с, для самоходных t пов = 25 с.
Продолжительность отдельных элементов цикла рассчитывается по общей формуле (25), где длина пути L и скорость скрепера V с являются переменными величинами, с:
,
(25)
где Kуск принимается по табл. 9 прил. 1.
Дальность пути скрепера, м, на отдельных операциях определяется:
а) при загрузке ковша по данным табл. 6 прил. 3 или по формуле
, (26)
где m пр – коэффициент призмы волочения (табл. 9 прил. 3);
l с – ширина захвата скрепера (технические характеристики скрепера), м;
– толщина стружки, срезаемая скрепером (табл. 2, табл. 3, табл. 7 прил. 3);
б) при перемещении грунта (груженый ход) по формуле
L г.х = L ср – L 3 =163-34,89=128,11 м . (27)
Длина пути разгрузки принимается по табл. 8 прил. 3 – 24м
Длина пути порожнего хода L п.х может быть принята равной средней дальности перемещения грунта L ср .
Движение скреперов при наборе и отгрузке грунта целесообразно планировать на первой передаче, для груженого хода – на третьей передаче, для холостого (обратного) хода – на третьей или четвертой передачах. Скорости скреперов принять по данным табл. 3 прил. 3 или по техническим характеристикам (ЕНиРсб.Е2 В1).
Определение нормативной производительности скрепера
Нормативная производительность скрепера
определяется аналогично расчету нормативной производительности бульдозера и катка, м3
/см:
м3
/см (29)
где
– норма времени разработки и перемещения грунта скрепером, чел.-ч/маш.-ч.
= 0,93 + 0,05· 6,3 = 1,245 чел.-ч/маш.-ч.
Необходимо сравнить значения
и
, при их приблизительном равенстве расчет вести по
либо по минимальному значению производительности. В случае большого различия величин
и
в расчет можно принять одну из следующей производительности:
расчетно-плановую эксплуатационную производительность скрепера, м3 /см
. м3
/см (31)
Предпочтительно дальнейший расчет выполнить с учетом
, добиваясь минимального различия значений
и
методом подбора машин разной мощности.
Определение количества скреперов в комплекте планировочных машин и их плановой производительности (процента производительности труда)
Расчет выполняется по общей методике комплектования планировочных машин (пункты 1.1.1, 1.1.2).
, (32)
где Пс
– принятая в расчете производительность скрепера (
,
,
,
).
м2
/см (33)
. (34)
Толщину уплотняемого слоя катком h 1 принять по максимальному значению, указанному в технических характеристиках катка, м.
. (35)
По результату расчета принять целое число скреперов, ориентируясь на плановую производительность (процент производительности) труда.
; (36)
. (37)
В формулах (32–37) приведены следующие обозначения:
– расчетная продолжительность скрепера, см.;
– расчетное количество скреперов в комплекте, шт.;
– плановая производительность работы скреперов в комплекте, %;
– принятое число скреперов, шт.;
– плановая производительность катка, м2
/см.
Определение количества скреперов, обслуживаемых одним толкачом
В случае разработки плотных или тяжелых грунтов в комплект машин целесообразно включать толкачи, обеспечивающие полную загрузку скреперов.
При необходимости использования толкача рассчитывают длительность его цикла:
t ц.тол = t 1 + t 2 + t 3 = t 4 =73,88+15+20+15=123,88 с (38)
где t 1 – время загрузки скрепера, с (по формуле (25));
t 2 = 15 с (время возвращения толкача в исходную позицию);
t 3 = 20 с (время подхода толкача к очередному скреперу);
t 4 = 15 с (продолжительность переключения передач и остановок перед началом толкания).
Технико-экономические показатели комплектов планировочных машин
| Наименование показателей | Единицы измерения | Варианты | |
| I | II | ||
| Марка бульдозера, трактора | Марка скрепера | ||
| 1 | 2 | 3 | 5 |
| ДЗ-34С (ДЭТ-250) | ДЗ-23 (ДЭТ-250) | ||
| N | Шт. | 5 | 1 |
| Tкомпл. | см | 8,06 | 8,14 |
| Q | Чхсм/маш.хсм. | 96,04 | 31,39 |
| g | Чхсм/маш.хсм. | 0,0073 | 0,0024 |
| C0 | Руб. | 2045,30 | 665,89 |
| Се | 0,16 | 0,051 | |
| Куд. | Руб. | 0,16 | 0,047 |
Наиболее оптимальным вариантом комплекта планировочных машин является комплект машин с ведущей машиной – скрепером.
Величина экономической эффективности разработки 1 м3 грунта оптимальным комплектом планировочных машин по отношению к сравниваемому варианту:
![]()
Эффективность разработки всего объема работ:
![]()
11. Технико-экономический расчет комплекта планировочных машин с ведущей машиной – бульдозером
Продолжительность работы комплекта машин
Продолжительность работы комплекта машин следует принять по максимальному значению, сравнивая продолжительность работы бульдозеров с продолжительностью работы уплотняющей машины:
(58)
(59)
где Тб , Тк – продолжительность работы соответственно бульдозера и катка в смену, см.;
– продолжительность дополнительных работ, связанных с организацией подготовительных и заключительных работ, см. В расчете принять время на доставку машин из парка механизации до строительной площадки соответственно бульдозера и уплотняющей машины (катка) (см. общую методику расчета п. 4.1.1);
– норма времени на доставку на строительную площадку соответственно бульдозера и катка (ЕНиРсб.Е2 В1, гл. 1, табл. 3), маш.-см.;
– дальность прогона от парка механизации до строительной площадки соответственно бульдозера и катка (принять равной до 5 км).
Трудоемкость разработки, перемещения и уплотнения грунта при планировке площадки комплектом машин
Нормативная трудоемкость планировки площади (
) определяется по формуле
(60)
где
– трудоемкость разработки и перемещения грунта бульдозерами, чел.-ч/маш.-ч;
– трудоемкость уплотнения грунта катками, чел.-ч/маш.-ч;
– трудоемкость доставки бульдозеров на объект, чел.-ч/ маш.-ч;
– трудоемкость доставки катка на объект, чел.-ч/маш.-ч;
Нормативную трудоемкость Q
н
перевести из чел.-ч/маш.-ч в чел.-см./маш.-см.
чел.-см./маш.-см.
Проектируемая (принятая) трудоемкость планировки площадки
определяется по формуле
(61)
Удельная трудоемкость разработки 1 м3 грунта при планировке площадки комплектом машин определяется по формуле (чел.-см./маш.-см.)
![]()
Себестоимость механизированных работ при планировке площадки
Себестоимость разработки, руб., всего объема земляных работ определяется по формуле
(63)
![]()
Значения стоимости машино-смен См.см приведены в СНиП IV-3-82, в приложении "Сборник сметных цен эксплуатации строительных машин" (М., 1984) в виде стоимости одного машино-часа, в расчете требуется увеличить ее значение на продолжительность рабочей смены.
Стоимость машино-смены См.см для каждой машины, входящей в комплект, можно рассчитать, используя (48).
Стоимость машино-смены (См.см ) для любого вида машин можно определить двумя способами:
принять по данным СНиП IV-3-82 приложения "Сборник сметных цен эксплуатации строительных машин" (Москва, 1984);
рассчитать по формуле
, (48)
![]()
При отсутствии данных на годовые затраты выполнить расчет по формуле
, (49)
где А – амортизационные отчисления, % (прил. 4);
М( i ) – инвентарно-расчетная стоимость машины, руб.
где Е – единовременные расходы по доставке машин от парка механизации до строительной площадки, руб.;
Т( i ) – расчетная продолжительность работы комплекта рассматриваемых машин Ткомпл , см.;
Г – годовые затраты, связанные с амортизационными отчислениями на полное восстановление и на капитальный ремонт машин, руб.;
Тн.г – нормативное количество смен работы машины в году, см.;
Сэк – эксплуатационные расходы, руб.
Себестоимость разработки, руб., единицы продукции Се (1 м3 грунта) комплектом планировочных машин рассчитывается по формуле
. (64)
Удельные капитальные вложения на единицу работ
Для их определения используются следующие формулы:
, (65)
, (66)
, (67)
, (68)
, (69)
где
– расчетные стоимости соответственно бульдозеров и катка, руб. (рассчитываются по (66, 67));
– инвентарно-расчетные стоимости соответственно бульдозера и катка, рассчитываются по (50) или принимаются в расчет по данным табл. 1 и 2 прил. 4 и табл. 8 прил. 4;
– значения принять по табл. 9 прил. 4 либо
для бульдозеров по табл. 1, табл. 2, табл. 3 прил. 4;
для уплотняющих машин по табл. 8 прил. 4.
Примечание: приведенные затраты на разработку и перемещение 1 м3 грунта, экономическую эффективность разработки 1 м3 грунта и всего объема грунта следует определять по общей методике расчета (п. 4.1.5; п. 4.1.6) соответственно по (55, 56, 57). Результаты расчета свести в табл. 1.
12. Технико-экономический расчет комплекта планировочных машин с ведущей машиной –скрепером
Продолжительность работы комплекта машин
Продолжительность работы комплекта машин Ткомпл
следует рассчитывать по продолжительности ведущих машин-скреперов
и вспомогательных машин (катка),
, в качестве окончательного результата принять максимальное значение.
, (70)
. (71)
Трудоемкость разработки и перемещения грунта комплектом машин
Нормативная трудоемкость разработки всего объема грунта (объем выемки V в ) при планировке площадки, чел.-ч/маш.-ч,
(72)
чел.-ч/маш.-ч,
где
– трудоемкость разработки грунта скрепером,
– трудоемкость загрузки скреперов толкачом,
– трудоемкость уплотнения грунта катком,
– трудоемкость доставки скреперов на объект,
– трудоемкость доставки толкача на объект,
– трудоемкость доставки катка на объект.
Принятая (проектируемая) трудоемкость разработки всего объема грунта при планировке площадки рассчитывается по формуле, чел.-см./маш.-см.
(73)
чел.-ч/маш.-ч,
Удельная трудоемкость разработки 1 м3 грунта комплектом машин
, (74),m
. (75)
Себестоимость разработки механизированных работ
Себестоимость, руб., разработки всего объема земляных работ комплектом машин
. (76)
Значения См.см принять по СНиП IV-3-82, приложению "Сборник сметных цен эксплуатации строительных машин" (М., 1984) (стоимость одного машино-часа увеличить на продолжительность смены) либо рассчитать по (48). Для расчета по (76) можно принять среднее значение продолжительности комплекта машин.
, (48)
При отсутствии данных на годовые затраты выполнить расчет по формуле
, (49)
где А – амортизационные отчисления, % (прил. 4);
М( i ) – инвентарно-расчетная стоимость машины, руб.
,
, (49)
Себестоимость разработки, руб., единицы продукции (1 м3 грунта)
. (77)
Удельные капитальные вложения на единицу работ
Для определения удельных капиталловложений, руб., используют формулу
, (78)
где
– расчетная стоимость соответственно скрепера, катка (т.е. машин, входящих в комплект планировочных машин);
– годовая эксплуатационная производительность машин соответственно скрепера, толкача, катка, м3
/год:
(79)
,
(81)
,
Приведенные затраты на разработку единицы продукции (1 м3 грунта) и экономическую эффективность разработки грунта следует рассчитывать соответственно по (55, 56, 57).
13. Выбор комплекта землеройной и транспортной техники
Определение длины передвижки экскаватора
Длина передвижки экскаватора l п , м (или шаг передвижки) принимается по практическим рекомендациям (табл. 6 прил. 5) и должна быть проверена на соответствие условиям:
для экскаватора, оборудованного обратной лопатой, объем ковша 0,65 м3 (ЭО-4121А)
. –по техническим характеристикам (82)
– максимальный (табл. 8 прил. 5) (технические характеристики) радиусы копания на уровне стоянки, м;
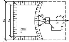
Определение вида забоя и выбор траектории движения экскаватора.
При разработке траншей следует рассматривать "узкую" схему забоя. Ширина забоя по низу и по верху выемки в данном случае определяется по формулам, м
, (86)
В н = В в – 2Н ср m = 7,95-2*0,25*2=6,95 (87)
где В в и В н – ширина забоя соответственно по верху и по низу;
R 0 – оптимальный радиус копания, определяемый по формуле
R 0 = 0,9Rmax =8,1

Подбор экскаватора по обеспеченности создания отвала грунта на обратную засыпку
![]()
Максимальная ширина, м, отвала в основании, обеспечиваемой экскаватором, В 3 = 2(R в – В 2 )=2(9-4,85)=8,3м
Возможная емкость погонного метра, м3
, отвала, обеспечиваемая экскаватором
(96)
Емкость погонного метра отвала грунта, м3
, необходимого на обратную засыпку
, (97) где V
о.з
– объем грунта на обратную засыпку с учетом коэффициента остаточного разрыхления, м3
; L
отв
– суммарная длина проектируемых отвалов, м.
>
, принятая схема движения экскаватора приемлема, т.к. обеспечивает отвал грунта необходимого объема;
Расчет сменной эксплуатационной производительности экскаватора транспортной единицы
Сменная эксплуатационная производительность экскаватора
Сменная эксплуатационная производительность экскаватора определяется по формуле
Псм.э = 60с qn т k в k 1 = 60*8*0,65*1,89*0,64*1,052=397,02 м3 /см(107)
где q – вместимость ковша экскаватора, м3 ; n т – техническое число циклов в минуту
; (108)
k в – коэффициент использования экскаватора во времени (ЕНиРсб.Е2 В1);
t ц.э – нормативная продолжительность цикла экскавации в секундах (табл. 10 прил. 5);
k 1 – коэффициент наполнения ковша плотным грунтом
, (109)
где k н – коэффициент наполнения грунта рыхлым грунтом (табл. 11 прил. 5);
k п.р – коэффициент первоначального разрыхления грунта (ЕНиРсб.Е2 В1).
Сменная эксплуатационная производительность автотранспорта
Сменная эксплуатационная производительность автотранспорта, м3 /см, рассчитывается по формуле
м3
/см (110)
где
– время цикла работы автотранспорта (самосвала), мин (формула (114));
– коэффициент использования автотранспорта во времени, принять
= 0,85; р
– объем грунта в плотном теле в кузове самосвала, м3
, определяется по данным табл. 12 прил. 5 (КАМАЗ – 5511 на 10т)
р = 7,6 м3 (111)
Определение количества транспортных средств при отгрузке грунта экскаватором попеременно в отвал и в транспорт.
Количество транспортных средств при отгрузке грунта экскаватором попеременно в отвал и в автотранспорт определяется по формуле
![]()
Принимаем 2 единицы транспорта. где μ – рассчитывается по (121);
Т
ц
и
– определяются по методике расчета в п. 5.4.1, при использовании формул (114, 115, 117, 119).
, (121)
где k и j – рассчитываются соответственно по (122, 123).
, (122)
где
,
– значения плановой производительности экскаватора соответственно при работе в отвал и в транспорт, м3
в смену;
, (123)
V л.гр = V котл. -V обр.з.. -V ф = 2154,93-1933,31=221,62 м3
где V о.з , V л.гр – соответственно объемы грунта, складируемого в отвал для обратной засыпки, и лишнего грунта, предназначенного на вывоз, м3 .
При разгрузке ковша экскаватора попеременно в отвал и в транспорт транспортные средства подают под погрузку с перерывами, на протяжении которых экскаватор разрабатывает грунт с разгрузкой в отвал.
Расчетные параметры землеройной техники
| Наименование показателей | Условныеобозначения |
Марка экскаваторов |
| Вариант I | ||
| 1. Длина передвижки экскаватора | lп | 1,55 |
| 2. Оптимальный радиус резания грунта, м | R0 | 9,0 |
| 3. Требуемые размеры выемки по низу и по верху, м | а × ba' × b' |
3,2х544,25х54 |
| 4. Ширина забоя по верху выемки (обеспечиваемая экскаватором) | Вв | 7,95 |
| 5. Ширина забоя по основанию выемки (обеспечиваемая экскаватором) | Вн | 6,95 |
| 7. Количество транспортных единиц, обслуживающих экскаватор | N | 2,0 |
| 8. Сменная эксплуатационная производительность экскаватора | 397,02 | |
| 9. Сменная эксплуатационная производительность автотранспорта | 89,10 |
Экономическое обоснование выбора оптимального варианта землеройной транспортной техники
Определение нормативной трудоемкости разработки выемки
Нормативная трудоемкость разработки всего объема грунта экскаватором с погрузкой попеременно в отвал и в транспорт, чел.-ч/маш.-ч, определяется по формуле
(125)
где
,
– норма времени соответственно разработки грунта с выгрузкой ковша в транспортные средства (лишний грунт) и на вымет (создание отвала грунта для обратной засыпки пазух фундамента), чел.-ч/маш.-ч;
– объем лишнего грунта (на вывоз), разгружаемого экскаватором в транспортные средства;
V о.з – объем грунта на обратную засыпку при работе экскаватора с разгрузкой ковша на вымет, т.е. в отвал;
V в.тр – объем грунта, разрабатываемого при создании въездной траншеи и котлован, м3 .
Определение удельной трудоемкости разработки 1 м3 грунта
Удельная трудоемкость разработки экскаватором 1 м3 грунта определяется по формуле, чел.-см./маш.-см.,
(126)
где
– суммарный объем грунта, разрабатываемого экскаватором (с учетом объема грунта въездной траншеи), м3
.
Продолжительность работы экскаватора при разработке выемки
Продолжительность разработки грунта экскаватором (когда не заданы директивные сроки выполнения работ) определяется по формуле
(127)
где
– нормативная производительность работы экскаватора при отгрузке грунта в отвал, м3
/см;
– нормативная производительность работы экскаватора при отгрузке грунта в транспорт, м3
/см.
Время работы автотранспорта не учитывается, т.к. процесс транспортировки грунта производится одновременно с разработкой грунта экскаватором.
Себестоимость разработки экскаватором 1 м3 грунта
(128)
Себестоимость разработки экскаватором всего объема грунта
Себестоимость разработки выемки экскаватором и транспортировки лишнего грунта автотранспортом, руб., определяется по формуле
(129)
где
– стоимость машино-смен экскаватора, руб., определяется по СНиП, где значения приведены на один машино-час. Для учета
в расчете необходимо увеличить значения стоимости машино-часа на продолжительность рабочей смены с
.
= с
·
, (130)
,
Т тр – продолжительность работы автотранспорта, рассчитывается по (133);
– стоимость машино-смены автотранспортной единицы (самосвала), руб., определяется по формуле
, (131)
где Сэ – эксплуатационные расходы автотранспортной единицы, руб. (табл. 11 прил. 4);
Эед – расходы на единицу пробега (на 1 км), руб. (табл. 11 прил. 4);
L см – пробег автотранспорта за смену, км, рассчитывается по формуле
, (132)
где с ' – продолжительность занятости транспортной единицы в рабочую смену, с ' принять равной 7,3–7,5 ч, т.к. 0,5–0,7 ч в смену затрачивается на выезд и возврат автотранспорта в автопарк;
k в – коэффициент использования машины во времени, принять равным 0,85. Продолжительность работы автотранспорта, ч, рассчитывается по формуле
. (133)
Удельные капиталовложения
Удельные капиталовложения разработки экскаватором выемки и транспортировки лишнего грунта автотранспортом, руб., определяются по формуле
(134)
где
– расчетная стоимость экскаватора, руб., величина которой может быть определена:
по данным табл. 10 прил. 4,
по расчетной формуле
, (135)
где N экс – количество экскаваторов, участвующих в процессе разработки выемки, шт.;
М i – инвентарно-расчетная стоимость одного экскаватора, руб.
=19027 руб. – расчетная стоимость одной автотранспортной единицы, руб. (табл. 11 прил. 4);
– годовая эксплуатационная производительность соответственно экскаватора и транспортной единицы, м3
/см.:
м3
/год, (137)
м3
/год (138)
где
– нормативное число рабочих смен в году соответственно экскаватора и одной транспортной единицы (табл. 9 прил. 4).
Приведенные затраты на разработку и транспортировку 1 м3 грунта
Приведенные затраты на разработку и транспортировку 1 м3 грунта рассчитываются по формуле
Прив = Се + Ен · Куд =0,16+0,12*0,47=0,22 (139)
где Ен =0,12 – нормативный коэффициент (см. п. 4.1.5).
Экономическая эффективность разработки 1 м3 грунта
Экономическая эффективность разработки 1 м3 грунта комплектом землеройной и транспортной техники определяется по формуле
=0,16+0,12*0,47=0,22 , руб., (140)
где
– себестоимость разработки 1 м3
грунта экскаваторами сравниваемых вариантов;
– удельные капиталовложения разработки и транспортировки грунта в сравниваемых вариантах.
Экономическая эффективность разработки объема грунта экскаватором
=0,22*1216,09=267,54 руб. (141)
Результаты расчета по определению оптимального варианта землеройной техники (экскаватора) представить в табл. 4.
Технико-экономические показатели землеройной техники
| Наименование показателей | Единицы измерения | Варианты |
| Марка экскаватора | ||
| ЭО-4121А | ||
| N | Шт. | 1 |
| Tкомпл. | см | 1,44 |
| Q | Чхсм/маш.хсм. | 22,92 |
| g | Чхсм/маш.хсм. | 0,018 |
| Куд. | Руб. | 0,47 |
| Пприв.з. | Руб. | 0,22 |


