| Скачать .zip |
Реферат: Разработка календарного плана и проектирование строительного генерального плана
Список литературы:
И С. Степанов «Экономика строительства». Москва. 2003г.
ГСН81 - 05 - 02 2001. Сметные нормы и дополнительные затраты при производстве
строительно-монтажных работ в зимнее время.
3 ГСН 81-05-01- 2001 Сметные нормы затрат на строительство временных зданий и сооружений.
ГЭСН - 2001 и ГЭСНр - 2001. Государственные сметные нормы на строительные и
ремонтно-строительные работы.
МДС 81 - 1.99. Методические указания по определению стоимости строительной
продукции на территории Российской Федерации.
МДС 11 - 3.99. Методические рекомендации по проведению экспертизы технико-
экономических обоснований (проектов) на строительство объектов жилищно-
гражданского назначения.
МДС 11 - 4.99. Методические рекомендации по проведению экспертизы технико-
экономических обоснований (проектов) на строительство предприятий, зданий и
сооружений производственного назначения.
МДС 11 - 5.99. Методические рекомендации по проведению экспертизы материалов
инженерных изысканий для технико-экономических обоснований (проектов, рабочих
проектов) строительства объектов.
МДС 12 - 3.2000. Положение о заказчике-застройщике (едином заказчике, дирекции
строящегося предприятия) и техническом надзоре.
МДС 81 — 4.99. Методические указания по определению величины накладных расходов к
строительстве.
МДС 8! - 25.2001. Методические указания на определении! величины сметной прибыли в
строительстве.
МДС 83 - 1.99. Методические рекомендации по определению размера средств на оплату
труда в договорных ценах и сметах на строительство и оплате труда работников
строительно-монтажных и ремонтно-строительных организаций.
МДС 80 - 6.2000. Методические рекомендации по процедуре подрядных торгов.
Положение о проведении государственной экспертизы и утверждении градостроительной
предпроектной и проектной документации в Российской Федерации. Постановление
Правительства РФ №1008 от 27.12.2000 г.
РДС 11 - 201 - 95.Инструкция о порядке проведения государственной экспертизы
проектов строительства.
16 СНиП 1 1-01-95. Инструкция о порядке разработки, согласования, утверждения и составе проектной документации на строительство предприятии, зданий и сооружений.
17. ФЭР 2001 и ФЭРр - 2001. Федеральные единые расценки на строительные и ремонтно-строительные работы
| ПОЯСНИТЕЛЬНАЯ ЗАПИСКА | Лист | ||||||
| Изм. | Кол. | Лист | №док | Подпись | Дата | ||
3.3. СТРОИТЕЛЬНЫЙ ГЕНЕРАЛЬНЫЙ ПЛАН.
3.3.1. Исходные данные для проектирования.
Строительный генеральный план разработан на период возведения надземной части «Здания общепита» на основе следующих документов ППР:
Сетевой график строительства объекта с графиком движения рабочей силы.
Перечень строительных машин и механизмов и график их движения по объекту.
Потребность в строительных материалах и конструкциях и график их поступления на объект.
Данные о потребности в воде, энергоресурсах и источниках снабжения ими.
Перечень инвентарных зданий, сооружений, установок и устройств с расчётом потребности и обоснованием условий привязки их к участку стройплощадки.
Решения по технике безопасности, по противопожарным и природоохранительным мероприятиям.
Стройгенплан проектируется с учётом решения генерального плана и должен соответствовать действующим нормативным документам:
СНиП 3.01.01-85* «Организация строительного производства»;
СНиП 12.03.2001 «Безопасность труда в строительстве» Часть I «Общие требования».
СНиП 12.04.2002 «Безопасность труда в строительстве» Часть II «Строительное производство».
3.3.2. Горизонтальная привязка и определение зон действия монтажного крана.
Размещение (привязка) монтажного крана и путей его перемещения относительно возводимого здания, а также зон действия крана во многом определяют размещение всех элементов строительного хозяйства на СГП. На монтаже строительных конструкций «Здания общепита» и выполнении погрузочно-разгрузочных работ предусмотрено использование пневмоколёсного стрелового крана КС-4561 со стрелой 22м.; задний габарит (радиус поворотной платформы) r=3,2м. Пути движения крана при монтаже стеновых панелей установлены в схемах организации монтажа стеновых панелей в составе технологической карты. На СГП показан путь движения крана относительно здания при монтаже стеновых панелей.
При этом определены следующие зоны действия крана.
1. Опасная зона поворотной платформы крана:
Lоп=2*(rп+1 )=2*(3,2+1 )=8,4м.
При этом минимальное расстояние от оси кранового пути до наружной
грани здания составляет
L1=rn+1 =3,2+1 =4,1м.~4.5м.;
расположение от кранового пути относительно ближайшей границы
открытых складских площадок
L2=rn+1 =3,2+1 =4.1м.~4,5м.
2. Монтажная зона:Lм.3=9м
LM3 - в пределах которой возможно падение груза при установке и
закреплении монтируемых элементов; принимается равной 7м
относительно строящегося здания при высоте его до 20м.
В пределах монтажной зоны запрещается складирование материалов;
таким образом LM.3 <L1 + L2 < 4,5м + 4,5м = 9м.
3. Опасная зона дорог:
Lод~2-3м. Это расстояние от границы дороги (или ее уширения) до оси транспортных средств, установленных под разгрузку. К этой же зоне относятся места приёма раствора и бетона т.к. оборудование приёма устанавливается в расширенной части дорог.
4. Рабочая зона крана(зона обслуживания); расстояние от оси крана до
рабочей зоны Lpaб = LKpmaх = 22 м
При этом расстояние от границы рабочей зоны до границы открытых складских площадок составит L3.с.=Lод-(0,5-1)м=2,5-3м, а ширина открытых складских площадок
Lсклд = Lраб - L3.с- L2= 22-3-3,5 =15,5м.
5. Опасная зона работы стрелового крана:
Если кран оборудован устройством для удержания стрелы от падения, то расстояние от оси крана до границы опасной зоны работы крана
Примечание:
5м - примерное значение половины длины перемещаемого груза;
для кранов, не оборудованных устройством от падения стрелы
опасная зона дорог и граница опасной зоны работы кран показаны на
СГП соответствующими условными обозначениями.
На основе установленных границ зон действия крана на СГП определены размещение складов всех типов, внутриплощадочных дорог и других элементов строительного хозяйство на строительной площадке.
3.3.3. Организация складского хозяйства и расчёт складских площадей. Временные дороги.
На период возведения надземной части здания на территории стройплощадки предусмотрено размещение следующих видов складов.
Открытые складские площадки для хранения стеновых панелей, а также
площадки для приёма строительного бетона, раствора. Стеновые материалы, требующиеся в большом количестве, размещают равномерно
по всему фронту работ параллельно пути движения крана. Границы открытых складов их должны проходить от края дороги не менее чем на 0,5 м, а от оси кранового пути 5,5-6 м. материалы и сборные конструкции на складах располагаются в штабелях на подкладках или в кассетах с учётом технологической последовательности монтажа;
Оборудование для приёма раствора и бетона устанавливается на
расширенной части дороги в рабочей зоне крана.
Навесы для хранения элементов заполнения оконных и дверных
проёмов, а так же кровельных материалов, которые так же размещаются в
рабочей зоне крана у мест их укладки в дело.
Склад закрытый для хранения отделочных материалов, а так же
инструментально-раздаточная кладовая; размещаются за пределами
опасной зоны работы крана.
Расположение временных дорог обеспечивает свободный подъезд к складам с кольцевым или сквозным проездом.
Определение размеров складов произведено с соблюдением норм запаса материалов и нормативов площадей складирования.
1. Количество материала, подлежащее хранению на складе (с учётом создания необходимого запаса):
где:
Робщ - общее количество материала, которое необходимо для выполнения полного объёма соответствующего вида работ, предусмотренной сетевым графиком;
Т - установленная сетевым графиком продолжительность работ:
an=1,1 - коэффициент неравномерности поступления материалов на склад.
n3 - норма запаса материала в днях, которая может быть принята для местных материалов (кирпич, бут, щебень, песок, утеплитель, шлак, сборные бетонные и ж/б конструкции) 2-5 дней; для привозных ( вяжущие, стёкла, рулонные материалы, заполнение проёмов, стальные конструкции) 10-15 дней.
Кп - 1,0 -1,3 - коэффициент неравномерности потребления материалов, который учитывает предусмотренные сетевым графиком перевыполнение норм.
При этом необходимо соблюдать неравенство:
Рзап < Робщ
2. Общая площадь склада (с учетом проходов на нём) где:
Р н- количество материала, укладываемое на 1м2 полезной площади склада.
- коэффициент использования площади склада принимается:
для закрытых складов и открытых складов нерудных строительных материалов 0,6-0,7; для открытых складов лесоматериалов 0,4-0,5;
для навесов 0,5-0,6.
Расчёт складов приведён в табличной форме (см. ведомость расчёта складских площадей).
Исходные данные в графах 2,4,5,7,9 ведомости взяты из сетевого графика строительства объекта и графика поступления на объект строительных материалов и конструкций.
3.3.4. Временные административно-бытовые помещения, расчёт их площадей.
Временные служебные и санитарно-бытовые здания группируются у въезда на территорию строительной площадки вне опасной зоны крана с соблюдением противопожарных и санитарных норм:
Соблюдаются пожарные разрывы не менее 5м.
Расстояние от рабочих мест до гардеробных и умывальных - не более 500м;
до помещений для приёма пищи - 500м;
до уборных - 100м.
Предусмотрено использование инвентарных типовых временных зданий с
подбором их по УТС. При этом предусмотрено блокирование в одном здании помещений различного назначения;
например, гардероба и умывальной и др.
Определение площадей временных помещений произведено по расчетной численности работающих на строительной площадке и нормативной площади на одного человека из числа пользующихся, соответствующим помещением. Состав бытовых помещений и их размеры установлены из условий;
площадка не канализованная, период работы летний, число рабочих в наиболее многочисленной смене Nраб=8 чел. При этом расчётное число работающих составит:
Nрасч = (Nраб+ NИТР+ Nслуж+ Nмоп)*K = (8+0.7+0.4+0.18)=10чел
в том числе мужчин 10*0,7=7 человек,
женщин *0,3=3 человек,
где Nраб, Nитр, Nспуж, Nмоп -соотношение категорий работающих в промышленном строительстве в %,
К - коэффициент, учитывающий отпуска, болезни.
Кпр - показатель, учитывающий количество пользующихся данным помещением.
Fn - норма площади помещения на 1 работающего.
Кпр и Fn -определены по приложению Н.
3.3.5 Организация водоснабжения, расчёт потребности в воде и определение диаметра труб временной водопроводной сети.
Источником водоснабжения строительной площадки является постоянная сеть водоснабжения в подготовительный период строительства предусмотрена прокладка постоянного водопровода с устройством на ней предусмотренных проектом двух пожарных гидрантов с расстоянием между ними менее 300м (около 50м).
К гидрантам обеспечен свободный проезд, отдаления их от дороги не далее 2м, от строящегося здания не ближе 5м и не далее 50м (»20м). Временная сеть водоснабжения устраивается прокладкой (с заглублением не менее 25см) от линии постоянного водопровода тупиковых ответвлений протяженностью не более 200м к местам потребления воды на хозяйственно-бытовые нужды на производственные нужды.
Расчётный расход воды и диаметр труб временной водопроводной сети определены с учётом следующих условий.
а) Площадка строительства размером 70,2*82,8/ 10000=0,58га не
канализована период строительства летний, расчётное число работающих
В = 1 0-1 5л
б) По сетевому графику предусмотрены следующие виды работ с потреблением воды:
Бетонирование полов (требует поливки)
Штукатурные работы
Малярные работы
На протяжении всего периода на площадке работает автосамосвал
Расход воды на хозяйственно-бытовые нужды:
![]()
В=10-15л - норма расхода воды на1работающего;
Кчас=3 - коэффициент неравномерности потребления.
Расход воды на производственные нужды по видам потребителей:
А - объем работ, выполняемых за смену, количество машин, установок,
потребляющих воду.
S - удельный расход воды в литрах на единицу работ, на одну машину; К - коэффициент неравномерности водопотребления.
t - длительность потребления в час.
а) Уход за бетоном при бетонировании полов.
![]()
б) штукатурные работы
![]()
в) малярные работы.
![]()
г) заправка автосамосвалов.
![]()
Максимальный расход воды на производственные нужды устанавливаем по графику потребления воды на производственные нужды в период с 5 по 9 сентября.
Впр = 0,1 л/сек.
![]()
Определяем диаметр труб временной водопроводной сети.
![]()
По приложению П принята стальная водопроводная труба с условным проходом 15 мм и наружным диаметром 21 ,3 мм.
Организация временного электроснабжения, расчёт потребляемой мощности и подбор силового трансформатора.
Источником электроснабжения площадки строительства является постоянная питающая электролиния, в связи с чем подключение временных сетей производится через понижающий трансформатор. Временная воздушная электросеть прокладывается на деревянных опорах через 20 -30м по периметру строительной площадки за пределами опасной зоны работы крана. Отводы от воздушной электролинии к местам потребления выполняются изолированными проводами или кабелями; они защищаются от механических повреждений прокладкой в коробах, газовых трубах с заглублением в грунт. Освещение дорог и проездов осуществляется подвесными светильниками, которые устанавливаются на электролинии через 20 -ЗОм на высоте 6 -7,5м. для охранного освещения, а так же возможного освещения мест производства работ в углах строительной площадки установлены на мачтах прожекторы ПЭС-45 (1000- 1500Вт).
3.3.6. Определение номинальных мощностей силовых и технологических потребителей:
![]()
Сварочный аппарат СТЭ-24
![]()
Машина для подогрева и подачи мастик СО-100А
![]()
Машина для нанесения мастик СО-122А
![]()
Виброрейка СО-47
![]()
Мозаично-шлифовальная машина СО-17
![]()
Wc - активная мощность установленных электродвигателей, кВт, строительных машин и механизмов.
К с - коэффициент спроса соответствующих групп потребителей
- коэффициент использования мощностей силовых и технологических установок.
Wов-общая мощность приборов внутреннего освещения.
Wон-общая мощность приборов наружного освещения
Мощность приборов внутреннего освещения
Таблица№9
| Потребители электроэнергии | Единица измерения | Количество единиц | Удельная мощность на единицу, Вт | Коэффициент спроса кс | Номинальная мощность кВА |
| 1 | 2 | 3 | 4 | 5 | 6 |
| Административно-бытовые помещения | М 2 | 79 | 15 | 0,8 | 1,14 |
| Закрытые склады | М 2 | 60 | 0,5 | 0,35 | 0,02 |
| Wов=1,16кВА | |||||
Мощность приборов наружного освещения
Таблица№10
| Потребители электроэнергии | Единица измерения | Количество единиц | Удельная мощность на единицу, кВт | Всего кВт |
| 1 | 2 | 3 | 4 | 5 |
| Открытые склады | М 2 | 380 | 0,002 | 0,76 |
| Внутриплощадочные дороги | км | 0,122 | 2,5 | 0,305 |
| Охранное освещение | км | 0,274 | 1,5 | 0,41 |
| Wов=1,47кВт | ||||
![]()
принят трёхфазный трансформатор ТМ 180/6 мощностью 180 кВт.
3.3.7. Охрана окружающей среды, техника безопасности и противопожарная защита.
Охрана окружающей среды на строительной площадке в основном сводится к снятию растительного слоя грунта для последующего его использования при благоустройстве территории, сохранению зелёных насаждений, удалению строительных отходов с благоустраиваемой территории для утилизации.
На СГП предусмотрены места складирования растительного фунта, а так же размещения оборудования для сбора строительных отходов с целью последующего их удаления со строительной площадки и утилизации.
До начала строительства объекта генподрядная организация должна выполнить подготовительные работы по организации стройплощадки, необходимые для обеспечения безопасности строительства, включая:
устройство ограждения территории стройплощадки при строительстве объекта в населенном пункте или на территории организации;
освобождение строительной площадки для строительства объекта (расчистка территории, снос строений), планировка территории, водоотвод (при необходимости понижение уровня грунтовых вод) и перекладка коммуникаций;
устройство временных автомобильных дорог, прокладка сетей временного электроснабжения, освещения, водопровода;
завоз и размещение на территории стройплощадки или за ее пределами инвентарных санитарно-бытовых, производственных и административных зданий и сооружений;
устройство крановых путей, мест складирования материалов и конструкций.
Окончание подготовительных работ должно быть принято по акту о выполнении мероприятий по безопасности труда, оформленному согласно СНиП 12-03.
В случае возникновения на объекте опасных условий, вызывающих реальную угрозу жизни и здоровья работников, генподрядная организация должна оповестить об этом всех участников строительства и предпринять необходимые меры для вывода людей из опасной зоны. Возобновление работ разрешается генподрядной организацией после устранения причин возникновения опасности.
В процессе строительства необходимо обеспечить:
приоритетное выполнение противопожарных мероприятий, предусмотренных проектом, разработанным в соответствии с действующими нормами и утвержденным в установленном порядке;
соблюдение противопожарных правил, предусмотренных ППБ 01, и охрану от пожара строящегося и вспомогательных объектов, пожаробезопасное проведение строительных и монтажных работ;
наличие и исправное содержание средств борьбы с пожаром;
возможность безопасной эвакуации и спасения людей, а также защиты материальных ценностей при пожаре в строящемся объекте и на строительной площадке.
Производство строительно-монтажных работ на территории действующего предприятия или строящегося объекта необходимо осуществлять при выполнении мероприятий, предусмотренных актом-допуском, оформление которого следует осуществлять согласно СНиП 12-03.
Указанные мероприятия принимаются на основе решений, разработанных в ПОС и ППР, и включают:
установление границы территории, выделяемой подрядчику для производства работ;
определение порядка допуска работников подрядной организации на территорию организации;
проведение необходимых подготовительных работ на выделенной территории;
определение зоны совмещенных работ и порядка выполнения там работ.
3.3.8. Технико-экономические показатели.
Показатели компактности стройгенплана
![]()
![]()
![]()
Fg-площадь застройки проектируемого здания м 2
F- площадь строительной площадки м 2
Fв- площадь застройки временными зданиями и сооружениями с учетом площади временных дорог м 2
| ДИПЛОМНЫЙ ПРОЕКТ | |||||||||
| Изм. | Кол. | Лист | №док. | Подпись | Дата | ||||
| Дипломник | Мелехин Е.М. | Здание общепита | Стадия | Лист | Листов | ||||
| Руководитель | Секисова Н.В. | ДП | |||||||
| Консультант | Рябоконь Б.И. | КАСК СЭД 494(к) | |||||||
| Стандарт | Петрова О.Н. | ||||||||
| Рецензент | |||||||||
3. ТЕХНОЛОГИЯ И ОРГАНИЗАЦИЯ СТРОИТЕЛЬНОГО ПРОИЗВОДСТВА.
3.1. Технологическая карта на монтаж стеновых панелей.
3.1.1. Область применения технологической карты.
Технологическая карта разработана на монтаж стеновых панелей
здания общепита.
Здание двухэтажное, с применением унифицированных схем и типовых сборных конструкций на основе сетки колонн (6*6 м)
размеры здания в плане (24*12 м).
В состав работ, предусмотренных технологической картой входят:
Монтаж стеновых панелей площадью до 10м2.
Электросварка закладных деталей.
Антикоррозионное покрытие сварных соединений.
Конопатка, зачеканка и расшивка швов одновременно.
Перечень и объёмы работ приведены в «Ведомости подсчёта объёмов работ»
(табл. №1).
Работы ведутся в летний период времени и ведутся в одну смену
Монтаж конструкций ведётся автомобильным краном КС-4561, доставленным на объект с базы механизации
| 3.1.2 Таблица 1 Ведомость подсчёта объёмов работ | ||
| Наименование работ и формулы подсчета их объёмов | Объём работ | |
| ед.изм | кол-во | |
| 1 | 2 | 3 |
| Монтаж стеновых панелей до 10м2 | шт | 175 |
| Электросварка | 10м | 18,3 |
| Герметизация стыков | 10м | 53,88 |
| Чеканка и расшивка швов между панелями | 10м | 53,88 |
| Антикоррозионное покрытие | 10 стыков | 70,5 |
| Заливка швов панелей стен | 100м | 5,38 |
3.1.3. Технология и организация производства работ.
До монтажа стеновых панелей должны быть выполнены следующие работы:
Смонтированы фундаментные балки и колонны, правильность их
расположения.
Выполнены работы по обратной засыпке пазух фундаментов и устроено
шлаковое покрытие временных дорог.
Обозначены в пролёте здания пути движения и рабочие стоянки монтажного
крана.
Доставлены в зону действия монтажного крана и предварительно разложены
в кассетах стеновые панели, а так же необходимые монтажные
приспособления, инвентарь и инструменты.
На колоннах нанесены риски разбивочных осей.
Монтаж стеновых панелей.
Панели раскладываются в кассетах в радиусе действия монтажного крана. Монтажные работы ведутся в соответствии со СНиП 3.03.01-87 «Несущие и ограждающие конструкций».
При монтаже грани панелей наводят до совмещения рисок колонны с гранями плиты. Затем при помощи рейки-отвеса проверяют правильность, вертикального расположения плит, а по рискам нарисованным на наружных гранях панель т.е. колонны уровню горизонтального положения панели. Закрепление стеновых панелей осуществляется с помощью электросварки закладных деталей с механическим креплением панели.
Работы по монтажу панелей ведутся в соответствии с Е1 «Монтаж сборных и устройство железобетонных конструкций», в составе бригады монтажников: 5р-1,4р-1, Зр-2 в том числе один электросварщик.
| 3.1.4. Таблица 2 Калькуляция затрат труда и заработной платы | ||||||||||
| Шифр Енир | Наименование работ | Состав звена по Енир | Объём работ | Норм. вр. на ед. изм | Затраты труда | Расценка на ед. руб-коп | Зарплата руб-коп | |||
| ед.изм | кол-во | ч-час | м-час | ч-дн | м-см | |||||
| 1 | 2 | 3 | 4 | 5 | 6 | 7 | 8 | 9 | 10 | 11 |
| 4-1-8 т2 №1 | Монтаж стеновых панелей | монтажники 4р-1,3р-1,2р-2 | шт | 175 | 2 | 0,5 | 43,75 | 10,9 | 1,52 | 357-2 |
| 22-1-1№1,2в | Электросварка | электросващик 4р-1 | 10м | 18,3 | 3,2 | 7,32 | 2,53 | 46-3 | ||
| 4-1-27 п5 | Герметизация стыков | монтажники 4р-1,3р-1,2р-2 | 10м шва | 53,88 | 1,3 | 8,75 | 97,72 | 127-03 | ||
| 4-1-28№2 | Чеканка и расшивка швов | монтажники 4р-1,3р-1,2р-2 | 10м шва | 53,88 | 1,4 | 9,4 | 1,11 | 59-8 | ||
| 4-1-22№2 | Антикарозионное покрытие | монтажники 4р-1,3р-1,2р-2 | 10 стыков | 70,5 | 1,1 | 9,7 | 0,78 | 55-48 | ||
| 4-1-26№1,б | Заливка швов вручную | монтажники 4р-1,3р-1,2р-2 | 100м | 5,38 | 18,5 | 12,44 | 13,78 | 74-13 | ||
3.1.5. Расчет и комплектование состава исполнителей.
Согласно рекомендациям ЕНиР сборник Б4 выпуск 1 «Монтаж сборных и устройство монолитных железобетонных конструкциях» и сборник Е22 выпуск 1 «Сварочные работы» для выполнения монтажных работ и сопутствующих строительных процессов принимаю бригаду монтажников в количестве 4 человек и в составе:
Монтажники конструкций 5р.-1чел., 4р.-1чел., Зр.-2чел. в том числе 1 чел. - электросварщик-монтажник 3р.
Определяем продолжительность работ и показатели выполнения работ.
Монтаж стеновых панелей.
Qн = 147,33 ч-дн
t = Q н/N*n*Пв = 147,33/4*2*1,1 = 18 принимаем = 18 дней
Q пл = t*N*n = 18*4*2 =144 ч-дн
B=(Q н/Q пл)*100%=(147,33/144)*100%=102%
Монтаж стеновых панелей выполняет бригада монтажников в количестве 4 человек с выполнением норм в среднем на 102% в течении 18 рабочих дней.
3.1.6. График производства работ.

Таблица 3 Технико-экономические показатели
| Наименование показателей | Ед. изм. | Показатели | |
| норм. | планир. | ||
| 1 | 2 | 3 | 4 |
| 1 Объем работ по процессу | шт | 235 | 235 |
| 2 Затраты труда общие | чел-дн | 106,36 | 96 |
| 3 Затраты труда на единицу измерения | чел-дн | 0,45 | 0,40 |
| 4 Выработка на 1 чел-дн в натуральном выражении | шт | 2,21 | 2,44 |
| 5 Производительность труда | % | 100 | 110 |
| 6 Заработная плата | руб.-коп. | 719-94хКинд | 719-94 хКинд |
| 7 Заработная плата на 1 чел-дн | руб.-коп. | 6-77 хКинд | 7-49 хКинд |
| 8 Количество манино-смен | м-см | 36,7 | 36 |
| 3.1.8. Таблица 4 Ведомость материально - технических ресурсов. | |||
| Наименование | Марка, ГОСТ | Ед. изм. | Кол-во |
| 1 | 2 | 3 | 4 |
| а) Строительные машины | |||
| Автокран | КС - 4561 | шт. | 1 |
| Сварочный аппарат | СТЭ - 24 | шт. | 1 |
| Бетономешалка ёмкостью 100л | СБ - 27 | шт. | 1 |
| б) Инвентарь, приспособления, инструмент. | |||
| Строп двухветвевой | 19144 - 73 | шт. | 1 |
| Траверса | 15946р - 10 | шт. | 1 |
| Кувалда массой 4 кг | 11401 - 85 | шт. | 2 |
| Рулетка РС - 20 | 750289 | шт. | 1 |
| Клинья инвентарные для крепления колонн | ПК "Промтехмонтаж" | шт. | 31 |
| Кассеты для складирования панелей | шт. | ||
| Ломик монтажный | 1405 - 72 | шт. | 2 |
| Уровень строительный | шт. | 1 | |
| Монтажные подмости | ПК "Промстальконструкция" | шт. | 1 |
| Теодолит | шт. | 1 | |
| Нивелир | шт. | 1 | |
| в) Строительные материалы и конструкции. | |||
| Панели стеновые | шт. | 175 | |
| Плиты покрытий и перекрытий | шт. | 91 | |
| Колонны | шт. | 20 | |
| Раствор цементный | 50 | м3 | 3,82 |
| Электроды | Э 42 | т | 0,18 |
3.1.9. Операционный контроль качества.
В соответствии со СНиП 3.03.01-87 «Несущие и ограждающие конструкции» допустимые отклонения по таблице 12.
1. Отклонения от вертикали верха плоскостей навесных стеновых панелей
+ - 12мм .
2. Отклонения от совмещения рисок геометрических осей с рисками
разбивочных осей панелей навесных стен + -10 мм.
3.1.10. Организация рабочего места бригад (звеньев) исполнителей.
Работы по монтажу стеновых панелей производятся бригадой монтажников в составе 4 человек: 5р.- 1чел., 4р.- 1чел., Зр.-2чел.
1 человек - монтажник Зр. - имеет смежную профессию - электросварщик, остальные три человека- такелажники.
Vp. - М1 IVp. - М2 Шр. сварщ. - M3, Шр. - M4. Рабочее место бригады монтажников - монтаж забежка, размеры которой определяются ППР с учётом сметной выработки бригады. До начала монтажа стеновых панелей должны быть выполнены следующие условия и подготовка процесса:
Проверяется маркировка и наличие всех закладных деталей и монтажных
рисок на колоннах.
Складирование панелей производится на специальных кассетах в зоне
действия монтажного крана. В пределах монтажной зоны размещаются:
панели в кассетах, передвижные самоходные вышки с площадками,
складируемые металлические крепления, сварочный аппарат, ящик с
инструментами.
Порядок монтажа следующий: Монтажники M1 и М2 уложив на площадке вышек инструмент, поднимаются к месту установки панелей производя зачистку закладных деталей колонн; одновременно монтажники М3 и М4 производят строповку панели и крепят к ней оттяжку из каната По окончанию строповки монтажник М3 подаёт команду машинисту поднять панель на 200-300мм., после чего вместе с М4 проверяют правильность строповки. Убедившись в надёжности М3 подаёт команду продолжать строповку. При перемещении панели к месту установки монтажники М3 и М4 при помощи оттяжки ориентирует панель в пространстве и удерживают её обеспечивая быструю и точную наводку на место установки. Монтажники М{ и М2 принимают панель на высоте 100-Шмм. от проектной отметки, наводят грани панели до совмещения с ранее установленной рядом я направляют её на место установки. Далее осуществляется проверка горизонтального и вертикального положения панели с помощью отвеса-рейки и уровня. Закрепление осуществляется закладной деталей колонны с металлическими креплениями, с последующей установкой анкерных штырей и окончательным закреплением панели гайками (Mi и М2). После закрепления mi подаёт команду опустить крюк, стропы принимают свободное положение и монтажники М, и М2 производят расстроповку.
3.1.11. Указания по технике безопасности.
При производстве работ руководствуются СНиП 12-04-2002 «Безопасность труда в строительстве. Часть 2. Строительное производство.»
А) На участке (захватке), где ведутся монтажные работы не допускается
выполнение других работ и нахождение посторонних лиц.
Б) Для перехода монтажников с одной конструкции на другую следует
применять лестницы, переходные мостики и трапы, имеющие ограждения.
В) Навесные монтажные площадки, лестницы и другие приспособления,
необходимые для работы монтажников на высоте, следует устанавливать на
монтируемых конструкциях до их подъёма.
Г) Элементы монтируемых конструкций или оборудования во время
перемещения должны удерживаться от раскачивания и вращения гибкими
оттяжками.
Д) Навесные монтажные площадки, лестницы и другие приспособления, необходимые для работы монтажников, следует устанавливать и закреплять.
Е) Запрещается подъём сборных ЖБК (и оборудования) не имеющих монтажных петель или меток, обеспечивающих правильную строповку и монтажную очистку.
Введение.
В минувшем году в г. Кургане введены в эксплуатацию важные для жизни населения объекты.
Среди них обновлённое после реконструкции здание железнодорожного вокзала и прилегающей территории, который был торжественно открыт в августе 2004г.
Кроме того, в областном центре был отремонтирован пострадавший от взрыва жилой дом по улице Зорге 52, завершена вторая очередь строительства 211-квартирного и одна секция 144-кв
дома в районе швейной фирмы, давший городу прибавку в 158 квартир. Сданы в эксплуатацию поликлиника по улице Кравченко. Эти объекты выполнял коллектив ОАО «Промстрой».
В районах области сдана в эксплуатацию районная больница в селе Звериноголовское и здание казначейства в Макушино.
На сегодняшний день по области числятся сданными 852 квартиры общей площадью 72736 квадратных метров, что составляет 71,5 процента в сравнении с 2003 годом.
В Кургане введено 319 квартир общей площадью 25266 квадратных метра, что составляет 54,2% к уровню 2003 года.
Из 852 квартир, введенных в области 528 квартир или 51714 квадратных метров составили индивидуальные жилые дома, объём сдачи которых возрос по сравнению с 2003годом на 3,6%.
Средняя стоимость строительства 1м 2 общей площади вместе с индивидуальными жилыми домами составило в целом по области 4028 рублей, а в Кургане 5804 рубля.
В домах квартирного типа стоимость одного квадратного метра общей площади составила 7701 рубль.
1. АРХИТЕКТУРНО - СТРОИТЕЛЬНАЯ ЧАСТЬ.
1.1. Генплан
Строительство столовой на 50 мест предусмотрено в городе Кургане. При разработке генплана уделялось внимание правильному функциональному зонированию и рациональному использованию территории. Площадка для строительства свободна от застройки, рельеф спокойный, уклон на северо-восток. Кроме проектируемого здания предусмотрено строительство овощного склада, автостоянки, хозяйственного двора с которого организован разгрузочный пандус для автомашин, площадки для сбора мусора. Проектом предусмотрено устройство асфальтовых поездов и площадок с покрытием из бетонных плит. Имеются посадки деревьев и газонов.
![]()
![]()
![]()
1.1.1. ТЕХНИКО - ЭКОНОМИЧЕСКИЕ ПОКАЗАТЕЛИ
1) А*В = 95,0м * 103,0м = 9785 м 2
2) А*В = 24,0м * 12,0м = 288 м 2
3) А*В = 52,0м * 83,4м = 4339 м 2
4) ![]()
Таблица №1
№п/п | Наименование | Ед.изм | Количество |
| 1 | Площадь участка | М 2 | 9785 |
| 2 | Площадь застройки | М 2 | 288 |
| 3 | Площадь озеленения | М 2 | 4339 |
| 4 | Процент озеленения | % | 44 |
Охрана окружающей среды.
Запрещается размещение застройки на орошаемых и осушенных землях, пашне, земельных участках, занятых многолетними плодовыми насаждениями и виноградниками, а также на землях, занятых водоохранными защитными и другими лесами I группы, допускается в исключительных случаях в соответствии с земельным законодательством, а на землях с высокими показателями их оценки - запрещается. Перечень земель, на которых запрещается строительство, устанавливается местными органами власти.
Размещение зданий, сооружений и коммуникаций не допускается:
на землях заповедников, заказников, природных национальных парков, ботанических садов, дендрологических парков и водоохранных полос (зон);
на землях зеленых зон городов, включая земли городских лесов, если проектируемые объекты не предназначены для отдыха, спорта или обслуживания пригородного лесного хозяйства;
в зонах охраны гидрометеорологических станций;
в первой зоне санитарной охраны источников водоснабжения и площадок водопроводных сооружений, если проектируемые объекты не связаны с эксплуатацией источников;
в первой зоне округа санитарной охраны курортов, если проектируемые объекты не связаны с эксплуатацией природных лечебных средств курортов.
Возле курортов допускается размещать объекты, связанные с эксплуатацией, развитием и благоустройством курортов, а также объекты обслуживания населения курортов, если они не вызывают загрязнения атмосферы, почвы и вод, превышения нормативных уровней шума и напряжения электромагнитного поля. В третьей зоне округа санитарной охраны курортов допускается размещение объектов, которые не оказывают отрицательного влияния на природные лечебные средства и санитарное состояние курорта.
В зеленых зонах запрещается хозяйственная деятельность, отрицательно влияющая на выполнение ими экологических, санитарно-гигиенических и рекреационных функций.
Вокруг городских и сельских поселений, расположенных в безлесных и малолесных районах, следует предусматривать создание ветрозащитных и берегоукрепительных лесных полос, озеленение склонов холмов, оврагов и балок.
Ширину защитных лесных полос следует принимать, м, не менее: для крупнейших и крупных городов - 500, больших и средних городов ‑ 100, малых городов и сельских поселений - 50.
В проектах планировки и застройки городов и их пригородных зон следует предусматривать рациональное использование ценных природных ландшафтов и их охрану, выделение ландшафтно-рекреационных территорий, ограничение рекреационных нагрузок на ландшафт в соответствии с его устойчивостью, соблюдение режимных требований особо охраняемых территорий - государственных заповедников и заказников, природных национальных парков, ботанических садов и дендрологических парков, а также памятников природы - лесных, водных и геологических.
Мероприятия по защите водоемов, водотоков и морских акваторий необходимо предусматривать в соответствии с требованиями водного законодательства и санитарных норм, утвержденных в установленном порядке, обеспечивая предупреждение загрязнения поверхностных и подземных вод с соблюдением норм предельно допустимых концентраций (ПДК) загрязняющих веществ в водных объектах, используемых для хозяйственно-питьевого водоснабжения, отдыха населения и в рыбохозяйственных целях.
Объёмно-планировочное решение.
Проектируемое здание имеет форму прямоугольника в плане с размерами в осях 12x24м. Здание запроектировано по каркасной конструктивной схеме, двухэтажное, высота этажа 3,0 м, пространственная жесткость обеспечивается совместной работой продольных рам каркаса и горизонтальных дисков плит покрытия и перекрытия.
На первом этаже размещены такие помещения, как магазин кулинарии, кондитерский цех, овощной цех и прилегающая к нему небольшая кладовая овощей, мясорыбный цех, кладовая сухих продуктов, вестибюль. На втором этаже находятся: гардероб персонала, мойка, горячий цех, обеденный зал, буфет. В случае эвакуации помещения связаны между собой коридорами, в которых вывешены таблички с указанием направления выхода из здания.
Конструктивное решение здания - здание каркасного типа, с несущим каркасом из колонн, ригелей, плит покрытия и перекрытия.
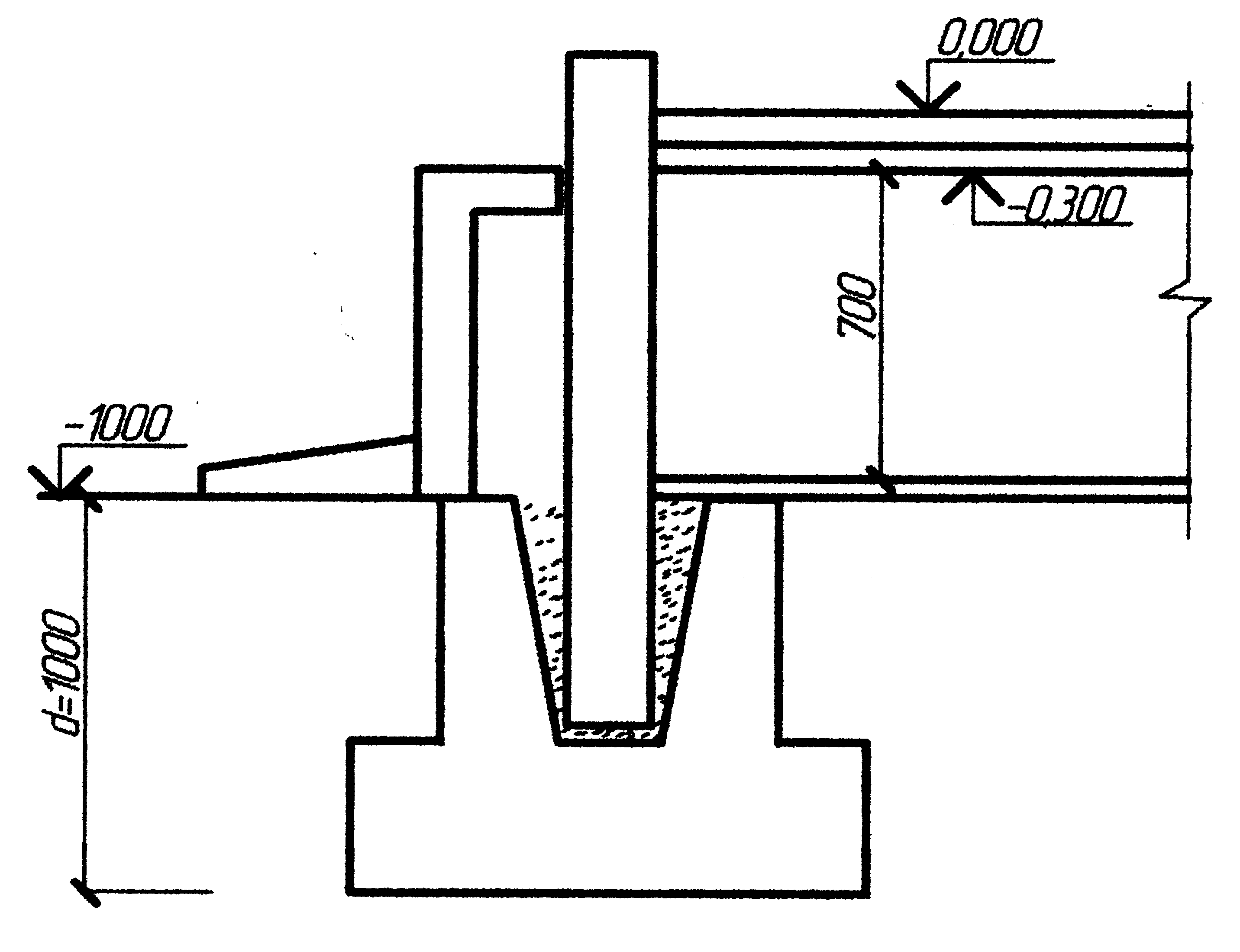
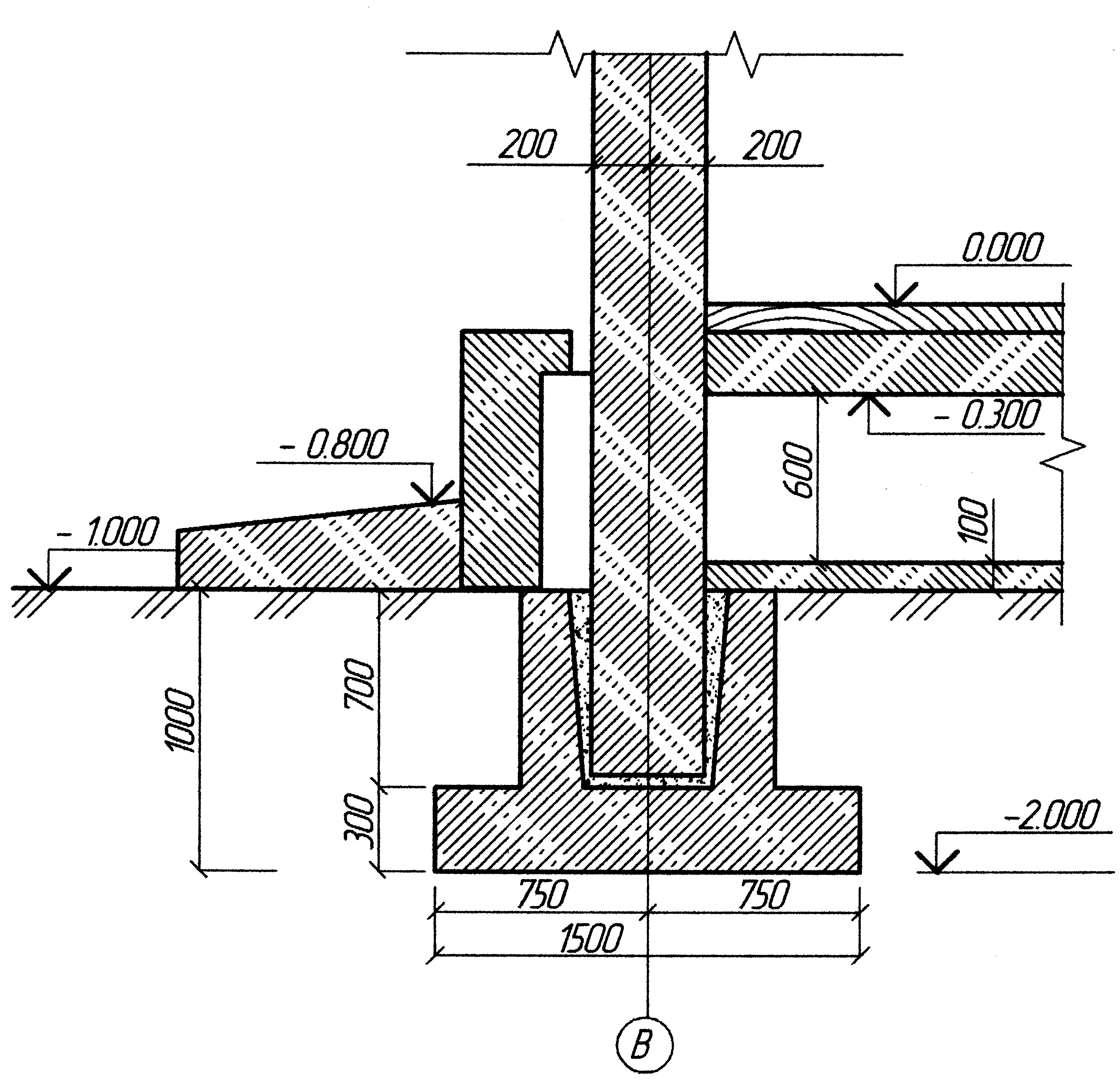
1.3.1. Фундаменты монолитные железобетонные стаканного типа, глубина заложения 1,0м, фундаменты расположенные по осям А, В, 1, 5 соединены между собой фундаментными балками, с размерами в сечении 400х400мм. Фундаменты расположенные по осям Б, 2, 3, 4 соединены между собой ригелями таврового сечения.
1.3.2. Стены панельные из газобетона, толщиной 400мм.
ТЕПЛОТЕХНИЧЕСКИЙ РАСЧЕТ.
Ц
ементно-песчаный раствор = 1800; =0,76;
=0,02
Ячеистый бетон (газобетон) = 300; =0,11;
=х
Цементно-песчаный раствор = 1800; =0,76;
=0,02
tн =-37 0;tв = +16 0; tн = 4,5 0; в = 8,7; н = 23
tот. пер = -7,7 0; от. пер = 216дн
![]()
ГСОП = ![]()
![]()
![]()
![]()
![]()
Сумма всех слоёв равна 40см.

1.3.3. Элементы каркаса.
Приняты железобетонные колонны на два этажа сечением 400х400мм. Ригеля таврового сечения длинной 6,0м и 3,0м.
1
.3.4. Перекрытия сборные железобетонные с круглыми пустотами толщиной 220мм.
Таблица№2
1.3.5. Покрытие совмещённое не вентилируемое с кровлей из двух слоёв бикроста по утеплённому основанию. Водоотвод организованный, внутренний.

Перегородки гипсобетонные, прокатные 100мм.
Полы приняты в соответствии с назначением помещения 3-х типов, с покрытием из керамических плиток, дощатый с покрытием из линолеума, бетонные мозаичного типа с мраморной крошкой.
Т
аблица №3
1.3.8. Лестницы сборные железобетонные марши с накладными проступями, ограждения высотой 1м.

Окна деревянные с двойным остеклением. Двери деревянные одно и двупольные, щитовые глухие и остеклённые.

1.4. Наружная и внутренняя отделки здания.
Наружная отделка, заделка стыков между панелями, и фактурная отделка мраморной крошкой.
Внутренняя отделка, окраска водными составами, улучшенная масляная окраска, в санузлах и цехах по приготовлению пищи панель из керамической плитки на высоту 2,0м.
1.5. Инженерно-техническое оборудование здания.
1.5.1. Отопление от существующих сетей ТЭЦ, водяное двухтрубное, давление низкое, для обогрева помещений установлены радиаторы.
1.5.2. Вентиляция приточно-вытяжная с естественной тягой и с механическим побуждением.
1.5.3. Водоснабжение холодное, горячее от существующих сетей, хозяйственно-питьевая вода подается в цеха, санузлы, мойку, пожарные краны.
1.5.4. Канализация общественная.
1.5.5. Электроснабжение от существующих сетей подаётся в электрощитовую на первом этаже.
1.5.6. Газоснабжение от существующих сетей, для газовых плит в горячем цеху.
1.5.7.Предусмотрены лифты грузовые, грузоподъёмностью 100кг. Для удобства использования лифты связаны с загрузочной коридором.
| ПОЯСНИТЕЛЬНАЯ ЗАПИСКА | Лист | ||||||
| Изм. | Кол. | Лист | №док | Подпись | Дата | ||
3.2. Сетевой график производства работ по объекту.
3.2.1. Исходные данные для проектирования.
Исходными данными для проектирования сетевого графика являются чертежи, сметы, сроки строительства не должны превышать установленных СНиП 1-04.03-85. Условия строительства определяются сетевым графиком
Для обеспечения поточного строительства и сокращения сроков строительства на объекте предусмотрены машины: автомобильный кран КС–4561, бульдозер ДЗ-29, экскаватор ЭО-2621А, сварочный аппарат СТЭ-24, бетономешалка СБ-27 и др.
Для возведения объекта предусмотрены требующийся персонал: монтажники, каменщики, плотники, кровельщики, бетонщики, изолировщики, штукатуры, маляры, облицовщики.
3.2.2. Методика проектирования сетевого графика| Таблица 7 Ведомость подсчёта объёмов работ | ||
| Наименование работ и формулы подсчёта их объёмов | Объём работ | |
| ед. изм | кол-во | |
| 1 | 2 | 3 |
| Подготовительный период | дн | 20 |
| Планировка площадей бульдозером | 1000м2 | 0,81 |
| Разработка грунта II группы бульдозером мощностью до 59 кВт, с перемещением грунта до 50м | 1000м3 | 0,06 |
| Усиройство монолитных ж/б фундаментов стаканного типа. | 100шт | 0,21 |
| Установка фундаментных балок | 100шт | 0,15 |
| Укладка плит перекрытия на отметке -0,300 | 100 шт | 0,37 |
| Установка колонн в стаканы фундаментов весом до 1т | 100шт | 0,24 |
| Установка колонн в стаканы фундаментов весом до2т | 100шт | 0,16 |
| Укладка ригелей перекрытий и покрытий длинной до 6м | 100шт | 0,21 |
| Установка плит покрытий и перекрыти | 100шт | 0,73 |
| Укладка лестничных маршей | 100шт | 0,02 |
| Укладка лестничных площадок | 100шт | 0,01 |
| Установка перегородок до10м2 | 100шт | 1,62 |
| Установка панелей наружных стен до 10м2 | 100шт | 1,75 |
| Устройство пароизоляции оклеечной | 100м2 | 3,47 |
| Утепление покрытий плитами | 100м2 | 3,47 |
| Устройство кровли плоской двухслойной из рулонных кровельных материалов. | 100м2 | 3,47 |
| Установка оконных блоков с переплётами площ до2м2 | 100м2 | 0,1 |
| Установка оконных блоков с переплётами площ более2м2 | 100м2 | 0,77 |
| Установка дверных блоков | 100м2 | 0,91 |
| Устройство покрытий мозаичных | 100м2 | 2,71 |
| Устройство покрытий из керамических плиток | 100м2 | 1,76 |
| Штукатурка откосов | 100м2 | 2,58 |
| Улучшенная масляная окраска | 100м2 | 3,55 |
| Продолжение таблицы 7 | ||
| 1 | 2 | 3 |
| Водная окраска потолков и стен | 100м2 | 5,26 |
| Высококачественная отделка фасада | 100м2 | 1,52 |
| Покрытие пола из линолеума | 100м2 | 0,37 |
| Санитарно-технические работы | % | 8 |
| Электромонтажные работы | % | 6 |
| Благоустройство территории и прочие (неучтённые) работы | % | 15 |
3.2.3. Выбор методов производства основных видов строительно-монтажных работ.
3.2.3.1 Монтаж сборных конструкции осуществляется комбинированным методом, предусматривающим последовательное выполнение частных потоков. Число исполнителей и их квалификация в каждом потоке принята в соответствии с рекомендациями ЕниР.
3.2.3.2 Технико-экономическое обоснование выбора монтажного крана
Выбор крана производим из условия обеспечения монтажа плит покрытия при этом условия работы крана наименее благоприятны(стеновые панели и колонны кран может монтировать на минимальном вылете крюка, при этом грузоподъёмность и высота подъёма крюка будут максимальны).
Для строповки плит покрытия принимаю: Двухветвевой строп грузоподъёмностью 3т. массой 0,09т (90кг) и высотой строповки 4,2 м(см. С. К. Хамзин «Курсовое и дипломное проектирование» таблица 6, №12)
Определяем требуемую высоту подъёма крюка крана.
Нтркр=ho+h3+h3+hc=3.0+3.0+1.08+4.2=11.28 принимаю 12м
Определяем требуемый вылет крюка крана
Lтркр= (Нтркр+hп-hш) * (e+c+d)/( hс+hп+h3+h3) +Б= (11,28+1-1)*(0,5+0,5+3)/(1+4,2+0,18+0,5)+1,5=9,17 принимаю 10м
Определяем требуемую длину стрелы крана.
Lтрстр= (Нтркр+hп-hш) 2+(Lтркр-Б) 2=(11,28+6,0+0,4-1) 2+(9,17-1,5) 2= 21,35 принимаю 22м
Определяем требуемую грузоподъёмность крана.
Qтркр=0,72+0,09=0,81т принимаю 1.0т
Для экономического сравнения подбираю самоходные краны на разных базах.
( пользуясь справочником В.П. Станевского «Строительные краны».)
Пневмоколёсный кран КС-4561 Гусеничный кран МКГ - 25БР
Нкр =15,5м Нкр=33,0м
Lкр=10,0м Lкр = 10,0м
Lстр = 22,0м Lстр =21,1м Qкр = 2,0т Qкр =4,5тQmax = 5,5т Qmaх=6,0т
rп = 2,1м rп = 3,0м
Определяем стоимости эксплуатации вариантов кранов.
С=(См-см*Т+Е)*Кинд
СКС-4561=(22-6*170+4,23+4-07*80)*Кинд=4171,83 руб-коп
СМКГ-25БР=(25-6*170+44-10+0-40*80)*Кинд=4428,1 руб-коп
ВЫВОД: для монтажа конструкций принимаю автомобильный кран КС-4561, как более экономичный.
3.2.3.3 Технико-экономическое обоснование выбора экскаватора
Выбор экскаватора производится из условий организации и технологии работ нулевого цикла. Грунт II группы, навымет при глубине навымет не более 1,5м т=1:0,5=2, глубиной 1,07м
Согласно СНиП 3.02.01-87 т№2 определяем ширину и длину котлована по дну.
а=13,50 м
в=25,50м
Размеры котлована по верху
а1 =а+2*т*Н=13,50+2*0,25*1=14,00м
в1 =в+2*т*Н=25,50+2*0,25*1=26,00м
Определяем объем котлована по формуле Симпсона

Согласно Е2 в1-11 т.2при глубине 1,0м и IIгр грунт принят экскаватор с ёмкостью ковша 0,15 и 0,3 м 3, что соответствует их маркам ЭО-3311 и ЭО-1621 с зубьями (Е2-1-11 т.1)
Определяем трудоёмкость работ (ч-дн) и (м-см) по каждому варианту.
Согласно Е2-2-11 т.3 №2
Нвр=4,2 ч-час на 100м 3
Нм-вр=4,2 м-час
![]()
Тпл=1м-см
Согласно Е2-1-11 т3№1з Нвр=10,15ч-час Нм-вр=10,15 м-см на 100м 3
![]()
![]()
Тпл=4,0 м-см
Определяем трудоёмкости работ и стоимости эксплуатации экскаваторов.
![]()
![]()
Вывод: Для разработки котлована навымет в грунтах II группы на глубину 1,0м применяем экскаватор ЭО-3311 с обратной лопатой, с механическим приводом, ковш с зубьями, как более экономичен.
3.2.4 Определение трудоемкостей работ, их исполнителей, укрупнение перечня работ
3.2.4.1 При разработке объектного сетевого графика трудоемкости планируемых работ определяют по ГЭСН-2001
3.2.4.2 Квалификационный состав исполнителей устанавливаются согласно рекомендациям ЕНиР.
3.2.4.3 Номенклатура (перечень) и объемы работ, их трудоемкости, составы исполнителей, применяемые машины и механизмы, потребность в материалах и конструкциях систематизируются в таблицу 8 «Карточка определителей работ и ресурсов»
3.2.5 Техника безопасности на основные виды работ.
Требования приведены в соответствии со СНиП 4-12-2002 «Техника безопасности в строительстве. Часть2. Строительное производство».
3.2.5.1 Земляные работы
Производство земляных работ в охранной зоне кабелей высокого напряжения, действующего газопровода, других коммуникаций... необходимо осуществлять по наряду-допуску после получения разрешения от организации, эксплуатирующей эти коммуникации или органа санитарного надзора. Производство работ в этих условиях следует осуществлять под непосредственным наблюдением руководителя работ, а в охранной зоне кабелей, находящихся под напряжением, или действующих газопроводов, кроме того, под наблюдением работников организаций, эксплуатирующих эти коммуникации.
При работе экскаватора не разрешается производить другие работы со стороны забоя и находиться работникам в радиусе действия экскаватора плюс 5м.
Автомобили-самосвалы при разгрузке на насыпях, а также при засыпке выемок следует устанавливать не ближе 1 м от бровки естественного откоса; разгрузка с эстакад, не имеющих защитных (отбойных) брусьев, запрещается.
3.2.5.2 Кровельные работы
При выполнении кровельных работ по устройству мягкой кровли из рулонных материалов и металлической или асбестоцементной кровли необходимо предусматривать мероприятия по предупреждению воздействия на работников следующих опасных и вредных производственных факторов, связанных с характером работы:
расположение рабочего места вблизи перепада по высоте 1.3 м и более;
повышенная загазованность воздуха рабочей зоны;
- повышенная или пониженная температура поверхностей оборудования, материалов и воздуха рабочей зоны;
- острые кромки, заусенцы и шероховатость на поверхностях оборудования, материалов
повышенное напряжение в электрической цепи, замыкание которой может пройти через тело человека.
3.2.5.3 Отделочные работыПри выполнении отделочных работ (штукатурных, малярных, облицовочных, стекольных) необходимо предусматривать мероприятия по предупреждению воздействия на работников следующих опасных и вредных производственных факторов, связанных с характером работы:
повышенная запыленность и загазованность воздуха рабочей зоны;
расположение рабочего места вблизи перепада по высоте 1.3 м и более;
- острые кромки, заусенцы и шероховатость на поверхностях отделочных материалов и конструкций;
- недостаточная освещенность рабочей зоны.
При выполнении окрасочных работ с применением окрасочных пневматических агрегатов необходимо:
- до начала работы осуществлять проверку исправности оборудования, защитного
заземления, сигнализации;
в процессе выполнения работ не допускать перегибания шлангов и их прикосновения к
подвижным стальным канатам;
отключать подачу воздуха и перекрывать воздушный вентиль при перерыве в работе или
обнаружении неисправностей механизма агрегата.
При работе с растворонасосом необходимо:
удалять растворные пробки, осуществлять ремонтные работы только после отключения
растворонасоса от сети и снятия давления;
осуществлять продувку растворонасоса при отсутствии людей в зоне 10 м и ближе;
держать форсунку при нанесении раствора под небольшим углом к оштукатуриваемой поверхности и на небольшом расстоянии от нее.
Подъем и переноску стекла к месту его установки следует производить с применением соответствующих приспособлений или в специальной таре.
Раскрой стекла следует осуществлять в горизонтальном положении на специальных столах при положительной температуре.
3.2.5.4 Каменные работы.
При перемещении и подачи на рабочее место грузо подъёмным и кранами кирпича следует применять поддоны, контейнеры и грузозахватные устройства, исключающие падение груза при подъеме.
При толщине стены более 0,75 м. разрешается производить кладку со стены применяя предохранительный пояс. Без устройства защитных козырьков допускается вести кладку стен высотой до 7 м. с обозначением опасной зоны по периметру здания.
3.2.6. Технико-экономические показатели.
Тн - нормативная продолжительность строительства объекта в днях.
Тпл - планируемая продолжительность строительства объекта в днях.
Кпр
-коэффициент продолжительности строительства объекта.
![]()
Qн- нормативная трудоёмкость в чел-днях.
Qпл- планируемая трудоёмкость в чел-днях.
![]()
-коэффициент неравномерности движения рабочих в потоке.
N макс- число рабочих, занятых в наиболее многочисленной смене.
N ср- среднее число рабочих в потоке.
РАСЧЕТНО-КОНСТРУКТИВНАЯ ЧАСТЬ.
2.1.Расчет фундамента по оси А(В)
2.1.2.Грунтовые условия стройплощадки.
Площадка .№1
Таблица физических характеристик грунта
| № образца | №скважины | Глубина отбора образца | Гранулометрический состав грунта ,% | WL | WP | Плотн ость р, г/см1 | Плотно сть р г/см1 | Влаж ность W, % | ||||||
| >200 | 200 10 | 10 2 | 2 0.5 | 0.5 0.25 | 0.25 0.1 | <0.1 | ||||||||
| 1 | 1 | 2,5 | 0,0 | 0,0 | 0,0 | 0,1 | 0,9 | 20, | 79,0 | 30 | 18 | 2,70 | 1,93 | 23 |
| 2 | 1 | 5,0 | 0,0 | 0,0 | 0,0 | 0,5 | 0,5 | 2,0 | 97,0 | 53 | 30 | 2,74 | 1,92 | 36 |
| 3 | 2 | 7,0 | 0,0 | 0,0 | 1,0 | 8,0 | 8,0 | 25,0 | 58,0 | 16 | 10 | 2,67 | 2,18 | 16 |
| 4 | 2 | 11,0 | 0,0 | 0,0 | 1,0 | 14,0 | 21,0 | 40,0 | 24,0 | 0 | 0 | 2,66 | 2,00 | 25 |
| 5 | 3 | 14,5 | 0,0 | 0,0 | 0,0 | 1,0 | 1,0 | 2,0 | 96,0 | 44 | 24 | 2,74 | 2,00 | 27 |
2.1.3. Исследование грунтов.
Образец №1 с глубины 2м где WL =0,30 Wp =0,18 грунт глинистыйЧисло пластичности:
1)
р =
- грунт суглинок (приложение 5 таб. 4)
Показатель консистенции:
2) L =
- Грунт суглинок тугопластичный (приложeние 5 таб. 5)
Определяем коэффициент пористости:
3) е =(1+W)рs/р -1=(1+0.23)х2.7/1.93 -1 =0.72
Степень влажности:
4) Sr=Wрs /е=0.23 х 2,7/0.72=0,86 - грунт не просадочный
Т.к S>0.8 грунт не просадочный
Удельное сцепление Сn= 24 кПа
Угол внутреннего трении φn = 21˚
Условное расчетное сопротивление Ro=200 КПа
Вывод: грунт суглинок тугопластичный - может служить естественным основанием.
Образец №2 с глубины 4,6м где WL = 31 Wp = 18 -грунт глинистый
Число пластичности:
1)
р =
- грунт суглинки (по приложению 5 табл.4)
Показатель консистенции:
2) L =
-суглинки мягкопластичные(по приложению 5 табл.4)
Определяем коэффициент пористости:
3) е = ![]()
Степень влажности:
4)
СN=25 кПа
φ=21,5
R0=180 кПа
Вывод: так как 0,9>0,8 грунт суглинки мягкопластичные насыщенные водой непросадочные, может служить естественным основанием
Образец №3 с глубины 7м где WL = 0,53 Wp = 0,30
Число пластичности:
1)
р =
-грунт глина (приложение 5 таб. 4)
Показатель консистенции
2) L =
- глина тугопластичная (приложение 5 таб. 5)
Коэффициент пористости:
е = ![]()
Степень влажности:
![]()
Т.к Sr>0.8 грунт непросадочный
Удельное сцепление Сп= 37кПа
Угол внутреннего трения φn =14˚
R0=210 кПа
Вывод: грунт глина тугопластичная, не просадочная может служить естественным основанием
ТАБЛИЦА №1 СБОРА НАГРУЗКИ НА 1 кв. м. ПОКРЫТИЯ
| Вид и подсчёт нагрузки | q нкПа |
| q кПа | примечание |
| Постоянные 1 бикрост 2 слоя 6•0,005•6 2 цементно-песчаная стяжка 0,02•1м•20 3 утеплитель 0,18•1м•20 4 пароизоляция 0,006•8,5 5 от плиты | 0,03 0,4 0,8 0,03 2,75 | 1,3 1,3 1,3 1,3 1,1 | 0,039 0,52 1,04 0,039 3,03 | Табл. ЖБК |
| Итого: Временные Снеговая нагрузка | 4,01 1,26 | 1,4 | 4,67 1,8 | СНиП |
| Полная нагрузка | 5,27 | 6,47 |
ТАБЛИЦА №2 СБОРА НАГРУЗКИ НА 1 кв. м. ПЕРЕКРЫТИЯ
| Вид и подсчёт нагрузки | q нкПа |
| q кПа | примечание |
| Постоянные 1 от дощатого пола 0,054•5 2 цементно-песчаная стяжка 0,02•20 3 от собственного веса плиты | 0,27 0,4 2,75 | 1,1 1,3 1,1 | 0,30 0,52 3,03 | Табл. ЖБК |
| Итого: Временные Полезная нагрузка на перекрытие | 3,42 0,7 | 1,3 | 3,85 0,91 | |
| Полная нагрузка | 412, | 4,76 |
Эскиз №1 Деталь покрытия.

Эскиз №2 Деталь перекрытия.

Эскиз №3 Грузовая площадка фундамента.

Таблица№3 сбора нагрузок на фундамент.
| Вид и подсчёт нагрузки | q нкПа |
| q кПа | примечание |
| Постоянные 1 от плит покрытия 4,32•22 2 от плит перекрытия 5,18•22 3 стеновые панели 0,4•97,8-1,8•9 4 колонны 5 балки фундаментные 6 цокольные панели 7 ригеля 6м 8 ригеля 3м | 95,04 171,45 38,02 6,25 5,5 5,3 9 4,5 | 1,2 1,2 1,2 1,2 1,2 1,2 1,2 1,2 | 114,05 205,74 45,62 7,5 6,6 6,36 10,8 5,4 | |
| Итого: Временные | 335,06 | 402,07 | ||
| Полная нагрузка | 335,06 | 402,07 |
2.1.4. Определение глубины заложения фундамента из 2-х условий.
Исходя из глубины промерзания грунтов наружных стен.
От глубины промерзания грунта и пучинистости.
Для этого
-норма глубины промерзания, здесь d0 = 0.23 п.2,27 для суглинков;
М
t = 64.4 0 для Кургана.
![]()
Кh = 0,4 из т.1 стр.6 СНиП 2.02.01.-83
согласно т.2 делается вывод, что
т.е.1,00м
из двух условий принимаем d =1,0м
2.1.5. Определение размеров подошвы фундамента с проверкой давления.
Размер подошвы
принимаются для проверки вхL=1,5мх1,5м
Проверка
; здесь ![]()
![]()

кн/м 3-удельный вес грунта выше подошвы и ниже подошвы.
![]()

![]()
имеется
с небольшим запасом, следовательно размеры подошвы не уменьшаются при вхL = 1,5х1,5 получили Р = 168,91 кПа; R = 181,1 кПа, принимаем вхL = 1,5х1,5
С
ечение фундамента.
2.2. Расчет плиты перекрытия ПК 58 - 12
2.2.1. Рассчитать из условия прочности и законструировать плиту ПК 58.12 с номинальным пролётом L = 6м, номинальной шириной В н = 1,2м для междуэтажного перекрытия обеденного зала столовой.
вр = 20см
ар =10см
![]()
ТАБЛИЦА №4 СБОРА НАГРУЗКИ НА 1 кв. м. ПЕРЕКРЫТИЯ
| Вид и подсчёт нагрузки | q нкПа |
| q кПа | примечание |
| Постоянные от дощатого пола 5,50*0,05 цементно-песчаная стяжка 20,00*0,02 о | 0,27 0,4 2,75 3,42 3 | 1,1 1,3 1,1 1,2 | 0,30 0,52 3,03 3,85 3,6 | |
| Полная нагрузка | 6,35 | 7,36 |
Железобетонная плита ПК относится к линейным элементам, т.е. имеет балочную расчётную схему с равномерно распределённой по длине нагрузкой.
Определяется расчетная нагрузка на 1м. п. плиты:
![]()
2.2.2. Расчётная схема плиты.

2.2.3. Расчетные данные для подбора сечений.
Бетон В-30 Rв = 17мПа Rst =1,2мПа
Продольная рабочая арматура А-II Rs =280,0
Распределительная поперечная арматура и монтажных петель из стали А-I
Rs = 225мПа Rsw = 175мПа
Арматурная сетка для армирования верхней полки из стали Вр-I Rs =360мПа
Высота плиты типовая.
Принято h=22см. Конструируется поперечное сечение плиты, при этом толщина полок назначается по 30мм, толщина промежуточных ребер не менее 25мм, крайних ребер не менее 35мм.
Расчетное сечение плиты приводится к тавровому сечению. Ширина ребра таврового сечения в=24см - это суммарная толщина ребер плиты с учётом замоноличенных швов.
Поперечное сечение.

Расчетное сечение.

Назначается а = 3см.Тогда рабочая высота сечения: h0 =h-а=22-3=19см.
2.2.4. Расчет прочности нормальных сечений.
Расчетная ширина верхней полки вf =B Н=120см, т.к. в пустотных плитах полка предохранена от потери устойчивости частым расположением ребер.
Коэффициент ![]()
По таблице 3,1 (19)
![]()
Высота сжатой зоны бетона.
![]()
Следовательно, имеется один случай расчета таврового сечения.
Площадь рабочей арматуры.
![]()
По сортаменту стержневой арматуры принимаются рабочие стержни.
2 Ш16 + 5 Ш12 А-II Аs = 9,67 размещаем в каждое ребро.
Эти продольные стержни объединяют в сварную сетку распределительными стержнями Ш 5 Вр-I принятыми по таблице т1.1 из условия сварки.
Шаг распределительных стержней S = 250мм
2.2.5. Расчет прочности наклонных сечений.
Проверяется условие необходимости в поперечной арматуре.

принимаем ![]()
Следовательно, поперечная арматура по расчету в плите не нужна, но при h>150мм требуется конструктивно согласно п. 5.26; 5.27 СНиП 2.03.01-84
Назначается dsw=6мм A-I; nsw=3; Asw=0.283см 2
Шаг поперечной арматуры у опор плиты S
h|2 = 11см из условий конструирования
S
150мм; принимается S = 10см
Проверка правильности расстановки.

1,485>1,44-условие выполняется.
![]()
31,46кН < 136,11кН - условие выполнено, расстановка арматуры достаточна в средней
части плиты на L|2 поперечная арматура не ставится, т.к. h<300мм.
2
.2.6. Проверочный расчет плиты на воздействие усилий, возникающих при перевозке, монтаже.
Конструктивная длинна плиты при опирании её на ригель таврового сечения.
Lкон = L-вр-2*2см = 6-0,2-0,04 = 5,76м или принимается по каталогу Ж.Б.И.
Расположение монтажных петель и подкладок при транспортировании рекомендуется от концов плиты на расстоянии L1
0,15*1кН = 0,15*5,76 = 0,86м, принимается L1 =0,5м
Расчетная схема плиты при перевозке, монтаже.

На плиту при перевозке, монтаже действует нагрузка от собственного веса с учетом динамического её воздействия:
qсв = qсвн*В*
(кН/м.п.)
здесь qсвн = 2,75кН/м - вес 1м плиты.
В = 1,19-конструктивная ширина плиты.
=1,6-коэффициент (надежности) для динамических нагрузок.
qсв = 2.75*1.19*1.6 = 5.23
Изгибающий момент, возникающий на условных опорах плиты.
![]()
Этот момент воспринимается продольной арматурой сварной сетки в верхней полке плиты. Необходимое количество этой арматуры на 1м, по ширине плиты определяется из расчета нормального сечения плиты:

по таблице 3.1 ![]()
![]()
По сортаменту сварных сеток принимается сетка с продольной рабочей арматурой.
150/250/4/3 Аs = 0,87см В-I

2.2.7. Определяем диаметр монтажных петель.
Предполагается, что при подъёме плиты её вес может оказаться переданным на две петли из четырёх. Тогда усилие, приходящееся на одну из петель
![]()
Требуемая площадь поперечного сечения петли:
По сортаменту принимается петля Ш12 А-I Аs = 0,785
Проверка:
Pmax= N/A + Gct
Pmax ≤ 1,2R
Gcm-вес стакана
Gcm =1Ч1,5Ч1,5Ч24=54 кПа
Pmax =335,06 +54/1,5Ч1,5=172,9 кПа
Pmax =172,9 кПа ≤ 1,2 R=1,2 Ч181,1=217,32 кПа