| Скачать .docx |
Курсовая работа: Железобетонный мост под однопутную железную дорогу
Московский Государственный Университет Путей Сообщения (МИИТ)
Институт Пути, Строительства и Сооружений
Кафедра: «Мосты».
Курсовая работа
«Железобетонный мост под однопутную железную дорогу».
Выполнила: студентка гр.СЖД-411
Косухина Е.И.
Проверил: Ткач А.С.
Москва-2009г.
Содержание:
1. Расчет пролетного строения……………………………………………………………………3-5
1.1. Описание схемы мостового перехода и определение основных параметров балки……...3-4
1.2. Для расчета на прочность……………………………………………………………………….4
1.3. Для расчета на выносливость…………………………………………………………………4-5
1.4. Для расчета на трещиностойкость……………………………………………………………...5
2. Назначение основных параметров и определение площади рабочей арматуры…………….5-7
3. Расчет на прочность по изгибающему моменту сечений нормальных к продольной оси элемента……………………………………………………………………………………………..7-8
4. Определение приведенных геометрических характеристик сечения. ……………………...9-10
5. Расчет по образованию трещин нормальных продольных оси элемента………………….10-11
6. Определение потерь предварительного напряжения………………………………………..11-12
7. Расчет плиты балластного корыта……………………………………………………………13-15
8. Определение прогиба в балке…………………………………………………………………….15
1. Расчет преднапряжённого балочного пролетного строения
Пролётное строение состоит из двух одинаковых главных балок, поэтому производится расчёт одной балки.
- длина расчетного пролета балки,
где
- длина полного пролета балки
- нагрузка от собственного веса блока.
- нагрузка от веса балласта с частями ВСП.
- временная нагрузка ( определяется по СНиПу в зависимости от
)
- площадь линии влияния
1) ![]()
![]()
![]()
2) ![]()
![]()
![]()
3) ![]()
![]()
![]()
4) ![]()
![]()
![]()
1.2. Для расчета на прочность.
-
коэффициент надежности от собственного веса.
-
коэффициент надежности от веса балласта.
- коэффициент надежности от действия временной нагрузки.
- динамический коэффициент.
![]()
![]()
![]()
1.3. Для расчета на выносливость.
где
- коэффициент, учитывающий редкую повторяемость особо тяжелых нагрузок.
![]()
![]()
![]()
![]()
1.4. Для расчета на трещиностойкость.
где
- коэффициент, учитывающий редкую повторяемость особо тяжелых нагрузок.
![]()
2. Назначение основных параметров и определение
площади рабочей арматуры
- высота балки
![]()
![]()
![]()
- расстояние от центра тяжести нижней рабочей арматуры до нижней грани.
- расстояние от центра тяжести верхней рабочей арматуры до верхней грани.
![]()

-приведенная толщина плиты.
- площадь треугольника.

Площадь определяется приближенно, исходя из условия предельного равновесия:
![]()
где
- момент в середине пролета( для расчета на прочность).
- предельный момент, определяется как момент относительно центра тяжести сжатой зоны:
![]()

- рабочая высота сечения, это расстояние от центра тяжести нижней рабочей арматуры до верхней грани.
- плечо внутренней пары сил, это расстояние от центра тяжести нижней рабочей арматуры до центра сжатой зоны.
- расчетное сопротивление бетона ( для класса
).
- расчетное сопротивление преднапрягаемой арматуры.
- соответственно площадь нижней и верхней рабочей арматуры.
![]()
На данной стадии расчета величина сжатой зоны
не известна, её с достаточной степенью точности можно заменить на ![]()
![]()
![]()
В качестве рабочей арматуры принимаем пучки высокопрочной проволоки, каждый пучок состоит из 24 проволочек, каждая диаметром 5 мм. Следовательно площадь пучка равна 4,71 см².
![]()
В качестве верхней рабочей арматуры без расчета принимаем 2 пучка высокопрочной проволоки:
![]()
![]()
- условие выполняется.
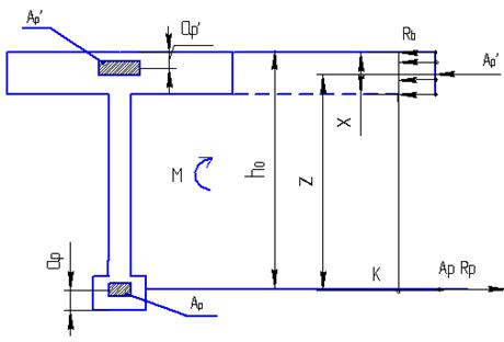
3. Расчет на прочность по изгибающему моменту сечений нормальных к продольной оси элемента.
Цель расчёта: гарантировать конструкцию от разрушения под воздействием наиболее тяжелой нагрузки.
В результате расчета уточняется необходимое количество рабочей арматуры и проверяется величина сжатой зоны.
Условие прочности по первой группе предельных состояний:
![]()
где М – момент, действующий от веса балласта, Мlim – предельный момент который может воспринять сечение, определяется из следующих предпосылок:
1. В сжатой зоне сечения сопротивление бетона сжатию ограничивается напряжениями Rb – равномерно распределенному по высоте сжатой зоны.
2. В растянутой зоне образуется сквозная трещина, сопротивляемость бетона растяжению полностью исключается. Все усилия этой зоны передается арматуре.
3. Растягивающие напряжения в арматуре ограничиваются расчетным сопротивлением арматуры растяжению - Rp = 10200 кг/см2 .
4. Сжимающиеся напряжения в напрягаемой арматуре ограничиваются наибольшими сжимающими напряжениями -
.
Возможно 2-а случая расчета:
1. Сжатая зона находится в пределах плиты (x<h'f );
2. Сжатая зона выходит из пределов плиты (x>h'f )
Величина сжатой зоны x определяется из условия равенства проекции всех сил на горизонтальную ось:

Наибольшие напряжения в напрягаемой арматуре, расположенные в сжатой зоне определяются по формуле:
![]()
где
- наибольшее сжимающее напряжение в напрягаемой арматуре.
![]()
![]()
![]()
![]()
![]()
![]()
- условие выполняется.
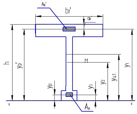
4. Определение приведенных геометрических характеристик сечения.
-
приведенная площадь сечения.
-
координата центра тяжести.
-
приведенный момент инерции.
![]()
- площадь бетона по контуру.
- отношение модулей упругости арматуры и бетона.
- уменьшение на 1 исключает площадь бетона занятую арматурой, имеющей сцепление с бетоном.
![]()
![]()
![]()
Приведенный статический момент относительно произвольной оси:
![]()
![]()
![]()
![]()
Приведенный момент инерции относительно нижней грани:
![]()
![]()
![]()
![]()
![]()
![]()
5. Расчет по образованию трещин нормальных продольных оси элемента.
Обеспечение надежности конструкции против образования поперечных трещин или их ограниченного раскрытия в растянутой от внешней нагрузки зоне в зависимости от категории трещиностойкости.
В результате расчета определяются необходимые напряжения от предварительного обжатия арматуры
и усилий натяжения арматуры
, обеспечивающие поперечную трещиностойкость конструкции в стадии эксплуатации, при этом в конструкции допускается появление растягивающих напряжений и при этом условии трещиностойкости записывается в следующем виде:
![]()
где
- растягивающее напряжение в бетоне в растянутой зоне.
- для бетона класса B40.
- для бетона класса B50.
Расчетная схема и эпюры нормальных напряжений:

Для конструкции с натяжением на упоры ( при
напряжения
связаны следующим образом):
(1)
где
- величина сжимающих предварительных напряжений в бетоне нижней фибры от усилий натяжения арматуры.
Растягивающее напряжение в нижней фибре от внешних постоянных и временных нормативных нагрузок определяется по формуле:
![]()
Так как в рассматриваемой фибре допустимы лишь ограниченные растягивающие напряжения
, то после приложения усилий обжатия именно они и должны сохранится.
![]()
где
- для конструкции с натяжением арматуры на упоры.
Из формулы (1) получим величину установившихся предварительных напряжений:


Найденные напряжения в арматуре обеспечивают требования по трещиностойкости сечений нормальных к продольной оси балки в стадии эксплуатации.
6. Определение потерь предварительного напряжения
Первые потери появляются в стадии обжатия бетона.
Вторые потери в стадии эксплуатации.
σ1 – от релаксации напряжений арматуры при механическом способе натяжения
(σ1 = 700 кг/см2 )
σ2 – потери от температурного перепада при натяжении на упоры (σ2 = 700 кг/см2 )
σ3 – потери от деформации анкеров расположенных у натяжных устройств
(σ3 = 250 кг/см2 )
σ4 – потери от трения арматуры (σ4 = 0 кг/см2 )
σ5 – потери от деформации стальной формы (σ5 = 0 кг/см2 )
σ6 – потери от ползучести (σ6 = 350 кг/см2 )
σ7 – потери от усадки бетона (σ7 = 350 кг/см2 )
σ8 – потери от ползучести бетона (σ7 = 800 кг/см2 )
Контролируемое напряжение в арматуре σр т.е. напряжения которые создаются при натяжении арматуры должны быть больше установившихся напряжений на величину возможных потерь.
![]()
![]()
![]()
![]()
- условие выполняется.
7. Расчет плиты балластного корыта.

Расчет плиты производится как расчет консольной балки жестко защемленной в ребре.
- временная нагрузка на длине ![]()
- нагрузка от балласта с частями ВСП на длине ![]()
- нагрузка от собственного веса блока на длине ![]()
- тротуарная нагрузка на длине ![]()
Временная нагрузка определяется по формуле:
![]()
где
- класс нагрузки.
Определим момент в заделке:
![]()
![]()
где
- динамический коэффициент.
- коэффициент надежности от действия временной нагрузки
![]()
где
- коэффициент надежности от веса балласта.
- нагрузка от веса балласта с частями ВСП.
![]()
где
- коэффициент надежности от собственного веса.
- нагрузка от собственного веса.
![]()
где
- коэффициент надежности от тротуарной нагрузки.
- тротуарная нагрузка.
![]()
Далее производим расчет 1 погонного метра плиты вдоль оси моста:

- расстояние от центра тяжести рабочей арматуры до верхней грани
![]()
-расстояние от центра тяжести арматурыдо центра тяжести сжатой зоны.
Определим требуемое количество арматуры:
![]()
где
- расчетное сопротивление стали.
В качестве рабочей арматуры принимаем гладкие стержни диаметром 1,2 см.
Площадь одного стержня ![]()
на 1 метр ![]()
Далее определим высоту сжатой зоны x из условия равенства проекции всех сил на горизонтальную ось:
![]()
Шаг арматуры равен ![]()
Определим предельный момент в первой расчетной схеме:
![]()
- условие выполняется.
Определим момент во второй расчетной схеме:
![]()
- условие выполняется.
8.Определение прогиба в балке.
Предельнодопускаемый прогиб по СНиПу:
![]()
Определим прогиб от временной нагрузки:

где 0,85 – коэффициент, учитывающий неупругие деформации бетона при кратковременном приложении нагрузки.
V – равномерно распределенная нагрузка, приходящаяся на одну балку.
- модуль упругости бетона.
- условие выполняется.