| Скачать .docx |
Реферат: Испытание стержней на устойчивость
Министерство образования Российской Федерации
Государственное образовательное учреждение
высшего профессионального образования
Череповецкий Государственный Университет
Кафедра Сопротивление материалов
Лабораторная работа № 1
«Испытание стержней на устойчивость»
Выполнил студент
группы 5 ЭН – 22
Малинин М.С.
Проверил профессор
Титов В.А.
г. Череповец
2007 г
Цель работы
Определение критической силы для центрального сжатого стержня и пределов применения расчетных формул
Задачи работы
· Определить предельную гибкость
· Определить фактическую гибкость для двух типов закрепления концов стержня
· Сделать вывод о выборе формулы для определения критической силы
· Определить критическую силу для двух типов закрепления концов стержня.
Основные теоретические положения
При осевом сжатии стержней, поперечные размеры которых малы по сравнению с длиной, может произойти потеря устойчивости стержня, т.е. стержень будет искривляться в плоскости наименьшей жесткости.
Наименьшее значение нагрузки, при которой прямолинейная форма равновесия стержня становится неустойчивой, называется критической силой.
В случае, когда потеря устойчивости происходит при напряжениях, не превосходящих предела пропорциональности, критическая сила Pкр определяется по формуле Эйлера: P кр = π 2 · E · У min / (μ · l ) 2
E – модуль продольной упругости материала стержня;
У min – минимальный осевой момент инерции поперечного сечения стержня;
μ – коэффициент приведения длины, который зависит от способа закрепления концов стержня;
l – длина стержня.
Если потеря устойчивости происходит при напряжениях, превосходящих предел пропорциональности, критическую силу вычисляют через критические напряжения σкр, которые определяют по формуле Ясинского:
σ кр = a – b · λ
где a и b – коэффициенты, зависящие от материала стержня
(для стали a = 310 МПа, b = 1,4 МПа)
λ – гибкость стержня.
Практически применимость той или другой формулы для вычисления критической силы устанавливают сравнением гибкости стержня λ с предельной гибкостью для материала стержняλ пред , которые определяются по формулам:
λ = μ · l / ί min λ пред = √ π 2 · E / σ пц
где σ пц - предел пропорциональности материала стержня
ί min - минимальный радиус инерции площади Fпоперечного сечения стержня, определяемый по формуле: ί min = √У min / F
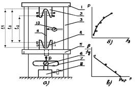
Схема установки

a) схема установки
b) график нагрузка – прогиб
c) определение критической нагрузки
Состав установки
1. Верхняя траверса
2. Верхний зажим для закрепления стержня
3. Четыре стойки
4. Нижний зажим для закрепления стержня
5. Нижняя траверса
6. Индикатор
7. Динамометр
8. Силовой механизм
9. Стержень
10. Индикатор для измерения прогибов стержня
Данные о стержне при μ = 1 : l = 87 см, h= 5,1 мм, b= 4,05 см
Данные о стержне при μ = 0,7 : l = 84,25 см, h= 5,1 мм, b= 4,05 см
Результат измерений
| μ = 1 | ||||||||||
| Нагрузка P | мм | 0 | 42 | 85 | 130 | 172 | ||||
| Н | 0 | 200 | 400 | 600 | 800 | |||||
| Прогиб fg, мм · 10-2 | 92 | 111 | 145 | 191 | 354 | |||||
| μ = 0,7 | ||||||||||
| Нагрузка P | мм | 90 | 172 | 200 | 346 | 432 | ||||
| Н | 400 | 800 | 1200 | 1600 | 2000 | |||||
| Прогиб fg, мм · 10-2 | 9 | 21 | 50 | 99 | 338 | |||||
μ = 1 μ = 0,7


Вычисление теоретического значения P кр
Для μ = 1
Уmin = b · h3 / 12 = 4,05 · 0,513 / 12 = 44,76 · 10-11 м4
F = b · h = 0,002 м2
ί2 = Уmin / F = 44,76 · 10-11 / 0,002 = 2,24 · 10-6 м2
ίmin= 1,49 · 10-3 м
λ = μ · l / ίmin = 1 · 0,87 / 1,49 · 10-3 = 584
λпред = √ π2 · E / σпц = √10 · 2 · 1011 / 2 · 108 = 100
Т.к. λ > λпред то Pкр= π2 · E· Уmin / (μ · l) 2 =
= 10 · 2 · 1011 · 44,76 · 10-11 / (1 · 0,87)2 = 1182,7 H
Для μ = 0,7
Уmin = b · h3 / 12 = 4,05 · 0,513 / 12 = 44,76 · 10-11м4
F = b · h = 0,002 м2
ί2 = Уmin / F = 44,76 · 10-11 / 0,002 = 2,24 · 10-6 м2
ί min = 1,49 · 10-3м
λ = μ · l / ίmin = 0,7 · 0,8425 / 1,49 · 10-3 = 395
λпред = √ π2 · E / σпц= √10 · 2 · 1011 / 2 · 108 = 100
Т.к. λ > λпредто Pкр= π2 · E · Уmin / (μ · l) 2 =
= 10 · 2 · 1011 · 44,76 · 10-11 / (0,7 · 0,8425)2 = 2560 H
Расчет погрешности измерений
Δ1 = Pкртеор – Pкропыт / Pкртеор = 1182,7 – 1045 / 1182,7 = 11,6 %
Δ2 = Pкртеор – Pкропыт / Pкртеор = 2560 – 2240 / 2560 = 12,5 %
Результаты определения критической силы
Схема закрепления |
Значение Pкр, H | Расхождение, % | |
| опытное | теоретическое | ||
| μ = 1 | 1045 | 1182,7 | 11,6 |
| μ = 0,7 | 2240 | 2560 | 12,5 |
Вывод
В ходе лабораторной работы мы определили критическую силу Pкр для центрального сжатого стержня и пределов применения расчетных формул. В процессе вычислений было выяснено, что для нахождения критической силы нужно использовать формулу Эйлера. Расчеты показали следующие значения: при μ = 1 Pкртеор = 1182,7 Н, при μ = 0,7 Pкртеор = 2560 Н; по графику видно, что при μ = 1 Pкропыт = 1045 Н, при μ = 0,7 Pкропыт = 2240 Н. Полученная ошибка (11,6% и 12,5%) объясняется погрешностью лабораторной установки, снятием показаний приборов и неточностью расчетов.