| Скачать .docx |
Реферат: Производство работ по монтажу блоков фундаментов стаканного типа
#G0
ТИПОВАЯ ТЕХНОЛОГИЧЕСКАЯ КАРТА (ТТК)
ПРОИЗВОДСТВО РАБОТ ПО МОНТАЖУ БЛОКОВ ФУНДАМЕНТОВ СТАКАННОГО ТИПА
1. ОБЛАСТЬ ПРИМЕНЕНИЯ
1.1. Типовая технологическая карта (именуемая далее по тексту ТТК) разработана на комплекс работ по монтажу блоков фундаментов стаканного типа промышленных зданий.
1.2. Типовая технологическая карта предназначена для использования при разработке Проектов производства работ (ППР), Проектов организации строительства (ПОС), другой организационно-технологической документации, а также с целью ознакомления рабочих и инженерно-технических работников с правилами производства монтажных работ.
1.3. Цель создания представленной ТТК - показать технологическую последовательность строительных процессов и монтажных работ, состав и содержание ТТК, примеры заполнения необходимых таблиц и графиков, оказание помощи строителям и проектировщикам при разработке технологической документации.
1.4. На базе ТТК разрабатываются Рабочие технологические карты, входящие в состав Проекта производства работ, на выполнение отдельных видов строительно-монтажных и специальных строительных процессов, продукцией которых являются законченные конструктивные элементы здания или сооружения, технологическое оборудование, а также на производство отдельных видов работ.
При привязке Типовой технологической карты к конкретному объекту и условиям строительства уточняются схемы производства, объемы работ, затраты труда, средства механизации, материалы, оборудование и т.п.
1.5. Для разработки технологических карт в качестве исходных данных и документов необходимы:
- рабочие чертежи;
- строительные нормы и правила (СНиП, СН, ВСН, СП);
- инструкции, стандарты, заводские инструкции и технические условия (ТУ) на монтаж, пуск и наладку оборудования;
- единые нормы и расценки на строительно-монтажные работы (ЕНиР, ГЭСН-2001);
- производственные нормы расхода материалов (НПРМ);
- местные прогрессивные нормы и расценки, карты организации труда и трудовых процессов.
1.6. Рабочие технологические карты рассматриваются и утверждаются в составе ППР руководителем Генеральной подрядной строительно-монтажной организации по согласованию с организацией Заказчика, Технического надзора Заказчика и организациями, в ведении которых будет находиться эксплуатация данного здания, сооружения.
1.7. Применение ТТК способствует улучшению организации производства, повышению производительности труда и его научной организации, снижению себестоимости, улучшению качества и сокращению продолжительности строительства, безопасному выполнению работ, организации ритмичной работы, рациональному использованию трудовых ресурсов и машин, а также сокращению сроков разработки ППР и унификации технологических решений.
1.8. В состав работ, последовательно выполняемых, при монтаже фундаментов входят:
- геодезическая разбивка местоположения фундаментов;
- подготовка основания под монтаж фундаментов;
- монтаж блоков фундаментов;
- выверка и закрепление фундаментов в проектном положении.
1.9. Работы следует выполнять руководствуясь требованиями следующих нормативных документов:
#M12291 5200023СНиП 3.01.01-85#S*. Организация строительного производства;
#M12291 871001100
СНиП 3.03.01-87#S. Несущие и ограждающие конструкции;
#M12291 901794520
СНиП 12-03-2001#S. Безопасность труда в строительстве. Часть 1. Общие требования;
#M12291 901829466
СНиП 12-04-2002#S. Безопасность труда в строительстве. Часть 2. Строительное производство.
2. ОРГАНИЗАЦИЯ И ТЕХНОЛОГИЯ ВЫПОЛНЕНИЯ РАБОТ
2.1. В соответствии со #M12291 5200023СНиП 3.01.01-85#S* "Организация строительного производства" до начала выполнения строительно-монтажных (в том числе подготовительных) работ на объекте Генподрядчик обязан получить в установленном порядке разрешение от Заказчика на выполнение монтажных работ. Основанием для начала работ может служить Акт промежуточной приемки ответственных конструкций отрытого котлована под фундаменты.
2.2. Установку блоков фундаментов осуществляют в соответствии с требованиями СНиП, относительно разбивочных осей по двум взаимно перпендикулярным направлениям.
2.3. До начала монтажа фундаментов генеральным подрядчиком должны быть полностью выполнены все подготовительные работы, включая:
- строительство временных дорог и подъездов;
- отрыт котлован под фундаменты;
- определены и закреплены разбивочные оси здания;
- установлены реперы;
- отобраны конструкции, прошедшие входной контроль;
- завезены и разложены в зоне работы крана требуемые конструкции;
- спланированы и подготовлены площадки для складирования сборных конструкций;
- доставлены в зону монтажа необходимые монтажные средства, приспособления и инструменты.
Приемка объекта под монтаж должна производиться работниками монтажной организации по акту.
2.4. Складируют блоки фундаментов на открытых, спланированных площадках с покрытием из щебня или песка (Н = 5+10 см) в штабелях, общей высотой до 2,5 м. Прокладки между блоками укладываются одна над другой строго по вертикали, иначе в изделиях образуются трещины и они могут разрушиться. Сечение прокладок и подкладок обычно квадратное, со сторонами не менее 25 см. Размеры подбирают с таким расчетом, чтобы вышележащие блоки не опирались на выступающие части нижележащих.
Зоны складирования разделяют сквозными проходами шириной не менее 1 м через каждые два штабеля в продольном направлении и через 25 м в поперечном. Для прохода к торцам изделий между штабелями устраивают разрывы, равные 0,7 м.
2.5. Перед монтажом блоков фундаментов необходимо выполнить следующие работы:
- разбить места их установки;
- нанести по четырум граням на уровне верхней плоскости фундаментов риски установочных осей в соответствии с проектом;
- нанести риски установочных продольных осей на боковых гранях на уровне низа фундаментного блока.
2.6. Для разбивки мест установки фундаментов по периметру здания цеха или только по его углам устанавливают обноску 1, натягивают проволоку 3, обозначающую положение осей 4, и с помощью отвесов 5 переносят точки их пересечения на дно котлована, где фиксируют колышками 6, забитыми в грунт (смотри рис.1).

Рис.1. Геодезическая разбивка мест установки фундаментов
1 - обноска; 2, 8 - риска; 3 - проволока; 4 - положение разбивочных осей на обноске; 5 - отвес; 6 - колышки; 7 - фундамент
От точек отмеряют проектное положение наружной грани блоков. Дополнительные и промежуточные оси размечают с помощью металлической рулетки (смотри рис.2).

Рис.2. Разбивка граней фундаментных блоков
2.7. На фундаментах стаканного типа определяют середину боковых граней стакана и наносят осевые риски на верхнюю грань. Риски наносятся карандашом или маркером. При опускании фундаментного блока на основание контролируют по рискам его положение.
2.8. Проектное положение отметок основания устанавливают с помощью нивелира. Чтобы блоки фундаментов не свисали с песчаной подушки, ширину ее делают на 200-300 мм больше размеров подошвы фундаментов.
Основание, подготовленное к монтажу фундамента, должно быть принято по акту освидетельствования скрытых работ.
2.9. Эффективность монтажа фундаментов в значительной мере зависит от применяемых монтажных кранов. Выбор крана для монтажа зависит от геометрических размеров, массы и расположения монтируемых блоков, характеристики монтажной площадки, объема и продолжительности монтажных работ, технических и эксплуатационных характеристик крана.
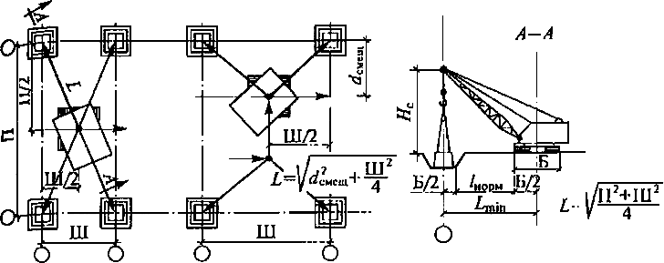
Целесообразность монтажа конструкций здания тем или иным краном устанавливают согласно технологической схеме монтажа с учетом обеспечения подъема максимально возможного количества монтируемых конструкций с одной стоянки при минимальном количестве перестановок крана. При выборе крана также определяют путь движения по строительной площадке и места его стоянок (смотри рис.3).

Рис.3. Определение основных характеристик крана графическим методом
Ш - шаг; П - величина пролета; d
. - длина смещения крана;
I
- расстояние от опоры до бровки
2.10. Монтируемые конструкции характеризуются монтажной массой, монтажной высотой и требуемым вылетом стрелы. Для монтажа фундаментных блоков используют самоходные стреловые краны. Выбор монтажного крана производят путем нахождения трех основных характеристик: требуемой высоты подъема крюка (монтажная высота), грузоподъемности (монтажная масса) и вылета стрелы. Для монтажа выбираем автомобильный кран грузоподъёмностью 25 тонн на базе автомобиля КамАЗ марки КС-55713-4. Грузоподъемность крана на заданной высоте и вылете грузового крюка находят по формуле:
,
где
- масса монтируемого элемента, т;
- масса такелажной оснастки (стропы траверсы, захваты и т.п.).
Грузовые характеристики крана приведены на графике (смотри рис.4).

Рис.4. График грузоподъемности крана в зависимости от наличия и вылета стрелы
2.11. Фундаментные блоки устанавливают на выровненный до проектной отметки слой песка сразу в проектное положение, чтобы избежать нарушения поверхностного слоя основания. Установка блоков фундаментов на покрытые водой или снегом основания не допускается. Стаканы фундаментов и опорные поверхности должны быть защищены от загрязнения.
2.12. Технология монтажа. Устанавливает фундаментный блок на подготовленное основание звено монтажников в составе трех человек. Монтажники 4-го и 3-го разрядов, находясь в котловане, очищают и выравнивают основание под фундамент. В это время монтажник 2-го разряда готовит фундамент к укладке, проверяет размеры стакана и монтажные плети, а при необходимости выправляет их ломом или молотком. Затем монтажник 3-го разряда, закрепив на блоке четырехветвевой строп, отходит на безопасное расстояние, подает команду машинисту крана для предварительного подъема блока на 0,2-0,3 м над землей. Убедившись в надежности строповки, подает команду крановщику к подъему (смотри рис.5). Поднятый блок осматривает и очищает (его нижнюю плоскость) от налипшего грунта. Затем крановщик производит перемещение блока к месту его установки. На высоте 0,2-0,3 м над основанием двое других рабочих принимают блок, центрируют его по рискам на боковых гранях и по колышкам на основании, а затем плавно опускают на место. При натянутых стропах монтажники рихтуют его ломиками, совмещая риски на блоке с ориентирами на основании. Точно установив блок звеньевой подает сигнал ослабить стропы, после чего их снимают. Кран перемещается по середине пролета здания и с одной стоянки устанавливает несколько элементов (смотри рис.6).

Рис.5. Схема строповки фундаментного блока

Рис.6. Схема монтажа фундаментов автокраном
Ст 1 - стоянки крана; 1-14 - последовательность монтажа фундаментов
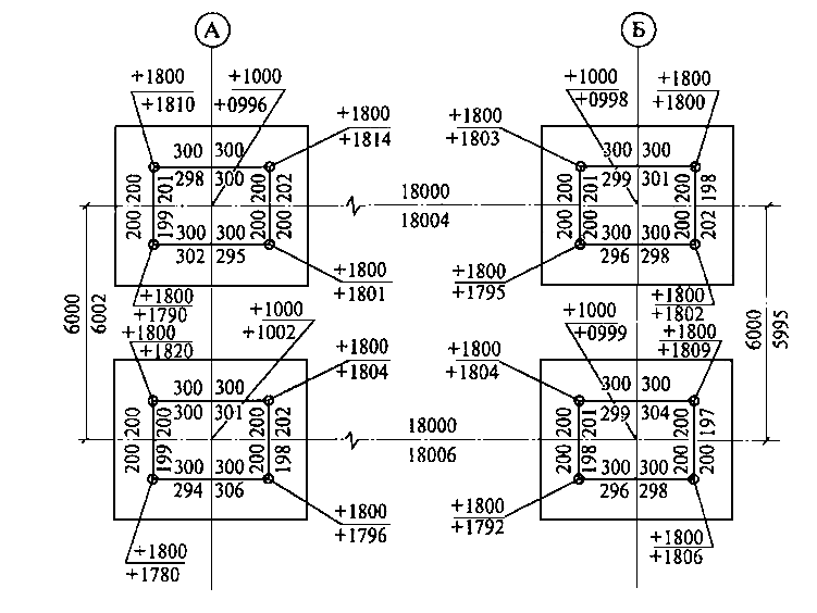
2.13. Положение фундаментного блока по высоте выверяют с помощью нивелира, контролируя отметку дна стакана. Положение блока в плане проверяют при неснятых стропах путем совмещения рисок (установочных и разбивочных осей) по двум взаимно перпендикулярным осям, небольшое отклонение устраняют, передвигая блок монтажным ломиком. По окончании монтажа фундаментных блоков проводят геодезическую съемку их положения - высотную и в плане. По результатам съемки составляют исполнительную схему, на которой указывают возможное смещение блоков (смотри рис.7).

Рис.7. Исполнительная схема проверки установленных фундаментов
3. ТРЕБОВАНИЯ К КАЧЕСТВУ И ПРИЕМКЕ РАБОТ
3.1. Контроль и оценку качества работ при монтаже колонн выполняют в соответствии с требованиями нормативных документов:
#M12291 5200023СНиП 3.01.01-85#S*. Организация строительного производства;
#M12291 871001100
СНиП 3.03.01-87#S. Несущие и ограждающие конструкции.
3.2. С целью обеспечения необходимого качества монтажа колонн монтажно-сборочные работы должны подвергаться контролю на всех стадиях их выполнения. Производственный контроль подразделяется на входной, операционный (технологический), инспекционный и приемочный. Контроль качества выполняемых работ должен осуществляться специалистами или специальными службами, оснащенными техническими средствами, обеспечивающими необходимую достоверность и полноту контроля и возлагается на руководителя производственного подразделения (прораба, мастера), выполняющего монтажные работы.
3.3. Фундаментные блоки, поступающие на объект, должны отвечать требованиям соответствующих стандартов, технических условий на их изготовление и рабочих чертежей.
До проведения монтажных работ фундаментные блоки, поступившие на объект, должны быть подвергнуты входному контролю. Количество изделий и материалов, подлежащих входному контролю, должно соответствовать нормам, приведенным в технических условиях и стандартах.
Входной контроль проводится с целью выявления отклонений от этих требований. Входной контроль поступающих блоков осуществляется внешним осмотром и путем проверки их основных геометрических размеров, наличия закладных деталей и строповочных петель. Строповочные отверстия должны быть очищены от бетона. Каждое изделие должно иметь маркировку, выполненную несмываемой краской.
Фундаментные блоки, поступившие на объект, должны иметь сопроводительный документ (паспорт), в котором указываются наименование конструкции, ее марка, масса, дата изготовления. Паспорт является документом, подтверждающим соответствие конструкций рабочим чертежам, действующим ГОСТам или ТУ.
Результаты входного контроля оформляются Актом и заносятся в Журнал учета входного контроля материалов и конструкций.
3.4. В процессе монтажа необходимо проводить операционный контроль качества работ. Это позволит своевременно выявить дефекты и принять меры по их устранению и предупреждению. Контроль проводится под руководством мастера, прораба в соответствии со Схемой операционного контроля качества монтажа фундаментов.
При операционном (технологическом) контроле надлежит проверять соответствие выполнения основных производственных операций по монтажу требованиям, установленным строительными нормами и правилами, рабочим проектом и нормативными документами.
Результаты операционного контроля должны быть зарегистрированы в Журнале работ по монтажу строительных конструкций.
3.5. По окончанию монтажа фундаментов выполненные работы принимают по акту, к которому прилагают:
журнал работ по монтажу строительных конструкций;
акты приемки скрытых работ;
акты промежуточной приемки смонтированных фундаментов;
исполнительные схемы инструментальной проверки смонтированных фундаментов с нанесением на них отклонений от проекта, допущенных в процессе монтажа;
паспорта на фундаментные блоки.
3.6. При инспекционном контроле надлежит проверять качество монтажных работ выборочно по усмотрению заказчика или генерального подрядчика с целью проверки эффективности ранее проведенного производственного контроля. Этот вид контроля может быть проведен на любой стадии монтажных работ.
3.7. Результаты контроля качества, осуществляемого техническим надзором заказчика, авторским надзором, инспекционным контролем, и замечания лиц, контролирующих производство и качество работ, должны быть занесены в Журнал работ по монтажу строительных конструкций (Рекомендуемая форма приведена в #M12293 0 871001100 0 0 0 0 0 0 0 3617931742Приложении 1#S*, #M12291 871001100СНиП 3.03.01-87#S) и фиксируются также в Общем журнале работ (Рекомендуемая форма приведена в #M12293 1 5200023 0 0 0 0 0 0 0 2138969743Приложении 1#S*, #M12291 5200023СНиП 3.01.01-85#S*). Вся приемо-сдаточная документация должна соответствовать требованиям #M12291 5200023СНиП 3.01.01-85#S*.
3.8. Качество производства работ обеспечивается выполнением требований к соблюдению необходимой технологической последовательности при выполнении взаимосвязанных работ и техническим контролем за ходом работ, изложенным в Проекте организации строительства и Проекте производства работ, а также в Схеме операционного контроля качества работ.
Контроль качества монтажа ведут с момента поступления конструкций на строительную площадку и заканчивают при сдаче объекта в эксплуатацию.
3.9. Пример заполнения Схемы контроля качества монтажных работ приведен в таблице 1.
Таблица 1
| #G0Наименование операций, подлежащих контролю |
Предмет, состав и объем проводимого контроля, предельное отклонение |
Способы контроля |
Время проведения контроля |
Кто контролирует |
| Устройство песчаного основания под блоки |
Отклонение выравнивающего слоя песка от проектного не должен превышать минус 15 мм. |
нивелир |
До монтажа |
Прораб |
| Монтаж фундаментов |
Отклонение отметок дна стаканов - 20 мм Смещение осей блоков относительно разбивочных осей 10 мм. |
нивелир, теодолит, рулетка |
Во время монтажа |
-"- |
3.10. На объекте строительства должен вестись Общий журнал работ, Журнал авторского надзора проектной организации и #M12291 855100008Журнал работ по монтажу строительных конструкций#S, Журнал геодезических работ.

Рис.8. Предельные отклонения при установке фундаментов стаканного типа
4. КАЛЬКУЛЯЦИЯ ЗАТРАТ ТРУДА И МАШИННОГО ВРЕМЕНИ
4.1. Пример составления калькуляции затрат труда и машинного времени на производство монтажных работ приведен в таблице 2.
Таблица 2
| #G0N п/п |
Обоснование, шифр ЕНиР, ГЭСН |
Наименование работ |
Ед. изм. |
Объем работ |
Н на единицу измерения |
Затраты труда на весь объем |
||
| чел.-час |
маш.-час |
чел.-час |
маш.-час |
|||||
| 1. |
07-01-001-5 |
Установка фундаментных блоков (18 шт.) под колонны при глубине котлована до 4 м массой блока до 1,5 т |
100 т |
0,27 |
135,52 |
57,90 |
36,59 |
15,63 |
| ИТОГО: |
36,59 |
15,63 |
||||||
4.2. Затраты труда и времени подсчитаны применительно к "Государственным элементным сметным нормам на строительные работы" (ГЭСН-2001, #M12293 0 1200006027 0 0 0 0 0 0 0 0Сборник 9#S, Строительные металлические конструкции).
5. ГРАФИК ПРОИЗВОДСТВА РАБОТ
5.1. Пример составления графика производства работ приведен в таблице 3.
Таблица 3
| #G0N п/п |
Наименование работ |
Ед. изм. |
Объем работ |
Т/емкость на объем, чел-час. |
Название и количество бригад (звеньев) |
Месяц начала и окончания работ, продолжительность работ, дни |
| 1. |
Установка фундаментных блоков (18 шт.) под колонны при глубине котлована до 4 м массой блока до 1,5 т. |
100 т |
0,27 |
52,22 |
Монтажник - 3 чел. Крановщик - 1 чел. |
|
5.2. При составлении графика производства работ рекомендуется выполнение следующих условий:
5.2.1. В графе "Наименование технологических операций" приводятся в технологической последовательности все основные, вспомогательные, сопутствующие рабочие процессы и операции, входящие в комплексный строительный процесс, на который составлена технологическая карта.
5.2.2. В графе "Принятый состав звена" приводится количественный, профессиональный и квалификационный состав строительных профессий для выполнения каждого рабочего процесса и операции в зависимости от трудоемкости, объемов и сроков выполнения работ.
5.2.3. В графике работ указываются последовательность выполнения рабочих процессов и операций, их продолжительность и взаимная увязка по фронту работ во времени.
5.2.4. Продолжительность выполнения комплексного строительного процесса, на который составлена технологическая карта, должна быть кратной продолжительности рабочей смены при односменной работе или рабочим суткам при двух- и трехсменной работе.
6. МАТЕРИАЛЬНО-ТЕХНИЧЕСКИЕ РЕСУРСЫ
6.1. Потребность в машинах и оборудовании.
6.1.1. Механизация строительных и специальных строительных работ должна быть комплексной и осуществляться комплектами строительных машин, оборудования, средств малой механизации, необходимой монтажной оснастки, инвентаря и приспособлений.
6.1.2. Средства малой механизации, оборудование, инструмент и технологическая оснастка, необходимые для выполнения монтажных работ, должны быть скомплектованы в нормокомплекты в соответствии с технологией выполняемых работ.
6.1.3. Примерный перечень основного необходимого оборудования, машин, механизмов и инструментов для производства монтажных работ приведен в таблице 4.
Таблица 4
| #G0N п/п |
Наименование машин, механизмов, станков, инструментов и материалов |
Марка |
Ед. изм. |
Количество |
| 1. |
Кран автомобильный, Q =25,0 т |
#M12293 0 812400770 69585345 3869381518 354166565 2079520129 4294771360 4096570525 1120581982 3491211457КС-55713-4#S |
шт. |
1 |
| 2. |
Строп четырехветвевой, Q =10,0 т |
4СК-10,0 |
" |
1 |
| 3. |
Оттяжки из пенькового каната |
d = 15+20 мм |
" |
2 |
| 4. |
Молоток слесарный стальной |
#M12291 1200016702ГОСТ 2310-77#S* |
" |
2 |
| 5. |
Чертилка |
ГОСТ 24473-98 |
" |
2 |
| 6. |
Линейка измерительная металлическая |
#M12291 1200004030ГОСТ 427-75#S* |
" |
2 |
| 7. |
Рулетка измерительная металлическая |
#M12293 0 1200004328 0 0 0 0 0 0 0 0ГОСТ 7502-98#S* |
" |
1 |
| 8. |
Уровень строительный УС2-II |
#M12291 9054168ГОСТ 9416-83#S |
" |
2 |
| 9. |
Отвес стальной строительный |
#M12291 9054167ГОСТ 7948-80#S |
" |
2 |
| 10. |
Домкрат реечный |
ДР-3,2 |
" |
1 |
| 11. |
Сверлильная машина |
ИЭ-1035 или |
" |
1 |
| 12. |
Шлифовальная машина электрическая |
Ш-178-1 или |
" |
1 |
| 13. |
Гайковерт электрический |
ИЭ-3115Б |
" |
1 |
| 14. |
Каски строительные |
" |
3 |
|
| 15. |
Жилеты оранжевые |
" |
3 |
7. БЕЗОПАСНОСТЬ ТРУДА
7.1. При производстве монтажных работ следует руководствоваться действующими нормативными документами:
#M12291 901794520СНиП 12-03-2001#S. Безопасность труда в строительстве. Часть 1. Общие требования;
#M12291 901829466
СНиП 12-04-2002#S. Безопасность труда в строительстве. Часть 2. Строительное производство.
7.2. Ответственность за выполнение мероприятий по технике безопасности, охране труда, промсанитарии, пожарной и экологической безопасности возлагается на руководителей работ, назначенных приказом. Ответственное лицо осуществляет организационное руководство монтажными работами непосредственно или через бригадира. Распоряжения и указания ответственного лица являются обязательными для всех работающих на объекте.
7.3. Охрана труда рабочих должна обеспечиваться выдачей администрацией необходимых средств индивидуальной защиты (специальной одежды, обуви и др.), выполнением мероприятий по коллективной защите рабочих (ограждения, освещение, вентиляция, защитные и предохранительные устройства и приспособления и т.д.), санитарно-бытовыми помещениями и устройствами в соответствии с действующими нормами и характером выполняемых работ. Рабочим должны быть созданы необходимые условия труда, питания и отдыха. Работы выполняются в спецобуви и спецодежде. Все лица, находящиеся на строительной площадке, обязаны носить защитные каски.
7.4. Решения по технике безопасности должны учитываться и находить отражение в организационно-технологических картах и схемах на производство работ.
7.5. Монтажные работы следует вести только при наличии проекта производства работ, технологических карт или монтажных схем. При отсутствии указанных документов монтажные работы вести запрещается.
7.6. Монтаж фундаментных блоков должны проводить монтажники, прошедшие специальное обучение и ознакомленные со спецификой монтажа железобетонных конструкций. Работы по монтажу железобетонных конструкций разрешается производить только исправным инструментом, при соблюдении условий его эксплуатации.
7.7. Перед допуском к работе по монтажу фундаментных блоков руководители организаций обязаны обеспечить обучение и проведение инструктажа по технике безопасности на рабочем месте. Ответственность за правильную организацию безопасного ведения работ на объекте возлагается на производителя работ и мастера.
7.8. Рабочие, выполняющие монтажные работы, обязаны знать:
- опасные и вредные для организма производственные факторы выполняемых работ;
- вредные вещества и компоненты используемых материалов и характер их воздействия на организм человека;
- правила личной гигиены;
- инструкции по технологии производства монтажных работ, содержанию рабочего места, по технике безопасности, производственной санитарии, противопожарной безопасности;
- правила оказания первой медицинской помощи.
7.9. В целях безопасности ведения работ на объекте бригадир обязан:
перед началом смены лично проверить состояние техники безопасности, на всех рабочих местах руководимой им бригады и немедленно устранить обнаруженные нарушения. Если нарушения не могут быть устранены силами бригады или угрожают здоровью или жизни работающих, бригадир должен доложить об этом мастеру или производителю работ и не приступать к работе;
постоянно в процессе работы обучать членов бригады безопасным приемам труда, контролировать правильность их выполнения, обеспечивать трудовую дисциплину среди членов бригады и соблюдение ими правил внутреннего распорядка и немедленно устранять нарушения техники безопасности членами бригады;
организовать работы в соответствии с проектом производства работ;
не допускать до работы членов бригады без средств индивидуальной защиты, спецодежды и спецобуви;
следить за чистотой рабочих мест, ограждением опасных мест и соблюдением необходимых габаритов;
не допускать нахождения в опасных зонах членов бригады или посторонних лиц. Не допускать до работы лиц с признаками заболевания или в нетрезвом состоянии, удалять их с территории строительной площадки.
7.10. Лицо, ответственное за безопасное производство работ, обязано:
- ознакомить рабочих с Рабочей технологической картой под роспись;
- следить за исправным состоянием инструментов, механизмов и приспособлений;
- разъяснить работникам их обязанности и последовательность выполнения операций.
7.11. Перед началом работ машинист грузоподъемного крана должен проверить:
- механизм крана, его тормоза и крепление, а также ходовую часть и тяговое устройство;
- смазку передач, подшипников и канатов;
- стрелу и ее подвеску;
- состояние канатов и грузозахватных приспособлений (траверс, крюков).
7.12. Способы строповки грузов должны исключать возможность падения или скольжения застропованного груза. Установка (укладка) грузов на транспортные средства должна обеспечивать безопасное положение груза при транспортировании и разгрузке.
7.13. Для безопасного выполнения монтажных работ кранами их владелец и организация, производящая работы, обязаны обеспечить соблюдение следующих требований:
а) на месте производства работ по монтажу конструкций, а также на кране не должно допускаться нахождение лиц, не имеющих прямого отношения к производимой работе;
б) строительно-монтажные работы должны выполняться по проекту производства работ, в котором должны предусматриваться:
- соответствие устанавливаемого крана условиям строительно-монтажных работ по грузоподъемности, высоте подъема и вылету (грузовая характеристика крана);
- перечень применяемых грузозахватных приспособлений и графическое изображение (схема) строповки грузов;
- места и габариты складирования грузов, подъездные пути и т.д.;
- мероприятия по безопасному производству работ с учетом конкретных условий на участке, где установлен кран (ограждение строительной площадки, монтажной зоны и т.п.).
7.14. При производстве работ по монтажу конструкций необходимо соблюдать следующие правила:
- нельзя находиться людям в границах опасной зоны. Радиус опасной зоны
, где L
- граница опасной зоны;
- при работе со стальными канатами следует пользоваться брезентовыми рукавицами;
- запрещается во время подъема грузов ударять по стропам и крюку крана;
- запрещается стоять, проходить или работать под поднятым грузом;
- запрещается оставлять грузы, лежащими в неустойчивом положении;
- машинист крана не должен опускать груз одновременно с поворотом стрелы;
- не бросать резко опускаемый груз.
8. ИСПОЛЬЗУЕМАЯ ЛИТЕРАТУРА
8.1. ТТК составлена с применением нормативных документов по состоянию на 01.04.2007.
8.2. При разработке Типовой технологической карты использованы:
8.2.1. О.М.Терентьев "Технология возведения зданий и сооружений", 2006 год.
8.2.2. Справочное пособие к СНиП "Разработка проектов организации строительства и проектов производства работ для промышленного строительства".
8.2.3. Методические указания по разработке типовых технологических карт в строительстве, ЦНИИОМТП. М., 1987.
8.2.4. #M12291 871001100СНиП 3.03.01-87#S. Несущие и ограждающие конструкции.
8.2.5. #M12291 901794520СНиП 12-03-2001#S. Безопасность труда в строительстве. Часть 1. Общие требования.
8.2.6. #M12291 901829466СНиП 12-04-2002#S. Безопасность труда в строительстве. Часть 2. Строительное производство.
Электронный текст документа
подготовлен ЗАО "Кодекс" и сверен по материалам,
предоставленным инженером Василенко С.Д.