| Скачать .docx |
Курсовая работа: Проектирование строительства комплекса из 6 четырнадцатиэтажных зданий
1. Исходные данные:
Шифр 205360 (сумма 6+0=8. Вариант 6, четный)
Крупнопанельный дом ;
Количество этажей / секций – 14/1;
Габаритные размеры – длина –52 м, ширина -14 м,
высота -43 м;
Площадь одного здания (жилая / общая), м2 – 8664/14191 ;
Объем здания – 31200 м3 ;
Начало строительство – октябрь ;
Количество зданий – 6 шт. ;
Директивный срок, мес. – 24 мес .
2. Исходные данные для составления календарного плана
Схема генерального плана
Схема генерального плана и протяженность проектируемых постоянных наружных коммуникаций принимаем по варианту 6 (сумма 6+0=6).

Данные по коммуникациям: Электроснабжение, п.м.
Водоснабжение – 1040 п.м. – высоковольтные сети в/в – 200
Теплоснабжение – 1040 п.м. – кабельные сети н/в – 1560
Канализация – 1600 п.м. – воздушные сети н/в – 1820
Дороги м2 – 8670 – слаботочные сети – 780
3. Определение стоимости строительства приведено в титульном списке стройки
Титульный список. (таблица №1)
Наименование |
Единица измерения |
Количество |
Стоимость |
|
| ЕИ, руб. |
Всего тыс. руб. |
|||
Подготовка территории |
100 м2 |
807 |
6 |
4,84 |
Планировка |
М2 |
80700 |
1 |
80,7 |
Жилой дом №1 |
М3 |
31200 |
25 |
780 |
Жилой дом №2 |
М3 |
31200 |
25 |
780 |
Жилой дом №3 |
М3 |
31200 |
25 |
780 |
Жилой дом №4 |
М3 |
31200 |
25 |
780 |
Жилой дом №5 |
М3 |
31200 |
25 |
780 |
Жилой дом №6 |
М3 |
31200 |
25 |
780 |
ЦТП |
Соор. |
1 |
50000 |
50,0 |
ТП |
Соор. |
1 |
30000 |
30,0 |
Инженерные сети: |
П.М. |
|||
Водоснабжение |
П.М. |
1040 |
50 |
52 |
Теплоснабжение |
П.М. |
1040 |
150 |
156 |
Канализация |
П.М. |
1600 |
60 |
96 |
Электросети: |
||||
Кабельные сети в/в |
П.М. |
200 |
50 |
10 |
Кабельные сети н/в |
П.М. |
1560 |
20 |
31,2 |
Воздушные сети н/в |
П.М. |
1820 |
10 |
18,2 |
Слаботочные сети |
П.М. |
780 |
10 |
7,8 |
Дороги |
М2 |
8670 |
19 |
164,73 |
Благоустройство |
М2 |
32300 |
5 |
161,5 |
Ограждение |
П.М. |
1148 |
5 |
5,74 |
Итого: |
5548,71 |
|||
Временные сооружение: |
% |
1,5 |
83,23 |
|
Всего: |
5631,94 |
|||
Для определения стоимости подготовительного периода в проекте, проведен анализ работ, выполняемых в подготовительный период и их стоимостных значений. Расчет проведен в таблице №2.
Часть инженерных сетей выполняется в подготовительный период -50%, остальные в основной. Дороги: 40% – подготовительный период, 60% – основной. Временные сооружения: подготовительный период – 30%, основной период – 70%.
Определение стоимости периодов строительства. (таб. №2)
Наименование |
Стоимость тыс. руб. |
||
| всего |
В т.ч. периодов |
||
| основного |
подготовительного |
||
Подготовка территории |
4,84 |
- |
4,84 |
Планировка |
80,7 |
- |
80,7 |
Жилой дом №1 |
780 |
4680 |
- |
Жилой дом №2 |
780 |
- |
|
Жилой дом №3 |
780 |
- |
|
Жилой дом №4 |
780 |
- |
|
Жилой дом №5 |
780 |
- |
|
Жилой дом №6 |
780 |
||
ЦТП |
50,0 |
50,0 |
- |
ТП |
30,0 |
- |
30,0 |
Инженерные сети: |
|||
Водоснабжение |
52 |
26 |
26 |
Теплоснабжение |
156 |
78 |
78 |
Канализация |
96 |
48 |
48 |
Электросети: |
|||
Кабельные сети в/в |
10 |
- |
10 |
Кабельные сети н/в |
31,2 |
31,2 |
- |
Воздушные сети н/в |
18,2 |
18,2 |
- |
Слаботочные сети |
7,8 |
7,8 |
- |
Дороги |
164,73 |
98,84 |
66,33 |
Благоустройство |
161,5 |
161,5 |
- |
Ограждение |
5,74 |
- |
5,74 |
Временные сооружения |
83,23 |
58,3 |
24,93 |
| Итого: |
5257,48 |
374,46 |
|
4. Проектирование календарного плана строительного комплекса (КПСК)
КПСК разработан на комплекс из 6 четырнадцати этажных зданий. Для определения строительства комплекса и потребности в финансовых средствах и трудовых средствах.
Исходными данными КПСК в курсовом проекте являлись:
· Генеральный план;
· Титульные ассигнования;
· Данные сетевого графика;
· Нормы и нормативы.
При составлении КПСК в проекте учитывалось:
- очередность возведения сооружения;
- технологическая последовательность возведения сооружений;
- равномерность потребления требуемых ресурсов;
- учет влияния сезонных факторов на ведение работ КПСК включает: подготовительный и основной периоды.
Основным содержанием основного периода является: возведение жилых домов и обеспечение развертывания работ на этих зданиях и их ввода в эксплуатацию.
Наличие шести домов возводимых на площадке позволяет применить поточный метод строительства. При их возведении на площадке для чего сформулированы следующие специальные потоки:
- возведение подземной части;
- возведение надземной части;
- выполнение специальных работ (сантехнических и электромонтажных);
- выполнение отделочных работ.
Характеристиками этих потоков служат данные, полученные при расчете стоимости сооружения (титульный список) и продолжительность их выполнения из сетевого графика.
Ткр = 417 дней = 418 дней.
Тп.ч. =87–22=65 дней / 66 дней;
Тн.ч. =261–87=174 дня/176 дней;
Тс.р. =297–129=168 дней/176 дней;
То.р. =415–117=298 дней/308 дней.
Характеристики потоков
| Наименование |
Стоимость, т.р |
Продолжительность |
|||
| % |
Сооружение |
комплекс |
По СГ |
Принято |
|
Подземная часть |
15 |
117,0 |
702,0 |
65 |
66 |
Надземная часть |
45 |
351,0 |
2106,0 |
174 |
176 |
Спец работы |
20 |
156 |
936,0 |
168 |
176 |
Отделочные работы |
20 |
156 |
936,0 |
298 |
308 |
На основании полученных данных по потокам и графику устанавливается количество объектных потоков при возведении комплекса (П).
Продолжительность подготовительного периода комплекса составляет (tппк ).
tппк =0,1*Тдир. =0,1*24=2,4 мес.
П=N/[(((Тдир. -tппк ) – (Tкр -tпрс )/) Tш )+1]= 6 =4
(24–2,4) – (19–1) +1
7,6
Принимаем 4 потока.
Остальные сооружения, входящие в состав комплекса выполняется с учетом возможности развертывания работ и ввода их в эксплуатацию, а так же с учетом влияния сезонности.
При планировании работ учитывалось специализированных привлекаемых организаций.
Данный план характеризуется следующими показателями:
- продолжительность строительства – 24 месяцев ;
- стоимость строительного комплекса – 5631,94 тыс. руб. ;
- стоимость выполнения работ за год – Сгод =3258,1 тыс. руб .;
- трудоемкость – 61417 чел./дни ;
- максимальная потребность в рабочих кадрах – Rmax =188 чел.;
- средняя численность рабочих – 81 чел.;
- коэффициент неравномерности движения рабочей силы – Кнр = 2,3 .
Kнр =( Rmax / Rcp )= 188/81=2,3
Rcp = ΣQ/ T= ΣQ/ Nмес *22= 61417/759=81;
Где Rmax – максимальное число рабочих по графику за весь период строительства; ΣQ – общая трудоемкость работ, чел.-дни;
T0 - продолжительность всех работ.
Примечание:
Для проведения специальных и отделочных работ возникает потребность в водоснабжении, отоплении и канализации. Несмотря на удорожание работ в зимний период, принимаем решение на проведение работ по водоснабжению, отоплению, канализации после окончания работ подготовительного периода.
5. Разработка строительного генерального плана
В курсовом проекте разработан общеплощадочный генплан на возведение подземной части 6 домов.
Стройгенплан составлен для определения положения элементов строительного производства на строительной площадке.
Исходными данными для составления генплана являются:
· Генеральный план микрорайона;
· Данные КПСК (максимальная численность рабочих и максимальная годовая стоимость.);
· Нормы и нормативы.
При проектировании стройгенплана учитывались следующие требования:
1). Обеспечение бытовых и производственных нужд строительства.
2). Обеспечение требований по охране труда и техники безопасности.
3). Обеспечение движения грузопотоков по площадке, исключая переброску грузов и препятствия движению транспорта.
4). Нерасположение временных сооружений в районе строительства проектируемых сооружений.
5). Минимизация затрат на временные здания и сооружения.
Последовательность в проектировании СГП.
- Привязка кранов;
- Определение зон влияния кранов;
- Установление расположения дорог и движение транспорта по ним. Определение потребностей во временных зданиях и сооружениях, в электроэнергии и в воде;
- Расчет количества прожекторов;
- Определение потребности в технике и транспорте.
а). Привязка кранов.
Согласно заданию проектируемые здания возводятся башенным краном (КБ 160.2).
Радиус R – вылет крюка:
- max – 25 м;
- min – 13 м.
радиус хвостовой части 3,8 м, база крана – 6*6 м.
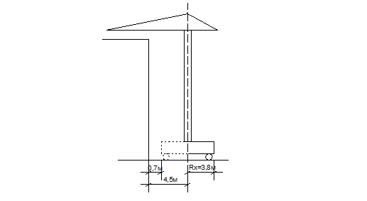
![]() |
Поперечная привязка крана lmin =Rхв +0,7 м=3,8+0,7=4,5 м.
Продольная привязка крана устанавливается на основании выявленной оси крана и его возможностей при монтаже.
Lmax и Lmin (вылет крюка крана).
lкр – это расстояние между крайними стоянками крана.
Тогда требуемая длина подкрановых путей:
lкр +2*bкр /2+2*lтр +2*lзап =lтр .,
Где bкр – база крана;
lтор – длина торможения ≈1,5 м;
lзап – длина запаса безопасности работы крана ≈1 м.
lтр = 18+2*6/2+2*1,5+2*1=29 м.

Определение длины подкрановых путей. Она зависит от укладываемых звеньев (12,5 м) и полузвеньев (6,25 м), поэтому количество звеньев или полузвеньев принимаем по формуле:
nзв =lтр /6,25=29/6,25=4,31. Принято 5 звеньев 5 *6,25=31,25 м . Согласно требованиям работы безопасности крана, длина подкрановых путей должна быть 25 м. lфакт ≥25 м.
б). Определение зон влияния.
При работе крана необходимо обеспечить зоны влияющие на безопасность работы при возведении сооружения.
Монтажная зона – это зона возможного падения предмета при монтаже.
(при высоте до 20 м- 5 метров; более 20 м – 7 метров.)
Рабочая зона – зона обслуживания крана. (Определяет места складирования элементов на при объектном складе и положение транспорта при разгрузке элементов.) Величина зоны характеризуется максимальным вылетом крюка при монтаже здания.
Lр.з. =Lmax крана. В нашем курсовом проекте вылет крюка Lmax =25 м.
Зона перемещения груза – устанавливает возможность удара поднимаемым или перемещаемым грузом при подаче или перемещении изделия.
Lп.г. =Lp.з. +1/2lизд. =25+3=28 м.
Опасная зона – устанавливает пространство вокруг возводимого сооружения, в котором возможно падение груза с учетом его рассеивания.
Lо.з. =Lп.г. +lбез. =28+10=38 м,
где lбезопасности составляет для зданий с высотой до 20 м- 7 м, более-10 м.
устанавливается также и зона безопасности подъемника
lб.п. =5+((Hзд -20)/15)=5+((43–20)/15)≈6,5 м.
в). Дороги.
Для движения транспорта на СГП используются как временные, так и проектируемые дороги.
Временные дороги выполняются с верхним покрытием железобетонных плит на дорогах с интенсивным движением транспорта, в случае если такого движения нет – используется грунтощебеночные дороги.
Проектируемые дороги выполняются не полностью (без верхнего покрытия). Для движения транспорта устраивается покрытие из железобетонных плит. Ширина дорог принимается 3,5 метра, для двухстороннего движения- 6 метров.
При необходимости на дорогах с односторонним движением устраиваются разгрузочные площадки 20–25 метров. Радиусы закругления дорог устанавливаются от габаритов перемещаемых грузов и определенным расчетом.
Для жилых зданий радиусы закругления 12–15 метров.
Движение транспорта организуется от въезда к выезду по кольцевой, тупиковой или смешанной схеме. На дорогах устанавливаются указательные знаки о скорости движения перед въездом на площадку и при въездах в опасную зону.
г). Расчет потребности во временных зданиях и сооружениях
Расчет потребности проведен по данным полученным в КПСК по максимальной численности рабочих.
Rmax = 188 человек.
Общая численность работающих на площадке составляет:
Rраб =Rmax /0,85=188/0,85=221 человек, в том числе ИТР
RИТР =0,12*221=27 чел.
RМОП =0,03*221=7 чел.
Определяем максимальную численность смены:
Rсм =0,7*Rmax +0,8*(RИТР +RМОП )=0,7*188+0,8*(27+7)=132+28=160 чел.,
Где 0,7 – процентное отношение людей, работающих в первую смену.
Определение мужского и женского состава людей, занятых на участке.
Для рабочих
Мужчин: RМ =0,6*Rmax =0,6*188=113 мужчин;
Женщин: RЖ =0,4*188=76 женщины.
Определение то же для максимальной численности смены:
Мужчин: R'М =0,6*Rсм =0,6*160=96 человек;
Женщин: R'Ж =0,4*Rсм =0,4*160=64 человека;
В том числе рабочих:
R"М =0,6*132=80 человек;
R"Ж =0,4*132=53 человека.
д). Расчет временных зданий и сооружений
Строительные площадки обеспечиваются бытовыми, административными и складскими сооружениями. Полученные данные по численности занятых в строительстве людей позволяют провести расчет временных сооружений.
Расчет площадей временных административно-бытовых помещений
| Наименование сооружения |
Кол-во человек |
Норматив м2 /чел. |
Площадь сооружений |
Тип сооружений и количество |
|
| требуемая |
фактическая |
||||
| Бытовые |
|||||
| Гардеробные мужские |
113 |
0,9 |
101,7 |
416 |
Бытовой блок на 40 человек –4 шт. |
| Гардеробные женские |
76 |
0,9 |
68,4 |
||
| Помещение для обогрева |
160 |
0,2 |
32 |
||
| Умывальные мужские |
96 |
0,05 |
4,8 |
||
| Умывальные женские |
64 |
0,05 |
3,2 |
||
| Душевая мужская |
96 |
0,43 |
41,3 |
||
| Душевая женская |
64 |
0,43 |
27,5 |
||
| Помещение для личной гигиены женщин |
64 |
0,18 |
11,5 |
||
| Сушильная |
160 |
0,2 |
32 |
||
| Туалет мужской |
96 |
0,07 |
6,7 |
||
| Туалет женский |
64 |
0,07 |
4,5 |
||
| Столовая |
160 |
0,6 |
96 |
108 |
Контейнер «Универсал» 6 шт. |
| Медпункт |
20 на 300 |
1 |
18 |
Контейнер «Универсал» 1 шт. |
|
| Административные |
|||||
| Прорабская |
27 |
3,5…4,5 |
121,5 |
36 |
Контейнер «Универсал» 2 шт. |
| Диспетчерская |
2 |
7 |
14 |
18 |
Контейнер «Универсал» 1 шт. |
| Кабинет ОТ и ТБ |
20 на 1000 |
20 |
18 |
Контейнер «Универсал» 1 шт. |
|
| Комната проведения совещаний |
От 100 до 400 36м2 |
36 |
36 |
Контейнер «Универсал» 2 шт. |
|
В данном проекте для формирования гардеробных, умывальных, помещения для личной гигиены женщин, душевых, туалетов, сушильных произведено за счет сблокированных из контейнеров блоков. Бытовые блоки на 40 человек. Размер блока 6,5*16,0 м.
Остальные временные сооружения из сооружений контейнерного типа. Размер контейнер (универсал) – 6*3 м.
Расчет стоимости временных зданий
| Наименование |
Площадь |
Стоимость |
|
| М2 |
Всего |
||
| Бытовые помещения |
170 |
58,0 |
9860 |
| Помещение для обогрева |
32 |
66,0 |
2112 |
| Туалеты |
12 |
77,0 |
924 |
| Столовая |
108 |
78,5 |
8478 |
| Медпункт |
18 |
69,0 |
1242 |
| Прорабская |
36 |
74,4 |
2678 |
| Административные помещения |
54 |
69,0 |
3726 |
| Итого: |
29020 |
||
Вывод: сравнивая расчетную стоимость временных сооружений, полученную в процессе проектирования генерального плана (29,02 тыс. руб.) с расчетной стоимостью временных зданий и сооружений полученную при разработке титульного списка (83,29 тыс. руб.), остаются средства на возведение складских помещений и устройство временных дорог.
е). Расчет складов
Хранение материалов на площадке обеспечивается закрытыми и открытыми складами.
Закрытые склады в свою очередь бывают отапливаемые и не отапливаемые.
Расчет в потребности площадях склада проведен по укрупненным показателям к выявленной сумме годовых капиталовложений.
Анализ материалов подлежащих хранению показывает, что отапливаемые склады необходимо рассчитывать по полной площади норматива:
S=Cгод *Sнор *K,
Sнор =24 м2 /млн. руб. – для отапливаемых складов;
Sнор =42,1 м2 /млн. руб. – для не отапливаемых;
Sнор =63,3 м2 /млн. руб. – для навесов;
К=1 – коэффициент местных условий.
Для отапливаемых:
S=C год *S нор *K=3,258*24*1=79 м 2 ;
Для не отапливаемых:
S = C год * S нор * K =3,258*42,1*1=137,2 м2 ;
Для навесов:
S = C год * S нор * K =3,258*63,3*1=206,2 м2 .
ж). Расчет потребности в электроэнергии
Расчет проводится как для определения общей потребности в электроэнергии, так и для обеспечения этой потребности на участке строительства.
P=p*Cгод *К,
Где p- норматив кВт на 1 млн. руб. величина норматива зависит от вида строительства.
Для строительства жилого фонда p=70кВт , К=1 – местный коэффициент.
P=p*Cгод *К=70*3,258*1=228,1 кВт.
Данная потребность в электроэнергии требует временных подстанций. Принимаем 2 подстанции КТП СКБ Мосстроя мощностью 180 кВА.
з). Расчет потребности в освещении
Данный расчет предусматривает количество прожекторов, необходимых для обеспечения работ, выполняемых во 2 смену.
При подсчете потребности в прожекторах обеспечивается освещением площади строящихся зданий, приобъектных зданий на строительной площадке.
П=(p*E*S)/Pпр , где
р=0,25…0,35 – переводной коэффициент мощности;
E – норматив освещенности (люкс);
S – площадь освещенного участка;
Для освещения площади строящихся зданий:
Пстр =(p*E*S)/P пр =0,25*20*12*728/1000 = 5 шт .,
Где Пстр – количество прожекторов для освещения монтажных работ, строящегося здания;
S – площадь строящегося здания (14*52=728,0 м2 );
E=20 – норма освещенности строящегося здания;
Pпр =1000.
Для освещения при объектных складов:
Пстр =(p*E*S)/P пр =0,25*10*728/1000=2 шт .,
Где Пстр – количество прожекторов для освещения приобъектных складов;
S – площадь приобъектного склада (12*36=432,0 м2 );
E=10 – норма освещенности приобъектных складов;
Pпр =1000.
Для освещения территории:
Пстр =( p * E * S )/ P пр =0,25*2*80688/1000=40 шт.,
Где Пстр – количество прожекторов для освещения территории;
S – площадь территории строительства (328*246=80688,0 м2 );
E=2 – норма освещенности территории строительства;
Pпр =1000.
и). Расчет потребности в водоснабжении.
Расчет потребности в воде определяется по следующим направлениям:
обеспечение производственных нужд, бытовых нужд и противопожарных нужд.
В зависимости от объема, выполняемых работ Sгод вычисляется потребность в воде литр/сек.
Q=(Qпр +Qбыт )*Cгод +Qпож. , где
Q- общий расход воды;
Qпр =0,2 л/сек на 1 млн. руб.- нормативный расход воды на производственные нужды;
Qбыт =0,16 л/сек на 1 млн. руб. – нормативный расход воды на бытовые нужды; Qпож =5 л/сек на один гидрант. У нас на площадке 2 гидранта.
Cгод =3,258 млн. руб. – средства освоенные за год строительства.
Q=(Qпр +Qбыт )*Cгод +Qпож =(0,2+0,16)* 3,258+10=13,8 л/сек.
Подача воды к строительной площадке осуществляется по водо-падающей трубе. Диаметр, которой рассчитывается по формуле:
D=√4*Qобщ *3600/Π*V=√4*13,8*3600/3,14*2=176 мм, где
D – диаметр проектируемого водопровода;
Qобщ – общий расход воды (Qобщ =13,8 л/сек) ;
V- скорость подачи воды (V=1,5–2 м/с).
к). Определение потребностей в машинах, механизмах и автотранспорте
Определение потребности в машинах рассчитано также в укрупненных показателях на 1 млн. руб.
Сгод =2834,01 тыс. руб .-средства освоенные за год строительства.
Расчет техники и автотранспорта
| Наименование |
Единица измерения |
Норматив |
Итого |
| Экскаваторы одноковшовые |
М3 емк. ковша |
0,41 |
2,0 |
| Бульдозеры |
шт. |
1,53 |
7,46 |
| Автогрейдеры |
шт. |
0,16 |
0,78 |
| Сваебойное оборудование |
шт. |
0,024 |
0,12 |
| БК |
тн |
7,5 |
36,6 |
| Краны гусеничные |
тн |
2,35 |
11,47 |
| Краны пневмоколесные |
тн |
5,1 |
24,9 |
| подъемники |
тн |
0,39 |
1,9 |
| Погрузчики |
тн |
0,49 |
2,4 |
| Компрессоры |
М3 /мин |
4,64 |
22,65 |
| Самосвалы |
тн |
8,58 |
41,88 |
| Бортовые машины |
тн |
5,48 |
26,75 |
| Спец автотранспорт |
тн |
12,91 |
63,0 |
6). Календарный план подготовительного периода
Подготовка к строительству включает:
- проведение организационно-технических мероприятий (проводится заказчиком) – согласование с местной администрацией, отвода участка под строительство, открытие финансирования, согласование возможного подключения к местным источникам (воды, тепла), подготовка и заключение договоров со строительной организацией и поставщиками оборудования, согласование сроков начала работ.
- Работа на площадке осуществляется строительной организацией (внутри и внеплощадочные работы). Внеплощадочные работы – подведение к участку строительства, подъездных путей и инженерных сетей, коммуникаций. К внутриплощадочным работам относят – освоение территории, планировка, защита участка от паводковых и ливневых вод, прием и развитие геодезической сети, возведение бытового временного городка, устройство ограждения, проведение временных и проектируемых дорог, инженерных сетей и коммуникаций первой очереди. Возведение проектируемых сооружений, предусмотренных планом.
Наименование сооружений |
стоимость тыс. руб. |
Распределение по месяцам |
||
| Апрель |
Май |
Июнь |
||
А. Временные сооружения:подготовкапланировка временные сооружения ограждение |
4,0 80,7 24,9 5,7 |
4,0 80,7 - 5,7 |
- - 12,5 - |
- - 14,95 - |
Итого: |
115,3 |
90,4 |
12,5 |
14,95 |
Б. Проектируемые сооружения:ТПДороги Инженерные сети |
30,0 98,8 304 |
- - 101,3 |
15,0 59,4 101,3 |
15,0 39,4 101,4 |
Итого: |
432,8 |
- |
175,7 |
84 |
Всего: |
548,1 |
191,7 |
188,2 |
98,95 |
7). Технико-экономические показатели СГП.
1) площадь участка строительства – 80688,0 м2 ;
2) площадь временного городка – 1962 ,0 м2 ;
3) затраты труда Q=61417 чел./дн;
4) стоимость строительства – 5631,94 тыс. руб.;
5) стоимость временных зданий и сооружений – 24930 руб.;
6) доля затрат на временные сооружения – 0,44%
7) директивный срок строительства – 24 мес.;
8) продолжительность строительства комплекса по КПСК-39 мес.
Список использованной литературы
1) Дигман Л.Г. Организация, планирование и управление строительным производством. Москва, Высшая школа 1988 г.
2) Организация и планирование строительного производства. М.У. Москва, МГОУ, 1998 г.
3) Методические указания
