| Скачать .docx |
Курсовая работа: Проект участка автомобильной дороги в сложных условиях
Федеральное агентство по образованию
Вологодский государственный технический университет
Кафедра “Автомобильные дороги”
Курсовая работа по ИПАД
Тема: Проект участка автомобильной дороги в сложных условиях
Вологда
2009
Содержание
1. Пересечение дорог в одном уровне
1.1 Описание пересечения в одном уровне
2. Пересечение дорог в двух уровнях
2.1 Разработка продольного профиля на подходах к пересечению для дорог АВ и СD в двух уровнях
2.2 Описание пересечения в двух уровнях
3. Водопропускная труба
3.1 Расчет стока с малого водосборного бассейна для водопропускной трубы
3.2 Определение размеров трубы
3.3 Ведомости объемов работ
4. Отвод земель для участка автомобильной дороги протяженностью 2 километра
4.1 Привязка типовых проектных решений
4.2 График постоянного отвода земель для участка автомобильной дороги ПК 19+00 – ПК 39+00
Приложение 1
Список используемых источников
1. Пересечение дороги в одном уровне
1.1 Описание пересечения
Привязка типового проектного решения пересечения в одном уровне на ПК 10+60. Эксплуатационно-техническая категория главной дороги III, второстепенной IV. Тип пересечения 3-А-1 – пересечение с устройством переходно-скоростных полос на главной и второстепенной дорогах. Угол пересечения 90°. Уклоны по главной дороге к пересечению с ПК 8+10 по ПК 8+90 - 13‰, с ПК 8+90 по ПК 10+60 - 5‰, от пересечения, с ПК 10+60 по ПК 13+10 - 5‰. По второстепенной дороге от пересечения и к пересечению 25‰. Длина переходно-скоростных полос назначается в зависимости от эксплуатационно-технической категории дороги и продольного уклона. Радиусы закруглений назначаются в зависимости от типа пересечения и эксплуатационно-технической категории главной и второстепенной дороги. По главной дороге устроены треугольные направляющие островки, а на второстепенной каплевидные. Схема пересечения и поперечные профили представлены на рисунке 1.
Условные обозначения на пересечении:
- длина отгона ширины проезжей части и обочин второстепенной дороги, м;
- длина разделительной полосы, отделяющей переходно-скоростную полосу от основной полосы движения, м;
- длина отгона разделительной полосы, отделяющей переходно-скоростную полосу от основной полосы движения;
b - ширина полосы движения или переходно-скоростной полосы дороги, м;
c - ширина полосы движения второстепенной дороги на участке примыкания, м;
a - ширина полосы торможения (накопления), наибольшая ширина направляющего островка полосы торможения (накопления);
bk - наибольшая ширина каплевидного направляющего островка, м;
d, d1 - ширина обочин дороги, м;
f, f1 - наименьшая ширина укрепленной полосы обочин, м;
f2 - наименьшая ширина укрепленной полосы на разделительной полосе, м;
c1 - ширина проезжей части съезда, м;
SР - длина полосы разгона, м;
ST - длина полосы торможения, м;
STH - длина полосы торможения (накопления), м;
- длина отгона переходно-скоростной полосы, м;
- длина участка перестроения, м;
- длина участка разгона и перестроения, м;
- длина участка перестроения и торможения, м.
2. Пересечение дорог в двух уровнях
2.1 Разработка продольного профиля на подходах к пересечению для дорог АВ и СD в двух уровнях
Пересечение в двух уровнях разрабатывается на ПК 10+60 по дороге АВ и на ПК 75+00 на дороге СD. Продольные профили запроектированы методом тангенсов в основном по обертывающей, проектные отметки на вертикальных кривых пересчитаны с учетом поправки в скобках.
Описание продольного профиля дороги АВ.
Техническая категория автомобильной дороги IV, продольные уклоны соответствуют требованию СНиП 2.05.02-85 и не превышают 60‰. Радиусы минимальных выпуклых и вогнутых кривых соответствуют требованию СНиП, более 5000 м. и 2000 м. и приняты максимально возможными с учетом рельефа местности для улучшения движения автотранспорта по дороге. Рекомендуемая рабочая отметка 151,45 м. С ПК 0+00 по ПК 1+55 запроектирована выемка глубиной до 1,30 м. Проектная линия запроектирована из прямых вставок, вогнутых и выпуклых кривых. С ПК 0+00 по ПК 4+50 запроектирована прямая вставка протяженностью 450 м. с продольным уклоном 13‰, далее с ПК 4+50 по ПК 7+50 запроектирована вогнутая вертикальная кривая протяженностью 300 м. радиусом 15000 м., тангенс 150 м., биссектриса 0,75 м. С ПК 7+50 по ПК 10+50 запроектирована выпуклая кривая встык предыдущей вогнутой кривой. Длина выпуклой кривой составляет 300 м., радиус 25000 м., тангенс 150 м., биссектриса 0,45 м. С ПК 10+50 по ПК 10+62 запроектирована прямая вставка длинной 12 м. с продольным уклоном 5‰. С ПК 10+62 по ПК 13+38 запроектирована выпуклая кривая протяженностью 276 м., тангенс 138 м., радиус кривой 23000 м., биссектриса 0,414 м. С ПК 13+38 по ПК 13+46,9 запроектирована прямая вставка длинной 8,9 м. с продольным уклоном 17‰. С ПК 13+46,9 по ПК 18+99 запроектирована вогнутая кривая, протяженностью 552 м. радиусом 23000, тангенсом 276 м. и биссектрисой 1,656 м. С ПК 18+99 по ПК 20+00 запроектирована прямая вставка длиной 101 м., с продольным уклоном 7‰.
Описание продольного профиля дороги CD.
Техническая категория автомобильной дороги II, продольные уклоны соответствуют требованию СНиП 2.05.02-85 и не превышают 40‰. Радиусы минимальных выпуклых и вогнутых кривых соответствуют требованию СНиП, более 15000 м. и 5000 м. и приняты максимально возможными с учетом рельефа местности для улучшения движения автотранспорта по дороге. Рекомендуемая рабочая отметка 145,45 м. С ПК 75+91 по ПК 77+80 запроектирована выемка глубиной до 2,15 м. Проектная линия запроектирована из прямых вставок, вогнутых и выпуклых кривых. С ПК 67+60 по ПК 69+27,5 запроектирована прямая вставка протяженностью 167,5 м. с продольным уклоном 5‰, далее с ПК 69+27,5 по ПК 72+72,5 запроектирована выпуклая вертикальная кривая протяженностью 345 м. радиусом 15000 м., тангенс 172,5 м., биссектриса 0,99 м. С ПК 72+72,5 по ПК 73+59 запроектирована прямая вставка длиной 86,5 м., с продольным уклоном 18‰. С ПК 73+59 по ПК 76+41 запроектирована вогнутая вертикальная кривая протяженностью 282 м., радиус кривой 6000 м., тангенс 141 м., биссектриса 1,66 м. С ПК 76+41 по ПК 76+60 запроектирована прямая вставка длинной 19 м. с продольным уклоном 29‰. С ПК 76+60 по ПК 81+40 запроектирована выпуклая кривая протяженностью 480 м., тангенс 240 м., радиус кривой 15000 м., биссектриса 1,92 м. Продольные профили представлены на рисунке 2.
2.2 Описание пересечения в двух уровнях
Схема пересечения дорог в двух уровнях - клеверный лист состоит из 4 левоповоротных и 4 правоповоротных съездов. Дорога II технической категории проходит в нижнем уровне, а дорога IV категории в верхнем так как, по экономическим соображениям целесообразнее дорогу высшей категории прокладывать в нижнем уровне, а низшей категории в верхнем. Габарит приближения определяется по ГОСТ Р52748-2007 “Нормативные нагрузки, расчетные схемы нагружения и габариты приближения”, в соответствии с ГОСТ габарит приближения принят 4,5 м. Для развязок в разных уровнях нормируются величины съездов. Для вычисления минимальных радиусов закругления правоповоротных съездов из СНиП 2.05.02-85 “Автомобильные дороги” выбирается расчетная минимальная скорость движения с учетом технической категории автомобильной дороги, с которой съезжают автомобили. Для II технической категории расчетная скорость 60 км/ч., радиус 150 м, и для IV категории расчетная скорость 50 км/ч., радиус 100м. На левопоротных съездах радиусы принимаются для II технической категории 60 м. и более, для IV технической категории 50 м. и более. Длина переходно-скоростных полос назначается в зависимости от категории дороги, продольного уклона. Чертеж пересечения дорог в двух уровнях, поперечные профили и водоотвод представлены в приложении 1.
3. Водопропускная труба
3.1 Расчет стока с малого водосборного бассейна для водопропускной трубы
Привязка типового проектного решения водопропускной трубы на ПК 37+20
1. Изображаем на карте водосборный бассейн, анализируя рельеф местности.
Водосборный бассейн показан на карте в курсовом проекте Участка автомобильной дороги АВ.
2. Считаем площадь водосборного бассейна методом палетки ![]()
3. Изображаем на карте главный лог водосборного бассейна
Lгл. лога =1360 м.
4. Определяем уклон главного лога
![]()
5. Определить средний уклон склонов лога по карте
![]()
6. Определение расчетного расхода воды в бассейне
Для этого необходимо рассчитать расход ливневого стока Qр% лив. и расход снегового стока Qр% снег , выбрать больший из рассчитанных расходов.
р% - вероятность превышения расчетного расхода, для рассчитываемой трубы р%= 3%, т. к. техническая категория проектируемой дороги IV.
Расчет расхода воды для трубы
Исходные данные:
δ=1
Н1% =80 мм.
Тип кривой редукции осадков – 2
р%=3%
λр% =0,86
χ=0,33
χр =9
φ0 =0,3
n5 =0,8
nск =0,25
α1 =1
n2 =0,22
hср =200 мм.
Сv =0,3
Определение ливневого расхода
![]()
![]()
Коэффициент стока


Гидроморфологическая характеристика русла




τск =86, qр =0,068
Определение расчетного расхода снегового стока

![]()

Из двух полученных расходов от ливневого стока и талых вод в качестве расчетного принимают большее значение QР% =1,31 м3 /с
3.2 Определение размеров трубы
Исходные данные:
d=1 м.
Q% =1,4 м3 /с
hкр =0,69 м.
hсж =0,62 м.
iкр =4‰
Тип входного звена цилиндрический
H=1,15 м.
Vвых =2,7м/сек
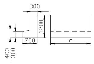
ПК 37+20

Рис. 3 Поперечный профиль
L1 – длина средней части трубы без входного и выходного звеньев.

Рис. 4 Схема средней части, входного и выходного оголовка трубы
Принимаю 3-х метровые звенья – 6 шт.
2-х метровые – 1 шт.
![]()

Рис. 5 Схема расположения звеньев трубы
Назначение типов элементов трубы
Пусть труба будет безфундаментная, уложенная на гравийно-песчаную подушку.
Рис. 6 Звено оголовка круглое
Марка блока ЗКП 15.170 а=122 см.; b=161 см.; с=170 см.; δ=10 см.

Рис. 7 Звено средней части
2-х метровое: Марка блока ЗКП 19.200 а=120 см.; b=121 см.; с=200 см.; δ=10 см.
3-х метровое: Марка блока ЗКП 19.300 а=120 см.; b=121 см.; с=300 см.; δ=10 см.

Рис. 8 Откосные стенки.
2 шт. марка блока СТ 1 п. а=185 см.; b=227 см.; с=30 см.
2 шт. марка блока СТ 1 л. а=185 см.; b=227 см.; с=30 см.

Рис. 9 Противофильтрационный экран.
Марка блока Ф 264; а=70 см.; b=120 см.; с=302 см.
| Отверстие, м |
Тип оголовка |
Звенья оголовка, железобетон |
Откосные стенки , железобетон |
Монолитный бетон лотка, бетон В20, м3 |
Оклеечная гидроизоляция, м² |
Тип фундамента гравийно-песчаный |
||||||||||
| Бетон В 30, м³ |
Арматура, кг |
Бетон В 20, м3 |
Арматура А – I, кг |
|||||||||||||
| А – I |
A – III |
Рытье котлована, м3 |
Засыпка котлована, м3 |
Подготовка из щебня или гравия, м3 |
Гравийно – песчаная смесь, м3 |
Блоки экрана, железобетон |
Обмазочная гидроизоляция, м² |
|||||||||
| Бетон В 20, м3 |
Арматура, кг |
|||||||||||||||
| А – I |
A – III |
|||||||||||||||
| 1,0 |
С цилиндрическим звеном |
1,96 |
44,6 |
116,4 |
3,56 |
159,6 |
1,14 |
1,0 |
48,2 |
30,4 |
1,0 |
11,2 |
2,02 |
79,2 |
- |
47,8 |
3.3 Ведомости объемов работ
Таблица 1
Объем основных работ на оголовки
Таблица 2
Объемы основных работ на среднюю часть трубы
| Отверстие, м |
Высота насыпи, м |
Толщина звена, см |
Звенья, железобетон |
Оклеечная гидроизоляция, м² |
Конопатка швов, пакля, кг |
Тип фундамента |
|||||
| Бетон В 30, м³ |
Арматура, кг |
Гравийно - песчаный |
|||||||||
| А - I |
A - III |
Обмазочная гидроизоляция, м² |
Гравийно – песчаная смесь, м3 |
Заполнение пазух гравийно- песчаной смесью, м3 |
Рытье котлована, м3 |
||||||
| 1,0 |
4,1 - 7,0 |
10 |
9,6 |
206 |
626 |
10 |
10,4 |
66 |
8 |
- |
14 |
Таблица 3
Спецификация блоков на трубу ПК 37+20
| Марка |
Наименование |
Кол. |
Масса, т |
Примечание |
| ЗКП 15.170 |
Звено оголовка |
2 |
5,0 |
|
| ЗКП 19.200 |
Звено средней части |
1 |
2,0 |
|
| ЗКП 19.300 |
Звено средней части |
6 |
18,0 |
|
| СТ 1л(п) |
Откосная стенка |
4 |
8,8 |
|
| Ф 264 |
Блок экрана |
2 |
7,6 |
Таблица 4 Ведомость объемов сборных элементов на трубу на ПК
37+20
| Наименование работ |
Материал |
Ед.изм |
Кол-во |
|
| Рытье котлована |
м3 |
62,2 |
||
| Подготовка под трубу |
гравийно-песчаная |
гравийно-песчаная смесь |
м3 |
19,2 |
| щебеночная |
щебень |
м3 |
1,0 |
|
| Монолитный бетон фундамента |
бетон В20 |
м3 |
– |
|
| Бетон лотка |
бетон В20 |
м3 |
1,14 |
|
| Заполнение пазух |
бетон В20 |
м3 |
– |
|
| Конопатка швов паклей |
пакля пропит. битумом |
кг |
10,4 |
|
| Сборный железобетон |
– |
м3 |
16,54 |
|
| Сборный бетон |
– |
м3 |
– |
|
| Итого кладки |
– |
м3 |
17,68 |
|
| Обмазочная гидроизоляция |
мастика … |
м2 |
113,8 |
|
| Оклеечная гидроизоляция |
мастика… |
м2 |
11,0 |
|
| Засыпка котлована |
– |
м3 |
30,4 |
|
| Укрепление |
монолитный бетон |
Бетон В20 |
м3 |
6,5 |
| каменная наброска |
Камень |
м3 |
2,7 |
|
4 Отвод земель для участка автомобильной дороги протяженностью 2 километра
4.1 Привязка типовых проектных решений
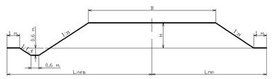
Отвод земель выполняется для участка автомобильной дороги, IV технической категории от ПК 19+00 до ПК 39+00, для расчета приняты:
- ширина полосы движения 3 метра;
- ширина обочины 2 метра;
- ширина земляного полотна поверху 10 метров;
- канавы приняты трапециидальной формы;
- ширина канавы по дну 0,6 метров;
- глубина канавы 0,6 метров;
- заложение откосов земляного полотна для насыпи высотой:
· до 1,5 метров - 1:3;
· от 1,5 до 6 метров – 1:1,5
Для каждого пикета на рассматриваемом участке выполняем расчет ширины полосы отвода.
Поперечные профили





Рис. 11 Поперечные профили земляного полотна
4.2 График постоянного отвода земель для участка автомобильной дороги ПК 19+00 – ПК 39+00
Таблица 6
Таблица определения ширины полосы отвода
| ПК + |
Lлев , м. |
Lпр , м. |
| 19+00 |
11,18 |
8,78 |
| 20+00 |
11,25 |
11,25 |
| 20+67 |
11,69 |
11,69 |
| 20+80 |
9,59 |
9,59 |
| 21+00 |
9,68 |
9,68 |
| 22+00 |
10,28 |
10,28 |
| 23+00 |
10,28 |
10,28 |
| 24+00 |
9,08 |
9,08 |
| 24+14 |
11,69 |
11,69 |
| 25+00 |
10,28 |
12,68 |
| 26+00 |
9,15 |
9,15 |
| 27+00 |
11,85 |
11,85 |
| 27+80 |
16,67 |
14,27 |
Продолжение табл. 6
| 28+20 |
15,44 |
13,04 |
| 29+00 |
12,83 |
10,43 |
| 30+00 |
11,28 |
11,28 |
| 31+00 |
12,75 |
12,75 |
| 32+00 |
12,08 |
9,68 |
| 33+00 |
11,63 |
9,23 |
| 34+00 |
12,53 |
10,13 |
| 35+00 |
13,43 |
11,03 |
| 36+00 |
12,23 |
9,83 |
| 36+50 |
11,85 |
9,45 |
| 37+00 |
9,83 |
9,83 |
| 37+55 |
9,11 |
9,11 |
| 38+00 |
11,42 |
9,02 |
| 39+00 |
10,53 |
10,53 |
Таблица 7
Таблица по видам отвода
| Участки а.д. |
Площадь отвода |
Всего |
||
| Вид и номер отвода |
||||
| Лес |
Кустарник |
Пашня |
||
| Слева от дороги |
||||
| 19+00-20+00 |
0,11 |
0,11 |
||
| 20+00-20+67 |
0,08 |
0,08 |
||
| 20+67-20+80 |
0,01 |
0,01 |
||
| 20+80-21+00 |
0,02 |
0,02 |
||
| 21+00-22+00 |
0,1 |
0,1 |
||
| 22+00-23+00 |
0,1 |
0,1 |
||
| 23+00-23+20 |
0,02 |
0,02 |
||
| 23+20-24+00 |
0,08 |
0,08 |
||
| 24+00-24+14 |
0,015 |
0,015 |
||
| 24+14-25+00 |
0,09 |
0,09 |
||
| 25+00-26+00 |
0,1 |
0,1 |
||
| 26+00-27+00 |
0,1 |
0,1 |
||
| 27+00-27+80 |
0,11 |
0,11 |
||
| 28+20-29+00 |
0,11 |
0,11 |
||
| 29+00-30+00 |
0,12 |
0,12 |
||
| 30+00-31+00 |
0,12 |
0,12 |
||
| 31+00-32+00 |
0,124 |
0,124 |
||
| 32+00-33+00 |
0,12 |
0,12 |
||
| 33+00-34+00 |
0,121 |
0,121 |
||
| 34+00-35+00 |
0,13 |
0,13 |
||
| 35+00-36+00 |
0,13 |
0,13 |
||
| 36+00-36+50 |
0,06 |
0,06 |
||
| 36+50-36+60 |
0,01 |
0,01 |
||
| 36+60-37+00 |
0,04 |
0,04 |
||
| 37+00-37+20 |
0,02 |
0,02 |
||
| 37+20-37+55 |
0,033 |
0,033 |
||
| 37+55-38+00 |
0,046 |
0,046 |
||
| 38+00-38+20 |
0,022 |
0,022 |
||
| 38+20-39+00 |
0,088 |
0,088 |
||
| Итого слева |
0,06 |
0,308 |
1,801 |
2,169 |
| Справа от дороги |
||||
| 19+00-20+00 |
0,10 |
0,10 |
||
| 20+00-20+67 |
0,08 |
0,08 |
||
| 20+67-20+80 |
0,01 |
0,01 |
||
| 20+80-21+00 |
0,02 |
0,02 |
||
| 21+00-22+00 |
0,1 |
0,1 |
||
| 22+00-23+00 |
0,1 |
0,1 |
||
| 23+00-23+20 |
0,02 |
0,02 |
||
| 23+20-24+00 |
0,08 |
0,08 |
||
| 24+00-24+14 |
0,015 |
0,015 |
||
| 24+14-25+00 |
0,1 |
0,1 |
||
| 25+00-26+00 |
0,1 |
0,1 |
||
| 26+00-27+00 |
0,1 |
0,1 |
||
| 27+00-27+80 |
0,1 |
0,1 |
||
| 28+20-29+00 |
0,09 |
0,09 |
||
| 29+00-30+00 |
0,11 |
0,11 |
||
| 30+00-31+00 |
0,12 |
0,12 |
||
| 31+00-32+00 |
0,112 |
0,112 |
||
| 32+00-33+00 |
0,095 |
0,095 |
||
| 33+00-34+00 |
0,097 |
0,097 |
||
| 34+00-35+00 |
0,11 |
0,11 |
||
| 35+00-36+00 |
0,104 |
0,104 |
||
| 36+00-36+50 |
0,05 |
0,05 |
||
| 36+50-36+60 |
0,01 |
0,01 |
||
| 36+60-37+00 |
0,039 |
0,039 |
||
| 37+00-37+20 |
0,02 |
0,02 |
||
| 37+20-37+55 |
0,033 |
0,033 |
||
| 37+55-38+00 |
0,032 |
0,032 |
||
| 38+00-38+20 |
0,02 |
0,02 |
||
| 38+20-39+00 |
0,078 |
0,078 |
||
| Итого справа |
0,059 |
0,298 |
1,688 |
2,045 |
| Всего по дороге |
0,119 |
0,606 |
3,489 |
4,214 |
Вывод: Для постоянного отвода под автомобильную дорогу от ПК 19+00 до ПК 39+00 требуется всего 4,214 га земли, в том числе по видам отвода: а) лес – 0,119 га, кустарник – 0,606 га, пашня – 3,489 га. По землепользователям: а) Гослесфонд – 0,725 га, совхоз Добрынино – 3,489 га.
Список используемых источников
1. Строительные нормы и правила: СНиП 2.05.02-85. Автомобильные дороги. - Введ. 01.01.87.-М.: Стройиздат, 1986.-56 с.
2. Строительные нормы и правила: СНиП 2.05.03-2000. Мосты и трубы.- Введ.01.01.86. – М.: Стройиздат, 2001.-200 с.
3. Технические указания по проектированию пересечений и примыканий автомобильных дорог. ВСН 103-74. – М.: Транспорт, 1975.- 64 с.
4. Типовые материалы для проектирования 503-0-51.89. Пересечения и примыкания автомобильных дорог в одном уровне. – М.: Союздорпроект, 1989. – 40с.
5. Типовой альбом для проектирования 3.501.1-144. Трубы водопропускные круглые железобетонные сборные для железных и автомобильных дорог
6. Водопропускные трубы на автомобильных дорогах: Методические указания для курсового и дипломного проектирования. – Вологда: ВоГТУ, 2006. – 36 с.
7. Пересечение и примыкания автомобильных дорог в одном уровне: Методические указания для курсового и дипломного проектирования – Вологда: ВоГТУ, 2005. – 28 с.