| Скачать .docx |
Курсовая работа: Расчет конструкций рабочей площадки
Расчет конструкций рабочей площадки
Оглавление
1. Компоновка рабочей площадки
2. Выбор материалов для конструкций и соединений
3. Нагрузки на рабочую площадку
4. Расчетная ячейка рабочей площадки
5. Расчет балки настила
6. Расчет главной балки
7. Расчет колонны
8. База колонны
9. Узлы сопряжения балок
Введение
Рабочая площадка располагается внутри здания и служит для размещения на ней технологического оборудования, материалов и обслуживающего персонала [3]. Площадка состоит из железобетонного настила, балок настила, главных балок, колонн и связей. Колонны опираются на собственные фундаменты (рис. 1).

Рабочая площадка: а) схема площадки; б) – сопряжение балок этажное;
1 – настил; 2 – балки настила; 3 – главные балки; 4 – колонны; 5 – связи; 6 – фундаменты.
Исходные данные
1. Размеры площадки в плане 3Lx3Bм (22,500х12,000м);
2. Шаг колонн в продольном направлении L=7,500м;
3. Шаг колонн в поперечном направлении B=4,000м;
4. Шаг балок настила a=L/n; n=3; a=7,500/3=2,500м;
5. Отметка верха площадки Н=6,0м;
6. Тип сопряжения балок: этажное;
7. Переменная нагрузка Px=14кН/м2 ;
8. Материал металлоконструкций сталь С245 по ГОСТ 27772-88.
1. Компоновка рабочей площадки

Рисунок 1. Схема балочной клетки рабочей площадки.
Крайние главные балки имеют консольные части
с = а /2 + (150 – 200) мм=2500/2+150=1400мм
Н1 = – 0.150 м. отметка низа колонн.
Принимаем как настил рабочей площадки монолитную железобетонную плиту, толщиной t ж/б пл = 100 мм .
2. Выбор материалов для конструкций и соединений
Балки настила и главные балки:
Расчетные сопротивления прокатных балок: С245 по ГОСТ 27772-88
Ry = 24 кН/см2 (240 МПа); Rs = 13,9 кН/см2 (139 МПа).
Для листовой стали сварных балок при толщине проката t = 11 – 20 мм:
Ry = 24 кН/см2 (240 МПа); Rs = 13,9 кН/см2 (139 МПа);
Rр = 36 кН/см2 (360 МПа).
Колонны и связи: С235 по ГОСТ 27772-88
Расчетные сопротивления:
Ry = 23 кН/см2 (230 МПа); Rs = 13,3 кН/см2 (133 МПа).
Принимаем ручную сварку электродами типа Э42.
Расчетные сопротивления для сварных угловых швов:
Rωf = 18 кН/см2 (180 МПа) – для прокатных балок;
Rωz = 16,4 кН/см2 (164 МПа) – для прокатных балок;
Rωz = 16 кН/см2 (160 МПа) – для листового проката.
βf = 0,7; βz = 1,0
βf ·Rωf = 0,7·1,8 = 12,6 < βf ·Rωf = 1,0·16,6 = 16,4 кН/см2 .
Расчет следует вести по металлу шва.
Принимаем монтажные болты грубой и нормальной точности кл. 4.6 по ГОСТ 15589-70*, гайки по ГОСТ 5915-70*.
Расчетные сопр. болтов Rbs = 15 кН/см2 (150 МПа); Rbp = 45 кН/см2 (450 МПа).
Коэффициент условий γс = 1;
коэффициент надежности по предельной расчетной нагрузке: для переменной распределенной нагрузки γt m 1 = 1,2; для монолитных железобетонных плит γt m 2 = 1,1; коэффициент надежности по нагрузке для эксплуатационного расчетного значения постоянной и переменной нагрузки γ fe = 1;
коэффициент надежности по назначению γ n = 1 (при расчете не учитывается).
3. Нагрузки на рабочую площадку
Характеристическое значение переменной нагрузки РХ =14кН/м2 ;
Характеристическое значение постоянной нагрузки от веса квадратного метра железобетонной плиты настила вычисляют по формуле:
(кН/м2
), где ρ
=2,5т/м3
–
плотность железобетонной плиты;
tж/б пл =0,1– толщина плиты настила, м;
g = 10 м/с2 – ускорение свободного падения.
кН/м2
Суммарное характеристическое значение нагрузки на 1 м2 :
кН/м2
.
Суммарное предельное расчетное значение нагрузки на 1 м2 :
кН/м2
.
Суммарное эксплуатационное расчетное значение нагрузки на 1 м2 :
кН/м2
.
Эксплуатационное расчетное значение нагрузки принимается равным характеристическому.
4. Расчетная ячейка рабочей площадки

Рисунок 2. Расчетная ячейка рабочей площадки.
5. Расчет балки настила
Балку рассчитывают на равномерно распределенную нагрузку, расчетная схема балки Б1 приведена на рис. 3.

Рисунок 3. Расчетная схема балки Б1.
Подбор сечения балки Б1 для расчетной ячейки с параметрами В = 4 м; L = 7,5 м;
а =L /n = 7,5/3 = 2,5 м. Материал конструкций сталь С245,
суммарное характеристическое значение нагрузки
кН/м2
,
суммарное предельное расчетное значение нагрузки
кН/м2
;
суммарное эксплуатационное расчетное значение нагрузки
кН/м2
.
Расчетное сопротивление стали Rу = 240 МПа или 24 кН/см2 принимаем для толщины проката 2–20 мм.
Нагрузка на 1 пог. м балки:
характеристическая:
кН/м;
предельная расчетная:
кН/м;
эксплуатационная расчетная:
кН/м.
Далее определяем предельные расчетные усилия в балке:
– опорные реакции:
кН;
– максимальный изгибающий момент:
кН·м = 9775 кН×см.
Требуемый момент сопротивления балки вычисляем по формуле:
см3
.
Принимаем для Б1
30 Wx
= 472 см3
, J
x
= 7080 см4
, S
= 6,5 мм.
Проверяем жесткость балки:
предельный прогиб: fи = В /200 = 400/200 = 2 cм;
фактический прогиб:
см < fи
= 2 см.
Условие жесткости выполняется.
Выполняем проверку прочности подобранного сечения по формуле:
![]()
Условие прочности выполняется.
6. Расчет главной балки
Подбор сечения балки Б2.
Ry = 240 МП = 24 кН /см2 для толщины проката полки балки t < 20 мм.
Узловая расчетная нагрузка на балку: F = 2 ·Rбн = 2 · 61,09 = 122,18 кН.
Рисунок 4. Расчетная схема главной балки Б2.
Определяем усилия в балке на участках:
| Участок 1 | |
| Участок 2 | |
= 381,81 кН·м; |
|
| Участок 3 | |
– 122,18·5 – 122,18·2,5 = 229,09 кН·м |
Эпюры M и Q для данной балки построены на рис. 4.
Требуемый момент сопротивления главной балки (упругая стадия работы материала):
см3
.
Принимаем для Б2
55 Wx
= 2035 см3
,
J
x
= 55962 см4
, s
= 11 мм.
Проверяем жесткость балки по формуле:
фактический прогиб
см,
где
кНсм;
предельный прогиб
fи = L /200 = 750/200 = 3,75 cм.
Условие жесткости выполняется.
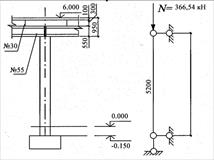
7. Расчет колонны

Рисунок 5. Конструктивная и расчетная схемы колонны К1
Подбор сечения средней колонны К1.
Отметка верха площадки Н = 6,0 м;
отметка низа колонны Н1 = – 0,150 м.
Колонна выполнена из стали С235, R y = 230 мПа = 23 кН/см2 .
Сопряжение балок этажное.
Расчетное усилие в колонне N = 2·Rгб = 2·183,27 = 366,54 кН.
Высота колонны
м = 5200 мм;
мм = 0,950 м.
Расчетная длина колонны
lef , x = lef , y = μ · hk = 1 ·520 = 520 cм.
Задаемся коэффициентом продольного изгиба φ = 0,6.
Требуемая площадь сечения колонны
см2
.
Минимальный радиус инерции из условия предельной гибкости
см.
Принимаем по сортаменту профиль № 14.
Геометрические характеристики сечения А = 31,2 см2 , J x = 982 cм4 , J y = 623 cм4 .
Радиус инерции сечения:
ix = 5,6 см; iy = 4,47 см

Рисунок 6. Схема составного сечения главной колонны.
Определяем гибкость колонны относительно главных осей:
![]()
Принимаем методом интерполяции φ = 0,455 и проверяем устойчивость колонны:
кН/см2
.
Условие не выполняется.
Принимаем по сортаменту профиль № 18.
Геометрические характеристики сечения А = 41,4 см2 , J x = 2180 cм4 , J y = 1 232 cм4 .
Радиус инерции сечения:
ix = 7,24 см; iy = 5,46 см
![]()
Принимаем методом интерполяции φ = 0,589 и проверяем устойчивость колонны:
кН/см2
.
Условие выполняется.
Предельная гибкость:
![]()
где ![]()
Устойчивость колонны обеспечена.
8. База колонны

Рисунок 7. База колонны
N = 354 кН, материал фундамента – бетон класса В10, размеры сечения стержня колонны из примера 4: h = 180 мм, b = 140 мм, tтр =10 мм.
Расчетное сопротивление бетона сжатию Rb = 6,0 МПа = 0,6 кН/см2 .
Расчетное сопротивление бетона смятию Rb,loс = Rb ·ψb,loc = 0,6·1,2 = 0,72 кН/см2 .
Требуемая площадь плиты
см2
.
Назначаем размеры плиты в плане.
Ширина плиты
Впл = 2с + 2tтр + b = 2·40+2·10+140 = 240 мм = 24 см.
Длина плиты по расчету
см.
Конструктивная длина плиты
мм.
Принимаем большую длину Lпл = 38 см.
Назначаем толщину плиты базы tпл = 20 мм.
Высоту траверсы вычисляем, задавшись: катетом шва kf = 6 мм, видом сварки – ручной, при которой βf = 0,7, типом электрода Э42 с расчетным сопротивлением шва срезу (по металлу шва) Rwf = 180 МПа =18 кН/см2 , γwf =1,0; γc = 1,0.
Тогда
см.
Принимаем hтр = 20 см. Анкерные болты принимаем диаметром 30 мм.
9. Узлы сопряжения балок
Сопряжение главных балок и балок настила между собой выполняют на монтаже. В соответствии с заданием рассматриваем этажное сопряжение балок:

Рисунок 8. Этажное сопряжения балок.
При этажном соединении, в месте опирания балки, ребро ставится в том случае, если опорная реакция балки настила превышает 100 кН. В данном случае
кН, соответственно, нет необходимости в дополнительном усилении сопряжения. Болты принимаем конструктивно для фиксации положения балки Б1 и Б2 d=22мм (исходя из геометрических характеристик сечения балок).