| Скачать .docx |
Реферат: Индивидуальный жилой дом
Содержание
Введение..................................................................................................................3
1. Задание на курсовой проект..............................................................................4
1.1. Характеристика возводимого здания...........................................................12
1.2. Описание основных видов СМР, выполняемых на объекте......................13
2. Расчет объемов работ........................................................................................15
3. Спецификация монтируемых элементов........................................................26
4. Формирование калькуляции затрат труда и заработной платы....................27
5. Нормокомплекты для выполнения основных видов СМР............................32
6. Выбор основных подъемно-транспортных механизмов...............................48
7. Описание организационно-технологических схем основных видов СМР. 52
8. Расчет календарного плана строительства....................................................53
9. Строительный генеральный план....................................................................57
10. Список использованной литературы.............................................................58
Введение
Данный курсовой проект решает вопросы организации строительного производства на строительной площадке. Курсовой проект на тему «Индивидуальный жилой дом» предусматривает разработку приемов и методов монтажа конструкций, выбор транспортных средств, грузозахватных приспособлений, монтажных комплексов. Производится расчет затрат труда, формирование и расчет календарного плана возведения здания, разработка и оформление строительного генерального плана объекта на этапе возведения коробки здания.
1. Задание на курсовой проект
1.1. Характеристика возводимого здания
Основные конструкции и материалы:
- фундамент – ленточный из сборного железобетона,
- стены – кирпич,
- перегородки – кирпич,
- перекрытия – плиты железобетонные,
- кровля – металлочерепица,
- наружная отделка стен – облицовочный кирпич,
- наружная отделка цоколя – искусственный камень.
В доме три этажа с четким функциональным зонированием. Цокольный этаж представляет собой служебную часть дома, где расположены гараж, сауна и небольшая комната отдыха. По проекту он не заглублен, а расположен выше отметки земли. На первом этаже расположена зона дневного пребывания семьи, общения, уютных зимних вечеров у камина. Планировка решена по принципу единого пространства, где гостиная, кухня и столовая объединены в одно большое помещение, дополненное крытой террасой. На втором этаже три спальни и душевая сгруппированы вокруг небольшого лестничного холла. Все очень компактно, логично, без излишеств, но при этом комфортно и удобно.
1.2. Описание основных видов СМР, выполняемых на объекте
Подготовка строительного производства состоит из общей организационно-технической подготовки, выполняемой до начала работ на строительной площадке, и подготовки к строительству объекта, в течение которой производятся вне- и внутриплощадочные работы. Связанные с освоением и организацией строительной площадки и примыкающей к ней территории, а также планово-экономических мероприятий.
Подготовительный период, следующий после выполнения организационных мероприятий, включает работы, которые необходимо выполнить, чтобы подготовить площадку к строительству объекта. Состав и порядок выполнения работ подготовительного периода различны в зависимости от отрасли строительства, принятой технологии и местных условий.
Выделяют 4 цикла по возведению здания:
1) подготовительный период:
- уборка и пересадка деревьев (зеленые насаждения, не подлежащие вырубке или пересадке, обносят общей оградой; стволы отдельно стоящих деревьев, попадающих в зону работ, предохраняют от повреждений, покрывая отходами пиломатериалов),
- корчевание кустов,
- планировка площадки,
- снятие растительного слоя,
- ограждение территории,
- прокладка временных сетей,
- установка временных зданий,
- прокладка временных дорог,
- установка освещения на площадке.
- устройство обноски (на обноску переносят основные разбивочные оси и, начиная от них, размечают все остальные оси здания. После завершения возведения подземной части здания оси переносят на его цоколь),
- отрывка котлована,
- устройство песчаной подсыпки,
- укладка фундаментных подушек и блоков (следует выверять горизонтальность верха блока в поперечном направлении, правильность установки блока на основание. Устраняют отклонения, заново устанавливая блок, незначительные отклонения устраняют, перемещая блок с помощью монтажного лома),
- устройство стен подвала,
- устройство перекрытий нулевого цикла,
- устройство гидроизоляции фундамента,
- обратная засыпка пазух котлована,
- подводка сетей к зданию.
2) период устройства коробки здания:
- ограждение территории,
- расстановка временных зданий и сооружений,
- Установка крана и путей его движения,
- Определение опасных зон работы крана,
- устройство временных дорог и площадок,
- устройство площадок для хранения материалов, изделий, полуфабрикатов,
- устройство навесов для хранения кровельных материалов,
- устройство временных сетей к временным зданиям и сооружениям,
- устройство противопожарного выезда параллельно основному,
- устройство временного освещения строительной площадки.
3) отделочный цикл:
- устройство временных зданий и сооружений,
- устройство ограждения площадки,
- устройство холодных и теплых складов для хранения материалов,
- расстановка приспособлений,
- устройство противопожарного щита.
2. Расчет объемов работ
Табл.1
Ведомость подсчёта объёмов работ кирпичной кладки
| Наимен. оси |
Размеры стены b x h |
Площадь стены, м2 |
Площадь проёмов |
Площадь стены за вычетом проёмов |
Толщина стены, м |
Объём кладки, м3 |
Площадь перегоро-док, м2 |
||
| Окна, м2 |
Двери, м2 |
||||||||
| 1 |
2 |
3 |
4 |
5 |
6 |
7 |
8 |
9 |
|
| А |
6,60 |
8,715 |
57,52 |
5,74 |
19,68 |
32,10 |
0,68 |
16,05 |
|
| Б |
2,60 |
8,715 |
22,66 |
0,00 |
1,98 |
20,68 |
0,68 |
10,34 |
|
| В |
2,60 |
8,715 |
22,66 |
0,00 |
0,00 |
22,66 |
0,68 |
11,33 |
|
| Г |
6,60 |
8,715 |
57,52 |
7,51 |
5,94 |
44,07 |
0,68 |
22,03 |
|
| 1 |
10,60 |
8,715 |
92,38 |
4,06 |
0,00 |
88,32 |
0,68 |
44,16 |
|
| 2 |
8,20 |
8,715 |
71,46 |
0,52 |
0,00 |
70,94 |
0,68 |
35,47 |
|
| 3 |
4,30 |
8,715 |
37,47 |
3,93 |
0,00 |
33,54 |
0,68 |
16,77 |
|
| перегородки между осями А и Б |
11,04 |
2,7 |
29,81 |
0 |
5,06 |
24,75 |
0,12 |
24,75 |
|
| перегородки между осями Б и В |
25,23 |
2,7 |
68,12 |
0 |
12,54 |
55,58 |
0,12 |
55,58 |
|
| перегородки между осями В и Г |
6,8 |
2,7 |
18,36 |
0 |
1,54 |
16,82 |
0,12 |
16,82 |
|
Табл.2
Ведомость подсчета объемов работ по установке оконных, дверных блоков окраске и остеклению
| Наимен. оси |
Наимен. работ |
Размеры а и в, м |
Площадь проемов, м2 |
Коэф. остекления |
Коэф. окраски |
Объем работ, м2 |
||||
| Площадь окраски окон |
Площадь окраски дверей |
Площадь остекления окон |
||||||||
| 1 |
2 |
3 |
4 |
5 |
6 |
7 |
8 |
9 |
||
| А |
Окно 3 |
1,00 |
1,44 |
4 |
5,74 |
2 |
2,5 |
14,35 |
- |
11,48 |
| Дверь 4 |
1,50 |
2,20 |
2 |
6,60 |
- |
2,4 |
- |
15,84 |
- |
|
| Дверь 1 |
0,70 |
2,20 |
2 |
3,08 |
- |
2,4 |
- |
7,39 |
- |
|
| Ворота 1 |
4,00 |
2,50 |
1 |
10,00 |
- |
2,4 |
- |
24,00 |
- |
|
| Б |
Дверь 3 |
0,90 |
2,20 |
1 |
1,98 |
- |
2,4 |
- |
4,75 |
- |
| Г |
Окно 1 |
0,87 |
0,60 |
1 |
0,52 |
2 |
2,5 |
1,31 |
- |
1,04 |
| Окно 4 |
1,10 |
1,44 |
2 |
3,16 |
2 |
2,5 |
7,89 |
- |
6,31 |
|
| Окно 6 |
2,67 |
1,44 |
1 |
3,83 |
2 |
2,5 |
9,58 |
- |
7,66 |
|
| Дверь 3 |
0,90 |
2,20 |
1 |
1,98 |
- |
2,4 |
- |
4,75 |
- |
|
| Дверь 5 |
1,80 |
2,20 |
1 |
3,96 |
- |
2,4 |
- |
9,50 |
- |
|
| 1 |
Окно 1 |
0,87 |
0,60 |
3 |
1,57 |
2 |
2,5 |
3,92 |
- |
3,13 |
| Окно 2 |
0,87 |
1,44 |
2 |
2,50 |
2 |
2,5 |
6,24 |
- |
4,99 |
|
| 2 |
Окно 1 |
0,87 |
0,60 |
1 |
0,52 |
2 |
2,5 |
1,31 |
- |
1,04 |
| 3 |
Окно 5 |
1,37 |
1,44 |
2 |
3,93 |
2 |
2,5 |
9,83 |
- |
7,86 |
| А-Б |
Дверь 3 |
0,90 |
2,20 |
2 |
3,96 |
- |
2,7 |
- |
10,69 |
- |
| Дверь 1 |
0,70 |
2,20 |
2 |
3,08 |
- |
2,7 |
- |
8,32 |
- |
|
| Б-В |
Дверь 1 |
0,70 |
2,20 |
6 |
9,24 |
- |
2,7 |
- |
24,95 |
- |
| Дверь 2 |
0,80 |
2,20 |
1 |
1,76 |
- |
2,7 |
- |
4,75 |
- |
|
| В-Г |
Дверь 1 |
0,70 |
2,20 |
1 |
1,54 |
- |
2,7 |
- |
4,16 |
- |
Табл.3
Ведомость подсчета объемов работ по покрытию пола
| № п/п |
Наименование помещения |
Размеры в плане, м |
Площадь помещения, м2 |
Вид покрытия |
|
| 1 |
2 |
3 |
4 |
5 |
|
| Цокольный этаж |
|||||
| 1 |
Сауна |
1,48 |
1,41 |
2,09 |
дощатый |
| 2 |
Комната отдыха |
1,94 |
3,48 |
6,75 |
линолеум |
| 3 |
Техническое помещение |
1,74 |
3,48 |
6,06 |
линолеум |
| 4 |
Ванная |
1,48 |
1,27 |
1,88 |
керамическая плитка |
| 5 |
Уборная |
1,48 |
0,98 |
1,45 |
керамическая плитка |
| 6 |
Холл |
3,09 |
0,98 |
3,03 |
линолеум |
| 7 |
Гараж |
5,4 |
4,75 |
25,65 |
бетон |
| 1 этаж |
|||||
| 8 |
Прихожая |
2,03 |
3,30 |
6,70 |
дерево |
| 9 |
Холл |
1,02 |
2,64 |
2,69 |
линолеум |
| 10 |
Кухня-столовая |
5,40 |
3,48 |
18,79 |
линолеум |
| 11 |
Уборная |
1,34 |
2,64 |
3,55 |
керамическая плитка |
| 12 |
Гостиная |
5,40 |
3,48 |
18,79 |
паркет |
| 13 |
Тамбур |
2,40 |
0,83 |
1,99 |
линолеум |
| 2 этаж |
|||||
| 14 |
Холл |
1,40 |
2,40 |
3,36 |
линолеум |
| 15 |
Уборная |
1,34 |
2,64 |
3,55 |
керамическая плитка |
| 16 |
Спальня |
5,40 |
3,48 |
18,79 |
линолеум |
| 17 |
Спальня |
2,54 |
3,48 |
8,84 |
линолеум |
| 18 |
Спальня |
2,74 |
3,48 |
9,54 |
линолеум |
Табл.5
Ведомость подсчета объемов работ по отделке фасадов
| Наимен. оси |
Размеры стены b x h |
Площадь стены, м2 |
Площадь проёмов |
Площадь стены за вычетом проёмов |
Толщина стены, м |
Облицовочный кирпич, м2 |
Отделка цоколя искусственным камнем, м2 |
||
| Окна, м2 |
Двери, м2 |
||||||||
| 1 |
2 |
3 |
4 |
5 |
6 |
7 |
8 |
9 |
|
| А |
6,60 |
8,215 |
54,22 |
5,74 |
19,68 |
28,80 |
0,68 |
28,80 |
|
| цоколь |
6,60 |
0,50 |
3,30 |
3,30 |
3,30 |
||||
| Б |
2,60 |
8,215 |
21,36 |
0,00 |
1,98 |
19,38 |
0,68 |
19,38 |
|
| цоколь |
2,50 |
0,50 |
1,25 |
1,25 |
1,25 |
||||
| В |
2,60 |
8,215 |
21,36 |
0,00 |
0,00 |
21,36 |
0,68 |
21,36 |
|
| цоколь |
2,50 |
0,50 |
1,25 |
1,25 |
1,25 |
||||
| Г |
6,60 |
8,215 |
54,22 |
7,51 |
5,94 |
40,77 |
0,68 |
40,77 |
|
| цоколь |
6,60 |
0,50 |
3,30 |
3,30 |
3,30 |
||||
| 1 |
10,60 |
8,215 |
87,08 |
4,06 |
0,00 |
83,02 |
0,68 |
83,02 |
|
| цоколь |
3,40 |
0,50 |
1,70 |
1,70 |
1,70 |
||||
| 2 |
8,20 |
8,215 |
67,36 |
0,52 |
0,00 |
66,84 |
0,68 |
66,84 |
|
| цоколь |
8,20 |
0,50 |
4,10 |
4,10 |
4,10 |
||||
| 3 |
4,30 |
8,215 |
35,32 |
3,93 |
0,00 |
31,39 |
0,68 |
31,39 |
|
| цоколь |
10,60 |
0,50 |
5,30 |
5,30 |
5,30 |
||||
| Итого: |
20,20 |
||||||||
Табл.6
Ведомость подсчета работ по устройству кровли
| № п/п |
Наименование работ |
Размеры в плане, м |
S,м2 |
| 1 |
2 |
3 |
4 |
| 1 |
Устройство стропил |
7,84*12+2*3,22+6,74*2,72+2,38*5,88 |
132,85 |
| 2 |
Устройство обрешетки |
7,84*12+2*3,22+6,74*2,72+2,38*5,88 |
132,85 |
| 3 |
Устройство гидроизоляционного ковра |
7,84*12+2*3,22+6,74*2,72+2,38*5,88 |
132,85 |
| 4 |
Устройство кровли из металлочерепицы |
7,84*12+2*3,22+6,74*2,72+2,38*5,88 |
132,85 |
Общая ведомость объемов работ
Табл. №7
| № пп |
Наименование работ |
Эскиз |
Формулы подсчёта |
Ед. изм. |
Кол-во |
| 1 |
2 |
3 |
4 |
5 |
6 |
| 1. |
Срезка растительного слоя |
|
hРС =0,15 а=А0 +2 ·15 а=8,6+2*15 b=В0 +2 ·15 b=9,6+2*15 SРС = a · b SРС =38,6*39,6 VPC = SPC · hPC VPC =152856*0,15 |
м м м м2 м3 |
38,6 39,6 1528,56 229,28 |
| 2. |
Отрывка котлована |
Шф=1,4 м с= 0,5 m=0,5 |
HГП =1,2 АН = А0 +ШФ +2С АН =8,6+1,4+2*0,5 АВ = АН +2а АВ =11+2*0,6 а = m ·Н а=0,5*1,2 ВН = В0 +ШФ +2С Вн=9,6+1,4+2*0,5 ВВ = ВН +2а Вв=12+2*0,6 Нотр = Нгп – 0,15 Нотр =1,2-0,15
|
м м м м м м м м3 |
11 12,2 0,6 12 13,2 1,05 153,47 |
| 3. |
Ручная доработка грунта |
|
hрд = 0,15 Vрд = Ан · Вн · hрд Vрд =11*12*0,15 |
м м3 |
19,8 |
| 4. |
Уплотнение грунта котлована |
|
Fупл = Ан ·Вн Fупл = 11*12 |
м2 |
132 |
| 5. |
Устройство пес-чаной подсыпки: Для ленточного фундамента. |
Lф = 39,7 м |
Шпп = Шф + 0,1 · 2 Шпп =1,4+0,1*2 Vпп = Шпп · hпп · Lф hпп = 0,1 Vпп =1,6*0,1*39,7 |
м м м3 |
1,6 6,35 |
| 6. |
Устройство фундаментов |
|
Согласно ведомости подсчёта объёма работ сборных конструкций. Nп = Lф/Lп Nп =39,7/2,4 Nбл |
шт шт |
17 60 |
|
|
Устройство вертикальной гидроизоляции ленточного ф-та |
|
SВ = LФ · НФ SВ = 39,7*0,3*3 |
м2 |
35,73 |
|
|
Устройство горизонтальной гидроизоляции ленточного ф-та |
|
SГ = LФ · ШФ SГ = 39,7*0,6 |
м2 |
23,82 |
| 9. |
Обратная засыпка |
|
Vобр.з. = Vк – Vф –Vподв.+ Vв.т. Vф=17*0,76+0,9*0,6*39,7 Vобр.з. =153,47-34,36 |
м3 м3 |
34,36 119,11 |
| 10 |
Уплотнение грунта в котловане |
Vупл = Vобр. з |
м3 |
119,11 |
|
| 11 |
Устройство плит перекрытий |
ПК 60.18 ПК 33.10 |
14 шт 4 шт |
м2 |
164,4 |
| 12 |
Кирпичная кладка наружных стен |
16,05+10,34+11,33+22,03+44,16+35,47+16,77 |
V=a*b*h |
м3 |
156,16 |
| 13 |
Кирпичная кладка перегородок |
24,75+55,58+16,82 |
S=a*b |
м2 |
97,15 |
| 14 |
Установка оконных блоков |
0,87х0,60 0,87х1,44 1,00х1,44 1,10х1,44 1,37х0,1,44 2,67х1,44 |
S=a*b 5шт 2шт 4шт 2шт 2шт 1шт |
м2 |
24,34 |
| 15 |
Установка дверных блоков |
0,7х2,2 0,8х2,2 0,9х2,2 1,5х2,2 1,8х2,2 |
S=a*b 11шт 1шт 4шт 2шт 1шт |
м2 |
37,18 |
| 16 |
Устройство брусковых перемычек |
1550х380 1550х120 1800х380 1800х120 2200х380 2200х120 2450х380 2450х120 3100х380 3100х120 |
S=a*b 27шт 27шт 2шт 2шт 4шт 4шт 1шт 1шт 1шт 1шт |
м2 |
29,9 |
| 17 |
Остекление окон |
0,87х0,60 0,87х1,20 1,00х1,20 1,10х1,20 1,37х0,60 2,67х1,20 |
S=a*b 5шт 2шт 4шт 2шт 2шт 1шт |
м2 |
43,53 |
| 18 |
Окраска окон |
0,87х0,60 0,87х1,20 1,00х1,20 1,10х1,20 1,37х0,60 2,67х1,20 |
S=a*b 5шт 2шт 4шт 2шт 2шт 1шт |
м2 |
54,42 |
| 19 |
Окраска дверей |
0,7х2,2 0,8х2,2 0,9х2,2 1,5х2,2 1,8х2,2 |
S=a*b 11шт 1шт 4шт 2шт 1шт |
м2 |
119,11 |
| 20 |
Окраска потолков |
6,75+6,06+1,88+1,45+3,03+25,65+6,7+2,69+18,79+3,54+18,79+1,99+3,36+3,54+18,79+8,84+9,54 |
S=a*b |
м2 |
141,38 |
| 21 |
Устройство плиточного покрытия полов |
150х150 мм |
S=a*b |
м2 |
10,43 |
| 22 |
Устройство бетонных полов |
S=a*b |
м2 |
25,65 |
|
| 23 |
Устройство деревянных полов |
S=a*b |
м2 |
8,79 |
|
| 24 |
Устройство линолеумных полов |
S=a*b |
м2 |
79,83 |
|
| 25 |
Устройство паркетных полов |
S=a*b |
м2 |
18,79 |
|
| 26 |
Оштукатуривание внутренних поверхностей стен |
S=a*b |
м2 |
507,18 |
|
| 27 |
Малярные работы (окраска стен) |
S=a*b |
м2 |
109,68 |
|
| 28 |
Оклейка поверхностей стен обоями |
S=a*b |
м2 |
307,84 |
|
| 29 |
Облицовка внутренних стен плиткой |
S=a*b |
м2 |
64,65 |
|
| 30 |
Устройство стропил |
S=a*b |
м2 |
45,17 |
|
| 31 |
Устройство обрешетки |
S=a*b |
м2 |
45,17 |
|
| 32 |
Устройство кровли из металлочерепицы |
S=a*b |
м2 |
153,4 |
|
| 33 |
Отделка цоколя искусственным камнем |
S=a*b |
м2 |
20,20 |
Пояснение к табл. №7 .
1. Срезка растительного слоя.
а и b – размеры строительной площадки в плане.
hРС = 0,15м. – толщина растительного слоя.
2. Отрывка котлована.
Нгп – глубина подошвы фундамента. Принимаем 1,8 м.
АН – длина по дну котлована.
АВ – длина по верху котлована.
ВН – ширина по дну котлована.
ВВ – ширина по верху котлована.
А0 и В0 – размеры здания по крайним осям.
Шф – ширина блок-подушки фундамента.
С – расстояние от края фундамента до нижнего края котлована.
С = 0,3í0,5м. ; С = 0,5í0,8м.
m – коэффициент заложения; для суглинка m = 0,5
Нотр - глубина отрыва котлована с вычетом ручной доработки грунта.
3. Ручная доработка грунта.
hрд = 0,15м. - толщина снимаемого грунта ручной доработкой.
Vрд – объём ручной доработки.
Где: А и В – размеры дна котлована.
4. Уплотнение грунта котлована. F упл .
Где: А и В – размеры дна котлована.
5. Устройство песчаной подсыпки.
Под ленточный фундамент
В некоторых случаях используют щебень.
Шпп – ширина подсыпки.
Шф – ширина блок-подушки.
Vпп – объём подсыпки.
hпп = 0,1м. – толщина подсыпки.
Lф - длина фундамента.
6. Устройства фундаментов.
Размеры элементов и их объём берём из каталога строительных конструкций.
7. Устройство гидроизоляции.
Ленточный фундамент.
SГ – площадь горизонтальная.
SВ – площадь вертикальная
LФ - длина фундамента.
ШФ – ширина изолируемой поверхности фундамента.
НФ – высота фундамента без учёта фундаментной блок подушки.
8. Обратная засыпка.
В зависимости от назначения и вида здания.
С эксплуатируемым подвалом: Vобр.з. = VК – Vф –Vподв. + VВТ
VК – объём котлована; Vф – объём фундамента; Vподв. – подвала; VВТ – объём въездной траншеи.
9. Уплотнение обратной засыпки.
Выполняется послойно виброплощадками, катками, ручными трамбовками.
3. Спецификация монтируемых элементов
Табл. 8
Спецификация монтируемых сборных конструкций
| № пп |
Наименование элемента. |
Марка |
Эскиз. |
Кол-во |
Вес элемента, т. |
| 1 |
2 |
3 |
4 |
5 |
6 |
| 1 |
Блоки фундаментные |
ФБС 9.6 ФБС 24.6.6 |
|
15 45 |
0,35 0,97 |
| 2 |
Плиты железобетонные ленточных фундаментов |
ФП 24.2 |
17 |
1,90 |
|
| 3 |
Плиты перекрытий |
ПК 33.10 |
|
3 |
1,00 |
| 4 |
Плиты перекрытий |
ПК 60.18 |
|
6 |
3,28 |
| 5 |
Перемычки |
2ПП15-4 2ПБ15-2-П 2ПП18-П 2ПБ18-3-П 2ПП22-6 2ПБ-22-3П 2ПП25-8 2ПБ25-3-П 3ПП-31-10 2ПБ30-4-П |
1550х380 1550х120 1800х380 1800х120 2200х380 2200х120 2450х380 2450х120 3100х380 3100х120 |
27 27 2 2 4 4 1 1 1 1 |
0,189 0,065 0,241 0,081 0,275 0,092 0,327 0,103 0,623 0,125 |
6. Выбор основных подъемно-транспортных механизмов
Устройство нулевого цикла выполнялось с использованием следующих машин и механизмов:
- экскаватор с обратной лопатой ЭО-3311 с объемом ковша 0,3м3;
- бульдозер с поворотным отвалом;
- самосвал КАМАЗ-5511 для вывоза грунта из котлована;
- самоходный каток на пневматических шинах для уплотнения грунта (с шириной уплотняемой полосы 2,22 м).
Техническая характеристика экскаватора:
| Показатель |
Единица измерения |
ЭО-3311 |
| Вместимость ковша |
м3 |
0,3 |
| Наибольшая глубина копания |
м |
4 |
| Наибольший радиус копания |
м |
7,8 |
| Наибольшая высота выгрузки |
м |
2,25 |
| Мощность |
кВт (л.с.) |
28 (38) |
| Масса экскаватора |
т |
11,3 |
Техническая характеристика бульдозера:
| Показатель |
Единица измерения |
ДЗ-28 |
| Тип отвала |
поворотный |
|
| Длина отвала |
м |
3,94 |
| Высота отвала |
м |
1 |
| Мощность |
кВт (л.с.) |
118 (66) |
| Управление |
гидравлическое |
Выбор монтажного крана осуществляется по параметрам:
1) Высота подъёма крюка;
2) Максимальная грузоподъёмность;
3) Вылет стрелы.
Данные параметры должны удовлетворять требованиям:
1) кран должен установить самую тяжелую конструкцию в ее проектное положение;
2) при той же длине стрелы кран должен установить самую дальнюю конструкцию в ее проектное положение независимо от ее веса.
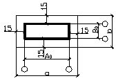
Рис.1

Н1 – высота от уровня расположения монтажного крана до опоры, на которую устанавливается элемент.
Н2 – высота подъёма элемента над опорой. Принимаем Н2 = 0,8м.
Н3 – высота (толщина) элемента.
Н4 – высота захватного приспособления.
Н – монтажная высота.
b – расстояние от наружной грани стены до центра тяжести конструкции.
L – расстояние от оси вращения крана до шарнира стрелы. Принимаем l = 1,5м.
Bc=L2+L3 – необходимый вылет стрелы.
Lc – необходимая длина стрелы.
1. Высота подъёма крюка (Н ) определяется по формуле:
![]()
где: Н2 =0,8м – запас по высоте для переноса монтируемой конструкции над ранее установленными элементами и конструкциями.
Н3 – высота монтируемого элемента.
Н4 – высота строп от верха конструкции до крюка крана.
![]()
Расчёт высоты подъёма крюка для монтажа:
| Плита перекрытия Н1=5,78 м Н2 =0,8 м Н3 =0,22 м Н4 =4,83 м Н=11,63 м |
2. Необходимая максимальная грузоподъёмность. ![]()
где: Q – необходимая максимальная грузоподъёмность.
P – вес конструкции.
qСТР – вес стропа для рассматриваемой конструкции.
Определение необходимой максимальноё грузоподъёмности крана для:
| Плита перекрытия |
| Р=3,28 т |
| q=0,5 т |
| Q=3,78 т |
L3=3,34 м; L1=1,5 м;
L2+L3=((L3+1)*H)/(H-H1)=8,63 м;
L2=[((L3+1)*H)/Н-H1]-L3=[(4,34*11,63)/11,63-5,78]-3,34= 5,29 м
Вс = L2+L3=8,63 м - вылет стрелы
Lc =
=
8,63
+11,63
=14,48 м – длина стрелы.
Исходя из подобранных данных: вылета крюка, высоты подъема крюка и максимальной массы монтируемой конструкции выбираем кран (марка крана) со следующими техническими данными.
Подобран кран автомобильный КС-5363.Табл. №1
| КС-5363 |
Грузоподъемность, т |
Вылет крюка, м |
Высота подъема крюка, м, |
||
| наибольший |
наименьший |
||||
| 3.5...25 |
13,8 |
4,5 |
14 |
||
Рис. 2. Кран КС-5363, графики грузоподъемности (сплошные линии) и высоты подъема крюка (штриховые линии) на выносных опорах и без них для стрел длиной:
1 и 2 — 15 м; 3 и 4 — 20 м; 5 и 6 — 20 м с управляемым гуськом; 7 и 8 — 20 м с неуправляемым гуськом; 9 и 10 — 25 м; 11 и 12 — 25 м с управляемым гуськом; 13 и 14 — 25 м с неуправляемым гуськом; 15 к 16 — 30 м; 17 и 18 — 30 м с управляемым гуськом; 19 — 30 м с неуправляемым гуськом (на выносных опорах)
7. Описание организационно-технологических схем основных видов СМР
На первом этапе строительства жилого дома была произведена разметка территории, подготовка строительной площадки, в состав чего входит:
- ограждение территории строительства забором;
- пересадка деревьев;
- расстановка временных зданий и сооружений на строительной площадке;
- устройство временных дорог;
- срезка растительного слоя;
- отрывка котлован.
После окончания этих работ на строительную площадку были выгружены строительные материалы в специально оборудованное для этой цели место. Затем был установлен кран в рабочее положение и началось возведение фундамента стен цокольного этажа.
На втором этапе возведения жилого здания были выстроены наружные и внутренние стены из кирпича и перегородки, установлены оконные и дверные блоки, сантехнические приборы, проведены магистрали электро-, водоснабжения. Устройство крыши было выполнено из металлочерепицы, хорошо зарекомендовавшей себя на строительном рынке. Также были устроены бетонные, керамические, паркетные, линолеумные полы.
На последнем этапе возведения жилого дома были проведены отделочные и штукатурные работы при помощи передвижных малярной и штукатурной станций. Стены в жилых комнатах были оклеены обоями, стены в помещениях с повышенной влажностью были облицованы керамической плиткой.
Пол окончании работ был вывезен оставшийся материал и мусор. Кроме того убрали ограждение строительной площадки. Произвели благоустройство территории, посажены деревья, устроены постоянные дороги.
8. Расчет календарного плана строительства
Календарный план представляет собой организационно - технологическую модель возведения объекта, в которой на основе объёмов СМР, принятых организационных и технологических решений определена последовательность и сроки выполнения общестроительных, монтажных и специальных работ, осуществляемых при возведении объекта.
При разработке календарного плана (КП) следует соблюдать следующие принципы.
1. Срок строительства объекта не должен превышать нормативный, т.е. Тпл. £ Тнорм,
2. Соблюдение технологической последовательности,
3. Поточность выполняемых работ,
4. Оптимальный выбор захваток,
5. Максимальное совмещение работ,
6. Непрерывная работа бригады или непрерывное освоение захваток,
7. Выполнение последующих работ не должно нарушать качество ранее выполненных работ,
8. При совмещении работ не должна нарушаться техника безопасности.
Нормативной базой для разработки календарных планов являются:
СНиП 1.04.03-85 Нормы продолжительности строительства;
калькуляции трудовых затрат по видам работ;
сметные нормы.
Календарный план производства работ по возведению сооружения состоит из двух частей: левой - расчетной и правой - графической. Графическая часть представлена в линейном виде (график Ганта) как наиболее простая, наглядная и распространённая форма КП.
В календарном плане возведения объекта выделены следующие периоды строительства:
подготовительный период возведение сооружения,
специальные и монтажные работы,
внутриплощадочные работы.
9. Строительный генеральный план
Стройгенплан разработан на период возведения надземной части здания
На стройгенплане размещены:
пятно строящегося здания с указанием габаритных осей и расстояния между ними;
ось проходки самоходного крана с указанием его стоянок;
указан радиус рабочей и опасной зоны работы крана;
площадки для приёма раствора и бетона;
временные проезды с указанием их ширины и радиусов закругления;
временные здания санитарно-бытового и производственного назначения;
временные инженерные сети (электросеть, водопровод);
временное освещение строительной площадки;
временное ограждение строительной площадки с указанием въезда и выезда.
На стройгенплане проставлены все необходимые размеры и привязка всех временных и постоянных сооружений.
На стройгенплане мы выделяем следующие зоны:
- рабочая зона (зона обслуживания краном) – пространство, находящееся в пределах линии, которую описывает крюк крана. В этой зоне мы располагаем площади для разгрузки и склады. Рабочая зона на стройплощадке изображается сплошной линией.
- опасная зона – пространство, где возможно падение груза при его перемещении с учетом вероятного рассеивания при падении. Обозначается пунктирной линией с флажками и повторяет контур рабочей зоны.
где Rmax – максимальный вылет крюка;
lmax – максимальная длина элемента;
lбез. – безопасное расстояние, зависящее от высоты сооружения (при Н до 20м – 7 м).
Rоп = 13,8 + 6 / 2 + 7 = 23,8 м.
10. Список использованной литературы
1. СНиП 3.02.01-87. Земляные сооружения, основания и фундаменты. Госстрой СССР-М., ЦИТП Госстроя СССР, 1989.-128с.
2. СНиП 3.03.01-87. Несущие и ограждающие конструкции. Госстрой СССР -М., ЦИТП Госстроя СССР., 1988.-56с..
3. СНиП 3.04.01-87. Изоляционные и отделочные покрытия. Госстрой СССР -М., ЦИТП Госстроя СССР, 1988.- 56с.
4. СНиП 4.02-91 Общие положения по применению сметных норм и расценок на строительные работы. Сборники 1,5,6,7,8,10,11,12,13,15. М., Стройиздат 1983г.
5. Добронравов С.С. Строительные машины и оборудование. Справочник для строит, спец. вузов и инж.-техн. работников, высш. школа, 1991.-456с, ил.
6. Хамзин С.К., Карасев А.К. Технология строительного производства. Курсовое и дипломное проектирование: Учебное пособие.-М.: Высшая шк., 1989.- 216 с.
7. Справочник мастера-строителя/В.А.Ангизитов, А.П.Котов, А.П.Новак и др.; пол ред. Д.В.Коротеева.-2-е изд., перераб. и доп.-М.: Стройиздат, 1989.-544с.
8. Типовые технологические карты.
9. Карты трудовых процессов.








