| Скачать .docx |
Курсовая работа: Конструирование утепленной ребристой плиты покрытия с фанерными обшивками
Содержание
1. Исходные данные
2. Проектирование сборных плит покрытия с деревянным ребристым каркасом
2.1 Исходные данные
2.2 Компановка поперечного сечения плиты
2.3 Расчётная схема плиты, нагрузка и усилия
2.4 Проверка прочности панели по нормальным напряжениям
2.5 Проверка растянутой обшивки с учётом сращивания листов фанеры на "ус" в расчётном сечении
2.6 Проверка сжатой обшивки на устойчивость
2.7 Проверка фанеры на скалывание по собственному клеевому шву
2.8 Проверка жёсткости панели в целом
3. Проектирование дощатоклееной балки
3.1 Исходные данные
3.2 Решение по 1 варианту из неармированного дощатоклееного пакета.
3.3 Решение по 2 варианту с продольной арматурой в растянутой зоне.
4. Проектирование дощатоклееных колонн поперечной рамы одноэтажного дома
4.1 Составление расчётной схемы двухшарнирной поперечной рамы и определение расчётных усилий в колоннах
4.2 Конструктивный расчёт стержня колонны
4.2.1 Проверка устойчивости колоны в плоскости поперечника
4.2.2 Проверка устойчивости колоны из плоскости поперечника
4.3 Расчёт и конструирование узла крепления колоны к фундаменту
4.4 Определение расчётных усилий в плоскости сопряжения с фундаментом
4.5 Расчёт фундаментных болтов
4.6 Расчёт соединительных болтов
1. ИСХОДНЫЕ ДАННЫЕ
1. Пролет поперечника в осях А – Б, L = 21 м;
2. Высота корпуса в чистоте, H = 10 м;
3. Температурно-влажностный режим эксплуатации соответствует А3;
4. Класс ответственности здания по назначению – III
5. Район строительства:
- по снеговой нагрузке – IV;
- по ветровой нагрузке – IV;
- по типу местности соответствует С.
6. Материал – сосна I, II, III сорта, фанера строительная водостойкая марки ФСФ (принимается по сортаменту).
2.1 Проектирование сборных плит покрытия с деревянным ребристым каркасом.
2.1. Исходные данные
Рассчитать и сконструировать утепленную ребристую плиту покрытия с фанерными обшивками при следующих данных.
Номинальные размеры плиты в плане (из схемы расположения элементов) bхl=1.5 х 4.5 м, конструктивные – соответственно 1.48 х 4.48 м.
Материал ребер каркаса – сосновые доски 2-го сорта для продольных ребер и без ограничения для поперечных.
Обшивки из березовой водостойкой фанеры марки ФСФ.
Утеплитель минераловатные в виде полужестких плит марки 75 на синтетическом связующем, толщина 100 мм (по теплотехническому расчету).
Пароизоляция из полиэтиленовой пленки толщиной 0.2 мм (масса 0.1 кг/м2 ).
Кровля из 3-х слоев рубероида на битумной мастике (масса 0.1 кг/м2 ).
Условия эксплуатации по температурно-влажностному режиму соответствуют А3.
Район строительства по снеговой нагрузке – IV.
Класс ответственности здания по назначению – III .
2.2 Компоновка поперечного сечения плиты
Предварительно принимаем продольные ребра из доски толщиной bр =40 мм.
При ширине плиты b=1480 мм целесообразно поставить четыре ребра. Тогда расстояние между ними в свету равно:
мм,
а между осями
мм, что меньше 500 мм.
Удовлетворяет рекомендации.
Предварительно задаемся толщиной листа фанеры верхней обшивки
dф.в. = 10 мм, что составляет 1:46 шага ребер, близко рекомендуемой.
Проверяем достаточность толщины расчетом на местный изгиб сосредоточенной силой Р=1.2 кН.
Лист фанеры рассматриваем как балку–пластинку с рабочей шириной
100 см, защемленную по концам в местах приклейки к ребрам (Рис. 1).
Расчетный изгибающий момент (выровненный):
М=Р×а /8=1.2*42.7/8=6.405 кН×см;
Момент сопротивления рабочего сечения обшивки:
W=100×0.82 /6=10.7 см3 ;
Условие прочности обшивки :
smax =M/W £mн ×Rф .и .90
где mн =1.2 – коэффициент, учитывающий кратковременность
монтажной нагрузки [1, табл.6];
Rф.и.90 = 6.5 МПа = 0.65 кН/см2 – расчетное сопротивление
семислойной фанеры толщиной 10 мм изгибу из плоскости
листа поперек наружных волокон [1, табл.10].
Рис. 1. К расчету верхней обшивки на местный изгиб:
а – схема деформации балки пластинки;
б – расчетная схема и эпюра моментов.

Подставляем:
smax = 6.405/10.7 = 0.6 кН/см2 < mн ×Rф.и.90 = 1.2×0.65 = 0.78 кН/см2 .
Условие прочности удовлетворяется.
Задаемся толщиной нижней обшивки 6 мм.
Размеры листов фанеры по сортаменту принимаем b´l = 1525´1525 мм. Так как длина плиты равна 4500 мм, то необходимо сращивать листы по длине, совмещая стыки c поперечными ребрами.
Высоту сечения плиты назначаем в пределах
hп =(1/25…1/30)×l=180…150 мм.
По сортаменту пиломатериалов принимаем ребра из досок 150´40 мм.
После фрезерования кромок действительная высота плиты будет равна
hп =150-10+10+6=156 мм,
что достаточно для размещения слоя утеплителя и образования продух (Рис. 2).
Дальнейшим расчетом проверяем достаточность принятых размеров.

Рис. 2. Конструкция клеефанерной плиты с ребристым каркасом из досок: 1 – продольные ребра; 2 – поперечные ребра;3 – обшивка верхняя; 4 – обшивка нижняя; 5 – утеплитель; 6 – продух; 7 – стык фанеры.
2.3 Расчетная схема плиты, нагрузка и усилия
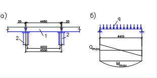
Расчетная схема плиты на действие эксплуатационной нагрузки – балка на двух опорах, загруженная равномерно распределенной нагрузкой от собственной массы плиты с кровлей и снега (Рис. 3). Расчетная длина l0 = 0.98×l = 0.98×4.5 = 4.41 м.
| Вид нагрузки | Нормативная | gf | Расчетная | ||
| кН/м2 | кН/м при b=1.5 м | кН/м2 | кН/м при b=1.5 м | ||
| 1. | 2. | 3. | 4. | 5. | 6. |
Постоянные: 1.От собственной массы каркаса плиты: – четыре продольных ребра и шпунтовые рейки из сосновых досок (gсм = 500 кг/м3 ) 5×(0.04´0.14´4.48)×500 = 62.72 кг – четыре поперечных ребра 4×(0.04´0.14´1.48)×500=16.6 кг – фанерные обшивки при gсм =700 кг/м3 (0.006+0.01)×1.48´4.48´700= = 74.26 кг |
|||||
Общая масса отнесенная к 1м2 (62.72+16.6+74.26)/(4.5´1.5)= 22.75 кг/м2 2.От массы утеплителя слоем 100 мм при gсм = 75кг/м2 [4, прил.III] 3.Масса трехслойной рубероидной кровли 4.Пароизоляция полиэтиленовая |
0.2275 0.075 0.10 0.001 |
0.341 0.113 0.150 0.0015 |
1.1 1.2 1.3 1.2 |
0.25 0.09 0.130 0.0012 |
0.375 0.135 0.195 0.0018 |
| Итого : | qсм н = 0.606 кН/м | qсм = 0.707 кН/м | |||
Временная: Снеговая для II снегового района по [1], табл.4 с учетом п. 5.7* |
1.71 |
2.56 |
1.4 |
2.4 |
3.6 |
| Всего : | qн = 3.166 кН/м | q = 4.307 кН/м | |||
*В соответствии с п. 5.7 при отношении постоянной нагрузки к снеговой 0.606/3.6 = 0.168<0.8 принят gf =1.6.
Расчетные усилия :
кН×м;
кН.
Рис. 3. К расчету плиты на эксплуатационную нагрузку:
а – схема опирания плиты на стропильные балки; б – расчетная схема плиты и усилия; 1 – плита; 2 – стропильные балки.

2.4 Проверка прочности панели по нормальным напряжениям
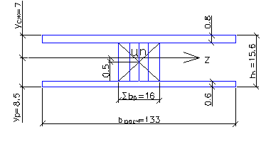
Расчетное поперечное сечение показано на Рис. 4. Так как
l0 = 4480 > 6×a = 6×467 = 2800 мм,
то вводимая в расчет ширина обшивок
bрасч = 0.9 ×b = 0.9×148 = 133 см.
Суммарная ширина дощатых ребер
Sbр = 4×4 = 16 см.
Модули упругости древесины Ед = 1000 кН/см2 , фанеры семислойной марки ФСФ при dф = 8 мм, Еф = 850 кН/см2 , при dф = 6 мм, Еф = 950 кН/см2 . Принимаем усредненно Еф = 900 кН/см2 , тогда коэффициент приведения древесины к фанере nд/ф = 1000/900 = 1.11.
Расстояние от низа плиты до центра тяжести приведенного сечения:
см,
а от верха плиты до центра тяжести приведенного сечения:
см.
Приведенные геометрические характеристики:

см3
;
см3
.

Рис. 4. Расчетное поперечное сечение плиты
Расчетные сопротивления фанеры березовой семислойной по [1, табл.10] растяжению вдоль волокон: Rф.р = 14 МПа = 1.4 кН/см2 , сжатию вдоль волокон при толщине листа 8 мм: Rф.с = 12 МПа = 1.2 кН/см2 . Вводим поправочные коэффициенты. Для условия работы А3 по [1, табл.5] mв = 0.9. Для зданий II класса ответственности по [2, с. 34] gn = 0.9. Поправочный множитель к расчетным сопротивлениям:
![]()
2.5 Проверка растянутой обшивки с учетом сращивания листов фанеры на "yс" в расчетном сечении
кН/см2
,
что меньше чем ![]()
= 0.6 × 1.4 × 1 = 0.84 кН/см2 ,
где mф = 0.6 – коэффициент, учитывающий снижение прочности фанеры
при наличии стыков в расчетном сечении.
Прочность растянутой обшивки обеспечена.
2.6 Проверка сжатой обшивки на устойчивость
Предварительно, согласно [1, п. 4.26], вычисляем jф .
При а0 /dф = 467/10 = 46.7< 50, находим
jф
= . 
Условие устойчивости:

Подставим значения:
кН/см2
;
кН/см2
;
кН/см2
.
Устойчивость сжатой обшивки обеспечена.
2.7 Проверка фанеры на скалывание по собственному клеевому шву
Предварительно находим статические моменты сдвигаемых частей относительно центра тяжести приведенного сечения.
Сдвигается верхняя обшивка,
Sсж отс = 133 × 1 × (7,1 – 1×0.5) =877,89 см3 .
Сдвигается нижняя обшивка,
Sр отс = 133 × 0.6 × (8,5 - 0.6×0.5) = 654,3 см3 .
Наибольшим сдвигающим напряжениям соответствует
Smax отс = Sсж отс = 877,89 см3 верхней обшивки.
По [1], табл.10 при dф = 10 мм расчетное сопротивление скалыванию в плоскости листа вдоль волокон наружных слоев Rф.ск = 0.8 Мпа = 0.08 кН/см2 .
Проверяем условие [1], (42):
кН/см2
< Rф.ск
×1 = 0.8 кН/см2
Прочность клеевого шва достаточна.
2.8 Проверка жесткости панели в целом
Наибольший относительный прогиб панели как двухопорной балки по середине пролета вычисляем по формуле:
![]()
Условие жесткости
[1],
табл.16 удовлетворяется.
3. Проектирование дощатоклееной балки
Для двухскатного малоуклонного покрытиятребуется рассчитать и сконструировать стропильную балку в двух вариантах: 1-дощатоклееная не армированная; вариант 2 – дощатоклееная с продольным армированием.
3.1 Исходные данные
Пролет поперечника в осях L = 21 м, шаг балок В = 4.5 м.
Настил из сборных клеефанерных плит. Нагрузка от собственной массы плит с кровлей: нормативная – 0.404 кН/м2 ; расчетная – 0.471 кН/м2 .
Снеговая нормативная нагрузка – 1.71 кН/м2 .
Класс ответственности здания – III.
Температурно-влажностный режим соответствует A3.
Пиломатериал - сосновые доски 2-го и 3-го сортов.
Предельный прогиб балки посередине [f/l] = 1:300.
3.2 Решение по варианту 1 из неармированного дощатоклееного пакета
Расчетная схема балки на рис.6.
Уклон крыши i = 1:15.
Расчетный пролет l0 = L - hк = 21 - 0.6 = 20.4 м.
Нагрузку от собственной массы балки со связями найдем, приняв
Ксв = 6
кН/м2
Подсчет нагрузок на балку приведен в таблице.
| Вид нагрузки | Нормативная | gf | Расчетная | ||
| кН/м2 | кН/м при В=4.5м |
кН/м2 | кН/м при В=4.5 м |
||
Постоянная: от плит настила и кровли от собственной массы балки и связей |
0.404 0.295 |
1.818 1.329 |
1.2 | 0.471 0.355 |
2.12 1.593 |
| Итого: | 0.699 | 3.147 | 0.826 | 3.715 | |
| Временная: снеговая | 1.71 | 7.695 | 1.4 | 2.4 | 10.8 |
| Всего: | 10.862 | 14.51 | |||
*Коэффициент надежности по снеговой нагрузке gf = 1.4 принят в соответствии с п. 5.7 [2] при qн п /pн с = 0.699/1.71 = 0.408 < 0.8.
Высоту балки по середине пролета h предварительно определим из условия надежности по деформациям с учетом выражения для прогиба и известной формулы прогиба балки постоянной высоты при равномерно распределенной нагрузке
, где
.
После подстановки и решения относительно h получим
,
где b – ширина сечения пакета;
– поправочный коэффициент.
Задавшись предварительно рекомендуемыми отношениями h0 /l = 1/15 и
h0 /h » 0.5, по формулам вычисляем
;
.
Тогда

Шириной досок для пакета зададимся: b = 17.5 см без фрезерования кромок. Модуль упругости сосны Ед = 1000 кН/см2 = 107 кН/м2 .
Подставив значения получаем
м.
Принимаем h = 167 см.
На опоре h0 = h – 0.5×l0 ×i = 1.67 – 0.5×20.4×1/15 = 0.99м, что > 0.4×h = 0.668.м.
Проверим сечение балки из условий прочности.
По [1,табл. 3] находим требуемые расчетные сопротивления: при изгибе для древесины 2-го сорта Rи =15 МПа = 15 кН/см2 ; при скалывании вдоль волокон для 3-го сорта Rск = 1.5 МПа = 0.15 кН/см2 .
Коэффициенты условий работы:
- для условий эксплуатации A3 по [1,табл.5], mв = 0.9;
- для балок высотой 120 см и более по [1,табл.7], mб = 0.8;
- при толщине слоя досок в пакете 33 мм по [1,табл.8], mсл = 1.
Коэффициент надежности по назначению для зданий II класса gn = 0.9.
Поправочные коэффициенты при расчетах:
на изгиб
;
на скалывание
.
Поперечная сила в опорном сечении
Qmax = 0.5×q×l0 = 0.5×14.51×20.4 =148.1 кН.
Минимальная высота балки в опорном сечении из условия прочности на скалывание:
см,
h0 = 99 > 85 см.
Прочность на скалывание обеспечена.
Расстояние от опоры до расчетного нормального сечения:
м.
Изгибающий момент в сечении xр = 6.05 м равен:
кН×м.
Высота балки в расчетном сечении:
см.
Момент сопротивления расчетного сечения:
см3
.
Проверим условие устойчивости, задавшись предварительно коэффициентом устойчивости при изгибе jм = 1:
кН/см2
,
что < Rи ×Õmi = 1.5×0.8 = 1.2 кН/см2 .
Условие устойчивости удовлетворяется. При этом фактическая величина коэффициента
.
Найдем расстояние между связями в плоскости сжатой кромки, при котором
jм = 0.927:
см,
гдеkф
= 1.13 и
– коэффициенты.
Примем расстояние между связями lр = 255 см из условия расстановки.
Поперечное сечение балки компонуем из досок в заготовках 40 мм, после острожки – по пласти 33 мм. В крайних слоях располагаем доски 2-го сорта, а в среднем – 3-го сорта.
3.3 Решение по варианту 2 с продольной арматурой в растянутой зон
Задаемся арматурой из 2 Æ 20 А-II, А
=6.28 см2
.
Из условия расположения стержней следует принять
. Примем
мм , тогда
мм , по сортаменту b= 175 мм
Требуемый момент инерции среднего сечения для обеспечения жесткости берем из расчета по варианту 1 ,
I
=I =
= 6792133.54 см2
Комплексное металлодеревянное сечение приведем к однородному с помощью коэффициента
h=ЕS / Еd =20 .
Коэффициент
m =
=
=0.0021
Для I
находим требуемую высоту :
см
В опорном сечении
h0
=h – 0.5×l0
×i = 1.606 – 0.5×21×1/15 = 0.906м >
м, из расчета по прочности на скалывание (см. вариант 1).
Принимаем h0 =90.6 см, не изменяя средней высоты.
Уклон при этом равен:
, что находится в рекомендуемых пределах.
Положение расчетного нормального сечения находим по
м .
Изгибающий момент:
кН×м.
Высота расчетного сечения
см.
Приведенные геометрические характеристики расчетного сечения :
см4
,
см3
,
кН/см2
, что < Rи
×Õmi
= 1.5×0.8 = 1.2 кН/см2
.
Допустимый коэффициент
,
при этом расстояние между связями в плоскости сжатой кромки должно быть не больше
см.
Принимаем шаг lр =340 см по условию размещения.
Стержни 2 O20, А-|| располагаем в квадратных пазах со сторонами а=25мм на эпоксидном клее ЭПЦ-1 или К-123 с наполнителем из древесной муки.
Проверяем прочность на скалывание древесины по периметру клеевого шва. Предварительно вычислим геометрические характеристики в опорном сечении. При этом
,
см4
,
см3
,
см,
кН/см2
,
что <
кН/см2
Прочность на скалывание по клеевому шву обеспечена.
Проверяем прочность опорной площадки на смятие древесины поперек волокон. По [1, табл.3] для опорных узлов Rсм =3.0 МПа.
При ширине опорной площадки b=17.5см требуемая длина ее
см.
Расчёт опорного узла с вклееными поперечными стержнями

Расчётная несущая способность одного стержня
,
Принимаю стержень d=1.6 см ; ℓ-длина заделки стержня =64 см
причём ℓ≥10dи ℓ≥0,7h0
![]()
- учитывает неравномерность
по длине

=1 при одном стержне; 0,9-при двух ; 0,8- при трёх в ряд. Если 2 и 3 стержня расположены в 2 ряда,
уменьшается на 0,1.

Рекомендуется на опоре в 2 ряда с центральной прокладкой на сварке.
- на срез независимо от сорта древесины.
![]()
Требуется
-длиной по 64 см. или 6стержней меньшей длины.
Проверяем условие жесткости :
![]()
Где
![]()
;
![]()
;
см4
,
4. Проектирование дощатоклееных колонн поперечной рамы одноэтажного здания
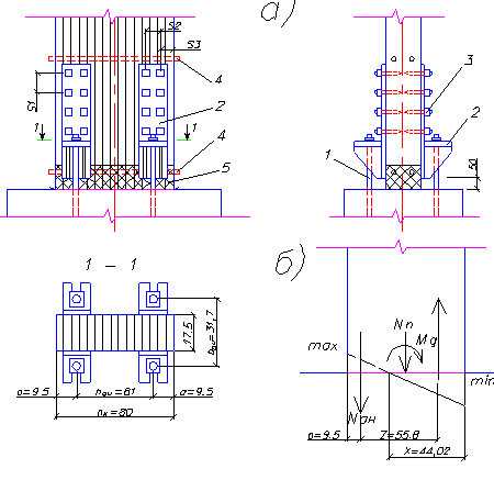
4.1 Составление расчетной схемы двухшарнирной поперечной рамы и определение усилий в колоннах
Схема поперечника показана на Рис. 5. Поперечное сечение колонн принято bк = 17.5 см, hк = 80 см. Плиты покрытия ребристые клеефанерные толщиной
15.6 см. Кровля рубероидная. Стены панельные навесные толщиной 15.4 см, конструктивно подобны плитам покрытия.


Рис. 5. Расчетная схема поперечной рамы: а – вертикальные нагрузки на поперечную раму; б – параметры ветрового давления; в – статическая расчетная схема (основная система)
Расчетные нагрузки от собственной массы конструкций:
- от плит покрытия с рулонной кровлей qп = 0.471 кН/м2 .
- от стропильных балок со связями qб = 0.354 кН/м2 .
- от стеновых панелей qст = 0.341 кН/м2 .
Расчетная снеговая нагрузка pсн = 2,4 кН/м2 .
Ветровой район строительства – IV. Тип местности – C.
Расчетная схема поперечника представляет двухшарнирную П-образную раму. Стойками рамы являются колонны, защемленные в фундаментах, а ригель – – условно недеформируемая стропильная балка, шарнирно опертая на колонны.
При подсчете расчетных нагрузок на раму используем разрез и план здания. Шаг рам В = 4.5 м, свес карниза C = 1 м.
Постоянные нагрузки:
-от покрытия
кН;
-от навесных стен
кН,
гдеhw = 1.262 м – величина участка выше верха колонны;
-от собственной массы со связями при
rm = 500 кг/м3 и gf = 1.3:
кН.
От снега на покрытии:
кН.
Нормативное ветровое давление на уровне земли для III ветрового района принимаем по [2, табл. 5] w0 = 0.48 кН/м2 . На высоте Z от поверхности земли, согласно [2], ветровое давление вычисляется по формуле:
wz = w0 × k,
где k – коэффициент, характеризующий изменение ветрового давления на
высоте, принимаемый по [2, табл. 6].
Для местности типа C значение k и вычисление соответствующих wz приведены ниже :

Неравномерное ветровое давление wz на участке высотою Нк заменяем эквивалентным равномерным wэк . Допускается использовать при этом условие равенства площадей эпюр wz и wэк .
кН/2
.
Расчетное давление ветра на 1 п.м. вычисляем с участка стены шириной В с учетом аэродинамических коэффициентов с:
,
где gf w =1.4 – коэффициент надежности по ветровой нагрузке по [2, п. 6.11];
В = 4.5 м.
Значения аэродинамических коэффициентов, соответствующие профилю поперечника (см. Рис. 5) находим по [2, прил. 4, схема 2]: с наветренной стороны се = 0.8, с подветренной се3 = – 0.6. При этом:
с наветренной стороны qw = 0.192 × 0.8 × 1.4 × 4.5 = 0.968 кН/м;
с подветренной q'w = – 0.192 × 0.4 × 1.4 × 4.5 = – 0.726 кН/м.
Ветровое давление с участков стен, расположенных выше верха колонн:
c наветренной стороны
W = ((0.4015+0.42043)/2 )× 1.262× 0.8 × 1.4 × 4.5 = 2.614 кН;
с подветренной
W' = – 0.411 × 1.262 × 0.6 × 1.4 × 4.5 = – 1.96 кН.
Расчетная схема поперечника с усилием в лишней связи X1 показана на рис.8, в.
Вычисляем продольное усилие в стропильной балке:
;
кН.


Рис. 6. Расчетные схемы и расчетные усилия в колоннах.
Рассматриваем далее левую и правую стойки как статически определимые и для каждой из них определяем усилия в расчетных сечениях. Основными для расчета являются сечения в уровне низа и верха колонн. Заметим при этом, что при изменении направления ветра на противоположное, усилия в каждой из стоек станут также зеркальным отображением противоположной. На рис.9 показаны обе схемы загружения и эпюры N и M.
Левая стойка:
- верх:
кН;
.
- низ :
кН;

Правая стойка:
- верх: N п 0 = 165.4 кН; M п 0 = 0;
- низ: N п max = 190.7 кН;

Расчетные усилия:
N0 =165.4 кН; Nmax = 190.7 кН; Mmax = 63.364 кН×м.
4.2 Конструктивный расчет стержня колонны
Производим проверку сечения дощатоклееной колонны (рис.8, а) из условий устойчивости в плоскости и из плоскости поперечника. Сечение колонны
bк = 17.5 см, hк = 80 см. Пиломатериал – сосновые доски 2-го сорта толщиной 33 мм. По [1, табл.3] Rс = 15 МПа. Прикрепление к фундаменту выполнено с помощью анкерных болтов – жесткое в плоскости поперечника и условно-шарнирное из плоскости.
Коэффициенты условий работы:
- для условий эксплуатации A3 по [1, табл.5], mв = 0.9;
- для колонн с высотой сечения 80 см по [1, табл.7], mб = 0.9;
- при толщине слоя досок в пакете 33 мм по [1, табл.8], mсл = 1.0.
Коэффициент надежности по назначению для зданий III класса gn = 0.90.
4.2.1 Проверка устойчивости колонны в плоскости поперечника
Предварительно вычисляем:
см2
;
см3
.
Расчетная длина
lох = 2.2×Hк = 2.2 × 960 = 2112 см;
радиус инерции
rх = 0.289×hк = 0.289 × 80 = 23.12 см;
гибкость
lх = lох / rх = 2112/23.12 = 91.349
что удовлетворяет условию
lх < lmax = 120.
Вычисляем коэффициент продольного изгиба :

Вычисляем:
,
где
кН/см2
.
Изгибающий момент по деформированной схеме:
кН×м.
Проверяем условие устойчивости:
кН/см2
,
что < Rc = 1.35 кН/см2 .
Устойчивость в плоскости поперечника обеспечена.
4.2.2 Проверка устойчивости колонны из плоскости поперечника
Предварительно определим jy в предположении, что промежуточных связей нет:
Расчетная длина
lоy = Hк = 960 см;
радиус инерции
ry = 0.289×bк = 0.289 × 17.5 = 5.0575 см;
гибкость
ly = lоy / ry = 960/5.0575 = 189.817.
Так как
ly = 189.817 > lmax = 120,
то постановка промежуточных связей необходима .
Проверяем устойчивость при одной промежуточной связи.
Гибкость
ly = 0.5 ×960/5.0575 = 94.909, что < lmax = 120.
Вычисляем коэффициент продольного изгиба при l > 70:

Проверяем условие устойчивости:
кН/см2
, что < Rc
= 1.35 кН/см2
.
Устойчивость из плоскости поперечника обеспечена.
4.3 Расчет и конструирование узла крепления колонны к фундаменту
Требуется спроектировать опорный узел дощатоклееной колонны с металлическими траверсами по типу показанного на рис.10.

Рис. 7. Узел соединения колонны с фундаментом: а – конструкция узла; б – расчетная схема; 1 – фундаментные болты; 2 – траверсы; 3 – болты; 4 – вклеенные стержни; 5 – эпоксидная шпаклевка
Исходные данные: поперечное сечение колонны bк х hк = 17.5 х 80 см. Доски из древесины сосны 2-го сорта толщиной 33 мм.
Определение расчетных усилий в плоскости сопряжения с фундаментом.
кН×м;
кН.
Вычисляем эксцентриситет:
м.
Так как е = 1.325 м больше hк /6 = 0.80/6 = 0.133, то имеется отрывной участок по плоскости сопряжения, следовательно, требуется расчет фундаментных болтов и элементов траверс.
4.5 Расчет фундаментных болтов
Вычисляем максимальное и минимальное напряжения в опорном сечении (см. Рис. 7, б):
кН/см2
smax = 0.52 кН/см2 ;
smin = – 0.42 кН/см2 – отрывной участок.
Определяем высоту сжатой зоны:
см.
Задаемся dб = 20 мм и находим (см. рис.10, а):
а = 0.5 × S2 + S1 = 4.75 × dб = 4.75 × 2.0 = 9.5 см;
см.

Принимаем фундаментные болты из стали марки ВСт3 кп 2 по ГОСТ 535-88 (см. табл. 60 [5]) с расчетным сопротивлением Ry = 185 МПа = 18,5 кН/см2 .
Находим требуемую площадь одного болта в нарезной части:
см2
.
Принимаем болт диаметром dан = 27 мм, которому соответствует
Fнт = 4,59см2 > 4,06 см2 .
Расстояние между фундаментными болтами в плане (см. Рис. 7, а) получим с учетом принятых а = 95 мм и dан = 27мм:
мм;
мм.
4.6 Расчет соединительных болтов
Расчетную несущую способность соединительных (глухих) болтов для крепления траверс к колонне находим по формуле как наименьшее из двух значений:
Тгл
=0.5 × bк
× dгл
= 0.5 × 17.5 × 2 = 17,5 кН/шов.![]()
Тгл = 2,5× d2 гл =2,5 × 22 = 10 кН/шов.
Определяем количество болтов:
шт.
Принимаем 8 болтов, размещаем их в два ряда с шагом:
S1 ³ 7 × dб = 7 ×20 = 140 мм;
S2 ³ 3.5 × dб = 3.5 ×20 = 70 мм;
S3 ³ 3 ×dб = 3 × 20 = 60 мм.
СПИСОК ИСПОЛЬЗОВАННЫХ ИСТОЧНИКОВ
1. СНиП II-25-80. Деревянные конструкции: Нормы проектирования /Госстрой СССЗ. – М.: Стройиздат, 1983. –31с.
2. СНиП 2.01.07-85. Нагрузки и воздействия /Госстрой СССР. –М.: ЦИТП Госстроя СССР, 1986. –36 с.
3. Зубарев Г.Н. Конструкции из дерева и пластмассы: Учебное пособие для студентов вузов, обучающихся по специальности "Промышленное и гражданское строительство". – 2-е изд., перераб. и доп. – М.: Высшая школа, 1990. –287 с.
4. Проектирование и расчет деревянных конструкций: Справочник /Под ред. Н.М.Гриня. –К.:Будивельник, 1988. –240 с.
5. Рекомендации по проектированию панельных конструкций с применением древесины и древесных материалов для производственных зданий / ЦНИИСК им. Кучеренко. – М.:Стройиздат, 1982. –12 с.
6. Серия 1.265 – 1. Деревянные панели покрытий общественных зданий. Вып. 3./ ЦНИИЭП учебных зданий. – М., 1979. – 28 с.
7. ГОСТ 20850 – 84. Конструкции деревянные клееные. Общие технические условия.
8. ГОСТ 24454 – 80 Е. Пиломатериалы хвойных пород. Размеры.
9. СТ СЭВ 4409 – 83. Единая система проектно-конструкторской документации СЭВ. Чертежи строительные. Правило выполнения чертежей деревянных конструкций.