| Скачать .docx |
Реферат: Расчет и проектирование железобетонных конструкций многоэтажного здания в г. Ростов-на-Дону
Содержание
| Лист |
|
| Задание на проектирование |
3 |
| 1 Исходные данные |
5 |
| 2 Проектирование плиты с круглыми пустотами |
5 |
| 2.1 Расчёт плиты по предельным состояниям первой группы |
9 |
| 2.2 Расчёт плиты по предельным состояниям второй группы |
13 |
| 3 Проектирование ригеля |
19 |
| 3.1 Подготовка к расчету |
19 |
| 3.2 Расчёт прочности ригеля по сечениям, нормальным к продольной оси |
20 |
| 3.3 Расчёт прочности ригеля по сечениям, наклонным к продольной оси |
21 |
| 3.4 Построение эпюры материалов |
24 |
| 4 Проектирование колонны |
27 |
| 4.1 Подготовка к расчёту |
27 |
| 4.2 Расчёт прочности сечения колонны |
27 |
| 5 Проектирование фундамента под колонну |
30 |
| Список использованных источников |
35 |
1Исходные данные
Исходные данные:
1. Шаг колонн продольного направления 5,9 м
2. Шаг колонн поперечного направления 6,4 м
3. Число пролетов в продольном направлении 5
4. Число пролетов в поперечном направлении 3
5. Высота этажа 3,30 м
6. Количество этажей 5
7. Временная нормативная нагрузка на перекрытие 7,5 кН/м2
8. Постоянная нормативная нагрузка от массы пола 0,9 кН/м2
9. Класс бетона монол. конструкции и фундамента В20
10. Класс бетона для сборных конструкций В25
11. Класс арматуры монолитных конструкций и фундамента А-II
12. Класс арматуры сборных ненапрягаемых конструкций А-II
13. Класс предварительно напрягаемой арматуры A-V
14. Способ натяжения арматуры на упоры – электро-термический
15. Условия твердения бетона – тепловая обработка
16. Тип плиты перекрытия – с круглыми пустотами
17. Вид бетона для плиты – мелкозернистый А
18. Глубина заложения фундамента 1,4 м
19. Усл. расчетное сопротивление грунта 0,28 МПа
20. Район строительства г. Ростов-на-Дону
21. Влажность окружающей среды 80%
22. Класс ответственности здания I
2 Проектирование плиты с круглыми пустотами
По результатам компоновки конструктивной схемы перекрытия принята плита П1номинальная ширина, которой 1800 мм.
П1 – доборная плита 5900х1000
П2 – рядовая плита 5700х1800
П3– связевая плита 5,9х1200
Подсчёт нагрузок на 1 м2 перекрытия приведён в таблице 1.
Расчетный пролёт плиты при опирании на ригель поверху:

Рисунок 2 – Расчетный пролёт плиты
![]()
мм
Таблица 1 – Нагрузки на 1 м2 перекрытия.
| Вид нагрузки |
Нормативная нагрузка кН/м2 |
Коэффициент надёжности по нагрузке |
Расчетная нагрузка, кН/м2 |
| Постоянная от массы плиты с круглыми пустотами δ=0,12 м; ρ=23 кН/м3 |
0,12∙23=2,76 |
1,1 |
3,04 |
| от массы пола |
0,9 |
1,3 |
1,17 |
| Итого: |
3,66 |
- |
4,21 |
| Временная |
7,5 |
1,2 |
9 |
| продолжение таблицы 1 |
|||
| в т.ч. длительная |
5 |
1,2 |
6 |
| кратковременная |
2,5 |
1,2 |
3 |
| Всего: |
11,16 |
- |
13,21 |
| Длительно действующая |
8,66 |
- |
- |
Расчетные нагрузки на 1 м длины при ширине плиты 1,8 м с учётом коэффициента надёжности по назначению здания γn=1. Класс ответственности здания I.
-для расчетов по первой группе предельных состояний:
q=13,21∙1,8∙1=23,78 кН/м
-для расчетов по второй группе предельных состояний:
полная: qпол. =11,16∙1,8∙1=20,09 кН/м;
длительная: qдлит. =8,66∙1,8∙1=15,56 кН/м;
Расчетные усилия:
-для расчетов по первой группе предельных состояний:

кН∙м;
![]()
кН;
-для расчетов по второй группе предельных состояний:

кН∙м;

кН∙м;
Назначаем геометрические размеры плиты:
Рисунок 3 – Основные размеры плиты
Нормативные и расчетные характеристики мелкозернистого бетона класса В25, твердеющего в условиях тепловой обработки при атмосферном давлении, γb 2 =1 (для влажности 80%):
Rb =14,5 МПа; Rbn =Rb , ser =18,5 МПа;
Rbt =1,05 МПа; Rbtn =Rbt,ser =1,6 Мпа;
Eb =21500 МПа.
Нормативные и расчетные характеристики напрягаемой арматуры класса А-V:
Rsc =500 МПа; Rs =680 МПа; Rsn = Rs , ser =788 МПа; Es =190000 МПа
Назначаем величину предварительного напряжения арматуры σsp =700 МПа. Проверяем условие σsp +p ≤ Rs ,ser ; при:
МПа
где l – длина натягиваемого стержня.
Т.к. σsp +p=700+88=788 МПа ≤ Rs ,ser =788 МПа, то условие выполняется.
Предварительное напряжение при благоприятном влиянии с учётом точности натяжения арматуры будет равно:
σsp (1-Δγsp )=700(1-0,085)=640,5 МПа,
где Δγsp при эл ектротермическом и электротермомеханическом способах натяжения определ яются по формуле:

где пр ¾ число стержней напрягаемой арматуры в сечении эле мента).
2.1 Расчет плиты по предельным состояниям первой группы
2.1.1 Расчет прочности плиты по сечению, нормальному к продольной оси:
М = 99,14 кН·м. Сечение тавровое с полкой в сжатой зоне. Согласно п. 3.16 [СНиП]. При
>0,1 расчетная ширина полки bf
`
=
1750 мм; h
0
=
h
-
a
=220-26=194 мм.
|
|
Рисунок 4 - Сечение
Проверяю условие [Пособие по проектированию пред. напряженных ЖБК, (44)].
кН∙м>М=99,14 кН∙м,
т.е. граница сжатой зоны проходит в полке и расчет производим как для прямоугольного сечения шириной b =bf ` =1750 мм;
Определим значение
отсюда находим ξ
=0,11; η
=0,945.
Вычислим относительную высоту сжатой зоны бетона ξR . Найдём характеристику сжатой зоны бетона ω:
ω = α-0,008∙Rb = 0,8-0,008∙14,5=0,684;
где: α = 0,8 для мелкозернистого бетона группы А.
Тогда:

где: ssc ,u ¾ предельное напряжение в арматуре сжатой зоны, принимаемое для конструкций из тяжелого, мелкозернистого и легкого бетонов по СНиП 2.03.01-84 равным 500 МПа;
ssR —напряжение в арматуре, МПа, принимаемое для арматуры класса А-V равным:
ssR = Rs + 400 – ssp – Dssp =680+400 – 448,35=631,65 МПа; (предварительное напряжение принято с учётом полных потерь ssp =0,7∙640,5=448,35 МПа);
где:
принимаем ∆σsp
=0;
Поскольку класс арматуры А-V, кроме этого выполняется условие ξ=0,11 < ξR =0,46 то расчетное сопротивление арматуры Rs умножается на коэффициент определяемый по формуле:
;
Вычислим требуемую площадь сечения растянутой напрягаемой арматуры:
мм2
;
Принимаем 8 стержней ǿ12 А-V (As =905 мм2 ).
2.1.2 Проверка прочности плиты по сечениям, наклонным к продольной оси.
Qmax =68,67 кН; q=23,78 кН/м;
Поскольку п.5.26 [СНиП] допускает не устанавливать поперечную арматуру в многопустотных плитах, выполним проверку прочности сечения плиты на действие поперечной силы при отсутствии поперечной арматуры согласно п.3.32 [СНиП]. или 3.30 [Пособие].
Проверим условие:
кН > Qmax
=38,14 кН,
т.е. условие выполняется.
Проверим условие [Пособие по проектированию пред. напряженных ЖБК, (93)], принимая упрощенно Qb 1 =Qb ,min и c ≈ 2,5∙h0 =2,5∙0,194=0,485 м; находим усилие обжатия от растянутой арматуры:
кН.
Вычисляем:
> 0,5.
Принимаем 0,5.
Для мелкозернистого бетона φb 3 =0,5 тогда
кН.
Т.к.
> Qb
1
=48,7 кН то для прочности наклонных сечений требуется поперечная арматура.
Устанавливаем в каждом ребре плиты плоский каркас с поперечными стержнями из арматуры класса Вр-1 ∅3 мм (Asw =28,3 мм2 ; Rsw =270 МПа; Es =170000 МПа с шагом S=100 мм).
Проверяем прочность по наклонной полосе ребра плиты между наклонными трещинами. Определяем коэффициенты φw1 и φb1 :
![]()
α
отсюда
![]()
(β=0,01 для мелкозернистого бетона). Тогда
, т.е прочность бетона рёбер плиты обеспечена.
Прочность наклонного сечения: определяем величины Mb
и qsw
. Так как для одного ребра имеем
, то принимаем в расчете на все 10 рёбер
,тогда
![]()
поскольку
принимаем 
![]()
Н/мм.
Проверяем условие:
![]()
![]()
Поскольку:
Н/мм > qsw
=76,4 Н/мм,
условие не выполняется, следовательно, Mb считаем по формуле:
![]()
Т.к
, принимаем c
0
=0,36 м. Определим длину проекции опасного наклонного сечения c
:
т.к. , то значение c вычисляем по формуле:
;
поскольку
;
принимаем c=0,64 м и Qb =Qb ,min =48,74 кН.
Т.к.
и
,
то прочность наклонного сечения обеспечена.
При этом
,
т.е. выполнены требования п.3.32. Кроме того, удовлетворены требования 2, п.27, поскольку ![]()
2. 2 Расчёт плиты по предельным состояниям второй группы
Согласно СНиП 2.03.01-84, таблице 2 пустотная плита, эксплуатируемая в закрытом помещении и армированная напрягаемой арматурой класса А-V ǿ10 мм, должна удовлетворять 3-й категории требований по трещиностойкости, т.е. допускается непродолжительное раскрытие трещин шириной acrc
1
=0,3 мм и продолжительное acrc
2
=0,2 мм. Прогиб плиты от действия постоянной и длительной нагрузок не должен превышать
мм.
2.2.1 Определение геометрических характеристик
Заменяя круглое очертание пустот квадратным (рис.6), получаю геометрические размеры расчетного сечения плиты для проверки предельных состояний второй группы (рис. 7)


Рисунок 5- Определение геометрических характеристик
Геометрические характеристики сечения определяю по [формулы (11) – (13), Пособие по проектированию преднапряженных ЖБК].
Площадь приведенного сечения
![]()
;
где
.
Статический момент сечения относительно нижней грани расчетного сечения
![]()
Расстояние от нижней грани до центра тяжести приведенного сечения:
![]()
Момент инерции приведенного сечения:
![]()
.
Момент сопротивления приведенного сечения относительно грани, растянутой от внешней нагрузки
![]()
То же, относительно грани, сжатой от внешней нагрузки
![]()
Из табл. 38 [Пособие по проектированию преднапряженных ЖБК, часть 2] для двутаврового сечения при
< 8 и
< 0,2 находим γ=1,25. Отсюда упруго-пластический момент сопротивления по растянутой зоне в стадии эксплуатации:
![]()
Соответственно для сжатой зоны имею
<8 и
<0,2; находим γ=1,25; то есть упругопластический момент сопротивления по сжатой зоне в стадии эксплуатации
![]()
2.2.2 Определение первых потерь предварительного напряжения арматуры
Определение первых потерь предварительного напряжения арматуры веду по позициям 1-6 табл.5 [СНиП 2.03.01-84].
Потери:
- от релаксации напряжений в арматуре
σ1 = 0,03ssp = 0,03∙700=21 МПа;
σ2 = 0 Мпа, т.к. форма нагревается вместе с изделием;
σ3 = 0 Мпа и σ5 = 0 Мпа, при заданном электротермическом способе натяжения, поскольку напрягаемая арматура не отгибается, потери от трения арматуры σ4 также равны нулю.
Таким образом, усилие обжатия PI с учетом потерь поз 1-5 по табл. 5 [СНиП 2.03.01-84] равно
PI =(ssp – σ1 )∙Asp = (700 – 21) ∙905 = 614,5 ∙103 Н = 614,5 кН.
а его эксцентриситет относительно центра тяжести приведёного сечения равен: еор =у0 – а = 107,1 – 30 = 77,1 мм.
Определяю потери от быстронатекающей ползучести бетона, для чего вычисляю напряжения в бетоне в середине пролета от действия силы PI и изгибающего момента Mw от собственного веса плиты.
Нагрузка от собственного веса плиты равна qw = 2,76 ∙ 1,8 = 4,97 кН/м, тогда
![]()
Напряжение σвр на уровне растянутой арматуры (т.е. при у = еор = 77,1 мм) будет:

Напряжение σ’bp на уровне крайнего сжатого волокна (т.е. при у = h – y0 = 220 – 107,1 = 112,9 мм).

Назначаю передаточную прочность бетона Rbp =20 Мпа, R(P ) b ,ser =18,5 МПа, R(P ) bt ,ser =1,6 МПа), удовлетворяющую требованиям [п.2.6, СНиП 2.03.01-84].
Потери от быстронатекающей ползучести бетона равны:
- на уровне растянутой арматуры: α=0,25+0,025∙ Rвр = 0,25+0,025∙20=0,75 < 0,8; поскольку то
![]()
(коэффициент 0,85 учитывает тепловую обработку при твердении бетона);
- на уровне крайнего сжатого волокна
![]()
Первые потери σlos 1 = σ1 + σ6 = 21+8,5= 29,5 МПа, тогда усилие обжатия с учетом первых потерь будет равно:
P1 =(ssp – σlos 1 )∙Asp = (700 – 29,5)∙905 = 607 ∙103 Н = 607 кН.
Определяю максимальное сжимающее напряжение в бетоне от действия силы P1 без собственного веса, принимая у=у0 =107,1 мм.

Поскольку требования п.1.29 [СНиП 2.03.01-84] удовлетворяются.
2.2.3 Определение вторых потерь предварительного напряжения арматуры
Произвожу по позициям 8 и 9 табл. [СНиП 2.03.01-84].
Потери от усадки мелкозернистого бетона группы А класса В25, подвергнутого тепловой обработке, опре деляются по позиции 8а таблицы 5 [СНиП 2.03.01-84] с у мн ожением на коэффиц иен т, рав ный 1,3: σ8 = σ’8 = 35∙1,3 =45,5 МПа.
Напряжение в бетоне от действия силы Р1 и изгибающего момента Mw будут равны: σbp = 4,91 МПа; σ’bp = 0,86 МПа.
Так как и то для мелкозернистого бетона группы А:
![]()
![]()
Тогда вторые потери будут σlos 2 = σ8 + σ9 = 45,5+40,7= 86,2 МПа.
Суммарные потери σlos = σlos 1 + σlos 2 = 29,5+86,2= 115,7 > 100 МПа, поэтому, согласно п.1.25 [СНиП 2.03.01-84], потери не увеличиваем.
Усилие обжатия с учетом суммарных потерь будет равно:
P2 =(ssp – σlos )Asp = (700 – 115,7) ∙905 = 528,8 ∙103 Н = 528,8 кН.
2.2.4 Проверка образования трещин в плите
Выполняю по формулам п.4.5 [СНиП 2.03.01-84] для выяснения необходимости расчета по ширине раскрытия трещин и выявления случая расчета по деформациям.
При действии внешней нагрузки в стадии эксплуатации максимальное напряжение в сжатом бетоне равно:

Тогда
принимаю φ= 1,
![]()
Так как при действии усилия обжатия P1 в стадии изготовления минимальное напряжение в бетоне (в верхней зоне), равное
,
т.е. будет сжимающим, следовательно, верхние начальные трещины не образуются.
Согласно п.4.5 [СНиП 2.03.01-84], принимаю Mr = Mпол. = 46,5 кН∙м;
Mrp =P2 (eop +rsup ) = 528,8 ∙103 (77,1+62)=73,56∙106 Н∙мм = 73,56 кН∙м;
Mcrc =Rbt , ser ∙ Wpl inf +Mrp =1,6∙14637,5∙103 +73,56∙106 = 97 ∙106 Н∙мм =97 кН∙м.
Так как Mcrc =97 кН∙м > Mr =46,5 кН∙м, то трещины в нижней зоне не образуются, т.е. не требуется расчет ширины раскрытия трещин.
2.2.5 Расчет прогиба плиты
Выполняю согласно [СНиП 2.03.01-84, п.4.24, 4.25] при условии отсутствия трещин в растянутой зоне бетона.
Нахожу кривизну от действия постоянной и длительной нагрузок
(М = Мдлит. = 36,1 кН∙м, jb 1 — коэффициент, учитывающий влияние кратковременной ползучести бетона, равен для мелкозернистого бетона 0,85; jb 2 — коэффициент, учитывающий влияние длительной ползучести бетона на деформации элемента без трещин и принимаемый по табл. 34 [СНиП 2.03.01-84], для мелкозернистого бетона группы А при влажности 80% равен: jb 2 =2,6∙0,8=2,08).
Прогиб плиты без учета выгиба от усадки и ползучести бетона при предварительном обжатии будет равен:
Прогиб плиты не превышает максимально допустимых значений.
3 Проектирование ригеля
3.1 Подготовка к расчету
Предварительные размеры поперечного сечения ригеля.
Высота сечения h=(1/10÷1/12)·l= (1/10÷1/12)·6400=600 мм. Ширина сечения ригеля b=(0,3÷0,5)·h=250 мм.
![]()
![]()
![]()

Рисунок 6 – Расчетная длина ригеля
Расчетная длина ригеля lp = l - 2·а=6000 - 2·200=5600 мм = 5,6 м.
Вычисляю расчетную нагрузку на 1 м длины ригеля.
Нагрузка на ригеле от многопустотных плит считается равномерно распределенной. Ширина грузовой полосы на ригель равна шагу колонн в продольном направлении здания 5900 м. Подсчет нагрузок на 1 м2 перекрытия приведен в п.2, табл. 1.
Постоянная нагрузка на ригель будет равна:
- от перекрытия (с учетом коэффициента надежности по назначению здания γn =1): 4,21 ·5,9·1 =24,84 кН/м;
- от веса ригеля (сечение 0,25·0,6 м, плотность бетона ρ=25 кН/м3 , с учетом коэффициентов надежности γf = 1,1 и γn =1): 0,25·0,6·25·1,1·1 = 4,13 кН/м.
Итого: g=24,84+4,13=28,97 кН/м.
Временная нагрузка (с учетом γn =1): v= 9·5,9·1=53,1 кН/м.
Полная нагрузка q=g+v=28,97+53,1=82,07 кН/м.
Нормативные и расчётные характеристики тяжелого бетона класса В25, твердеющего в условиях тепловой обработки при атмосферном давлении, γb 2 =1 (для влажности 80%):
Rb =14,5 МПа; Rbt =1,05 МПа; Еb =27000 МПа.
Нормативные и расчётные характеристики продольной рабочей арматуры класса А-II Rs =280 МПа, Еs =210000 МПа.
По табл. 18 [Пособие по проектированию ЖБК без предварительного напряжения] для элемента из бетона класса В25 с арматурой класса А-II при γb 2 =1 нахожу αR = 0,432 и ξR =0,632.
3.2 Расчёт прочности ригеля по сечениям, нормальным к продольной оси

Рисунок 7 – Сечение в пролете
Назначаем диаметр 32 мм, получаем:
мм
Находим рабочую высоту:
![]()
Рассмотрим сечение в пролете.
![]()
Подбор продольной арматуры произвожу согласно [Пособие по проектированию ЖБК без предварительного напряжения, п.3.18].
Вычисляю:
![]()
Следовательно, сжатая арматура не требуется.
По αm , пользуясь табл. 20 [Пособие по проектированию ЖБК без предварительного напряжения], нахожу ξ = 0,42 и ζ = 0,790, тогда требуемую площадь растянутой арматуры определим по формуле:
![]()
Принимаю 4 Ø 32 А-II (
= 3217 мм2
)
3.3 Расчёт прочности ригеля по сечениям, наклонным к продольной оси
![]()
При φb 2 =2; φb 3 =0,6 согласно [Пособие по проектированию ЖБК без предварительного напряжения, табл.21]; β=0,01 согласно [Пособие по проектированию ЖБК без предварительного напряжения, п.3.31]. Арматура класса А-II, Rsw =225 МПа, Еs =210000 МПа.
Расчет железобетонных элементов на действие поперечной, силы для обеспечения прочности по наклонной полосе между наклонными трещинами произвожу из условия [Пособие по проектированию ЖБК без предварительного напряжения, формула (47)]:
где jw 1 - коэффициент, учитывающий влияние хомутов, нормальных к оси элемента, и определяется по формуле [Пособие по проектированию ЖБК без предварительного напряжения, формула (48)]
![]()
![]()
Назначаю шаг поперечных стержней. Согласно [п.5.27, СНиП 2.03.01-84]
мм
Площадь поперечной рабочей арматуры определяю по формуле:
![]()
где fsw – площадь одного поперечного стержня
![]()
Диаметр стержней поперечной рабочей арматуры назначаю по [табл. 38, Пособие по проектированию ЖБК без предварительного напряжения],
![]()
Принимаю А-III Ø8 мм.
Число стержней поперечной рабочей арматуры в сечении ригеля равно числу стержней продольной рабочей арматуры n’=n=4.
![]()
![]()
![]()
![]()
![]()
![]()
![]()
Следовательно, прочность наклонной полосы обеспечена.
Проверяю прочность наклонного сечения по поперечной силе из условия [формула (50), Пособие по проектированию ЖБК без предварительного напряжения]:
![]()
где Qb - поперечное усилие, воспринимаемое бетоном.
![]()
Qsw — поперечное усилие, воспринимаемое хомутами и равное:
![]()
Предварительно определяю, по какой из формул считать Mb [п.3.31, Пособие по проектированию ЖБК без предварительного напряжения]:
если
,
то:
Mb = φb 2 ·Rb ·b·h0 2 ;
если:
,
то:
Mb = qsw ·h0 2 ·φb 2 / φb 3 ;
qsw - усилие в хомутах на единицу длины элемента, определяемое по формуле [ формула (81), СНиП 2.03.01-84]:
![]()
![]()
Так как qsw = 226,08 кН > Qb min = 81,43 кН, то
![]()
Для определения длины проекции наклонного сечения с, предварительно найду значение выражения 0,56·qsw [п.3.32, Пособие по проектированию ЖБК без предварительного напряжения]. Так как:
, то


Сравним:

Принимаем Cmax =1723,3 мм. [п.3.32, Пособие по проектированию ЖБК без предварительного напряжения].
Тогда:
![]()
![]()
Определяю длину проекции наклонной трещины, соблюдая ограничения с0 не более Cmax , не более 2h0 и не менее h0 , если Сmax > h0
![]()
Принимаю С 0 = 2h0 = 1,034 м.
![]()
Тогда:
![]()
Сравниваю полученный результат с Q:
![]()
![]()
Прочность наклонного сечения по поперечной силе обеспечена.
3. 4 Построение эпюры материалов
Построение эпюры материалов выполняю с целью рационального конструирования продольной арматуры ригеля в соответствии с огибающей эпюрой изгибающих моментов (рис. 12)
Определяю изгибающие моменты, воспринимаемые в расчетных сечениях, по фактически принятой арматуре.
Сечение в пролете с продольной арматурой 2 Ø32 А-II (рис.10) Аs =1609 мм2
![]()
![]()
![]()
Сечение в пролете с продольной арматурой 4 Ø32 А-II
;
![]()
![]()
![]()
Пользуясь полученными данными изгибающих моментов графическим способом, находим точки теоретического обрыва стержней и соответствующие им значения поперечных сил.
| |
Рисунок 8-Эпюры материалов
Вычислим необходимую длину анкеровки обрываемых стержней для обеспечения прочности наклонных сечений на действие изгибающих моментов в соответствии с [3 п.3.46].
Для нижней арматуры по эпюре Q графически находим поперечную силу в точке теоретического обрыва стержней диаметром 32 мм Q=132 кН тогда требуемая длина анкеровки будет равна:
![]()
4 Проектирование колонны
4.1 Подготовка к расчёту
Определение нагрузки на колонну с грузовой площади, соответствующей заданной сетке колонн 5,9х6,4= 37,76 м2 и коэффициентом надёжности по назначению здания γn =1.
Постоянная нагрузка от конструкций одного этажа:
- от перекрытия 4,21·37,76·1= 158,97 кН
- от собственного веса ригеля сечением 0,25х0,6 длиной 5,9 м при плотности ρ= 25 кН/м3 и γf =1,1 будет равна 0,25·0,6·5,9·25·1,1·1= 24,34 кН
- от собственного веса колонны сечением 0,4х0,4 м при высоте этажа 3,3 м составит 0,4·0,4·3,3·25·1,1·1= 14,52 кН.
Итого: 158,97+24,34+14,52= 197,83 кН
Временная нагрузка от перекрытия одного этажа 9·37,76·1=339,84 кН, в том числе длительная – 6·37,76·1= 226,56 кН.
Постоянная нагрузка от покрытия при нагрузке от кровли и плит 5 кН/м2 составит 5·37,76·1= 188,8 кН, то же с учётом нагрузки от ригеля и колонны верхнего этажа 188,8+24,34+14,52=227,66 кН.
Временная нагрузка от снега для г. Ростов-на-Дону (II снеговой район, p =1,2 кН/м2 ) составляет:1,2·37,76∙1=63,44 кН, в том числе длительная составляющая – 0,5·63,44=31,72 кН.
Таким образом, суммарная (максимальная) величина продольной силы в колонне I-го этажа (при заданном количестве этажей 5) будет составлять
N= (197,83+339,84)·(5-1)+227,66+63,44=2441,78 кН,
в том числе длительно действующая
Nl = (197,83+226,56)·(5-1)+227,66+31,72= 1956,94 кН.
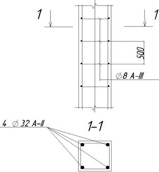
Характеристики бетона и арматуры для колонны: бетон тяжелый класса В35, Rb = 14,5 Мпа при γb2 = 1. Продольная рабочая арматура А-II, Rsc =280 МПа.
4.2 Расчёт прочности сечения колонны
Расчет прочности сечения колонны выполняю по формулам [Конструкции без напряжения арматуры (к СНиП 2.03.01-84)] на действие продольной силы со случайным эксцентриситетом, поскольку класс бетона ниже В40, а
l0 =3300 мм < 20h=20·400= 8000 мм.
Принимая коэффициент φ = 0,8, вычисляю требуемую площадь сечения продольной арматуры по формуле [Конструкции без напряжения арматуры (к СНиП 2.03.01-84), (119)]

Принимаем 4 Ø32 A-II, ![]()

Рисунок 9
Выполняем проверку прочности сечения колонны с учетом площади сечения фактически принятой арматуры.
![]()
При
и
по приложению IV /5/ находим
и
, уточняем коэффициент
:
Так как
,
то принимаю:
.
Фактическая несущая способность расчетного сечения колонны:
.
, следовательно прочность колонны обеспечена.
Так же удовлетворяются требования по минимальному армированию, поскольку

Поперечную арматуру в колонне конструируем в соответствии с требованиями 2 п. 5.22 /1/ из арматуры класса A-III диаметром 8 мм, устанавливаемой с шагом не более
, и не более 500 мм,
т.е принимаем
.
|
|
|
Рисунок 10
4 Проектирование фундамента под колонну
Фундамент проектируем под рассчитанную выше колонну сечением 400×400мм с расчетным усилием в заделке
. Класс бетона монолитной конструкции и фундамента B20, класс арматуры монолитной конструкции и фундамента А-II (
)
Для определения размеров подошвы фундамента вычисляем нормативную нагрузку от колонны, принимая среднее значение коэффициента надежности по нагрузке
.
Нормативная нагрузка на колонну
![]()
По заданию грунт основания допускает условное расчетное давление R0 =0,28 МПа, а глубина заложения фундамента равна Hf = 1,4 м. Фундамент проектируется из тяжелого бетона класса В20 (Rbt =0,9 МПа, при γb 2 =1) и рабочей арматуры класса А-II (Rs =280 МПа).
Принимая средний вес единицы объема бетона фундамента и грунта на обрезах γmt =20 кН/м3 =2·10-6 н/мм3 , вычисляю требуемую площадь подошвы фундамента по [Учебник, «ЖБК: общий курс», Байков, Сигалов, формула (XII.I)]:

Размер стороны квадратной подошвы фундамента должен быть не менее:
![]()
Назначаю размер стороны квадратной подошвы а=3 м, при этом давление под подошвой фундамента будет равно:
(89)
МПа
Рабочую высоту фундамента определяю по условию продавливания, согласно [Учебник, «ЖБК: общий курс», Байков, Сигалов, формула (XII.4)]:

т. е.
.
По условию заделки фундамента в колонне полная высота фундамента:
H=1,5hк +250=1,5·400+250=850 мм.
По требованию анкеровки сжатой арматуры колонны Ø 32 A-II в бетоне класса В20
H=λan ∙d+250=18∙32+250=826 мм,
где λan [табл.45, Пособие по проектированию ЖБК без предварительного напряжения] принимается:
![]()
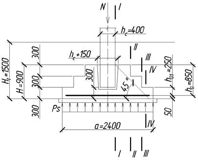
С учетом удовлетворения всех условий принимаю окончательно фундамент высотой H=900 мм, трехступенчатый, с высотой нижней ступени h1 =300 мм. С учетом бетонной подготовки под подошвой фундамента будем иметь расчетную высоту h0 =H-a=900-50=850 мм, для первой ступени h01 =300-50=250 мм, для второй ступени h02 =600-50=550 мм (рис.15).
![]()
![]()

Выполняю проверку условия прочности нижней ступени фундамента по поперечной силе без поперечного армирования в наклонном сечении, начинающимся в сечении IV-IV.
Для единицы ширины этого сечения (b= 1 мм)
Q=0,5∙(a-hc -2∙h0 )∙b∙ps ’=0,5∙(3000-400-2∙850)∙1∙0,27=121,1 кН.
Поскольку
Qb , min =0,6∙Rbt ∙b∙h01 =0,6∙0,9∙1∙250=135 Н > 121,1 Н, то прочность нижней ступени по наклонному сечению обеспечена.
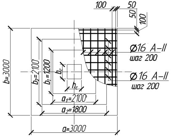
Площадь сечения арматуры подошвы квадратного фундамента определяю из условия расчета фундамента на изгиб в сечениях I-I, II-II, III-III.
Изгибающие моменты определяю по [1, формула (XII.7)]:
MI =0,125∙ ps ’∙(a – hc )2 ∙b=0,125∙0,27∙(3000 – 400)2 ∙3000=684,45∙106 Н∙мм.
MII =0,125∙ ps ’∙(a – a1 )2 ∙b=0,125∙0,27∙(3000 – 1200)2 ∙3000=328,05∙106 Н∙мм.
MIII =0,125∙ ps ’∙(a – a2 )2 ∙b=0,125∙0,27∙(3000 – 2100)2 ∙3000=82,01∙106 Н∙мм.
Сечение арматуры одного и другого направления на всю ширину фундамента определяю из условий:



Нестандартную сварную сетку конструирую с одинаковой в обоих направлениях рабочей арматурой 16 Ø16 As =3217 мм2 , соответственно фактические проценты армирования расчетных сечений:
, что больше
;
, что больше
;
, что больше
.
Расчет на продавливание фундамента от действия равномерно распределенной нагрузки ведется из условия [формула (107), СНиП 2.03.01-84]:
![]()
где: α – коэффициент, зависящий от вида бетона (для тяжелого бетона α=1),
um – полупериметр верхнего и нижнего оснований пирамиды продавливания, определяется по формуле:
![]()
Продавливающая сила F определяется по формуле:
![]()
где: N =2441,75 кН – расчетное усилие в заделке;
- сила, которая действует на нижнее основание пирамиды продавливания, кН, определяется по формуле:
![]()

где: Af = 9 м2 – площадь подошвы фундамента;
Nn =2123,26 кН – нормативное усилие от колонны;
![]()
![]()
![]()
F=1401 кН < 1∙900∙5∙0,85 = 3825 кН
Следовательно, условие [формула (107), СНиП 2.03.01-84] соблюдается.

Рисунок 11 - Фундамент
Список используемых источников
1. СНиП 2.03.01-84*. Бетонные и железобетонные конструкции/ Госстрой СССР. - М.: ЦИТП Госстроя СССР, 1989. - 88с;
2. Пособие по проектированию бетонных и железобетонных конструкций из тяжёлых и лёгких бетонов без предварительного напряжения арматуры ( к СНиП 2.03.01-84)/ ЦНИИпромзданий Госстроя СССР, НИИЖБ Госстроя СССР. - - М,; ЦИТП Госстроя СССР, 1989. - 192с;
3. Пособие по проектированию предварительно напряжённых железобетонных конструкций из тяжёлых и лёгких бетонов (к СНиП 2.03.01-84). Ч, I/ ЦНИИпромзданий Госстроя СССР, НИИЖБ Госстроя СССР. М: ЦИТП Госстроя СССР, 1990. - 192с;
4. Пособие по проектированию предварительно напряжённых железобетонных конструкций из тяжёлых и лёгких бетонов ( к СНиП 2.03.01-84). Ч. II/ ЦНИИпромзданий Госстроя СССР, НИИЖБ Госстроя СССР. - М.: ЦИТП Госстроя СССР, 1990. - 144с;
5. Бородачёв Н.А. Автоматизированное проектирование железобетонных и каменных конструкций: Учеб. Пособие для вузов - М: Стройиздат, 1995. - 211с.
6. Байков В.Н., Сигалов Э.Е. Железобетонные конструкции. Общий курс. -М.: Стройиздат, 1985.
7. СНиП 2.01.07-85. Нагрузки и воздействия/ Госстрой СССР. - М.: ЦИТП Госстроя СССР, 1987. - 36с.
8. СНиПП-22-81. Каменные и армокаменные конструкции.

