| Скачать .docx |
Реферат: Керамические стеновые материалы 2
Министерство образования и науки РФ
Казанский государственный архитектурно-строительный университет
Кафедра строительных материалов
РЕФЕРАТ
На тему: Стеновые керамические материалы
Казань, 2010 г.
Содержание
3. Классификация стеновых керамических изделий. 6
5. Основные технологические процессы и оборудование. 11
6. Основные свойства продукции. 24
7. Технико-экономические показатели. 27
Список использованной литературы.. 31
1. Введение.
Одним из самых распространенных стеновых керамических материалов, традиционно используемых при возведении зданий и сооружений, является кирпич. Более чем тысячелетняя практика применения кирпича позволяет однозначно отнести его к категории наиболее долговечных строительных материалов. Наряду с этим, технология кирпичной кладки предоставляет архитекторам и дизайнерам неограниченные возможности для воплощения творческих замыслов. Обеспечивая надежную защиту от воздействия внешних факторов, обладая высокой огнестойкостью и сравнительно низкой теплопроводностью, кирпич предопределяет высокий уровень безопасности и комфорта как жилых, так и промышленных зданий и сооружений. В данном реферате рассмотрены: классификация керамических стеновых изделий, сырье, используемое в производстве, основные технологические процессы и оборудование на примере обыкновенного керамического кирпича.
Строительный керамический кирпич позволяет сэкономить при строительстве дефицитные металлы, цемент, а также транспортные средства. В общем балансе производства и применения стеновых материалов керамический кирпич занимает более 30%. Кирпич, накапливая солнечную энергию, медленно и равномерно отдает тепло, что защищает от чрезмерного нагревания летом и сохраняет тепло зимой. Кирпичная стена «дышит», пропуская испарения сквозь свою толщу. В результате в помещениях поддерживается уровень равновесной влажности
В данный момент в производстве строительного керамического кирпича сосредоточено внимание на совершенствовании технологии, улучшении качества выпускаемой продукции и расширении ассортимента.
При строительстве новых предприятий предусматривается установление автоматизированных и высокомеханизированных технологических линий на базе современного отечественного и импортного оборудования. Осваивается выпуск эффективной пустотелой продукции, которая должна постепенно экономить сырьё, но и уменьшать толщину и массу наружных стен без снижения их теплозащитных свойств, а также создавать облегчённые конструкции панелей для индустриализации строительства.
В условиях структурной перестройки в области гражданского строительства с ориентированием на индивидуальное жилье, повышением требований к качеству и комфортности жилых помещений, внешнему виду зданий, повысились требования к промышленным строительным материалам, в том числе керамическому кирпичу. Потребитель требует керамический кирпич высокой марочности (М 200 и выше), лицевого качества, с ровными кромками или фасками, равномерно окрашенный и даже цветной, разной конфигурации (угловой, радиальный и т.п.) и, безусловно, с доступной ценой.
2. Историческая справка.
Производство керамических изделий имеет тысячелетнюю историю. Археологами обнаружены керамические изделия, изготовленные 12-13 тыс. лет назад.
Керамика — собирательное название широкой группы искусственных каменных материалов, получаемых формованием из глиняных смесей с минеральными и органическими добавками с последующей сушкой и обжигом. На древнегреческом языке «керамос» означало гончарную глину, а также изделия из обожженной глины.
До новой эры технологию развития керамики можно разделить на три этапа: первый – до изобретения огня, когда различные изделия, в основном прикладного характера, формовали из влажной глины и сушили на солнце или воздухе, второй связан с изобретением огня и печей, что позволило после сушки уже обжигать изделия, третий (1 век до н.э.) – связан с изобретением гончарного круга, когда научились изготавливать изделия тонкой керамики.
Стеновые материалы — это кирпич и камни (последние отличаются от кирпича большими размерами). Самые первые постройки из кирпича, обнаруженные в Древнем Египте и Ассирии, относятся к III — I тысячелетию до н. э. В то время кирпич имел в плане форму, близкую к квадратной, со сторонами 300...650 мм и толщиной 30...80 мм. Подобный кирпич позже применялся в Древней Греции и Византии, где его называли «плинфа» (от гр. plinthos — кирпич). Плинфа использовалась и в древнерусском зодчестве. Так, при строительстве Софийского собора в Киеве использовалась плинфа размером около 400 х 400 см и толщиной 30...40 мм. Такая форма древнего кирпича объясняется, видимо, в основном технологическими причинами: проще формовать и легче сушить.
Только в XV в. плинфу сменил похожий на современный «Аристотелев кирпич» (289х189x67 мм). Первый российский кирпич, предусматривавший перевязку швов, был «Государев кирпич». В современных размерах кирпич был узаконен стандартом в 1927 г. Какого-либо общемирового стандарта на размеры кирпича не существует. Однако размеры и масса кирпича лимитируются размером и силой человеческой руки.
Замечательными памятниками русского кирпичного зодчества, особенно широко развившегося в XVI-XVIIв.в., является собор Василия Блаженного в Москве, церковь Вознесения в селе Коломенском под Москвой.
В период правления Екатерины II выпускали кирпич – размером 240x120x55, 255x120x66 и 255x120x55 мм. В первой половине XIX в. размеры кирпича стабилизировались (255x121x66), практически приблизились к размерам обычного кирпича, выпускаемого в настоящее время.
3. Классификация стеновых керамических изделий.
Керамические стеновые материалы, изготовляемые из глин с добавками или без них и обожженные, можно классифицировать по следующим признакам.
По способу формирования:
1. изделия пластического прессования;
2. изделия полусухого прессования.
К изделиям пластического прессования относятся:
· кирпич обыкновенный сплошной;
· кирпич пустотелый;
· кирпич пористо-пустотелый;
· кирпич строительный легковесный;
· камни керамические пустотелые.
К изделиям полусухого прессования относятся:
· кирпич обыкновенный;
· кирпич пустотелый.
По размерам:
1. кирпичи (полнотелые и пустотелые);
2. камни керамические пустотелые.
По теплотехническим свойствам:
1. кирпич с объемной массой более 1450 кг/м3 , с коэффициентом теплопроводности л = 0,7-0,6 ккал/м· ч·град;
2. кирпич с объемной массой более 1200 кг/м3 , с л=0,50-0,55 ккал/м · ч∙град;
3. кирпич с объемной массой менее 1200 кг/м3 , с л=0,45-0,50 ккал/м · ч · град;
4. камни керамические с объемной массой менее 1450 кг/м3 , с л=0,40-0,5 ккал/м · ч · град;
5. камни керамические с объемной массой менее 1200 кг/м3 , с л = 0,25-0,35 ккал/м. · ч · град.
По назначению в конструкциях:
1. конструктивные - для рядовой кладки под штукатурку или последующую облицовку;
2. лицевые – с расшивкой швов, совмещающие функции конструкционного и облицовочного материала.
По средней плотности (кг/м3 ) на:
1. особо легкие (до 600);
2. легкие (600-1300);
3. облегченные (1300-1600);
4. тяжелые (1600-2200).
По прочности (кг/см2 ) на:
1. марки 75, 100, 125, 150, 175, 200, 250, 300 (изделия с вертикально расположенными пустотами);
2. марки 25, 35, 50, 100 (с горизонтальными).
По морозостойкости на:
1. марки F15, F25, F35, F50, F75 (рядовые изделия);
2. марки F35, F50, F75, F100 (лицевые).


4. Сырьевые материалы.
Основным видом сырья для стеновых керамических материалов служат легкоплавкие глины и суглинки – разнообразные по составам и свойствами минеральной смеси.
Глина – это тонкодисперсный продукт разложения и выветривания самых различных горных пород – способны образовывать с водой пластичную массу, которая сохраняет придаваемую ей форму, а после сушки и обжига приобретает камнеподобные свойства.
Технические требования к глинистому сырью определены ГОСТ 2178-88, классификация сырья дана в ГОСТ 9169.
Кроме того в качестве основного сырья и корректирующих добавок экономически целесообразно использовать отходы угледобычи углеобогащения, золы ТЭС, золошлаковые смеси и другие отходы промышленности.
При производстве керамических стеновых материалов в качестве сырья в смеси с легкоплавкими глинами применяют также лессы, лессовые суглинки и кремнистые породы – трепелы и диатомиты.
Лессы и лессовые суглинки составляют разновидность глинистого сырья рыхлого строения. Они состоят преимущественно из пылеватых частиц с большим количеством известковых включений. Они обладают малой пластичностью, малой чувствительностью к сушке, с набольшим интервалом спекания 40..50С.
Благодаря рыхлой малопрочной структуре и быстрой размокаемости лессовые породы требуют менее интенсивной переработки для производства кирпича, чем суглинки и глины. В процессах обжига изделий требуется обеспечить предельно допустимую выдержку при максимальной температуре – 4-6ч. В этом случае предупреждаются высолы на изделиях, и повышается морозостойкость продукции до установленных нормативов.
Трепеллы и диатомиты – это кремнистые осадочные породы, состоящие полностью или более чем на 50% из свободного или водного кремнезема. Их химический состав, %: SiО2 – 70…85, Al2 О3 – 5…13, Fe2 О3 – 2…5, CaO – 0,5…5, MgO – 0,5…3,n.n.n. – 4…8.
Из трепелов и диатомитов получают облегченные кирпичи с низкой плотностью и высокой пористостью. Из трепелов пористость кирпича достигает 60..64% при плотности 500 – 1270 кг/м3, а из диатомита – пористость 75% при плотности от 450 до 1000кг/м3.
Добавки.
1. Отощающие добавки вводятся в состав керамической массы для понижения пластичности и уменьшения воздушной и огневой усадки глин. В качестве отощающих добавок используют шамот, дегидратированную глину, песок, золу ТЭС, гранулированный шлак.
· Шамот – зернистый керамический материал (с зернами 0,14 – 2 мм), получаемый измельчением глины, предварительно обожженной при той же температуре, при которой обжигаются изделия. Его можно получить, измельчая отходы обожженного кирпича. Шамот улучшает сушильные и обжиговые свойства глин, поэтому его применяют для получения высококачественных изделий.
· Дегидротированная глина при температуре 700 -750 С, добавляемая в количестве 30 – 50 %, улучшает сушильные свойства сырца и внешний вид кирпича.
· Песок (с зернами 0,5 – 2 мм) добавляют в количестве 10 – 25 %.
· Гранулированный доменный шлак (с зернами до 2 мм) – эффективный отощитель глин при производстве кирпича. Роли отощителей выполняют так же золы ТЭС и выгорающие добавки.
2. Парообразующие материалы вводят в сырьевую массу для получения легких керамических изделий с повышенной пористостью и пониженной теплопроводностью. Для этого используют вещества, которые при обжиге диссоциируют с выделением газа, например CO2 (молотые мел, доломит), или выгорают.
3. Выгорающие добавки: древесные опилки, измельченный бурый уголь, отходы углеобогатительных фабрик, золы ТЭС и лигнин не только повышают пористость керамических изделий, но также способствуют равномерному спеканию керамического черепка.
4. Пластифицирующими добавками являются высокопластичные глины, бентониты, а также поверхностноактивные вещества – сульфитно-дрожжевая бражка и др.
5. Плавни добавляют в глину в тех случаях, когда необходимо понизить температуру ее спекания. К ним относят: полевые шпаты, железную руду, доломит, магнезит, тальк и т.п.
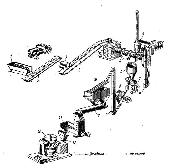
5. Основные технологические процессы и оборудование.
Все разнообразие керамических материалов производится в принципе по однотипной схеме, включающей в себя следующие переделы: добычу сырьевых материалов и карьерные работы, подготовку сырьевой массы, формование изделий, сушку и обжиг, сортировку и хранение. Однако для получения изделий с различной структурой черепка и различной конфигурации применяют разные методы формования: литье, пластическое формование, полусухое и сухое прессование. Основные изделия стеновой строительной керамики — кирпич и керамические камни, производят методами пластического и полусухого формования. Эти методы формования наиболее просты и получили наибольшее распространение. Ниже рассмотрена схема производства керамики с использованием метода пластического и метода полусухого формования на примере производства обычного глиняного кирпича.
1. Добыча глины и карьерные работы.
Когда глина испытана и намечено место для организации производства, приступают к ее добыче и заготовке.
Кирпич можно вырабатывать из глины вылежавшейся и из свежей глины, только что взятой из карьера — «свежевки». Лучший кирпич получается из вылежавшейся, промороженной глины. Особенно необходимо вылеживание, если глина плотная, жирная, трудно размокающая. Добытая осенью глина обычно вылеживается и промораживается.
С глиняной залежи снимают растительный слой и весь не пригодный для выработки кирпича грунт. Затем начинают добычу глины уступами, как показано на рис. 3 . Глину нагружают в тачку и отвозят к месту переработки, где укладывают в конус. Высота конуса не должна быть более 1 м, так как иначе глина плохо промерзнет; длина и ширина конуса принимаются в зависимости от количества заготовляемой глины. При добыче глины в карьере ее обычно берут сразу на всю глубину, чтобы перемешать слои, имеющие различные свойства. При заготовке же глины в конусах в карьере ее можно брать не на всю глубину сразу, а на два-три штыка на всю длину врачи: первые два-три штыка надо развалить по земле там, где предполагается устройство конуса, затем на них сверху еще два-три штыка, а самые нижние — на верх конуса. Весною, при выборке глины из конуса на производство, ее следует брать на всю высоту конуса, чтобы она еще раз перемешалась. Тогда получается однородная глина, а из нее хороший кирпич. При послойной загрузке глины в конус каждый слой обильно поливают водой. Кроме того, в конусе делают отверстия ломом или деревянным кслом, чтобы вода проникала на всю толщину конуса.

Рис. 3. Разработка ступенчатого карьера.
Желательно на конусах глины, заложенной для промораживания, не допускать большого снежного покрова, чтобы глина могла хорошо промерзнуть.
Площадка для размещения конуса должна быть очищена от дерна, утрамбована и выровнена, чтобы с нее не стекала вода.
Если осенью глину не заготовили, можно подвергнуть ее летованию (выветриванию). Для этого глину также укладывают в гряды высотою около 0,5 м и замачивают, а затем, когда она подсохнет, неоднократно поливают водой. Чем жирнее глина, тем продолжительней должно быть ее вылеживание.
Летование рекомендуется производить в течение 15—30 дней.
Если глина не промораживалась и не подвергалась летованию, ее следует подвергнуть замачиванию. Замачивают глину в невысоких грядах (40—50 см), в кучах или в специальных траншеях, облицованных горбылями. Замочив послойно глину, ее покрывают рогожами, соломенными матами и т. п., чтобы влага из глины не испарялась. Малопластичные глины выдерживают в замоченном состоянии от 0,5 до 2 суток, более жирные — до 3 и 7 суток.
2. Подготовка сырьевой массы.
Подготовка сырья в старину велась «естественным» образом: глина, добытая в карьере, в течение 1...2 лет выдерживалась в буртах под открытым небом. Периодическое намокание, замораживание и оттаивание разрушало природную структуру глины, вымывало из нее соли (вспомните белые высолы на современном кирпиче). После этого глину обрабатывали на глинорыхлителях и камнеотделительных валках и доводили до требуемой пластичности добавлением воды.

Рис. 4 . Механизмы для измельчения глины:
1 — вальцовая дробилка с гладкими вальцами; 2 — дезинтеграторные вальцы; 3
— бегуны; 4
— дезинтегратор; 5
— ножевая глинорезка
.
В настоящее время глину увлажняют паром и интенсивно обрабатывают на бегунах, дезинтеграторах и валках (это в какой-то мере заменяет вылеживание) до получения пластичной удобоформуемой массы без крупных каменистых включений (кусочки СаС03 должны быть удалены или измельчены в порошок).
Качество массы и будущих изделий зависит от тщательности проработки сырьевых компонентов. Подготовка сырьевых материалов состоит из разрушения природной структуры глины, удаления или измельчения (рис. 4) крупных включений, смешения глины с добавками и увлажнения до получения удобоформуемой глиняной массы.
3. Формование изделий.
Формование изделий ведется двумя способами: пластическим и полусухим.
Пластическое формование.
Производство кирпича методом пластического формования ведется на хорошо проработанной пластичной массе с влажностью 15...25 % из легкоплавких глин средней пластичности, содержащих 40...50 % песка.
Формование кирпича-сырца производят на ленточном прессе (рис. 5). Увлажненная и тщательно размятая глиняная масса продавливается винтовым конвейером 8 через решетку 7 в вакуумную камеру 6, где жгуты глины разбиваются вращающимся ножом 5 для удаления воздуха из глиняной массы. Далее масса винтовым валом 1 подается в конусную головку 2 пресса, где окончательно уплотняется и продавливается сквозь формующую часть пресса — мундштук 3. Мундштук придает глиняной ленте, выходящей из пресса, определенную высоту и ширину. В мундштуке могут быть установлены керны, образующие каналы в выдавливаемой ленте; так получают пустотелый кирпич и трубы.
Глиняная лента нарезается автоматическим устройством на кирпич-сырец. Размер таких кирпичей несколько больше требуемого, так как в процессе последующей обработки глина дважды (при сушке и при обжиге) претерпевает усадку, достигающую 10... 15 %.

Р и с. 5. Ленточный вакуумный пресс:
1 — винтовой вал; 2 — конусная головка; 3 — мундштук; 4 — глиняный брус; 5 — нож; 6— вакуумная камера; 7—решетка; 8 — винтовой конвейер
Однако известный способ не лишен недостатков, а именно:
возрастает сопротивление движению керамической массы в полости мундштука в процессе формования кирпича, что снижает производительность пресса и увеличивает нагрузку на его приводной механизм, т.е. увеличиваются энергозатраты на операцию формования керамического бруса.
Другим существенным недостатком является снижение конструкционной прочности изделия из-за наличия в кирпиче искусственно созданных крупных по размерам большого количества пустот, с суммарным объемом в 13-30% и даже выше от объема изделий, что во многих случаях не позволяет использовать такой кирпич в качестве стенового материала при строительстве высотных зданий и увеличивает процент боя (поломок), особенно на транспортных операциях.
Основные производственные процессы и операции при изготовлении стеновых керамических материалов способом пластического формования
Таблица 1
| Основные процессы |
Основные операции |
Применяемое оборудование и установки |
| 1 |
2 |
3 |
| Разработка карьера |
Вскрышные работы |
Бульдозер Скрепер Многоковшовые экскаваторы Гидромониторы |
| Добыча глины |
Многоковшовые экскаваторы Одноковшовые экскаваторы Канатные скреперы |
|
| Транспорт глины |
Автосамосвалы Узкоколейные вагонетки |
|
| Складирование глины |
Открытые штабеля Штабеля с подвижным или инвентарным покрытием Капитальные глинохранилища |
|
| Обработка глины |
Выделение каменистых включений |
Дезинтеграторные вальцы Винтовые вальцы |
| Грубое дробление |
Дезинтеграторные вальцы Гладкие вальцы грубого помола |
|
| Предварительное увлажнение |
Одновальные глиномялки Двухвальные глиномялки |
|
| Тонкое измельчение |
Бегуны мокрого помола Дырчатые вальцы Гладкие вальцы тонкого помола |
|
| Окончательное увлажнение |
Одновальные глиномялки Двухвальные глиномялки |
|
| Формование изделий |
Ленточные шнековые вакуумные прессы Ленточные шнековые безвакуумные прессы |
|
| Сушка изделий |
Сушильные сараи Камерные сушилки Туннельные сушилки |
|
| Обжиг изделий |
Кольцевые печи Туннельные печи |
Технологическая схема производства керамического кирпича
пластическим способом
Рис.6.

Полусухое формование.
Полусухой способ производства кирпича отличается от пластического тем, что прессование кирпича производят из сильно отощенных жестких масс (применяют малопластичную глину) влажностью 8...10 % на гидравлических или механических прессах высокого давления (10...30 МПа). Такой сырец, как правило, не требует сушки - его сразу после формования можно обжигать. Так как кирпичи полусухого прессования (рис. 7.) получаются более плотными, в них делают несквозные пустоты. Изделия, спрессованные из порошков, обладают в сырце большой прочностью и точностью размеров, характеризуются низкой усадкой при обжиге, однако имеют пониженную морозостойкость.

Рис. 7. Технологическая схема производства кирпича методом полусухого формования:
1 — ящичный подаватель; 2 — ленточный транспортер; 3—дезинтеграторные вальцы; 4 — циклон; 5 — сушильный барабан; 6 — бункер; 7 — тарельчатый питатель; 8 — дезинтегратор; 9 — элеваторы; 10 —грохот; 11 — глиносмеситель с пароувлажнителем;
12 — питатель; 13 — пресс
Данный метод предусматривает подсушку глины в сушильном барабане в течение 10-15 минут, после чего глина измельчается стержневым смесителем в порошок с фракцией 0,5-5 мм и формуется в кирпич колено-рычажными прессами. Поскольку формование происходит при влажности порошка 8-10%, то отформованный кирпич не требует сушки и подается сразу после формовки в печь.
Следовательно:
· не требуются затраты на энергоносители для сушки;
· не требуется ввод в глину добавок для улучшения сушильных свойств кирпича;
· даже при наличии в глине солей, они не выступают на поверхности кирпича;
· технологическое оборудование более простое и потребляет значительно меньше электроэнергии.
4. Сушка изделий.
Процесс сушки сопутствует производству всех видов керамических изделий. При этом сушат не только сформованные изделия, но также глину, фильтр-прессные коржи, заготовки. При изготовлении многих керамических изделий сушка оказывает решающее влияние на качество готовой продукции. Так, трещины, появляющиеся при сушке многих керамических изделий, обусловливают их брак, а при производстве кирпича существенно снижают его качество.
Процесс сушки оказывает заметное влияние на экономику производства, поскольку его осуществление требует значительных расходов топлива и электроэнергии, а денежные затраты на этот процесс составляют в ряде случаев 10—12% от общей себестоимости готовых изделий. Значительны также капиталовложения на сооружение сушильных установок, размеры которых растут в прямой зависимости от длительности процесса сушки. Во многих случаях размеры сушильных установок и интенсивность процесса сушки лимитируют общий выпуск продукции предприятием, являясь так называемым «узким местом», и от возможности увеличения производительности сушильного цеха зависит рост общей производственной мощности завода.
Поэтому во всех случаях нужно стремиться к такой организации процесса сушки, в котором сочеталось бы получение продукции или полуфабриката высокого качества, минимальная длительность процесса и возможно малые расходы тепла и электроэнергии. Достижение этих целей составляет задачу рациональной организации процесса сушки и требует знания основ ее технологии. В технологии сушки рассматриваются закономерности протекания физико-химических, структурно-механических, тепло - и влагообменных и других явлений, сопутствующих процессу сушки.
Общие сведения о процессе сушки. Сырец содержит много воды. Количество ее зависит от свойств глины и способа формовки.
Сырец, сформованный на ленточном прессе — 20—24% воды. Необходимо без повреждений сырца постепенно удалить эту воду до остаточной влажности 8—9%.
При сушке сырец, теряя влагу, уменьшается в размерах. Если усадка неравномерна, то-есть одни части сырца высыхают быстрее, чем другие, то в нем возникают напряжения и могут образоваться трещины, поэтому сырец надо сушить постепенно и равномерно, соблюдая определенный порядок, называемый режимом сушки.
Режим сушки устанавливается опытным путем и зависит от сушильных свойств глины, способа формовки, типа сушильных устройств, погоды и других местных особенностей.
Общим для всех режимов является более осторожная и замедленная сушка в начале и более быстрая в конце.
Одни глины легко переносят быструю сушку, не давая трещин, другие — склонны к образованию трещин и требуют медленной, осторожной сушки. Поэтому продолжительность сушки колеблется в широких пределах — от 6 до 25 суток.
Чем выше температура воздуха, чем он суше, чем быстрее он движется, тем быстрее сохнет сырец. Если же на дворе прохладно, туман, дождь, нет ветра — сушка протекает крайне медленно. Поэтому в одних случаях необходимо принимать меры к замедлению сушки, а в других, наоборот, к возможному ускорению ее. Сушку кирпича ведут как в камерных, так и в туннельных сушилках (рис.8). В качестве теплоносителя и одновременно влагопоглотителя используют нагретый воздух или дымовые газы.

Рис. 8. Туннельное сушило
5. Обжиг.
В технологии керамического кирпича обжиг является завершающей и наиболее ответственной стадией его изготовления. В процессе обжига формируются наиболее важные свойства керамического материала, определяющие его техническую ценность: прочность, плотность, водостойкость, морозостойкость и др. Пороки обжига являются необратимыми дефектами в изделии. Они не поддаются последующему устранению и потому в большинстве случаев дефекты обжига определяют качество готовой продукции — сортность и количество брака. Велико также влияние результатов обжига на экономику производства. Об этом свидетельствуют довольно значительные удельные весовые расходы топлива, которые в пересчете на 1 т готовой продукции составляют в среднем для стеновой керамики 45 кг. Суммарные затраты на обжиг достигают 35— 40%, а потери от брака — почти 10% себестоимости товарной продукции.
Квалифицированное ведение обжига требует знания тех изменений, которые происходят в керамической массе при этом процессе, и знания закономерностей, которые управляют процессом формирования конечных свойств керамического черепка. Все это составляет основу теории обжига.
Обжигают высушенный кирпич в туннельных печах (рис.9.): сырец, уложенный на вагонетки, непрерывно движется вдоль печи навстречу горячим газам и последовательно проходит зоны подогрева, обжига и охлаждения.
При воздействии высоких температур на глинистые материалы в них происходят сложные физические, химические и физико-химические изменения. В начале нагревания при 100... 150 °С удаляется физически связанная вода, при 350...400 °С выгорают органические примеси, при 300...900 °С удаляется химически связанная (кристаллизационная и цеолитная) вода, причем глинистые минералы разрушаются и глина переходит в аморфное состояние.
Обжиг
кирпича из легкоплавкого сырья ведут при 900... 1000 °С, из тугоплавкого - при 1100... 1200 °С. В процессе обжига протекают последовательно реакции в твердой фазе, собственно жидкофазное спекание и кристаллизация новообразований. Жидкофазное спекание
или образование расплавов в обжигаемых изделиях по мере повышения температуры является наиболее важным процессом, в результате которого керамическая масса переходит в керамический черепок.
Рис. 9. Туннельная печь:
1 — корпус печи; 2 — вагонетка
6. Сортировка и хранение.
При выгрузке из печи керамические изделия сортируют. Качество изделий устанавливают по степени обжига, внешнему виду, форме, размерам, а также по наличию в них различных дефектов. По степени обжига они могут быть разделены на изделия нормального обжига, недожог (кирпич алого цвета, характеризуется низкими прочностью, водо- и морозостойкостью) и пережог (кирпич фиолетово-бурого цвета с оплавленной поверхностью). Сортность изделий устанавливают по внешнему виду, форме, размерам и наличию дефектов в соответствии с требованиями ГОСТа.
При механизированной погрузке, разгрузке и транспортировании используют деревометаллические поддоны, на которые кирпич укладывают на ребро с перевязкой или «в елочку» (с наклоном в 45° к центру пакета). Чтобы уложить кирпич «елочкой», к торцам поддона прибивают треугольные бруски. Без поддонов кирпич перевозят уложенным в штабель с перевязкой; перевозить навалом запрещается, так как при этом много кирпича бьется. Хранят поддоны с кирпичом на открытых площадках, желательно в полиэтиленовой упаковке.
Кирпич керамический рядовой применяют для кладки внутренних и наружных стен, столбов, сводов и других частей зданий там, где необходима высокая прочность.
Кирпич полусухого прессования нельзя применять для кладки цоколей, фундаментов и наружных стен влажных помещений.
6. Основные свойства продукции.
Основные свойства керамических стеновых материалов — механическая прочность, объемная масса и плотность, водопоглощение, морозостойкость — регламентированы соответствующими стандартами. Эти свойства в значительной степени зависят от пористости и показателя плотности изделий.
Прочностью материала называется его способность сопротивляться внутренним напряжениям, возникающим в результате действия внешних сил (нагрузок).
Кирпич хорошо сопротивляется сжатию, хуже — растяжению. Поэтому его применяют в конструкциях, работающих на сжатие.
Прочность кирпича характеризуется пределом прочности при сжатии и изгибе. Пределом прочности кирпича называют напряжение, соответствующее нагрузке, при которой он разрушается.
В кладке кирпич испытывает напряжение не только на сжатие, но и на изгиб. Поэтому стандартами регламентирован также предел прочности кирпича на изгиб.
Предел прочности при сжатии или растяжении R , Па, рассчитывают по формуле:
R = F разр/ A ,
где Fpaзp - разрушающая нагрузка, Н; А - площадь первоначального сечения образца в плоскости, перпендикулярной действию нагрузки, м2 .
Предел прочности при изгибе образца прямоугольного сечения и при одной сосредоточенной нагрузке в середине пролета определяют по выражению
R изг=3 Fl /2 bh 2
где F — разрушающая нагрузка, Н; l - расстояние между опорами, м; b , h - ширина и высота поперечного сечения образца, м.
Объемной массой называется масса единицы объема материала в естественном состоянии, т. е. вместе с порами и пустотами. Если кирпич или камни имеют специальные пустоты, то различают объемную массу брутто без вычета объема пустот и объемную массу нетто с вычетом пустот.
Объемную массу брутто изделия вычисляют по его внешним размерам, и она зависит от количества пустот и объемной массы материала керамики.
Объемную массу образца ту вычисляют по формуле:
![]()
где т — масса образца, высушенного до постоянной массы, кг; V —объем образца, м3 .
Объемная масса полнотелых керамических стеновых материалов колеблется в пределах 1300—1800 кг/м3 .
Плотностью называется отношение массы материала к его объему без пор и пустот. Плотность керамических изделий колеблется в пределах 2200—2500 кг/м3 . Плотность ρ вычисляют по формуле:
![]()
где т — масса (навеска) материала, высушенного до постоянной массы, кг; V — объем материала без пор и пустот, м3 .
Показатель плотности материала — это степень заполнения его объема твердым веществом, из которого состоит данный материал. Определяют показатель плотности материала Ρ как отношение объемной массы к плотности материала.
![]()
Плотность керамических стеновых материалов всегда меньше 100% вследствие большего или меньшего количества пор. По плотности можно определить пористость материала.
Пористость материала — это степень заполнения его объема порами. Пористость Π определяют по формуле
где
— плотность,
; V
—
объем материала порами и пустотами, м3.
По величине пористость является дополнением плотности до единицы или до 100%· Показатель пористости определяют по формуле:
![]()
Водопоглощение
— это способность материала впитывать и удерживать в своих порах воду. Оно характеризуется количеством воды, которое поглощает сухой материал при погружении и выдерживании в воде, отнесенным к массе сухого материала (массовое водопоглощение
или к объему материала в сухом состоянии (объемное водопоглощение
). Водопоглощение вычисляют по формулам:
где
— масса образца в насыщенном водой состоянии, г;
—
масса образца в сухом состоянии, г; V — объем образца в сухом состоянии, см3 .
Керамические стеновые материалы должны иметь водопоглощение в пределах не менее 8%.
Морозостойкость — способность материала в насыщенном водой состоянии выдерживать многократное попеременное замораживание и оттаивание без признаков разрушения и значительного снижения прочности.
Морозостойкость характеризует срок службы материала.
7. Технико-экономические показатели.
Большие запасы повсеместно распространенного сырья, сравнительная простота технологии и высокая долговечность керамических материалов выдвинули их на одно из первых мест среди других строительных материалов. Основным стеновым материалом до сих пор остается штучный кирпич, составляющий в общем балансе стеновых материалов до 50%.
Структура производственных затрат в промышленности строительной керамики характеризуется большой трудоемкостью вследствие невысокого уровня механизации производства. Удельный вес заработной платы в среднем по промышленности строительной керамики составляет 38%, а в целом по промышленности — 18,6% себестоимости продукции. Резервы снижения себестоимости продукции являются весьма значительными.
Значительного снижения расхода энергоресурсов — топлива и электроэнергии — достигают применением метода бескапсельного обжига и радиационных сушил и при использовании в качестве топлива природного газа.
Большое значение для экономики керамических материалов имеет снижение затрат на топливо, расход которого весьма значителен.
Дефекты керамических строительных материалов (трещиноватость изделий, неоднородность цветовых тонов и др.) являются, прежде всего, результатом нарушения режимов теплоскоростной обработки изделий. В печах, где топливо непосредственно соприкасается с обжигаемой продукцией, загрязняется уносами и условия труда при выгрузке изделий из печей тяжелые. Чистка газоходов и каналов в сушильных устройствах и печах при работе на твердом топливе является трудоемким процессом.
Большое народнохозяйственное значение имеет перевод керамической промышленности на наиболее эффективные виды топлива, в частности на нефтяное топливо и природный газ. Последнее позволяет снизить удельные расходы топлива, устранить расход тепла на сушку самого топлива и потери при его транспортировании и сжигании, улучшить условия труда, создать более благоприятные условия автоматического регулирования тепловых процессов.
Расход рабочей силы на выработку кирпича зависит от объема и способа производства.
Обычно на изготовлении сырца работает бригада в составе семи человек: на обработке глины — два человека, на подноске глины к формовщику — один человек, на формовке — один человек, на укладке сырца для сушки — два человека и на прочих работах — один человек. За рабочий день бригада вырабатывает около 4,5 тыс. шт. сырца.
Расход воды на замочку глины зависит от карьерной влажности глины и от ее жирности. В среднем можно считать, что на замочку 1 м3
глины требуется 10—15 ведер воды. При механизированном производстве кирпича на 1000 шт. сырца расходуется около 650 л. воды.
Расход топлива зависит от вида топлива и способа обжига. На обжиг 1000 шт. кирпичей в напольных печах, по нормам бывшего Министерства стройматериалов, требуется 301,5 кг условного топлива или около 350 кг антрацитового штыба, 820 кг торфа, около 780 кг дров (что соответствует 1,5—2 м3 дров влажностью 30%). При использовании агрегата СМ-296А необходимо иметь двигательную энергию мощностью 20 кВт. Поскольку агрегат может выпускать до 1500 шт. сырца в час, удельный расход энергии составит 13,3 кВт/ч на 1000 шт. сырца.
Себестоимость 1000 шт. кирпича составляет в среднем 9000 руб. Выработка кирпича на одного работающего на современных высокомеханизированных заводах равен 300—400 тыс. шт. кирпича в год на одного работающего.
8. Заключение.
Несмотря на появившееся в последнее время большое число различных новых для России строительных материалов, керамический кирпич как стеновой материал продолжает широко использоваться в строительстве.
Кирпич - один из самых экологически чистых и долговечных в эксплуатации стеновых материалов, что обусловливает его прочные позиции. Бурный рост строительства, который наблюдается в течение последних нескольких лет, вызвал необходимость увеличения производства кирпича, причем как для облицовки зданий, так и рядового для внутренних кладочных работ.
Такая потребность в кирпиче привела к строительству новых и реконструкции существующих кирпичных заводов.
Керамические материалы – самые древние из всех искусственных каменных материалов. Черепки грубых горшечных изделий находят на месте поселений, относящихся к каменному веку. Возраст керамического кирпича как строительного материала более 5000 лет.
Сырьевыми материалами для производства керамических изделий являются каолины и глины, применяемые в чистом виде, а чаще – в смеси с добавками (отощающими, порообразующими, плавнями, пластификаторами и др.) Под каолинами и глинами понимают природные водные алюмосиликаты с различными примесями, способные при замешивании с водой образовывать пластичное тесто, которое после обжига необратимо переходит в камнеподобное состояние.
По плотности и техническим свойствам керамические кирпичи и камни делят на три группы: первая – эффективные плотностью не более 1400 – 1450 кг/м3 с высокими теплозащитными свойствами; вторая – условно-эффективные плотностью 1450 – 1600 кг/м3; третья – обыкновенный кирпич плотностью свыше 1600 кг/м3.
Кирпич не должен иметь механических повреждений и сквозных трещин. Кирпич должен быть нормально обожжен; кирпич недожженный и пережженный – брак. После обжига кирпич должен соответствовать цвету эталона нормально обожженного кирпича. Не допускаются известковые включения (дутики), вызывающие разрушение кирпича.
В зависимости от предела прочности при сжатии кирпич делят на марки: 75, 100, 125, 150, 200, 250, 300. Плотность сплошного кирпича 1600 – 1900 кг/м3, его теплопроводность 0,7 – 0,82 Вт/(м * С). Водопоглощение кирпича выше марки 150 должно быть не менее 6 %, кирпича других марок не менее 8 %. Это требование обеспечивает определенную пористость кирпича, иначе он станет слишком теплопроводен и будет плохо сцепливаться со строительным раствором. Морозостойкость кирпича не менее 15 циклов попеременного замораживания и оттаивания; предусмотрены и более высокие марки морозостойкости: Мрз 25, Мрз 35, Мрз 50.
Список использованной литературы
1. Гончар П.Д. Простейшее производство кирпича. М:.1958г. 50 ст.
2. Горчаков Г. И. Строительные материалы: учебное пособие для высших учебных заведений/ Г.И. Горчаков, Ю.М.Баженов; под общ. ред. Г. И. Горчакова. – Владимир: Союзполиграфпром, 1986. – 686 с
3. Иванюта Г.А. Производство керамического кирпича - современная ситуация и перспектива // Строительные материалы. 2002. C.14-15
4. Комар. А.Г. Строительные материалы и изделия. Учебник для студентов специальности «Экономика и управление в строительстве». Ярославский полиграфкомбинат Союзполиграфпрома 1988г. 528ст.
5. Попов К.Н., Каддо М.Б. Строительные материалы и изделия. М:.2001г. 367ст.
6. Юхневский П.И., Широкий Г.Т. Строительные материалы и изделия. Минск:.2004г. 275ст.
7. Юшкевич М.О., Роговой М.И. Технология керамики. М:.1969г. 350ст.