| Скачать .docx |
Реферат: Аналоговые системы передачи
ФЕДЕРАЛЬНОЕ АГЕНТСТВО ПО ОБРАЗОВАНИЮ
ГОСУДАРСТВЕННОЕ ОБРАЗОВАТЕЛЬНОЕ УЧРЕЖДЕНИЕ ВЫСШЕГО ПРОФЕССИОНАЛЬНОГО ОБРАЗОВАНИЯ
«ТЮМЕНСКИЙ ГОСУДАРСТВЕННЫЙ НЕФТЕГАЗОВЫЙ УНИВЕРСИТЕТ»
ИНСТИТУТ КИБЕРНЕТИКИ, ИНФОРМАТИКИ ИСВЯЗИ
Реферат
По дисциплине: Техническая эксплуатация систем передачи
Тема: Аналоговые системы передачи
| Выполнил: Кожин И.А | |
| Группа: МТСт-07-(9)-1 | |
| Специальность: Многоканальные телекоммуникационные системы | |
| Проверила: Кониловская С. А |
Тюмень
2010
Содержание
1.1.Введение
1.2 Двусторонняя передача сигналов
1.3 Каналы связи
1.4 Формирование стандартных групповых сигналов
1.5 Основные узлы систем передачи
1.6 Методы организации двусторонних тактов
1.7 Краткая характеристика систем передач
1.8 Литература
1.1 Введение
Высокая стоимость линий связи обуславливает разработку систем и методов, позволяющих одновременно передавать по одной линии связи большое число независимых сообщений, т.е. использовать линию многократно. Такие системы связи называют многоканальными. Связь, осуществляемую с помощью этих систем, принято называть многоканальной. Практически все современные системы связи за редким исключением являются многоканальными.
В современных сетях связи используются аналоговые и цифровые системы передачи (СП) с тенденцией постепенного перехода к применению только цифровых систем. Однако предстоит длительный период сосуществования на сетях связи аналоговых и цифровых систем, когда большое число соединений будет устанавливаться с использованием обоих технологий. Для обеспечения в этих условиях заданных характеристик каналов и трактов, гарантирующих высокое качество передачи информации, принципы проектирования цифровых и аналоговых систем передачи должны быть совместимы.
1.2 Двусторонняя передача сигналов
К большинству систем связи предъявляется требование обеспечения одновременной и независимой передачи сигналов в двух направлениях - требование двусторонней связи. Для организации двусторонней связи используются два канала однонаправленного действия, образующих двунаправленный четырехпроводный канал (Рис. 1). Проходящие через однонаправленный канал сигналы усиливаются (SА-Б и SБ-А).

Рис. 1. Канал двустороннего действия
Двунаправленный двухпроводный канал образуется из четырехпроводного при помощи развязывающих устройств (РУ). Зажимы 1-1 РУ называют линейными. Прохождение сигналов от линейных зажимов РУ станции А к линейным зажимам РУ станции Б, а также в противоположном направлении показаны на Рис. 6.19 с помощью сплошной и штриховой линий.
Затухание сигналов между линейными зажимами станций А и Б называется остаточным затуханием двухпроводного канала аОСТ = а1-2 - SА-Б(Б-А) + a4-1. Желательно, чтобы а1-2 и a4-1 были минимальны.
Основная трудность при организации перехода от четырех- к двухпроводному каналу с помощью РУ состоит в появлении петли обратной связи (ОС). Сигнал, попадая в двухпроводный канал, начинает циркулировать по петле ОС, что приводит к искажениям формы сигналов и в пределе - к самовозбуждению канала.
Затухание, которое претерпевает сигнал, проходя от зажимов 4-4 к зажимам 2-2 РУ, называется переходным aПЕР.
Затухание по петле ОС, равное сумме всех затуханий и усилений, aОС = aПЕР1 + aПЕР2 - SА-Б - SБ-А носит специальное название - запас устойчивости. Если aОС £ 0, то канал неустойчив и самовозбуждается.
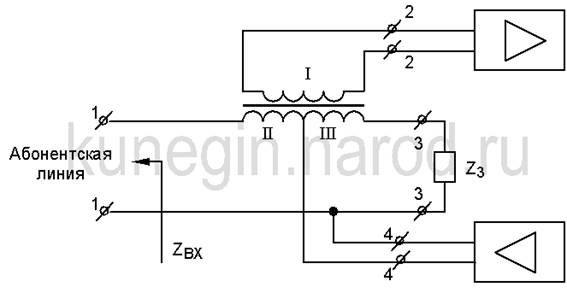
В качестве РУ в современных системах передачи широко используется дифференциальная система (ДС), выполненная на основе симметричного трансформатора со средней точкой (Рис. 2) (полуобмотки II и III идентичны). В состав ДС входит сопротивление Z3, называемое балансным. Оно приближенно отражает свойства входного сопротивления абонентской линии.

Рис. 2. Схема трансформаторной ДС
К ДС предъявляются требования минимального затухания в рабочих направлениях и максимального переходного затухания. Данные требования выполняются при соблюдении так называемого условия баланса ДС. Условием баланса ДС в направлении 4-4 ® 2-2 является равенство входного сопротивления абонентской линии и балансного сопротивления ZВХ=Z3. Условием баланса ДС в направлении 1-1 ® 3-3 является равенство входного сопротивления первой полуобмотки дифференциального трансформатора и входного сопротивления направления приема четырехпроводного канала ZВХ.ТР.=Z4.
В случае сбалансированной ДС мощность входных сигналов, подводимых к зажимам 1-1 и зажимам 4-4, передается на соответствующие выходные зажимы 2-2 и 1-1 не полностью, а лишь частично, и входные сигналы испытывают так называемые рабочие затухания ДС а4-1 = а1-2 = 10lg2 = 3дБ. В реальных ДС за счет неидеальности трансформатора рабочие затухания несколько больше.
Переходное затухание реальной ДС также является конечной величиной. Оно зависит, в основном, от точности равенства входного сопротивления абонентской линии и балансного сопротивления. Точно выполнить это равенство на практике не представляется возможным, поскольку к одной и той же ДС могут подключаться абонентские линии с существенно различающимися характеристиками. В то же время характеристики балансного сопротивления являются постоянной величиной. Балансное сопротивление (балансный контур) обычно выполняется в виде последовательно включенных резистора сопротивлением 600 Ом и конденсатора емкостью 1 мкФ. Поэтому величина переходного затухания реальных ДС обычно не превышает 20..40 дБ.
1.3 Каналы связи
Стандартный канал ТЧ. Канал тональной частоты (ТЧ) является единицей измерения емкости систем передачи и используется для передачи телефонных сигналов, а также сигналов данных, факсимильной и телеграфной связи. Такой канал включает в себя двухпроводное окончание и четырехпроводный тракт. Дифсистема (ДС) служит для перехода с четырехпроводного тракта к двухпроводному окончанию. Удлинители в двухпроводном окончании имеют затухание 3,5 дБ и называются транзитными. Характеристики канала ТЧ нормируются рекомендациями МСЭ-Т серии М. В нашей стране требования МСЭ-Т уточняют "Нормы на электрические параметры каналов ТЧ магистральной и внутризоновых первичных сетей", введенные в действие приказом Министерства связи № 43 от 15.04.96. Рассмотрим основные характеристики канала ТЧ.
Нормированные (номинальные) измерительные уровни в стандартных точках канала ТЧ составляют (Рис. 3): на входе канала 0 дБм, на выходе транзитного удлинителя минус 3,5 дБм, на входе четырехпроводного тракта минус 13 дБм, на выходе четырехпроводного тракта 4,3 дБм, на входе транзитного удлинителя минус 3,5 дБм и на выходе канала минус 7 дБ.

Рис. 3. Номинальные измерительные уровни канала
Входное ZВХ и выходное ZВЫХ сопротивления канала ТЧ равны 600 Ом. Отклонение входного и выходного сопротивлений от номинального ZН оценивается коэффициентом отражения
или затуханием несогласованности (отражения)
где ZР - реальное значение cопротивления. Значение
не должно превышать 10%.
Остаточное затухание канала. Это есть величина, равная разности суммы затуханий и суммы усилений в канале:
Остаточное затухание канала ТЧ составляет 7 дБ. Максимальное отклонение во времени на одном транзитном участке не должно превышать 2,2 дБ с вероятностью 0,95.
Эффективно передаваемая полоса частот канала ТЧ - полоса, на крайних частотах которой (0,3 и 3,4 кГц) остаточное затухание на 8,7 дБ превышает остаточное затухание на частоте 800 Гц. Частотная характеристика отклонения канала ТЧ от номинала 7 дБ должна оставаться в пределах шаблона (Рис. 4) при максимальном числе транзитов, т.е. при 12 переприемных участках.

Рис. 4. Шаблон отклонения остаточного затухания аналогового канала ТЧ
Фазочастотные искажения не являются столь существенным при передаче речи. Но так как каналы ТЧ используются также для передачи данных и факсимильной связи, большие фазочастотные искажения недопустимы. Поэтому нормируется отклонение группового времени передачи (ГВП) от его значении на частоте 1900 Гц на одном транзитном участке длиной 2500 км (Рис. 5).

Рис. 5. Допустимые отклонения ГВП канала ТЧ
Коэффициент нелинейных искажений канала ТЧ на одном транзитном участке не должен превышать 1,5% (1% по третьей гармонике) при номинальном уровне передачи тока частотой 800 Гц. Амплитудная характеристика при этом нормируется следующим образом: остаточное затухание канала на одном транзитном участке должно оставаться постоянным с точностью 0,3 дБ при изменении уровня измерительного сигнала от минус 17,5 дБ до плюс 3,5 дБ в точке с нулевым измерительным уровнем на любой частоте пределах 0,3... 3,4 кГц. При повышении уровня измерительного сигнала до 8,7 и 20 дБ остаточное затухание должно уменьшиться не менее чем на 1,75 и 7,8 дБ соответственно.
Помехи в каналах ТЧ. На выходе канала ТЧ кроме информационного сигнала присутствуют помехи, которые определяются на приемном конце в точке с относительным уровнем минус 7 дБ. Средняя величина псофометрического (взвешенного) напряжения помех в канале в течение любого часа на одном переприемном участке длиной 2500 км не должна превышать 1,1 мВ псоф (10000 пВт псоф в точке относительного нулевого уровня).
Стандартные каналы ТЧ, организованные с помощью цифровых и оптических систем передачи, являются более высококачественными. Поэтому ряд характеристик цифровых каналов ТЧ имеют следующие отличия.
Нормы на амплитудно-частотные искажения заданы МСЭ-Т в виде шаблона (Рис. 7). Если сравнить допустимые отклонения остаточных затуханий цифровых и аналоговых каналов ТЧ (см. Рис. 5), можно отметить, что нормы для цифровых каналов более жесткие. То же можно сказать и о фазочастотных искажениях (Рис. 8).
Рис. 7. Шаблон отклонений остаточного затухания цифрового канала ТЧ
Рис.8. Шаблон на допустимую неравномерность ГВП цифрового канала ТЧ
Для цифровых каналов ТЧ вводится дополнительная характеристика, которая оценивает шумы квантования. Эта характеристика задается в виде зависимости отношения сигнал-шум (ОСШ) от уровня сигнала (Рис. 9).

Рис. 9 Зависимость отношения сигнал/шум квантования от уровня сигнала
Широкополосные каналы. Современные системы передачи позволяют кроме стандартных каналов ТЧ организовать каналы с более высокой пропускной способностью. Увеличение пропускной способности достигается расширением ЭППЧ, причем широкополосные каналы образуются объединением нескольких каналов ТЧ.
В настоящее время аналоговые системы передачи предусматривают образование следующих широкополосных каналов:
· предгруппового канала с полосой частот 12..24 кГц взамен трех каналов ТЧ;
· первичного канала 60..108 кГц взамен 12 каналов ТЧ;
· вторичного канала 312..552 кГц взамен 60 каналов ТЧ
· третичного канала 812..2044 кГц взамен 300 каналов ТЧ.
Кроме перечисленных каналов в системах передачи формируются каналы вещания и телевидения (со звуковым вещанием).
1.4 Формирование стандартных групповых сигналов
Для организации по одной линии передачи большого числа каналов в аналоговых системах передачи используют метод ЧРК и АМ для формирования отдельных канальных сигналов.Наиболее сложным блоком амплитудных модуляторов и демодуляторов является полосовой фильтр. В ряде случаев (при высоких значениях несущей частоты) ширина полосы расфильтровки оказывается настолько малой, что выполнение высокодобротных фильтров оказывается затруднено, а иногда невозможно. В этих случаях по экономическим соображениям, в том числе с целью уменьшения количества типов используемых фильтров, объединение канальных сигналов в групповой осуществляется методом многократного преобразования частоты.
При многократном преобразовании (Рис. 10) сигнал проходит последовательно через несколько преобразователей частоты (ПЧ) с различными несущими частотами. Абсолютная ширина полосы расфильтровки на выходе каждого последующего ПЧ больше, чем на выходе предыдущего, что позволяет увеличивать значение несущих частот без уменьшения относительной ширины полосы расфильтровки.
Рис. 10. Многократное преобразование частоты
Однако, общее число преобразователей и, следовательно, общее число разнотипных фильтров оказывается очень большим. В N-канальной системе число фильтров и их типов равно Nn, где n - число ступеней преобразования. Число фильтров и их типов можно уменьшить, если дополнить многократное преобразование групповым, при котором преобразованию подвергается групповой сигнал. С этой целью N каналов разбивается на m групп по K каналов, т.е. Km=N. В каждой группе сигнал каждого канала подвергается индивидуальному преобразованию с помощью несущих частот w Н1, w Н2,..., w НК (Рис. 11). Во всех группах преобразование однотипно, поэтому на выходе каждой группы образуется один и тот же спектр частот. Полученные групповые спектры подвергаются затем групповому преобразованию с несущими w ГР1, w ГР2,..., w ГРm, так что после объединения преобразованных групповых сигналов образуется спектр частот N каналов. В рассматриваемом случае общее число фильтров равно N+mnГР, а число типов фильтров сокращается до K+mnГР, где nГР - число групповых ступеней преобразования.

Рис. 11. Групповое преобразование частоты
Таким образом, применение многократного и группового преобразования позволяет унифицировать фильтровое оборудование системы, т.е. уменьшить его разнотипность. Такая унификация повышает технологичность изготовления узлов аппаратуры и, в конечном счете, удешевляет ее.
Кроме того, применение группового преобразования и стандартизации методов формирования групп каналов позволяет унифицировать часть оборудования различных систем. По этой причине МСЭ-Т были стандартизированы следующие основные группы каналов.
Первичная группа (ПГ) - 12 каналов ТЧ, спектр 60...108 кГц. Образуется однократным преобразованием с помощью несущих частот 64, 68, 72, .., 108 кГц или двукратным преобразованием с помощью образования 4 трехканальных групп на несущих 12, 16, 20 кГц и их последующего преобразования на несущих 84, 96, 108, 120 кГц.
Вторичная группа (ВГ) - 60 каналов ТЧ, спектр 312...552 кГц. Образуется из 5 ПГ с помощью несущих 420, 468, 516, 564, 612 кГц. Возможность параллельной работы фильтров обеспечивается их подключением через развязывающий блок параллельной работы первичных групп (ПРПГ).
Третичная группа (ТГ) - 300 каналов ТЧ, спектр 812...2044 кГц. Образуется из 5 ВГ с помощью несущих (1364+(n-1)*248) кГц, где n - номер ВГ в спектре ТГ.
Четверичная группа (ЧГ) - 900 каналов ТЧ, спектр 8516..12388 кГц. Образуется из 3 ТГ. Может также формироваться из 15 ВГ.
Совокупность преобразовательного оборудования всех групп носит название каналообразующей аппаратуры. Ее назначение заключается в преобразовании индивидуальных сигналов в групповой сигнал одной из стандартных групп. Использование каналообразующей аппаратуры позволяет строить оконечную аппаратуру систем передачи различной емкости на основе стандартного преобразовательного оборудования и, следовательно, создавать унифицированное техническое оборудование.
1.5 Основные узлы систем передачи
Основной тип преобразователя частоты, применяемый в СП с ЧРК, представляет собой амплитудный модулятор с полосовым фильтром, включенным на его выходе (см. Рис. 6.4). Фильтр выделяет одну из боковых полос частот в спектре выходного сигнала модулятора и подавляет на 65..70 дБ неиспользуемую полосу частот.
Генераторное оборудование СП с ЧРК предназначено для получения колебаний индивидуальных и групповых несущих частот, а также контрольных частот.
Каждое из этих колебаний должно удовлетворять ряду требований, важнейшими из которых являются стабильность частоты и амплитуды, помехозащищенность, надежность.
В современных СП все колебания несущих и контрольных частот вырабатываются в генераторном оборудовании (ГО), содержащем (Рис. 12): задающий генератор (ЗГ), аналоговые перемножители частоты в виде генераторов гармоник (ГГ), делитель частоты (ДЧ), узкополосные фильтры (ПФ), выделяющие соответствующие гармоники kf0, mf0, pf0, gf0 и т.д., усилители, обеспечивающие необходимую мощность несущих и контрольных частот.

Рис. 12. Структурная схема генераторного оборудования
Стабильность и точность частоты ЗГ устанавливается на основе требований МСЭ-Т по допустимому сдвигу частот в канале ТЧ при прохождении двух станций, который не должен превышать 1 Гц. Для получения высокой стабильности частоты ЗГ стабилизируется кварцевым резонатором, помещенным в термостат.
Колебания, вырабатываемые ГО, должны быть защищены от помех, особенно от гармоник частоты напряжения питающей сети 50 Гц.
В большинстве аналоговых СП предусмотрено 100%-ное резервирование узлов ГО, причем переключение на резервное оборудование, как правило, происходит автоматически.
1.6 Методы организации двусторонних тактов
Различают две основных схемы организации двусторонних тактов:
Однополосная четырехпроводная (Рис. 13, а). Линейные тракты имеют совпадающие спектры. При использовании симметричных кабелей во избежание значительных взаимных влияний линейные тракты размещаются в различных кабелях. Такая схема называется двухкабельной. При использовании коаксиального кабеля взаимные влияния практически отсутствуют, поэтому коаксиальные пары могут размещаться в одном кабеле. Такая схема называется однокабельной.
Двухполосная двухпроводная (Рис. 13, б). Используется один и тот же линейный тракт. При этом связь в противоположных направлениях передачи организуется в разных полосах частот при помощи пары направляющих фильтров ФВЧ и ФНЧ.

Рис. 13. Однополосный четырехпроводный (а) и двухпоплосный двухпроводный (б) линейные тракты
1.7 Краткая характеристика систем передач
Системы передачи для магистрального участка первичной сети:
К-1920П. Позволяет организовать 1920 каналов ТЧ или 300 каналов ТЧ и канал телевизионного (ТВ) и звукового вещания (ЗВ). В первом случае линейный спектр формируется из 6 ТГ и 2 ВГ в полосе частот 312...8524 кГц. Во втором случае преобразуются 5 ВГ, которые совместно с каналами ТВ и ЗВ занимают полосу частот 273...8491 кГц. Дальность действия 12500 км, максимальная длина переприемного участка по ТЧ 1500 км. В линейном тракте используются ОУП и НУП. Питание НУП осуществляется дистанционно. Между двумя ОУП может размещаться до 40 НУП. Длина усилительного участка 6± 0,15 км.
К-3600. Позволяет организовать 360 каналов ТЧ или 1800 каналов ТЧ, а также канал ТВ и ЗВ. Линейный спектр 812...17596 кГц. Дальность действия 12500 км. В линейном тракте используются ОУП и НУП. Питание НУП осуществляется дистанционно. Между двумя ОУП может размещаться до 61 НУП. Длина усилительного участка 3± 0,15 км.
К-10800 и К-5400. Линейный спектр 4..60 МГц. Небольшая длина усилительного участка, равная 1,5 км, обусловила высокую стоимость каналокилометра, получаемого с помощью К-10800. К-5400 имеет линейный спектр 4..32 МГц, за счет чего длина усилительного участка у данной системы равна 3± 0,15 км. Это позволяет использовать систему передачи К-5400 для реконструкции магистралей, оборудованных К-1920П и К-3600.
На магистральном участке первичной сети также используются системы передачи VLT-1920, ВК-960. Распределительная система К-1020Р образует с системой К-3600 единый комплекс и предназначена для распределения каналов по промежуточным пунктам основной магистрали.
Системы передачи для зонового участка первичной сети:
К-300. Предназначена для работы по коаксиальному кабелю МКТ-4 с четырьмя парами. Организуется два линейных тракта общей емкостью 600 каналов ТЧ. Линейный спектр формируется из 5 ВГ в полосе частот 60...1300 кГц. Дальность действия системы составляет 12500 км, что позволяет использовать ее при небольшой потребности в каналах на магистральном участке первичной сети.
К-120 и К-420. Используются однокоаксиальные кабели, поэтому линейный тракт организован по двухполосной схеме. В прямом направлении передается спектр 60...552 кГц, в обратном - 812...1304 кГц. Система К-420 разработана для модернизации участков зоновой сети, оборудованных К-120. Прирост канальной емкости составляет 300 каналов ТЧ.
К-60П и К-1020С. Используются симметричные кабели с различным числом пар (четверок). Система К-60П широко распространена на сетях связи. Линейный спектр составляет 12...252 кГц и формируется путем преобразования одной стандартной ВГ. Значительное число линий передачи магистральной сети организовано с применением симметричного кабеля и системы К-60П. С целью увеличения канальной емкости при использовании существующих симметричных линий передачи была разработана система К-1020С. Линейный спектр образуется из двух ВГ и трех ТГ и занимает полосу частот 312...4636 кГц.
Системы передачи для местного участка первичной сети:
Системы передачи местной сети работают по симметричным кабелям и воздушным линиям связи. Требования, предъявляемые к системам городского и сельского участков сети, существенно различаются. Городские системы передачи предназначены для организации большого числа каналов на сравнительно малые расстояния, в то время как сельские - для организации малого числа каналов на сравнительно большие расстояния.
КАМА. Позволяет организовать 30 каналов ТЧ. Используются симметричные кабели разных типов. Связь организуется на сравнительно небольшое расстояние - максимальная дальность связи не превышает 80 км при наличии в линейном тракте шести НУП. Если протяженность линии передачи не превышает 15 км, система КАМА работает без применения промежуточных усилительных станций.
КНК-6Т и КНК-12Т. Предназначены для организации соединительных линий между сельскими АТС. Используются одночетверочные симметричные кабели. Максимальная длина связи составляет 105 и 120 км в зависимости от диаметра жил используемого кабеля.
В-3-3 и В-12-3. Предназначены для работы по ВЛС. Удельный вес на сельском и даже зоновом участках первичной сети еще длительное время останется значительным. Максимальная частота линейного спектра не превышает 150 кГц.
АВУ. Аппаратура абонентского высокочастотного уплотнения. Позволяет организовать на абонентской линии один дополнительный канал. Осуществляется преобразование на несущей 28 кГц при передаче от абонента к станции, и на несущей 64 кГц в обратном направлении.
1.8 Литература
· Цифровые и аналоговые системы передачи: Учебник для вузов / В.И.Иванов, В.Н.Гордиенко, Г.Н.Попов и др.; Под ред. В.И.Иванова. - М.: Радио и связь, 1995. - 232 с.: ил.
· Теория передачи сигналов: Учебник для вузов / А.Г.Зюко, Д.Д.Кловский, М.В.Назаров, Л.М.Финк. - 2-е изд., перераб. и доп. - М.: Радио и связь, 1986. - 304 с.: ил.
· Многоканальные телекоммуникационные системы. Аналоговые системы передачи / Крухмалев, Гордиенко, Моченов
· http://kunegin.narod.ru/ref/sod_lec.htm