| Скачать .docx |
Реферат: Проектирование привода машины
Федеральное агентство по рыболовству Российской Федерации
Дальневосточный государственный технический
рыбохозяйственный университет
Кафедра «Основы конструирования»
ДЕТАЛИ МАШИН
Пояснительная записка к курсовому проекту
ПРОЕКТИРОВАНИЕ ПРиводА машины
КП. 2.01.00.00.00. ПЗ
Руководитель проекта
________________С.Н. Зиборов
«____»______________2011 г.
______
Студент группы ХТ31
______________ Д.А. Ажимов
«____»______________2011 г.
Владивосток
2011
СОДЕРЖАНИЕ
Федеральное агентство по рыболовству Российской Федерации
Дальневосточный государственный технический
рыбохозяйственный университет
Кафедра «Основы конструирования»
ТЕХНИЧЕСКОЕ ЗАДАНИЕ
на выполнение курсового проекта по дисциплине
« Детали машин»
Проектирование привода машины
КП. 2.01.00.00.00

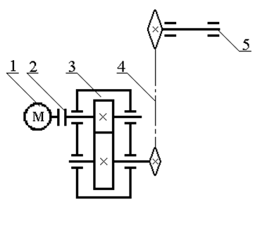
1 – электродвигатель; 2 – муфта; 3 – редуктор зубчатый;
4 – передача цепная; 5 – ведущий вал машины (выходной вал привода)
Рисунок 1 – Структурная схема привода
Исходные данные:
Мощность на ведущем валу машины Р3 , кВт…...................................... 8,0
Частота вращения ведущего вала машины n3 , об/мин............................ 115
Угол наклона цепной передачи к горизонту,
, град …………………. 55
Срок службы привода
, лет …................................................................. 4
Перечень отчетной конструкторской документации.
Представить пояснительную записку и 2 листа чертежей (формат А1):
1) сборочный чертеж редуктора (один лист);
2) рабочие чертежи деталей привода редуктора – быстроходного вала (вала-шестерни); тихоходного вала редуктора, зубчатого колеса; крышки подшипника глухой, крышки подшипника сквозной.
Стадии разработки курсового проекта
Стадии разработки |
Объем работ, % |
Сроки выполнения |
1. Технические предложения 1.1. Выбор электродвигателя. Кинематический и силовой расчет привода. Расчет цепной передачи 1.2. Расчет редуктора. Выбор материала и расчет допускаемых напряжений. Проектировочный расчет передачи 1.3. Проверочный расчет зубьев колес по контактным напряжениям. Силы в зацеплении. Проверочный расчет зубьев колес по напряжениям изгиба 1.4. Проектировочный расчет валов редуктора. Проектировочный расчет шпоночных соединений. Конструктивные размеры зубчатых колес. Конструктивные размеры корпуса редуктора |
20 | 2 недели 1 неделя 1 неделя 1 неделя |
2. Эскизный проект 2.1. Эскизная компоновка редуктора 2.2. Проверочный расчет подшипников. Конструктивная компоновка редуктора. Выбор посадок сопряжений основных деталей |
25 | 2 недели 2 недели |
| 2.3. Проверочный расчет валов. Выбор смазочных масел. Сборка редуктора. Выбор муфты. Сборка привода | 2 недели | |
| 3.Технический проект (разработка сборочного чертежа редуктора, оформление пояснительной записки) | 30 | 4 недели |
| 4. Рабочая конструкторская документация (разработка рабочих чертежей деталей) | 20 | 3 недели |
| Защита проекта | 5 | 17 неделя |
Сроки защиты проекта декабря 2011 г.
Дата выдачи технического задания сентября 2011 года
| Руководитель проекта | С. Н. Зиборов |
| Студент группы ХТ31 | Д. А. Ажимов |
| Зав. кафедрой |
1. ВЫБОР ЭЛЕКТРОДВИГАТЕЛЯ.
КИНЕМАТИЧЕСКИЙ И СИЛОВОЙ РАСЧЁТ ПРИВОДА.
Общий КПД привода
,
где
- КПД пары зубчатых колёс,
=0,97 [1,табл.9.1];
- КПД цепной передачи,
=0,92 [1,табл.9.1];
- КПД муфты,
=0,98 [1,табл.9.1];
- КПД пары подшипников качения,
=0,99 [1,табл.9.1].
Требуемая мощность электродвигателя
![]()
Принимаем электродвигатель марки 4A160S6Y3 [1,табл.18.1], мощность которого
синхронная частота вращения
скольжение s=2,7%. Диаметр выходного конца ротора
а его длина
[1,табл.18.2].
Номинальная частота вращения вала электродвигателя
![]()
Номинальная угловая скорость двигателя
![]()
Общее передаточное отношение привода
![]()
где
-передаточное отношение зубчатой передачи (редуктора); ![]()
(принимаем согласно рекомендаций [1,табл.10.1]);
- передаточное отношение цепной передачи.
Расчётное передаточное отношение цепной передачи
![]()
Кинематические параметры привода по валам:
Быстроходный вал редуктора
![]()
Тихоходный вал редуктора

выходной вал привода (ведущий вал машины)

Силовые параметры привода по валам:
![]()
![]()
![]()
![]()
![]()
![]()
![]()
Данные расчёта сводим в таблицу 1.
Таблица 1- Кинематические и силовые параметры привода по валам
| Наименование | Индекс вала |
Частота вращения n,об/мин |
Угловая скорость w, рад/с |
Мощность P, кВт |
Момент Т, H·м |
| Вал электродвигателя | дв |
973 |
101,84 |
9,195 |
90,3 |
| Быстроходный вал редуктора | 1 |
973 |
101,84 |
9,01 |
88,47 |
| Тихоходный вал редуктора | 2 |
194,6 |
20,4 |
8,74 |
428,43 |
| Ведущий вал машины | 3 |
115 |
12,07 |
8,00 |
662,8 |
2. РАСЧЁТ ЦЕПНОЙ ПЕРЕДАЧИ
Исходные данные для расчёта:![]()
Число зубьев:
ведущей звёздочки
![]()
ведомой звёздочки
![]()
Принимаем
и
. Тогда фактическое передаточное отношение
а отклонение
(допустимо ±4%).
Предварительный шаг приводной роликовой цепи (типа ПР)
![]()
Принимаем цепь ПР-38,1-127,0 ГОСТ 13568-75,[1, табл.13.1] для которой t=38,1 мм; Q=127 kH; q=5,5 кг/м; ![]()
Скорость цепи
![]()
Окружная сила
![]()
Расчётный коэффициент нагрузки
2,1645 ;
где
коэффициент, учитывающий характер нагрузки [ 1,табл.13.4] ;
коэффициент, учитывающий влияние межосевого расстояния
[ 1,табл.13.4] ;
коэффициент, учитывающий влияние угла наклона линии центров звёздочек к горизонту( угол наклона
) [ 1,табл.13.4]
;
коэффициент, учитывающий способ регулирования натяжения цепи (периодическое регулирование) [ 1,табл.13.4];
коэффициент, учитывающий способ смазки (периодическая смазка)
[ 1,табл.13.4];
коэффициент, учитывающий продолжительность работы в сутки (работа в одну смену) [ 1,табл.13.4].
Давление на шарнире цепи
![]()
Допускаемое давление
,
где
допускаемое давление в шарнирах цепи [ 1,табл.13.3].
Условие работоспособности p£[p] выполнено.
Необходимое число звеньев цепи
,
где
из конструктивных соображений [ 1,табл.13.10].
Расчётное число звеньев( округляем до чётного числа) ![]()
Расчётное межосевое расстояние цепной передачи
![]()
мм.
Диаметры делительных окружностей звёздочек
![]()
![]()
Геометрическая характеристика зацепления
![]()
где
диаметр ролика цепи [ 1,табл.13.1].
Диаметры наружных окружностей звёздочек
мм;
мм,
где К=0,565- коэффициент высоты зуба [ 1,табл.13.8].
Силы в цепной передаче:
окружная(определена выше) ![]()
от центробежных нагрузок ![]()
от провисания цепи ![]()
где
ускорение свободного падения ;
коэффициент, учитывающий расположение цепи
[ 1,табл.13.10].
Расчётная нагрузка на валы
![]()
Коэффициент запаса прочности цепи
![]()
где [s]=8,8- нормативный коэффициент запаса [ 1,табл.13.5].
Размеры ведущей звёздочки:
диаметр ступицы
![]()
где
диаметр выходного конца тихоходного вала редуктора(п.3.2.2);
длина ступицы с учётом исполнения шпонки
![]()
где
длина шпонки в сопряжении “вал-ступица звёздочки”(п.3.3);
ширина зуба(для однорядной звёздочки) [ 1,табл.13.8]
![]()
где
расстояние между пластинами внутреннего звена
[ 1,табл.13.1].
3 РАСЧЁТ РЕДУКТОРА
3.1 Расчёт зубчатой передачи
3.1.1 Выбор материала и расчёт допускаемых напряжений
Так как в техническом задании нет ограничений по габаритам, то выбираем материал с твёрдостью до 350 HB [1,табл.10.2]: принимаем для шестерни сталь 45, термическая обработка- улучшение, средняя твёрдость
для колеса- сталь 45,термическая обработка-улучшение, но средняя твёрдость(с учётом диаметра заготовки) на 80 единиц ниже-
Разность средней твёрдости рабочих поверхностей зубьев шестерни и колеса более 70 HB приводит к увеличению нагрузочной способности передачи, уменьшению её габаритов и металлоёмкости.
Допускаемые контактные напряжения
![]()
где
предел контактной выносливости при базовом числе циклов [1,табл.10.3];
коэффициент долговечности;
коэффициент ,безопасности [1,табл.10.3].
Ресурсы привода
![]()
где
срок службы привода ;
продолжительность смены;
число смен в сутки.
Действительное число циклов нагружения:
для колеса ![]()
для шестерни ![]()
Число циклов нагружений , соответствующее пределу контактной выносливости, ![]()
[1,табл.10.3].Так как
то коэффициент долговечности
.
Допускаемые контактные напряжения для материала
шестерни ![]()
колеса ![]()
Расчётные допускаемые контактные напряжения (передача косозубая и разность твёрдости материалов шестерни и колеса более 70 HB) [1,табл.10.3]
![]()
Требуемое условие
выполнено.
Допускаемые напряжения изгиба (нагрузка односторонняя)
![]()
Предел выносливости при изгибе при базовом числе циклов для стали 45 [1,табл.10.4]:
для шестерни ![]()
для колеса ![]()
Число циклов нагружения, соответствующее пределу выносливости при изгибе, для всех сталей
Так как
и
больше
, то коэффициент долговечности ![]()
коэффициент безопасности
![]()
где
коэффициент, учитывающий нестабильность свойств материала [1,табл.10.4];
коэффициент, учитывающий способ получения заготовки зубчатого колеса [1,табл.10.4].
Допускаемые напряжения изгиба
для шестерни ![]()
для колеса ![]()
3.1.2 Проектировочный расчёт передачи
Принимаем коэффициент концентрации нагрузки при симметричном расположении колёс
[1,табл.10.5]; коэффициент ширины венца по межосевому расстоянию с учётом твёрдости материала
[1,табл.10.1].
Межосевое расстояние из условия прочности по контактным напряжениям
![]()
где
для косозубых колёс.
Стандартное межосевое расстояние
[1,табл.10.1].
Нормальный модуль зацепления с учётом твёрдости колёс [1,табл.10.1].
![]()
принимаем
[1,табл.10.1].
Угол наклона зубьев должен находиться от
до
[1,табл.10.1].
Предварительно принимаем угол наклона зубьев ![]()
Число зубьев шестерни
![]()
принимаем ![]()
Число зубьев колеса ![]()
Фактическое значение
Отклонения фактического передаточного отношения от расчётного нет (допускается ±4,0%).
Угол наклона зубьев
![]()
.
Основные размеры шестерни и колеса
Диаметры делительные
![]()
![]()
проверка ![]()
диаметры вершин зубьев
![]()
![]()
диаметры впадин зубьев
![]()
![]()
ширина зубчатого венца колеса и шестерни
![]()
![]()
3.1.2 Проверочный расчёт зубьев колёс по контактным
напряжениям
Коэффициент ширины шестерни по диаметру
![]()
Окружная скорость колёс
![]()
При данной скорости принимаем 8-ю степень точности [1,табл.10.7].
Коэффициент нагрузки
![]()
где
коэффициент концентрации нагрузки [1,табл.10.9];
коэффициент распределения нагрузки между зубьями [1,табл.10.11];
коэффициент динамической нагрузки [1,табл.10.10].
Прочность зубьев по контактным напряжениям
![]()
![]()
Недогрузка ![]()
Допускается недогрузка не более 15%, а перегрузка не более 5%.
3.1.3 Силы в зацеплении
Силы, действующие в зацеплении:
окружная ![]()
радиальная ![]()
осевая ![]()
3.1.4 Проверочный расчёт зубьев колёс по напряжениям изгиба
Коэффициент нагрузки
![]()
где
коэффициент концентрации нагрузки [1,табл.10.9]
коэффициент распределения нагрузки между зубьями [1,табл.10.11];
коэффициент динамической нагрузки [1,табл.10.10].
Эквивалентное число зубьев
у шестерни ![]()
у колеса ![]()
Коэффициенты формы зуба
[1,табл.10.8].
Коэффициент наклона зуба
![]()
Прочность зуба шестерни и колеса на изгиб
![]()
![]()
Условие прочности выполнено.
3.2 Проектировочный расчёт валов редуктора
Материал валов принимаем сталь 45, термическая - обработка улучшение. Проектировочный расчёт валов выполняем по касательным напряжениям от кручения, то есть не учитываем напряжения от изгиба, влияние концентраторов напряжений и циклический характер действия напряжений. Поэтому для компенсации приближённости проектировочного расчёта допускаемые напряжения принимаем заниженными :
[t]=15...25 МПа.
3.2.1 Быстроходный вал
Диаметр выходного конца вала
![]()
Так как быстроходный вал редуктора соединён муфтой с валом электродвигателя (
необходимо согласовать диаметры выходного конца быстроходного вала редуктора и выходного конца ротора электродвигателя в пределах одного номинального момента муфты. Принимаем муфту упругую втулочно-пальцевую МУВП 250-38-1.1-32-1.2-У3 ГОСТ 21424-93 (п.4), у которой одна полумуфта с цилиндрическим отверстием под вал диаметром 38 мм, а другая- с цилиндрическим отверстием под вал диаметром 32 мм. Таким образом, принимаем ![]()
С учётом типоразмеров подшипников качения и необходимости на валу буртика определённой высоты [1,табл.14.1] для упора ступицы полумуфты при сборке редуктора, принимаем диаметр вала под подшипниками ![]()
Предполагаемый диаметр вала под шестернёй
Условие совместного изготовления вала заодно с шестернёй
[1,табл.10.12].
Расстояние от впадин зубьев шестерни до шпоночного паза
![]()
где
глубина шпоночного паза во втулке [1,табл.7.1];
диаметр впадин зубьев шестерни (см.п.3.1.2).
Так как X0,то изготовляем вал-шестерню (материал сталь 45).
Диаметры остальных участков вала назначаем исходя из конструктивных соображений при компоновке редуктора.
3.2.2 Тихоходный вал
Диаметр выходного конца вала
![]()
Принимаем из стандартного ряда [1,табл.14.1]
С учётом типоразмеров подшипников качения и необходимости на валу буртика определённой высоты [1,табл.14.1] для упора ступицы ведущей звёздочки при сборке редуктора, принимаем диаметр вала под подшипниками ![]()
Диаметр вала под колесом ![]()
Диаметры остальных участков вала назначаем исходя из конструктивных соображений при компоновке редуктора.
3.3 Проектировочный расчёт шпоночных соединений
Размеры сечений шпонок и пазов и длины шпонок принимаем по ГОСТ 23360-78 [1,табл.7.1].
Материал шпонок- сталь 45, термическая обработка- нормализация.
Рабочая длина шпонки из условия прочности
![]()
где Т- вращающий момент на валу;
d- диаметр цапфы вала в месте шпоночного соединения ;
h,
,b- геометрические размеры шпоночного соединения согласно стандарту.
Допускаемые напряжения смятия неподвижных шпоночных соединений при циклическом нагружении и стальной ступице
а чугунной ступице
[1,табл.7.6].
Быстроходный вал.
Шпонка на выходном конце вала, сопряжение “вал- полумуфта”.
[1,табл.7.1]; длина ступицы полумуфты
материал полумуфты - чугун марки СЧ20 [1,табл.16.1].
Рабочая длина шпонки
![]()
Минимальная расчётная длина шпонки (исполнение 1)
![]()
С учётом длины полумуфты и стандартного ряда длин шпонок принимаем шпонку длиной
(Шпонка 10 x 8 x 45 ГОСТ 23360-78).
Тихоходный вал.
Шпонка под колесом, сопряжение “ вал- ступица зубчатого колеса “.
[1,табл.7.1]; материал ступицы колеса- 45.
Рабочая длина шпонки
![]()
Минимальная расчётная длина шпонки (исполнение 1)
![]()
С учётом стандартного ряда длин шпонок принимаем шпонку длиной
( шпонка 16 x 10 x 40 ГОСТ 23360-78).
Шпонка на выходном конце вала, сопряжение “ вал- ступица звёздочки “.
[1,табл.7.1]; материал ступицызвёздочки -
сталь 45.
Рабочая длина шпонки
![]()
Минимальная расчётная длина шпонки (исполнение 3)
![]()
С учётом стандартного ряда длин шпонок принимаем шпонку длиной
(шпонка 3-12 x 8 x 45 ГОСТ 23360-78).
3.4 Конструктивные размеры зубчатых колёс
Шестерня, размеры которой определены выше, выполнена заодно с валом.
Геометрические параметры зубчатого колеса [1,табл.10.12] :
диаметр ступицы ![]()
длина ступицы с учётом ширины зубчатого венца (см.п.3.1.2) и длины шпонки в сопряжении “ вал-ступица зубчатого колеса “(см.п.3.4)
![]()
толщина обода ![]()
принимаем ![]()
толщина диска ![]()
диаметр центровой окружности
![]()
диаметр отверстий
![]()
3.5 Конструктивные размеры корпуса редуктора
Толщина стенок корпуса и крышки [1,табл.17.1]:
![]()
![]()
принимаем ![]()
Толщина фланцев поясов корпуса и крышки [1,табл.17.1]:
верхнего пояса корпуса и крышки
![]()
нижнего пояса корпуса без бобышек
p=2,35d=2,358»19мм.
Диаметры болтов[1,табл.17.1]:
фундаментных
![]()
принимаем болты с резьбой М 18 [1,табл.6.13];
крепящих крышку к корпусу у подшипника
![]()
принимаем болты с резьбой М 14[1,табл.6.13];
соединяющих крышку с корпусом
![]()
принимаем болты с резьбой М 12 [1,табл.6.13].
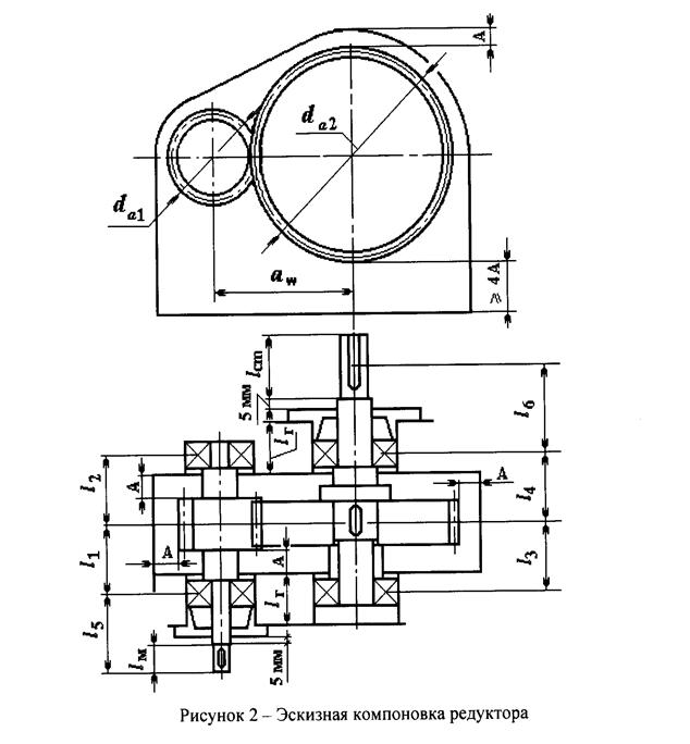
3.6 Эскизная компоновка редуктора
В соответствии с рекомендациями [1,табл.15.14] для опор валов редуктора назначаем шариковые радиальные подшипники. Габариты подшипников выбираем по диаметру вала в месте посадки подшипников
и
(см.п.3.2).Параметры подшипников согласно ГОСТ 8338-75 [1,табл.15.1] приведены в таблице 2.
В соответствии с рекомендациями [1,табл.19.3] смазывание подшипников осуществляем маслом в картере за счёт брызг при работе редуктора, так как окружная скорость зубчатого колеса n1 м/с (см.п.3.1.3).
Таблица 2 – Параметры подшипников
| Вал | Условное Обозначение подшипника |
Размеры,мм | Грузоподъёмность,кН | |||
| d | D | B | динамическая С |
статическая
|
||
| Быстроходный | 308 | 40 | 90 | 23 | 41,0 | 22,4 |
| Тихоходный | 210 | 50 | 90 | 20 | 35,1 | 19,8 |
Эскизную компоновку (рис.2) выполняем в двух проекциях в следующей последовательности :
а) намечаем расположение проекций компоновки в соответствии со схемой привода и наибольшим размером зубчатых колёс;
б) на горизонтальной проекции проводим две вертикальные параллельные линии на расстоянии
(см.п.3.1.2), которые являются осевыми линиями валов редуктора;
в) вычерчиваем упрощённо зубчатую пару колёс в виде прямоугольников в соответствии с геометрическими параметрами, полученными в результате проектировочного расчёта (см.п.3.1.2), с учётом того, что шестерня выполнена заодно с валом;
г) проводим контур внутренней стенки корпуса на расстоянии А=10 мм от торцов колёс для предотвращения их контакта во время работы редуктора; при этом зазор между наружным диаметром подшипников и контуром стенок должен быть не менее величины А; расстояние между дном корпуса редуктора и поверхностью колёс должен быть не менее ![]()
д) вычерчиваем контуры подшипников согласно размерам, приведённым в таблице 2; в соответствии с принятой системой смазки размещаем подшипники в корпусе редуктора, углубив их от внутренней стенки корпуса на 5 мм;
е) на выходных концах быстроходного и тихоходного валов вычерчиваем гнёзда под подшипники; глубина гнезда
где d=8мм- толщина стенки корпуса (см.п.3.5), а
ширина верхнего фланца корпуса, определяемая по табл.17.1 [1] с учётом диаметра болтов
,соединяющих крышку с корпусом (см.п.3.5);
ж) вычерчиваем торцовые крышки узлов подшипников в соответствии с размерами [1,табл.17.6];
з) вычерчиваем ступени валов на соответствующих осях по размерам, полученным выше (см.п.2 и п.3.2); ступени выходных концов быстроходного и тихоходного валов располагаем на расстоянии 5 мм от внешнего торца крышки подшипников, при этом длина ступени соответственно равна длине полумуфты
(см.п.3.2 и табл.16.1 [1]); и длине ступицы звёздочки
(см.п.2);
и) измерением устанавливаем расстояние между точками приложения реакций опор валов и силами в зацеплении зубчатых колёс:
а также между точками приложения реакций опор и консольными силами
при этом точку приложения силы давления
на вал от цепной передачи принимаем к середине выходного конца тихоходного вала, а точку приложения силы давления муфты
в торцовой плоскости выходного конца быстроходного вала.

3.7 Проверочный расчёт подшипников
3.7.1 Опоры быстроходного вала
Из предыдущих расчётов:
(см.п.3.1.4),
(см.рис.2).
Нагрузка на вал от муфты [1,табл.16.3]
![]()
Реакции опор от сил в зубчатом зацеплении (рис.3,б):
в плоскостях xz
![]()
![]()
![]()
![]()
проверка: ![]()
в плоскости yz
![]()
![]()
![]()
![]()
проверка: ![]()
Реакции опор от силы
(рис.3,е), направление которой на рисунке показано условно, так как муфта вращается:
![]()
![]()
![]()
![]()
проверка: ![]()
Суммарные реакции опор
![]()
![]()

Эквивалентная нагрузка
![]()
в которой
(вращается внутреннее колесо); коэффициент безопасности
[1,табл.15.11];
[1,табл.15.12].
Отношение
этой величине соответствует e»0,22[1,табл.15.9].
Рассмотрим подшипник опоры 1.
поэтому следует учитывать осевую нагрузку. Тогда X=0,56, Y=1,98 [1,табл.15.9].
![]()
Рассмотрим подшипник опоры 2.
поэтому следует учитывать осевую нагрузку. Тогда Х=0,56, Y=1,98 [1,табл.15.9].
![]()
Так как
расчёт долговечности подшипников проводим по опоре 1
![]()
Расчётная долговечность в часах
![]()
что больше ресурса привода
(см.п.3.1.1) и минимальной долговечности подшипников для зубчатых редукторов по ГОСТ 16162-93 [1,табл.15.14].
3.7.2 Опоры тихоходного вала
Из предыдущих расчётов:
(см.п.3.1.4),
(см.рис.2).
Нагрузка на вал от цепной передачи
(см.п.2).
Составляющие нагрузки на вал от цепной передачи по осям (рис.4)
![]()
![]()
Реакции опор (рис.4):
в плоскости xz
;
![]()
![]()
![]()
проверка:![]()
в плоскости yz
![]()
![]()
![]()
![]()
![]()
проверка:![]()
Суммарные реакции опор
![]()
![]()
Эквивалентная нагрузка
![]()
в которой
(вращается внутреннее колесо); коэффициент безопасности
[1,табл.15.11];
[1,табл.15.12].
Отношение
этой величине соответствует е=0,23 [1,табл.15.9].
Рассмотрим подшипник опоры 3.
поэтому осевую нагрузку не учитываем. Тогда X=1, Y=0.
![]()
Рассмотрим подшипник опоры 4.
поэтому осевую нагрузку не учитываем. Тогда X=1, Y=0.
![]()
Так как
расчёт долговечности подшипников проводим по опоре 4
![]()
Расчётная долговечность в часах
![]()
что больше ресурса привода
(см.п.3.1.1) и минимальной долговечности подшипников для зубчатых редукторов по ГОСТ 16162-93 [1,табл.15.14].
3.8 Конструктивная компоновка редуктора
Используем чертёж эскизной компоновки (см.рис.2 ). На данном этапе компоновки необходимо конструктивно рассмотреть основные детали редуктора, что будет затем использовано при проверочном расчёте валов на прочность и оформлении сборочного чертежа.
Схема смазки зацепления и подшипников принята в п.3.6. В нижней части корпуса устанавливаем пробку для спуска масла [1,табл.17.2] и жезловый маслоуказатель [1,табл.17.9].
Конструкция корпуса должна обеспечить сборку редуктора. Геометрические размеры некоторых элементов корпуса определены в п.3.5, а остальных- принимаем конструктивно. Основные конструктивные размеры валов и зубчатых колёс определены в п.3.2 и п.3.4. Для фиксации зубчатого колеса в осевом направлении предусматриваем заплечики вала с одной стороны и установку распорной втулки с другой; место перехода вала под распорной втулкой смещаем на 1…2 мм внутрь ступицы колеса с тем, чтобы гарантировать прижатие торца втулки к торцу ступицы колеса, а не к галтели вала. Крышки подшипниковых узлов на валах с одной стороны глухие, а с другой ( на быстроходном и тихоходном валах ) сквозные с манжетными уплотнениями. Под крышки устанавливаем набор металлических прокладок для регулирования зубчатого зацепления при сборке редуктора.
3.9 Выбор посадок сопряжений основных деталей
Посадки назначаем в соответствии с указаниями, данными в табл.3.8 [1]:
- посадка зубчатых колёс на вал – Н7/r6.
- посадка звёздочки цепной передачи на тихоходный вал редуктора – Н7/h6
- посадка полумуфты на быстроходный вал – Н7/k6.
- посадка подшипников на вал (нагружение внутреннего кольца- циркуляционное) – L0/k6 [1,табл.15.16],
- посадка подшипников в корпусе редуктора (нагружение наружного кольца – местное) – H7/l 0.
- посадка распорных втулок на вал – Н8/h8.
- посадка шпонок в паз вала – N9/h9, а в паз ступицы – Js9/h9 [1,табл.7.4].
3.10 Проверочный расчёт валов
Расчёт производим для предположительно опасных сечений каждого из валов. Проверочный расчёт валов состоит в определении коэффициентов запаса прочности s для опасных сечений и сравнении их с допускаемыми значениями [s]. Прочность обеспечена при s³[s].
Результирующий коэффициент запаса прочности
![]()
где
и
- коэффициенты запаса прочности по нормальным и касательным напряжениям.
Коэффициенты запаса прочности по нормальным напряжениям (нормальные напряжения от изгиба изменяются по симметричному циклу и поэтому средние напряжения цикла
) и касательным напряжениям
(касательные от кручения изменяются по отнулевому циклу)
![]()
![]()
где
и
- амплитуды напряжений цикла;
и
- средние напряжения цикла;
и
- коэффициенты чувствительности материала к асимметрии цикла напряжений;
и
- коэффициенты концентрации напряжений для данного сечения вала.
Коэффициенты концентрации напряжений для данного сечения вала
![]()
![]()
где
и
- эффективные коэффициенты концентрации напряжений;
и
- коэффициенты влияния абсолютных размеров сечения;
- коэффициент влияния шероховатости поверхности;
- коэффициент влияния поверхностного упрочнения.
Быстроходный вал (см.рис.3). Материал вала тот же, что и для шестерни (шестерня выполнена заодно с валом), то есть сталь 45, термическая обработка- улучшение. При диаметре заготовки до 80 мм
(в нашем случае
) предел прочности
[1,табл.10.2].
Пределы выносливости материала
![]()
![]()
Сечение А-А.
Диаметр вала в этом сечении
Концентрация напряжений обусловлена наличием шпоночного паза:
и
[1,табл.14.9];
[1,табл.14.5];
(шероховатость поверхности
) [1,табл.14.12];
(поверхность без упрочнения) [1,табл.14.11];
[1,табл.14.13].
Коэффициенты концентрации напряжений для данного сечения вала
![]()
![]()
Изгибающий момент (см.рис.3)
![]()
где
длина шпонки (см.п.3.3);
длина ступицы полумуфты (см.п.3.3);
сила нагрузки на вал от муфты (см.п.3.7.1).
Полярный и осевой моменты сопротивления сечения (
ширина шпоночного паза b=10 мм, а его глубина
[1,табл.7.1])
![]()
![]()

![]()
Амплитуда и среднее напряжение цикла касательных напряжений
![]()
Амплитуда нормальных напряжений изгиба
![]()
Коэффициент запаса прочности по нормальным напряжениям
![]()
Коэффициент запаса прочности по касательным напряжениям
![]()
Результирующий коэффициент запаса прочности
![]()
Большой коэффициент запаса прочности объясняется тем, что диаметр выходного конца вала был увеличен при конструировании для соединения его стандартной муфтой с валом электродвигателя (см.п.3.2.1).
По этой же причине проверять прочность в сечении Б – Б нет необходимости. Прочность вала обеспечена.
Тихоходный вал ( см.рис.4 ). Материал вала – сталь 45, термическая обработка – улучшение.
Наибольший диаметр вала [1,табл.14.1]
![]()
где
см.п.3.2.2;
При диаметре заготовки до 80 мм предел прочности
[1,табл.10.2].
Пределы выносливости материала
![]()
![]()
Сечение В - В.
Диаметр вала в этом сечении
. В данном сечении два источника концентрации напряжений : наличие шпоночного паза и посадка с натягом в сопряжении “ ступица – вал “. Коэффициенты концентрации напряжений от посадки с натягом
[1,табл.14.10]
(шероховатость поверхности
) [1,табл.14.12];
(поверхность без упрочнения) [1,табл.14.11];
[1,табл.14.13]. Коэффициенты концентрации напряжений от шпоночного паза:
и
[1,табл.14.9]; ![]()
[1,табл.14.5]; отношения
При расчёте учитываем источник концентрации с наибольшим отношением.
Коэффициенты концентрации напряжений для данного сечения вала
![]()
![]()
Изгибающий момент (см.рис.4)
![]()
Полярный и осевой моменты сопротивления сечения (
ширина шпоночного паза b=16 мм, а его глубина t 1=6 мм [1,табл.7.1])

![]()
![]()
![]()
Амплитуда и среднее напряжение цикла касательных напряжений
![]()
Амплитуда нормальных напряжений изгиба
![]()
Коэффициент запаса прочности по нормальным и касательным напряжениям
![]()
![]()
Результирующий коэффициент запаса прочности
![]()
Сечение Г – Г.
Диаметр вала в этом сечении
Концентрация напряжений обусловлена наличием шпоночного паза:
[1,табл.14.9];
[1,табл.14.5];
(шероховатость поверхности
) [1,табл.14.12];
(поверхность без упрочнения) [1,табл.14.11];
[1,табл.14.13].
Коэффициенты концентрации напряжений для данного сечения вала
![]()
![]()
Изгибающий момент (см.рис.4)
![]()
где
длина шпонки (см.п.3.3);
длина ступицы ведущей звёздочки (см.п.2);
сила нагрузки на вал от цепной передачи (см.п.2).
Полярный и осевой моменты сопротивления сечения (
ширина шпоночного паза b=12 мм, а его глубина t 1=5 мм [1,табл.7.1])
![]()
![]()
![]()
![]()
Амплитуда и среднее напряжение цикла касательных напряжений
![]()
Амплитуда нормальных напряжений изгиба
![]()
Коэффициент запаса прочности по нормальным и касательным напряжениям
![]()
![]()
Результирующий коэффициент запаса прочности
.
Сечение Д – Д.
Диаметр вала в этом сечении
Концентрация напряжений обусловлена посадкой подшипника с гарантированным натягом:
[1,табл.14.10];
(шероховатость поверхности
) [1,табл.14.12];
(поверхность без упрочнения) [1,табл.14.11];
[1,табл.14.13].
Коэффициенты концентрации напряжений для данного сечения вала
![]()
![]()
Изгибающий момент (см.рис.4)
![]()
Полярный и осевой моменты сопротивления сечения (
)
![]()
![]()
Амплитуда и среднее напряжение цикла касательных напряжений
![]()
Амплитуда нормальных напряжений изгиба
![]()
Коэффициент запаса прочности по нормальным и касательным напряжениям
![]()
![]()
Результирующий коэффициент запаса прочности
.
Прочность вала обеспечена.
3.11 Выбор смазочных материалов
Так как окружная скорость зубчатого колеса v1 м/с( см.п.3.1.3), то смазывание зубчатого зацепления производится окунанием зубчатого колеса
в масло, заливаемое внутрь корпуса редуктора до уровня, обеспечивающего погружение колеса примерно на 10 мм.
По табл.19.4 [1] устанавливаем вязкость масла. При контактных напряжениях
и скорости до 5,0 м/с (см.п.3.1.3) рекомендуемая вязкость масла должна быть примерно равна
По табл.19.1 [1] принимаем масло индустриальное И – 20А ГОСТ 20799-88* (И-Л-А-32 по ГОСТ 17479-87).
3.12 Сборка редуктора
Перед сборкой внутреннюю полость корпуса редуктора тщательно очищают и покрывают маслостойкой краской.
Сборку производят в соответствии со сборочным чертежом редуктора, начиная с узлов валов:
- на быстроходный вал напрессовывают подшипники, предварительно нагретые в масле;
- в тихоходный вал закладывают шпонки и напрессовывают зубчатое колесо до упора в бурт вала; затем надевают распорные втулки и напрессовывают подшипники, предварительно нагретые в масле.
Собранные валы укладывают в основание корпуса редуктора и устанавливают крышку корпуса, покрывая предварительно поверхности стыка крышки и корпуса спиртовым лаком. Для центровки устанавливают крышку на корпус с помощью двух конических штифтов; затягивают болты,
крепящие крышку к корпусу.
После этого устанавливают крышки подшипников с комплектом металлических прокладок для регулировки положения зубчатого зацепления.
Перед постановкой сквозных крышек в проточки закладывают манжетные уплотнения. Проверяют проворачиванием валов отсутствие заклинивания подшипников (валы должны проворачиваться от руки) и закрепляют крышки винтами. Затем ввёртывают пробку маслоспускного отверстия с прокладкой и жезловый маслоуказатель. Заливают в корпус масло и закрывают смотровое отверстие крышкой с прокладкой из технического картона; закрепляют крышку болтами.
Собранный редуктор обкатывают и подвергают испытанию на стенде по программе, устанавливаемой техническими условиями.
4 ВЫБОР МУФТЫ
Исходя из характера выполняемого производственного процесса машиной и технического задания на проектирование привода, для соединения выходных концов выходного вала привода и быстроходного вала редуктора, установленных на общей раме, принимаем упругую втулочно-пальцевую муфту (МУВП). Эта муфта обладает достаточными упругими свойствами и малым моментом инерции, что снижает действие пусковых нагрузок на валы.
Типоразмер муфты выбираем с учётом диаметров соединяемых валов (см.п.3.2.2) и по величине расчётного вращающего момента
![]()
где
коэффициент режима работы [1,табл.16.3];
момент на быстроходном валу редуктора.
С учётом длины шпонки в сопряжении “ вал-ступица полумуфты” (см.п.3.1), принимаем муфту МУВП 250-38-1.1-32-1.2-У3 ГОСТ 21424-93 [1,табл.16.1].
5 СБОРКА ПРИВОДА
Сборку привода производим в соответствии со сборочным чертежом в следующей последовательности:
- в шпоночный паз выходных концов вала электродвигателя и быстроходного вала редуктора закладываем шпонки и устанавливаем полумуфты;
- в шпоночный паз выходных концов выходного вала привода и тихоходного вала редуктора закладываем шпонки, напрессовываем соответственно ведомую и ведущую звёздочки цепной передачи и закрепляем их от осевого сдвига торцовым креплением;
- устанавливаем электродвигатель и редуктор на раму машины, производим сборку и центровку муфты и цепной передачи;
- производим крепление узлов привода на раме машины при помощи фундаментных болтов.
После сборки привода устанавливаем по месту кожух ограждения цепной передачи.
Собранную машину подвергнуть испытанию по программе, установленной технической документацией.
СПИСОК ИСПОЛЬЗОВАННЫХ ИСТОЧНИКОВ
1. Арон А.В. Справочное руководство по проектированию деталей машин:
Уч.пос. – Владивосток, Морской государственный университет им.адм. Г.И.Невельского, 2002. 200с.