| Скачать .docx |
Курсовая работа: Курсовая работа: Жилой дом на 72 квартиры
1.7.7 Телефонизация |
| 1.7.8 Мусоропровод |
| 1.8 Технико-экономические показатели |
| 2 Расчётно-конструктивный раздел |
| 2.1 Расчёт ребристой плиты покрытия |
| 2.1.1 Подсчет нагрузок на плиту покрытия |
| 2.1.2 Расчет полки |
| 2.1.3 Расчет поперечного ребра |
| 2.1.4 Статический расчет плиты в продольном направлении (продольных ребер) |
| 2.1.5 Определение геометрических характеристик продольных ребер |
| 2.1.6 Предварительная напряжение и его потери |
| 1.7.7 Телефонизация |
| 1.7.8 Мусоропровод |
| 1.8 Технико-экономические показатели |
| 2 Расчётно-конструктивный раздел |
| 2.1 Расчёт ребристой плиты покрытия |
| 2.1.1 Подсчет нагрузок на плиту покрытия |
| 2.1.2 Расчет полки |
| 2.1.3 Расчет поперечного ребра |
| 2.1.4 Статический расчет плиты в продольном направлении (продольных ребер) |
| 2.1.5 Определение геометрических характеристик продольных ребер |
| 2.1.6 Предварительная напряжение и его потери |
| Список литературы |
Введение
Жилищная проблема была и остается одной из важнейших проблем для Кемеровской области в частности. Единственно правильный путь преодоления настоящей проблемы – интенсивное строительство жилых домов.
Строительство, являясь материалоемким, трудоемким, капиталоемким, энергоемким и наукоемким производством, содержит в себе решение многих локальных и глобальных проблем, социальных до экологических. Сокращение затрат в архитектуре и строительстве осуществляется рациональными объемно - планировочными решениями зданий, правильным выбором строительных и отделочных материалов, облегчением конструкции, усовершенствованием методов строительства. Главным экономическим резервом в градостроительстве является повышение эффективности использования земли. Правильный выбор этажности застройки определяет ее экономичность.
У строительных организаций существует насущная потребность в крупных объемах строительно-монтажных работ с привлечением свободных трудовых ресурсов, особенно из числа безработных граждан.
В связи с обострившимися экологическими проблемами, чрезвычайно важно максимально рационально использовать природные условия строительной площадки.
Строительный комплекс области оказывает большое влияние на экономическое и социальное развитие Кемерово. Каждое построенное строителями и введенное в эксплуатацию промышленное предприятие дают дополнительные налоговые поступления в бюджет. А в конечном итоге, это зарплата бюджетникам - врачам, учителям, работникам культуры. Кроме того, 1 рабочее место строителя дает более 10 рабочих мест в смежных отраслях..
Введено более 90 объектов соцкультбыта, среди них новые школы, больницы, клубы, санатории, реконструирован областной плавательный бассейн. Вот они, показатели работы строительного комплекса Кемерово
Курсовой проект на тему: «Жилой дом на 72 квартиры» раскрывает возможности проектирования зданий, максимально рационально вписанных в городские условия. Поэтому был разработан многоэтажный жилой дом, являющийся основным типом жилища в городах нашей страны. Такие дома позволяют рационально использовать территорию, сокращают протяженность инженерных сетей, улиц, сооружений городского транспорта. Значительное увеличение плотности жилого фонда (количество жилой площади (м²), приходящейся на 1 га застраиваемой территории) при многоэтажной застройке дает ощутимый экономический эффект. Кроме того, их высотная композиция способствует созданию выразительного силуэта застройки. Для достижения этой цели необходимо использовать местные строительные материалы, то есть удешевлять строительство.
1 Архитектурно-строительный раздел
1.1 Общая часть
Курсовой проект на тему «Жилой дом на 72 квартиры», выполнен на основании задания на проектирование, в соответствии со справочной литературой, государственными стандартами и строительными нормами и правилами на основании проекта.
1.1.1 Район строительства
Проектируемое здание строится в городе Кемерово.
Согласно СНиП 2.01.01-82 «Строительная климатология и геофизика» и СНиП 2.01.07-85 «Нагрузки и воздействия», район строительства имеет следующие климатические характеристики:
- глубина промерзания грунта 220 см;
- температура наружного воздуха самой холодной пятидневки минус 37°С и самых холодных суток минус 39°С;
- среднегодовое количество осадков – 429 мм;
- снежный покров – неустойчивый;
- господствующее направление ветров – юго-западное;
- четвертый район снеговой нагрузки – 450кг/м. Рельеф площадки строительства принят условно спокойным. На площадке строительства, в результате исследования грунтов выявлено, что в основании залегают следующие грунты – суглинок легкий и тяжелый, пылеватый, тугопластичный, низкопористый, влажный на глубину 8,2м; суглинок легкий, пылеватый, мягко и текучепластичный, низко и высокопористый, влажный на глубину 3,0м; суглинок легкий, пылеватый, тугопластичный, низко и высокопористый, влажный – 4,0м; суглинок легкий, пылеватый, твердый-полутвердый, высокопористый, просадочный I типа – 4,9м и почвенно-растительный слой толщиной 1,5м.
1.1.2 Генеральный план
Площадка генплана имеет прямоугольную форму с размерами 100,00м*80,00м. Здание расположено вверху застройки. Пешеходные дорожки шириной-1,5м; главная проезжая дорога - 6,0м. Санитарные и пожарные нормы проектирования соблюдены.Проектом предусматривается полное благоустройство и озеленение территории участка. Проезды, отмостка асфальтируются. Тротуары, пешеходные дорожки выложены тротуарной плиткой.Озеленение территории застройки выполнено засадкой лиственных пород деревьев, живой изгородью и газоном. Для благоустройства дворовой территории располагается Игровая площадка 8,00м*20,00м, автостоянка 20,00м*3,00м, футбольная площадка 15,00м*25,00м, площадь для выгула собак 10,00м*15,00м.
1.1.3 Объёмно-планировочное решение
Здание в плане прямоугольное девятиэтажное, высота этажа 2,8м, имеется подвал с высотой 3,0м. Для технического обслуживания крыш предусмотрены выходы. По правилам пожарной безопасности предусмотрены пожарные лестницы. Проветривание квартир и коридоров естественное, а так же через блоки вытяжной вентиляции, расположенных в санузлах и кухнях. Помещение чердака проветривается и освещается при помощи слуховых окон. Здание состоит из одной жилой части. Под частью здания располагается подвал, где запроектированы технические помещения. Жилая часть здания составляет 9 этажей, на каждом этаже 4 однокомнатные и 4 двухкомнатные квартиры. Сообщение между этажами происходит с помощью лестнично-лифтового холла, состоящего из лестничных клеток и лифтовой кабины. Класс здания II, степень огнестойкости II, степень долговечности II.
1.2 Архитектурно-конструктивное решение
Проектируемое здание бескаркасное, кирпичное с наружными и внутренними несущими стенами. Пространственная жесткость здания обеспечивается взаимной работой наружных и внутренних несущих стен, плит перекрытия и покрытия. Связь наружных и внутренних несущих стен осуществляется перевязкой рядов кладки и ленточным фундаментом. Плиты перекрытия и покрытия являются горизонтальными диафрагмами жесткости. Достаточная жесткость обеспечивается за счет площади опирания концов плит на несущие стены на глубину 120 мм., анкеровкой и создания жесткого диска путем замоноличивания швов цементно-песчанным раствором марки 100.
1.2.1 Фундаменты
Так как в результате исследований грунты выявлены не просадочные. Было принято использовать ленточный сборный фундамент из крупных блоков. Глубина заложения фундамента. 3,58 м, глубина промерзания 2,00 м.Сборные ленточные фундаменты под стены состоят из фундаментных блоков-подушек марок Ф14; Ф14-12; Ф14-8; Ф16; Ф-12 (по ГОСТ 23009-78) и стеновых фундаментных блоков ФБС 14, ФБС 14-12, ФБС 16, ФБС 16-12 (по ГОСТ 21104-79) изготовленные из бетона класса В15. Фундаментные бетонные подушки укладывают непосредственно на песчаную подготовку толщиной 100... 150мм, которая должна быть тщательно утрамбована. Фундаментные бетонные блоки укладываются на растворе с обязательной перевязкой, вертикальных швов 20мм. Вертикальные колодцы, образующиеся торцами блоков, тщательно заполняют раствором. Связь между блоками продольных и угловых стен обеспечивается перевязкой блоков и закладкой в горизонтальные швы арматурных стальной сеткой диаметром 6мм. Между подушками и блоками где большое расстояние замоноличивается бетоном класса В15.
Горизонтальная гидроизоляция была принята из Технониколя с технологией наплавления.Вертикальная гидроизоляция выполняется из жидкой резины GPSpraykote® используемая в качестве гидроизоляционной мембраны фундамента. Данный материал создан по оригинальной технологии и обладает такими физико-химическими свойствами, которые позволяют работать в широком диапазоне применения длительное время. Полное отсутствие протечек обеспечивается за счет бесшовности и единой монолитности, исключительной адгезии ко многим строительным основаниям и высокой эластичности, что важно в конструкциях, где возможно образование трещин при усадке грунта. Особенность нанесения жидкой резины дает возможность распыления покрытия в крайне стесненных условиях.
1.2.2 Стены и перегородки
Конструктивная схема здания – бескаркасная, запроектирована с продольными несущими из глиняного полнотелого кирпича толщиной наружных стен 510 мм. Оси наружных стен имеют внутреннюю привязку 200 мм, наружную 310 мм.
Стены опираются на сборный ленточный фундамент. Внутренние стены выполнены из кирпича и имеют толщину 250мм, 380мм или 510мм. Над оконными и дверными проемами устраивают сборные ж/б перемычки, имеющие следующие марки: 3ПБ-16-37П, 3ПБ-18-8П, 3ПБ-21-8П, 3ПБ-25-8П. Длина перемычек зависит от проема. Глубина отпирания 120-150мм для рядовых перемычек, для усиленных 200-250мм. Цоколь из ж/б блоков толщиной 600мм, оштукатуривается водостойкой штукатуркой. Поверх цоколя под кирпичной кладкой делают гидроизоляционный слой из Технониколя.
Перегородки приняты гипсокартонные, толщиной 80 мм. Перегородка состоит из профильного каркаса с пространством для коммуникаций, обшитого с обеих сторон гипсокартонными листами на два раза.Каркас по периметру крепится к строительным конструкциям и является несущей частью для гипсокартонных листов, которая в свою очередь крепится к каркасу шурупами, образуя жесткую конструкцию.Для тепловой, звуковой и огнезащитной изоляции полость перегородки между гипсокартонными листами заполняется изолирующими листами из минеральных волокон, толщиной 6 см. Плотность утеплителя 112кг/м, коэффициент теплопроводности 0,025.
Для отделки и решения вопросов энергосбережения в проектируемом здании для наружных стен была принята новая технология «КНАУФ – Теплая стена»

1.Несущая стена (строительное основание).
2.Клеевой слой (КНАУФ - Севенер)
3.Цокольный опорный профиль
4.Дюбель для крепления цокольного профиля
5.Утеплитель – пенополистирольные плиты
6.Защитный слой (КНАУФ - Севенер) армированный стеклосеткой
7.Дюбель для крепления плит утеплителя
8.Грунтовка КНАУФ - Изогрунд
9.Декоративный – защитный слой (КНАУФ - Диамант)
Рисунок 1 - "КНАУФ – Теплая стена"
«КНАУФ – Теплая стена»- это инновация в системах наружного утепления, которая максимально соответствует не только требованиям сегодняшнего дня, но и рассчитана на перспективу. Данное предложение является последним из серии разработок по эффективной защите зданий от потери тепла, созданное на базе более чем 20-летней успешной деятельности фирмы КНАУФ в этой области. В системе "КНАУФ-Теплая стена" в качестве утеплителя применяются пенополистирольные плиты. Устройство систем заключается в следующем: на предварительно очищенное основание приклеивается утеплитель с помощью штукатурно-клеевой смеси КНАУФ-Севенер и дополнительно закрепляется тарельчатыми дюбелями, затем наносится защитный слой из смеси КНАУФ-Севенер, армированный стеклосеткой, на который после грунтования наносится защитно-декоративный слой штукатурки КНАУФ-Диамант. Фирма КНАУФ предлагает использовать в своих системах наружного утепления фасадов пенополистирол сложной формы – KNAUF Therm Façade ПГ II. Плиты имеют соединение типа шип-паз, которое обеспечивает более высокий уровень технологичности монтажа системы и получение ровной поверхности утеплителя на плоскости фасада, канавки в виде ласточкиного хвоста на лицевой и тыльной стороне плиты, которые повышают прочность сцепления клеевого и защитного слоя системы. Фаска, нанесенная по периметру плит с тыльной стороны, предотвращает попадание излишков клея в стык между плитами и тем самым исключает образование мостиков холода в теплоизоляционном слое. Плиты KNAUF Therm Facade ПГ II имеют размеры 1200х985мм. Плиты могут выпускаться толщиной от 80 до 200 мм с шагом 20мм. Система фасадного утепления «КНАУФ – Теплая стена» с пенополистирольным утеплителем прошла огневые испытания в ЦНИИСК им. В.А.Кучеренко и ей присвоен класс пожарной опасности К0, также имеет "Техническое свидетельство" и альбом рабочих чертежей на конструкцию, имеющий сертификат соответствия ГОССТРОЯ РФ.
1.2.3 Плиты перекрытия и покрытия
Перекрытия в здании приняты из сборных железобетонных многопустотных плит круглыми пустотами; толщина 220мм, ГОСТ 9561-91, марка ПК 51-12; ПК 51-15; ПК 42-12-15; ПК 63-18; ПК 30-18; ПК 30-15. Отпирание плит перекрытия на несущие стены в продольном направлении составляет не менее 120мм. По стыкам выполняется заполнение цементно-песчанным растворам М100 для создания горизонтального диска жесткости. Для лоджии приняты плиты толщиной 220мм, марки ПЛП 30-12;ПЛП 42-12, ПЛП 45-12 ГОСТ-25697-83. Для покрытия были приняты плиты ребристые толщенной 300мм, марки ПР51-12; ПР 51-15; ПР 42-12-15; ПР 63-18; ПР 30-18; ПР 30-15 ГОСТ-21506-87.
1.2.4 Лестницы
В проекте приняты ж/б двухмаршевые лестницы, которые состоят из двух маршей и площадок. Лестничные марши марки ЛМФ 28-11-14 Серии 1.1 51-4, а лестничные площадки марки ЛПФ 25-16-3 Серии 1.1 52-5. Стальные периллы приваривают к закладным деталям на боковой стороне маршей. При входе в подъезд устраивают козырек металлический, из оцинкованного метала. Лестничный марш опирается на площадку на 80мм и соединены металлическим посредником размером 8*100мм на сварке. Ограждениями служит металлическая решетка высотой 700мм привариваемая к закладным элементам в боковой плоскости марша. Поручень выполняют из древесины твердых пород.
1.2.5 Крыша, кровля, водоотвод
Крыша принята плоская. Принятые материалы покрытия ТЕХНОЭЛАСТ-ТИТАН ТОР И ВАSЕ. Для крепления материалов ТЕХНОЭЛАСТ-ТИТАН ТОР И ВАSЕ к основанию может использоваться как технология наплавления, так и комбинированное крепление - нижний слой крепится к основанию механически, а верхний слой наплавляется. Техноэласт-Титан ТОР - на однослойной основе с крупнозернистой посыпкой с верхней стороны и полимерным покрытием с нижней стороны полотна; применяется для устройства верхнего слоя многослойного кровельного ковра. Техноэласт-Титан ВАSЕ - на однослойной основе с полимерным покрытием с верхней и нижней сторон полотна; применяется для устройства нижних слоев многослойного кровельного ковра и гидроизоляции строительных конструкций. Материал ТЕХНОЭЛАСТ-ТИТАН SOLO был применён для покрытия будок выхода на крышу и вентиляционных шахт. Для крепления материала ТЕХНОЭЛАСТ-ТИТАН SOLO к основанию может быть использована как технология наплавления, так и механическое крепление материала, с последующим сплавлением швов. Техноэласт-Титан SОLО - с крупнозернистой посыпкой с верхней стороны полотна и полимерным покрытием или мелкозернистой посыпкой с нижней стороны полотна; применяется для устройства однослойного кровельного ковра и гидроизоляции строительных конструкций. Крыша имеет уклон 2% т.к. предусмотрен внутренний водосток для атмосферных осадков. Выход на крышу осуществляется через чердак. Водоотвод запроектирован внутренний организованный. Приняты водосточные воронки в количестве 8 штук.
1.2.6 Окна, двери
На сегодняшний день трудно представить строительные работы без использования высокопрочных и комфортных окон ПВХ. Стеклопакеты - изделия из двух или более стекол, герметично соединенных друг с другом при помощи дистанционной рамки, заполненной абсорбирующим порошком. Также стеклопакет двухкамерный комплектуется внутренним и внешним герметикой, - это исключает образование конденсата внутри. Замкнутые полости заполняются осушенным воздухом или инертным газом. Монтаж стеклопакетов подобной конструкции обеспечивает тепло- и звукоизоляцию. Прочие свойства однокамерного или двухкамерного стеклопакета достигаются посредством нанесения покрытий на внешнее стекло. В зависимости от вида стекла или конструктивных особенностей стеклопакеты двойные/одинарные могут обладать специальными свойствами: солнцезащитными, звукоизоляционными, противоударными. В зависимости от числа камер, различают однокамерный и двухкамерный стеклопакет. Двухкамерный более надежен и долговечен. Стеклопакеты двойные более техничны и удобны в эксплуатации. Очень важно при изготовлении стеклопакета правильно определить местоположение и ориентацию стекол со специальными свойствами. В случае использования низко-эмиссионных (энергосберегающих) стекол, их устанавливают как внутренние. При этом поверхность с покрытием обязательно должна находиться внутри стеклопакета. Солнцезащитные стекла рекомендуется устанавливать как внешнее стекло. Кроме того, можно заполнить межстекольное пространство инертными газами. При повышенных требованиях к безопасности окон используют закалённые стекла, триплекс. Исходя изо всех вышеперечисленных характеристик, было принято в дипломном проекте устанавливать марки СПД 15-15; СПД 15-21; СПД 9-9; СПД 9-15 по ГОСТ 30673-99. Стеклопакет крепится в углах и середине, при помощи анкеров. Зазор между стеной и блоком заполняется монтажной пеной и закрывается пластиковым, либо гипсокартонным откосами и зашпаклевывается под окраску.
В данном дипломном проекте приняты двери марки ДГ 21-7; ДГ21-9; ДГ21-14 по ГОСТу 475-78(2002). Для обеспечения быстрой эвакуации все двери открываются наружу по направлению движения на улицу, исходя из условий эвакуации людей из здания при пожаре. Дверные полотна навешивают на петлях (навесах), позволяющих снимать открытые настежь дверные полотна с петель - для ремонта или замены полотна двери. Во избежание нахождения двери в открытом состоянии или хлопанья устанавливают довочики, которые держат дверь в закрытом состоянии и плавно возвращают дверь в закрытое состояние без удара. Двери оборудуются ручками, защелками и врезными замками. Межкомнатные двери устанавливают по уровню и запениваются зазоры между дверным блоком и стеной монтажной пеной и закрывают наличниками. Входные наружные двери устанавливаются по уровню, и в стене делают отверстие и устанавливается анкер. Между дверной коробкой и стеной зазоры запениваются монтажной пеной и закрываются наличниками или зашпаклевывается под окраску.
1.3. Ведомость отделки помещений
Внутренняя отделка: в квартирах стены обклеиваются обоями после штукатурки кирпичных стен. Кухни обклеиваются моющимися обоями, а участки стен над санитарными приборами облицовываются глазурованной плиткой. В сан.узлах и ванной комнате полы из керамической плитки. Стены облицовываются глазурованной плиткой.
Таблица №1
| Наименование помещения | Потолок | Стены или перегородки | Примечание |
||
| Площадь | Вид отделки | Площадь | Вид отделки | ||
| 1 | 2 | 3 | 4 | 5 | 6 |
| Жилая комната | 1716,48 |
Зашпаклевы-вается, затирается, и окрашиваются ВД. | 4517,13 |
Оштукатуривание, шпаклевание, затирка, оклейка обоями | Отделка на всю высоту. |
| 1 | 2 | 3 | 4 | 5 | 6 |
| Прихожая | 609,12 |
Зашпаклевы-вается, затирается, и окрашиваются ВД. | 1987,2 |
Оштукатуривание, шпаклевание, затирка, оклейка обоями под окраску ВД. | Отделка на всю высоту |
| Сан.узел, ванная комната, кухня | 444,6 |
Зашпаклевы-вается, затирается, и окрашиваются ВД. | 1564,05 |
Глазурованная плитка “Колоркер”. | Плитка до верха подвесного потолка. |
| Лоджия | 493,83 |
Зашпаклевы-вается, затирается, и окрашиваются ВД. | 1521,4 |
Оштукатуривание, затирка, окраска ВД. | Отделка на всю высоту |
| Подвал | 280,12 | Оштукатури-вание, окраска ВД. | 343,2 | Оштукатуривание, под окраску ВД. | Отделка на всю высоту. |
1.4. Экспликация полов
Таблица №2
| Наименование Помещения. | Тип пола по проекту | Схема пола | Элементы пола и их толщины |
Площадь пола, м |
||
| 1 | 2 | 3 | 4 | 5 | ||
Прихожая, Жилые комнаты, лоджия |
I |
|
1 Покрытие линолеум.5мм 2 Плита основания пола 40мм 3Ленточные звукоизоляционные прокладки через 500 4 Стяжка 5 Плита перекрытия 220мм. |
2877 |
||
| 1 | 2 | 3 | 4 | 5 | ||
Сан.узел, ванная, кухня |
III | ![]() |
1 Покрытие - плитка керамическая 5мм на клее Сибирит 2 Греющий кабель залит цементно –песчаным раствором М100,30мм. 3 Выравнивающая стяжка из цементно-песчанного раствора М 100,30мм 4 Слой рубероида на мастике 5Плита перекрытий 220мм |
444,6 |
||
| Подвал | IV |
|
1 Покрытие - бетон шлифованный 30мм 2 Гидроизоляция - 1 слой рубероида на мастике. 3 Подстилающий слой бетон класса В 15 140мм Основание . 4 Уплотненный грунт 100мм. |
280,12 | ||
Полы в жилых домах должны удовлетворять требованиям прочности, сопротивляемости износу, достаточной эластичности, бесшумности, удобства уборки. Конструкция пола рассмотрена как звукоизолирующая способность перекрытия плюс звукоизоляция конструкции пола. Покрытие пола в квартирах принято из линолеума на теплоизолирующем основании. Стяжка выполняется из раствора по утеплитель, являющейся звукоизоляционным слоем. В сан.узлах и ванной комнате полы из керамической плитки. Положительными сторонами данных полов является их гигиеничность и бесшумность. Отрицательные стороны - большая трудоемкость, что также увеличивает срок строительства.
1.5. Спецификация сборных элементов
Таблица № 3
| Марка | Обозначение | Наименование | Кол- во |
Масса ед.(кг) | Приме-чание |
| 1 | 2 | 3 | 4 | 5 | 6 |
| ПК 51-12 | ГОСТ 9561-91 | Плиты перекрытия | 40 | ||
| ПК 51-15 | ГОСТ 9561-91 | Плиты перекрытия | 40 | ||
| ПК 63-18 | ГОСТ 9561-91 | Плиты перекрытия | 320 | ||
| ПК 30-18 | ГОСТ 9561-91 | Плиты перекрытия | 18 | ||
| ПК 30-15 | ГОСТ 9561-91 | Плиты перекрытия | 18 | ||
| 3ПБ-18-8П | Серия 1.038.1-1 | Перемычка | 94 | ||
| 3ПБ-21-8П | Серия 1.038.1 | Перемычка | 96 | ||
| 3ПБ-25-8П | Серия 1.038.1 | Перемычка | 94 | ||
| Ф14 | ГОСТ 23009-78 | Фундаментные блоки подушки | 58 | ||
| Ф14-8 | ГОСТ 23009-78 | Фундаментные блоки подушки | 13 | ||
| Ф14-12 | ГОСТ 23009-78 | Фундаментные блоки подушки | 15 | ||
| Ф16 | ГОСТ 23009-78 | Фундаментные блоки подушки | 16 | ||
| Ф 16-12 | ГОСТ 23009-78 | Фундаментные блоки подушки | 1 | ||
| ФБС 6 | ГОСТ 21104-79 | Стеновые фундаментные блоки | 290 | ||
| ФБС 6-9 | ГОСТ 21104 | Стеновые фундаментные блоки | 100 | ||
| ФБС 4 | ГОСТ 21104 | Стеновые фундаментные блоки | 80 | ||
| ЛМФ 28-11-14 | Серии 1.1 51-4 | Лестничные марши | 38 | ||
| ЛПФ 25-16-3 | Серии 1.1 52-5 | Лестничная площадка |
38 | ||
| ПЛП 30-12 | ГОСТ 25697-83 (1989) | Плита лоджии | 80 | ||
| ПЛП 45-12 | ГОСТ 25697-83 (1989) | Плита лоджии | 60 | ||
| ПЛП 42-12 | ГОСТ 25697-83 (1989) | Плита лоджии | 20 |
1.6. Спецификацияэлементовзаполнениепроемов
Таблица № 4
| Марка | Обозначение | Наименование | Кол-во | Масса ед, кг | Примечание |
| Оконные блоки | |||||
СПД 15-15 СПД 15-21 СПД 9-9 СПД9-15 |
ГОСТ 24699-2002 | СПД15-16 СПД 15-21 СПД 9-9 СПД9-15 |
96 64 14 14 |
||
| Дверные блоки | |||||
ДГ 21-7 ДГ 21-9 ДГ 21-15 |
ГОСТ 475-78(2002) | ДГ 21-7 ДГ 21-9 ДГ 21-45 |
192 66 66 |
||
1.7 Инженерное оборудование здания
1.7.1 Отопление
Отопление и горячее водоснабжение запроектировано из магистральных тепловых сетей от УТ-1, с нижней разводкой по подвалу. Приборами отопления служат конвектора. На каждый блок - секцию и каждый встроенный блок выполняется отдельный тепловой узел для регулирования и учета теплоносителя. Магистральные трубопроводы и трубы стояков, расположенные в подвальной части здания изолируются и покрываются алюминиевой фольгой.
1.7.2 Водоснабжение
Холодное водоснабжение запроектировано от внутриквартального коллектора водоснабжения с двумя вводами. Вода на каждую секцию подается по внутридомовому магистральному трубопроводу, расположенного в подвальной части здания, который изолируется и покрывается алюминиевой фольгой. На каждую блок - секцию и встроенный блок устанавливается рамка ввода. Вокруг дома выполняется магистральный пожарный хозяйственно - питьевой водопровод с колодцами, в которых установлены пожарные гидранты.
1.7.3 Канализация
Канализация выполняется внутридворовая с врезкой в колодцы внутриквартальной канализации. Из каждой секции и каждого встроенного помещения выполняются самостоятельные выпуска хозфекальной и дождевой канализации.
1.7.4 Энергоснабжение
Энергоснабжение выполняется от городской подстанции с запиткой по две секции двумя кабелями - основной и запасной. Встроенные помещения запитываются отдельно, через свои электрощитовые. Все электрощитовые расположены на первых этажах.
1.7.5 Радио
На каждой секции устанавливаются радиостойки с устройством радиофидеров от соседних домов, расположенных вокруг строящихся зданий. В каждой квартире имеются две радиоточки - на кухне и в зале, а также в кабинетах встроенных помещений.
1.7.6 Телевидение
На всех блок - секциях монтируются телевизионные антенны, с их ориентацией на телецентр и установкой усилителя телевизионного сигнала. Все квартиры подключаются к антенне коллективного пользования.
1.7.7 Телефонизация
К каждой блок - секции дома и встроенным блокам из внутриквартальной телефонной сети подводится телефонный кабель и в зависимости от возможности городской телефонной станции осуществляется абонентов к городской телефонной сети.
1.7.8 Мусоропровод
Мусоропровод внизу оканчивается в мусорокамере бункером - накопителем. Накопленный мусор в бункере высыпается в мусорные тележки и погружается в мусоросборные машины и вывозится на городскую свалку отходов. Стены мусорокамеры облицовываются глазурованной плиткой, пол металлический. В мусорокамере предусмотрены холодный и горячий водопровод со смесителем для промывки мусоропровода, оборудования и помещения мусорокамеры. Мусорокамера оборудована трапом со сливом воды в хозфекальную канализацию. В полу предусмотрен змеевик отопления. В верху мусоропровод имеет выход на кровлю для проветривания мусорокамеры и через мусороприемные клапана удаление застоявшегося воздуха из лестничных клеток, а также дыма в случае пожара. Вход в мусорокамеру отдельный, со стороны улицы.
1.8 Технико-экономические показатели
Таблица № 5
| Наименование показателей | Единицы измерения | Количество |
| Число квартир | Штук | 72 |
| Строительный объем | м³ | 14490 |
| Площадь застройки | м² | 668,69 |
| Общая площадь | м² | 3601,80 |
| Жилая площадь | м² | 1716,48 |
2 Расчётно-конструктивный раздел
2.1 Расчёт ребристой плиты покрытия
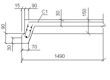
Плита ребристая с размерами 1,5*5,1м ГОСТ 21506-87. Изготовляется по поточно – агрегатной технологии с электротермическим натяжением арматуры на упоры и тепловлажной обработки.
Бетон тяжелый класса В25 по прочности на сжатие (по табл. 12, 13, 15 и 18 [6]).
Rb=0.9*14.5=13.05 МПа
Rbt =0.9*1.05=0.95 МПа
Rb1 ser=18.5 МПа
Rbt ser=1.6 МПа
Eb=27000 МПа
Предаточная прочность бетона:
Rbp=20(R0 bp=1.2*11.5 МПа, Rbp, ser=15 МПа, Rbpт=1,4 МПа).
Продольная напрягаемая арматура продольных ребер из стали класса Аг -IV (Rs=510 МПа,Rsser=590 МПа, Es=190000 МПа) по табл. 19, 22* , 29* [6].
Остальная арматура из стали класса Bp-IØ4мм Rs=365 МПа, Rs10 =265 МПа, Es=170000 МПа) по табл. 23 [6] (при Ø5мм Rs=360 МПа, Rs10 =26 МПа и из класса АIII (при Ø до 8мм включая Rs=365 МПа, Rs10 =285 МПа, при Ø до 10мм и более Rs=365 МПа, Rs10 =290 МПа для всех диаметров Es=2*105 МПа. Плита используется при строительстве здания относящего к классу II, поэтому коэффициент надежности по назначению ע=0,95. Место для строительства город Кемерово, нагрузка Sser=2400Н. Коэффициент надежности по нагрузке עf=1.4

Рисунок 2- Ребристая плита в плане

Рисунок 3- Ребристая плита в разрезе

Рисунок 3- Армирование ребристой плиты
2.1.1 Подсчет нагрузок на плиту покрытия

Рисунок 4-Схема сбора нагрузок
Таблица № 6
| Вид нагрузки | Нормативная нагрузка Н/м2 | γf | Расчетная нагрузка Н/м2 | Примечание |
Постоянная 1 Слой Техноэласта-TITANBASE |
0,01*2*104 =200 |
1,3 |
0,95*1,3*200=247 |
|
2 Слой Техноэласта-TITANTOP |
200 |
1,3 | 0,95*1,3*200=247 | |
| 3 Цементная стяжка | 0,3*1700=510 | 1,3 | 0,95*1,3*510=629,85 | |
| 4Железобетоная плита | 2000 | 1,1 | 0,95*1,1*2000=2090 | 2000 Н/м2 |
| Итого постоянная нагрузка. | q n =2910 | q =3213,85 | ||
Временная нагрузка Длительная Кратковременная |
2400*0,7=1680 2400*0,7*0,5=840 2400 |
2400 2400*05=1200 2400 |
||
Полная нагрузка В том числе Длительная нагрузка Кратковременная |
4590 3750 2400 |
5613,85 |
2.1.2 Расчет полки
Полка опирается на два продольных и пять поперечных ребер. Пролетные полки в свету равны: между продольными ребрами L1 =105-10=95см между поперечными L2 =149-2*9=131см.Так как отношение L2 / L1 =131/95=1,37<2 то полку рассчитываем как многопролетную разрезную балку.

Рисунок 5-Схема расчета полки
При толщине ее 30см расчет ведем с учетом перераспределения усилий от развития пластичных деформаций. Изгибающий момент определяем по формуле: М=( q +р)L2
/11
Где L= L1 -b=1050-100=0,95м
qn ре=0,03*25000=750 Н/м2
q ре=750*1,1=825 Н/м2
Общая нагрузка на плиту:
q=247+247+629,85+825=1948,85 Н/м2
М=(g+р)L2 /11=(1948,85+2400)*0,952 /11=347,9Н*м.
Рабочая высота полки h0 =hf/2=3/2=1,5см.
Определяем: А0 =М γn/B*h0 2 *Rb*γb2
347,9*100/100*1,52 *13,05*100=0,11
B=100 γb2 =0,9 Rb=13,05МПа
По А0 →ι=0,805 ζ=0,27 табл. 3.1[7]
Площадь сечения арматуры класса ВрI на полосу шириной 1м:
As=M γn/ ι h0 Rs=347,9*(100)*0,95/0,865*1,5*375*(100)=0,67см2
Принимаем сборную сетку с продольной арматурой диаметром 4мм класса.
ВрIc шагом 100см. Принимаем сетку 150/250/4/3.
2.1.3 Расчет поперечного ребра
Поперечное ребро можно рассматривать как балку на двух сборных опорах с расчетным пролетом, равным расстоянию, между осями продольных ребер L0 =149см-9=140см, загруженную равномерно распределенной нагрузкой от собственного веса ребра:
qр=0,05+0,1/2(0,15-0,03)*25*11*0,95=0,25кН/м
и нагрузкой по трапеции от полки, максимальная ордината которой:
q1 =(1,49+1,05)/2*5613,85=7,129кН/м
Общая нагрузка на ребро:
q= qр+ q1 =0,25+7,129=7,379кН/м
Расстояние от опоры до максимальной ординаты эпюры загружения:
а=(149+105)/(2*2)=63,5см

Рисунок 6 - Расчетная схема поперечного ребра.
Изгибающий момент в середине пролета:
М=qL0 2 /8-q1 a2 /6=7,379*1,42 /8=1,8кН м
Поперечная сила:
Q=0,5(qL0 - q1 а)=0,5(7,379*1,4-7,129*0,63)=2,9кН
Сечение поперечного ребра тавровое, его рабочая высота h0 =15-3=12см ширина ребра b=(5+10)*0,5=7,5см толщина полки h׀ f=3см и ширина полки b׀ f=L0 /3+10=107,6см

Рисунок 7-Схема сечения поперечного ребра
А0 =М/ b׀ f*h0 2 *Rb=7,93*105 /106,3*122 *13,05*100=0,039
По табл.III.1[7] ζ= 0,039
и требуемая площадь сечения продольной рабочей арматуры:
Аs= ζ*b׀ f*h0 * Rb/Rs=0,039*107,6*12*13,05/365=1,8см2
Принимаем 1Ø16АIIIcAs=2,011см2
Расчет прочности поперечного ребра по сечению наклонному к продольной оси.
Q=2,9кН. Вычисляем проекцию расчетного наклонного сечения на продольную ось «С». Влияние свесов сжатых полок при пяти поперечных ребер.φf=5*(0,75*(3 h׀ f)h׀ f/b*h0 )=5*(0,75(3*3*3/7,5*12)=1,12>0,5.
Принимаем: φf=0,5 φn=0.
Вычисляем: 1+ φf+ φn=1+0,5+0=1,5
В=φb2 (1+ φf+ φn)Rbt *b*h0 2 =2*1.5*0.95*(100)*7.5*122 =307800H см.
В расчетном наклоном сечении:
Qb=Qsw=Q/2=2,9/2=1,45кН, отсюда С=В/0,5Q=106см>2 h0 =2*12=24
принимаем С=24см
Тогда Qb=В/С=307800/24=12825Н=12,825кН>Q=2,9кН
следовательно, поперечная арматура по расчету не требуется.
Принимаем диаметр поперечных стержней из условия сварки. При ds=16мм dsw=5мм класс ВрI. Шаг поперечных стержней принят из конструктивных требований.
S=h/2=150/2=75мм.
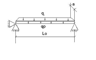
2.1.4 Статический расчет плиты в продольном направлении (продольных ребер)
Плита работает как свободно опертая балка, загружена равномерно распределяемой нагрузкой. Расчетный пролет L0 = Lк - Lоп =5080-120=4960мм.

Рисунок 8 - Расчетная схема
Нагрузка на 1м плиты при ее ширине ВН =3м
Нормативная:
постояная и длительная:
qng=3750Н/м*3=11250Н/м
кратковременная:
Рnch=2400*3=7200Н/м
Полная нормативная:
qn= qng+ Рnch=11250+7200=18450Н/м
Расчетная:
постоянная:
qs=3213,85*3=9641,55Н/м
кратковременная:
Рsh=2400*3=2400*3=7200Н/м
Полная: q= qs+ Рsh=9641,55+7200=16841,55Н/м
Расчетный изгибающий момент от полной нагрузки. М=qL0 2 /8=18,450*4,962 /8=56,73кН м
Расчетная поперечная схема от полной нагрузки.
Q= qL0 /2=16,841*4,96/2=41,7кН
Нормативный изгибающий момент:
от длительной действующей нагрузки
Мne=11,25*4,962 /8=34,59кН м
от кратковременной нагрузки:
Мnsh=7,2*4,962 /8=22,14кН м
от полной нагрузки:
Мn=16,84*4,962 /8=51,78кН м
Нормативная поперечная сила от полной нагрузки:
Qn=16,84*4,96/2=41,7кН.
Предварительное определение площади сечения продольной растянутой и поперечной арматуры в продольных ребрах.

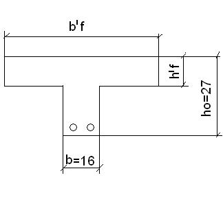
Рисунок 9-Схемаопределения площади сечения продольной растянутой и поперечной арматуры в продольных ребрах
b=2(9+7)/2=16см
h׀ f=3см
b׀ f=508/3+2*9=187см
Рабочая высота сечения: h0 =30-3=27см
Так как изгибающий момент, воспринимаемый сжатой полкой сечения и растянутой арматурой.
Мf= b׀ f*h׀ f*Rb(h0 -0,5h׀ f)=187*3*13,05(27-0,5*3)=
18668677Н*см=186,68кН*м>М=56,73кН*м, следовательно, н.о. проходит в пределах полки, расчет следует произвести как для прямоугольного сечения шириной b=b׀ f=187см.
В этом случае:
А0 =М/ Rb*b* h0 2 =56,73*105 /13,05*187*272 =0,031
ι=0,68
Требуемая площадь сечения продольной предварительной арматуры при предположении γ=ι=1,2
Аs=М/ γ*Rs* ι* h0 =56,73*105 /1,2*510*0,68*27=5,01см2 .
Принимаем 2Ø18 с Аsp=5,09см2 .
2.1.5 Определение геометрических характеристик продольных ребер
Площадь приведенного сечения плиты при отношении модулей.
ل=Es/Eb=190000/27000=7,04
Ared=A+ لAsp=(149-16)3+16*30+7,04+6,28=892,3см2

Рисунок 10-Схема расположения арматуры
Статический момент приведенного сечения относительно нижней грани ребра:
Sred=ΣAi*уi=(149-16)3(30-0,5*3)+16*302 *0,5+7,04*6,28*3=7760,13см3
Расстояние от центра тяжести приведенного сечения до нижней грани ребра:
у0 = Sred/ Ared=7760,13/892,3=8,69см.
Расстояние от центра тяжести приведенного сечения до верхний грани:
у׀ 0 =h- у0 =30-8,69=21,31см
Расстояние от центра тяжести напрягаемой арматуры до центра тяжести сечения:Lop= уred-a=8,69-3=5,69см
Момент инерции проведенного сечения относительно его центра тяжести
Jred=(149-16)33 /12+(149-16)3(30-3*0,5-8,69)2 +16*303 /12+16*30(8,69-0,5*30)2 +7,04*6,28*5,69=33847,63см4
Момент сопротивления приведенного сечения относительно нижней грани:
Wred=Jred/ уred=33847/8,69=3804,86см3
то же относится верхней грани:
W ׀ red=Jred/ у0 ׀ =33847,53/21,31=1588,34см3
Упруго-пластичный момент сопротивления относительно нижней грани при: j=1,75
Wpe=j*Wred=1,75*3804,86=6658,5см3
относительно верхней грани:
W ׀ pe=j*W ׀ red=1,75*1588,34=2779,59см3
2.1.6 Предварительная напряжение и его потери
Предварительное напряжение не должно превышать значения Rs, ser-p=590-90=500МПа (где р=30+360/L=30+360/6=76,4МПа, L=5,1м-растояние между наружными гранями упоров) и быть не менее:
0,3* Rs, ser+p=0,3*590+90=253МПа
Исходя из этого принимаем σsp=500МПа.
Потери предварительного напряжения вычисляем в соответствии с табл.5[6].
Потери до окончания обжатия от релаксации напряжений:
σ1 =0,03 σsp=0,03*500=15МПа.
от температурного перепада Δt=650 С
σ2 =1,25 Δt=1,25*65=81МПа.
Потери от деформации анкеров и поддона могут быть учтены при определении длины заготовки арматурных стержней, поэтому здесь принимаем σ3 =0 и σ4 =0.
Усилие предварительного обжатия с учетом перечисленных потерь при γsp=1.
P= γsp(σsp- σ1 - σ2 )Asp=1(500-15-81)6,28*100=253712H=253,712кН
Напряжение обжатия на уровне напрягаемой арматуры.
σbp=P/Ared+P*Lop2 /Jred=253712/8923+253712*5,692 /137535,93=
267,63Н/см2 2,67МПа.
Потери от быстронатекающей ползучести, при: σbp/Rbp=2,67/20=0,13<
=0,25+0,025*20=0,75
σ5 =0,85*40 σbp/Rbp=0,85*40*0,13=4,42МПа.
Итого первые потери, происходящие до окончания обжатия бетона.
σLos1 = σ1 + σ2 + σ5 =15+81+4,42=100,42МПа.
Напряжение в напрягаемой арматуре с учетом первых потерь:
σsp1 = σsp- σLos=500-100,42=399,57МПа.
Условия обжатия с учетом первых потерь при: γsp=1
P1 = γsp* σsp1*Asp=1*399,57*6,28*100=250929H=250,929кН.
Напряжение обжатия бетона:
σbp= P1 / Ared+ P1 * Lop2 / Jred=
250929/8923+250929*5,692 /33647,53=264,5Н/см2 =2,64МПа<0,95 Rbp=
0,95*20=19МПа.
следовательно, требования удовлетворяется.
Потери, происходящие после обжатия: от усадки бетона σ7 =35МПа от ползучести бетона при: σbp/Rbp=2,64/20=0,13<0,75.
σ9 =0,85*150 σbp/Rbp=0,85*150*0,13=16,57МПа.
Итого вторые потери: σLos2 = σ7 + σ9 =35+16,57=51,57МПа.
Полные потери напряжения:
σLos= σLos1 + σLos2 =100,42+51,57=151,99МПа>100МПа.
Предварительное напряжение с учетом всех потерь:
σsp2 = σsp- σLos=500-151,99=348,01МПа.
Усилие обжатия с учетом всех потерь при: γsp=1.
P2 = γsp* σsp2 *Asp=1*348,01*6,28*100=218550Н=218,550кН.
В последующих расчетах возникает необходимость введения коэф-та точности натяжения:
Δ γsp=0,5Р/ σsp(1+1/
)=0,5*90/500(1+1
)=0,11>0,1
γsp=1± Δ γsp=1+0,11=1,11 или γsp=1-0,11=0,89.
2.1.7 Проверка прочности нормального сечения продольных ребер
Связи с тем, что для точного расчета прочности нормативного сечения предварительного напряженных продольных ребер необходимо знать величину устанавливаемого предварительного напряжения σsp, ранее лишь ориентированно была определена площадь сечения продольной арматуры продольных ребер. Произвели проверку прочности их нормальных сечений. Для этого последовательно вычисляем: характеристику сжатой зоны бетона по формуле: ω=
-0,008Rb=0,85-0,008*13,05=0,746 значение Δσsp=1500σsp2
/Rs-1200=1500*348,01*0,85/510-1200=727,39<0.
значение σsR
σsR= Rs+400-σsp- Δσsp=510+400-348,01*0,85=614,2МПа.
Граничное значение относительной высоты сжатой зоны по формуле:
ζR= ω/1+ σsR/ σsс,u(1- ω/1,1)=0,746/1+614,2/500(1-0,746/1,1)=0,746/1,40=0,53
где: σsс,u=500МПа.
и коэффициент AR= ζR(1-0,53 ζR)=0,53(1-0,53*0,53)=0,53*0,53=0,38.
Решаем совместно уравнение:
ζ=γs6* Rsр* Asp/b*h0 *Rb= γs6*3,24*510/187*27*13,05=0,04γs6
и γs6=ι-(ι-1)(2ζ/ ζR-1)=1,2-(1,2-1)(2ζ/0,53-1)=0,76ζ-1,4
γs6=1,2-(1,2-1)(2/0,65-1)=1,2-0,2(2ζ-0,53/0,53)=1,2-0,38(2ζ-0,53)=1,2-0,76 ζ+0,2=1,4-0,76ζ
γs6=1,4-0,76ζ
γs6=1,4-0,02*0,76=1,386 По ζ=0,02находим Ао=0,039
Тогда ζ=0,04-1,386=0,05
Мadm=Ао*b*h0 2 *Rb=0,05*187*272 *13,05*100=8895075=88,95кН*м>М=56,7кн* м.
2.1.8 Расчет прочности сечений, наклонных к продольной оси панели, на действие поперечной силы
При предварительно принятом поперечном армировании (n=2 Ø4ВрIS=10см)
=Es/Eb=170000/27000=6,2
ω=Asω/(bs)=2*0.196/16*10=0,002
φω1
=1+5
*
ω=1+5*6,2*0,002=1,06<1,3
φb1
=1-
*Rb=1-0,01*13,05=0,87.
Так, как Q=41,7*103 <0,3φω1 * φb1 * Rb*b* h0 =0,3*1,06*0,87*16*27*100=119517Н=119,517кН т.е. условие соблюдается, принятые размеры достаточны.
Вычисляем коэффициент:
φn=0,1Р1 /Rbt*b*ho=0,1*250929/0,95*16*27*100=0,61>0,5 φn=0,5.
φf=0,75(b׀ f-b)h׀ f/b*ho=0,75*(18,7-16)3/12*27=0,01<0,5.
Вычисляем 1+ φf+ φn=1+0,5+0,02=1,501>1,5 принимаем 1,5.
В= φb2 (1+φf+φn)Rbt*b*ho2 =2*1,5*0,95*16*272 *(100)=3324240Н см.
В расчетном наклоном сечении:
Qb=Qsw=Q/2=41,7/2=20,85кН
отсюда С=В/0,5Q=3324240/20850=159,43см>2ho=2*27=54см.
Принимаем с=54см.
Тогда Qb=В/с=3324240/54=61560=61,56кН>41,7кН.
следовательно, поперечная арматура по расчету не требуется.
На приопорных участках длиной 1/4L шаг поперечных стержней принят S=h/2=300/2=150мм. принимаем S1 =100мм. В середине пролета S2 =2* S1 =200мм.
2.1.9 Расчет по образованию трещин, нормальных к продольной оси плиты, в стадии изготовления, транспортировки и монтажа
Поскольку при расчете трещиностойкости и деформативности панели при действии эксплутационных нагрузок необходимо знать, будут ли начальные трещины в сжатой зоне, необходимо в начале произвести расчет трещиностойкости этой при действии усилий в стадии производства работ:
σbp=P/Ared+P*Lop*уred/Jred=253712/8923+253712*5,69*8,69/33647,53=
397,33Н/см2 =3,97МПа.
Коэффициент φ=1,6- σbp/Rbser=1,6-3,97/15=1,37
Тогда искомое расстояние:
r=φ* W ׀ red/ Ared=0,57*1588,34/892,3=1,01см.
Изгибающий момент воспринимающий сечением перед образованием трещин:
Мсчс=Rbtser*Wpe*Мгр
Мгр=Р2 (Lop+ r)=218550(5,69+1,01)=1451172Н см
Мсчс=1,6*6658,5+1451172=1461825,6Н см=14,61кН м< Мn=51,78кН м
следовательно, трещины в верхней зоне сечения не образуются.
2.1.10 Определение диаметра подъемных петель
Собственный вес плиты с учетом коэффициента динамичности hпр*
к*Вк*р=0,053*508*1,49*3000=1203,5.
Учитывая возможный перекос эту нагрузку распределяем не на четыре, а на три петли, тогда нагрузка на одну петлю составляет:
1203,5/3=401,16кгс.
Принимаем Ø12АIIIтабл.1,4.
2.2 Расчёт фундамента
Расчёт ширины подушки ленточного фундамента под внутреннюю несущую кирпичную стену проектируемого жилого дома, расчёт и конструирование подушки ленточного фундамента по материалу. Фундаменты – подземные конструкции, передающие нагрузки от здания на грунт.
Сборные ленточные фундаменты состоят из плит-подушек, укладываемых в основание фундаментов и стеновых блоков, которые являются стенами подземной части здания.
Глубина заложения фундамента здания устанавливается в зависимости от свойств и характера напластований грунтов, уровня грунтовых вод с учётом его колебаний в процессе строительства и эксплуатации сооружения, величины и характера действующих на основание нагрузок, глубины заложения подземных коммуникаций и фундаментов под машины и оборудование, климатических особенностей района строительства. Принятая глубина заложения фундамента должна быть достаточной для обеспечения устойчивости основания и исключения возможности пучения грунта при его промерзании и осадки при оттаивании. В непучинистых грунтах при залегании уровня грунтовых вод на значительном расстоянии от поверхности земли допускается закладывать подошву фундамента выше глубины промерзания грунта. Размеры подошвы фундамента определяют, исходя из условия, чтобы среднее давление на основание не превышало расчётного давления, величина которого зависит от вида и свойств грунта, глубины заложения фундамента, конструктивных особенностей сооружения. При назначении размеров подошвы фундамента учитывают предельные величины вертикальных деформаций- осадок и подъёмов, при которых ещё обеспечивается необходимая прочность надфундаментных конструкций и соответствие здания технологическим или архитектурным требованиям. При действии значительных горизонтальных нагрузок в том числе сейсмических, а также в случае водонасыщенных глинистых и заторфованных грунтов должна быть обеспечена устойчивость основания.
2.2.1 Определение отметки подошвы фундамента
Глубина промерзания грунта в г. Кемерово составляет 2,1 м
ПОЗ (проектная отметка земли): – 1,382 м
Расчетная ОПФ (отметка подошвы фундамента): -1,382 м + (-2,1 м) = -3,482 м
Высота фундамента: Нф = ОПФ - h перекр. 1 этажа = 3,482 м – 0,28 м = 3,202 м
Подбор элементов сборного железобетонного ленточного фундамента под наружные несущие стены:
2.2.2 Определение количества фундаментных блоков по высоте
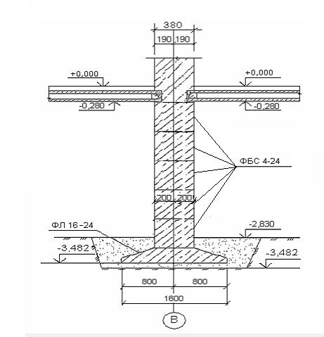
ОПФ - h перекр. 1 этажа – h фл = 3,482 – 0,28-0,3= 2,902 м , следовательно, получается 5 фундаментных блока марки ФБС 24.4.6 (2380х400х580)

Рисунок 12-Схема фундамента
2.2.3 Определение ширины подушки
Для расчёта ленточных фундаментов условно вырезается 1 метр длины фундамента, производится сбор нагрузок и находиться ширина подушки b. Формула для определения площади подошвы отдельно стоящего фундамента :
b=Nser/(R-γmd1).
2.2.4 Сбор нагрузок
2.2.4.1 Расчёт нагрузки на 1м² кровли
Снеговой район IV, S=2,4 кПа
µ=(60-30)/35=0,857 – коэффициент перехода от веса снегового покрова земли к снеговой нагрузке на покрытии
Таблица № 7
| № п/п | Нагрузки | Нормативная нагрузка, кПа | γf | Расчётная нагрузка, кПа |
| 1.Постоянные нагрузки | ||||
| 1 | Покрытие Техноэласт TITAN-TOP p=5,5 кг/м² |
0,2 | 1,3 | 0,247 |
| 2 | Покрытие Техноэласт TITAN-BASE p=4,5 кг/м² |
0,2 | 1,3 | 0,247 |
| 3 | Цементная стяжка t=10мм; 510н/м² |
0,51 | 1,3 | 0,69 |
| 4 | Ребристая плита | 2,0 | 1,1 | 2,09 |
| Итого постоянная: | 2,916 | 3,213 | ||
| 2.Временные нагрузки | ||||
| 1 | Снеговая нагрузка | 1,68 | - | 2,4 |
| Итого полная: | 4,208 | 5,613 | ||
qкровли=5,613 кПа

Рисунок 13-Схема сбора нагрузок на плиту покрытия
2.2.4.2 Расчёт нагрузки на 1м² плиты покрытия
Таблица № 8
| № п/п | Нагрузки | Подсчёт | Нормативная нагрузка, кПа | γf | Расчётная нагрузка, кПа |
| 1.Постоянные нагрузки | |||||
| 1 | Плита минираловатная | 0,4 | 1,2 | 0,456 | |
| 2 | Пароизоляция | - | 0,03 | 1,3 | 0,04 |
| 3 | Пустотная плита ПК | - | 3,2 | 1,1 | 3,52 |
| Итого | 3,63 | 4,012 | |||
| 2.Временные нагрузки | |||||
| 1 | Нагрузка на плиту | S= ( Sg*µ*0,7) /0.86 |
0,7 | 1,2 | 0,84 |
| Всего | 4,38 | 4,85 | |||
qпокрытия=4,85кПа

Рисунок 14-Схема сбора нагрузок на плиту чердачную
2.2.4.3 Расчёт нагрузки на 1м² плиты перекрытия
Таблица № 9
| № п/п | Нагрузки | Подсчёт | Нормативная нагрузка, кПа | γf | Расчётная нагрузка, кПа |
| 1.Постоянные нагрузки | |||||
| 1 | Линолеум | 0,06*8 | 0,48 | 1,1 | 0,52 |
| 2 | Гибсоволокнистая плита | 1,49 | 1,1 | 1,63 | |
| 3 | Звукоизоляционные прокладки | 0,01*5 | 0,05 | 1,1 | 0,055 |
| 4 | Пустотная плита ПК | - | 3,2 | 1,1 | 3,52 |
| Итого | 4,79 | 5,26 | |||
| 2.Временные нагрузки | |||||
| 1 | Нагрузка на перекрытие СНиП 2.01.07-85 |
S= ( Sg*µ*0,7) /0.86 |
4,0 | 1,2 | 4,8 |
| Всего | 8,79 | 10,06 | |||
qперекрытия=10,06 кПа

Рисунок 15-Схема нагрузок на плиту перекрытии
2.2.5 Расчёт нагрузки на 1м длины фундамента

Рисунок 16-Схема сбора нагрузок на 1м длины фундамента
Таблица №10
| Наименование нагрузок | Подсчёт | Величина, кПа |
| qкровли | 5,613*((4,6*0,5)+1,17) | 19,47 |
| qпокрытия | 4,85*4,6*0,5 | 11,15 |
| Qперекрытия * 9 этажей | 10,06*9*4,6*0,5 | 207 |
| Кирпичная стена | 0,51*27,3*17 | 236,69 |
N=474,31кПа
Nser=N/1,2=395,25кН/м
Для расчёта фундамента определена определена сервисная нагрузка, приходящаяся на один метр длины верхнего обреза фундамента. Геологические условия: 0,2 метра – растительный слой , далее слой маловлажного мелкого песка Грунтовые воды расположены на глубине 4,0 м от планировочной отметки. Район строительства г. Кемерово. Пол первого этажа расположен по утепленному цокольному перекрытию.
2.2.6 Определение требуемой ширины подушки фундамента
b=Nser/(R0-γmd1)=395,25/(300-20*1,2)=1,43м . Назначение ширины подушки b=1,4 м. Ширина подушки может измениться при дальнейшем расчёте.
2.2.10. Определение удельного сцепления и угла внутреннего трения
CII = 1,0 КПа; γII=30°( таблица 11.5 Учебник Строительные конструкции Сетков )
Определение коэффициента γс1=1,3; γс2=1,1 ( таблица 11.9 Учебник Строительные конструкции Сетков )
Определение коэффициента Mγ=1,15; Mq=5,59; Mc=7,95 ( таблица 11.10 Учебник Строительные конструкции Сетков )
Значение коэффициента k=1,1, также как характеристики грунта (с,φ) определены по таблице, а не по результатами непосредственного исследования грунта.
Коэффициент kz=1,0 , так как ширина фундамента b<10 м.
Удельный вес грунта выше и ниже подошвы фундамента γ́II=γII=18,0 кН/м³.
2.2.7 Определение расчётного сопротивления R
Так как здание с подвалом db=2,83:
R=(( γс1* γс2 ) / k )*( Mγkzb γII + Mqd1 γ́II + (Mq-1)dbγ́II + MccII)=
=((1,3*1,1/1,1)*(1,15*1,0*1,0*18+5,59*1,4*1,8+(5,59-1)*18*2,83+7,95*1,0)=286,94 кПа
2.2.8 Уточнение ширины подушки ленточного фундамента
b= Nser /(R0-γmd1)=395,25/(286,94-20*2,83)=1,19м
Принята ширина подушки фундамента b=1,6 м, и так как ширина подушки изменилась, уточняется величина расчётного сопротивления грунта R, подставленная в формулу изменения ширины подушки;
R=289,56кПа.
2.2.9 Проверка подобранной ширины подушки фундамента
p= Nser /b + γmd1=395,25/1,6+20*2,83=303,63кПа
Вывод. Среднее давление под подошвой фундамента меньше расчётного сопротивления грунта. Принятая ширина фундаментной подушки b=1,6 м достаточна.
2.2.10 Расчёт ленточного фундамента по материалу
Расчётная нагрузка на фундамент N=474,31кН/м, γn=0.95. Бетон B15, γb2=1,0; арматура A-III.
2.2.11 Нагрузка с учётом коэффициента надёжности по ответственности γn
N=474,31*0,95=450,59кН/м.
2.2.12 Отпор грунта p
p=N/b=474,31/1,6=296,44кПа.
2.2.13 Длина консольного участка фундамента
l1=(b-b1)/2=(1,6-1,19)/2= 0,2м
2.2.14 Определение поперечной силы, приходящейся на метр длины фундамента
Q=pl1*1,0м=296,44*0,2*1=59,28кН
2.2.15 Изгибающий момент, действующий по краю фундаментного блока
M=Q*(l1/2)= 59,28*(0,2/2)=5,92кН*м
2.2.16 Определение требуемой площади арматуры подушки
As=M/(0,9h0Rs)=592/(0,9*26*36,5)=0,7см²
h0=h-a=30-4=26 см;
Rs=36,5 кН/см² (арматура класса A-III), шаг рабочих стержней 190 мм. ; на 1 м длины фундамента приходиться 6 стержней диаметра 8 мм, As=3,06 см²
2.2.20. Проверка прочности подушки на действие поперечной силы Q≤φb3(1+φn)Rbtγb2bh0, где b=100см – полоса фундамента длиной в 1м; Q=59,28кН <0,6*(1+0)*0,075*1*100*27=121,5кН – условие прочности выполняется, прочность обеспечена.
Вывод: Фундаментная подушка армируется арматурной сеткой в которой рабочая арматура принята диаметра 8 мм, A-III, шаг 190 мм. Конструктивная арматура принята диаметром 6 мм B-II.
2.2.17 Определение диаметра подъемных петель
Монтажные петли закладываемые в бетон, изготавливают из гладкой круглой стали класса A-I. Диаметр стержня определяют расчетом петли на разрыв и выдергивание из бетона.
Расчётная нагрузка от собственного веса подушки g=V*ρ*Kg=0,7*2500*1,5=2625
Kg - коэффициентом динамичности
Нагрузка на одну петлю, с учётом перекоса или обрыва одной петли N=g/3=870 кН
Приняты 4 монтажные петли диаметром 12 мм (арматура класса AI) As=1,131 см²
Длина одной петли в l=(l1+l2)*2+l3=(290+32)*2+94=738 мм

Схема монтажной петли
Список литературы
1. ГОСТ 25100–82. Грунты. Классификация. – М.: Стройиздат 1983.
2. ГОСТ 21.501-93. Правила выполнения архитектурно-строительных рабочих чертежей.
3. ГОСТ 21.508-93. СПДС. Правила выполнения рабочей документации генеральных планов предприятий, сооружений и жилищно-гражданских объектов.
4. ГОСТ 21.101-97. Основные требования к проектной и рабочей документации.
5. СНиП II.02.07.–87 Инженерные изыскания для строительства. Основные положения. – М.: Стройиздат, 1987.
6. СНиП II–3–79 Строительная теплотехника. М.: Стройиздат, 1979.
7. СНиП 2.01.01–82 Строительная климатология и геофизика. М.: Стройиздат, 1983.
8. СНиП 2.01.02–85 Противопожарные нормы. – М.: Изд. ЦИТП Госстроя СССР, 1986.
9. СНиП 2.01.07–85 Нагрузки и воздействия. М.: ЦИТП Госстроя СССР, 1986.
10. СНиП 2.02.01–83. М. Основания зданий и сооружений.: Госком СССР по делам строительства, 1985. С изменениями к СНиП 2.02.01–83. Постан. Госстроя СССР от 09.12.85, №211 со сроком введения в действие с 01.07.86. 54 с.
11. СНиП 2.03.01–89 Жилые здания. – М.: Изд. ЦИТП Госстроя СССР, 1989.
12. СНиП 2.03.01–84 Бетонные и железобетонные конструкции. М.: ЦИТП Госстроя СССР, 1985.
13. СНиП 2.07.01–89 Градостроительство. Планировка и застройка городских и сельских поселений. М.: изд. ЦИТП Госстроя СССР, 1989
14. Пособие по проектированию оснований зданий и сооружений ( к СНиП 2.02.01–83). НИИ оснований и подземных сооружений им. Н.М. Герсеванова ( НИИ ОСП им. Герсеванова ) Госстроя СССР. М. : Стройиздат, 1986. 415 с.
15. Веселов В.А. Проектирование оснований и фундаментов. – М.: Стройиздат, 1990.
16. Основания, фундаменты и подземные сооружения: Справочник проектировщика. / Под ред. Е. А. Сорочана, Ю. Г. Ирофименкова. – М. : Стройиздат, 1985.
17. Цытович Н. А. Механика грунтов. – М. : Госстройиздат, 1934; 1940; 1951; 1963; 1971; 1979; 1983.
18. Далматов Б. И. Механика грунтов, основания и фундаменты. Л. : Стройиздат, 1988.
19. Ухов С. Б., Семёнов В. В., Знаменский В. В., Тер – Мартиросян З. Г., Чернышёв С. Н. Механика грунтов, основания и фундаменты. Под ред. Чл. – корр. МИА С. Б. Ухова. – М.: Издательство АСВ, 1994. – 524с.
20. Бартоломей А. А. Основы расчёта свайных ленточных фундаментов по предельно допустимым осадкам. – М. : 1982.
21. Бугров А. К. Расчёт осадок оснований с развитыми областями предельного напряжённого состояния грунта. В кн. : Основания и фундаменты. Справочник. Под ред. проф. Г. И. Швецова. М. : Высшая школа, 1991, С. 127 – 131.
22. Берлинов М. В., Ягупов Б. А. Примеры расчёта оснований и фундаментов. М. : 1986.
23. Далматов Б. И., Морарескул Н. Н., Науменко В. Г. Проектирование фундаментов зданий и промышленных сооружений. М. : 1986.
24. Лапшин Ф. К. Основания и фундаменты в дипломном проектировании. Саратов. Изд. – Саратовского университета, 1989.
25. Основания и фундаменты. Справочник строителя. Под ред. М. И. Смеродинова. – М. : 1983.
26. Основания, фундаменты и подземные сооружения. Справочник проектировщика. Под ред. Е. А. Сорочана, Ю. Г. Трофименкова. – М. : 1985.
27. Малышев М. В. Прочность грунтов и устойчивость основания сооружений. – М. : 1980.
28. Флорин В. А. Основы механики грунтов. – М. – Л. : Т. 1, 1951; Т. 2, 1961.
29. Цытович Н. А. Механика мёрзлых грунтов (общая и прикладная) , – М. : 1973.
30. Шведенко В. И. Монтаж строительных конструкций. М. : Высшая школа, 1987.
31. Нойферт Э. Строительное проектирование. М. : Стройиздат, 1991.
32. Бодьин Г. М. и др. Технология строительного производства. – Л. : Стройиздат, 1987.
33. Пищаленко М. Ю. Технология возведения зданий и сооружений – Киев. : Высшая школа, 1982.
34. Байков В. Н., Сигалов Э. Е. Ж/бетонные конструкции. Общий курс. М. : Стройиздат, 1991.
35. Архитектурные конструкции гражданских зданий: здания и их части; фундаменты и цоколи; стены; перегородки; перекрытие и полы; крыши. С. Б. Дехтярь, Л. И. Ариновский – Киев: Будевильник, 1987 г.
36. Дикман Л. Г. Организация, планирование и управление строительным производством. – М. : Высшая школа, 1982 г.
37. Конструкции гражданских зданий. Т. Г. Маклонова, С. И. Насонова – М. : Стройиздат, 1986 г.
38. Кувалдин А.Н. Примеры расчета железобетонных конструкций зданий 1989г
39. Шерешевский И. А. Конструирование гражданских зданий. Л. : Стройиздат, 1986.
40. Сетков В.И, Сербин Е.П., Строительные конструкции Москва 2005г.
41. Потапов Б. А. Влияние теплового режима зданий на промерзание грунтов. Ленинградский дом научно – технической пропаганды. Л. : ЛДНТП, 1964, 12 с.
42. Далматов Б. И., Потапов Б. А. Влияние изменений влажности грунтов вблизи зданий на ход промерзания. Ленинградский инженерно – строительный институт. Л. : ЛИСИ, 1965, 2 с.
43. Потапов Б. А. Влияние теплового режима зданий на промерзание грунтов. Ленинградский инженерно – строительный институт, рукопись. Л. : ЛИСИ, 1965, 468 с.


