| Скачать .docx |
Курсовая работа: Курсовая работа: Отопление и вентиляция гражданского здания
Федеральное агентство по образованию (Рособразование)
ЗАДАНИЕ НА КУРСОВУЮ РАБОТУ
По дисциплине
Энергетические системы обеспечения жизнедеятельности
ТЕМА: Отопление и вентиляция гражданского здания
ИСХОДНЫЕ ДАННЫЕ:
Объект: Туристическая база
Географический пункт: г. Шадринск
Материал наружных стен: Глиняный кирпич
Вид системы отопления: Водяная двухтрубная насосная с верхней разводкой
Источник теплоснабжения: Котельная
Ориентацию здания в отношении стран света принять самостоятельно
Срок выполнения работы с « » 2000 г.
по « » 2000 г.
Руководитель
(должность) (подпись) (Фамилия И.О.)
ОГЛАВЛЕНИЕ
1 ТЕПЛОТЕХНИЧЕСКИЙ РАСЧЕТ ОГРАЖДЕНИЙ
2 РАСЧЕТ ТЕПЛОПОТЕРЬ ОТАПЛИВАЕМЫХ ПОМЕЩЕНИЙ
3 РАСЧЕТ ПОВЕРХНОСТИ НАГРЕВАТЕЛЬНЫХ ПРИБОРОВ
4 РАСЧЕТ ТРУБОПРОВОДОВ СИСТЕМЫ ОТОПЛЕНИЯ
6 ВЫБОР ЦИРКУЛЯЦИОННОГО НАСОСОВ
7 ВЫБОР ОБОРУДОВАНИЯ КОТЕЛЬНОЙ
8 ПОДБОР РАСШИРИТЕЛЬНОГО БАКА
СПИСОК ИСПОЛЬЗОВАННЫХ ИСТОЧНИКОВ
1 ТЕПЛОТЕХНИЧЕСКИЙ РАСЧЕТ ОГРАЖДЕНИЙ
1.1 Исходные данные
Температура наиболее холодной пятидневки: t н =-34 єС;
Средняя температура отопительного периода: t о.п. = -7,4 єС;
Продолжительность отопительного периода: Z о.п. = 218 суток;
Средняя скорость ветра за январь: ω = - м/с;
Зона влажности: «С»;
1.2 Определение требуемых термических сопротивлений наружных ограждений
Требуемое значение сопротивления теплопередаче
находим по формуле:
,
где t в - расчётная температура воздуха в помещении, принимаемая по таблице 1.4 [1] t в = 20 єС;
- коэффициент теплоотдачи от воздуха помещения к внутренней поверхности наружного ограждения, принимаемое по таблице 1.5 [1]
Вт/(м2
∙К);
n - коэффициент, зависящий от положения наружной поверхности ограждения по отношению к наружному воздуху;
Δ t н - нормируемый температурный перепад между температурой воздуха в помещении и температурой внутренней поверхности ограждения, принемаемый по таблице 1.7 [1].
1 Наружные стены:
n = 1; Δ t н = 4 єС;
.
2 Чердачное перекрытие:
n = 0,9; Δ t н = 3 єС;
.
3 Надподвальное перекрытие:
n = 0,75; Δ t н = 2 єС;
.
1.3 Определение приведенных термических сопротивлений ограждений здания
Вычислим градусосутки отопительного периода:
;
°С ∙ сутки.
Вычислим приведённые термические сопротивления
, м2
∙К/Вт, наружных ограждений здания:
1 Стены:
;
м2
∙К/Вт.
Принимаем следующую конструкцию стены:

Рисунок 1.1 Разрез стены
Внутренняя штукатурка из цементно-песчаного раствора λ 1 = 0,8 Вт/(м∙єС), δ 1 = 0,020 м; Внутрнений и наружный слои кладки из обыкновенного глиняного кирпича на цементном песчаном растворе λ 2 = λ 4 = 0,81 Вт/(м∙єС); δ 2 = 0,250 м; δ 4 = 0,120 м; между слоями кирпичной кладки утеплитель из пенополиуретана λ 3 = 0,03 Вт/(м∙єС); δ 3 = x м.
Рассчитаем толщину утепляющего слоя из уровнения приняв :
,
где α н = 23 Вт/(м2 ∙єС) - коэффициент теплоотдачи в зимних условиях для наружных стен; для чердачных и надподвальных перекрытий α н = 12 Вт/(м2 ∙єС) по таблице 1.5 [1];
;
x = 0,086 м, принимаем толщину утеплителя x = 0,090 м.
Фактическое сопротивления теплопередаче Rф будет:
;
(м2
∙єС)/Вт.
Вт/(м2
∙єС).
2 Окна:
;
м2
∙К/Вт.
Выбираем двухкамерные пакет из стекла с селективным покрытием по таблице 3[3]
м2
∙К/Вт.
Вт/(м2
∙єС).
3 Перекрытия:
;
м2
∙К/Вт.
Принимаем следующую конструкцию чердачного перекрытия:
![]() |
Рисунок 1.2 Чердачное перекрытие
Цементная стяжка λ1 = 0,582 Вт/(м∙°С), δ1 = 0,020 м; Пенополиуретан λ 2 = 0,03 Вт/(м∙°С), δ 2 = x м; Железобетонная плита λ 3 = 1,92 Вт/(м∙°С), δ 3 = 0,220 м; Затирка λ4 = 0,582 Вт/(м∙°С), δ4 = 0,005 м.
Рассчитаем толщину утепляющего слоя:
;
;
x = 0,127 м;
Принимаем толщину утеплителя 0,13 м.
Фактическое сопротивления теплопередаче R ф будет:
;
(м2
∙єС)/Вт.
Вт/(м2
∙єС).
![]() |
Принимаем следующую конструкцию надподвального перекрытия:
Рисунок 1.3 Надподвальное перекрытие
Линолеум λ 1 = 0,256 Вт/(м2 ∙°С); δ 1 = 0,005 м; Доска λ2 = 0,174 Вт/(м2 ∙°С); δ2 = 0,020 м; Выравнивающий слой из цементно-песчаного раствора λ 3 = 0,8 Вт/(м2 ∙єС); δ 3 = 0,015 м; Пенополиуретан λ 4 = 0,03 Вт/(м2 ∙°С); δ 4 = x м; Железобетонная плита λ 5 = 1,92 Вт/(м2 ∙°С); δ 5 = 0,220 м.
Рассчитаем толщину утепляющего слоя:
;
;
x = 0,124 м;
Принятая толщина утеплителя 0,13 м.
Фактическое сопротивления теплопередаче R ф будет
![]()
(м2
∙єС)/Вт.
Вт/(м2
∙єС).
Так как конструкции наружных ограждений были выбраны при Ro > Rтр , то проверка на конденсацию водяных паров не требуется.
Фактическое сопротивление для толстой внутренней стены:
,
где, внутренняя штукатурка из цементно-песчаного раствора λ 1 = 0,8 Вт/(м∙єС), δ 1 = 0,020 м; слой кладки из обыкновенного глиняного кирпича на цементном песчаном растворе λ 2 = 0,81 Вт/(м∙єС); δ 2 = 0,24 м;
(м2
∙єС)/Вт.
Вт/(м2
∙єС).
Фактическое сопротивление для тонкой внутренней стены:
,
где, внутренняя штукатурка из цементно-песчаного раствора λ 1 = 0,8 Вт/(м∙єС), δ 1 = 0,020 м; слой кладки из обыкновенного глиняного кирпича на цементном песчаном растворе λ 2 = 0,81 Вт/(м∙єС); δ 2 = 0,12 м;
(м2
∙єС)/Вт.
Вт/(м2
∙єС).
Сопротивление теплопередачи наружных двойных дверей принимаем по таблице 1.16 [1],
(м2
∙єС)/Вт.
Вт/(м2
∙єС).
2 РАСЧЕТ ТЕПЛОПОТЕРЬ ОТАПЛИВАЕМЫХ ПОМЕЩЕНИЙ
Потери тепла помещениями через ограждающие конструкции, учитываемые при проектировании систем отопления, разделяются на основные, условно называемые нормальными, и добавочные, которыми учитывается ряд факторов, влияющих на величину теплопотерь.
Основные теплопотери помещений Q, Вт, слагаются из потерь тепла через отдельные ограждающие конструкции, определяемые по формуле:
Q = F ∙ k ∙( tB - tH )∙ n ,
где F - площадь ограждающей конструкции, через которую происходит потеря тепла, м2
k - коэффициент теплопередачи данной ограждающей конструкции, Вт/(м2 ·К);
t в - расчетная температура внутреннего воздуха, °С;
t н - расчетная температура наружного воздуха, °С;
n - поправочный коэффициент к расчетной разности температур (t в - t н ).
Теплообмен через ограждения между смежными отапливаемыми помещениями при расчете теплопотерь учитывается, если разность температур воздуха, этих помещений более 3° С. При меньшей разности температур теплообмен незначителен и не учитывается. Расчет теплопотерь сведем в таблицу.
Таблица 1 Расчёт теплопотерь.
| № отапливаемого помещения |
Наименование помещения и tв , о С |
Наименование ограждения |
Ориентация ограждения |
Размеры ограждения |
Площадь ограждения, м2 |
Расчётная разность температур tв -tн , о С |
n |
k , Вт/(м2 ∙єС) |
Qосн, Вт |
Добавки, % |
Qдоб, Вт |
Qобщ , Вт |
Суммарные потери помещения, Вт |
||||
| а, м |
b, м |
Страны света |
Ветер |
Другие |
|||||||||||||
| 1 |
2 |
3 |
4 |
5 |
6 |
7 |
8 |
9 |
10 |
11 |
12 |
13 |
14 |
15 |
16 |
||
| 101 |
Умывальная |
20 |
НС |
З |
3,0 |
2,9 |
8,7 |
54 |
1 |
0,275 |
129 |
5 |
5 |
0 |
13 |
142 |
427 |
| ДО |
З |
0,9 |
1,5 |
1,4 |
54 |
1 |
1,196 |
90 |
5 |
5 |
0 |
9 |
99 |
||||
| ВС |
- |
1,8 |
2,5 |
4,5 |
4 |
1 |
2,336 |
42 |
0 |
0 |
0 |
0 |
42 |
||||
| ПЛ |
- |
3,0 |
5,7 |
17,1 |
54 |
0,75 |
0,208 |
144 |
0 |
0 |
0 |
0 |
144 |
||||
| 102 |
Туалет |
16 |
НС |
З |
3,3 |
2,9 |
9,6 |
50 |
1 |
0,275 |
132 |
5 |
5 |
5 |
20 |
152 |
398 |
| НС |
С |
2,3 |
2,9 |
6,7 |
50 |
1 |
0,275 |
92 |
10 |
5 |
5 |
18 |
110 |
||||
| ДО |
З |
0,9 |
1,5 |
1,4 |
50 |
1 |
1,196 |
84 |
5 |
5 |
5 |
13 |
97 |
||||
| ПЛ |
- |
2,8 |
1,8 |
5,0 |
50 |
0,75 |
0,208 |
39 |
0 |
0 |
0 |
0 |
39 |
||||
| 103 |
Душевая |
25 |
НС |
С |
4,0 |
2,9 |
11,6 |
59 |
1 |
0,275 |
188 |
10 |
5 |
0 |
28 |
216 |
905 |
| ДО |
С |
1,8 |
1,5 |
2,7 |
59 |
1 |
1,196 |
191 |
10 |
5 |
0 |
29 |
220 |
||||
| ВС |
- |
4,0 |
2,5 |
10,0 |
5 |
1 |
2,336 |
117 |
0 |
0 |
0 |
0 |
117 |
||||
| ВС |
- |
3,0 |
2,5 |
7,5 |
9 |
1 |
2,336 |
158 |
0 |
0 |
0 |
0 |
158 |
||||
| ВС |
- |
3,0 |
2,5 |
7,5 |
7 |
1 |
1,736 |
91 |
0 |
0 |
0 |
0 |
91 |
||||
| ПЛ |
- |
2,8 |
4,0 |
11,2 |
59 |
0,75 |
0,208 |
103 |
0 |
0 |
0 |
0 |
103 |
||||
| 104 |
Жилая комната |
20 |
НС |
С |
3,0 |
2,9 |
8,7 |
54 |
1 |
0,275 |
129 |
10 |
5 |
0 |
19 |
148 |
428 |
| ДО |
С |
1,2 |
1,5 |
1,8 |
54 |
1 |
1,196 |
116 |
10 |
5 |
0 |
17 |
133 |
||||
| ПЛ |
- |
5,8 |
3,0 |
17,4 |
54 |
0,75 |
0,208 |
147 |
0 |
0 |
0 |
0 |
147 |
||||
| 105 |
Жилая комната |
20 |
НС |
С |
4,0 |
2,9 |
11,6 |
54 |
1 |
0,275 |
172 |
10 |
5 |
0 |
26 |
198 |
593 |
| ДО |
С |
1,8 |
1,5 |
2,7 |
54 |
1 |
1,196 |
174 |
10 |
5 |
0 |
26 |
200 |
||||
| ПЛ |
- |
5,8 |
4,0 |
23,2 |
54 |
0,75 |
0,208 |
195 |
0 |
0 |
0 |
0 |
195 |
||||
| 106 |
Жилая комната |
20 |
НС |
С |
4,0 |
2,9 |
11,6 |
54 |
1 |
0,275 |
172 |
10 |
5 |
0 |
26 |
198 |
671 |
| ДО |
С |
1,8 |
1,5 |
2,7 |
54 |
1 |
1,196 |
174 |
10 |
5 |
0 |
26 |
200 |
||||
| ВС |
- |
4,5 |
2,5 |
11,3 |
4 |
1 |
1,736 |
78 |
0 |
0 |
0 |
0 |
78 |
||||
| ПЛ |
- |
5,8 |
4,0 |
23,2 |
54 |
0,75 |
0,208 |
195 |
0 |
0 |
0 |
0 |
195 |
||||
| 107 |
Кладовая |
16 |
НС |
С |
3,1 |
2,9 |
6,4 |
50 |
1 |
0,275 |
88 |
10 |
5 |
0 |
13 |
101 |
1525 |
| ДД |
С |
1,3 |
2,0 |
2,6 |
50 |
1 |
2,326 |
302 |
10 |
5 |
276 |
879 |
1181 |
||||
| ПТ |
- |
4,5 |
3,1 |
14,0 |
50 |
0,9 |
0,213 |
134 |
0 |
0 |
0 |
0 |
134 |
||||
| ПЛ |
- |
4,5 |
3,1 |
14,0 |
50 |
0,75 |
0,208 |
109 |
0 |
0 |
0 |
0 |
109 |
||||
| 108 |
Кухня |
18 |
НС |
С |
2,9 |
2,9 |
8,4 |
52 |
1 |
0,275 |
120 |
10 |
5 |
0 |
18 |
138 |
978 |
| ДО |
С |
1,8 |
1,5 |
2,7 |
52 |
1 |
1,196 |
168 |
10 |
5 |
0 |
25 |
193 |
||||
| ПТ |
- |
8,3 |
6,0 |
35,8 |
52 |
0,9 |
0,213 |
357 |
0 |
0 |
0 |
0 |
357 |
||||
| ПЛ |
- |
8,3 |
6,0 |
35,8 |
52 |
0,75 |
0,208 |
290 |
0 |
0 |
0 |
0 |
290 |
||||
| 109 |
Разделочная |
18 |
НС |
С |
3,2 |
2,9 |
9,3 |
52 |
1 |
0,275 |
133 |
10 |
5 |
0 |
20 |
153 |
567 |
| ДО |
С |
1,8 |
1,5 |
2,7 |
52 |
1 |
1,196 |
168 |
10 |
5 |
0 |
25 |
193 |
||||
| ПТ |
- |
3,8 |
3,2 |
12,2 |
52 |
0,9 |
0,213 |
122 |
0 |
0 |
0 |
0 |
122 |
||||
| ПЛ |
- |
3,8 |
3,2 |
12,2 |
52 |
0,75 |
0,208 |
99 |
0 |
0 |
0 |
0 |
99 |
||||
| 110 |
Мойка |
20 |
НС |
С |
3,1 |
2,9 |
9,0 |
54 |
1 |
0,275 |
134 |
10 |
5 |
5 |
27 |
161 |
708 |
| НС |
В |
4,3 |
2,9 |
12,5 |
54 |
1 |
0,275 |
186 |
10 |
5 |
5 |
37 |
223 |
||||
| ДО |
С |
1,2 |
1,5 |
1,8 |
54 |
1 |
1,196 |
116 |
10 |
5 |
5 |
23 |
139 |
||||
| ПТ |
- |
3,8 |
2,6 |
9,9 |
54 |
0,9 |
0,213 |
102 |
0 |
0 |
0 |
0 |
102 |
||||
| ПЛ |
- |
3,8 |
2,6 |
9,9 |
54 |
0,75 |
0,208 |
83 |
0 |
0 |
0 |
0 |
83 |
||||
| 111 |
Столовая |
18 |
НС |
В |
10,3 |
2,9 |
29,9 |
52 |
1 |
0,275 |
428 |
10 |
5 |
5 |
86 |
514 |
2325 |
| НС |
Ю |
6,3 |
2,9 |
18,3 |
52 |
1 |
0,275 |
262 |
0 |
5 |
5 |
26 |
288 |
||||
| ДО |
В |
3,6 |
1,5 |
5,4 |
52 |
1 |
0,921 |
259 |
10 |
5 |
5 |
52 |
311 |
||||
| ДО |
Ю |
1,8 |
1,5 |
2,7 |
52 |
1 |
1,196 |
168 |
0 |
5 |
5 |
17 |
185 |
||||
| ПТ |
- |
9,8 |
5,8 |
56,8 |
52 |
0,9 |
0,213 |
566 |
0 |
0 |
0 |
0 |
566 |
||||
| ПЛ |
- |
9,8 |
5,8 |
56,8 |
52 |
0,75 |
0,208 |
461 |
0 |
0 |
0 |
0 |
461 |
||||
| 112 |
Вестибюль |
16 |
НС |
Ю |
6,0 |
2,9 |
14,6 |
50 |
1 |
0,275 |
201 |
0 |
5 |
0 |
10 |
211 |
1983 |
| ДД |
Ю |
1,4 |
2,0 |
2,8 |
50 |
1 |
2,326 |
326 |
0 |
5 |
219 |
730 |
1056 |
||||
| ДО |
Ю |
2,4 |
1,5 |
3,6 |
50 |
1 |
0,921 |
166 |
0 |
5 |
0 |
8 |
174 |
||||
| ПТ |
- |
5,2 |
6,0 |
31,2 |
50 |
0,9 |
0,213 |
299 |
0 |
0 |
0 |
0 |
299 |
||||
| ПЛ |
- |
5,2 |
6,0 |
31,2 |
50 |
0,75 |
0,208 |
243 |
0 |
0 |
0 |
0 |
243 |
||||
| 113 |
Администраторная |
18 |
НС |
Ю |
4,0 |
2,9 |
11,6 |
52 |
1 |
0,275 |
166 |
0 |
5 |
0 |
8 |
174 |
447 |
| ДО |
Ю |
1,8 |
1,5 |
2,7 |
52 |
1 |
1,196 |
168 |
0 |
5 |
0 |
8 |
176 |
||||
| ПЛ |
- |
4,0 |
3,0 |
12,0 |
52 |
0,75 |
0,208 |
97 |
0 |
0 |
0 |
0 |
97 |
||||
| 114 |
Жилая комната |
20 |
НС |
Ю |
4,0 |
2,9 |
11,6 |
54 |
1 |
0,275 |
172 |
0 |
5 |
5 |
17 |
189 |
575 |
| ДО |
Ю |
1,8 |
1,5 |
2,7 |
54 |
1 |
1,196 |
174 |
0 |
5 |
5 |
17 |
191 |
||||
| ПЛ |
- |
5,8 |
4,0 |
23,2 |
54 |
0,75 |
0,208 |
195 |
0 |
0 |
0 |
0 |
195 |
||||
| 115 |
Жилая комната |
20 |
НС |
Ю |
4,0 |
2,9 |
11,6 |
54 |
1 |
0,275 |
172 |
0 |
5 |
5 |
17 |
189 |
575 |
| ДО |
Ю |
1,8 |
1,5 |
2,7 |
54 |
1 |
1,196 |
174 |
0 |
5 |
5 |
17 |
191 |
||||
| ПЛ |
- |
5,8 |
4,0 |
23,2 |
54 |
0,75 |
0,208 |
195 |
0 |
0 |
0 |
0 |
195 |
||||
| 116 |
Жилая комната |
20 |
НС |
Ю |
4,0 |
2,9 |
11,6 |
54 |
1 |
0,275 |
172 |
0 |
5 |
5 |
17 |
189 |
575 |
| ДО |
Ю |
1,8 |
1,5 |
2,7 |
54 |
1 |
1,196 |
174 |
0 |
5 |
5 |
17 |
191 |
||||
| ПЛ |
- |
5,8 |
4,0 |
23,2 |
54 |
0,75 |
0,208 |
195 |
0 |
0 |
0 |
0 |
195 |
||||
| 117 |
Жилая комната |
20 |
НС |
Ю |
4,3 |
2,9 |
12,5 |
54 |
1 |
0,275 |
186 |
0 |
5 |
5 |
19 |
205 |
1094 |
| НС |
З |
6,3 |
2,9 |
18,3 |
54 |
1 |
0,275 |
272 |
5 |
5 |
5 |
41 |
313 |
||||
| ДО |
Ю |
1,8 |
1,5 |
2,7 |
54 |
1 |
1,196 |
174 |
0 |
5 |
5 |
17 |
191 |
||||
| ДО |
З |
1,8 |
1,5 |
2,7 |
54 |
1 |
1,196 |
174 |
5 |
5 |
5 |
26 |
200 |
||||
| ПЛ |
- |
5,8 |
3,8 |
22,0 |
54 |
0,75 |
0,208 |
185 |
0 |
0 |
0 |
0 |
185 |
||||
| 118 |
Коридор |
18 |
НС |
З |
2,0 |
3,2 |
3,6 |
52 |
1 |
0,275 |
51 |
5 |
5 |
0 |
5 |
56 |
841 |
| ДД |
З |
1,4 |
2,0 |
2,8 |
52 |
1 |
2,326 |
339 |
5 |
5 |
0 |
34 |
373 |
||||
| ПЛ |
- |
2,0 |
19,8 |
50,8 |
52 |
0,75 |
0,208 |
412 |
0 |
0 |
0 |
0 |
412 |
||||
| 201 |
Умывальная |
20 |
НС |
З |
2,9 |
2,9 |
8,4 |
54 |
1 |
0,275 |
125 |
5 |
5 |
0 |
13 |
138 |
453 |
| ДО |
З |
0,9 |
1,5 |
1,4 |
54 |
1 |
1,196 |
90 |
5 |
5 |
0 |
9 |
99 |
||||
| ВС |
- |
1,8 |
2,5 |
4,5 |
4 |
1 |
2,336 |
42 |
0 |
0 |
0 |
0 |
42 |
||||
| ПТ |
- |
2,9 |
5,8 |
16,8 |
54 |
0,9 |
0,213 |
174 |
0 |
0 |
0 |
0 |
174 |
||||
| 202 |
Туалет |
16 |
НС |
З |
3,3 |
2,9 |
9,6 |
50 |
1 |
0,275 |
132 |
5 |
5 |
5 |
20 |
152 |
409 |
| НС |
С |
2,3 |
2,9 |
6,7 |
50 |
1 |
0,277 |
93 |
10 |
5 |
5 |
19 |
112 |
||||
| ДО |
З |
0,9 |
1,5 |
1,4 |
50 |
1 |
1,196 |
84 |
5 |
5 |
5 |
13 |
97 |
||||
| ПТ |
- |
2,8 |
1,8 |
5,0 |
50 |
0,9 |
0,213 |
48 |
0 |
0 |
0 |
0 |
48 |
||||
| 203 |
Душевая |
25 |
НС |
С |
4,0 |
2,9 |
11,6 |
59 |
1 |
0,275 |
188 |
10 |
5 |
0 |
28 |
216 |
929 |
| ДО |
С |
1,8 |
1,5 |
2,7 |
59 |
1 |
1,196 |
191 |
10 |
5 |
0 |
29 |
220 |
||||
| ВС |
- |
4,0 |
2,5 |
10,0 |
5 |
1 |
2,336 |
117 |
0 |
0 |
0 |
0 |
117 |
||||
| ВС |
- |
3,0 |
2,5 |
7,5 |
9 |
1 |
2,336 |
158 |
0 |
0 |
0 |
0 |
158 |
||||
| ВС |
- |
3,0 |
2,5 |
7,5 |
7 |
1 |
1,736 |
91 |
0 |
0 |
0 |
0 |
91 |
||||
| ПТ |
- |
2,8 |
4,0 |
11,2 |
59 |
0,9 |
0,213 |
127 |
0 |
0 |
0 |
0 |
127 |
||||
| 204 |
Жилая комната |
20 |
НС |
С |
3,0 |
2,9 |
8,7 |
54 |
1 |
0,275 |
129 |
10 |
5 |
0 |
19 |
148 |
461 |
| ДО |
С |
1,2 |
1,5 |
1,8 |
54 |
1 |
1,196 |
116 |
10 |
5 |
0 |
17 |
133 |
||||
| ПТ |
- |
5,8 |
3,0 |
17,4 |
54 |
0,9 |
0,213 |
180 |
0 |
0 |
0 |
0 |
180 |
||||
| 205 |
Жилая комната |
20 |
НС |
С |
4,0 |
2,9 |
11,6 |
54 |
1 |
0,275 |
172 |
10 |
5 |
0 |
26 |
198 |
638 |
| ДО |
С |
1,8 |
1,5 |
2,7 |
54 |
1 |
1,196 |
174 |
10 |
5 |
0 |
26 |
200 |
||||
| ПТ |
- |
5,8 |
4,0 |
23,2 |
54 |
0,9 |
0,213 |
240 |
0 |
0 |
0 |
0 |
240 |
||||
| 206 |
Жилая комната |
20 |
НС |
С |
4,3 |
2,9 |
12,5 |
54 |
1 |
0,275 |
186 |
10 |
5 |
5 |
37 |
223 |
1204 |
| НС |
В |
6,4 |
2,9 |
18,6 |
54 |
1 |
0,275 |
276 |
10 |
5 |
5 |
55 |
331 |
||||
| ДО |
С |
1,8 |
1,5 |
2,7 |
54 |
1 |
1,196 |
174 |
10 |
5 |
5 |
35 |
209 |
||||
| ДО |
В |
1,8 |
1,5 |
2,7 |
54 |
1 |
1,196 |
174 |
10 |
5 |
5 |
35 |
209 |
||||
| ПТ |
- |
5,9 |
3,8 |
22,4 |
54 |
0,9 |
0,213 |
232 |
0 |
0 |
0 |
0 |
232 |
||||
| 207 |
Жилая комната |
20 |
НС |
В |
6,4 |
2,9 |
18,6 |
54 |
1 |
0,275 |
276 |
10 |
5 |
5 |
55 |
331 |
1168 |
| НС |
Ю |
4,3 |
2,9 |
12,5 |
54 |
1 |
0,275 |
186 |
0 |
5 |
5 |
19 |
205 |
||||
| ДО |
В |
1,8 |
1,5 |
2,7 |
54 |
1 |
1,196 |
174 |
10 |
5 |
5 |
35 |
209 |
||||
| ДО |
Ю |
1,8 |
1,5 |
2,7 |
54 |
1 |
1,196 |
174 |
0 |
5 |
5 |
17 |
191 |
||||
| ПТ |
- |
5,9 |
3,8 |
22,4 |
54 |
0,9 |
0,213 |
232 |
0 |
0 |
0 |
0 |
232 |
||||
| 208 |
Жилая комната |
20 |
НС |
Ю |
4,0 |
2,9 |
11,6 |
54 |
1 |
0,275 |
172 |
0 |
5 |
0 |
9 |
181 |
604 |
| ДО |
Ю |
1,8 |
1,5 |
2,7 |
54 |
1 |
1,196 |
174 |
0 |
5 |
0 |
9 |
183 |
||||
| ПТ |
- |
5,8 |
4,0 |
23,2 |
54 |
0,9 |
0,213 |
240 |
0 |
0 |
0 |
0 |
240 |
||||
| 209 |
Жилая комната |
20 |
НС |
Ю |
4,0 |
2,9 |
11,6 |
54 |
1 |
0,275 |
172 |
0 |
5 |
0 |
9 |
181 |
604 |
| ДО |
Ю |
1,8 |
1,5 |
2,7 |
54 |
1 |
1,196 |
174 |
0 |
5 |
0 |
9 |
183 |
||||
| ПТ |
- |
5,8 |
4,0 |
23,2 |
54 |
0,9 |
0,213 |
240 |
0 |
0 |
0 |
0 |
240 |
||||
| 210 |
Жилая комната |
20 |
НС |
Ю |
4,0 |
2,9 |
11,6 |
54 |
1 |
0,275 |
172 |
0 |
5 |
0 |
9 |
181 |
604 |
| ДО |
Ю |
1,8 |
1,5 |
2,7 |
54 |
1 |
1,196 |
174 |
0 |
5 |
0 |
9 |
183 |
||||
| ПТ |
- |
5,8 |
4,0 |
23,2 |
54 |
0,9 |
0,213 |
240 |
0 |
0 |
0 |
0 |
240 |
||||
| 211 |
Жилая комната |
20 |
НС |
Ю |
4,3 |
2,9 |
12,5 |
54 |
1 |
0,275 |
186 |
0 |
5 |
5 |
19 |
205 |
1137 |
| НС |
З |
6,3 |
2,9 |
18,3 |
54 |
1 |
0,275 |
272 |
5 |
5 |
5 |
41 |
313 |
||||
| ДО |
Ю |
1,8 |
1,5 |
2,7 |
54 |
1 |
1,196 |
174 |
0 |
5 |
5 |
17 |
191 |
||||
| ДО |
З |
1,8 |
1,5 |
2,7 |
54 |
1 |
1,196 |
174 |
5 |
5 |
5 |
26 |
200 |
||||
| ПТ |
- |
5,8 |
3,8 |
22,0 |
54 |
0,9 |
0,213 |
228 |
0 |
0 |
0 |
0 |
228 |
||||
| 212 |
Коридор |
18 |
НС |
З |
2,0 |
2,9 |
5,8 |
52 |
1 |
0,275 |
83 |
5 |
5 |
0 |
8 |
91 |
829 |
| НС |
В |
2,0 |
2,9 |
5,8 |
52 |
1 |
0,275 |
83 |
10 |
5 |
0 |
12 |
95 |
||||
| ДО |
З |
1,2 |
1,5 |
1,8 |
52 |
1 |
1,196 |
112 |
5 |
5 |
0 |
11 |
123 |
||||
| ДО |
В |
1,2 |
1,5 |
1,8 |
52 |
1 |
1,196 |
112 |
10 |
5 |
0 |
17 |
129 |
||||
| ПТ |
- |
19,6 |
2,0 |
39,2 |
52 |
0,9 |
0,213 |
391 |
0 |
0 |
0 |
0 |
391 |
||||
| А |
Лестничная клетка |
18 |
НС |
С |
3,0 |
6,5 |
19,5 |
52 |
1 |
0,275 |
279 |
10 |
5 |
0 |
42 |
321 |
1816 |
| ДО |
С |
1,3 |
1,5 |
2,0 |
52 |
1 |
1,196 |
124 |
10 |
5 |
0 |
19 |
143 |
||||
| ДД |
C |
1,3 |
2,0 |
2,6 |
52 |
1 |
1,725 |
233 |
10 |
5 |
0 |
35 |
268 |
||||
| ПТ |
- |
5,8 |
3,0 |
17,4 |
52 |
0,9 |
0,213 |
173 |
0 |
0 |
0 |
0 |
173 |
||||
| ПЛ |
Позонный расчёт |
911 |
|||||||||||||||
| Итого по зданию |
26471 |
||||||||||||||||
Таблица 2 Позонный расчет пола
| Зоны |
F, м2 |
R, Вт/(м2 ∙єС) |
tв , єС |
tн , єС |
n |
Qпл , Вт |
| Зона 1 |
34 |
2,1 |
18 |
-34 |
1 |
841,9 |
| Зона 2 |
5,72 |
4,3 |
18 |
-34 |
1 |
69,17 |
Итог: Qпл = 849,1 + 69,17 = 911,1 Вт
Определяем удельную тепловую характеристику здания:
,
где
- суммарные теплопотери всех помещении здания;
, м3
, объём здания;
м3
;
Вт/м3
∙ °С.
Должно выполнятся условие
. Нормативное значение берётся по таблице 4 [3] в зависимости от
. Значение нормируемой удельной тепловой характеристики для гражданского здания (туристическая база)
. Так как 0,16 < 0,35, следовательно, условие выполняется.
3 РАСЧЕТ ПОВЕРХНОСТИ НАГРЕВАТЕЛЬНЫХ ПРИБОРОВ
Для поддержания в помещении требуемой температуры необходимо, чтобы количество тепла, отдаваемого нагревательными приборами, установленными в помещении, соответствовало расчетным теплопотерям помещения.
Количество тепла Q , Вт, отдаваемого прибором, пропорционально площади поверхности его нагрева F пр , экм и коэффициенту теплоотдачи прибора q пр .
Исходя из этого, можно написать:
;
,
где,
- теплоотдача прибора, Вт/экм, находим по таблице III.22. [1].
При учете дополнительных факторов, влияющих на теплопередачу приборов, формула для расчёта поверхности прибора принимает общий вид:
,
где β 1 – коэффициент, учитывающий охлаждение воды в трубах;
β 2 – коэффициент, учитывающий способ установки прибора;
Число секций в радиаторах определяется по формуле:
,
где β 3 – коэффициент, учитывающий число секций приборов типа М-140 [5];
.
Площадь поверхности нагрева одной секции М-140-АО-300 = 0,217 экм. В процессе определения необходимой площади поверхности нагревательных приборов исходные и получаемые данные записывают в бланк. Разность между фактической и расчётной площадью поверхности прибора должна быть более -5%. Расчёт нагревательных приборов заносим в таблицу 2.
Таблица 2 Расчёт нагревательных приборов.
| № Помещения |
Температура воздуха в помещении tв , о С |
Расчётная нагрузка на прибор Qпот , Вт |
Коэффициент теплоотдачи прибора qпр Вт/экм |
Способ подачи теплоносителя |
Поправочные коэффициенты |
Площадь нагревательного прибора Fпр , экм |
Расчётное количество секций |
Принятое количество секций n, шт |
Количество приборов m, шт |
Площадь нагревательного прибора Fф , м2 |
Невязка Δ, % |
||
| Учитывающий охлаждение воды в трубах β1 |
Учитывающий способ установки прибора β2 |
Учитывающий число секций прибора β3 |
|||||||||||
| 1 |
2 |
3 |
5 |
6 |
7 |
8 |
9 |
10 |
11 |
12 |
13 |
14 |
15 |
| 101 |
20 |
427 |
488,46 |
Сверху - вниз |
1,05 |
1 |
1,04 |
0,918 |
4,1 |
5 |
1 |
1,085 |
15 |
| 102 |
16 |
398 |
523,35 |
1,05 |
1 |
1,05 |
0,799 |
3,5 |
4 |
1 |
0,868 |
8 |
|
| 103 |
25 |
905 |
436,12 |
1,05 |
1 |
1,00 |
2,179 |
10,1 |
11 |
1 |
2,387 |
9 |
|
| 104 |
20 |
428 |
488,46 |
1,05 |
1 |
1,04 |
0,920 |
4,1 |
5 |
1 |
1,085 |
15 |
|
| 105 |
20 |
593 |
488,46 |
1,05 |
1 |
1,02 |
1,275 |
5,8 |
6 |
1 |
1,302 |
2 |
|
| 106 |
20 |
671 |
488,46 |
1,05 |
1 |
1,01 |
1,442 |
6,6 |
7 |
1 |
1,519 |
5 |
|
| 107 |
16 |
1525 |
523,35 |
1,05 |
1 |
0,99 |
3,060 |
14,2 |
15 |
1 |
3,255 |
6 |
|
| 108 |
18 |
978 |
505,91 |
1,05 |
1 |
1,00 |
2,030 |
9,4 |
10 |
1 |
2,170 |
6 |
|
| 109 |
18 |
567 |
505,91 |
1,05 |
1 |
1,02 |
1,177 |
5,3 |
6 |
1 |
1,302 |
10 |
|
| 110 |
20 |
708 |
488,46 |
1,05 |
1 |
1,01 |
1,522 |
6,9 |
7 |
1 |
1,519 |
0 |
|
| 111 |
18 |
2325 |
505,91 |
1,05 |
1 |
0,98 |
4,825 |
22,6 |
23 |
3 |
4,991 |
3 |
|
| 112 |
16 |
1983 |
523,35 |
1,05 |
1 |
0,99 |
3,979 |
18,6 |
19 |
2 |
4,123 |
4 |
|
| 113 |
18 |
447 |
505,91 |
1,05 |
1 |
1,03 |
0,928 |
4,1 |
5 |
1 |
1,085 |
14 |
|
| 114 |
20 |
575 |
488,46 |
1,05 |
1 |
1,02 |
1,236 |
5,6 |
6 |
1 |
1,302 |
5 |
|
| 115 |
20 |
575 |
488,46 |
1,05 |
1 |
1,02 |
1,236 |
5,6 |
6 |
1 |
1,302 |
5 |
|
| 116 |
20 |
575 |
488,46 |
1,05 |
1 |
1,02 |
1,236 |
5,6 |
6 |
1 |
1,302 |
5 |
|
| 117 |
20 |
1094 |
488,46 |
1,05 |
1 |
1,00 |
2,352 |
10,9 |
11 |
2 |
2,387 |
1 |
|
| 118 |
18 |
841 |
505,91 |
1,05 |
1 |
1,00 |
1,745 |
8,0 |
9 |
1 |
1,953 |
11 |
|
| 201 |
20 |
453 |
488,46 |
1 |
1 |
1,03 |
0,927 |
4,1 |
5 |
1 |
1,085 |
15 |
|
| 202 |
16 |
409 |
523,35 |
1 |
1 |
1,05 |
0,782 |
3,4 |
4 |
1 |
0,868 |
10 |
|
| 203 |
25 |
929 |
436,12 |
1 |
1 |
1,00 |
2,130 |
9,8 |
10 |
1 |
2,170 |
2 |
|
| 204 |
20 |
461 |
488,46 |
1 |
1 |
1,03 |
0,944 |
4,2 |
5 |
1 |
1,085 |
13 |
|
| 205 |
20 |
638 |
488,46 |
1 |
1 |
1,02 |
1,306 |
5,9 |
6 |
1 |
1,302 |
0 |
|
| 206 |
20 |
1204 |
488,46 |
1 |
1 |
0,99 |
2,465 |
11,4 |
12 |
2 |
2,604 |
5 |
|
| 207 |
20 |
1168 |
488,46 |
1 |
1 |
1,00 |
2,391 |
11,1 |
11 |
2 |
2,387 |
0 |
|
| 208 |
20 |
516 |
488,46 |
1 |
1 |
1,03 |
1,056 |
4,7 |
5 |
1 |
1,085 |
3 |
|
| 208 |
20 |
604 |
488,46 |
1 |
1 |
1,02 |
1,237 |
5,6 |
6 |
1 |
1,302 |
5 |
|
| 209 |
20 |
604 |
488,46 |
1 |
1 |
1,02 |
1,237 |
5,6 |
6 |
1 |
1,302 |
5 |
|
| 210 |
20 |
604 |
488,46 |
1 |
1 |
1,02 |
1,237 |
5,6 |
6 |
1 |
1,302 |
5 |
|
| 212 |
18 |
829 |
505,91 |
1 |
1 |
1,01 |
1,639 |
7,5 |
8 |
2 |
1,736 |
6 |
|
| А |
18 |
1816 |
505,91 |
1,03 |
1 |
0,99 |
3,697 |
17,3 |
18 |
2 |
3,906 |
5 |
|
4 РАСЧЕТ ТРУБОПРОВОДОВ ДВУХТРУБНОЙ СИСТЕМЫ ВОДЯНОГО ОТОПЛЕНИЯ
Как известно из гидравлики при движении реальной жидкости по трубам всегда имеют место потери давления на преодоление сопротивления двух видов – трения и местных сопротивлений. К местным сопротивлениям относятся тройники крестовины, отводы, вентили, краны нагревательных приборов, котлы, теплообменники и т. д..
Потери давления R т , Па, на преодоление трения на участке трубопровода с
постоянным расходом движущейся среды (воды, пара) и неизменным диаметром определяют по формуле:
,
где R – удельная потеря давления;
l – длина участка трубопровода.
Потерю давления на преодоление местных сопротивлений, Па, определяют по формуле:
![]()
где
– сумма коэффициентов местных сопротивлений в данном участке трубопровода, величина безразмерная;
– динамическое давление воды в данном участке трубопровода, Па.
Общее сопротивление, возникающее при движении воды в трубопроводе циркуляционного кольца, включая отопительный прибор, котел и арматуру, может быть представлено как сумма потерь давления на трение Σ R· l и сумма потерь в местных сопротивлениях ΣΖ уравнением:
,
где Ρр – располагаемое давление.
Расчёт сети начинают с главного циркуляционного кольца, для которого R ср имеет наименьшую величину.
Кроме величины Rср , для подбора диаметра трубопроводов по таблице или номограмме необходимо знать количество воды G , кг/ч, протекающей по каждому расчетному участку циркуляционного кольца.
Величина G определяется по формуле:
, кг/ч
где Q – тепловая нагрузка расчетного участка по теплоотдаче приборов, Вт;
tг -tо – перепад температур воды в системе, о С;
с – теплоемкость воды, кДж/(кг·К);
3,6 – коэффициент перевода единиц Вт в кДж/ч.
Ориентируясь на полученное значение Rср , и определив количество воды
G, кг/ч, можно с помощью номограммы или расчетной таблицы подобрать оптимальные диаметры труб расчетного кольца. Все данные, получаемые при расчете трубопровода, заносят в таблицу.
При расчете отдельных участков трубопровода необходимо иметь в виду следующее: местное сопротивление тройников и крестовин относят лишь к расчетным участкам с наименьшим расходом воды; местные сопротивления нагревательных приборов, котлов и бойлеров учитывают поровну в каждом примыкающем к ним трубопроводе.
Если по произведенному расчету с учетом запаса до 10% расходуемое давление в системе будет больше или меньше располагаемого давления, то на отдельных участках кольца следует изменить диаметры труб.
Невязка в расходуемом давлении между отдельными циркуляционными кольцами допускается в однотрубных системах и двухтрубных системах с попутным движением воды до 15%, а в двухтрубных с тупиковой разводкой – до 25%.
Расчет трубопроводов двухтрубной системы водяного отопления с искусственной циркуляцией воды отличается от расчета трубопроводов такой же системы, но с естественной циркуляцией воды определением располагаемого давления. В системе с искусственной циркуляцией оно складывается из давления, возникающего в результате охлаждения воды в приборах и трубопроводах, и давления, которое создается насосом.
Располагаемое давление в этом случае определяется по выражению
,
где Δ Рпр – естественное давление, возникающее при охлаждении воды в приборах. Па,
ΔРтр – естественное давление, возникающее в результате охлаждения воды в трубопроводах, Па;
Рнас – давление, создаваемое насосом, Па.
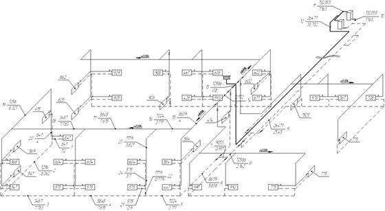
Аксонометрическая схема системы отопления представлена на рисунке 4.
Гидравлический расчёт системы отопления сводим в таблицу 3.

Рисунок 4 Аксонометрическая схема системы отопления
Таблица 3 Гидравлический расчёт системы отопления.
| № участка |
Тепловая нагрузка на участок Qуч , Вт |
Расход теплоно-сителя на участке G, кг/ч |
Длинна участка l, м |
Диаметр трубы d, мм |
Скорость воды на участке W, м/с |
Динами-ческий напор hw , Па |
Удельная потеря давления на трение R, Па |
Потеря давления на трение Rl, Па |
Сумма коэффици-ентов местных сопротивлений Σζ |
Потеря давления на местные сопротив-ления ΔP=Σζ·hw ,Па |
Полные потери давления на трение ΔP, Па |
| 1 |
2 |
3 |
4 |
5 |
6 |
7 |
8 |
9 |
10 |
11 |
12 |
| Большое циркуляционное кольцо |
|||||||||||
| 1 |
841 |
28,93 |
1,2 |
20 |
0,026 |
0,33 |
0,58 |
0,70 |
2,1 |
0,70 |
1,40 |
| 2 |
1256 |
43,21 |
8,362 |
20 |
0,039 |
0,75 |
1,30 |
10,88 |
2,5 |
1,87 |
12,75 |
| 3 |
3487 |
119,95 |
7,783 |
25 |
0,069 |
2,36 |
3,11 |
24,20 |
1,0 |
2,36 |
26,56 |
| 4 |
5845 |
201,07 |
7,615 |
25 |
0,116 |
6,63 |
8,74 |
66,52 |
1,0 |
6,63 |
73,15 |
| 5 |
7024 |
241,63 |
3,711 |
25 |
0,140 |
9,57 |
12,61 |
46,81 |
1,5 |
14,36 |
61,17 |
| 6 |
8639 |
297,18 |
5,838 |
25 |
0,172 |
14,48 |
19,08 |
111,40 |
3,5 |
50,67 |
162,07 |
| 7 |
9053 |
311,43 |
0,911 |
25 |
0,180 |
15,90 |
20,96 |
19,09 |
1,5 |
23,85 |
42,94 |
| 8 |
12586 |
432,96 |
2,162 |
25 |
0,251 |
30,73 |
40,50 |
87,57 |
3,5 |
107,55 |
195,12 |
| 9 |
26471 |
910,61 |
25,45 |
32 |
0,322 |
50,64 |
49,02 |
1247,62 |
5,0 |
253,18 |
1500,80 |
| 10 |
13235,5 |
455,31 |
1,163 |
25 |
0,264 |
33,98 |
44,79 |
52,09 |
4,5 |
152,92 |
205,01 |
| 11 |
13235,5 |
455,31 |
1,163 |
25 |
0,264 |
33,98 |
45,53 |
52,95 |
6,0 |
203,89 |
256,84 |
| 12 |
26471 |
910,61 |
33,732 |
32 |
0,322 |
50,64 |
49,83 |
1680,88 |
5,0 |
253,18 |
1934,07 |
| 13 |
12586 |
432,96 |
0,8 |
25 |
0,251 |
30,23 |
41,17 |
32,94 |
2,0 |
60,46 |
93,40 |
| 14 |
12172 |
418,72 |
2 |
25 |
0,242 |
28,27 |
38,51 |
77,01 |
1,5 |
42,41 |
119,42 |
| 15 |
8639 |
297,18 |
4 |
25 |
0,172 |
14,24 |
19,40 |
77,59 |
1,5 |
21,36 |
98,95 |
| 16 |
7024 |
241,63 |
3,711 |
25 |
0,140 |
9,42 |
12,82 |
47,58 |
1,5 |
14,12 |
61,71 |
| 17 |
5845 |
201,07 |
7,615 |
25 |
0,116 |
6,52 |
8,88 |
67,62 |
1,0 |
6,52 |
74,14 |
| 18 |
3487 |
119,95 |
7,783 |
25 |
0,069 |
2,32 |
3,16 |
24,60 |
1,0 |
2,32 |
26,92 |
| 19 |
1256 |
43,21 |
8,321 |
25 |
0,025 |
0,30 |
0,41 |
3,41 |
2,5 |
0,75 |
4,16 |
| 20 |
841 |
28,93 |
4 |
20 |
0,026 |
0,33 |
0,59 |
2,37 |
4,6 |
1,52 |
3,89 |
| Малое циркуляционное кольцо |
|||||||||||
| 21 |
575 |
19,78 |
0,9 |
20 |
0,018 |
0,16 |
0,3 |
0,2 |
2,1 |
0,3 |
0,6 |
| 22 |
1179 |
40,56 |
0,779 |
20 |
0,037 |
0,66 |
1,1 |
0,9 |
1,5 |
1,0 |
1,9 |
| 5 |
7024 |
241,63 |
3,711 |
25 |
0,140 |
9,57 |
12,6 |
46,8 |
1,5 |
14,4 |
61,2 |
| 6 |
8639 |
297,18 |
5,838 |
25 |
0,172 |
14,48 |
19,08 |
111,40 |
1,5 |
21,72 |
133,12 |
| 7 |
9053 |
311,43 |
0,911 |
25 |
0,180 |
15,90 |
20,96 |
19,09 |
3,5 |
55,64 |
74,73 |
| 8 |
12586 |
432,96 |
2,162 |
25 |
0,251 |
30,73 |
40,50 |
87,57 |
1,5 |
46,09 |
133,66 |
| 9 |
26471 |
910,61 |
25,45 |
32 |
0,322 |
50,64 |
49,02 |
1247,62 |
3,5 |
177,23 |
1424,84 |
| 10 |
13235,5 |
455,31 |
1,163 |
25 |
0,264 |
33,98 |
44,79 |
52,09 |
5,0 |
169,91 |
222,00 |
| 11 |
13235,5 |
455,31 |
1,163 |
25 |
0,264 |
33,98 |
44,79 |
52,09 |
4,5 |
152,92 |
205,01 |
| 12 |
26471 |
910,61 |
33,732 |
32 |
0,322 |
50,64 |
49,02 |
1653,62 |
6,0 |
303,82 |
1957,44 |
| 13 |
12586 |
432,96 |
0,8 |
25 |
0,251 |
30,73 |
40,50 |
32,40 |
5,0 |
153,64 |
186,04 |
| 14 |
12172 |
418,72 |
2 |
25 |
0,242 |
28,27 |
37,88 |
75,76 |
2,0 |
56,55 |
132,31 |
| 15 |
8639 |
297,18 |
4 |
25 |
0,172 |
14,24 |
19,08 |
76,33 |
1,5 |
21,36 |
97,69 |
| 16 |
7024 |
241,63 |
3,711 |
25 |
0,140 |
9,42 |
12,61 |
46,81 |
1,5 |
14,12 |
60,94 |
| 23 |
1179 |
40,56 |
3,821 |
20 |
0,037 |
0,65 |
1,15 |
4,38 |
2,5 |
1,62 |
6,00 |
| 24 |
575 |
19,78 |
3,7 |
20 |
0,018 |
0,15 |
0,27 |
1,01 |
4,6 |
0,71 |
1,72 |
Рассчитаем невязку:
%
Невязка допустима.
Расчёт местных сопротивлений сводим в таблицу 4.
Таблица 4 Расчёт местных сопротивлений
| № участка |
Характер сопротивления |
Численное значение |
Итого по участку |
| 1 |
0,5 радиатора |
0,6 |
2,1 |
| Тройник на проход с поворотом |
1,5 |
||
| 2 |
Отвод на 90о |
1 |
2,5 |
| Тройник на проход с поворотом |
1,5 |
||
| 3 |
Тройник на прямой проход |
1 |
1 |
| 4 |
Тройник на прямой проход |
1 |
1 |
| 5 |
Тройник на проход с поворотом |
1,5 |
1,5 |
| 6 |
Задвижка |
0,5 |
3,5 |
| Тройник на противотоке |
3 |
||
| 7 |
Тройник на проход с поворотом |
1,5 |
1,5 |
| 8 |
Задвижка |
0,5 |
3,5 |
| Тройник на противотоке |
3 |
||
| 9 |
Отвод на 90о |
1 |
5 |
| Тройник на прямой проход |
1 |
||
| Задвижка |
0,5 |
||
| Задвижка |
0,5 |
||
| Тройник на прямой проход |
1 |
||
| Отвод на 90о |
1 |
||
| 10 |
Тройник на проход с поворотом |
1,5 |
4,5 |
| Отвод на 90о |
1 |
||
| Задвижка |
0,5 |
||
| 0,5 Котла |
1,5 |
||
| 11 |
0,5 Котла |
1,5 |
6 |
| Задвижка |
0,5 |
||
| Отвод на 90о |
1 |
||
| Тройник на противотоке |
3 |
||
| 12 |
Отвод на 90о |
1 |
5 |
| Отвод на 90о |
1 |
||
| Отвод на 90о |
1 |
||
| Отвод на 90о |
1 |
||
| Отвод на 90о |
1 |
||
| 13 |
Тройник на проход с поворотом |
1,5 |
2 |
| Задвижка |
0,5 |
||
| 14 |
Тройник на прямой проход |
1 |
1,5 |
| Задвижка |
0,5 |
||
| 15 |
Тройник на прямой проход |
1 |
1,5 |
| Задвижка |
0,5 |
||
| 16 |
Тройник на проход с поворотом |
1,5 |
1,5 |
| 17 |
Тройник на прямой проход |
1 |
1 |
| 18 |
Тройник на прямой проход |
1 |
1 |
| 19 |
Тройник на проход с поворотом |
1,5 |
2,5 |
| Отвод на 90о |
1 |
||
| 20 |
Тройник на прямой проход |
1 |
4,6 |
| Отвод на 90о |
1 |
||
| Кран двойной регулировки |
2 |
||
| 0,5 радиатора |
0,6 |
||
| 21 |
0,5 радиатора |
0,6 |
2,1 |
| Тройник на проход с поворотом |
1,5 |
||
| 22 |
Тройник на проход с поворотом |
1,5 |
1,5 |
| 23 |
Тройник на проход с поворотом |
1,5 |
2,5 |
| Отвод на 90о |
1 |
||
| 24 |
Тройник на прямой проход |
1 |
4,6 |
| Отвод на 90о |
1 |
||
| Кран двойной регулировки |
2 |
||
| 0,5 радиатора |
0,6 |
5 РАСЧЕТ СИСТЕМЫ ВЕНТИЛЯЦИИ
В канальных системах естественной вытяжной вентиляции воздух перемещается в каналах и воздуховодах под действием естественного давления, возникающего вследствие разности давлений холодного наружного и теплого внутреннего воздуха.
Естественное давление Δре Па, определяют по формуле:
, (5.1)
где hi – высота воздушного столба, принимаемая от центра вытяжного отверстия до устья вытяжной шахты, м;
ρ н , ρ в – плотность соответственно наружного и внутреннего воздуха, кг/м3 .
Аэродинамический расчет воздуховодов (каналов) выполняют по таблице или номограммам, составленным для стальных воздуховодов круглого сечения при ρ в = 1,205 кг/м3 , t в = 20 °С. В них взаимосвязаны величины L , R , w , hw и d .
Чтобы воспользоваться таблицей или номограммой для расчета воздуховода прямоугольного сечения, необходимо предварительно определить соответствующую величину равновеликого (эквивалентного), диаметра, т.е. такого диаметра круглого воздуховода, при котором для той же скорости движения воздуха, как и в прямоугольном воздуховоде, удельные потери давления на трение были бы равны. Диаметр определяется по; формуле:
, (5.2)
где a, b – размеры сторон прямоугольного воздуховода, м.
Аксонометрическая схема вентиляции представлена на рисунке 6.

Рисунок 6 Аксонометрическая схема системы вентиляции
Таблица 5 Расчёт местных сопротивлений
| № участка |
Характер сопротивления |
ξ |
Σξ |
| 1 |
жалюзийно-декоративная решётка с внутренними подвижными жалюзи |
1,21 |
2,25 |
| колено с изменением сечения |
1,04 |
||
| 2 |
прямоугольный тройник на проход |
0,6 |
0,6 |
| 3 |
тройник на всасывание |
0,8 |
0,8 |
| 4 |
диффузор с зонтом |
0,7 |
0,7 |
| 5 |
жалюзийно-декоративная решётка с внутренними подвижными жалюзи |
1,21 |
2,25 |
| колено с изменением сечения |
1,04 |
||
| 6 |
прямоугольный тройник на проход |
0,6 |
0,6 |
| 7 |
тройник на всасывание |
0,8 |
0,8 |
| 8 |
жалюзийно-декоративная решётка с внутренними подвижными жалюзи |
1,21 |
2,31 |
| прямоугольный тройник на ответвление |
1,1 |
||
| 9 |
жалюзийно-декоративная решётка с внутренними подвижными жалюзи |
1,21 |
2,31 |
| прямоугольный тройник на ответвление |
1,1 |
Из таблицы VII.7 [5] определяем, что часовой объём вентилируемого воздуха, м3 /ч.
Это значение принимаем в качестве расчётного.
Вытяжная решётка будет находиться на высоте 2,2 м над уровнем пола.
Для определения площади сечения канала на данном участке задаёмся скоростью движения воздуха по таблице 4.1 [6], м/с.
Площадь поперечного сечения канала, м2 , определяется по формуле:
, (5.3)
Принимаем размеры поперечного сечения прямоугольного канала, м.
Уточним скорость движения воздуха на участке:
, (5.4)
Эквивалентный диаметр участка:
, (5.5)
где а , b – размеры поперечного сечения прямоугольного канала, мм.
По номограмме, приложение 1 [6] определяем удельную потерю давления на трение, Па/м.
Потери давления на трение на участке с учётом шероховатости:
, (5.6)
где
- коэффициент шероховатости материала канала, для шлакобетонных плит
таблица III.5 [5];
Определим сумму коэффициентов местных сопротивлений на участке по таблице 6.
Из приложения 1 [6] по скорости воздуха определяем динамическое давление, Па.
Потери давления на местные сопротивления участка:
, (5.7)
Общие потери давления на участке, Па:
. (5.8)
Результаты расчёта системы вентиляции представлены в таблице 6.
Располагаемое давление, Па, в естественной вытяжной системе вентиляции определяется по формуле:
, (5.9)
где h – расстояние по вертикали от оси вытяжной решетки до устья вытяжной шахты, м,
Для второго этажа h = 1,6 м;
Для первого этажа h = 4,3 м;
– плотность наружного воздуха, кг/м3
, при температуре 5 °С,
;
– плотность внутреннего воздуха, кг/м3
, при
°С,
;
Па.
Па.
Сравним полученные потери на участке 1,2,3,4 с располагаемым давлением: 1,026 Па = 2,7 Па, следовательно, условие естественной вентиляции PРАСП. ≥Rl+Z = ΔP выполняется.
На участке 5,6,7,4: 0,969 Па < 1,37 Па;
На участке 8,7,4: 0,978 Па < 2,7 Па;
На участке 9,3,4: 0,921 Па < 1,37 Па;
Все условия выполняются.
| № участка |
Расход воздуха L, м3 /ч |
Длинна участка l, м |
Скорость воздуха на участке w, м/с |
Площадь поперечного сечения воздухо-вода f, м2 |
Разме-ры воздуховода, м |
Эквивалентный диаметр dэ , м |
Удель-ная потеря давления на трение R, Па/м |
Потеря давле-ния на трение Rl*β, Па |
Сумма коэффициентов местных сопротивлений Σζ |
Динами-ческий напор hw , Па |
Потеря давления на местные сопротив-ления Z=Σζ·hw ,Па |
Полные потери давления ΔP, Па |
|
| а |
b |
||||||||||||
| 1 |
50 |
4,3 |
0,43 |
0,03 |
0,16 |
0,2 |
0,178 |
0,018 |
0,091 |
2,25 |
0,117 |
0,262 |
0,354 |
| 2 |
50 |
0,5 |
0,35 |
0,04 |
0,2 |
0,2 |
0,2 |
0,018 |
0,011 |
0,6 |
0,075 |
0,045 |
0,055 |
| 3 |
100 |
0,5 |
0,69 |
0,04 |
0,2 |
0,2 |
0,2 |
0,018 |
0,011 |
0,8 |
0,299 |
0,239 |
0,249 |
| 4 |
200 |
1,2 |
0,89 |
0,06 |
0,25 |
0,25 |
0,25 |
0,018 |
0,025 |
0,7 |
0,489 |
0,342 |
0,368 |
| Сумма потерь по участку 1,2,3,4 |
1,026 |
||||||||||||
| 5 |
50 |
1,6 |
0,43 |
0,03 |
0,16 |
0,2 |
0,178 |
0,018 |
0,034 |
2,25 |
0,117 |
0,262 |
0,296 |
| 6 |
50 |
0,5 |
0,35 |
0,04 |
0,2 |
0,2 |
0,2 |
0,018 |
0,011 |
0,6 |
0,075 |
0,045 |
0,055 |
| 7 |
100 |
0,5 |
0,69 |
0,04 |
0,2 |
0,2 |
0,2 |
0,018 |
0,011 |
0,8 |
0,299 |
0,239 |
0,249 |
| Сумма потерь по участку 5,6,7,4 |
0,969 |
||||||||||||
| 8 |
50 |
4,3 |
0,43 |
0,03 |
0,16 |
0,2 |
0,178 |
0,018 |
0,091 |
2,31 |
0,117 |
0,269 |
0,361 |
| Сумма потерь по участку 8,7,4 |
0,978 |
||||||||||||
| 9 |
50 |
1,6 |
0,43 |
0,03 |
0,16 |
0,2 |
0,178 |
0,018 |
0,034 |
2,31 |
0,117 |
0,269 |
0,303 |
| Сумма потерь по участку 9,3,4 |
0,921 |
||||||||||||
Таблица 6 Расчёт смистемы вентиляции
6 ВЫБОР ЦИРКУЛЯЦИОННОГО НАСОСА
Для подбора циркуляционного насоса необходимо знать требуемую его подачу и расчётное давление. Требуемая подача насоса Vнac
, м3
/ч, определяется тепловой нагрузкой обслуживаемой системы отопления ΣQ, Вт, и перепадом температуры воды
.
, (6.1)
где α – коэффициент запаса, учитывающий бесполезные потери тепла, α= 1,1…1,2;
с – теплоемкость воды, кДж/(кг·К);
ρ70 – плотность воды, кг/м3 ;
м3
/ч.
Давление, создаваемое циркуляционным насосом, должно быть достаточным для преодоления всех сопротивлений движению воды в системе и принимается по потерям давления в самом невыгодном циркуляционном кольце:
Па= 4,954 кПа.
; (6.2)
м.
Насосы подбирают по их рабочим характеристикам, которые приведены в справочниках по санитарной технике и в каталогах заводов-изготовителей.
По требуемой подаче и давлению выбираем насос типа UPS 25-20 [4].
Характеристики насоса приведены в таблице 7.
Таблица 7 Характеристики насоса
| Производительность, м3 /ч |
Полный напор Н,м. |
Скорость |
Р1 , Вт. |
Iп , А |
| 1,7 |
1,2 |
3 |
55 |
0,24 |
7 ВЫБОР ОБОРУДОВАНИЯ КОТЕЛЬНОЙ
Необходимо подобрать котёл, выбрать дымовые каналы для него, и определить высоту дымовой трубы.
Выбор котла производится по суммарной поверхности нагрева, которая определяется по формуле:
м2
, (7.1)
где 1,1…
- коэффициент запаса на производительные потери тепла соответственно при нижней и верхней разводке трубопроводов;
- расчетное количество тепла, ккал/ч;
- тепловое напряжение поверхности нагрева, ккал/(м2
·ч).
В качестве расчетного количества тепла принимаем суммарные теплопотери всего здания
Вт = 22761 ккал/ч.
По таблице V.13 определяем тепловое напряжение поверхности нагрева.
Для котлов типа ВНИИСТО-Мч большой модели при сжигании сортированного антрацита
ккал/(м2
·ч).
м2
.
Исходя из полученного результата, к установке принимаем 2 котла ВНИИСТО-Мч (большая модель) ГОСТ 7252-54, с максимальной теплопроизводительностью при сжигании сортированного антрацита 14000 ккал/ч.
· Количество секций котла – 3 штуки;
· Строительная длина – 400 мм;
· Ёмкость – 30,5 л;
· Поверхность нагрева – 1,5 м2 ;
· Масса без воды – 247 кг.
Для чугунных котлов ВНИИСТО-Мч подбираем размеры дымовых каналов по таблице V.21 [1].
· Площадь сечения каналов от чугунных котлов – 196 см2
· Площадь сечения выходного отверстия трубы – 378 см2
· Размеры канала, кирпичей – 1/2Ч1/2
· Высота трубы при известной теплопроизводительности – 9 м.
Для водогрейных и паровых котлов расход рассчитывается по формуле:
, (7.2)
где
- расход тепла, ккал/ч;
- средняя низшая теплота сгорания топлива ккал/кг;
- кпд котельной установки [1]. По таблице V.23 [1] для антрацита находим
ккал/кг.
кг/ч.
Площадь склада для твердого топлива на месячный запас:
, м2
, (7.3)
где
- объемная масса топлива, принимаемая по таблице V.23 [1], кг/м3
,
;
- высота штабеля в зависимости от рода топлива, м,
;
м2
.
Расход твердого топлива за отопительный период:
, (7.4)
где 1,1…1,2 - коэффициент, учитывающий непроизводительные потери тепла;
- теплопотери здания, ккал/ч;
- средняя внутренняя температура отапливаемых помещений, о
С;
т.
8 ПОДБОР РАСШИРИТЕЛЬНОГО БАКА
Объём воды, л, в элементах системы отопления (нагревательных приборах, трубопроводах и котлах) находится по формуле:
, (8.1)
где
- тепловая мощность системы отопления, Вт,
Вт;
- объём воды в элементах системы отопления, л, в расчёте на теплоотдачу.
Для нагревательных приборов:
л, для трубопроводов местной системы с насосной циркуляцией:
л по таблице III.43 [1], для чугунных секционных котлов:
л по таблице III.43 [1].
л.
Полезная ёмкость расширительного бака, л, при температуре в подающем трубопроводе
0
С определяется по выражению:
, (8.2)
л.
Поскольку ни один из стандартных баков не подходит, сконструируем расширительный сосуд исходя из величины полезного объема. Емкость бака до переливной трубы 21,51·1, 5 = 32 л = 0,032 м3 . Примем высоту бака H = 500мм, тогда диаметр найдем по формуле:
Примем диаметр D = 300 мм.
СПИСОК ИСПОЛЬЗОВАННЫХ ИСТОЧНИКОВ
1. Щекин Р.В. и др. Справочник по теплоснабжению и вентиляции.
2. Тихомиров К.В. Теплотехника, теплогазоснабжение и вентиляция. – М.: Стройиздат, 1981. – 272 с.
3. Свистунов В. М., Пушняков Н. К. Отопление, вентиляция и кондиционирование воздуха обьектов агропромышленного комплекса и жилищно-комунального хозяйства: Учебник для вузов.- СПб.: Политехника, 2001.- 423 с.: ил.
4. Внутренние санитарно-технические устройства. В 3 ч. Ч. I. Отопление/ В. Н. Богословский, Б. А. Крупнов, А. Н. Сканави и др.; Под ред. И. Г. Староверова и Ю. И. Шиллера. -4-е изд., перераб. и доп.- М.: Стройиздат, 1990.-334 с.: ил.-(Справочник проектировщика).
5. Отопление: Учебник для студентов вузов, обучающихся по направлению «Строительство», специальности 290700/ Л.М. Махов. – М.: АСВ, 2002.- 576 с.: ил.

