| Скачать .docx |
Курсовая работа: Курсовая работа: Проектирование многопустотной железобетонной плиты перекрытия
1. РАЗБИВКА БАЛОЧНОЙ КЛЕТКИ И ВЫБОР ОПТИМАЛЬНОГО ВАРИАНТА
1.1 Исходные данные для проектирования
Здание больницы шестиэтажное с неполным железобетонным каркасом с кирпичными стенами. Расстояние в свету между стенами 18x21,4 м. Высота этажа 3,6 м. Нормативная нагрузка 3,8 кН/м2 , в том числе длительная нагрузка 1,8 кН/м2 [1, прил. 1]. Коэффициент надежности по нагрузке γf =1,3 [2, п. 3.7]. Коэффициент надежности по назначению здания γп =1,0 [1, прил. 6]. Плиты многопустотные с круглыми пустотами.
Таблица 1 – Характеристики элементов
| Сборная плита |
Ригель |
Колонна |
Фундамент |
|
| Класс бетона |
В25 |
В20 |
В25 |
В20 |
| Класс арматуры |
АIV |
AIII |
AIII |
AIII |
1.2 Варианты разбивки балочной клетки
Первый вариант – балки расположены вдоль помещения [рис. 1.1]. Характеристики варианта: плиты 6,00х1,20 – 10 шт., 6,00х1,50 – 14шт., 6,30х1,20 – 5 шт., 6,30х1,50 – 7шт.; связевые плиты 6,00х2,20 – 4 шт., 6,3х2,2 – 2 шт.; пролет балок (по осям колонн) 7,40 м.
Второй вариант – балки расположены поперек помещения [рис. 1.2]. Характеристики варианта: плиты 5,40х1,20 – 32 шт., 5,40х1,50 – 4шт., 5,40х2,20 – 4 шт.; связевые плиты 5,40х2,20 – 8 шт.; пролеты балок (по осям колонн) 5,4 м.

Рисунок 1.1. Расположение балок вдоль помещения

Рис.1.2. - Расположение балок поперек помещения
Для сравнения вариантов по расходу железобетона, необходимо определить требуемые размеры балок перекрытия в обоих вариантах при одинаковом коэффициенте армирования. Экономическое значение этого коэффициента для балок равно μэ = 1,2 – 1,8 %.
1.3.1 Сбор нагрузок на 1 м2 перекрытия
Нормативную нагрузку от собственного веса пола принимаем по [1, прил. 2]: керамический пол – 1,2 кН/м2 . Собственный вес плиты принимаем по [1, прил. 3]: плита с круглыми пустотами - 2,5 кН/м2 . Сбор нагрузки на 1 м2 перекрытия представлен в табличной форме [табл. 1.1].
Таблица 1.1 - Сбор нагрузок на перекрытие
| Нагрузка |
Нормативная нагрузка, кН/м2 |
γf |
Расчетная Нагрузка, кН/м2 |
| Постоянная |
|||
| Керамическая плитка |
0,3 |
1,1 |
0,33 |
| Слой цементного раствора 0,03х22кН/м3 |
0,66 |
1,3 |
0,85 |
| Звукоизоляция |
0,24 |
1,2 |
0,28 |
| Многопустотная плита с круглыми пустотами |
2,5 |
1,1 |
2,75 |
| Итого γn =1 |
3.70 |
4,21 |
|
| Временная |
3.8 |
1,2 |
4.56 |
| в том числе длительная |
1.8 |
1.2 |
2.16 |
| кратковременная |
2.0 |
1,2 |
2.4 |
| Полная |
7.5 |
8.77 |
|
| в том числе постоянная и длительная |
5.5 |
- |
|
| кратковременная |
2.0 |
– |
Назначение предварительных размеров балки. Высота:
![]()
7,4м=0,925…0,616 м.
Принимаем h = 0,7 м. Ширина:
м.
Принимаем b = 0,3 м.
Собственный вес 1 погонного метра балки равен:
Qb = b h γ = 0,3 x 0,70 x 25 = 5,25кН/м,
где γ =25 кН/м3 – удельный вес бетона.
Расчетная нагрузка на погонный метр балки [рис. 1.3] равна:
8,77+5,25х1,1= 59,05 кН/м.

Рис. 1.3 - Нагрузка на погонный метр балки.
Момент в первом пролёте:
![]()
во втором пролете:
![]()
Принимаем μэ = 1,5 %. Тогда:
![]()
где
МПа [3, табл. 22];
МПа [3, табл. 13]; γb
2
=0,9 [3, табл. 15]
Определяем значение h0 :
[3, формула (25)]
где
[2, формула (26)]
Так как
(0,528 < 0,628), то
;
=0,47 м.
и h = h0 + a = 0,47+0,055=0,525 м. Принимаем h = 0,55 м.
Оставим как и в первом варианте, предварительные размеры балки 0,3х0,70м. Тогда:
Расчетная нагрузка на погонный метр балки равна:
8,77+5,25х1,1=52,69 кН/м.
Момент в пролёте:
;
Принимая μэ = 1,5 %, имеем:
,
,
;
=0,38 м.
h=h0 +a=0,38+0,055=0,435 м. Принимаем h = 0,45 м.
Поскольку расход железобетона на плиты остается постоянным для обоих вариантов (перекрывается одинаковая площадь), сравнение производится по расходу железобетона на балки и колонны (пределах этажа). Размер сечения колонны принимается 0,25 м.
Данные по сравнению вариантов сведены в таблицу 1.2.
| № вар-та |
Наименование деталей |
Кол-во штук |
Сечение м2 |
Длина м |
Расход железобетона, м3 |
| 1 |
Балки крайние |
4 |
0,3 х 0,55 |
7 |
4,62 |
| Балки средние |
2 |
0,3 х 0,55 |
7,4 |
2,442 |
|
| Колонны |
4 |
0,3 х 0,3 |
3,60 |
0,9 |
|
| Плиты |
42 |
– |
– |
– |
|
| Итого |
– |
– |
– |
7,962 |
|
| 2 |
Балки крайние |
6 |
0,3 х 0,45 |
6 |
4,86 |
| Балки средние |
3 |
0,3 х 0,45 |
6 |
2,43 |
|
| Колонны |
6 |
0,3 х 0,3 |
3,6 |
1,35 |
|
| Плиты |
48 |
– |
– |
– |
|
| Итого |
– |
– |
8,38 |
||
Таблица 1.2 - Сравнение вариантов
Вывод: По расходу железобетона и количеству деталей принимаем 1-й вариант.
2 РАСЧЕТ ПРЕДВАРИТЕЛЬНО НАПРЯЖЕННОЙ ПЛИТЫ С КРУГЛЫМИ ПУСТОТАМИ
2.1 Исходные данные, характеристики материалов и технология изготовления плиты
Пролет плиты – 6,3 м.
Ширина плиты – 1,5 м.
Ширина балок – 0,3 м.
Класс бетона – В25.
Расчетное сопротивление бетона RB = 14,5 МПа [3, табл. 13],
RB t = 1,05 МПа [3, табл. 13].
Сопротивление бетона при расчете по 2-ой группе предельных состояний: RB,ser = 18,5 МПа [3, табл. 12], RBt,ser = 1,6 МПа [3, табл. 12]. Модуль деформации бетона ЕB = 27000 МПа [3, табл. 18]. Класс предварительно напрягаемой арматуры А-IV.
Сопротивление напрягаемой арматуры: RSP =510 МПа и RS С =450 МПа [3, табл. 22], RS , SER =590 МПа [3, табл. 19]. Модуль деформации ES =190000 МПа [3, табл. 29]. Класс ненапрягаемой арматуры Вр-I. Влажность воздуха окружающей среды менее 75% - γb 2 =0,9 [3, табл. 15]. Формирование плит на металлическом поддоне с теплообработкой – в тоннельных камерах. Натяжение арматуры – на упорах электротермическим способом.
Нагрузка на 1 м2 плиты приведена в таблице 1.1.
2.2 Назначение основных размеров плиты
Расчетный пролет (крайняя плита):
м
Высота плиты:
,
где k = 8 ... 10 (пустотные плиты); qn – нормативная продолжительная нагрузка (постоянная и длительная) в кН/м2 ; Vn – нормативная кратковременная нагрузка в кН/м2 .
м.
Принимаем hn = 0,25 м.
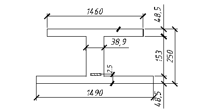
Основные размеры поперечного сечения плиты (назначены по рекомендациям [1, прил. 3]) показаны на рис. 2.1.
Проверка: 7 х 170 + 6 х 30 + 2 х 60=1490 мм.

Рис. 2.1 Поперечное сечение плиты
2.3 Расчет по 1-ой группе предельных состояний
2.3.1 Расчет полки плиты на изгиб
Для расчета выделяют полосу плиты шириной в один метр. Сбор нагрузок на полку плиты приведён в таблице 1.3.
Таблица 1.3 Загружение полки плиты
| Наименование нагрузок |
qn кН/м |
gf |
q кН/м |
| Вес пола (см. табл. 1) |
1,2 |
- |
1,46 |
| Вес полки (0,03´25) |
0,75 |
1,1 |
0,825 |
| 3. Временная нагрузка |
3,8 |
1,2 |
4,56 |
| Итого ´ gn |
5,75 |
6,845 |
Изгибающий момент [рисунок 2.2]:
кНм

Рис. 2.2 - Схема работы полки плиты
Полезная высота сечения при расположении арматуры в середине полки:
м.
Подбор сечения арматуры:
![]()
![]()
м2
.
Принимаем минимальную сварную сетку по ГОСТ 8478-8 [4, приложение VII]
(Аs
=0,65 см2
).
2.3.2 Предварительный подбор сечения продольной арматуры
Изгибающий момент в середине пролета:
кНм.
В расчетах по предельным состояниям первой группы расчетная толщина сжатой полки приведенного таврового сечения (рис. 2.3) принимается равной фактическому значению (
). Ширина полки bf
’
, вводимой в расчет, принимается равной всей ширине верхней полки плиты, так как имеет место:
[3, п.3.16]. Ширина ребра b=1,46 - 7´0,17 = 0,27 м.

Рис. 2.3 - Сжатая полка сечения плиты
Предположим, что нейтральная ось проходит в пределах полки (I случай), то есть
[1, 3.3].

где
см
![]()
см, подтверждается 1-ый случай расчета.
Для вычисления коэффициента условия работы gsb по формуле
, [3, 27]
принимаем предварительно xR =0,55. Для арматуры класса A-IV коэффициент h=1,2 [3, п.3.13]. Тогда
Принимаем gsb
=1,2.
Требуемое сечение арматуры равно:
![]()
Принимаем 6Æ10A-IV (Asp =4,74 см2 ) [прил. 4]. Размещение арматуры приведено на рисунке 2.4.

Рис. 2.4 - Размещение рабочей арматуры.
2.3.3 Определение характеристик приведённого сечения
Заменяем пустоты равновеликими по площади и моментам инерции прямоугольниками. При круглых пустотах диаметрами d сторона квадратного отверстия равна: hred =0,9d=0,9´17=15,3 см.
Толщина полок, приведенного сечения hf = hf ’ =(25-15,3)´0,5=4,85 см.
Ширина ребра 146-7´15,3=38,9 см [рисунок 2.4].
[3, п. 4.5]
![]()

Рис. 2.4. Приведенное сечение плиты
Приведенная площадь сечения:
![]()
м2
.
Приведенный статический момент относительно нижней грани сечения:
![]()
м3
.
Положение центра тяжести приведенного сечения:
м.
Приведенный момент инерции:
![]()

Момент сопротивления по нижней зоне
м3
,
то же по верхней зоне
м3
.
2.3.4 Назначение величины предварительного напряжения арматуры
Для арматуры должны выполняться условия:
и
[3, 1]
где значение допустимых отклонений Р при электротермическом способе принимается [3, п.1.23]:
МПа [3, 2]. Тогда
МПа,
МПа.
Принимаем ssp =500 МПа.
2.3.5 Определение потерь предварительного напряжения
Первые потери (
):
1. От релаксации напряжений арматуры. При электротермическом натяжении стержневой арматуры:
s1 =0,03ssp =0,03´500=15 МПа [3, поз.1 табл.5].
2. От температурного перепада потери не учитываются, так как форма с изделием подогревается в тоннельной камере до одинаковой температуры.
3. От обмятия анкеров. При электротермическом способе натяжения в расчете не учитывается
[3, табл.5, поз.3].
4. От сил трения арматуры. При натяжении на упоры и отсутствии огибающих приспособлений не учитываются
[3, табл.5, поз.4].
5. От деформации стальной формы. При электротермическом способе натяжения в расчете не учитываются
[3, табл.5, поз.5].
6. От быстронатекающей ползучести бетона [3, табл.5, поз.6]. Напряжения в бетоне на уровне центра тяжести предварительно напряженной арматуры sbp равны
МПа, [4, п.33]
где
м,
кН,
МПа.
Передаточная прочность бетона Rbp для арматуры A-IV назначается по [3, п.2.6] из условия Rbp ³ 11 МПа, Rbp ³ 0,5B25 =12,5 МПа.
Принимаем Rbp =12,5 МПа.
.
Так как
, то
МПа
Суммарные первые потери
МПа.
Вторые потери:
7. От усадки бетона [3, табл.5, поз.8]. Для В25 < В35 и при тепловой обработке изделия при атмосферном давлении s8 =35 МПа.
8. От ползучести бетона [3, табл.5, поз.9].
МПа,
где
кН
Так как sbp /Rbp =2,28/12,5=0,182 < 0,75, то
МПа,
где a = 0,85 - при тепловой обработке бетона.
Суммарные вторые потери slos 2 = 23,25 + 35 = 58,25 МПа.
Общие потери slos =slos 1 + slos 2 =22,42 + 58,25 =80,67 МПа. В соответствии с [3, п.1.2.5] принимаем slos = 100 МПа.
2.3.6 Проверка прочности бетона в стадии обжатия
Напряжения в бетоне на уровне крайнего сжатого волокна после отпуска арматуры равны [2, п.1.29]:
![]()
МПа [4, п.36]
Т.к. неравенство
[3, табл.7, п.1.29] выполняется, прочность бетона в стадии обжатия обеспечена.
2.3.7 Определение коэффициента точности натяжения арматуры
Коэффициент точности натяжения арматуры gsp
определяется по формуле:
. [3, 6]
При электротермическом способе натяжения
, [3, 7]
где np =6 –число стержней напряженной арматуры
тогда gsp = 1 ± 0,12.
2.3.8 Проверка принятого сечения предварительно напряженной арматуры
Ранее было принято xR = 0,55. Необходимо уточнить значения коэффициента xR и площади сечения арматуры Asp .
Коэффициент xR определяем по формуле:
[3, 25 и 69]
где
МПа,
- с учетом полных потерь; при неавтоматизированном электротермическом натяжении арматуры Δ
[3, п.3.28];
![]()
ssc , u = 500 МПа [3, п.3.12].
Поскольку полученное значение совпадает со значением, принятым в п.2.3.2 xR =0,55, то перерасчет арматуры не требуется.
.
2.3.9 Расчет прочности плиты по сечению наклонному к продольной оси по поперечной силе
Расчетная поперечная сила на опоре равна:
кН.
Влияние свесов сжатых полок (при 7 отверстиях, с учетом
)

[3, 77]
Влияние усилия обжатия продольной предварительно напряженной арматуры
, [3, 78]
где
МПа.
Вычисляем
. Принимаем 1,5,
Вычисляем
=
кН.
Так как
кН, то поперечная арматура по расчету не требуется и она ставится конструктивно [3, п.5.27]. На приопорных участках длиной
=6,3/4=1,575 м необходимо установить 4 каркаса Æ4Вр-I с шагом
см (рисунок 2.5). В середине пролета поперечная арматура не требуется.

Рис. 2.5 - Распределение поперечной арматуры.
2.3.10 Проверка прочности по сжатой полосе между наклонными трещинами
Расчет производится по формуле:
![]()
кН [3, 72]
где
,
,
=4х0,126х10-4
=0,504х10-4
м2
– площадь поперечной арматуры.
[3, 74],
где β =0,1 для тяжелого бетона
Условие выполняется, прочность между наклонными трещинами обеспечивается.
2.3.11 Расчет плиты в стадии изготовления
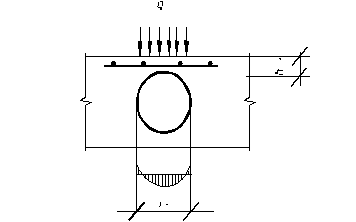
При распалубке и снятии изделия с формы подъемными петлями плита работает, как консольная балка [рис. 2.6]. Вылет консоли lc =0,4 м. Изгибающий момент от собственного веса плиты в основании консоли с учетом коэффициента динамичности kd =1,4 [3, п.1.13] равен:
кНм.

Рис. 2.6 - Работа плиты при распалубке
Напряжение в напрягаемой арматуре в сжатой зоне равно:
МПа [3, п.3.14], где при расчете элементов в стадии обжатия ssc
,
u
=330 МПа [3, п.3.12]; ssp
’
определяется с учетом потерь до обжатия с коэффициентом gsp
> 1 [3, п.3.14], то есть
[2.3.7]. Таким образом, после обжатия бетона в арматуре остаются растягивающие напряжения.
Усилие предварительного напряжения рассматривается как внешняя сила:
кН.
Изгибающий момент в консоли относительно верхней арматуры
кНм,
Вычисляем ![]()
и
,![]()
где Rb определяется по классу бетона [3, табл.13] равной отпускной прочности Rbp =12,5 МПа; gb 8 =1,2 [3, табл.15, поз.8].
Требуемое сечение арматуры в верхней зоне плиты, как для внецентренно сжатого элемента:
.
Оставляем ранее принятую арматурную сетку [п.2.3.1].
2.4 Расчет плиты по 2-ой группе предельных состояний
2.4.1.Проверка на образование начальных трещин в сжатой зоне при эксплуатационных нагрузках в стадии изготовления
После освобождения арматуры на упорах под действием силы обжатия Р1 плита изгибается, и в верхней зоне могут возникнуть начальные трещины.
Трещины не возникнут, если удовлетворится условие:
[3, 124],
где момент от внешних сил (собственного веса):
кНм,
Момент силы Р1 относительно ядровой точки, наиболее удаленной от растянутой (верхней) зоны:
кНм,
где Р1
=226,32 кН [п.2.3.5];
=0,096 м [п. 2.3.5].
Расстояние до нижней ядровой точки
м; [3, 132]
коэффициент
>1, [3, 145]
максимальное напряжение в сжатом бетоне от внешних сил и сил предварительного напряжения (нижняя зона):
![]()
.
Принимаем j = 1,0.
Определим упруго пластический момент сопротивления
по упрощенной формуле: ![]()
При
и
имеем g = 1,5 [1, прил.5], тогда
м3
.
,
6,7896 - 18,6 = -11,81 < 21728
=21,73
где
МПа при отпускной прочности бетона Rbp
=12,5 МПа [3, табл.13].
Т.к. неравенство выполняется, то начальные трещины не возникают.
Необходимо также проверить появление начальных трещин в местах установки подъемных петель:
Поскольку Mq =0,42 кНм [п.2.3.11],
![]()
кНм [3, 125], начальные трещины не возникают.
2.4.2 Расчет нормальных сечений на образование трещин при эксплуатационной нагрузке
Изгибающий момент от внешних нагрузок [3, п.4.5] при gf = 1
кНм,
в том числе от длительно действующих нагрузок
кНм
Момент сил обжатия относительно верхней ядровой точки равен:
![]()
кНм, [3, 129]
где Р2 = 189,36 кН [п.2.3.9].
Расстояние до верхней ядровой точки
м [3, 132]
![]()
Принимаем j = 1, [3, 135]
sb - максимальные напряжения в сжатой зоне бетона (верхней)

Упругопластический момент сопротивления относительно нижней растянутой зоны равен:
м3
.
Проверка образования трещин производится из условия:
[3, 124],
где
кНм [3, 125].
Так как условие [3, 124] удовлетворяется при длительной части нагрузки
(39 < 61,82), и при полной нагрузке (53,18< 61,82), в элементе трещины не возникают.
2.4.3 Расчет наклонных сечений на образование трещин
Расчет производится в сечении у грани опоры плиты (I-I) и на расстоянии длины зоны передачи напряжений в сечении (2-2) [рис. 2.7]. [3, п.4.11]
Длина зоны передачи напряжений равна:
м, [3, 11]

![]()
Рис. 2.7 - Определение напряжения в арматуре.
где
и
[3, табл.28]
МПа (с учетом потерь поз. 1-5) [3,табл.5];
[3, п.2.6].
Определение нормальных напряжений в бетоне от внешней нагрузки и усилия предварительного обжатия на уровне центра тяжести приведенного сечения (У=0): в сечении 2-2
МПа,
в сечении 1-1
МПа,
Определение касательных напряжений в бетоне от внешней нагрузки:
МПа,
кН,

![]()
Значение главных напряжений (растягивающих smt и сжимающих smc ) в бетоне: в сечении 2-2
МПа,
МПа,
МПа.
В сечении 1-1:
МПа,
МПа,
МПа.
Определение коэффициента влияния двухосного сложного напряженного состояния на прочность бетона:
в сечении 2-2
; [3, 142]
где a = 0,01 для тяжелого бетона. Принимаем gb 4 =1, [3, 142],
в сечении 1-1

Принимаем gb 4 = 1.
Проверка образования трещин наклонных к продольной оси элемента производится из условия
[3, 141]
В сечении 1-1:
МПа
МПа - трещин нет.
В сечении 2-2:
МПа
МПа - трещин нет.
2.4.4 Определение прогиба плиты при отсутствии трещин в растянутой зоне
Определение кривизны от кратковременной нагрузки (2,0 кН/м2 ) [3, 4.24]
1/м, [3, 156]
где изгибающий момент от временной нагрузки:
кНм,
jb 1 = 0,85 - коэффициент, учитывающий влияние кратковременной ползучести бетона.
Определение кривизны от постоянной и длительных нагрузок (5,5 кН/м2 )
1/м, [3, 156]
где ![]()
[3, табл.34].
Определение кривизны, обусловленной выгибом элемента от кратковременного обжатия
1/м, [3, 157]
Определение кривизны, обусловленной выгибом элемента вследствие усадки и ползучести бетона от предварительного обжатия.
1/м, [3, 158]
где eb и eb ’ - относительно деформации бетона от усадки и ползучести сил, предварительного обжатия соответственно на уровне растянутой арматуры и крайнего сжатого волокна бетона, определяемые по формулам:
;
[3, 159] [3, табл.5, поз.6, 8, 9]
Так как верхняя зона у нас от предварительного обжатия растянута, то ползучести бетона нет и s6 ’ = s9 ’ = 0.
Прогиб будет равен [3, п.4.24, п.4.31]

м
Допустимый прогиб при пролетах более 6 ≤ l ≤ 7.5 м должен быть не более 3 см [3, табл.4], и в данном случае составляет
0,03м.
Полученный прогиб меньше допустимого, следовательно удовлетворяет требованиям СНиП.
3 РАСЧЕТ РИГЕЛЯ ПЕРЕКРЫТИЯ
3.1 Общие положения
В здании с неполным каркасом ригель представляет собой неразрезную балку, шарнирно опертую на стены и на промежуточные колонны. При многопустотных плитах нагрузка считается равномерно распределенной. Изгибающие моменты и поперечные силы в упругой неразрезной балке с пролетами, отличающимися не более чем на 20%, определяются по формулам:
при равномерно распределенной нагрузке
,
где a, b, g, d - табличные коэффициенты [1, приложение 7].
В связи с тем, что постоянная нагрузка расположена по всем пролетам, а временная нагрузка может быть расположена в наиболее невыгодном положении, то для получения наибольших усилий в пролетах и на опорах необходимо рассмотреть их сочетания и построить огибающую эпюру моментов. Для ослабления армирования на опорах и упрощения конструкций монтажных стыков проводят перераспределение моментов между опорными и пролетными сечениями. Отличие между выровненными ординатами опорных и вычисляемых по упругой схеме моментов, не должно превышать 30%.
3.2 Исходные данные для расчета
В соответствии с данными первого раздела ригель представляет собой четырехпролетную неразрезную балку с пролетами, равными расстоянию от стены до оси первой колонны и между осями колонн 7,00 м. Расстояние между ригелями - 5,4 м и от ригеля до стены – 5,9 м [рис. 3.1]. Сечение ригеля прямоугольное 0,3 ´0,45 м. Постоянная расчетная нагрузка на перекрытие от собственного веса составляет g = 4,78 кН/м2 , временная – 1,8 кН/м2 , класс бетона В25. Класс арматуры A-III.

Рис. 3.1 - Грузовая площадь на 1 п.м ригеля
3.3 Сбор нагрузок на погонный метр ригеля
Постоянная расчетная нагрузка:
кН/м.
Временная расчетная нагрузка:
кН/м.
Полная нагрузка
кН/м.
3.4 Определение изгибающих моментов и поперечных сил
Расчетный пролет крайнего пролета равен расстоянию от оси опорной площадки на стену до оси первой колонны
м.
Расчетный средний пролет принимается равным расстоянию между осями колонн
м. Для трехпролетной балки рассматриваются 5 схем загружения [рис. 3.2]. Расчеты по упругой схеме работы приведены в таблице 3.1.

Рис. 3.2 - Схемы загружения ригеля

Рис 3.3 - Эпюры изгибающих моментов в сечениях ригеля
Для выравнивания опорных моментов по схеме (1 + 4) накладываем на полученную эпюру треугольную добавочную эпюру, с ординатой вершины равной 324,4 х 0,3= 102,4 ≈ 102 кНм. Изгибающий момент на опоре В станет равным
-342,4+102= -240,4 кНм. Тогда момент в первом пролете станет равным 223,4 + 42,84 =266,2 кНм. Так как эта величина больше максимального момента равного 262,5 кНм (1 + 2), то он является расчетным в первом пролете. На опоре С максимальный момент составляет -240,7 кНм (1+5). Для его выравнивания с моментом на опоре В накладываем вторую добавочную эпюру с ординатой вершины равной 102 кНм. Изгибающий момент на опоре В станет равным -342,4+102= -240,4 кНм. Во втором пролете изгибающий момент станет равным 121,6+51= 172,6 кНм, что больше 154,9 кНм (1 + 3), и он также является расчетным. Выровненная эпюра моментов приведена на рисунке 3.1 б).
Для расчета прочности наклонных сечений принимаются значения поперечных сил большее из двух расчетов: упругого и с учетом выравнивания моментов из-за пластических деформаций. Результаты упругого расчета приведены в таблице 3.1. Значения поперечных сил при учете выровненных моментов определяются по формулам для однопролетной балки :
и ![]()
После подстановки значений ML и MR [рис. 14] получим:
кН;
кН;
кН;
кН
Результаты сведены в таблицу 3.2. Поперечные силы имеющие наибольшее значение являются расчетными.
Таблица 3.2 - Поперечные силы у опор балок
| Вид расчета |
Поперечные силы на опорах |
|||
| QA |
QBL |
QBR |
QCL |
|
| Упругий расчет (схемы) |
(1 + 2) 174 |
(1 + 4) -249,6 |
(1 + 4) 230,9 |
(1 + 4) -196,9 |
| С учетом пластических деформаций |
171,4 |
-239,1 |
213,9 |
-213,9 |
3.5. Подбор сечения продольной арматуры
Бетон класса В20 имеет характеристики: расчетное сопротивление при сжатии Rb = 11,5 МПа, то же при растяжении Rbt = 0,9 МПа, коэффициент условий работы бетона gb 2 = 0,9 модуль упругости ЕB = 24000 МПа [3, табл.13, 15 и 18]. Арматура класса A-III имеет характеристики: расчетное сопротивление Rs = 365 МПа и модуль упругости Es = 200000 МПа. Размеры сечения ригеля 30´55 см.
Подбор сечения арматуры производим в расчетных сечениях ригеля.
3.5.1 Сечение в первом пролете
М = 266,2 кНм [рис. 3.3];
м;
0,349,
![]()
Необходимо изменить сечение: Примем h=65см.
Вычислим новый собственный вес балки и расчетную нагрузку на погонный метр балки
При h= 55 см Qb = b h γ = 0,3 x 0,55 x 25 = 4.125 кН/м,
8,77+4.125·1,1= 57.82 кН/м.
При h= 65 см Q*b = b h γ = 0,3 x 0,65 x 25 = 4.875 кН/м,
8,77+4.875·1,1= 58.64 кН/м.
![]()
м;
0,242
![]()
м2
Принимаем 4Æ22A-III As = 15,2 см2 [1, прил. 4].

Рис. 3.4 – Сечение ригеля в первом пролете
Определим фактическую несущую способность балки в первом пролёте МU 1 , при полном количестве арматуры. Фактическая высота сжатой зоны:
м;
где а*= (у1 +у2 )/2=(33+85)/2 = 59мм,
у1 =22+22/2=33 мм, у2 =22+22+30+22/2=85 мм [3, п.5.12];
302<0.35,
![]()
МU
1
=
278.37кНм > 266,2 кНм.
Необходимая несущая способность обеспечена.
3.5.2 Сечение во втором пролете
М = 172,6 кНм;
м; вычисляем:
=0,157
,
м2
.
Принимаем 6Æ14A-II, c As =9.23 см2 .

Рис. 3.5 – Сечение ригеля во втором пролете
Определим фактическую несущую способность балки во втором пролёте МU 2 , при полном количестве арматуры. Фактическая высота сжатой зоны:
м;
где а*=(27+71)/2 = 49мм,
у1 =20+14/2=27 мм, у2 =20+14+30+14/2=71 мм [3, п.5.12];
0,181
,
МU
2
=
184.15кНм > 172,6 кНм.
Необходимая несущая способность обеспечена.
3.5.3 Сечение на опоре В
М1
= 240,4 кНм;
м.
Определяем изгибающий момент у грани колонны со стороны второго пролета (QBL > QBR ):
кНм.
Вычисляем:
0,184,
,
м2
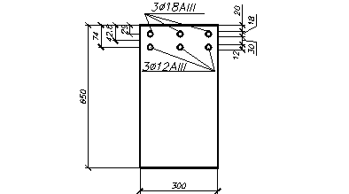
Принимаем 3Æ18A-III в верхней части, c As =7.63 см2 , и 3Æ12 A-III,
c As =3.39см2 , общей площадью As = 11.02 см2

Рис. 3.7 – Сечение ригеля у опоры B
Определим фактическую несущую способность балки на опоре С МU С , при полном количестве арматуры. Фактическая высота сжатой зоны:
м;
где а*=
=42.8 см,
у1 =20+18/2=29 см, у2 =20+18+30+12/2=74 см [3, п.5.12];
,
,
МU
С
=
218.2кНм > 208,6 кНм.
Необходимая несущая способность обеспечена.
3.5.4 Сечение на опоре С
М = 240,7 кНм;
м;
Определяем изгибающий момент у грани колонны со стороны второго пролета (QBL > QBR ):
кНм.
Вычисляем:
19
![]()
м2
.
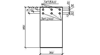
Принимаем 3Æ18A-III в верхней части, c As =7.63 см2 , и 3Æ12 A-III,
c As =3.39см2 , общей площадью As = 11.02 см2

Рис. 3.7 – Сечение ригеля у опоры С
Определим фактическую несущую способность балки на опоре С МU С , при полном количестве арматуры. Фактическая высота сжатой зоны:
м;
где а*=
=42.8 см,
у1 =20+18/2=29 см, у2 =20+18+30+12/2=74 см [3, п.5.12];
,
,
МU
С
=
218.2кНм > 208,6 кНм.
Необходимая несущая способность обеспечена.
3.6. Расчет прочности ригеля по сечениям
наклонным к продольной осиРасчет производится по наклонным сечениям у опоры А, опоры В слева и справа и у опоры С.
3.6.1 Расчет наклонного сечения у опоры А
174кН;
м,
где а = 20+20/2=30 см – координата центра тяжести нижнего ряда арматуры [п. 3.5.1]. Вычисляем несущую способность бетона:
105кН.
где
. Так как QA
= 174 кН >
=105 кН, то необходимо произвести подбор поперечной арматуры. Определяем длину проекции на продольную ось элемента наиболее опасного наклонного сечения (С):
218кНм;
где
=2 [3, п.3.31*]
кН;
2,5 м [3, 76].
Так как С = 2,5 > 2h0 = 2 ´ 0,62 = 1,24 м, принимаем С = 2h0 = 1,24 м.
Вычисляем
175,8
174кН;
Поперечная арматура по расчету не требуется и устанавливается конструктивно.
Принимаем поперечные стержни Æ6A-III из условия свариваемости с продольной арматурой Æ20 [4, прил. 9].
см2
(два каркаса);
В соответствии с [3, п.5.27] на приопорном участке длиной
=
м шаг поперечной арматуры должен быть не более:
м. Принимаем S=20 см.
В средней части пролета шаг должен быть не более:
см. Принимаем S= 35 см.
3.6.2 Расчет наклонного сечения у опоры В слева
-249,6кН;
м,
где а = 20+18/2=29 см – координата центра тяжести верхнего ряда арматуры [п. 3.5.3]. Вычисляем несущую способность бетона:
кН.
где
. Так как QBL
= 249,6 кН >
= 104 кН, то необходимо произвести подбор поперечной арматуры. Определяем длину проекции на продольную ось элемента наиболее опасного наклонного сечения (С):
212,3 кНм;
где
=2 [3, п.3.31*]
кН;
м [3, 76].
Так как С = 1,2 > 2h0 = 2 ´ 0,621 = 1,224 м, принимаем С = 2h0 = 1,242 м.
Вычисляем ![]()
кН;
кН;
кН/м [3, 82]
кН/м [3, 83]
Принимаем
кН/м; поперечные стержни Æ6A-III [п. 3.6.1].
см2
(три каркаса) ; Rsw
= 255 МПа [3, табл.22*].
м, [3, 81]
В соответствии с [3, п.5.27] на приопорном участке длиной
=
м шаг поперечной арматуры должен быть не более:
м и 0,5 м. Принимаем S=20 см.
3.6.3 Расчет наклонного сечения у опоры B справа
QBR
= 230,9кН;
м,
где а = 20+18/2=29см – координата центра тяжести нижнего ряда арматуры [п. 3.5.3]. Вычисляем несущую способность бетона:
кН.
где
. Так как QBR
= 230,9 кН > 104 кН, то необходимо произвести подбор поперечной арматуры. Определяем длину проекции на продольную ось элемента наиболее опасного наклонного сечения (С):
212,3кНм;
где
=2 [3, п.3.31*]
кН;
м [3, 76].
Так как С =1,84 > 2h0 = 2 ´ 0,621 = 1,242 м, принимаем С = 2h0 = 1,242 м.
Вычисляем
170,9
кН;
кН;
кН/м [3, 82]
кН/м [3, 83]
Принимаем
кН/м; поперечные стержни Æ6A-III [п. 3.6.1].
см2
(три каркаса) ; Rsw
= 255 МПа [3, табл.22*].
м, [3, 81]
В соответствии с [3, п.5.27] на приопорном участке длиной не менее
=
м шаг поперечной арматуры должен быть не более:
м и 0,5 м. Принимаем S=20 см.
В средней части пролета шаг должен быть не более:
см и 50 см. Принимаем S=34 см.
3.6.4 Расчет наклонного сечения у опоры С
QС
L
= 213,9кН;
м,
где а = 20+18/2=29 см – координата центра тяжести нижнего ряда арматуры [п. 3.5.4]. Вычисляем несущую способность бетона:
кН.
где
. Так как QCL
= 213,9 кН > 104 кН, то необходимо произвести подбор поперечной арматуры. Определяем длину проекции на продольную ось элемента наиболее опасного наклонного сечения (С):
212,3кНм;
где
=2 [3, п.3.31*]
кН;
м [3, 76].
Так как С =2,04 > 2h0 = 2 ´ 0,612 = 1,242 м, принимаем С = 2h0 = 1,242 м.
Вычисляем ![]()
кН;
кН;
кН/м [3, 82]
кН/м [3, 83]
Принимаем
кН/м; поперечные стержни Æ6A-III [п. 3.6.1].
(три каркаса) см2
; Rsw
= 255 МПа ;
м, [п. 3.6.5]
В соответствии с [3, п.5.27] на приопорном участке длиной не менее
=
м шаг поперечной арматуры должен быть не более:
м и 0,5 м. Принимаем S=20 см.
3.7. Построение эпюры материалов и определение места обрыва стержней продольной арматуры
В соответствии с [3] для экономии материала разрешается обрывать продольную арматуру площадью не более ½ площади всей рабочей арматуры (за грань опоры необходимо завести не менее двух стержней [3, п.5.20]). При этом обрываемые продольные стержни растянутой арматуры должны быть заведены за нормальное к продольной оси элемента сечение, в котором они учитываются с полным расчетным сопротивлением на длину не менее длины анкеровки [3, п.5.14].
На основании эпюры выровненных моментов [рис. 3.3] строится эпюра материалов [рис. 3.11].
3.7.1 Построение эпюры материалов в первом пролёте
В первом пролёте установлено 2Æ20A-III (As
= 15,2см2
). Высота сжатой зоны:
0,591м (а*=59 мм);
0,302,
0,849. Несущая способность балки в первом пролёте, при полном количестве арматуры МU
1
=278,37 кНм [п. 3.5.1] .
Обрываем верхний ряд арматуры 2Æ20A-III (As = 7,6 см2 ). [рис. 3.6].

Рис. 3.8 - Сечение ригеля с оборванной арматурой
Определим несущую способность балки в первом пролёте М2 Æ 20 , при наличии только нижней арматуры. Высота сжатой зоны:
м;
где а1 *= 20+20/2=30 см,
0,144
![]()
М2
Æ
20
=
159,6 кНм.
Нанося полученное значение на эпюру, получаем точки теоретического обрыва. Для определения мест фактического обрыва необходимо найти требуемую длину анкеровки арматуры:
1) W1 по [3, п. 5.14, табл. 37]:
см,
где
и
определяется по [3, табл.37] для случая закрепления растянутой арматуры в растянутом бетоне;
см;
см;
принимаем W1 =67 см.
2) W2 по формуле, для МТО1 :
см,
0,72кН/см,
где Qi
– значение поперечной силы в МТО1
; Si
– шаг поперечной арматуры в МТО1
;
и
из [п. 3.6.1].
для МТО2 :
см,
0,72кН/см,
Принимаем длину анкеровки в обоих случаях равной 87 см. Продлеваем арматуру до опоры А.
3.7.2 Построение эпюры материалов во втором пролете
Во втором пролёте установлено 6Æ14A-III в нижней части с As =9,23 см2 .
Несущая способность балки в втором пролёте, при полном количестве арматуры МU
2
=184,15 кНм. Высота сжатой зоны
м (а*= 49 см);
,
[п. 3.5.2].
Обрываем верхний ряд арматуры 3Æ14A-III (As ,обор. = 4,62 см2 ). Тогда As =4,62см2 [рис. 3.9].

Рис. 3.9 - Сечение ригеля с оборванной арматурой
Определим несущую способность балки во втором пролёте М3 Æ 14 , при наличии только нижней арматуры. Высота сжатой зоны:
м;
где а1 *= 20+14/2=27 см,
=0,087
![]()
М3
Æ
14
=
100,5 кНм.
Нанося полученное значение на эпюру, получаем точки теоретического обрыва. Для определения мест фактического обрыва необходимо найти требуемую длину анкеровки арматуры:
1) W1 по [3, п. 5.14, табл. 37]:
см,
где
и
то же, что и в [п. 3.7.1];
см;
см;
принимаем W1 =47 см.
2) W2 по формуле, для МТО3 :
см,
1,08 кН/см
для МТО2 :
42,2см,
1,08 кН/см
Принимаем длину анкеровки в МТО3 - 58 см, в МТО4 - 43 см.
3.7.3 Построение эпюры материалов на опоре В
кНм. На опоре В установлено 3Æ18A-III (As
= 7,63 см2
) и 3Æ12A-III (As
= 3,39 см2
). Несущая способность балки на опоре В, при полном количестве арматуры МU
В
=218,2 кНм. Высота сжатой зоны
м (а*= 42,8 см);
,
.
Обрываем ряд арматуры 3Æ12A-III (As ,обор. = 3,39 см2 ≤ As /2). Тогда As =7,63 см2 [рис. 3.10].

Рис. 3.10 - Сечение ригеля с оборванной арматурой
Определим несущую способность балки на опоре В МВ,3 Æ 18 , при наличии только верхней арматуры. Высота сжатой зоны:
м;
где а1 *= 20+18/2=29мм,
0,144,
![]()
МВ,3
Æ
18
=
160,5 кНм.
Нанося полученное значение на эпюру, получаем точки теоретического обрыва. Для определения мест фактического обрыва необходимо найти требуемую длину анкеровки арматуры:
1) W1 по [3, п. 5.14, табл. 37]:
см,
где
и
то же, что и в (п. 3.7.1);
см;
см;
принимаем W1 =25 см.
2) W1 по формуле, для МТО5 :
,
для МТО6 :
м,
Принимаем длину анкеровки в первом случае равной 112 см, и во втором случае равной 94 см.
Т.к. верхняя продольная арматура в первом пролёте не требуется, определим место её обрыва:
Место теоретического обрыва определяется по эпюре (момент равен нулю). Для определения места фактического обрыва необходимо найти требуемую длину анкеровки арматуры:
1) W1 по [3, п. 5.14, табл. 37]: W1 =58 см.
2) W1 по формуле, для МТО7 :
см,
Принимаем длину анкеровки равной 77 см.
3.7.4 Сечение на опоре С
кНм. На опоре В установлено 3Æ18A-III (As
= 7,63 см2
) и 3Æ12A-III (As
= 3,39 см2
). Несущая способность балки на опоре В, при полном количестве арматуры МU
В
=218,2 кНм. Высота сжатой зоны
м (а*= 42,8 см);
,
.
Обрываем ряд арматуры 3Æ12A-III (As ,обор. = 3,39 см2 ≤ As /2). Тогда As =7,63 см2 [рис. 3.10].

Рис. 3.11 - Сечение ригеля с оборванной арматурой
Определим несущую способность балки на опоре С МВ,3 Æ 18 , при наличии только верхней арматуры. Высота сжатой зоны:
м;
где а1 *= 20+18/2=29мм,
0,144,
![]()
МВ,3
Æ
18
=
160,5 кНм.
Нанося полученное значение на эпюру, получаем точки теоретического обрыва. Для определения мест фактического обрыва необходимо найти требуемую длину анкеровки арматуры:
1) W1 по [3, п. 5.14, табл. 37]: W1 = 25см [п. 3.7.3].
2) W1 по формуле, для МТО8
2) W1 по формуле, для МТО5 :
,
Принимаем длину анкеровки равной 81см.
3.8. Стык ригеля у колонны
Стык ригеля у колонны выполняется ручной дуговой сваркой пропущенных через колонну соединительных стержней к закладным деталям ригеля [рис. 3.13] .
Площадь сечения соединительных стержней определяется по изгибающему моменту у грани колонны, увеличенному на 25%.
Усилия растяжения в соединительных стержнях:
=577,9кН,
где z=0.55 - 0.03 = 0.52м
Сечение стержней:
м2
Принимаем 3Ø28 с Аs
=18.47см2
. Общая рабочая длина сварных швов соединительных стержней с закладными деталями балок при высоте шва
cм и электродах Э42.
м [6, формула 120]
м [6, формула 121]
где βf =0.7 ; βz =1.0; Rωf =180кН; Rω z =164кН.
Длина шва с учетом непровара при двухсторонней сварке
см>13cм.

Рис 3.13 – стык ригеля у колонны на электроуглеродной сварке: 1- соединительные стержни; 2- арматурные вставки; 3 –бетон замоноличивания; 4 - металлические трубки Ø40мм, 5 –закладные детали.
4. Расчет колонны.
4.1 Общие положения
Колонна рассчитывается как внецентренно нагруженная стойка расчетной длины
равной высоте этажа [3, п.1.2]. При расчете учитывается случайный эксцентриситет
, обусловленный не учтенными в расчете факторами [3, п.1.21]. Постоянные и временные нагрузки от этажей считаются приложенными с этим эксцентриситетом. Рассчитывается колонна нижнего этажа.
4.2 Исходные данные
Здание четырехэтажное с плоским покрытием с высотой этажа 3,6 м. Сечение колонн 40´40 см, схема расположения колонн приведена на рис. 1.1. Класс бетона В25. Класс арматуры A-III.
4.3 Определение усилий в средней колонне нижнего этажа
Грузовая площадь при принятой сетке колонн равна
м2
.
Постоянная нагрузка
240,65 кН [4, п.1.4.1]
Временная нагрузка на перекрытие
кН. [5, табл.1]
Длительная часть временной нагрузки
кН. [5, табл.1]
Снеговая нагрузка на покрытие для IV снегового района:
[2, 5; табл.4]
Длительная часть снеговой нагрузки
кН [2, п.1.7.к]
Собственный вес колонны в пределах этажа
кН.
Продольное усилие в колонне нижнего этажа (здание 6-ти этажное).
Полное расчетное усилие
2733.92кН.
Усилие постоянной и длительной нагрузок
2107.63кН.
Значение случайного эксцентриситета выбирается из двух значений:
см;
см;
Принимаем
1 см.
Тогда моменты от случайных эксцентриситетов продольных сил относительно оси элемента будут равны:
от всех нагрузок
кН;
от постоянных и длительных нагрузок
кНм.
4.4 Предварительный подбор сечения арматуры
Пренебрегая моментами, считаем колонну центрально-сжатой и определяем предварительное сечение арматуры.
Приняв среднее значение
, получим:
26
м2
.
Принимаем 4Æ32 [рис. 4.1].
см2
.
Проверим условие
,
где
,
при
[3, табл.38],
=![]()
Условие выполняется (3>2,01>0,1), следовательно сечение не переамировано, а также соответствует требованиям по минимальному количеству арматуры.

Рис. 4.1 - Поперечное сечение колонны
4.5. Расчет колонны как внецентренно сжатой стойки
Необходимо определить следующие величины.
1. Геометрические характеристики:
м4
;
м2
;
![]()
2. Коэффициент, учитывающий длительность действия нагрузки:
[3, 21]
где b = 1 [3, табл.30];
Ml и M определяются относительно оси, проходящей через центр наименее сжатого стержня.
кНм;
кНм.
3. Коэффициент
:
но не менее
. [3, 22]
Принимаем
.
4. Критическая сила:

кН. [3, 58]
5. Коэффициент
учитывающий влияние прогиба на значение эксцентриситета
.
. [3, 19]
6. Эксцентриситет силы N относительно менее растянутой арматуры:
м
7. Относительная высота сечения
:

![]()
где
[3, 26]
8. Относительная высота сечения при расчете внецентренно сжатых элементов с симметричной арматурой
при малых эксцентриситетах
:

>![]()
(случай малых эксцентриситетов
подтверждается).
Высота сжатой зоны сечения:
м.
9. Несущая способность проверяется по формуле
[3, 36]
где
кНм;
![]()
172,7
Таким образом условие [3, 36] выполняется (165,1 < 172,7) и несущая способность колонны обеспечена при продольной арматуре 4Æ22. Диаметр поперечной арматуры из условия сварки с диаметрами продольных стержней 22 мм принят 6 мм [4, прил. 9]. Шаг поперечной арматуры принят 40 см, что £ 20d=44 см и £ 50 см [3, п.5.22].
4.6. Расчет консоли колонны
Расчётная схема показана на рисунке 4.2.
Максимальная сила на консоль
кН.
Вылет консоли
равен:
,
где
=70 мм - зазор между ригелем и колонной;
- длина опорной площадки ригеля, которая должна удовлетворять условию:
м.
Принимаем
= 13 см, тогда
=13+7=20 см.
Расстояние от грани колонны до силы
см. Высоту колонны у грани колонны
см принимаем равной 40 см, а у свободного края
= 20 см, что удовлетворяет условиям
см и
Длина опорного листа
см. Угол наклона сжатой грани колонны 45°. Для обеспечения прочности по наклонной сжатой полосе между грузом и опорой должно удовлетворятся условие:
[3, 85]
где правая часть принимается не более:
![]()
кН
и не менее:
![]()
кН
213.3 кН>
кН,
Принимаем 178,9 кН.
где
=1,5 [3, п. 3.32];
=0,1
=0,1
=2 (принимаем
=0,5) [3, п. 3.31*].
Тогда
кН,
где
[3, 87];


где
= 10 см - шаг хомутов в консоли, принимаемый не более 15 см и не более
=40/4=10 см [3, 87];
см.
Так как 225,4 < 273,6, принимаем правую часть выражения [3, 85] равной 225,4 и условие прочности удовлетворяется (174,7 кН < 225,4 кН).
Усилие в окаймляющей арматуре:
кН.
Требуемая площадь
м2
.
Принимаем 2Æ14A-III с
3,08 см2
.
4.7. Проектирование стыка колонны
Стык с минимальной затратой металла осуществляется ванной сваркой выпусков продольной арматуры, расположенных в угловых подрезках бетона длиной 150 мм. Из удобства монтажа стык располагается на высоте 1-го метра выше перекрытия. Между торцами колонн вставляется центрирующая прокладка размерами 10х10х0,2 см. Ядро стыка усиливается поперечными сетками из арматуры Æ22А-III, которые устанавливают не менее четырех штук на длине не менее 10d=10х22=220 мм продольной арматуры. Шаг сеток принимается равным 55 мм. Размеры ячеек 75 мм. Конструкция стыка показана на рисунке 4.3.
5 РАСЧЕТ ФУНДАМЕНТА
5.1 Общие сведения и исходные данные
Фундамент проектируется как центрально загруженный, ступенчатый, квадратный в плане формы. Размеры приняты кратными 30 см. Глубина заложения фундамента на естественном основании под внутренние колонны отапливаемого здания определена из условия, что его верхний обрез был ниже чистого пола на 15 см. Сборные колонны должны быть заделаны в стаканы на глубину не менее
=1,5х0,3=0,45 м, а также длины анкеровки арматуры
. Средний коэффициент надежности по нагрузке принят равным
= 1,15. Средний объемный вес материала фундамента и грунта на его обрезах
= 20 кН/м3
.
Исходные данные к проектированию:
колонна сечения 30´30 см заармирована 4Æ22;
расчетная нагрузка на фундамент N = 1289,9 кН;
нормативная
кН;
условное расчетное сопротивление грунта основания R0 = 0,25 МПа;
под фундаментом имеется песчано-гравийная подготовка;
класс бетона В25 (Rb =14,5 МПа, Rbt = 1,05 МПа);
класс арматуры A-III (Rs = 365 МПа).
5.2 Определение размеров подошвы, полной высоты и высоты ступеней фундамента
Высоту фундамента предварительно назначаем равной Н = 90 см.
Требуемая площадь подошвы равна
м2
.
Размеры стороны фундамента
м.
Принимаем
м (АF
=5,76 м2
).
Высота фундамента определяется как большее из трех условий:
1) из условия продавливания фундамента колонной по поверхности пирамиды продавливания:
м,
где 
м,
где
<R0
=0,25МПа
а = 0,04 м – защитный слой при наличии песчано-гравийной подушки.
2) из условия размещения колонны в стакане фундамента
м;
3) из условия обеспечения анкеровки арматуры колонны в стакане фундамента:
м,
где
. [3, 186]
Принимаем трёхступенчатый фундамент высотой Н = 90 см. Глубина стакана должна быть не менее
=0,5 м (из условия 2). Принимаем глубину стакана равной 65 см (с учётом минимальной толщины подошвы фундамента равной 20 см: 90-65=25 см) [рис. 5.1].
Высота нижней ступени Нн определяется из условия обеспечения бетоном прочности по поперечной силе без поперечного армирования в наклонном сечении по формуле:
м.
Принимаем hH = 0,3 м и h0 H = 0,26 м.
Размеры второй и третьей ступеней фундамента принимаются 30 см, так как внутренние грани РHHvbbnnmm,ступеней не пересекают прямую, проведенную под углом 45° к граням колонны на отметке верха фундамента [рис. 5.1].
Необходимо произвести проверку фундамента на продавливание на поверхности пирамиды, ограниченной плоскостями, проведенными под углом 45° к боковым граням колонны по формуле
, [3, 107]
где
для тяжелого бетона;
- среднеарифметическое значение периметров верхнего и нижнего оснований пирамиды продавливания:
м;
F - продавливающая сила равная:
кН,
м2
.
кН.
Условие [3, 107] выполняется, следовательно, продавливание подошвы фундамента исключено.
5.3 Расчет арматуры плиты фундамента
Арматура рассчитывается в сечениях 1-1, 2-2 и 3-3 [рис. 5.1] из условия работы фундамента на изгиб от реактивного давления грунта.
Значения изгибающих моментов в этих сечениях равны:
кНм;
кНм;
кН.
Требуемая площадь арматуры в этих сечениях равна:
м2
;
м2
;
м2
.
Принимаем нестандартную сварную сетку с одинаковой в обоих направлениях арматурой из стержней 15Æ10A-III (
см2
) с шагом 15,6 см.
Проценты армирования расчетных сечений составят:
%;
%;
%.
Во всех сечениях условие % выполняется, следовательно конструкция заармирована в соответствии с минимальными требованиями.
5.4 Проверка подошвы фундамента на раскрытие трещин
Расчет производится по опасному сечению, по которому определилось расчетное сечение арматуры (сеч. 1-1).
Ширина раскрытия трещин определяется по формуле:
=
=
мм, [3, 144]
где ![]()
МПа < 365 МПа;
![]()
![]()
=209,4 кНм,
где
- определяется от реактивного давления грунта, от нормативного значения длительных и постоянных нагрузок [п. 4.3]
;
МПа.
При стержневой арматуре класса A-III и расположении фундамента выше уровня грунтовых вод предельное допустимое продолжительное раскрытие трещин от действия постоянных и длительных нагрузок равно
=0,3 мм, что больше 0,266 мм, следовательно ожидаемое раскрытие трещин соответствует требованию СНиПа.
СПИСОК ИСПОЛЬЗВАННОЙ ЛИТЕРАТУРЫ
1) Гуревич Я.И. Проектирование сборного междуэтажного перекрытия. - Методические указания, Хаб. ХВВСУ; 1988 – 77с.
2) СНиП 2.01.07-85, Нагрузки и воздействия. - М.; 1986.
3) СНиП 2.03.01-84, Бетонные и железобетонные конструкции, Нормы проектирования. - М.; I980.
4) Байков В.Н., Сигалов Э.Е. Железобетонные конструкции, Общий курс. - М.; 1985.
5) Бондаренко В.М., Судницын А.И. Расчёт строительных конструкций. Железобетонные и каменные конструкции.- М.; 1984.