| Скачать .docx |
Курсовая работа: Курсовая работа: Проектирование ферм и рам
Федеральное агентство по образованию
ГОУВПО
Кафедра «Строительные и дорожные машины и оборудование»
Строительная механика
Курсовой проект
Проектирование ферм и рам
1907.СМ.12.КП.00000.ПЗ
Братск 2008
Содержание
Введение
1. Построение фермы и определение опорных реакций
2. Определение усилий в стержнях фермы методом сечений
3. Построение диаграммы Максвелла-Кремоны
4. Построение линий влияния усилий в стержнях фермы
5. Определение усилий в стержнях фермы по линиям влияния
6. Подбор поперечных сечений стержней фермы
7. Выбор толщины и очертаний фасонок
8. Расчёт сварного соединения фасонки и стержней в узле фермы
9. Расчёт болтового и заклёпочного соединения
Список используемой литературы
Введение
Строительной механикой в широком смысле называется наука о методах расчета сооружений на прочность, жесткость и устойчивость. К ней относятся следующие дисциплины: сопротивление материалов, строительная механика стержневых систем, строительная механика пластин и оболочки, теория упругости, теория пластичности и теория ползучести.
Сопротивление материалов занимается, главным образом, приближенным расчетом простых брусьев. Строительная механика стержневых систем занимается преимущественно расчетом систем стержней и, кроме того, расчетом балок на действие подвижной нагрузки, расчетом стержней с криволинейной осью (например, арок) и некоторыми другими вопросами.
Строительная механика делится на разделы: статика сооружений, изучающая расчеты на прочность при действии статической нагрузки (в том числе и подвижной), динамика сооружений и теория устойчивости сооружений.
В строительной механике широко применяются методы теоретической механики и сопротивления материалов, математики и физики. Строительная механика является наукой экспериментально - теоретической, так как базируется на результатах испытаний сооружений (на теории и на практике), опыте их эксплуатации и теоретических исследованиях.
Разрабатываемые в строительной механике новые теоретические методы проходят опытную проверку: с другой стороны, часто теория расчетов возникает как результат экспериментального изучения реальной конструкции в процессе ее эксплуатации.
Проектирование надежных и экономичных машин требует от инженера - конструктора применения современных методов расчета. Совершенствование методов расчета заключается в применении обоснованных расчетных схем конструкций, уточнение наиболее опасных сочетаний нагрузок, выборе рациональных материалов для элементов конструкций, применения вычислительной техники и т.п.
1. Построение фермы и определение опорных реакций
Рис.1
![]()
![]()
![]()
![]()
![]()
![]()
Для определения опорной реакции
составляем уравнение моментов относительной точки
:
;
;
отсюда
![]()
.
Для определения реакции опоры
составляем сумму проекций всех сил на ось
:
;
;
отсюда
![]()
;
Поскольку ферма не испытывает горизонтальных нагрузок, поэтому
![]()
.
Для проверки найденных реакций в опорах, составляем сумму проекций всех сил на ось
:
;
отсюда
;
.
ферма рама стержень соединение
2. Определение усилий в стержнях фермы методом сечений
Рис. 2
Определяем усилие в стержнях
и
, для чего проводим сечение I - I(см. рис. 2):
рис. 3
Составляем уравнение моментов относительно точки
(рис.3):
;
;
отсюда
![]()
.
Для определения усилия в стержне
составляем сумму проекций всех сил на ось
:
![]()
отсюда
![]()
.
Определяем усилия в стержнях
и
, для чего проводим сечение II - II (см. рис. 2):
Рис. 4
Для определения усилия
составляем уравнение моментов относительно точки
(рис.4):
;
;
отсюда
![]()
.
Для определения усилия
составляем уравнение суммы проекций всех сил на ось
(рис.4):
;
;
отсюда
![]()
.
3. Построение диаграммы Максвелла - Кремоны
Диаграмма Максвелла - Кремоны начинается с построения верёвочного многоугольника внешних сил. Для начала определяют внешние и внутренние поля фермы. Внешние поля фермы обозначаются заглавными буквами латинского алфавита, внутренние - строчными. Внешние поля ограничены линиями действия внешних нагрузок, опорных реакций и стержнями, помещёнными на внешнем контуре фермы. Внутри поля ограничиваются только стержнями фермы и лежат внутри контура фермы (рис.6).
Рис. 6
Поля на диаграмме Максвелла - Кремоны обозначаются точками. Выбираем два поля на схеме, разделённых опорной реакцией.
Выбираем масштабный коэффициент:
.
На диаграмме опорные реакции и внешние усилия, а так же внутренние усилия стержней обозначаются отрезками.
Неизвестные точки, обозначающие внутренние поля, находятся в пересечении двух линий, на которых будут обозначаться отрезками усилия, лежащие между уже известными внешними (внутренними) полями (рис.7).
Рис.7
![]()
![]()
![]()
![]()
![]()
![]()
![]()
![]()
4. Построение линий влияния усилий в стержнях фермы
Линии влияния используются для расчетов ферм, на которые действует подвижная нагрузка.
Линия влияния представляет собой диаграмму, при построении которой функцией является изучаемая величина усилия, а независимой переменной -абсцисса груза
(его местоположение на оси абсцисс). Каждая ордината линии влияния численно равна значению изучаемого усилия для положения силы
на сооружении над этой ординатой.
Для построения любой линии влияния в данном месте сооружения применяют следующий статический метод. Поставив груз в произвольное положение, определяемое абсциссой
, и применяя условие равновесия, даем аналитическое выражение данного усилия, затем, изменяя,
даем это выражение в графической форме.
Строим линии влияния для реакций опор:
Рис.8
Для реакции опоры
составляем уравнение моментов относительно точки
:
;
;
отсюда
;
при x=0; RA=1;
при x=6d; RA=0.
Аналогично для реакции опоры
составляем уравнение моментов относительно точки А:
;
;
отсюда
;
при x=0; RВ=1;
при x=6d; RВ=0.
Для построения линии влияния усилия в стержне рассечём ферму на две части по пролёту, в котором находится искомый стержень, и будем рассматривать левую и правую части фермы при отсутствии на них подвижной нагрузки.
Находим усилие в стержне DF и DGдля чего рассматриваем сечение I - I (см. рис. 2):
Слева:
Рис.9
Составляем уравнение моментов относительно точки
(рис. 9):
;
;
отсюда
![]()
![]()
Составляем уравнение суммы проекций всех сил на ось
(рис. 9):
;
![]()
отсюда
![]()
![]()
Справа:
Рис.10
Составляем уравнение моментов относительно точки
(рис.10):
;
;
отсюда
![]()
![]()
Находим усилия в стержнях FG и GI, для чего рассматриваем сечение II - II (см. рис. 2):
Слева:
Рис.11
Составляем уравнение моментов относительно точки
(рис. 11):
![]()
;
отсюда
![]()
![]()
Составляем уравнение суммы проекций всех сил на ось
(рис. 11):
;
;
отсюда
![]()
![]()
Справа:
Рис. 12
Составляем уравнение моментов относительно точки
(рис. 12):
![]()
; отсюда
![]()
![]()
Составляем уравнение суммы проекций всех сил на ось
(рис. 12)
;
отсюда
![]()
![]()
Рис. 13
5. Определение усилий в стержнях фермы по линиям влияния
Для реакции опоры
:
;
- см. рис. 13;
![]()
![]()
Для реакции опоры RB:
;
- см. рис. 13;
![]()
![]()
Для усилия в стержне
:
;
- см. рис. 13;
![]()
![]()
Для усилия в стержне
:
;
- см. рис. 13;
![]()
![]()
Для усилия в стержне
:
;
- см. рис. 13;
![]()
![]()
Для усилия в стержне
:
;
- см. рис. 13;
![]()
![]()
6. Подбор поперечных сечений стержней фермы
Для подбора поперечного сечения стержней фермы выбираем максимальное по величине растягивающее усилие из 4-х расчетных стержней, и рассчитываем площадь поперечного сечения стержня из условия прочности при проектировании фермы.
Допускаемое напряжение для материала стержня:
;
где
- растягивающее усилие (![]()
) или нормальная сила;
- площадь поперечного сечения стержня,
;
отсюда
;
![]()
![]()
![]()
![]()
Выбираем из сортамента сталь прокатную равнополочную ГОСТ 8509-93 высокой точности прокатки [1, с.136] (рис.14):
Уголок
;
Рис. 1 4
Номер профиля - 2;
Ширина профиля - ![]()
![]()
Толщина полки - ![]()
![]()
Радиус внутреннего закругления -![]()
![]()
Радиус закругления полки - ![]()
![]()
Площадь сечения - ![]()
![]()
Момент инерции ![]()
![]()
Расстояние от центра тяжести до наружной грани полки - ![]()
![]()
Минимальный радиус инерции - ![]()
![]()
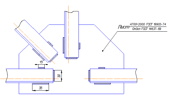
7. Выбор толщины и очертаний фасонок
Толщину фасонок назначаем в зависимости от расчетного усилия в опорном раскосе фермы:
При ![]()
, ![]()
(толщина фасонки).
В зависимости от толщины фасонки выбираем стальной горячекатаный лист по ГОСТ 19903-74 повышенной точности прокатки [1, стр.134-135]:
![]()
В соответствии с заданной схемой фермы (см. рис.1) выбираем трапециевидную фасонку (рис. 15).
Рис. 15
8. Расчёт сварного соединения фасонки и стержней в узле фермы
Для расчета сварного соединения фасонки (рис.16) и стержней в узле фермы, находим суммарную длину фланговых и лобового швов в соединении, для чего исходя из условия прочности сварного соединения, находим допускаемое напряжение среза:
;
где![]()
;
- коэффициент, принимаемый в зависимости от вида сварки (для автоматической сварки
, принимаем):
- высота шва, мм; ![]()
;
- суммарная длина фланговых и лобового швов в соединении, см;
отсюда
;
![]()
![]()
Принимаем ![]()
(округляем до целого большего значения);
Определяем длину фланговых швов:
;
где
- длина шва на обушке,
;
- длина шва на пере,
.
;
где
- коэффициент;
;
;
![]()
![]()
![]()
![]()
, ![]()
![]()
![]()
Рис. 16
9.Расчёт болтового и заклёпочного соединения
В зависимости от расположения, по отклонению к направлению воспринимаемых усилий, болты работают на срез и смятия или растяжения. В большинстве случаев болтовые соединения в ферме работают на срез и смятие.
Расчет болтового соединения.
Для расчета болтового соединения фасонки и стержней в узле фермы, находим количество болтов исходя из условия прочности болтового соединения на срез; напряжение среза (допускаемое):
;
где![]()
;
- количество плоскостей среза;
;
- диаметр болтов, принимается конструктивно,
;
- количество болтов, ![]()
;
![]()
.
Принимаем Болт М8
35 ГОСТ 7798-70 (стандартный) с ![]()
![]()
![]()
, [1, стр.513-515]
;
![]()
.
Принимаем ![]()
(округляем до целого большего). Так же находим количество болтов исходя из условия прочности на смятие болтов;
;
где
- допускаемое напряжение на смятие болтов,
; ![]()
;
- наименьшая суммарная толщина элемента снимающего усилие в одном направлении, см:
;
![]()
;
;
![]()
.
Принимаем ![]()
.
В итоге выбираем ![]()
., т.к.
, т.е. ![]()
.
Расстояние от торца стержня до первого болтового отверстия (расстояние от обушка до болтового соединительного отверстия):
, ;
![]()
.
Расстояние между болтовыми соединительными отверстиями:
;
![]()
![]()
Рис. 17
Расчет заклепочного соединения.
Производится аналогично расчету болтового соединения, т.е.:
;
![]()
.
Принимаем Заклёпка 8
26 ГОСТ 10299-80 (стандартная) с ![]()
![]()
![]()
, с полукруглой головкой. [2, стр.9-10]
;
![]()
.
Принимаем ![]()
(округляем до целого большего). Так же находим количество заклепок исходя из условия прочности на смятие заклёпок:
;
где
- допускаемое напряжение на смятие заклепок,
; ![]()
;
- наименьшая суммарная толщина элемента снимающего усилие в одном направлении,
:
;
![]()
;
;
![]()
.
Принимаем ![]()
.
В итоге выбираем ![]()
., т.к.
, т.е. ![]()
.
Расстояние от торца стержня до первого отверстия заклёпки (расстояние от обушка до болтового соединительного отверстия):
, ;
![]()
.
Расстояние между заклёпочными соединительными отверстиями:
;
, ![]()
Рис. 18
Список используемой литературы
1. Анурьев В.И.; «Справочник конструктора машиностроителя».; В 3-х т. Т1.-5-е изд., перераб. и доп. - М.: Машиностроение, 1980.-728 с., ил.
2. Анурьев В.И.; «Справочник конструктора машиностроителя».; В 3-х т. Т3.-5-е изд., перераб. и доп. - М.: Машиностроение, 1980.-728 с., ил.
3. Дарков А.В.; «Строительная механика».; 7-е изд., перераб. и доп.; «Высш. шк.», - М.: 1976.-600с., ил.
4. Живейнов Н.Н.; «Строительная механика и металлоконструкции строительных и дорожных машин».; - М.: Машиностроение; «Высш. шк.», 1988.-280с., ил.