| Похожие рефераты | Скачать .docx |
Курсовая работа: Разработка комплекса мероприятий для жилых зданий и тепловых сетей города
Федеральное агентство по образованию Российской Федерации
Факультет промышленной энергетики ПЭ V-2
Кафедра промышленной теплоэнергетики
КУРСОВАЯ РАБОТА
по курсу: “Энергосбережение в энергетике и теплотехнологиях”
Разработка комплекса мероприятий для жилых зданий и тепловых сетей города
2010
1. Теплотехнический расчет
2. Расчет теплопотерь за счет инфильтрации
3. Расчет теплопотерь за счет теплопередачи через ограждения
4. Расчет и подбор кондиционера
5. Выбор трубной разводки системы отопления
6. Дополнительные меры по энергосбережению в жилых зданиях
7. Альтернативные источники тепло и электроэнергии
8. Технико-экономическая оценка энергосберегающих мероприятий
10. Бизнес-план
Список литературы
1. Теплотехнический расчет
Для определения коэффициента теплопередачи через ограждающие конструкции необходимо знать термическое сопротивление теплопередаче. Руководствуясь СНиП II-3-79 (1998) “Строительная теплотехника” термическое сопротивление теплопередаче должно быть больше или равно требуемому сопротивлению теплопередаче. Последнее может быть определено исходя из условий санитарно-гигиенических норм, а также исходя из более жестких условий энергосбережения (в зависимости от ГСОП).
Наружные перекрытия.
Требуемое значение сопротивления теплопередаче по санитарно-гигиеническим нормам Rо. тр. находим по формуле:
,
где tв - расчётная температура воздуха в помещении, принимаем tв = 18 o C, так как температура наружного воздуха выше чем - 31 о С;
tн - расчётная зимняя температура наружного воздуха, принимаемая по таблице 1 [3] tн =-37 о С;
n - коэффициент, зависящий от положения наружной поверхности ограждения по отношению к наружному воздуху, принимаем по таблице 3* [1] n= 1;
Δtн - нормируемый температурный перепад, принимаем по таблице 2* [1] Δtн =4 о С;
(м2
∙ºС) /Вт.
Фактическое сопротивление теплопередаче при существующей конструкции можно определить, как:
,
где αв - коэффициент теплоотдачи внутренней поверхности ограждающих конструкций, принимаем по таблице 4* [1] αв = 8,7 Вт/ (м2 ∙ºС);
αн - коэффициент теплоотдачи наружной поверхности ограждающих конструкций, принимаем по таблице 6* [1] αн = 23 Вт/ (м2 ∙ºС);
δш. н. - толщина наружного слоя штукатурки, δш. н. = 0,02м;
δш. в. - толщина внутреннего слоя штукатурки, δш. в. = 0,015м;
δшпб - толщина материала наружных стен - Шлакопемзопонобетона, δшпб = 0,42м;
λш - теплопроводность штукатурки, принимаем по приложению 3 [1] λш = 0,93 Вт/ (м∙ºС);
λкб - теплопроводность Шлакопемзопонобетона, принимаем по приложению 3 [1] λкб = 0,63 Вт/ (м∙ºС);
.
Согласно новым нормам к наружным перекрытиям применяются более жесткие нормы по термическому сопротивлению, которое принимается в зависимости от ГСОП.
Величина градусо-суток отопительного периода (ГСОП):
ГСОП= (tв -tср. оп.) ∙Zо. п.,
где tср. оп. - средняя температура отопительного периода, принимаем по таблице 1 [3] tср. оп. = - 8,7 о С;
Zо. п. - продолжительность отопительного периода, принимаем по по таблице 1 [3] Zо. п = 221 суток;
ГСОП = (20 - (-8,7)) ∙221 = 6342,7 0 С·сут.
Требуемое термическое сопротивление теплопередаче по ГСОП для наружных стен можно определить как:
.
При таком термическом сопротивлении требуемая толщина стенки получилась бы недопустимо большой (более 2 метров). Таким образом, необходимо использовать теплоизоляционный слой, что позволит уменьшить общую требуемую толщину стенки.
Толщину тепловой изоляции можно рассчитать как:
,
где λиз -теплопроводность теплоизоляции ISOVER, принимаем
λиз = 0,037 Вт/ (м∙ºС);
.
Окончательно принимаем δиз = 0,105 м.
жилое здание энергосбережение тепловой
Определим фактическое сопротивление теплопередаче по условиям ГСОП при стандартной толщине тепловой изоляции:
![]()
.
Конструкция наружной стены представлена на рисунке 1.

Рисунок 1. Конструкция наружной стены (слева направо: штукатурка, теплоизоляция ISOVER, шлакопемзопонобетона плотностью 1600 кг/м3 , штукатурка).
Чердачного перекрытия.
Требуемое значение сопротивления теплопередаче по санитарно-гигиеническим нормам Rо. тр. находим по формуле:
,
где Δtн - нормируемый температурный перепад, принимаем по таблице 2* [1] Δtн =3 о С;
(м2
∙ºС) /Вт.
Фактическое сопротивление теплопередаче при существующей конструкции можно определить, как:
,
где
- толщина штукатурки,
.
= 0,02м;
- толщина пемзобетона,
= 0,22м;
-
толщина рубероида,
= 0,002м (берём два слоя);
- толщина пемзы шлаковой,
= 0,15м;
- толщина доски,
=0,02м;
- теплопроводность штукатурки
= 0,93 Вт/ (м∙ºС);
- теплопроводность пемзобетона,
= 0,68 Вт/ (м∙ºС);
- теплопроводность рубероида,
= 0,17Вт/ (м∙ºС);
- теплопроводность пемзы шлаковой,
=0,26Вт/ (м∙ºС);
- теплопроводность доски,
=0,18Вт/ (м∙ºС);
.
Требуемое термическое сопротивление теплопередаче по ГСОП для чердачного перекрытий можно определить как:
.
Толщину тепловой изоляции можно рассчитать как:
,
где λиз - теплопроводность теплоизоляции ISOVER, принимаем λиз = 0,037 Вт/ (м∙ºС);
.
Окончательно принимаем δиз = 0,15 м.
Определим фактическое сопротивление теплопередаче по условиям ГСОП при стандартной толщине тепловой изоляции:
![]()
.
Конструкция чердачного перекрытия представлена на рисунке 2.

Рисунок 2. Чердачное перекрытие.
Теплотехнический расчет приведен в таблице 1.
Таблица 1. Теплотехнический расчет.
| №, п/п | Наименование | Обозна-чение | Размер-ность | Численное значение |
| Климатологические данные г. Новгорода | ||||
| 1 | температура внутри помещения | tв о | 0 С | 20 |
| 2 | среднеотопительная температура | tср. о. | 0 С | -8,7 |
| 3 | температура холодного месяца | tх. м. | 0 С | |
| 4 | температура наружная отопительного периода | tн. о. | 0 С | -37 |
| 5 | температура наружная на вентиляцию | tн. в. | 0 С | -24 |
| 6 | продолжительность отопительного периода | n | суток | 221 |
| 7 | зона влажности | - | - | С |
| 8 | условие эксплуатации ограждающих конструкций | - | - | Б |
| 9 | теплоотдача от внутреннего воздуха к стенке | вн | Вт/м2 *0 С | 8,7 |
| 10 | для наружных стен | н | Вт/м2 *0 С | 23 |
| 11 | для чердачных и надподвальных перекрытий | н | Вт/м2 *0 С | 12 |
| 12 | толщина шлакопемзобетона | xш. п. б. | м | 0,42 |
| 13 | теплопроводность шлакопемзобнтона | ш. п. б. | Вт/м*0 С | 0,63 |
| 14 | теплопроводность изоляции (изовер) | изол. | Вт/м*0 С | 0,037 |
| 15 | теплопроводность штукатурки | шт. | Вт/м*0 С | 0,93 |
| 16 | нормируемая разность температур для наружных стен | tн | 0 С | 4 |
| 17 | нормируемая разность температур для чердаченого перекрытия | tн | 0 С | 3 |
| 18 | толщина штукатурки с внутренней стороны | в | м | 0,015 |
| 19 | толщина штукатурки с внешней стороны | н | м | 0,02 |
| Теплотехнический расчет наружных стен | ||||
| без изоляции | ||||
| 20 | требуемое термическое сопротивление | R0 тр | м2 *0 С/Вт | 1,638 |
| 21 | фактическое требуемое термическое сопротивление | Rф | м2 *0 С/Вт | 0,863 |
| с изоляцией | ||||
| 22 | градусо-сутки отопительного периода | ГСОП | 0 С*сут. | 6342,7 |
| 23 | требуемое термическое сопротивление по ГСОП | Rгсоп тр | м2 *0 С/Вт | 3,620 |
| 24 | толщина тепловой изоляции | xизол. | м | 0,100 |
| 23 | фактическое требуемое термическое сопротивление | Rф тр | м2 *0 С/Вт | 3,565 |
| Теплотехнический расчет чердачного перекрытия | ||||
| без изоляции | ||||
| 25 | толщина пемзобетона | xз. б. | м | 0,22 |
| 26 | теплопроводность пемзобетона | з. б. | Вт/м*0 С | 0,68 |
| 27 | толщина руберойда | xр. | м | 0,002 |
| 28 | теплопроводность руберойда | р. | Вт/м*0 С | 0,17 |
| 29 | толщина пемзы шлаковой | xп. ш. | м | 0,15 |
| 30 | теплопроводность пемзы шлаковой | п. ш. | Вт/м*0 С | 0,260 |
| 31 | толщина доски | xд. | м | 0,02 |
| 32 | теплопроводность доски | д. | Вт/м*0 С | 0,180 |
| 33 | требуемое термическое сопротивление | R0 тр | м2 *0 С/Вт | 2,184 |
| 34 | фактическое требуемое термическое сопротивление | Rф | м2 *0 С/Вт | 1,255 |
| с изоляцией | ||||
| 35 | требуемое термическое сопротивление по ГСОП | Rгсоп тр | м2 *0 С/Вт | 4,754 |
| 36 | толщина тепловой изоляции | xизол. | м | 0,130 |
| 35 | фактическое требуемое термическое сопротивление | Rгсоп Ф | м2 *0 С/Вт | 4,768 |
| Для окон и балконых дверей | ||||
| 37 | фактическое требуемое термическое сопротивление по ГСОП | Rф тр | м2 *0 С/Вт | 0,659 |
| Коэффициент теплопередачи (с изоляцией) | ||||
| 38 | коэффициент теплопередачи для стен | Кст. | Вт/м2 *0 С | 0,280 |
| 39 | коэффициент теплопередачи для окон и балконых дверей | Кок. бал. | Вт/м2 *0 С | 1,560 |
| 40 | коэффициент теплопередачи для чердачного перекрытия | Кч. пр. | Вт/м2 *0 С | 0,210 |
| Коэффициент теплопередачи (без изоляцией) | ||||
| 41 | коэффициент теплопередачи для стен | Кст. | Вт/м2 *0 С | 1,159 |
| 42 | коэффициент теплопередачи для окон и балконых дверей | Кок. бал. | Вт/м2 *0 С | 2,500 |
| 43 | коэффициент теплопередачи для чердачного перекрытия | Кч. пр. | Вт/м2 *0 С | 0,797 |
Внутренняя стена.
Фактическое сопротивление теплопередаче при существующей конструкции можно определить, как:
,
где δш. в. - толщина слоя штукатурки, δш. в. = 0,015м;
δкб - толщина материала наружных стен (шлакопемзопонобетон), δкб = 0,12м;
.
Конструкция внутренней стены представлена на рисунке 3.

Рисунок 3. Конструкция внутренней стены (сверху вниз: штукатурка, шлакопемзопонобетон плотностью 1600 кг/м3 , штукатурка).
2. Расчет теплопотерь за счет инфильтрации
Расчет расхода теплоты на нагрев инфильтрующегося воздуха необходимо определять отдельно для помещений с различной внутренней температурой воздуха, а также раздельно для окон и балконных дверей. Расчет ведем в соответствии с рекомендациями.
Температуру воздуха внутри помещений определим исходя из приложения 4 [2] для первого этажа здания: жилые комнаты (1-4):
; кухня:
; ванная совмещенная:
; туалет:
; Прихожая: ![]()
Определим расход теплотына нагревание инфильтрующегося воздуха через окна (деревянной конструкции) в комнате с температурой внутреннего воздуха 20 o C:
Qок.20 = 0,28 G c ( tв - tн ) k ,
где c - удельная теплоемкость воздуха, равная 1 кДж/ (кг×°С);
tв,
tн
-
расчетные температуры воздуха соответственно в помещении,
; наружного воздуха в холодный период,
;
k - коэффициент учета влияния встречного теплового потока в конструкциях, равный 0,8 - для окон и балконных дверей с раздельными переплетами;
G - расход инфильтрующегося воздуха через ограждающие конструкции помещения;
Gi = 0,216 Fок D pок 0,67 / Ru ,
где Fок - суммарная площадь ограждающих конструкций окон помещения, определим как:
м2
;
Ru - нормативное сопротивление воздухопроницанию, принимаем Ru = 0,13 м2 ×ч×Па/кг; D pок - расчетная разность между давлениями на наружной и внутренней поверхностях ограждающих конструкций, определим как:
,
где pi - давление на внешней поверхности наружного ограждения;
pо - условное давление в верхней точке с заветренной стороны здания;
,
где H - высота здания от уровня земли до карниза, H= 33м;
ρн - плотность наружного воздуха, определим как:
;
ρв - плотность наружного воздуха, определим как:
;
Cн - коэффициент для наветренной стороны здания, Cн = 0,8;
Cз - коэффициент для заветренной стороны здания, Cз = - 0,6;
Kт - коэффициент, учитывающий динамическое давление ветра в зависимости от высоты здания и рельефа местности, определяются по таблице 6 [5] Kт = 1,0125;
w - средняя скорость ветра, принимаем по таблице 1 [3], w= 6,6 м/c;
;
,
где h - расстояние от уровня земли до верха окна или двери, h= 75 м ;
;
;
;
.
Аналогично проводим расчет для других помещений, имеющих окна и балконные двери, при существующей конструкции здания и конструкцией по условиям энергосбережения. Для окон с двухкамерным стеклопакетом из стекла с твердым селективным покрытием и заполнением аргоном принимаем нормативное сопротивление воздухопроницанию Ru = 0,26 м2 ×ч×Па/кг. Расчет сводим в таблицу 2.
Таблица 2. Сводная таблица расчета теплопотерь за счет инфильтрации.
| Помещение | Температура наружного воздуха, tн | Температура внутреннего воздуха, tв | Плотность наружного воздуха, ρн | Плотность внутреннего воздуха, ρв | Площадь окон и балконных дверей, Fок | Нормативное сопротивление воздухопроницанию, Ru | Давление на внешней поверхности наружного ограждения, Pi | Условное давление в верхней точке с заветренной стороны здания, Po | Расчетная разность между давлениями, Δ P | Расход инфильтрующегося воздуха через ограждающие конструкции помещения, G | Расход теплоты на нагревание инфильтрующегося воздуха, Q |
| Для существующей конструкции | |||||||||||
| Комната 1 | -37 | 20 | 1,496 | 1, 205 | 3,648 | 0,130 | 36,582 | 132,990 | -96,408 | 129,396 | -1652,125 |
| Комната 2 | -37 | 20 | 1,496 | 1, 205 | 3,648 | 0,130 | 36,582 | 132,990 | -96,408 | 129,396 | -1652,125 |
| Комната 3 | -37 | 20 | 1,496 | 1, 205 | 2,614 | 0,130 | 36,582 | 132,990 | -96,408 | 92,734 | -1184,023 |
| Для конструкции по условиям энергосбережения | |||||||||||
| Комната 1 | -37 | 20 | 1,496 | 1, 205 | 3,648 | 0,260 | 36,582 | 132,990 | -96,408 | 64,698 | -826,063 |
| Комната 2 | -37 | 20 | 1,496 | 1, 205 | 3,648 | 0,260 | 36,582 | 132,990 | -96,408 | 64,698 | -826,063 |
| Комната 3 | -37 | 20 | 1,496 | 1, 205 | 2,614 | 0,260 | 36,582 | 132,990 | -96,408 | 46,367 | -592,011 |
Поскольку на первом этаже имеется также кухня и уборные, необходимо учесть потери теплоты инфильтрацией, связанные с работой систем вентиляции. Определим расход теплоты на нагрев инфильтрующегося воздуха, связанного с работой систем вентиляции для кухни:
,
где V - объемный расход воздуха за 1 час в помещении, для кухни принимаем V = 90 м3 /ч;
.
Аналогично проводим расчет для ванной и санузла, расчет приведен в таблице 3.
Таблица 3. Сводная таблица расчета теплопотерь за счет инфильтрации, связанных с работой вентиляции.
| Помещение | Температура наружного воздуха, tн | Температура внутреннего воздуха, tв | Плотность внутреннего воздуха, ρв | Объемный расход воздуха за 1 час в помещении, V | Расход теплоты на нагрев инфильтрующегося воздуха, связанного с работой систем вентиляции, Qв |
| Для существующей конструкции | |||||
| Кухня | -37 | 17 | 1,217 | 90 | 1325,138 |
| Ванная | -37 | 27 | 1,177 | 50 | 843,435 |
| Таулет | -37 | 18 | 1,213 | 50 | 747,244 |
| Для конструкции по условиям энергосбережения | |||||
| Кухня | -37 | 17 | 1,217 | 90 | 1325,138 |
| Ванная | -37 | 27 | 1,177 | 50 | 843,435 |
| Таулет | -37 | 18 | 1,213 | 50 | 747,244 |
3. Расчет теплопотерь за счет теплопередачи через ограждения
Основные тепловые потери через наружные ограждения
Основные тепловые потери помещения через ограждающие конструкции составят:
,где
- площадь поверхности ограждения, м2
;
- коэффициент теплопередачи ограждения, Вт/ (м2
×°С);
- коэффициент, учитывающий положение ограждающей конструкции относительно наружного воздуха, по таблице 3* [2] для стен принимаем
.
Принимаем надбавки к основным теплопотерям:
добавки на ориентацию наружных ограждений:
для севера (С)
для юга (Ю).
Расчет тепловых потерь через ограждающие конструкции покажем на примере комнаты 1:
1) Температура внутри помещения t=20 о С;
2) Ограждающие конструкции и их ориентация по сторонам света:
а) наружная стена-С
б) окно - С
в) пол
3) Линейные размеры ограждающих конструкций (по правилам линейного обмера отапливаемых помещений), м xм:
а) наружная стена 4,285х3,094
б) окно 2,4х1,52
в) потолок 3,76х5,5
4) Площади ограждающих конструкций:
а) наружная стена
м2
;
б) окно
м2
;
в) потолок
м2
5) Разность температур внутри помещения и наружного воздуха:
а) наружная стена
о
С
б) окно
о
С
в) потолок
о
С
6) Коэффициент теплопередачи наружных ограждений:
а) наружная стена ![]()
;
б) окно ![]()
;
в) потолок ![]()
;
Результаты всех расчетов тепловых потерь через наружные ограждения каждого помещения сведем в общую таблицу 4 (квартира без изоляции) и таблицу 5 (квартира с изоляцией).
Таблица 4 Расчет тепловых потерь квартиры.
| № отапливаемого помещения | Наименование помещения, tв, о С | Наименование ограждения | Ориентация ограждения | Размеры ограждения | Площадь ограждения, м2 | Расчётная разность температур tвtн,о С | n | К, Вт/ (м2 ∙ºС) | Qосн, Вт | Добавки, % | Qдоб Вт | Qобщ Вт | Qинф. Вт | Сумма по помещению, Вт | |||
| а, м | b, м | Стороны света | Другие | ||||||||||||||
| 1 | 2 | 3 | 4 | 5 | 6 | 7 | 8 | 9 | 10 | 11 | 12 | 13 | 14 | 15 | |||
| 1 | Комната | 20 | НС | З | 4,285 | 3,094 | 13,26 | 57 | 1,0 | 1,159 | 876 | 5 | 0 | 44 | 920 | 530 | 2589 |
| ДО | З | 2,4 | 1,52 | 3,65 | 57 | 1,0 | 1,341 | 279 | 5 | 0 | 14 | 293 | |||||
| ПТ | 3,76 | 5,5 | 20,68 | 57 | 0,90 | 0,797 | 846 | 0 | 0 | 0 | 846 | ||||||
| 2 | Комната | 20 | НС | З | 4,185 | 3,094 | 12,95 | 57 | 1,0 | 1,159 | 856 | 5 | 5 | 86 | 942 | 530 | 3953 |
| НС | Ю | 6,39 | 3,044 | 19,45 | 57 | 1,0 | 1,159 | 1286 | 0 | 5 | 65 | 1351 | |||||
| ДО | З | 2,4 | 1,52 | 3,65 | 57 | 1,0 | 1,341 | 279 | 5 | 5 | 28 | 307 | |||||
| ПТ | 5,48 | 3,67 | 20,11 | 57 | 0,90 | 0,797 | 823 | 0 | 0 | 0 | 823 | ||||||
| 3 | Комната | 20 | НС | Ю | 3,41 | 3,094 | 10,55 | 57 | 1,0 | 1,159 | 698 | 0 | 0 | 0 | 698 | 530 | 1974 |
| ДО | Ю | 1,72 | 1,52 | 2,61 | 57 | 1,0 | 1,341 | 200 | 0 | 0 | 0 | 200 | |||||
| ПТ | 3,91 | 3,41 | 13,33 | 57 | 0,90 | 0,797 | 546 | 0 | 0 | 0 | 546 | ||||||
| 5 | Кухня | 17 | НС | Ю | 3,655 | 3,094 | 11,31 | 54 | 1,0 | 1,159 | 708 | 0 | 0 | 0 | 708 | 1325 | 2734 |
| ДО | Ю | 1,52 | 1,52 | 2,31 | 54 | 1,0 | 1,341 | 168 | 0 | 0 | 0 | 168 | |||||
| БД | Ю | 0,9 | 2 | 1,80 | 54 | 1,0 | 1,341 | 131 | 0 | 0 | 0 | 131 | |||||
| ПТ | 3,3 | 3,14 | 10,36 | 54 | 0,90 | 0,797 | 402 | 0 | 0 | 0 | 402 | ||||||
| 6 | Туалет | 18 | ПТ | 1,39 | 2,1 | 2,92 | 55 | 0,9 | 0,797 | 116 | 0 | 0 | 0 | 116 | 116 | ||
| 8 | Ванная | 27 | ВС | 3,17 | 3,094 | 9,81 | 64 | 1,0 | 2, 209 | 1387 | 0 | 0 | 0 | 1387 | 6192 | ||
| ВС | 3,17 | 3,094 | 9,81 | 64 | 1,0 | 2, 209 | 1387 | 0 | 0 | 0 | 1387 | ||||||
| ВС | 3,43 | 3,094 | 10,61 | 64 | 1,0 | 2, 209 | 1501 | 0 | 0 | 0 | 1501 | ||||||
| ВС | 3,43 | 3,094 | 10,61 | 64 | 1,0 | 2, 209 | 1501 | 0 | 0 | 0 | 1501 | ||||||
| ПТ | 2,88 | 3,14 | 9,04 | 64 | 0,9 | 0,797 | 416 | 0 | 0 | 0 | 416 | ||||||
| 9 | Прихожая | 20 | ПТ | 2,3 | 1,94 | 4,46 | 57 | 0,9 | 0,797 | 183 | 0 | 0 | 0 | 183 | 183 | ||
| сумма | 17742 | ||||||||||||||||
Таблицт 5 (с изоляцией).
| № отапливаемого помещения | Наименование помещения, tв, о С | Наименование ограждения | Ориентация ограждения | Размеры ограждения | Площадь ограждения, м2 | Расчётная разность температур tвtн,о С | n | К, Вт/ (м2 ∙ºС) | Qосн, Вт | Добавки, % | Qдоб Вт | Qобщ Вт | Qинф. Вт | Сумма по помещению, Вт | |||
| а, м | b, м | Стороны света | Другие | ||||||||||||||
| 1 | 2 | 3 | 4 | 5 | 6 | 7 | 8 | 9 | 10 | 11 | 12 | 13 | 14 | 15 | |||
| 1 | Комната | 20 | НС | З | 4,285 | 3,224 | 13,81 | 57 | 1,0 | 0,280 | 221 | 5 | 0 | 12 | 233 | 530 | 1267 |
| ДО | З | 2,4 | 1,52 | 3,65 | 57 | 1,0 | 1,280 | 267 | 5 | 0 | 14 | 281 | |||||
| ПТ | 3,76 | 5,5 | 20,68 | 57 | 0,90 | 0,210 | 223 | 0 | 0 | 0 | 223 | ||||||
| 2 | Комната | 20 | НС | З | 4,285 | 3,224 | 13,81 | 57 | 1,0 | 0,280 | 221 | 5 | 5 | 23 | 244 | 530 | 1623 |
| НС | Ю | 6,59 | 3,044 | 20,06 | 57 | 1,0 | 0,280 | 321 | 0 | 5 | 17 | 338 | |||||
| ДО | З | 2,4 | 1,52 | 3,65 | 57 | 1,0 | 1,280 | 267 | 5 | 5 | 27 | 294 | |||||
| ПТ | 5,48 | 3,67 | 20,11 | 57 | 0,90 | 0,210 | 217 | 0 | 0 | 0 | 217 | ||||||
| 3 | Комната | 20 | НС | Ю | 3,41 | 3,224 | 10,99 | 57 | 1,0 | 0,280 | 176 | 0 | 0 | 0 | 176 | 530 | 1041 |
| ДО | Ю | 1,72 | 1,52 | 2,61 | 57 | 1,0 | 1,280 | 191 | 0 | 0 | 0 | 191 | |||||
| ПТ | 3,91 | 3,41 | 13,33 | 57 | 0,90 | 0,210 | 144 | 0 | 0 | 0 | 144 | ||||||
| 5 | Кухня | 17 | НС | Ю | 3,755 | 3,224 | 12,11 | 54 | 1,0 | 0,280 | 184 | 0 | 0 | 0 | 184 | 1325 | 1900 |
| ДО | Ю | 1,52 | 1,52 | 2,31 | 54 | 1,0 | 1,280 | 160 | 0 | 0 | 0 | 160 | |||||
| БД | Ю | 0,9 | 2 | 1,80 | 54 | 1,0 | 1,280 | 125 | 0 | 0 | 0 | 125 | |||||
| ПТ | 3,3 | 3,14 | 10,36 | 54 | 0,90 | 0,210 | 106 | 0 | 0 | 0 | 106 | ||||||
| 6 | Туалет | 18 | ПТ | 1,39 | 2,1 | 2,92 | 55 | 0,9 | 0,210 | 31 | 0 | 0 | 0 | 31 | 31 | ||
| 8 | Ванная | 27 | ВС | 3,17 | 3,224 | 10,22 | 64 | 1,0 | 2, 209 | 1446 | 0 | 0 | 0 | 1446 | 6130 | ||
| ВС | 3,17 | 3,224 | 10,22 | 64 | 1,0 | 2, 209 | 1446 | 0 | 0 | 0 | 1446 | ||||||
| ВС | 3,43 | 3,224 | 11,06 | 64 | 1,0 | 2, 209 | 1564 | 0 | 0 | 0 | 1564 | ||||||
| ВС | 3,43 | 3,224 | 11,06 | 64 | 1,0 | 2, 209 | 1564 | 0 | 0 | 0 | 1564 | ||||||
| ПТ | 2,88 | 3,14 | 9,04 | 64 | 0,9 | 0,210 | 110 | 0 | 0 | 0 | 110 | ||||||
| 9 | Прихожая | 20 | ПТ | 2,3 | 1,94 | 4,46 | 57 | 0,9 | 0,210 | 49 | 0 | 0 | 0 | 49 | 49 | ||
| сумма | 12042 | ||||||||||||||||
Таким образом, общие потери здания:
при фактической конструкции:
кВт;
по условиям энергосбережения:
кВт.
4. Расчет и выбор отопительных приборов

Для поддержания в помещении требуемой температуры необходимо, чтобы количество тепла, отдаваемого нагревательными приборами, установленными в помещении, соответствовало расчетным теплопотерям помещения.
Количество тепла Q, Вт, отдаваемого прибором, пропорционально площади поверхности его нагрева Fпр
, м2
, коэффициенту теплопередачи прибора k и разности температур теплоносителя tcp
в приборе и омывающего его воздуха помещения tв
.
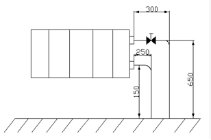
В качестве нагревательных приборов принимаем РБС - 500. Расположение прибора показано на рисунке 7.
Радиаторы относятся к биметаллическим отопительным приборам с полностью стальным сварным сердечником. Такая конструкция обеспечивает отменную прочность и отличные тепловые характеристики. Теплоноситель при работе радиатора контактирует только со сталью, поэтому гальваническая пара сталь-алюминий не возникает, электрохимическая коррозия сведена к минимуму. Нет ограничений и в выборе подводящих трубопроводов - стальная, медная, металлопластиковая, пластиковая подводка будет отлично работать с данными радиаторами.
Радиаторы благодаря стальному сердечнику легко выдерживают давление до 25кг/см2 , при этом давление, способное разрушить радиатор, более 100кг/см2 . Таким образом многократный запас прочности радиаторов позволяет использовать их без ограничений во всех типах систем отопления - от автономных коттеджей до высотных домов с центральной системой отопления и периодически происходящими гидравлическими ударами.
Стальная начинка биметаллического радиатора стойко переносит кислотность теплоносителя - показатель pH может находиться в пределах 6.5-9.5, что обеспечивает длительный срок эксплуатации даже в системах отопления с агрессивным теплоносителем плохого качества (именно такой теплоноситель как правило находится в системах центрального отопления стран СНГ). Гарантия завода изготовителя - 5 лет, срок эксплуатации - более 40 лет.
При компактных габаритах радиатор обладает высокой мощностью. Небольшой внутренний объем радиаторов отопления позволяет не только сократить количество теплоносителя в системе отопления, но и делает систему менее инерционной, что является важным фактором при поддержании заданной температуры в помещении. Малый внутренний объем секций позволяет легко регулировать теплоотдачу как ручным, так и автоматическим способом. Соответственно, при меньшем расходе энергии, мы получаем максимальную теплоотдачу.
Конструкция и форма ребер радиаторов обеспечивает интенсивные конвекционные потоки теплого воздуха, направленные как вверх (для создания "теплового экрана" перед окном), так и внутрь помещения - для равномерного нагрева всего пространства. Конвекционные потоки воздуха препятствуют также накоплению пыли внутри радиатора.
Верхние и нижние коллекторы секций радиаторов отопления не имеют карманов, где могут накапливаться газы и шлак. Благодаря этому опасность коррозии и засорения минимальна.
Благодаря большому сечению вертикального канала секции радиатора не склонны к шлакованию, радиатор имеет малое гидравлическое сопротивление.
Приведем пример расчета для комнаты 1 по условиям энергосбережения. При этом температура воды, подаваемая в прибор, tвх = 95 O C; температура воды, выходящей из прибора tвых = 70 O C; температура омываемого воздуха tв = 20 O C.
Тепловая нагрузка на прибор отопления:
,
где Qт. пот. - тепловые потери помещения (берутся из таблицы 2.2), Вт;
Qтр. - тепло, поступающее от труб, Вт;
Тепловая нагрузка на трубы системы отопления, идущие внутри помещения, находится как:
,
где qв п - удельная тепловая потеря участка подающего
вертикального трубопровода, Вт/м,
qв п =63 Вт/м;
qв о - удельная тепловая потеря участка обратного
вертикального трубопровода, Вт/м,
qв о =38 Вт/м;
qг п - удельная тепловая потеря участка подающего
горизонтального трубопровода, Вт/м,
qг п =81 Вт/м;
qг о - удельная тепловая потеря участка обратного
горизонтального трубопровода, Вт/м,
qг о =50 Вт/м;
lв п , lв о - длины участков вертикальных подающего
и обратного трубопроводов, м,
lв п =0,65 м, lв о =0,15 м;
lг п , lг о - длины участков подающего горизонтальных и обратного трубопроводов, м,
lг п =0,3 м, lг о =0,25 м;
Вт.
Подберем прибор отопления на примере комнаты № 1:
1) приборов отопления в количестве одна штука;
2) теплопотери помещения выпишем из таблицы 5, Q1 =1267 Вт;
тогда
Вт
2) Расход воды через отопительный прибор:
кг/ч;
3) Коэффициент приведения:
,
где Qсек ном - номинальная тепловая нагрузка на секцию
Qсек ном =195 Вт;
b - коэффициент, учитывающий атмосферное давление, b=1, [3];
y - коэффициент, учитывающий способ подключения прибора,
"сверху-вниз" y=1;
с - коэффициент, учитывающий число секций в приборе, от 5
до 10 с=1, [3];
n, с, р - поправочные коэффициенты, n=0,3, р=0,04, с=1;
, Вт;
4) Среднее количество секций:
![]()
5) коэффициент, учитывающий количество секций;
![]()
6) Номинальная тепловая нагрузка на секцию:
![]()
7) Определяем количество секций в отопительном приборе:
секций.
- коэффициент, учитывающий способ установки прибора;
Для комнаты № 1 принимаем один отопительный прибор РБС-500, состоящий из восьми секций.
Все остальные расчеты отопительных приборов сведем в таблицы 5 и 6.
Таблица 5. Расчет нагревательных приборов без изоляции.
| Помещение | Температура внутреннего воздуха, tв | Теплопотери с помещения, Qпот | Тепловой поток от труб, Qтр | Расчётная тепловая нагрузка прибора, Qпр | Средний перепад температур, Δtср | Расход воды через прибор, Gпр, кг/ч | Коэффициент приведения, φ | Требуемая номинальная мощность прибора, Qнт | Предварительно определенное число секций, Nор | Коэффициент, β3 | Минимальное необходимое количество секций, Nmin | Окнчательно принятое число секций, N |
| Комната 1 | 20 | 2589 | 83,5 | 2514,1 | 62,5 | 93,98 | 0,818 | 3074,0 | 16 | 0,981 | 16,553 | 17 |
| Комната 2 | 20 | 3953 | 83,5 | 3878,1 | 62,5 | 144,97 | 0,832 | 4660,2 | 24 | 0,977 | 25,188 | 26 |
| Комната 3 | 20 | 1974 | 83,5 | 1899,1 | 62,5 | 70,99 | 0,809 | 2348,2 | 13 | 0,983 | 12,613 | 13 |
| Кухня | 17 | 2734 | 83,5 | 2659,0 | 65,5 | 99,40 | 0,871 | 3052,1 | 16 | 0,981 | 16,435 | 17 |
Таблица 5. Расчет нагревательных приборов с изоляцией.
| Помещение | Температура внутреннего воздуха, tв | Теплопотери с помещения, Qпот | Тепловой поток от труб, Qтр | Расчётная тепловая нагрузка прибора, Qпр | Средний перепад температур, Δtср | Расход воды через прибор, Gпр, кг/ч | Коэффициент приведения, φ | Требуемая номинальная мощность прибора, Qнт | Предварительно определенное число секций, Nор | Коэффициент, β3 | Минимальное необходимое количество секций, Nmin | Окнчательно принятое число секций, N |
| Комната 1 | 20 | 1267 | 83,5 | 1192,1 | 62,5 | 44,56 | 0,794 | 1501,7 | 8 | 0,992 | 7,998 | 8 |
| Комната 2 | 20 | 1623 | 83,5 | 1548,1 | 62,5 | 57,87 | 0,802 | 1929,9 | 10 | 0,987 | 10,324 | 11 |
| Комната 3 | 20 | 1041 | 83,5 | 966,1 | 62,5 | 36,12 | 0,787 | 1227,3 | 7 | 0,995 | 6,516 | 7 |
| Кухня | 17 | 1900 | 83,5 | 1825,0 | 65,5 | 68,22 | 0,858 | 2126,6 | 11 | 0,986 | 11,394 | 12 |
4. Расчет и подбор кондиционера
,
где 1,2 - коэффициент запаса на не учтенное теплопоступление;
Q1 - теплопоступления за счет разности температур внутреннего и наружного воздуха и за счет солнечной радиации, Вт;
Q2 - теплопоступление от оргтехники, Вт;
Q3 - теплопоступление от людей, Вт;
Q4 - теплопоступления от осветительных приборов, Вт;
Теплопоступления за счет разности температур внутреннего и наружного воздуха и за счет солнечной радиации:
,
где q1 - удельное теплопоступление от солнечной радиации, q1 =30 Вт/м3 ;
Vпомещ - объем помещения, V=55,84 м3 ;
Вт
Теплопоступления от оргтехники:
,
где q2 - удельное теплопоступление от компьютера полной сборки, q2 =300 Вт;
Nорг - количество оргтехники, Nорг =1;
Вт
Теплопоступления от людей:
,
где q3 - теплопоступление от человека в состоянии, q3 =100 Вт;
Вт
Теплопоступление от осветительных приборов:
,
где h - коэффициент преобразования электрической энергии в тепловую, h=0,95;
Nосв - мощность осветительного прибора, три лампочки Nосв =100 Вт;
Вт,
тогда общее теплопоступление будет,
![]()
Таким образом, надо подобрать кондиционер с нагревательной и охлаждающей мощность, превышающей полученное значение. Примем канальный кондиционер LGB-18LH.
Канальные кондиционеры - это кондиционеры, монтируемые за подшивным потолком и имеющие забор воздуха из помещния и подачу его в помещние через воздуховоды. Канальные кондиционеры занимают достаточно широкий сегмент рынка кондиционеров. Популярность этого типа кондиционера вызвана как его привлекательными техническими характеристиками, в частности возможностью полностью скрыть внутренний блок в строительные конструкции и распложить его на значительном расстоянии от зоны обслуживания, так и стоимостным показателям.
Прибор LGB-18LHимеет следующие технические характеристики:
· мощность охлаждения: 5,3 кВт;
· мощность обогрева: 5,3 кВт;
· потребляемая мощность: 2,05 кВт;
· производительность вентилятора: 990 м3 /ч;
· габариты внутреннего блока: 880x575x281 мм;
шум: 36 дБ.
5. Выбор трубной разводки системы отопления
Выбираем поквартирную разводку. Поквартирная разводка позволяет повысить качество теплоснабжения, надежность и комфортность внутренней среды. Важным преимуществом является энергосберегающий фактор.
Энергосбережение достигается за счет возможности поквартирного учета теплопотребления и возможности управления. Учет осуществляется за счет установки теплосчетчика на входах в квартирном узле. Управление за счет возможности регулирования нагрузкой каждого отопительного прибора.
Используем двухтрубную лучевую поквартирную разводку. Лучевая разводка представлена на рисунке 8 для одной квартиры.

Рисунок 8. Поквартирная лучевая разводка.
Основной стояк проходит в фае или на лестничной клетке. На участке от фае до входа устанавливается запорная арматура, для отключения квартиры, без проникновения в неё. Ввод в квартиру осуществляется через сам узел.
Узел ввода представляет собой входной и выходной коллектор, запорно-регулирующую арматуру, теплосчетчик. Для стояков используют стальные трубы, а для квартирной разводки - полимерные или металло-полимерные трубы. Недостатками полимерных труб являются: высокий коэффициент температурного расширения, ограничение по температуре до 90 o C. У метало-полимерных труб коэффициент температурного расширения ниже, а срок службы выше.
Прокладка труб осуществляется в полу с заливкой цементно-бетонной стяжкой или в каналах. Подсоединение приборов с вверху вниз. Присоединение к приборам из пола. Все соединения остаются доступными для ревизии или замены.
6. Дополнительные меры по энергосбережению в жилых зданиях
Дополнительными мероприятиями по энергосбережению могут являться мероприятия такие как: использование учета электроэнергии, тепла, газа, холодной и горячей воды; применение приборов с пониженной потребляемой мощностью, создание систем регулирования подачи энергоносителей (автоматизированный индивидуальный тепловой пункт).
Далее рассмотрим два наиболее простых мероприятия по энергосбережению: применение экономичных люминесцентных ламп и учет горячей и холодной воды с помощью водосчетчиков.
Энергосберегающие осветительные приборы.
Каждая квартира здания включает в себя: четыре комнаты, кухню, холл, ванную и туалет. Предположим, что каждое помещение освещает одна лампа накаливания, кроме холла, в нем освещение осуществляется за счет трех ламп. Таким образом, каждую квартиру освещает 10 ламп накаливания потребляемой мощностью 60Вт.
В качестве альтернативы этих ламп предлагается использовать компактные люминесцентные лампы (КЛЛ), наиболее полно представленные фирмой OSRAM. Это высокоэкономичные лампы для работы от сетевого напряжения 220-240В, оснащенные резьбовыми цоколями Е14, Е27, что позволяет использовать их в существующих осветительных установках взамен ламп накаливания. Диапазон мощностей некоторых модификаций выпускаемых ламп КЛЛ приведен в табл.1.
Таблица 7
| Тип лампы | Диапазон мощностей, Вт |
| OSRAM DULUX EL LONGLIFE | 3-23 |
| OSRAM DULUX EL CLASSIC | 3-15 |
| OSRAM DULUX L | 18-55 |
С точки зрения эквивалентности светового потока, мощности КЛЛ и обычных ламп накаливания соотносятся согласно табл.2 (по данным фирмы).
Таблица 8
| Мощность КЛЛ, Вт | Мощность ламп накаливания, Вт |
| 3 | 15 |
| 5 | 25 |
| 7 | 40 |
| 11 | 60 |
| 15 | 75 |
| 20 | 100 |
| 23 | 120 |
Потребление электроэнергии при использовании КЛЛ снижается примерно в 5 раз. Средний срок службы рассматриваемых ламп различных модификаций составляет 12.000-15.000 часов. При применении КЛЛ существенно снижаются эксплуатационные расходы. Если расходы при использовании лампы накаливания 75Вт принять за 1, то при замене на эквивалентную ей лампу OSRAM DULUX LONGLIFE EL мощностью 15Вт (по данным фирмы) эксплуатационные расходы будут снижаться в зависимости от длительнсти эксплуатации. Уменьшение потребной мощности лампы резко снижает тепловыделение в помещениях при работе осветительной установки. Температура нагрева самой КЛЛ в 2-3 раза ниже, чем у лампы накаливания, что благоприятно сказывается на тепловом режиме светильника и, соответственно, сроке его службы.
Применение водосчетчиков холодной и горячей воды.
Как известно, потребление горячей и холодной воды без установки теплосчетчика на одного человека нормируется по СНиП, они равны:
- горячее водоснабжение 105 л/сут;
- холодное водоснабжение 145 л/сут.
Оплата за горячее и холодное водоснабжение теплосетям осуществляется, именно на основании этих показателей без установки водосчетчиков.
В реальных условиях потребление холодной воды может достигать больших значений до 250 л/сут, но это связано, в первую очередь, с работой соответствующих служб ЖЭК и отношением жильцов к устранению утечек (капания кранов, подтекания в смывном бачке, нерациональным использованием воды).
Типичная месячная диаграмма ГВС имеет экстремумы, соответствующие "банным" дням и дням стирки. Результаты почасового водопотребления показывают, что увеличенный водоразбор осуществляется в утренние и вечерние часы (динамика водоразбора в будни и выходные дня отличается).
При холодном водоснабжении имеются соответствующие пики в "банные" дни и дни стирки.
Мероприятия по снижению водопотребления в первую очередь направлены на рациональное использование воды (изменение менталитета).
Необходимо устранить все утечки: подтекания кранов, душевых и туалетных бачков; использовать минимальный приемлемый расход воды при мытье посуды, купании, стирке и т.д. Указанные меры не означают снижения комфортности, а лишь рациональное использование воды. Необходимо потребовать от эксплуатационных служб обеспечение нормальной работы циркуляционного кольца ГВС и нормативную температуру горячей воды у водоразбора. Снижению водопотребления способствует установка смесителей с одной рукояткой за счет более короткого периода настройки. Однако необходимо начать с установки индивидуальных водосчетчиков.
7. Альтернативные источники тепло и электроэнергии
В качестве альтернативных источников могут выступать достаточно много источников энергии: тепловой насос, солнечные батареи, электро-отопление, ветряки и другие. Однако, использование их ограничивается рельефом, климатом, мощностью и другими факторами.
Тепловой насос - это компактная отопительная установка, предназначенная для автономного обогрева и горячего водоснабжения жилых и производственных помещений. Данные системы экологически чисты, так как работают без сжигания топлива и не производят вредных выбросов в атмосферу, а также чрезвычайно экономичны, поскольку при подводе к тепловому насосу, например, 1 кВт электроэнергии, в зависимости от режима работы и условий эксплуатации, производит до 3 - 4 кВт тепловой энергии.
Применение теплового насоса различной тепловой мощности является принципиально новым решением проблемы теплоснабжения и позволяет в зависимости от сезонности и условий работы достигать максимальной эффективности в их работе. Тепловой насос имеет большой срок службы до капитального ремонта (до 10 - 15 отопительных сезонов) и работает полностью в автоматическом режиме. Обслуживание установок заключается в сезонном техническом осмотре и периодическом контроле режима работы. Срок окупаемости оборудования не превышает 2 - 3 отопительных сезонов.
Проблема снижения затрат на отопление, горячее водоснабжение, обогрев бассейнов в условиях России с ее продолжительными и суровыми зимами достаточно актуальна на сегодняшний день. Использование для теплоснабжения традиционных источников энергии требует существенных финансовых затрат. Рост цен на энергоносители и высокие расходы на их доставку заставляют задумываться об экономии. Кроме того, основными недостатками традиционных источников теплоснабжения являются низкая энергетическая (особенно в малых котельных) и экономическая эффективность. Простое и экономичное решение данной проблемы - ТЕПЛОВОЙ НАСОС.
Принцип работы теплового насоса.
Существует несколько основных типов тепловых насосов. Наибольшее распространение получили тепловые насосы, использующие воздух в качестве источника тепла.
Принцип работы данного устройства заключается в том, что он, забирая тепло окружающего воздуха, "умножает" его и использует для отопления и нагрева воды. Конструкция теплового насоса позволяет использовать его в диапазоне температур, типичном для наших климатических условий: от - 25°C до +40°C.
Тепловые насосы достаточно длительное время с успехом используются за рубежом, а в настоящее время находят все налажено во многих развитых странах.
8. Технико-экономическая оценка энергосберегающих мероприятий
Никто не вложит деньги в проект, который не будет приносить прибыли. Для того чтобы заказчик знал, что мероприятия приносят прибыль необходимо обосновать его инвестиции, то есть провести технико-экономический расчет - доказать, что проект будет приносить прибыль. Считаем, что в стоимость оборудования и монтажа заложена стоимость монтажа.
Рассчитаем экономический эффект от использования тепловой изоляции наружных стен и надподвальных перекрытий.
Исходными данными к расчету являются:
Уровень инфляции: b= 12%
Номинальная процентная ставка: nr = 18.
Цена за тепловую энергию: E= 650 руб/Гкал = 558,35 руб/МВт.
1. Рассчитаем требуемые инвестиции:
Используем материал ISOVEROL-E-100, цена за мат 1200x600 мм равна 750 руб. тогда цена за 1м2 10416,67 рубля.
Общий объем используемой изоляции:
V= Fп ·δиз + (FНС -FО ) · δиз = 11,13 м3 , тогда
Io = 11,13·10416,67 = 115960,45руб.
2. Годовое чистое сбережение:
,
где S - количество сэкономленной тепловой энергии в год,
S= (9405 - 5583) ·365·24 = 33,48 МВт;
ΔЭ - затраты на эксплуатацию в год, ΔЭ = 0 руб;
руб.
3. Реальная процентная ставка:
.
4. Срок окупаемости:
лет.
5. Чистая существующая стоимость:
,
где n - экономический срок службы, n= 30 лет (реальный 50 лет);
руб.
6. Коэффициент чистой существующей стоимости:
.
7. Время выплаты:
Определяется по специальным таблицам.
,
где f’ - коэффициент аннуитета;
;
8. Внутренняя норма рентабельности:
Определяется по специальным таблицам.
;
%.
Аналогично проводим расчет для других мероприятий Расчет сводим в таблицу 9.
Никто не вложит деньги в проект, который не будет приносить прибыли. Для того чтобы заказчик знал, что мероприятия приносят прибыль необходимо обосновать его инвестиции, то есть провести технико-экономический расчет - доказать, что проект будет приносить прибыль. Считаем, что в стоимость оборудования и монтажа заложена стоимость монтажа.
Рассчитаем экономический эффект от использования тепловой изоляции наружных стен и надподвальных перекрытий.
Исходными данными к расчету являются:
Уровень инфляции: b= 10%.
Номинальная процентная ставка: nr = 14%.
Цена за тепловую энергию: E= 650 руб/Гкал = 558,35 руб/МВт.
1. Рассчитаем требуемые инвестиции:
Используем материал ISOVEROL-E-100, цена за мат 1200x600x100 мм равна 860,04 руб, тогда цена за 1м3 11944,99 рублей.
Общий объем используемой изоляции
V= Fп ·δиз + (FНС -FО ) · δиз = 25,766 м3 , тогда
Io = 11944,99·25,766 = 307774,61 руб.
2. Годовое чистое сбережение:
,
где S - количество сэкономленной тепловой энергии в год,
S= (24128 - 10446) ·365·24 = 119,854 МВт;
ΔЭ - затраты на эксплуатацию в год, ΔЭ = 0 руб;
руб.
3. Реальная процентная ставка:
.
4. Срок окупаемости:
лет.
5. Чистая существующая стоимость:
,
где n - экономический срок службы, n= 30 лет (реальный 50 лет);
руб.
6. Коэффициент чистой существующей стоимости:
.
7. Время выплаты:
Определяется по специальным таблицам.
,
где f’ - коэффициент аннуитета;
;
лет.
8. Внутренняя норма рентабельности:
Определяется по специальным таблицам.
;
%.
Аналогично проводим расчет для других мероприятий при b= 10% и nr = 14%, r= 3,636%. Расчет сводим в таблицу 14.
Стеклопакеты:
Стоимость 1 м2 принимаем 2800 руб. Общая площадь окон V= 16,02 м2 . Тогда инвестиции составят I0 = 16,02·2800 = 44856 руб. Экономия энергии составит S= (10446 - 7948) ·365·24 = 21,88 МВт. Стоимость единицы энергии E= 558,35 руб/МВт.
Энергосберегающие лампы:
Стоимость лампы составляет 308,75 руб. Их количество 10 штук. Тогда инвестиции составят I0 = 308,75·10 = 3087,5 руб. Экономия электроэнергии в год составит S= (100-20) ·365·8·10 = 2336 кВт. Стоимость кВт·ч равна 1,2 руб.
Водосчетчики холодной воды:
Стоимость водосчетчика 532 руб, количество - 3 штутки, считая что ванной, туалете и кухни отдельные стояки. Тогда инвестиции составят I0 = 532·3= 1596руб. Стоимость 1м3 равна E= 20,96 руб. По нормам расход холодной воды в день 0,145 м3 , а водосчетчику принимаем 0,05 м3 . Таким образом, экономия составит S= (0,145-0,05) ·365 = 34,675 м3 .
Водосчетчики горячей воды:
Стоимость водосчетчика 532 руб, количество - 3 штутки, считая что ванной, туалете и кухни отдельные стояки. Тогда инвестиции составят I0 = 532·3 = 1596 руб. Стоимость 1м3 равна E= 36 руб. По нормам расход холодной воды в день 0,105 м3 , а по водосчетчику принимаем 0,05 м3 . Таким образом, экономия составит S= (0,105-0,05) ·365 = 20,075 м3 .
Фотоэлектрическая система:
Стоимость системы составляет 445265,25 руб. Тогда инвестиции составят I0 = 445265,25 руб. Стоимость кВт·ч равна 1,2 руб. Система работает пять месяцев с апреля по август, примем 10 дней работы без солнца (электроэнергия от общей сети), то есть общее число дней работы 142 дня. Остальное время электроснабжение от общей сети.
Потребляемая мощность всех приборов за день составляет 3785,71 Вт, тогда экономия в год составит S= 3,78571·142 = 537,57 кВт.
Квартирный тепловой пункт с электрокотлом:
В комплект электрокотла входят воздухоотводный клапан, насос, предохранительный клапан, расширтельный сосуд, программатор, фильтр. Стоимость комплекта PTE17 равна 27000 руб. Стоимость бака-аккумулятора принимаем равным 1200 руб. Тогда инвестиции составят I0 = 27000+1200 = 28200 руб. Тариф на электроэнергию 1,2 руб за кВт·ч. Поскольку оплата энергии до внедрения мероприятия за Гкал, а после внедрения за кВт·ч, то сразу посчитаем годовое чистое сбережение:
B= (7948·10-6 ·558,35·24·365 - 7948/0,991·10-3 ·1,2·24·365) - 500 = - 45933,32 руб.
Имеются эксплуатационные издержки, т.к. часто ломаются ТЭН’ы (срок службы 2 года) стоимость примем 1000 руб одного ТЭН’а.
Система отопления с РБС и пластиковыми трубами:
Стоимость труб составляет 115·23 = 2645 руб. Стоимость коллекторов примем 600 руб. Стоимость радиаторов РБС-500 (дополнительно 15% экономии) равна 399·48 = 19152 руб (5% экономии). Тогда ивестиции составят I0 = 2645+600+19152 = 21857 руб. Тогда экономия составит S= 0,2·7948·10-6 ·24·365 = 13,925 МВт.
Таблица 14. Технико-экономический расчет.
| Мероприятие | Использование изоляции ISOVER | Исрользование стеклопакетов | Система отопления с РБС и пластиковыми трубами | Энергосберегающие лампы | Водосчетчики холодной воды | Водосчетчики горячей воды | Фотоэлектрическая система | Квартирный тепловой пункт с электрокотлом |
| № мероприятия | 1 | 2 | 3 | 4 | 5 | 6 | 7 | 8 |
| Единица измерения энергосбережения | МВт | МВт | МВт | кВт | м3 | м3 | кВт | |
| Стоимость единицы энерги, E, руб | 558,35 | 558,35 | 558,35 | 1,2 | 20,96 | 36 | 1,2 | |
| Инвестиции, Io, руб | 307774,61 | 44856 | 19152 | 3087,5 | 1596 | 1596 | 445265,25 | 28200,00 |
| Эксплуатационные затраты, ΔЭ, руб | 0 | 0 | 0 | 0 | 0 | 0 | 0 | 500,00 |
| Количество сэкономленной энергии, S | 119,854 | 21,88 | 13,925 | 2336 | 34,675 | 20,075 | 537,57 | |
| Годовое чистое сбережение, B, руб | 66920,48 | 12216,70 | 7775,02 | 2803, 20 | 726,79 | 722,70 | 645,08 | 45933,32 |
| Срок окупаемости, PB, лет | 4,60 | 3,67 | 2,46 | 1,10 | 2, 20 | 2,21 | 690,24 | 0,61 |
| Экономический срок службы, n, лет | 30 | 10 | 20 | 1,7 | 12 | 12 | 15 | 15 |
| Чистая существующая стоимость, NPV, руб | 902323,09 | 56052,54 | 90002,23 | 1454,08 | 5371,31 | 5332,12 | 437906,90 | 552152,42 |
| Коэффициент чистой существующей стоимости, NPVQ | 2,93 | 1,25 | 4,70 | 0,47 | 3,37 | 3,34 | 0,98 | 19,58 |
| Коэффициент аннуитета, f' | 0,217 | 0,272 | 0,406 | 0,908 | 0,455 | 0,453 | 0,001 | 1,629 |
| Время выплаты, PO, лет | 5,2 | 4 | 2,6 | 1,1 | 2,5 | 2,5 | >60 | |
| Внутренняя норма рентабельности, IRR, % | 21,7 | 24 | 40 | 30 | 44,5 | 44,5 | <1 |
Как видно из таблицы 14 фотоэлектрическая система не выгодна, однако, она энергосберегающая. Квартирный тепловой пункт не является энергосберегающим, однако, это хорошее мероприятие по повышению надежности системы или для использования её в качестве основной, например, для загородных домиков. Последние два мероприятия не рассматриваем.

Рисунок 13. Годовое чистое сбережение мероприятий.
Как видно наиболее прибыльным является установка изоляции ISOVER.

Рисунок 14. NPVQмероприятий.
Наиболее рентабельным мероприятием является установка системы отопления с РБС и пластиковыми трубами.

Рисунок 15. Срок окупаемости мероприятий.
Как видно из рисунка 15 наиболее быстро окупаемым является установка энергосберегающих ламп.
10. Бизнес-план
1. Резюме.
Рассматриваемая квартира имеет годовой потенциал сохранения энергии:
· тепловой 155,6 МВт;
· электрической 2336 кВт;
· холодной и горячей воды 55 м3 .
Годовое чистое сбережение в год составляет 91 200 руб в год, с общими инвестициями 380 000 руб. Срок окупаемости проекта составляет 4,6 лет.
Внутренняя среда помещений является наиболее комфортной для человека за счет применения современных технологий, сочетающих в себе качество, комфорт, энергосберегающую способность и стиль.
Система не нуждается в организации контроля и эксплуатации в течение всего срока службы оборудования и материалов.
В настоящее время энергосберегающие технологии активно входят в повседневную жизнь и производство, поскольку стоимость энергии с каждым годом увеличивается, высокий темп роста. Поэтому уже на данный момент проблема энергосбережения достаточно актуальна.
1. Сведения о предприятии.
Наше предприятие ОАО “Фирма” успешно работает в этой области уже 7 лет, и постоянно развивается. Выполнено и внедрено уже более 50 проектов, 10% из которых достаточно крупные. Персонал нашей фирмы постоянно проходит стажировку в Европе. Мы плотно сотрудничаем с крупными европейскими корпорациями, работающими в этой области. Главное достижение - выступление на выставке HighTech - 2004 в Европе.
Наш офис находится в Архангельске:
телефон 22-22-22
E-mail: www.firma.ru
3. Информация по проекту.
К внедрению предложено шесть энергосберегающих мероприятий, приносящих прибыль:
| Предлагаемые мероприятия по сохранению энергии | |
| 1 | Испольование изоляции ISOVER |
| 2 | Исрользование стеклопакетов |
| 3 | Система отопления с РБС и пластиковыми трубами |
| 4 | Энергосберегающие лампы |
| 5 | Водосчетчики холодной воды |
| 6 | Водосчетчики горячей воды |
Поскольку все используемое оборудование высокой точности, необходимо соблюдать инструкцию по эксплуатации, для достижения наилучшего эффекта.
Затраты, связанные с процентной ставкой и инфляцией, не включаются в расчет срока окупаемости. Инвестиционные затраты основываются на общих ценах, связанных с инвестициями по сохранению энергии. Все цены включают налог на добавленную стоимость.
Общие сбережения и инвестиции имеют точность ±10%.
4. Экологические выгоды.
Поскольку достаточно немалый потенциал сохранения энергии, то, соответственно, имеет место экономия топлива на ТЭЦ. Следовательно, уменьшаются выбросы SO2 , NOX , CO, CO2 . В жилых помещениях устанавливается комфортный микроклимат, способствующий продлению жизни человека и улучшению его настроения. Кроме того, присутствует и положительная эстетическая сторона. Создаются предпосылки к дальнейшему развитию энергосберегающих систем, а также их автоматизации.
5. Рентабельность проекта.
Далее представлены основные экономические показатели внедряемых мероприятий. Наиболее рентабельным из них является установка новой системы отопления, основанной на высокоэкономичных секционных биметаллических радиаторах.
| Мероприятие | Инвестиции, Io, руб | Годовое чистое сбережение, B, кВт·ч/год | Годовое чистое сбережение, B, руб | Срок окупаемости, PB, лет | Внутренняя норма рентабельности, IRR, % | Чистая существующая стоимость, NPV, руб | Коэффициент чистой существующей стоимости, NPVQ |
| Система отопления с РБС и пластиковыми трубами | 19152 | 13925 | 7775 | 2,46 | 40 | 90002 | 4,70 |
| Водосчетчики холодной воды | 1596 | 34,7 м3 | 727 | 2, 20 | 44,5 | 5371 | 3,37 |
| Водосчетчики горячей воды | 1596 | 20 м3 | 723 | 2,21 | 44,5 | 5332 | 3,34 |
| Испольование изоляции ISOVER | 307775 | 119854 | 66920 | 4,60 | 21,7 | 902323 | 2,93 |
| Исрользование стеклопакетов | 44856 | 21880 | 12217 | 3,67 | 24 | 56053 | 1,25 |
| Энергосберегающие лампы | 3087,5 | 2336 | 2803 | 1,10 | 30 | 1454 | 0,47 |
| Итого: | 378062,1 | - | 91165 | 4,60 | - | - | - |
* процентная ставка r =3,63%
6. Реализация проекта.
Реализация проекта осуществляется в несколько этапов в течение 12 месяцев. Основной деятельностью при этом является организация и планирование.
| Мероприятие | V | VI | VII | VIII | IX | X | XI | XII | |
| Планирование | |||||||||
| Управление | |||||||||
| Доставка оборудования | |||||||||
| Монтаж | |||||||||
| Изоляция | |||||||||
| Балансиорвка системы | |||||||||
7. Стоимость проекта.
Стоимость проекта закладывается стоимость управления проектом, проектирование и планирование, оборудование и материалы, другие меры.
| Вид деятельности | Стоимость, руб |
| Управление проектом | 42000 |
| Проектирование и планирование | 42000 |
| Оборудование и материалы | 400000 |
| Другие меры | 40000 |
| Итого: | 524000 |
8. Бюджет и инвестиции.
Собственный бюджет составляет 20%, остальная часть в виде кредита.
| Источник финансирования | Рубли |
| Собственные средства | 104800 |
| Заёмные средства | 419200 |
| Итого: | 524000 |
9. Финансовые прогнозы.
Выплата по кредитам будет осуществляться в пять этапов.
| Взнос, номер | Дата, год | Взнос | Невыплаченный капитал | Процент,% | Всего, руб |
| 0 | 2005 | - | 419200 | - | - |
| 1 | 2006 | 83840 | 335360 | 59503,1 | 143343,1 |
| 2 | 2007 | 83840 | 251520 | 47602,5 | 131442,5 |
| 3 | 2008 | 83840 | 167680 | 35701,9 | 119541,9 |
| 4 | 2009 | 83840 | 83840 | 23801,2 | 107641,2 |
| 5 | 2010 | 83840 | 0 | 11900,6 | 95740,6 |
| - | - | 419200 | - | 178509,3 | 597709 |
10. Движение денежных средств.
| Наименование величины | 2005 | 2006 | 2007 | 2008 | 2009 | 2010 |
| 1. Общее сбережение | - | 91165 | 100281,4 | 110309,5 | 121340,5 | 133474,5 |
| 2. Затраты на обслуживание | - | - | - | - | - | - |
| 3. Чистые сбережения | - | 91165 | 100281,4 | 110309,5 | 121340,5 | 133474,5 |
| 4. Собственные средства | 104800 | |||||
| 5. Заемные средства | 419200 | |||||
| 6. Затраты на отчисление долга | 0 | 59503,1 | 47602,5 | 35701,9 | 23801,2 | 11900,6 |
| 7. Численное движение наличности | -104800 | 31661,8 | 52678,9 | 74607,7 | 97539,2 | 121573,9 |
| 8. Аккумулируемый денежный поток | -104800 | -73138,2 | -20459,3 | 54148,3 | 151687,5 | 273261,4 |
Список литературы
1. СНиП II-2-79 (1998) “Строительная теплотехника”.
2. СНиП 2.08.01-89 (1999, с изм.4 2000) “Жилые здания”.
3. СНиП 23-01-99 (2003) “Строительная климатология”.
4. СНиП 2.04.05-91 “Отопление, вентиляция и кондиционирование”.
5. СНиП 2.01.07-85 (с изм.1 1993) “Нагрузки и воздействия”.
Похожие рефераты:
Отопление и вентиляция жилого дома с гаражом
Проектирование четырехэтажной гостиницы в г. Краснодаре
Проектирование 9-этажного дома
Разработка проекта сендвич-бара
Снижение вязкости растворов мелассы с помощью моноглицеридов дистиллированных
Разработка стратегии модернизации производства пива на малом предприятии
Односекционный 9-ти этажный 54-квартирный дом в г. Тихорецке
Горячее водоснабжение района города
Проектирование цеха по производству теплоизоляционного пенобетона
Проектирование двухэтажного жилого дома
Безопасность жизнедеятельности
Вентиляция промышленного здания ООО Буинского комбикормового завода