| Скачать .docx |
Реферат: Расчет статически неопределимой рамы методом сил
Министерство образования и науки Украины
Запорожская Государственная Инженерная Академия
Кафедра Прикладной
Строительной Механики
Контрольная работа ПО ТЕМЕ
«Расчет статически неопределимой рамы методом сил»
по дисциплине «Строительная механика»
Запорожье2009

Рисунок 1 – Заданная расчетная схема рамы
Определяем ССН заданной рамы:
![]()
Составляем эквивалентную схему рамы.

Рисунок 2 – Эквивалентная схема заданной рамы
Составляем канонические уравнения:

Составляем эпюры изгибающих моментов от действия сил
:

Рисунок 3 – Эквивалентная схема рамы под нагрузкой Х1=1

Сечение 1-1 участок 2-5
0≤Z1≤8
M1(Z1)=X1*R1=0
![]() |
Сечение 2-2 участок 5-4
0≤Z2≤10
M2(Z2)=X1*Z2==10
M2(0)=0
M2(10)=10
Сечение 3-3 участок 4-4
0≤Z3≤8
M3(Z3)=X1*Z2==8
M3(0)=0
M3(8)=8

Рисунок 4 – Эпюра М1

Рисунок 5 – Эквивалентная схема рамы под нагрузкой Х2=1

Сечение 1-1 участок 3-4
0≤Z1≤15,5
M1(Z1)=X2*Z1
M1(0)=0
M1(15,5)=15,5
Сечение 2-2 участок 4-1
0≤Z2≤15,5
M2(Z2)=X2*Z2
M2(0)=0
M2(15,5)=15,5

Рисунок 6 – Эпюра М2

Рисунок 7 – Суммарная эпюра Мs

Рисунок 8 – Эквивалентная схема рамы под нагрузкой Pи q

Сечение 1-1 участок 6-4
0≤Z1≤6
M1(Z1)=Р*Z1
M1(0)=0
M1(6)=510
Сечение 3-3 участок 4-1
0≤Z2≤6
M2(Z2)=Р*Z2
M2(0)=0
M2(6)=510
Сечение 2-2 участок 5-4
5≤Z3≤10
M3(Z3)=q*Z3²/2
M3(5)=30*5²/20=375
M3(10)=30*10²/2=1500

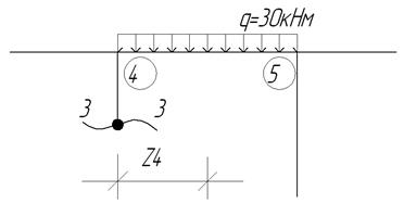
Сечение 3-3 участок 5-4
0≤Z4≤10
M4(Z4)=q*10/2
M4(0)=0
M4(10)=1500

Рисунок 9 – Эпюра Mp
Находим коэффициенты
канонических уравнений:
;
![]()
;
;
.
Находим коэффициенты
канонических уравнений:
![]()
![]()
![]()
![]()
Подставим коэффициенты
и
в канонические уравнения, предварительно умножив оба уравнения на ![]()
Получим:

Решив систему уравнений, получим:
;
.
Строим общую эпюру изгибающих моментов
с учетом
и
:
![]()

Рисунок 10 – Полученная эпюра изгибающих моментов.
Производим расчет поперечных сил действующих в раме:

![]()
![]()
![]()
![]()

![]()
![]()
![]()
![]()

![]()
![]()
![]()
![]()

Рисунок 4– Полученная эпюра поперечных сил.
Производим расчет продольных сил действующих в раме:
а) Вырезаем узел 3

![]()
![]()
б) Вырезаем узел 5

![]()
![]()
в) Вырезаем узел 4

![]()
![]()
Полученная эпюра продольных сил имеет вид:

Рисунок 5 – Полученная эпюра продольных сил.
