| Скачать .docx |
Реферат: Зведення середнього залізобетонного мосту через суходіл
Опис технологічних процесів .
Середній 4 прогонний міст довжиною 60м,(12;18;18;12)метрів передбачено побудувати через суходіл.
Будівництво автомобільного середнього мосту складається з таких видів робіт:
● очистка поверхні землі від існуючої рослинності та зрізання рослинного шару ґрунту;
● улаштування пальової основи під фундаменти берегових опор мосту.
● зведення монолітного фундаменту, до складу якого входять установка опалубки, монтаж арматурних сіток, бетонування фундаменту та зняття опалубки після твердіння бетону;
● зведення 5 монолітних опор, до робіт з їх зведення відносять установку опалубки, монтаж арматурних каркасів, бетонування опор та зняття фундаменту після твердіння бетону;
● улаштування монолітних ригелів з аналогічним складом робіт;
● монтаж укісних крил;
● монтаж прогонних плит довжиною 18,12 м.;
● бетонування стиків плит;
● тротуарних блоків та перильних огороджень;
● улаштування захисного, вирівнюю чого та ізоляційного шарів на мосту;
● улаштування дорожнього одягу.
При улаштуванні дорожнього одягу гравійний та щебеневий шари основи одягу на мосту не зводять. Асфальтобетон влаштовують по вирівнюю - чому шарі.
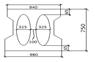
Збірні залізобетонні конструкції прогонної споруди – пустотні плити – розраховані в розділі „Залізобетонні конструкції”. В поперечному перерізі прогону кількість плит мосту дорівнює 12. Зовнішні розміри плити становлять:
● висота плити 0,75 м (75 см);
● ширина плити по верхній грані 0,94 м (94 см);
● ширина плити по нижній грані 0,98 м (98 см).
Роботи зі зведення мосту виконують перед початком зведення земляного полотна. При виконанні робіт проектом передбачено стадійне виробництво. Перед будівництвом мосту встановлюють трасу на місцевості, зрізання рослинного шару ґрунту та розбивку розмірів конструкцій середнього мосту.
Кількість паль визначається розрахунком відповідно до будівельних норм СНиП. Взагалі кількість паль визначають за наступною формулою:
N= γк *Fd*100/ Noi
де γк = 1,4 – коефіцієнт надійності; Fd – розрахункова несуча здатність палі за ґрунтом, a – шаг паль; Noi – навантаження від ваги споруди (опора та прогонна споруда з дорожнім одягом);
Fd = γс * (γср *R * A + u*∑ γсf * fi*hi),
де R = Rcn/ γd – розрахунковий опір ґрунту при зануренні палі; А – площа обпирання палі на грунт, для вертикальних паль приймається рівною площі поперечного перерізу палі.
Noi = 1004,27 кН (вага прогонної споруди з розділу ЗБК + вага монолітної берегової опори та фундаменту). Для улаштування основи прийняті збірні залізобетонні палі квадратного перерізу з розміром сторони 0,5 метрів, звідки шаг паль дорівнює потрійному значенню розміру сторони паль, тобто а = 1,5 м. Шаг паль відраховується між осями паль. Несуча здатність палі, розрахована за приведеною формулою, становить: Fd = 0,875 МПа.
Таким чином, кількість паль під однією береговою опорою дорівнює:
N=1.4*0.875*100/1004,27=12,2
Кількість паль приймається 12 штуки по ширині опори. Загальна кількість паль дорівнює 12*5 = 60 шт. під 4 опорами мосту.
Занурення паль виконують на першій стадії будівництва середнього мосту. Для виконання робіт використовують навісне копрове обладнання на стріловому самохідному крані – екскаваторі E – 1252. Довжина паль приймається в залежності від інженерно – геологічних умов району будівництва мосту, а саме глибину залягання несучого шару ґрунту, рівню ґрунтових вод. В даному випадку довжина паль сягає 15 метрів.
Перевезення паль до будівельного майданчику виконують за допомогою спеціальних трайлерів – автомобілів зі спеціально обладнаними напівпричепами.
Кран – екскаватор Э – 1252 обладнують копром на будівельному майданчику перед початком робіт з занурення паль. Палі складують на будівельному майданчику в зоні роботи крану.
Подача паль до копру здійснюється автомобільним краном Katoс телескопічною стрілою з максимальною довжиною 18 метрів та вантажопідйомністю до 50 тонн. Цей кран є основним механізмом при зведенні малого мосту. Велика вантажопідйомність потрібна при подачі паль, а також в подальшому при монтажі плит прогонної споруди, вага яких сягає до 20т-12м, 28т-18м, також перехідна плита 2шт, вагою 8т-6м.
Відстань від осі повороту платформи автокрана до осі ряду паль становить 5 метрів. Відстань від осі повороту платформи крану до межі складу паль становить мінімум 5 (п’ять) метрів.
Норма часу Нчас = 1,23 години на одну палю. В якості критерію кінця занурення палі є її відмова – просування палі не більш, ніж на 5 см. за одну хвилину.
Загальна трудомісткість становить Т = (1,23*60)/8,2 = 9 маш./зм., тобто на улаштування паль під одну опору витрачається 1,8 дня або 14.4год.
З метою зниження часу простою автокрану в той час, коли ведеться безпосередня робота копра з занурення паль, автокран може використовуватись при інших операціях, наприклад при розвантаженні конструкцій, які поступають на будівельний майданчик.
Після закінчення занурення паль, їхні голови зрізають, оголюючи арматурні стержні. Стержні виводяться з метою забезпечення зв’язку фундаменту з пальовою основою, тобто передачі навантажень з фундаменту на палі і через них на несучий шар ґрунту.
На другій стадії виконують улаштування монолітного фундаменту.
Роботи зі зведення фундаменту включають в себе:
● улаштування щебеневої підготовки під фундамент;
● установку опалубки;
● укладення арматурних сіток в опалубку;
● бетонування фундаменту;
● зняття опалубки після твердіння бетонної суміші.
Щебеневу підготовку загальною площею 21 м² під фундамент однієї опори (загальна площа 105 м²) виконує ланка будівельних робочих в кількості 4 чоловік, а також машиніст автомобільного крану, який здійснює подачу щебеню до місця укладки.
Норма часу Нчас = 0,22 машино – години на 1 м² площі щебеневої підготовки, а також 0,88 людино – годин на ту же одиницю виміру. Таким чином, трудомісткість улаштування щебеневої підготовки становить Т = (105*0,22)/8,2 = 2.8 машино – змін, та Т = 11.6 людино – днів.
Після улаштування щебеневої підготовки встановлюють опалубку загальною площиною 120 м². Опалубка використовується інвентарна дерев'яна щитова. Щити встановлюють автокраном КATOK75-1. (На всіх монтажних операціях при зведенні середнього мосту використовують кран одного – обраного типу з метою зменшення витрат).
Роботи виконує ланка в складі 6 робочих та машиністу автокрану. Норма часу на 1 м²(300м2 ) становить Нчас = 0,16 машино – годин та Нчас = 0,24 людино – годин. Трудомісткість становить Т = 300*0,24/8=9 людино-днів та Т = 0,16*120/8=2,4машино-змін на весь обсяг робіт.
Після установки опалубки наступної робочої зміни укладають арматурні сітки (каркаси) в опалубку. Армування виконують ланкою у складі 3 арматурників та машиністу автокрану. Норма часу на одну сітку (каркас) становить Нчас = 0,625 машино – годин та 2,5 людино – годин. Кількість сіток (каркасів) арматури становить 25 штук. Тому загальна трудомісткість виконання робіт буде дорівнювати Т = 7,8 людино-днів та Т = 1,95 машино-змін, тобто займе 9,8 днів.
Потім виконується основна операція цієї стадії – бетонування фундаменту. Роботи виконують ланкою робочих в складі чотирьох бетонників та машиністу автокрану КATOK 75-1.
Приготування бетонної суміші здійснюється авто бетонозмішувачем. Подача бетонної суміші виконується баддями, які подаються до опалубки тим же автокраном КATOK 75-1 –. Норма часу на 1 м³(92,5м3 ) бетону становитьНчас = 0,22 машино-години та 0,55 людино-години. Таким чином, загальна трудомісткість дорівнює Т = 6,36людино – днів та Т = 2,5 машино – змін.
Кількість бетонозмішувачів повинна забезпечити безперервну роботу з бетонування фундаменту. Доставка бетонної суміші виконується з будівельних складів, які розташовані поблизу на відстані 0,5 км від мосту, який будується.
Після укладання бетону в фундамент здійснюють технологічну перерву протягом 1 доби для твердіння бетону. Після твердіння бетону опалубку знімають автокраном КATOK 75-1. Норма часу Нчас = 0,16 машино-годин (0,48 людино – годин) на 1 м². Трудомісткість робіт дорівнює Т = 6,3 людино-днів та Т = 2,1 машино – змін.
На третій стадії виконують роботи зі зведення монолітних опор. Склад робіт наступний:
● установка інвентарної металевої опалубки під опори;
● установка арматурних каркасів в опалубку;
● бетонування опор;
● зняття опалубки після твердіння бетону.
Інвентарна металева опалубка встановлюється автокраном КATOK 75-1. До складу робочої ланки входять три арматурники та машиніст автокрану. Норма часу на один комплект опалубки Нчас = 2,3 машино – години (6,9 людино – годин). Кількість комплектів опалубки – 5, за кількістю опор мосту.
Трудомісткість становить: Т = (5*2,3)/8,2 = 1,4 машино – змін;
Т = (5*6,9)/8,2 = 4,2 людино – днів.
Після улаштування комплектів опалубки автокраном КATOK75-1встановлюють арматурні каркаси. Норма часу на один каркас складає
Нчас = 0,94 машино-годин (3,76 людино – годин) на один каркас. Кількість каркасів дорівнює 60 шт. Трудомісткість становить
Т = (60*0,94)/8,2 = 6,9 машино-змін;
Т = (60*3,76)/8,2 = 27,5 людино-днів.
При бетонуванні опор влаштовують спеціальні клітки, або підмості для розташування бетонників. При їх влаштуванні дотримуються норм (СНиП ІІІ-4-80* «Охрана труда в строительстве»).
Навісні підмостки (клітки) встановлюють автокраном КATOK 75-1. Норма часу складає 12,5 людино-годин та 0,56 машино-годин на одну клітку. Таким чином, трудомісткість улаштування підмостків (кліток) для розташування робочих дорівнює Т = 7,6 людино-днів, або 0,34 машино-змін.
Після зборки опалубки здійснюють бетонування опор мосту. Бетонна суміш готується авто бетонозмішувачем. Доставка матеріалу ведеться зі складів поблизу на відстані 5 км від будівельного майданчику, з розвантаженням суміші в баддю. Подача бетонної суміші в опалубку здійснюється баддями автомобільним краном КATOK 75-1.
Роботи виконують робочою ланкою у складі чотирьох бетонників та машиністу автокрану. Норма часу при подачі суміші баддями на 1 м³ бетону становить Нчас = 0,33 машино-години (1,65 людино-години). Необхідний об’єм бетону для опор становить 210 м³, звідки загальна трудомісткість дорівнює Т = (210*0,33)/8,2 = 8,45машино-зміни;
Т = (210*1,65)/8,2 = 42,3 людино – днів.
Після бетонування опор влаштовують технологічну перерву протягом 4 діб для твердіння бетону. Потім опалубку знімають, для чого використовують автомобільний кран КATOK 75-1. Норма часу на 1 комплект складає Нчас = 2,3 машино – години (6,9 людино – годин), звідки трудомісткість зняття опалубки становить Трудомісткість становить: Т = (5*2,3)/8,2 = 1,4 машино – змін (Т = (5*6,9)/8,2 = 4,2 людино – днів).
На четвертій стадії виконують улаштування ригелю та укісних крил. Проектом передбачені монолітні ригелі, улаштування яких включає установку арматурних каркасів, бетонування ригелів та зняття опалубки після твердіння бетону.
Зборку металевої інвентарної опалубки виконує ланка робочих у складі трьох слюсарів та машиністу автокрану КATOK 75-1. Норма часу на 1 м³ дорівнює Нчас = 2,3 машино-години на один комплект (6,9 людино-годин). Кількість комплектів дорівнює 5, звідки трудомісткість улаштування опалубки складає Т = 1,4 машино-змін (4,2 людино-днів).
Установку арматурних каркасів здійснюють автокраном КATOK 75-1. Роботи виконуються ланкою в складі трьох арматурників та машиністу автокрану. Після установки арматури здійснюють бетонування ригелів. Бетонна суміш готується авто бетонозмішувачем, з доставкою матеріалу зі складів, які розташовані на відстані 5 км від місця виконання робіт. Норма часу на улаштування ригелів на 1 м³ бетону становить Нчас = 0,4 машино-години (1,6 людино-годин). Об’єм бетону для улаштування ригелів становить 65 м³, звідки загальна трудомісткість дорівнює Т = (65*0,4)/8,2 = 3,2 машино-зміни (Т = (65*1,6)/8,2 = 12,7 людино-днів).
Опалубку знімають після твердіння бетону, для якого влаштовують технологічну перерву протягом 2 діб. Роботи зі зняття опалубки виконуються ланкою у складі трьох слюсарів та машиністу автокрану. Норма часу становить 2,3 машино-години (6,9 людино-години) на один комплект опалубки; трудомісткість дорівнює Т = 1,4 машино-змін (4,2 людино-днів).
Після зняття опалубки на ригелях опор монтують залізобетонні збірні укісні крила. Кількість крил дорівнює 10– по два на кожній опорі. Монтаж здійснюється автокраном КATOK 75-1. Роботи виконуються ланкою у складі чотирьох монтажників та машиністу автокрану. Для розташування монтажників використовують встановлені раніше навісні підмостки. Норма часу на одне крило дорівнює Нчас = 0,46 машино-години (2,34 людино-години). Таким чином, трудомісткість монтажу укісних крил становить Т = (4*0,46)/8,2 = 0,23 машино-змін (Т = (4*2,34)/8,2 = 1,15 людино-дні. Після установки крил вручну бетонують їхні стики, трудомісткість складає 1,38 людино-днів на весь обсяг робіт.
На п’ятій стадії виконують монтаж плит прогонної споруди та бетонування стиків плит. Плити довжиною 18 метрів монтують автокраном КATOK 75-1вантажопідйомністю 50 тонн. Виліт стріли крану становить:
В = √L² - H² = 9 м.,
при довжині стріли (телескопічна стріла змінює власну довжину) 18 метрів та висоті підйому гаку 15,5 м. Максимальний виліт становить 16,7 м, але при цьому автокран може втратити стійкість.
До складу робочої ланки входять чотири монтажники та машиніст автокрану. Норма часу на монтаж однієї плити прогонної споруди становить Нчас = 1,9 машино-годин (7,6 людино-годин). Кількість плит в поперечному перерізі складає 12 штук, кількість прогонів – 4. Трудомісткість робіт з монтажу буде дорівнювати Т = 4*(12*1,9)/8,2 = 11,12 машино-змін (Т = 4*(12*7,6)/8,2 = 44,49людино-днів).
Слідом за монтажем плит бетонують поздовжні стики плит. Бетонування стиків починають на день пізніше монтажу плит. Але попереду бетонування здійснюють зварювання випусків арматури.
Роботи виконують вручну робочою ланкою у складі 8 зварників та 6 бетонників. Норма часу на один метр стику становить 0,37 людино-години. Загальна сумарна довжина стиків становить 660 метрів (11 стиків з довжиною 60 метрів кожен), звідки трудомісткість виконання робіт становить Т = (660*0,37)/8,2 = 29,78 людино-днів.
На шостій стадії влаштовують обстановку середнього мосту. До складу робіт входять:
● монтаж тротуарних блоків;
● монтаж перильних огороджень;
● улаштування вирівнюю чого, захисного та ізоляційного шарів;
● улаштування дорожнього одягу.
Усі монтажні роботи з монтажу виконують автокраном КATOK 75-1. Роботи здійснюються ланкою, до складу якої входять чотири монтажники та машиніст автокрану. Норми часу становлять:
Улаштування гідроізоляції та вирівнюючого і захисного шарів прогонної споруди виконують вручну робочою ланкою, яка складається з 4 ізолювальників та 8 бетонників. Норми часу становлять:
- на улаштування вирівнюю чого шару Нчас = 12 людино-годин на 100 м²(6,15);
- на улаштування гідроізоляції Нчас = 12,5 людино-годин на 100 м²;
- на улаштування захисного шару Нчас = 18 людино-години на 100 м².
Загальна трудомісткість улаштування шарів буде становити
S=L*b=660*0,06=39,6м2
Т = (39,6*12)/8,2=56,6 людино-днів ( на улаштування вирівнюю чого шару).
Т = (39,6*12,5)/8,2=61,88 людино-днів(на улаштування гідроізоляції)
Т = (39,6*18)/8,2=99 людино-днів(на улаштування захисного шару)
Улаштування дорожнього одягу розглянуте в підрозділі 4.3.3.
Загальна тривалість робіт зі зведення малого мосту, яка підрахована за нормами часу за збірником ЕНиР Е4(ДБН Д.2.2-1-99., ДБН Д.2.2-30-99) „Монтаж збірних і улаштування монолітних залізобетонних конструкцій”, випуск 3 „Мости і труби”. Ця тривалість не враховує технологічні перерви для твердіння бетону монолітних конструкцій та календарні перерви на вихідні дні.
Продуктивність автомобіля-самоскида при транспортуванні цементного розчину або бетонної суміші із заводу залізобетонних виробів:
Вихідні дані:
- Автомобіль-«міксер» - MAN-26.321 DFA
- Тривалість зміни – 8,2 год
- Коефіцієнт використання автомобіля в часі − 0,9
- Вантажопідйомність автомобіля − 6 м3
- Коефіцієнт використання вантажопідйомності автомобіля − 0,8
- Середня відстань транспортування − 30 км
- Середня швидкість руху автомобіля − 60 км/год
- Середній час навантаження і розвантаження − 0,15 год
м3
/зміну
- час роботи.![]()
,приймаємо 3 автомобіля(«міксера»)t=1зм=8год.
- заробітна платня
![]()
де: t – тривалість робочої зміни, t = 8 годин
Т – трудомісткість
Сфу
– фактична усереднена вартість люд-год конкретного виду робіт, яка відповідає середньому розряду (
= 6,0) цього виду робіт, грн.![]()
(середня зарплатня в будівництві 2300 грн., що відповідає середньому розряду складності робіт в будівництві в цілому - 3,8).
Зняття рослинного шару ґрунту бульдозером CATERPILLAR - D 5 M LGP
Норма часу - Нч. = 27,82 м-год
- продуктивність механізму ![]()
де: Т – тривалість зміни, Т = 8 годин
Q – одиниця виміру
![]()
- час роботи.![]()
![]()
- заробітна платня
![]()
де: t – тривалість робочої зміни, t = 8 годин
Т – трудомісткість
Сфу
– фактична усереднена вартість люд-год конкретного виду робіт, яка відповідає середньому розряду (
= 6,0) цього виду робіт, грн.
![]()
(середня зарплатня в будівництві 2300 грн., що відповідає середньому розряду складності робіт в будівництві в цілому - 3,8).
Норма часу - Нч. = 27,82 м-год
Зняття рослинного шару ґрунту,на укосах суходолу екскаватором «драглайн»,ємністю 0,4м3 LIBHERR -870
Норма часу - Нч. = 41,48 м-год
- продуктивність механізму ![]()
де: Т – тривалість зміни, Т = 8 годин
Q – одиниця виміру
![]()
час роботи.![]()
![]()
- заробітна платня
![]()
де: t – тривалість робочої зміни, t = 8 годин
Т – трудомісткість
Сфу
– фактична усереднена вартість люд-год конкретного виду робіт, яка відповідає середньому розряду (
= 6,0) цього виду робіт, грн.
![]()
(середня зарплатня в будівництві 2300 грн., що відповідає середньому розряду складності робіт в будівництві в цілому - 3,8).
Норма часу - Нч. = 27,82 м-год
Для занурення паль використовують копрове навісне обладнання, на стріловому крані Е-1252
Норма часу - Нч. = 1,23 м-год
- продуктивність механізму ![]()
де: Т – тривалість зміни, Т = 8 годин
Q – одиниця виміру
![]()
- час роботи.![]()

Приймаємо 5 автокранів з копровим обладнанням t=1,85зм=14,77год
- заробітна платня
![]()
де: t – тривалість робочої зміни, t = 8 годин
Т – трудомісткість
Сфу
– фактична усереднена вартість люд-год конкретного виду робіт, яка відповідає середньому розряду (
= 6,0) цього виду робіт, грн.
![]()
(середня зарплатня в будівництві 2300 грн., що відповідає середньому розряду складності робіт в будівництві в цілому - 3,8).
Норма часу - Нч. = 1,23 м-год
Улаштування щебеневої підготовки робітниками
Норма часу - Нч. =0,88люд-год
- продуктивність механізму ![]()
де: Т – тривалість зміни, Т = 8 годин
Q – одиниця виміру
![]()
- час роботи.![]()
, приймаємо 4 робітників t=2.9зм=23,2год
- заробітна платня
![]()
де: t – тривалість робочої зміни, t = 8 годин
Т – трудомісткість
Сфу
– фактична усереднена вартість люд-год конкретного виду робіт, яка відповідає середньому розряду (
=4,0) цього виду робіт, грн.
![]()
(середня зарплатня в будівництві 2300 грн., що відповідає середньому розряду складності робіт в будівництві в цілому - 3,8).
Норма часу - Нч. = 0,88 м -год
Продуктивність автомобіля-самоскида при транспортуванні щебеню із кар'єру :
Вихідні дані:
- Автомобіль-самоскид - MAN-26.321 DFA
- Тривалість зміни – 8,2 год
- Коефіцієнт використання автомобіля в часі − 0,22
- Вантажопідйомність автомобіля − 8 м3
- Коефіцієнт використання вантажопідйомності автомобіля − 0,98
- Середня відстань транспортування − 25 км
- Середня швидкість руху автомобіля − 60 км/год
- Середній час навантаження і розвантаження − 0,2 год
м3
/зміну
- час роботи.![]()
, приймаємо 8 автосамоскидів t=0.96зм.=7,7год.
- заробітна платня
![]()
де: t – тривалість робочої зміни, t = 8 годин
Т – трудомісткість
Сфу
– фактична усереднена вартість люд-год конкретного виду робіт, яка відповідає середньому розряду (
= 6,0) цього виду робіт, грн.![]()
(середня зарплатня в будівництві 2300 грн., що відповідає середньому розряду складності робіт в будівництві в цілому - 3,8).
Улаштування щитової дерев’ яної опалубки .
Норма часу - Нч. =0 ,16м.-год
- продуктивність механізму ![]()
де: Т – тривалість зміни, Т = 8 годин
Q – одиниця виміру
![]()
час роботи.![]()
![]()
- заробітна платня
![]()
де: t – тривалість робочої зміни, t = 8 годин
Т – трудомісткість
Сфу
– фактична усереднена вартість люд-год конкретного виду робіт, яка відповідає середньому розряду (
= 6,0) цього виду робіт, грн.
![]()
(середня зарплатня в будівництві 2300 грн., що відповідає середньому розряду складності робіт в будівництві в цілому - 3,8).
Норма часу - Нч. = 0,16 м -год
Установка арматурної сітки в опалубку
Норма часу - Нч. =0,625м.-год
- продуктивність механізму ![]()
де: Т – тривалість зміни, Т = 8 годин
Q – одиниця виміру
![]()
- час роботи.![]()
![]()
- заробітна платня
![]()
де: t – тривалість робочої зміни, t = 8 годин
Т – трудомісткість
Сфу
– фактична усереднена вартість люд-год конкретного виду робіт, яка відповідає середньому розряду (
= 6,0) цього виду робіт, грн.
![]()
(середня зарплатня в будівництві 2300 грн., що відповідає середньому розряду складності робіт в будівництві в цілому - 3,8).
Норма часу - Нч. = 0,625м -год
Приготування авто бетонозмішувачем бетонної суміші
Норма часу - Нч. =0,22м.-год
- продуктивність механізму ![]()
де: Т – тривалість зміни, Т = 8 годин
Q – одиниця виміру
![]()
- час роботи.![]()
![]()
- заробітна платня
![]()
де: t – тривалість робочої зміни, t = 8 годин
Т – трудомісткість
Сфу
– фактична усереднена вартість люд-год конкретного виду робіт, яка відповідає середньому розряду (
= 6,0) цього виду робіт, грн.
![]()
(середня зарплатня в будівництві 2300 грн., що відповідає середньому розряду складності робіт в будівництві в цілому - 3,8).
Норма часу - Нч. = 0,22м -год
Продуктивність автомобіля-бетонозмішувача при транспортуванні цембетонної суміші із заводу залізобетонних виробів:
Вихідні дані:
- Автомобіль-самоскид - MAN-26.321 DFA
- Тривалість зміни – 8,2 год
- Коефіцієнт використання автомобіля в часі − 0,85
- Вантажопідйомність автомобіля − 8 м3
- Коефіцієнт використання вантажопідйомності автомобіля − 0,8
- Середня відстань транспортування – 0,5 км
- Середня швидкість руху автомобіля − 60 км/год
- Середній час навантаження і розвантаження − 0,15 год
м3
/зміну
- час роботи.![]()
![]()
- заробітна платня
![]()
де: t – тривалість робочої зміни, t = 8 годин
Т – трудомісткість
Сфу
– фактична усереднена вартість люд-год конкретного виду робіт, яка відповідає середньому розряду (
= 6,0) цього виду робіт, грн.![]()
(середня зарплатня в будівництві 2300 грн., що відповідає середньому розряду складності робіт в будівництві в цілому - 3,8).
Зняття опалубки автокраном КАТО К 75-1
Норма часу - Нч. =0,16м.-год
- продуктивність механізму ![]()
де: Т – тривалість зміни, Т = 8 годин
Q – одиниця виміру
![]()
- час роботи.![]()
![]()
- заробітна платня
![]()
де: t – тривалість робочої зміни, t = 8 годин
Т – трудомісткість
Сфу
– фактична усереднена вартість люд-год конкретного виду робіт, яка відповідає середньому розряду (
= 6,0) цього виду робіт, грн.
![]()
(середня зарплатня в будівництві 2300 грн., що відповідає середньому розряду складності робіт в будівництві в цілому - 3,8).
Норма часу - Нч. = 0,16м -год
Установка інвентарної опалубки(металевої) під опори, автокраном КАТО К 75-1
Норма часу - Нч. =2,3м.-год
- продуктивність механізму ![]()
де: Т – тривалість зміни, Т = 8 годин
Q – одиниця виміру
![]()
- час роботи.![]()
![]()
- заробітна платня
![]()
де: t – тривалість робочої зміни, t = 8 годин
Т – трудомісткість
Сфу
– фактична усереднена вартість люд-год конкретного виду робіт, яка відповідає середньому розряду (
= 6,0) цього виду робіт, грн.
![]()
(середня зарплатня в будівництві 2300 грн., що відповідає середньому розряду складності робіт в будівництві в цілому - 3,8).
Норма часу - Нч. = 2,3м -год
Улаштування арматурних каркасів в опалубку опори, автокраном КАТО К 75-1
Норма часу - Нч. =0,94м.-год
- продуктивність механізму ![]()
де: Т – тривалість зміни, Т = 8 годин
Q – одиниця виміру
![]()
- час роботи.![]()
![]()
- заробітна платня
![]()
де: t – тривалість робочої зміни, t = 8 годин
Т – трудомісткість
Сфу
– фактична усереднена вартість люд-год конкретного виду робіт, яка відповідає середньому розряду (
= 6,0) цього виду робіт, грн.
![]()
(середня зарплатня в будівництві 2300 грн., що відповідає середньому розряду складності робіт в будівництві в цілому - 3,8).
Норма часу - Нч. = 0,94м -год
Улаштування навісних підмостей, автокраном КАТО К 75-1.
Норма часу - Нч. =0,56 м.-год
- продуктивність механізму ![]()
де: Т – тривалість зміни, Т = 8 годин
Q – одиниця виміру
![]()
- час роботи.![]()
![]()
- заробітна платня
![]()
де: t – тривалість робочої зміни, t = 8 годин
Т – трудомісткість
Сфу
– фактична усереднена вартість люд-год конкретного виду робіт, яка відповідає середньому розряду (
= 6,0) цього виду робіт, грн.
![]()
(середня зарплатня в будівництві 2300 грн., що відповідає середньому розряду складності робіт в будівництві в цілому - 3,8).
Норма часу - Нч. = 0,56м -год
Продуктивність автомобіля-самоскида при транспортуванні бетонної суміші із заводу залізобетонних виробів, для бетонування опори:
Вихідні дані:
- Автомобіль-бетонозмішувач - MAN-26.321 DFA
- Тривалість зміни – 8,2 год
- Коефіцієнт використання автомобіля в часі − 0,9
- Вантажопідйомність автомобіля − 8 м3
- Коефіцієнт використання вантажопідйомності автомобіля − 0,8
- Середня відстань транспортування − 5 км
- Середня швидкість руху автомобіля − 60 км/год
- Середній час навантаження і розвантаження − 0,15 год
м3
/зміну
- час роботи.![]()
![]()
- заробітна платня
![]()
де: t – тривалість робочої зміни, t = 8 годин
Т – трудомісткість
Сфу
– фактична усереднена вартість люд-год конкретного виду робіт, яка відповідає середньому розряду (
= 6,0) цього виду робіт, грн.![]()
(середня зарплатня в будівництві 2300 грн., що відповідає середньому розряду складності робіт в будівництві в цілому - 3,8).
Подача бетонної суміші автокраном КАТО К 75-1.
Норма часу - Нч. =0,33 м.-год
- продуктивність механізму ![]()
де: Т – тривалість зміни, Т = 8 годин
Q – одиниця виміру
![]()
- час роботи.![]()
![]()
- заробітна платня
![]()
де: t – тривалість робочої зміни, t = 8 годин
Т – трудомісткість
Сфу
– фактична усереднена вартість люд-год конкретного виду робіт, яка відповідає середньому розряду (
= 6,0) цього виду робіт, грн.
![]()
(середня зарплатня в будівництві 2300 грн., що відповідає середньому розряду складності робіт в будівництві в цілому - 3,8).
Норма часу - Нч. = 0,33м -год
Зняття інвентарної опалубки(металевої) під опори, автокраном КАТО К 75-1
Норма часу - Нч. =2,3м.-год
- продуктивність механізму ![]()
де: Т – тривалість зміни, Т = 8 годин
Q – одиниця виміру
![]()
- час роботи.![]()
![]()
- заробітна платня
![]()
де: t – тривалість робочої зміни, t = 8 годин
Т – трудомісткість
Сфу
– фактична усереднена вартість люд-год конкретного виду робіт, яка відповідає середньому розряду (
= 6,0) цього виду робіт, грн.
![]()
(середня зарплатня в будівництві 2300 грн., що відповідає середньому розряду складності робіт в будівництві в цілому - 3,8).
Норма часу - Нч. = 2,3м -год
Установка інвентарної опалубки(металевої) під ригелі, автокраном КАТО К 75-1
Норма часу - Нч. =2,3м.-год
- продуктивність механізму ![]()
де: Т – тривалість зміни, Т = 8 годин
Q – одиниця виміру
![]()
- час роботи.![]()
![]()
- заробітна платня
![]()
де: t – тривалість робочої зміни, t = 8 годин
Т – трудомісткість
Сфу
– фактична усереднена вартість люд-год конкретного виду робіт, яка відповідає середньому розряду (
= 6,0) цього виду робіт, грн.
![]()
(середня зарплатня в будівництві 2300 грн., що відповідає середньому розряду складності робіт в будівництві в цілому - 3,8).
Норма часу - Нч. = 2,3м -год
Продуктивність автомобіля-самоскида при транспортуванні бетонної суміші із заводу залізобетонних виробів, для бетонування ригеля:
Вихідні дані:
- Автомобіль-бетонозмішувач - MAN-26.321 DFA
- Тривалість зміни – 8,2 год
- Коефіцієнт використання автомобіля в часі − 0,4
- Вантажопідйомність автомобіля − 8 м3
- Коефіцієнт використання вантажопідйомності автомобіля − 0,8
- Середня відстань транспортування − 5 км
- Середня швидкість руху автомобіля − 60 км/год
- Середній час навантаження і розвантаження − 0,15 год
м3
/зміну
- час роботи.![]()
![]()
- заробітна платня
![]()
де: t – тривалість робочої зміни, t = 8 годин
Т – трудомісткість
Сфу
– фактична усереднена вартість люд-год конкретного виду робіт, яка відповідає середньому розряду (
= 6,0) цього виду робіт, грн.![]()
(середня зарплатня в будівництві 2300 грн., що відповідає середньому розряду складності робіт в будівництві в цілому - 3,8).
Улаштування укісних відкрилків, автокраном КАТО К 75-1.
Норма часу - Нч. =0,46м.-год
- продуктивність механізму ![]()
де: Т – тривалість зміни, Т = 8 годин
Q – одиниця виміру
![]()
- час роботи.![]()
![]()
- заробітна платня
![]()
де: t – тривалість робочої зміни, t = 8 годин
Т – трудомісткість
Сфу
– фактична усереднена вартість люд-год конкретного виду робіт, яка відповідає середньому розряду (
= 6,0) цього виду робіт, грн.
![]()
(середня зарплатня в будівництві 2300 грн., що відповідає середньому розряду складності робіт в будівництві в цілому - 3,8).
Норма часу - Нч. = 0,46м -год
Влаштування плит прогонної споруди, виконується автокраном КАТО К 75-1.
Норма часу - Нч. =1,9м.-год
- продуктивність механізму ![]()
де: Т – тривалість зміни, Т = 8 годин
Q – одиниця виміру
![]()
- час роботи.![]()
![]()
- заробітна платня
![]()
де: t – тривалість робочої зміни, t = 8 годин
Т – трудомісткість
Сфу
– фактична усереднена вартість люд-год конкретного виду робіт, яка відповідає середньому розряду (
= 6,0) цього виду робіт, грн.
![]()
(середня зарплатня в будівництві 2300 грн., що відповідає середньому розряду складності робіт в будівництві в цілому - 3,8).
Норма часу - Нч. = 1,9м -год
Зварювання випусків арматури, виконується зварниками.
Норма часу - Нч. =0,37 м.-год
- продуктивність механізму ![]()
де: Т – тривалість зміни, Т = 8 годин
Q – одиниця виміру
![]()
- час роботи.![]()
![]()
- заробітна платня
![]()
де: t – тривалість робочої зміни, t = 8 годин
Т – трудомісткість
Сфу
– фактична усереднена вартість люд-год конкретного виду робіт, яка відповідає середньому розряду (
= 6,0) цього виду робіт, грн.
![]()
(середня зарплатня в будівництві 2300 грн., що відповідає середньому розряду складності робіт в будівництві в цілому - 3,8).
Норма часу - Нч. = 0,37 м -год
Влаштування вирівнюючого шарів прогінної споруди.
Норма часу - Нч. =12 люд.-год
- продуктивність механізму ![]()
де: Т – тривалість зміни, Т = 8 годин
Q – одиниця виміру
![]()
- час роботи.![]()
, приймаємо 6 ізолювальники та 10 бетонщіків t=3,5зм=28,29год.
- заробітна платня
![]()
де: t – тривалість робочої зміни, t = 8 годин
Т – трудомісткість
Сфу
– фактична усереднена вартість люд-год конкретного виду робіт, яка відповідає середньому розряду (
= 4,4) цього виду робіт, грн.
![]()
(середня зарплатня в будівництві 2300 грн., що відповідає середньому розряду складності робіт в будівництві в цілому - 3,8).
Норма часу - Нч. = 2,3м-год
Влаштування гідроізоляції шарів прогінної споруди.
Норма часу - Нч. =12,5 люд.-год
- продуктивність механізму ![]()
де: Т – тривалість зміни, Т = 8 годин
Q – одиниця виміру
![]()
- час роботи.![]()
, приймаємо 6 ізолювальники та 10 бетонщіків t=3,9зм=30,94год.
- заробітна платня
![]()
де: t – тривалість робочої зміни, t = 8 годин
Т – трудомісткість
Сфу
– фактична усереднена вартість люд-год конкретного виду робіт, яка відповідає середньому розряду (
= 4,4) цього виду робіт, грн.
![]()
(середня зарплатня в будівництві 2300 грн., що відповідає середньому розряду складності робіт в будівництві в цілому - 3,8).
Норма часу - Нч. = 2,3м -год
Влаштування захисного шарів прогінної споруди.
Норма часу - Нч. =18 люд.-год
- продуктивність механізму ![]()
де: Т – тривалість зміни, Т = 8 годин
Q – одиниця виміру
![]()
- час роботи.![]()
, приймаємо 6 ізолювальники та 10 бетонщіків t=6,2зм=49,6год.
- заробітна платня
![]()
де: t – тривалість робочої зміни, t = 8 годин
Т – трудомісткість
Сфу
– фактична усереднена вартість люд-год конкретного виду робіт, яка відповідає середньому розряду (
= 4,4) цього виду робіт, грн.
![]()
(середня зарплатня в будівництві 2300 грн., що відповідає середньому розряду складності робіт в будівництві в цілому - 3,8).
Норма часу - Нч. = 2,3м -год
Усі підрахунки відображені в калькуляції трудових затрат :
№ п/п |
Обгрунтування |
Найменування роботи | Склад ланки | Од. Вим. |
Об’єм робіт |
Норма часу | Роз-цін-ка, грн. |
Трудомісткість | Пряма заробітна платня, Грн. |
||
| Люд-годин. | Маш-годин. | Люд-годин. | Маш-годин. | ||||||||
| 1 | 2 | 3 | 4 | 5 | 6 | 7 | 8 | 9 | 10 | 11 | 12 |
| 1 | Е2-1-5 | Зрізання рослинного шару ґрунту, екскаватором «драглайн» Бульдозером CATERPILLAR-DMLGP |
машиніст 6р-1 чол. машиніст 6р-1 чол. |
1000 м² 1000 м² |
75 225 |
41,46 27.82 |
41,48 27.82 |
18.85 18.85 |
3.09 0.78 |
3.11 0.78 |
58.81 117.62 |
| 2 | Підготовчі роботи | Робочі 6р-2ч. | Люд-год. | 16 | 16 | 18.85 | 16 | 4825.6 | |||
| 3 | Е12-29 | Улаштування пальової основи | Машиніст 6р-5ч, копровики 5р-1, 3р-1 | Шт.. | 60 | 1.23 | 1,23 | 15.33 | 14.77 | 14.77 |
1131.35 |
| 4 | Е12-27 | Зрізання голів паль |
Машиніст 6р-1, копровики 5р-1, 3р-1 | Шт.. | 60 | 1 | 0,5 | 15.33 | 2,93 |
1,46 |
459.9 |
| 5 | Е4-3-1 | Улаштування піщаної підготовки | Машиніст 6р-1, Робочі 4р-1, 3р-2 |
м² | 900 | 0,88 | 0,22 | 12.44 | 36,9 | 9,27 | 2463.12 |
| 6 | Е4-3-8 | Зборка опалубки під фундамент | Машиніст 6р-1 Робочі 4р-1, 3р-2 |
м² | 120 | 0,48 | 0,16 | 14.69 | 21,32 | 7,05 | 282.05 |
| 7 | Е4-3-9 | Установка арматури в опалубку | Машиніст 6р-1 Арматурники 3р-1, 2р-2 |
каркас | 25 | 2,5 | 0.625 | 13.41 | 7,31 | 1,83 |
502.88 |
| 8 | Е4-3-11 | Бетонування фундаменту баддями | Машиніст 6р-1 Бетонники 4р-2 Зр-2 |
м³ | 105 | 0.8 | 0,22 | 14.05 | 41,7 | 8,36 | 324.56 |
| 9 | Е4-3-8 | Зняття опалубки | Машиніст 6р-1 Робочі 4р-1, 3р-2 |
м² | 120 | 0,48 | 0,16 | 14.69 | 21,32 | 7,05 | 282.048 |
Калькуляція виртат праці та заробітної платні робітників на влаштування малого мосту
| 10 | Е4-3-35 | Монтаж опалубки під опори | Машиніст 6р-1 Слюсарі 5р-1, 4р-1 3р-1 |
Комплекшт. | 5 | 6,9 | 2,3 | 18,85 | 42 | 11,43 | 216,78 | ||||
| 11 | Е4-3-37 | Установка арматурних каркасів | Машиніст 6р-1 Арматурники 5р-1, 4р-1 |
Шт. | 60 | 3,76 | 0,94 | 16,18 | 27,5 |
6,9 |
912,55 | ||||
| 12 | Е4-3-40 | Бетонування опор | Машиніст 6р-1 Бетонники 4р-2, 3р-2 |
м³ | 210 | 1,65 | 0,33 | 14,69 | 42,3 | 8,45 | 1018,02 | ||||
| 13 | Е4-3-35 | Зняття опалубки | Машиніст 6р-1 Слюсарі 5р-1, 4р-1 3р-1 |
комплект | 5 | 6,9 | 2,3 | 18,85 | 4,2 | 1,4 | 216,78 | ||||
| 14 | Е4-3-35 | Монтаж опалубки під ригелі | Машиніст 6р-1 Слюсарі 5р-1, 4р-1, 3р-1 |
комплект | 5 | 6,9 | 2,3 | 18,85 | 4,2 | 1,4 | 216,78 | ||||
| 15 | Е4-3-38 | Улаштування ригелів | Машиніст 6р-1 Бетонники5р-1, 4р-1,3р-2 |
м³ | 20 | 1,6 | 0.4 | 18,85 | 12,7 | 3,2 | 150,8 | ||||
| 16 | Е4-3-35 | Зняття опалубки | Машиніст 6р-1 Слюсарі 5р-1, 4р-1 3р-1 |
комплект | 5 | 6,9 | 2,3 | 18,85 | 42 | 11,43 | 216,78 | ||||
| 17 | Монтаж укісних крил | Машиніст 6р-1 Монтажники 5р-2, 4р-2 |
Шт. | 4 | 2,34 | 0,46 | 16,54 | 1,15 | 0,23 | 30,36 | |||||
| 18 | Е4-3-84 | Бетонування стиків | Бетонники 4р-1, 3р-1 | м | 660 | 0,74 | 13,25 | 1,48 | 6,471,3 | ||||||
| 19 | Е4-3-78 | Монтаж прогонних плит | Машиніст 6р-1 Монтажники 6р-1, 5р-1, 4р-2 |
Шт. | 48 | 7,6 | 1,9 | 23,77 | 99,0 | 24,6 | 2167,82 | ||||

Специфікація
| Найменування | Ескіз | Кількість | Вага |
| Дорожня плита 18м | ![]() ![]() |
24шт. | 28т, разом 672т |
| Дорожня плита 12м | ![]() ![]() |
24шт. | 20т, разом 480т |
| Паля 15м | 60шт. | 22,5т, разом 1350т | |
| Перехідна плита 6м |
|
4шт. | 6т, разом 24т |




