| Скачать .docx |
Курсовая работа: Расчет и проектирование стальных конструкций балочной клетки
Министерство образования Российской Федерации
Государственное образовательное учреждение высшего профессионального образования
КУБАНСКИЙ ГОСУДАРСТВЕННЫЙ ТЕХНОЛОГИЧЕСКИЙУНИВЕРСИТЕТ
Кафедра строительных конструкций
и гидротехнических сооружений
"Расчет и проектирование стальных конструкций балочной клетки"
Краснодар 2008
Содержание
1. Выбор схемы балочной клетки
2. Расчет балок настила и сравнение вариантов
3. Расчет и конструирование главной балки
3.1 Расчетная схема. Расчетные нагрузки и усилия
3.2 Расчетная схема и усилие в главной балке
3.3 Подбор сечения главной балки
3.4 Изменение сечения главной балки
3.5 Проверка общей устойчивости балки
3.6 Проверка местной устойчивости сжатого пояса и стенки
3.7 Расчет поясных швов главной балки
3.8 Конструирование и расчет опорной части балки
3.9 Конструирование и расчет укрупнительного стыка балки
4. Расчет и конструирование колоны
4.1 Подбор сечения сплошной колоны балочной площадки
4.2 Конструирование и расчет оголовки колоны
4.3 Конструирование и расчет базы колоны
Список литературы
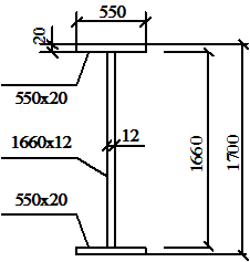
1. Выбор схемы балочной клетки

Рисунок 1. Этажное сопряжения балки
2.1 Компоновка балочной клетки
В зависимости от заданной нагрузки
=кН/м2
и относительного прогиба [f
/
l
] = 1/n
0
= 1/150 определяем наибольшее отношение пролета настила к его толщине l
н
/
t
н
:

где n 0 = l н /f = 150 – норма прогиба;
кН/м2
,
где ν = 0,3 – коэффициент Пуассона.
Задаемся расстоянием между балками настила l
н
= 1000 м, тогда толщина настила будет:
мм.
Окончательно принимаем t н = мм, поскольку пролет настила меньше шага балок настила на ширину полки балки.

Рисунок 2 – Схема балочной клетки (нормальный вариант)
Схема расстановки балок настила показана на рисунке 2, а сопряжение балок – на рисунке 1а или 1б.
Второй вариант. Усложненный тип балочной клетки

Рисунок 3 – Схема балочной клетки (усложненный вариант)
Принимаем шаг вспомогательных балок, а значит и пролет балок настила a вб = l бн = 2,8 м. Задаемся расстоянием между балками настила l н = 1000 м, тогда толщина настила, определяемая по формуле (2.1) будет:
мм
Окончательно принимаем t н = 11 мм, поскольку пролет настила меньше шага балок настила на ширину полки балки.
Схема компоновки второго варианта показана на рисунке 3. Схема сопряжения балок может быть принята по рисунку 1в.
2.2 Расчет вспомогательных балок и балок настила
После компоновки вариантов выполняется расчет балок по каждому из вариантов в такой последовательности:
– определение нормативных нагрузок;
– определение расчетных нагрузок с учетом коэффициентов надежности по нагрузке: для временной нагрузки γ f , p = 1,2; для собственного веса стальных конструкций γ f , g = 1,05.
– расчет балок настила и вспомогательных на прочность и проверка их прогибов по формулам:
;
.
Предельный относительный прогиб для балок настила и вспомогательных принимается
.
Расчет швов прикрепления настила
Сварка ручная электродная Э42
Определяем силу растягивающую кровлю:
= кн/см2
Для стали С245 и электродов Э42 Rwf=20 кн/см2
Для ручной сварки βf=0,7 и βz=1,0 требуемый катит шва составляет;
![]()
Учитывая что Rwz=0,45*36,5=16,4 кн/см2 и βz=1,0, проверку можно не делать так как βfRwf< βzRwz, окончательно принимаем для полки двутавра № tf = мм Kf = мм.
2. Расчет балок настила и сравнение вариантов
Таблица 1 – Расчет балок настила и сравнение вариантов
| Расчетные величины и формулы | Результаты расчета | |||
| Вариант 1 | Вариант 2 | |||
| Балка настила | Вспомогательная балка | |||
| Толщина настила, см | 1,1 | 1,1 | ||
| Нормативная нагрузка от веса настила gn , кН/м2 | 1·1·0,011·78,5 = 0,86 | 1·1·0,011·78,5 = 0,86 | ||
| 1,02 (0,86+) 1 = | 1,02 (0,86+) 1 = | 1,02 (0,86+) = | ||
| 1,02 (0,86·1,05+ ·1,2) 1= | 1,02 (0,86·1,05+ ·1,2) 1= | 1,02 (0,86·1,05+ ·1,2) = | ||
| Сечение | I № | I № | I № | |
| Wx , см3 | ||||
| Ix , см4 | ||||
| Масса 1 п.м, кг/м | ||||
![]() |
||||
3. Расчет и конструирование главной балки
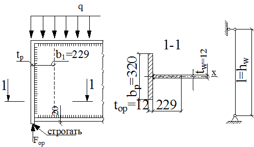
3.1 Расчетная схема. Расчетные нагрузки и усилия
Нагрузку на главную балку при передаче ее через 5 и более балок настила можно считать равномерно распределенной. Расчетная схема и эпюры усилий даны на рисунке 4. Постоянная нагрузка (вес настила, балок настила и вспомогательных балок) найдена при сравнении вариантов. Собственный вес главной балки может приниматься приближенно в размере 2–3% от нагрузки на нее. Грузовая площадь заштрихована на рисунке 5.

![]()
Рисунок 4 – Расчетная схема и усилия в главной балке

Рисунок 5 – К определению нагрузки на главную балку
4.2 Расчетная схема и усилие в главной балке
Высоту главной балки h
гб
целесообразно назначать близкой к оптимальной и кратной 100 мм при соблюдении условия
(см. рис. 1). Минимальная высота определяется из условия обеспечения предельного прогиба
при полном использовании расчетного сопротивления материала по формуле
![]()
. (3.1)
Оптимальная высота определяется по формуле

При этом гибкость стенки ![]()
Погонная нагрузка с учетом собственного веса (2%) и веса настила кН/м2
кН/м;
кН/м;
Расчетные усилия
кН·м;
кН·м.
Требуемый момент сопротивления
см3
.
Расчетное сопротивление стали С245 при толщине поясных листов до 20 мм составляет
кН/см2
.
При этажном сопряжении балок настила (рисунок 1, а)
см.
Минимальная высота (по жесткости)
см.
Задаемся гибкостью стенки
. Тогда
см.
Принимаем h= м, что больше hmin , меньше hmax и близко к hopt .
При расчете с учетом пластических диформаций, задаемся с1 =1,1
см3
см
3.3 Подбор сечения главной балки
Находим толщину стенки пологая, что tf =2 cм, hw =h‑2 tf = -2·2= см
а)
.
см = мм;
= 1,21 см = 12 мм.
Принимаем
мм.
Находим требуемую площадь поясов
:
см4
;
см4
;
см4
;
см2
;
см.
Принимаем пояса из листа 550×20 мм. При этом
см2
.
;
;
.
Таким образом, рекомендации выполнены. Принятое сечение балки показано имеет характеристики.

Рисунок 7 – Принятое сечение балки
Геометрические характеристики сечения:
см4
,
см3
.
Проверка прочности:
МПа
Недонапряжение составляет:
![]()
![]()
Проверки прогиба балки не требуется, так как принятая высота
м больше, чем
м.
3.4 Изменение сечения главной балки
Принимаем место изменения сечения на расстоянии 2,3 м от опор, т.е. приблизительно 1/6l , как показано на рисунке 8.
![]()

Рисунок 8 – Изменение сечения по длине
Находим расчетные усилия:
![]()
кН·м;
кН.
Подбираем сечение, исходя из прочности стыкового шва нижнего пояса. Требуемый момент сопротивления равен:
см3
.
Для выполнения стыка принята полуавтоматическая сварка без физического контроля качества шва.
см4;
см4
;
см2
.
см.
Принимаем поясной лист 300×20 мм.
Геометрические характеристики измененного сечения:
см;
см4
;
см3
;
см3
– статический момент пояса (3.7)
см3
. – статический момент половины сечения
Проверка прочности по максимальным растягивающим напряжениям в точке А по стыковому шву (рис. 9).

Рисунок 9 – К расчету балки в месте изменения сечения
кН/см2
<
кН/см2
![]()
Наличие местных напряжений, действующих на стенку балки, требует проверки на совместное действие нормальных, касательных и местных напряжений в уровне поясного шва и под балкой настила по уменьшенному сечению вблизи места изменения ширины пояса. Так как под ближайшей балкой настила будет стоять ребро жесткости, которое воспринимает давление балок настила, передачи локального давления в этом месте на стенку не будет,
.
Поэтому приведенные напряжения проверяем в месте изменения сечения на грани стенки (точка Б), где они будут наибольшими:
кН/см2
;
кН/см2
;
кН/см2
<
кН/см2
.=27.6 кН/см2
Проверка прочности опорного сечения на срез (по максимальным касательным напряжениям в точке В):
кН/см2
<
кН/см2
Проверка прочности стенки на местное давление балок настила по формуле:
кН/см2
<
кН/см2
,
Где
кН,
кН/м
м;
см
b= 14,5 см – ширина полки балки настила I№36 из сортамента;
см – толщина полки главной балки;
см – толщина стенки главной балки.
Таким образом, прочность принятого уменьшенного сечения главной балки обеспечена.
3.5 Проверить общую устойчивость балки
Устойчивость балок проверять не требуется, если выполняются следующие условия:
– нагрузка передается через сплошной жесткий настил, непрерывно опирающийся на сжатый пояс балки и надежно с ним связанный, в частности, железобетонные плиты или стальной лист;
– при отношении расчетной длины балки
(расстояние между точками закрепления сжатого пояса от поперечных смещений) к ширине сжатого пояса «b» не более
(3.7)
Коэффициент
принимается равным 0,3 при учете пластических деформаций. При отсутствии пластических деформаций
. тогда;
>
.
Следовательно, устойчивость балки можно не проверять.
3.6 Проверка местной устойчивости сжатого пояса и стенки
Устойчивость сжатого пояса при отсутствии пластических деформаций обеспечивается выполнением условия:
, где ![]()
.
В рассмотренном примере устойчивость обеспечена.
Расставим ребра жесткости и проверим местную устойчивость стенки.

Рисунок 10 – Расстановка ребер жесткости. Расчетные усилия для проверки устойчивости стенки
Ребра жесткости принимаем односторонние шириной
мм
и толщиной
мм.
В отсеке №1 стенка работает в упругой стадии и проверка устойчивости выполняется по формуле

Расчетные усилия принимаем приближенно по сечению
м,
м,
,
под балками настила.
кН·м;
кН;
кН/см2
;
кН/см2
; (по 3.6)
кН/см2
;

; ![]()
Предельное значение
находим критические напряжения
и ![]()
кН/см2
;
кН/см22250
кН/см2
Проверяем устойчивость стенки отсека №1 по формуле (3.14):

Устойчивость стенки обеспечена.
В отсеке №2 расположено место изменения сечения, поэтому эпюра sх
имеет скачок. Средние напряжения в пределах наиболее напряженного участка отсека (расчётного) длиной
мм можно найти, разделив площадь эпюры sx
на длину участка
. Однако в настоящем примере приближённо примем средние напряжения для проверки устойчивости по сечению x
=
3,5 м, учитывая, что уменьшенное сечение находится близко к краю отсека и мало влияет на устойчивость стенки.
кН×м;
кН;
кН/см2
;
кН/см2
;
кН/см2
;

; ![]()
Находим критические напряжения ![]()
кН/см2
;
кН/см2
;
кН/см2
.
Проверяем устойчивость стенки отсека №2:

Устойчивость стенки обеспечена.
Проверяем устойчивость стенки отсека №3
кН×м;
кН;
кН/см2
;
кН/см2
;
кН/см2
;

; ![]()
Находим критические напряжения ![]()
кН/см2
;
кН/см2
;
кН/см2
.
Проверяем устойчивость стенки отсека №3:

Устойчивость стенки обеспечена.
Проверяем устойчивость стенки отсека №4
кН×м;
кН;
кН/см2
;
кН/см2
;
кН/см2
;

; ![]()
Находим критические напряжения ![]()
кН/см2
;
кН/см2
;
кН/см2
.
Проверяем устойчивость стенки отсека №4:

Устойчивость стенки обеспечена.
3.7 Расчет поясных швов главной балки
Поясные швы примем двусторонними, так как
. Расчет выполняем для наиболее нагруженного участка шва у опоры под балкой настила. Расчетные усилия на единицу длины шва составляют
кН/см;
кН/см.

1 – сечение по металлу шва;
2 – сечение по металлу границы сплавления
Рисунок 11 – К расчету поясных швов
Сварка автоматическая, выполняется в положении «в лодочку» сварочной проволокой Св‑08Га. Для этих условий и стали С245 находим
кН/см2
;
кН/см2
;
![]()
.
Принимаем минимальный катет шва
мм. (см. табл. 6 прил. Б)
Проверяем прочность шва:
кН/см2
<
кН/см2
;
по металлу границы сплавления
кН/см2
<
кН/см2
;
Таким образом, минимально допустимый катет шва достаточен по прочности.
3.8 Конструирование и расчет опорной части балки

Рисунок 13 – Вариант опорной части балки
Ребро крепится к стенке полуавтоматической сваркой в углекислом газе сварочной проволокой Св‑08Г2С. Размер выступающей части опорного ребра принимаем 20 мм. Из условия смятия находим
см2
;
Ширину опорного ребра
принимаем равной ширине пояса уменьшенного сечения балки:
. Тогда:
см.
Принимаем ребро из листа 300×14 мм.
Площадь
см2
>
см2
.
Проверяем устойчивость опорной части
см;
см4
; (моментом инерции участка стенки шириной
пренебрегаем ввиду малости)
см2
;

![]()
По таблице 16 прил. Б находим путем интерполяции
кН/см2
<Ry
=24 кН/см2
.
Проверяем местную устойчивость опорного ребра
см;


![]()
Подбираем размер катета угловых швов по формуле:
откуда
см = 7 мм, где
![]()
![]()
кН/см2
;
кН/см2
;
Проверку по металлу границы сплавления делать не нужно, так как
. Принимаем
мм.
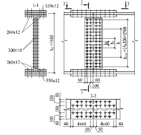
3.9 Конструирование и расчет укрупнительного стыка балки

Рисунок 14 – Схема монтажного стыка на высокопрочных болтах
Принимаем болты диаметром 20 мм из стали 40Х «Селект», отверстия диаметром 23 мм. Тогда
кН/см2
, Abn
= 2,45 см2
. Способ подготовки поверхности – газопламенный без консервации, способ регулирования натяжения – по углу поворота гайки. Для этих условий коэффициент трения μ = 0,42, регулятор натяжения gh
=1,02. Тогда расчетное усилие на один болт
Qbh
=
=
0,7
×
110
×
2,45
×
0,42/1,02 = 77,7 кН.
Стык поясов перекрываем накладками из стали С245 сечением 550×12 с наружной и 2×260×12 с внутренней стороны поясов. При этом суммарная площадь сечения накладок
см2
, что несколько больше площади сечения поясов.
Усилие в поясах
кН.
Требуемое количество болтов в стыке поясов
Принимаем 18 болтов. Ставим их, как показано на рис. 14, в соответствии с требованиями
Стык стенки перекрываем парными накладками из листа t
=10 мм. Болты ставим в двух вертикальных рядах с каждой стороны стыка на расстоянии в ряду a
=100 мм (максимально допустимое расстояние
мм. Число болтов в ряду 16 шт.
мм. Момент, приходящийся на стенку, равен
кН×м;

Проверяем прочность болтового соединения на сдвиг
кН.
4. Расчет и конструирование колонны
4.1 Подбор сечения сплошной колоны балочной площадки
В соответствии с заданием принимаем сплошное сечение колонны. Принимаем шарнирное закрепление концов колонны (коэффициент μ=1). Материал – сталь класса С235, лист t = 4÷20 мм. Ry = 23 кН/см2 .
Геометрическая длина колонны равна отметке верха настила (из задания) за вычетом толщины настила t
н
,
высоты балки настила и главной балки h
г.б.
, с учетом выступающей части опорного ребра 2 см, заглубления колонны ниже отметки чистого пола на 0,6 м. с учетом μ=1 составляет
м.
Усилие в колонне
кН.

Рисунок 17 – К определению расчетной длины колонны
Определяем ориентировочную требуемую площадь сечения по формуле (4.1) при
gс
= 1
см2
Проектируя колонну с гибкостью, равной примерно l=60, найдём наименьшие размеры h иbf
см
см
Поскольку ширину колонны bf
не рекомендуется принимать больше высоты h
, а толщину стенки принимают обычно
мм и толщину поясов
, то компонуем сечение колонны с
см.
Принимаем:
пояса – 2 листа 420×15 мм, площадью 2Af =2×42×1,5=126,0 см2
стенка – 1 лист 460×10 мм, площадью Aw =4,6×1.0=46.0см2 , рис. 18
Площадь сечения колонны
см2
.
![]()
![]()

Рисунок 18 – Сечение сплошной колонны
Находим геометрические характеристики принятого сечения:

см4
;
см;
см.
Гибкость колонны в обоих направлениях будет соответственно равна:

![]()
По большей из гибкостей находим коэффициент продольного изгиба
(табл. П.Б.16) и проверяем устойчивость стержня колонны
кН/см2
<Ry
=23 кН/см2
.
Недонапряжение составляет
< 5%
Местная устойчивость стенки стержня колонны обеспечена. Таким образом, подобранное сечение удовлетворяет требованиям общей и местной устойчивости и может быть выполнено с помощью автоматической сварки.
Поперечные ребра не требуются т.к.
.
4.2 Конструкция и расчет оголовка колонны
Принимаем плиту оголовка толщиной t
пл
= 25 мм и размерами 530x420 мм. Давление главных балок передается колонне через ребро, приваренное к стенке колонны четырьмя угловыми швами Д. Сварка полуавтоматическая, в углекислом газе, проволокой Св‑08Г2С,
кН/см2
,
кН/см2
, β
f
=
0,7 β
z
=1,0.
Принимаем ширину ребер 200 мм, что обеспечивает необходимую длину участка смятия
мм. Толщину ребер находим из условия смятия
см=25 мм.

Рисунок 21 – Оголовок колонны
Принимаем tp = 25 мм. Длину ребра lр находим из расчета на срез швов Д его прикрепления. Примем kf =10 мм. Тогда
см.
Принимаем lp
=51 см. При этом условие
см выполнено. Шов Е принимаем таким же, как и шов Д. Проверяем стенку на срез вдоль ребра
кН/см2
>Rs
=13,3 кН/см2
.
Необходимо устройство вставки верхней части стенки. Принимаем ее толщину t
вст
=25 мм, а длину
мм.
кН/см2
<Rs
=13,3 кН/см2
.
Торец колонны фрезеруем после ее сварки, поэтому швы Г можно не рассчитывать По табл. 6 прил. Б принимаем конструктивно минимально допустимый катет шва kf = 7мм. Стенку колонны у конца ребра укрепляем поперечными ребрами, сечение которых принимаем 100x8 мм.
4.3 Конструкция и расчет базы колонны
Определяем требуемую площадь плиты из условия смятия бетона
,
где
. Значение коэффициента g зависит от отношения площадей фундамента и плиты. (принимать g
=1,2.) Для бетона класса В15 R
пр
= 0,7 кН/см2
. – расчетное сопротивление бетона на смятие R
см.б
=g×R
пр
=
1,2 × 0,7=0,84 кН/см2
см2
.

Рисунок 22 – База колонны
Принимаем плиту размером 650×560 мм. Тогда
см2
кН/см2
<R
см.б

Рисунок 24 – Схема участка плиты 2 Рисунок 25 – Схема участка плиты 3
Находим изгибающие моменты на единицу длины d = 1 см на разных участках плиты.
Участок 1 рассчитываем как балочную плиту, так как отношение сторон b/a=460/203 = 2,26 > 2
кН×см/см.
Участок 2 (консольный) рис 24:
кН×см/см.
Участок 3 работает так же, как консольный, так как отношение сторон 420/80=5,25>2. Свес консоли на 20 мм больше, чем на участке 2 для размещения анкерных болтов.
кН×см/см
Толщину плиты подбираем по наибольшему моменту M1 , M2 , M3 из условия
.
Момент сопротивления полоски плиты шириной d=1 см равен
, откуда, учитывая, что дли стали C235 при
мм
кН/см2
,
см = 32 мм.
Принимаем tпл = 35 мм.
Прикрепление траверсы к колонне выполняем полуавтоматической сваркой в углекислом газе сварочной проволокой Св‑08Г2С. Соответствующие характеристики:
кН/см2
,
кН/см2
, b
f
=0,7,b
z
=1,0.
Расчет выполняем по металлу шва, так как
(3,2<4,08) Учитывая условие
находим требуемую величину катета шва kf
из условия
см = 9,2 мм.
Принимаем kf
= 10 мм. При этом требуемая длина шва составит
мм., поэтому высоту траверс принимаем 600 мм.
Крепление траверсы Кf =8 мм принимаем конструктивно, так как применен фрезеровочный торец колоны.
Список рекомендуемой литературы.
1. Металлические конструкции /Под ред. Ю.И. Кудишин. Академия 2006. – 680 с.
2. Узлы балочных площадок: Метод. указ. / Моск. инж.-строит. ин-т им. В.В. Куйбышева. – М.: ШСИ, 1980. – Ч. 1.
