| Скачать .docx |
Курсовая работа: Проектирование многоэтажного здания
Министерство образования и науки российской федерации
ФЕДЕРАЛЬНОЕ АГЕНСТВО ПО ОБРАЗОВАНИЮ
Московский государственный строительный университет
Факультет “ПРОМЫШЛЕННОЕ И ГРАЖДАНСКОЕ СТРОИТЕЛЬСТВО”
КУРСОВОЙ ПРОЕКТ
«Проектирование многоэтажного здания»
Выполнил: группа Э-14
Цейтва А.А.
Проверил:
доцент, кандидат технических наук
Горбатов Сергей Васильевич
г.Москва, 2008г
Содержание
Исходные данные для проектирования
1. Компоновка сборного балочного перекрытия
2. Проектирование ребристой плиты перекрытия
2.1 Сбор нагрузок на плиту перекрытия
2.2 Определение конструктивной и расчетной длин плиты перекрытия
2.3 Определение расчетных усилий
2.4 Выбор материалов для плиты перекрытия
2.5 Расчет плиты перекрытия по нормальному сечению (подбор продольной рабочей арматуры)
2.6 Расчет плиты по наклонному сечению (подбор поперечной арматуры)
2.7 Конструирование каркаса продольного ребра
2.8 Расчет полки плиты перекрытия на местный изгиб
3. Проектирование сборного железобетонного ригеля
3.1 Сбор нагрузок на ригель
3.2 Определение конструктивной и расчетной длин ригеля
3.3 Определение расчетных усилий
3.4 Выбор материалов для ригеля
3.5 Расчет ригеля по нормальному сечению (подбор продольной рабочей арматуры)
3.6 Расчет ригеля по наклонному сечению (подбор поперечной арматуры)
3.7 Построение эпюры материалов (нахождение точки теоретического обрыва стержней)
3.8 Конструирование каркаса К-1 ригеля
Список литературы
ИСХОДНЫЕ ДАННЫЕ ДЛЯ ПРОЕКТИРОВАНИЯ
Размеры здания в плане в осях: 28,8 х 45,5м.
Число этажей: 6.
Высота этажа: 3,0м.
Расчетное сопротивление грунта: Ro = 0,4кН/м2 .
Снеговая нагрузка: S н = 1,2кН/м2 .
Временная нагрузка на перекрытие: 10,0кН/м2 .
Тип пола: 2.
1. КОМПОНОВКА СБОРНОГО БАЛОЧНОГО ПЕРЕКРЫТИЯ
Компоновка конструктивной схемы заключается в размещении колонн и стен здания в плане, выборе схем расположения ригелей и плит перекрытия, назначении размеров колонн, ригелей и плит перекрытия.
Для здания принимаем расположение ригелей – поперечное, расположение плит перекрытия – продольное.
Размер колонн принимаем 0,4 х 0,4м.
Размеры всех элементом принимаются с точностью до 1см (если размеры получаются с десятыми долями сантиметра, то их округляют до целого числа сантиметров в меньшую сторону).
Длину ригелей подбираем из заданной ширины здания, учитывая, что их длина должна находиться в пределах от 5,0 до 6,6м. Принимаем длину ригелей l р = 5,76м (5 х 5,76 = 28,8м ≈ b зд = 28,8м).
Длину плит перекрытия подбираем из заданной длины здания, учитывая, что их длина должна находиться в пределах от 5,0 до 6,6м. Принимаем длину плит перекрытия l пл = 5,76м (7 х 6,5 = 45,5м = l зд ).
Ширину плит перекрытия подбираем из принятой длины ригеля, учитывая, что их ширина должна находиться в пределах от 1,1 до 1,6м. Принимаем ширину плит перекрытия b пл = 1,44м (4 х 1,44 = 5,76м = l р = 5,76м; плиты шириной 1,44м).
В левом и правом нижних углах здания плиты не укладываем, оставляя отверстия для устройства лестничных маршей.
Принятая схема каркаса здания указана на рис. 1.1.

Рис. 1.1. Схема каркаса многоэтажного здания.
2. ПРОЕКТИРОВАНИЕ РЕБРИСТОЙ ПЛИТЫ ПЕРЕКРЫТИЯ
Конструктивное решение плиты перекрытия
Конструктивное решение плиты принимается в зависимости от принятой ширины плиты. Поперечное сечение плиты принимаем коробчатое (рис. 2.1).
Конструктивная ширина плиты принимается на 1см (0,01м) меньше номинальной ширины, равной по величине принятой ширине b пл = 1,44м. Высоту плиты принимаем равной 30см.
Толщину полки плиты принимаем равной 5см.
Толщину боковых продольных ребер плиты принимаем равной 7см. Уклон внутренних граней ребер плиты принимаем 1:10. Высоту утолщения нижних граней ребер плиты принимаем равной 9см.

Рис. 2.1. Конструктивное решение плиты перекрытия.
2.1. Сбор нагрузок на плиту перекрытия
Состав перекрытия указан на рис.2.2. Сбор нагрузок произведем в табличной форме (табл.2.3).

Рис. 2.2. Состав перекрытия.
Таблица 2.3
№ п/п |
Вид нагрузки | Нормативная нагрузка,кН/м2 |
Коэфф. надежности по нагрузке | Расчетная нагрузка, кН/м2 |
| 1 | Постоянная: - паркет(δ=12мм; ρ =8кН/м3 ) -древесно-волок. плита (δ=8мм; ρ =6кН/м3 ) |
0,096 0,048 |
1,1 1,1 |
0,11 0,05 |
- цементно-песчанный раствор (δ=30мм; ρ =18кН/м3 ) |
0,54 | 1,3 | 0,70 | |
| - железобетонная плита | 2,50 | 1,1 | 2,75 | |
| Итого постоянная g | 3,22 | - | 3,61 | |
| 2 | Временная υ | 10,00 | 1,2 | 12,0 |
| Всего: (g + υ ) | 7,22 | - | 15,61 | |
2.2 Определение конструктивной и расчетной длин плиты перекрытия
Конструктивная длина плиты определяется из условия ее опирания на ригели (рис.2.4). Для удобства монтажа между плитой и стенками ригелей с обеих сторон оставляется зазор по 10мм.

Рис. 2.4. Схема опирания плиты перекрытия на ригели.
Учитывая размер ригеля и величину номинальной длины плиты, определим конструктивную длину плиты по формуле:
,
где
– номинальная длина плиты, принятая в разделе 2;
= 6500мм;
мм.
По центру площадок опирания плиты на ригели действуют опорные реакции. Расстояние между этими реакциями – это расчетная длина плиты. Длина площадки опирания плиты на ригель равна 90мм. Следовательно, опорные реакции будут находиться в 45мм (90мм/2) от ее краев с обеих сторон. Расчетная длина плиты перекрытия будет определяться по формуле:
мм = 6,19м.
2.3 Определение расчетных усилий
Расчетные усилия в плите перекрытия определяются как для однопролетной шарнирно опертой балки по формулам:
;
,
где (g + υ ) – полная расчетная нагрузка на плиту перекрытия; (g + υ ) = 15,61кН/м2 ;
b пл – номинальная ширина плиты перекрытия; b пл = 1,44м;
l о – расчетная длина плиты перекрытия; l о = 6,19м;
γ н – коэффициент надежности по назначению; γ н = 0,95;
кН∙м;
кН.
2.4 Выбор материалов для плиты перекрытия
Для плиты перекрытия принимаем следующие материалы:
- бетон: класс В20; Rb = 11,5МПаγ в1=0,9
- арматура: А-400(А-III); Rs = 355МПа.
2.5 Расчет плиты перекрытия по нормальному сечению (подбор продольной рабочей арматуры)
Схема армирования продольного ребра плиты перекрытия указана на рис.2.5.

Рис. 2.5. Схема армирования продольного ребра.
Коэффициент αm определяется по формуле:
,
где M – расчетный момент; M = 102,3кН∙м;
Rb – расчетное сопротивление бетона; Rb = 11,5МПа;
– ширина плиты поверху;
= 140см;
ho – расстояние от оси арматуры до верха плиты (рабочая высота); ho = 27см;
γ b 1 – коэффициент, учитывающий длительность нагрузки; γ b 1 = 0,9;
.
По приложению 10 находим значения ζ и ξ , соответствующие найденному значению αm = 0,097 (или ближайшему по величине к найденному). Для αm = 0,097 значения этих величин будут равны: ζ = 0,95; ξ = 0,1. Для арматуры A-400 ξR = 0,531. Проверяем выполнение условия ξ < ξR . Данное условие выполняется (0,1 < 0,531).
Находим требуемое сечение арматуры по формуле:
,
где Rs – расчетное сопротивление стали; Rs = 355МПа;
см2
.
По приложению 12 подбираем ближайшее большее значение к требуемой площади для двух стержней. Принимаем арматуру 2ø28A-400 с фактической площадью сечения As = 12,32см2 .
2.6 Расчет плиты по наклонному сечению (подбор поперечной арматуры)
В курсовом проекте расчет на действие поперечной силы не производим. Поперечную арматуру принимаем только по конструктивным требованиям.
Диаметр поперечной арматуры принимаем из условия сварки с продольной рабочей арматурой.
Для продольной рабочей арматуры ø28 A-400 (>ø22) принимаем поперечную арматуру ø8 A-400.
Шаг поперечной арматуры:
- в близи опор (1/4 lo ) шаг будет равен:
см;
принимаем шаг 10см, округляя в меньшую сторону кратно 5см;
- в средней части плиты шаг будет равен:
см; принимаем шаг 20см.
2.7 Конструирование каркаса продольного ребра
Каркас К-1 конструируем исходя из принятых сечений стержней арматуры, а также из принятых величин шага поперечной арматуры в разных частях пролета (Рис.2.6).

Рис. 2.6. Каркас К-1 продольного ребра.
2.8 Расчет полки плиты на местный изгиб
Нагрузка на полку плиты
Постоянная расчетная нагрузка
Итого постоянная
g= 3,62-2,75/2=3,62-1,375=2,245кН*м
Временная нагрузка
υ =12кН*м
Полная расчетная g+ υ=2,245+12=14,245 (для полки плиты)
Расчетный пролет полки
=1236мм.
Расчетный момент в полке.
;
Расчет полки по нормальному сечению (подбор сетки)

где M – расчетный момент; M = 2кН∙м;
Rb – расчетное сопротивление бетона; Rb = 11,5МПа;
– ширина;
= 100см;
ho – расстояние от верха плиты; ho = 3,5см;
γ b 1 – коэффициент, учитывающий длительность нагрузки; γ b 1 = 0,9;
По приложению 10 находим значения ζ и ξ , соответствующие найденному значению αm = 0,158 (или ближайшему по величине к найденному). Для αm = 0,158 значения этих величин будут равны: ζ = 0,915; ξ = 0,17. Для арматуры A-500 ξR = 0,502. Проверяем выполнение условия ξ < ξR . Данное условие выполняется (0,17 < 0,502).
Находим требуемое сечение арматуры по формуле:
,
где Rs – расчетное сопротивление стали; Rs = 415МПа;
см2
.
Из сотрамента сеток принимаем сетку
.
>![]()
Вблизи опор сетка располагается в верхней части плиты, в центе пролета – в нижней части плиты.
3 . ПРОЕКТИРОВАНИЕ СБОРНОГО ЖЕЛЕЗОБЕТОННОГО РИГЕЛЯ
Конструктивное решение ригеля
Поперечное сечение ригеля принимаем тавровое (рис. 3.1).

Рис. 3.1. Конструктивное решение ригеля.
3 . 1 Сбор нагрузок на ригель
Постоянная распределенная нагрузка от перекрытия на ригель:
,
где g п – постоянная расчетная нагрузка на перекрытие (берется из табл.3.1); gп = 3,62кН/м2 ;
l пл – номинальная длина плиты; l пл = 6,5м;
γп – коэффициент надежности по нагрузке; γп = 0,95;
кН/м.
Собственный вес погонного метра ригеля:
gриг = 6,0кН/м.
Постоянная распределенная нагрузка на ригель:
gпост = g + gриг ;
gпост = 22,35 + 6,0 = 28,35кН/м.
Временная распределенная нагрузка на ригель:
,
где υ п – временная расчетная нагрузка на перекрытие (берется из табл.3.1); υп = 12кН/м2 ;
l пл – номинальная длина плиты; l пл = 6,5м;
γп – коэффициент надежности по нагрузке; γп = 0,95;
кН/м.
Понижающий коэффициент для временной нагрузки определяется по формуле:
,
где A – грузовая площадь ригеля, определяемая по формуле:
,
где l р – номинальная длина ригеля; l р = 5,76м;
l пл – номинальная длина плиты; l пл = 6,5м;
м2
.
.
Полная распределенная нагрузка на ригель:
,
кН/м.
3.2 Определение конструктивной и расчетной длин ригеля
Конструктивная длина ригеля определяется из условия ее опирания на колонны (рис.3.2). Для удобства монтажа между колонной и ригелем с обеих сторон оставляется зазор по 20мм.

Рис. 3.2. Схема опирания ригеля на колонны.
Учитывая размеры колонны и величину номинальной длины ригеля, определим конструктивную длину плиты по формуле:
,
где
– номинальная длина ригеля, принятая в разделе 2;
= 5760мм;
мм.
По центру площадок опирания ригеля на колонны действуют опорные реакции. Расстояние между этими реакциями – это расчетная длина ригеля. Длина площадки опирания плиты на ригель равна 130мм. Следовательно, опорные реакции будут находиться в 65мм (130мм/2) от краев ригеля с обеих сторон. Расчетная длина ригеля будет определяться по формуле:
мм = 5,19м.
3.3 Определение расчетных усилий
Расчетные усилия в ригеле определяются как для однопролетной шарнирно опертой балки по формулам:
;
,
где q – полная распределенная нагрузка на ригель; q = 79,77кН/м;
l о – расчетная длина ригеля; l о = 5,19м;
кН∙м;
кН.
3.4 Выбор материалов для плиты перекрытия
Для плиты перекрытия принимаем следующие материалы:
- бетон: класс В-25; Rb = 14,5МПа.
- арматура: А-400; Rs = 355МПа.
3.5 Расчет ригеля по нормальному сечению (подбор продольной рабочей арматуры)
Схема армирования ригеля указана на рис 3.3.

Рис. 3.3. Схема армирования продольного ребра.
Коэффициент αm определяется по формуле:
,
где M – расчетный момент; M = 268,59кН∙м;
Rb – расчетное сопротивление бетона; Rb = 14,5МПа;
b – ширина ригеля поверху; b = 20см;
ho – расстояние от оси арматуры до верха ригеля (рабочая высота); ho = 55см;
γ b 1 – коэффициент условий работы бетона; γ b 1 = 0,9;
.
По приложению 10 находим значения ζ и ξ , соответствующие найденному значению αm = 0,34 (или ближайшему по величине к найденному). Для αm = 0,34 значения этих величин будут равны: ζ = 0,785; ξ = 0,43. Для арматуры A-400 ξR = 0,531. Проверяем выполнение условия ξ < ξR . Данное условие выполняется (0,43 < 0,531).
Находим требуемое сечение арматуры по формуле:
,
где Rs – расчетное сопротивление стали; Rs = 355МПа;
см2
.
По приложению 12 подбираем ближайшее большее значение к требуемой площади для четырех стержней. Принимаем арматуру 4ø25 A-400 с фактической площадью сечения As = 19,64см2 .
>![]()
3.6 Расчет ригеля по наклонному сечению (подбор поперечной арматуры)
В курсовом проекте расчет ригеля по наклонному сечению не производим. Поперечную арматуру принимаем только по конструктивным требованиям.
Диаметр поперечной арматуры принимаем из условия сварки с продольной рабочей арматурой.
Для продольной рабочей арматуры ø25 A-400 (<ø22) принимаем поперечную арматуру ø8 A-400.
Шаг поперечной арматуры:
- в близи опор (1/4 lo ) шаг будет равен:
см; принимаем шаг 20см;
- в средней части плиты шаг будет равен:
см; принимаем шаг 40см.
3.7 Построение эпюры материалов (нахождение точки теоретического обрыва стержней)
Для построения эпюры материалов необходимо в первую очередь построить эпюру моментов, возникающих ригеле и нанести на нее максимальное и промежуточные значения моментов. Промежуточные значения величин моментов определяем по формулам:
;
;
,
где Q – поперечная сила; Q = 207кН;
lo – расчетная длина ригеля; lo = 5,19м;
q – полная распределенная нагрузка на ригель; q = 79,77кН/м;
кН∙м;
кН∙м;
кН∙м.
Определим фактическое усилие, которое сечение ригеля может выдержать. Для этого найдем значение ξ по формуле:
,
где
– фактическая площадь рабочей арматуры; для 4ø25 A-400
=19,64см2
;
Rs – расчетное сопротивление арматуры; Rs = 355МПа;
b – ширина ригеля поверху; b = 20см;
ho – расстояние от оси арматуры до верха ригеля (рабочая высота); ho = 55см;
γ b 1 – коэффициент, учитывающий длительность нагрузки; γ b 1 = 0,9;
Rb – расчетное сопротивление бетона; Rb = 14,5МПа;
.
По приложению 10 находим значение ζ , соответствующее найденному значению ξ = 0,49 (или ближайшему по величине к найденному). Для ξ = 0,49 значения этой величины будет равно ζ = 0,755.
Максимальный момент, воспринимаемый сечением, определяется по формуле:
;
кН∙м.
Т.к. изгибающий момент в ригеле не постоянен (уменьшается к краям), то ближе к раю ригеля сечение будет недогружено (будет перерасход арматуры). Следовательно, часть рабочей арматуры можно до конца не доводить. Т.к. арматура принята одинаковой, то не доводим до конца верхние стержни рабочей арматуры. В данном сечении фактическая площадь будет равна
= 9,82см2
. Расстояние от оси арматуры до верха ригеля (рабочая высота) будет равна h
01
= 57см (рис.3.4).

Рис. 3.4. К определению усилий, воспринимаемых сечением.
Для этого сечения найдем значение ξ по формуле:
,
.
По приложению 10 находим значение ζ , соответствующее найденному значению ξ = 0,234 (или ближайшему по величине к найденному). Для ξ = 0,234 значения этой величины будет равно ζ = 0,885.
Максимальный момент, воспринимаемый данным сечением (с двумя стержнями арматуры), определяется по формуле:
;
кН∙м.

Рис. 3.5. Эпюра материалов.
Значения максимальных моментов М4
и М2
наносим на эпюру материалов. В точках пересечения линии М2
и эпюры моментов М верхние стержни будут обрываться. Но для работы верхних стержней необходима их дополнительная заделка с каждой стороны на величину W
, равную 20 диаметрам арматуры:
мм = 50см.
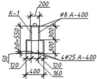
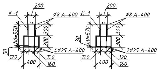
3.8 Конструирование каркаса К-1 ригеля
Каркас К-1 конструируем исходя из принятых сечений стержней арматуры, а также из принятых величин шага поперечной арматуры в разных частях пролета (Рис.4.6).
Длину верхнего стержня рабочей арматуры определяем по эпюре материалов. Требуемая длина стержня будет равна: 3052 + 500 ∙ 2 =4052 . Учитывая, что шаг внутренних стержней 400мм, а шаг стержней в приопорных зонах 200мм, принимаем длину верхнего стержня рабочей арматуры 4052мм, оставляя с обоих концов выпуски по 26мм для сварки:
l = 26+ 4 ∙ 200 + 6 ∙ 400 +43 ∙ 200 + 26 = 4052мм.

Рис. 4.6. Каркас К-1 ригеля.
СПИСОК ЛИТЕРАТУРЫ
1. СНиП 2.01.07-85. Нагрузки и воздействия. Нормы проектирования. М.: Стройиздат, 1986.
2. СНиП 52-01-2003. Бетонные и железобетонные конструкции. М.: Стройиздат, 2004.
3. Нормативные и справочные материалы по курсовому проектированию.