| Похожие рефераты | Скачать .docx |
Дипломная работа: Проект будівництва будинку експлуатаційної служби лінії метро
Содержание
Вступ
1. Архітектурно-будівельні рішення
1.1 Генеральний план
1.2 Опис функціонального процесу
1.3 Об’ємно-планувальні рішення
1.4 Конструктивне рішення
1.5 Теплотехнічний розрахунок зовнішніх стін
2. Розрахунково-конструктивна частина
2.1 Вихідні дані
2.2 Опис конструкції
2.3 Підбір перерізу балки настилу двотаврового профілю першого поверху Б4
2.4 Розрахунок сталевого настилу
2.5 Розрахунок колони К5
2.6 Захист від корозії металевих комунікацій і споруд
3. Технологія виконання робіт
3.1 Визначення загальної тривалості будівництва
3.2 Характеристика умов будівництва
3.3 Умови виконання земляних робіт
3.4 Визначення об’ємів робіт
3.5 Вибір способу проведення робіт і комплектів машин
3.6 Визначення техніко-економічних показників
3.7 Заходи з техніки безпеки при виконанні земляних робіт
4. Розрахунок локального кошторису будівництва
4.1 Кошторисна документація
5. Охорона прці
5.1 Організація будівельного майданчика
5.2 Заходи профілактики падіння людини з висоти
5.3 Заходи профілактики падіння матеріалів і конструкцій з висоти
5.4 Заходи профілактики враження електричним струмом
5.5 Освітлення робочих місць
5.6 Заходи профілактики метеорологічних факторів
5.7 Заходи профілактики шуму і вібрації
5.8 Заходи профілактики токсичного впливу на організм
5.9 Заходи профілактики враження блискавкою
5.10 Пожежна небезпека
Висновок
6. Організація і планування будівництва
6.1 Проектування будівельного генерального плану
6.1.1 Визначення потреби в адміністративних і санітарно-технічних будівлях
6.1.2 Визначення потреби в складських приміщеннях
6.1.3 Проектування транспортних комунікацій
6.1.4 Проектування мереж водопостачання
6.1.5 Проектування мереж електропостачання і освітлення будівельних майданчиків
6.2 Техніко-економічні показники проекту
6.3 Встановлення потреби будівництва в енергоресурсах
7. Проектування земляного насипу під’їзної колії
Список використаної літератури
Вступ
Архітектура - це матеріальна дійсність у вигляді різного роду будівель, споруд і їх комплексів призначених для забезпечення матеріальних потреб людства. Але архітектура також особливе мистецтво, здатне виражати великі ідеї і доставляти естетичну насолоду. В зв’язку під архітектурою розуміють наявність певних художньо-композиційних ознак залежності від призначення і містобудівельної ролі тієї чи іншої будівлі і споруди.
На кожному етапі історії людського суспільства архітектура розвивається в залежності від соціальних, матеріальних і кліматичних умов, а також в прямому зв’язку з національними особливостями устрою і художніми традиціями, що високо ціняться народом.
Матеріальний зміст та естетична форма в архітектурі тісно пов’язані між собою, відображаючи призначення споруд, їх соціальну функцію. Функціональна сторона архітектури (рівень комфорту) залежить від практичного призначення споруд, економічних можливостей і рівня розвитку будівельної техніки.
Таким чином, архітектура являє собою гармонійну єдність матеріальних благ і мистецтва великого соціального значення, які безпосередньо пов’язані з різноманітними підприємствами, установами, цивільними та адміністративними будівлями, зокрема і з підприємствами залізничного транспорту.
Архітектурні форми будівель на залізниці на кожному етапі розвитку архітектури створювались від призначення будівель, їх конструктивних схем з урахуванням можливостей матеріалів, а також від ідейно-художнього замислу. На сьогоднішній день ми маємо комфортабельні залізничні вокзали, які повністю задовольняють вимогам як пасажирів так і його робочого персоналу, облаштовані адміністративні будівлі, будівлі управління, структурні підрозділи тощо. Між вищими структурами управління і підприємствами існує система взаємної залежності, впливу і відповідальності, при якій досягається баланс економічної влади. На регіональні підприємства Укрзалізниці слід покласти такі функції:
Забезпечення плану і договірних зобов’язань;
Оперативне керівництво рухом поїздів;
Забезпечення безпеки руху поїздів, екології та охорони праці;
Організація пасажирської роботи, обслуговування пасажирів;
Утримання у справному стані колії, споруд, приладів енергозабезпечення, СЦБ та зв’язку, рухомого складу, інформаційних систем та інших приладів, які забезпечують перевізний процес.
Функції регіональних підприємств формуватимуться інтегруванням функцій залізниць та відділків залізниць. Неможливо ствердно відповісти на запитання, яка ланка в ланцюзі управління "Укрзалізниця - залізниця - структурний підрозділ" є найважливішою - відділок залізниці чи залізниця. Можна лише зробити висновок, що функції колишнього відділку залізниці і функції залізниці є однаково важливими і ліквідація відділків залізниці знижує ефективність управління структурними підрозділами і погіршує низки питань на місцях, у регіонах.
1. Архітектурно-будівельні рішення
1.1 Генеральний план
Генеральний план розроблено відповідно до існуючих будівельних і санітарних норм, архітектурно-планувального завдання, технічних умов, завдання замовника і технологічної схеми.
Генеральний план розроблений, з урахуванням захисту навколишнього середовища та забудови, що склалася і проектної забудови. Розташування елементів генерального плану забезпечують нормальні умови природного освітлення і провітрювання будинків і зелених насаджень.
Будови, споруди та інженерні мережі, що потрапили під плями будов підлягають зносу та перенесенню.
Усі будови та споруди, розміщенні на генеральному плані з дотриманням протипожежних та санітарних розривів відповідно ДБН 360-92 “Містобудування. Планування і забудова міських і сільських поселень” та ДБН Б.1-3-97 “Склад, зміст, порядок порядок розроблення, погодження та затвердження генеральних планів міських населених пунктів ".
Планування об’єкту забезпечує сприятливі умови для його експлуатації.
Розміщення будівель та споруд на генеральному плані обумовлено межами земле відведення та коліями метрополітену. Все це призвело до великої щільності забудови та блокування споруд, у зв’язку з необхідністю розміщення всіх споруд відповідно завдання на проектування.
Повний перелік будівель і споруд та черги будівництва наведені на генеральному плані (Аркуш 1).
По периметру території передбачено встановлення залізобетонної огорожі висотою 2м.
1.2 Опис функціонального процесу
Вимоги функціональної доцільності - максимальна відповідність приміщень будівлі тим функціональним процесам для яких вона призначена.
Конструктивна надійність будівлі забезпечується її міцністю, вертикальною стійкістю, просторовою жорсткістю, довговічністю та вогнестійкістю.
Будинок експлуатаційної служби призначений для розташування управлінських служб електродепо.
На першому поверсі проектується розміщення медпункту, адміністративно-господарського відділу та буфет. Всі приміщення мають підсобні кімнати з зручним доступом до них. На другому та третьому поверхах планується розміщення електромеханічної служби, третій - лабораторія метрології та стандартизації, п’ятий та четвертий - служби СЦБ та зв’язку, шостий - служби тунельних споруд та колії, сьомий - проектно-конструкторське технічне бюро, восьмий - ремонтно-монтажна служба, служба руху, дев’ятий - приміщення лабораторій та допоміжні приміщення. На кожному поверсі проектується розміщення чоловічих і жіночих санвузлів, гардеробних та душових приміщень. Будинок матиме коридорну систему з двома сходовими клітками та ліфтом, що значно покращує переміщення службовців.
Проектом передбачено ІІ ступінь довговічності. Всі матеріали приймаються згідно СНиП 21-01-97 "Пожарная безопасность зданий и сооружений". Санітарно-гігієнічні вимоги виконано згідно СНиП ІІ-4-79 "Естественное и искуственное освещение", СНиП ІІ-3-79** "Строительная теплотехніка".
Було запроектовано нормовану кількість кімнат, з потрібними для подальшого використання розмірами, для зручного використання будинку в потрібній сфері.
1.3 Об’ємно-планувальні рішення
Об’ємно-планувальні рішення об’єкта електродепо "Харківське" враховують містобудівні вимоги - максимальне блокування виробництв різного призначення і формування містобудівного акценту - домінанта.
Будинок експлуатаційної служби метрополітену запроектований у вигляді прямокутної форми. Загальна довжина будівлі - 45 м, ширина - 14 м. Крок колон - 6 м. Монтується краном вантажопід’ємністю - 8-4,5 т. Висота будівлі - 36,800 м. В будівлі знаходяться всі необхідні побутові приміщення. Будинок має коридорну систему.
Виходячи з аналізу технологічних та вартісних характеристик варіантів,
до подальшої розробки в проекті рекомендовано варіант, що забезпечує найбільш раціональне розміщення приміщень, споруд та будівель, їх максимальне блокування, мінімальний обсяг планувальних робіт та прокладання інженерних комунікацій при безумовному забезпечені технології поточного ремонту та технічного обслуговування рухомого складу метрополітену.
На першому поверсі розташовані приміщення вахтерів, охорони та медперсоналу. На 2, 3, 4 та 5 поверхах розміщуються дирекції служби СЦБ та зв’язку. На шостому поверсі - служба тонельних споруд та служба колії. Сьомий поверх займає проектно-конструкторське технологічне бюро (ПКТБ). Восьмий - ремонтно-монтажна служба, служба руху, комерційна служба. На дев'ятому поверсі знаходяться технологічні приміщення. В підвальному приміщенні знаходяться: розподільний пункт, комора адміністративно-господарського відділу, склад запасних частин та матеріалів служби руху, насосна, ліфтовий хол та інші експлуатаційні приміщення.
За відмітку 0,000 прийнята відмітка чистої підлоги першого поверху. Вся будівля має повний металевий каркас. Покрівля двоскатна, несучі елементи перекриття - ферми, металеві балки.
Фундаменти під колони - стовбчасті залізобетонні, окремо стоячі. Глибина закладання - 3,7 м.
Зовнішні стіни цегляні, товщиною 250 мм. Обличкування стін виконується алюмінієвими панелями по утеплювачу (вентильований фасад).
Основним рішенням фасадів є використання фасадних панелей (780 х 1000 мм) із стального алюмінієвого листа товщиною 0,7÷1,2 мм, виготовлених в заводських умовах, з високоякісним полімерним покриттям.
Покрівля будівлі передбачена проектом з двох шарів "єврорубероїда" укладеному по мінераловатному утеплювачу "DACHROCK MAX" - 130 мм, який укладається по профнастилу.
Внутрішнє оздоблення приміщень прийнято за їх призначенням і має склад:
штукатурка цегляних стін та перегородок;
затирання і загальне вирівнювання стін оздоблювальними сумішами, облицювання керамічною глазурованою плиткою (санвузли);
пофарбування поверхонь стін клейовими, олійними та лакофарбовими сумішами;
підлоги - бетонні та мозаїчні покриття, керамічна плитка, полімерне покриття;
замовлення віконних прорізів - метало-пластикові вікна, вітряні заповнення дверних прорізів дверними блоками, олійне фарбування.
По периметру будівлі на ширину 0,8 м передбачене вимощення з асфальтовим покриттям на щебеневій основі.
1.4 Конструктивне рішення
Вся будівля має металевий каркас і складається з системи поперечних рам, з’єднаних між собою. Колони суцільні металеві з двотаврів. Покрівля скатна, несучі елементи перекриття - балки з прокатних двотаврів.
Жорсткість будівлі досягається в поздовжньому та поперечному напрямку системою горизонтальних в’язей по колонах і вертикальних в’язей по балках.
Поперечна жорсткість обумовлюється жорсткими з’єднаннями балки з колоною, та вертикальними в’язями по колонах.
Будівля експлуатаційної служби являє собою сітку колон з чарункою 6х6 м, що утворює балочну клітку.

Рис.1.1 Схема розташування фундаментів
Фундаменти під колони залізобетонні стовпчасті, окремо стоячі. З’єднання колони з фундаментом шарнірне на анкерних болтах.
Виходячи з глибини закладання фундаментів під каркас будівлі та кроку колон скрізь робимо окремі котловани під кожен фундамент.
Грунт, що розробляється для зворотної засипки складається в прольотах А-Б, В-Г. Надлишок ґрунту вивозиться з буд майданчику автотранспортом у місця розташування резервів ґрунту даного району.
Облаштування монолітних залізобетонних фундаментів під каркас будівлі передбачається здійснювати за допомогою самохідних стрілових кранів із застосуванням армопалубкових блоків і армостійок.
Зовнішні стінки з панелей типу "сандвіч", що кріпиться до стінових
прогонів вертикально. Кріплення виконується на болтах. Внутрішні стіни товщиною 250 мм, та перегородки 120 - цегляні.

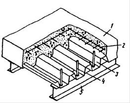
Рис.1.2 Конструкція монолітного перекриття: 1 - легкий бетон; 2 - арматурна сітка; 3 - металевий профільований настил; 4 - вертикальний анкер; 5 - прогін.
Перекриття влаштовується монолітним по металевому профільованому настилу. Товщина бетонної полиці повинна бути не менше 30 мм. згідно діючим стандартам.
В відповідності з СНиП 2.03.13-88. "Полы" було підібрано наступні види підлог:
у всіх приміщеннях, окрім сан. вузлів, складів, харчових приміщень, пралень та інших допоміжних приміщень запроектований лінолеум;
в сан. вузлах запроектована підлога з плитки;
в харчових та допоміжних приміщеннях - лінолеум.
Вибір конструктивного рішення підлоги виконаний виходячи з економічної обґрунтованості та забезпечення надійності і довговічності.

Рис.1.3 Санітарні вузли: 1 - плита перекриття; 2 - гідроізоляція; 3 - стяжка з цементного розчину; 4 - керамічна плитка на цементному розчині.

Рис.1.4 Підлога з ліноулему: 1 - монолітна плита перекриття; 5 - звукоізоляційна прокладка; 6 - панель основи підлоги; 7 - лінолеум на мастиці.

Рис.1.5 Паркетна підлога: 1 - монолітна плита перекриття; 5 - звукоізоляційна прокладка; 3 - стяжка з цементного розчину; 8 - паркет на мастиці.
В будинку для переміщення між поверхами передбачено двоє внутрішніх сходів. Внутрішні сходи запроектовані збірними і складаються з збірних маршів, збірних площадок і збірних накладних проступів. Встановлюються з нахилом не більше 1; 2 для всіх сходів. Ширина маршів задовольняє вимоги пожежної безпеки (ширина маршів більше 1 метра).
Вікна запроектовані по ГОСТ 11214-78. Конструктивні розміри записані в таблицю 1.1
Таблиця 1.1
| позначення | розміри, мм | |
| висота | ширина | |
| ОК1 | 2400 | 1900 |
| ОК2 | 3000 | 870 |
| ОК3 | 1760 | 2070 |
| ОК4 | 1760 | 2680 |
| ОК5 | 1760 | 2370 |
Двері запроектовані за ГОСТ 6629-745*. Класифікація та розміри дверей наведені в таблиці 1.2
Таблиця 1.2
Позначення |
Тип дверей | Розмір проєму, мм | |
| ширина | висота | ||
| Д1 | одно полі | 710 | 2100 |
| Д1 | одно полі | 970 | 2100 |
| Д3 | двох полі | 1518 | 2100 |
| Д4 | двох пола, двостороння | 1518 | 2100 |
| Д5 | розсувні, двох полі | 1,17 | 2,755 |
Покрівля - по прогонах, виконується з двох шарів профнастилу, з шаром утеплювача. Просторова жорсткість забезпечується за допомогою вертикальних і горизонтальних в’язів.
Внутрішнє оздоблення - щекатурка цегляних поверхонь з пофарбуванням клейовими розчинами. Оздоблення санвузлів та душових - керамічною плиткою. Металеві та дерев’яні поверхні (віконні рами, дверні блоки, колони, стеля та інше) фарбується масляними розчинами.
1.5 Теплотехнічний розрахунок зовнішніх стін
Вихідні дані:
Київська область;
температура внутрішнього повітря
;
відносна вологість внутрішнього повітря
;
зона вологості - нормальна;
температурна зона - Ι;
режим вологості приміщення - нормальний;
умови експлуатації огороджуючої конструкції -Б.
Розрахункова формула опору теплопередачі огороджуючої конструкції:
(1.1)
Де
(1.2) –
опір теплосприйняттю внутрішньої поверхні огороджуючої конструкції, тут
- коефіцієнт теплоприйняття внутрішньої поверхні зовнішньої стіни;
(1.3) –
опір тепловіддачі зовнішньої поверхні огороджувальної конструкції, тут
- коефіцієнт тепловіддачі зовнішньої поверхні огороджуючої конструкції;
(1.4) –
термічний опір зовнішньої стіни,
- товщина шару утеплювача.
В якості утеплювача беремо пінополіуретан з щільністю ![]()

Рис.1.6 Схема зовнішньої стіни
Тоді опір теплопередачі зовнішньої стіни:
![]()
Визначаємо нормативний опір теплопередачі огороджувальної конструкції:
(1.6)
![]()
де
- розрахункова температура внутрішнього повітря.
(1.7) –
нормативний опір теплопередачі зовнішньої стіни при розрахунковій температурі внутрішнього повітря 18°с.
(1.8) – о
пір теплопередачі зовнішньої стіни забезпечується.
2. Розрахунково-конструктивна частина
2.1 Вихідні дані
Район будівництва м. Київ.
Кліматичні умови та навантаження:
температура зовнішнього повітря найбільш холодної п’ятиденки - 23°С;
характеристичне снігове навантаження для другого району 156 кгс/м2 (ДБН В.1.2-2-2006 СНБС);
характеристичне снігове навантаження для другого району 30 кгс/м2 (ДБН В.1.2-2-2006 СНБС);
постійні навантаження від власної ваги конструкції прийнята по кресленням завдання та проектам-аналогам.
2.2 Опис конструкції
Несучий каркас будівлі адміністративного корпуса виконаний по рамно-в’язевій схемі. Сітка колон 6×6 метрів. Колони будівлі із зварних двотаврів. Міжповерхові перекриття виконані у вигляді металевих балок з залізобетонною плитою по залізобетонному профнастилу, виконано у якості замикаючої опалубки. Обпирання балок на колони шарнірне. Покриття легка крівка: утеплювач з мінераловатних плит по стальному профнастилу, прогонами з прокатних швелерів та двотаврів і крокв’яними балками з зварних двотаврів. Просторова жорсткість, стійкість та геометрична незмінність конструкції каркасу будівлі забезпечується системою вертикальних в’язей по колонах та жорстким защемленням їх в фундаментах.
2.3 Підбір перерізу балки настилу двотаврового профілю першого поверху Б4
Підбираємо переріз балки двотаврового профілю для балочної клітки нормального типу з металевим настилом та розміром чарунки 6х6 за даними:
Тимчасове характерне навантаження, розподілене по перекриттю –
![]()
Крок балок настилу - а, см =150;
Сталевий настил товщиною - 8 мм;
Сталь для балок - С245;
Граничний відносний прогин - 1/210.

Рис.2.1 Розрахункова схема.
Визначаємо навантаження. Прогонне характеристичне та розрахункове навантаження на балку відповідно дорівнюють:
![]()
Де
- коефіцієнти надійності щодо навантаження відповідно для постійного і тимчасового навантажень;
- власна вага настилу, де t - товщина настилу, м;
- власна вага 1 м балки. Яку попередньо назначають 0,3-0,5 кн/м2
.
![]()
![]()
Визначаємо розрахункові зусилля. Максимальний момент:
(2.3)
Підберемо та перевіримо переріз балки. За формулою:
-
розрахунок на міцність елементів, які згинаються в одній з головних площин;
При значенні
знаходимо потрібний момент опору:
(2.5)
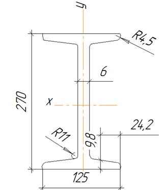
За значенням
, з таблиці1 ГОСТ 8239-72* підбираємо переріз балки з прокатного двотавра. Даному моменту відповідає двотавр №27.

Рис.2.2 Схема двотавра №27.
Перевіряємо жорсткість балки. Визначимо прогин від нормативного навантаження:
(2.6)
і зробимо висновок.


Рис.2.3 Схема розташування елементів перекриття на позначці 3.600
Підбір перерізу головної балки Б1
Навантаження на головну балку передаються від балок настилу. Для головної балки ширина грузової площі дорівнює кроку головних балок.
Навантаження на головну балку в балочній клітці нормального типу можна враховувати як рівномірно розподілену, в зв’язку з малим кроком балок настилу.
Нормативне і розрахункове навантаження на головну балку:
![]()
![]()
Де
- крок головних балок, м;
- коефіцієнт, що враховує власну вагу головної балки (з досвіду проектування 1-2% навантаження, що припадає на балку).
Розрахунковий згинаючий момент в середині прольоту:
(2.9)
Поперечна сила на опорі:
(2.10)

Рис.2.4 Епюра зусиль в балці
Потрібний момент спротиву січення балки:
(2.11)
Для балок висотою 1-2м значення товщини стінки можна визначити з імперичної формули:
(2.12) Де
![]()
Оптимальна висота балки з умови найменшого використання матеріалу:
(2.13)
Де k - коефіцієнт, що залежить від конструктивного оформлення (для зварних балок k=1,15-1,2).
Найменша допустима висота балки визначається з умови жорсткості:
(2.14)
Де
- граничне відношення прогину балок до прольоту, що регламентується нормами в залежності від призначення балок.
Остаточна висота балки назначається з врахуванням наступних вимог:
(2.15)
Приймаємо ![]()
Висоту балки раціонально приймати кратну 100мм, якщо для стінки не використовувалась універсальна сталь. При виборі висоти балки можливі відступи від
на
, що приводить до зміни маси балки на 3 - 5%.
Для визначення найменшої товщини стінки із умови роботи на зрізання для балок оптимального січення з
, можна скористатися формулою:
(2.16)
Де
(2.17)
З умови забезпечення місцевої стійкості балки без додаткового зміцнення її ребрами жорсткості необхідне виконання умови:
(2.18)
В зварних балках пояс раціонально приймати з листів універсальної сталі. Розміри горизонтальних поясних листів знаходять виходячи із необхідної несучої спроможності балки.
Необхідна площа перерізу пояса балки, виходячи з умови стійкості, може бути визначена по формулі:
(2.19)
Товщина
горизонтального поясного листа приймається з врахуванням наступних умов:
(2.20)
![]()
Ширина поясних листів приймається з умови забезпечення загальної стійкості в межах:
(2.21)
Конструктивно:
(2.22)
Остаточно приймаємо:
(2.23)
Уточнюємо коефіцієнт
і виконується перевірка міцності по нормальним навантаженням. ![]()
Характеристики прийнятого перерізу:
![]()
(2.24)
Де
(2.25)
(2.26)
Найбільше нормальне навантаження в балці:
(2.27)
(2.28)
- умова виконується. (2.29)
Прогин не перевіряємо, так як прийнята висота балки більше мінімальної.
2.4 Розрахунок сталевого настилу
Приймаємо, що настил жорстко з’єднується з балками настилу.
При розрахунковому експлуатаційному навантаженні
і граничному прогині
знаходимо відповідне відношення прольоту
до його товщини ![]()
Приймаємо товщину настилу
, тоді максимальний теоретичний прогин настилу ![]()
Це дозволяє призначити крок балок настилу ![]()
Таблиця 2.1. Навантаження на 1 м2 перекриття
| Nп. п. | Навантаження | Характеристичні кН/м2 |
Коефіцієнт надійності за граничним навантаженням, |
Розрахункові граничні, кН/м2 |
1 |
Постійні від асфальтобетону
Підстильного шару бетону
Сталевого настилу
|
0,53 1,96 0,62 |
1,3 1,2 1,05 |
0,69 2,35 0,65 |
2 |
Усього від постійних навантажень | 3,11 |
3,69 |
|
3 |
Тимчасове корисне навантаження | 24 |
1,2 |
28,3 |
| 4 | Разом | 27,11 | 32,49 | |
| 5 | Разом з урахуванням коефіцієнта надійності за призначенням, |
|
|
Визначимо коефіцієнт пластини для розрахункового граничного значення навантаження:
(2.30)
Напруження в настилі на опорі від розпору і згину:
;
![]()
Сумарні напруження в настилі:
(
2.31)
Для розрахунку зварних кутових швів. Що прикріплюють настил до балок, визначимо розпір Н і згинальний момент Моп в настилі на опорі:
(2.32)
(2.33)
Напусток настилу на балку призначаємо:
Тоді вертикальне зусилля від моменту Моп
, що сприймає зварний шов становитиме:
(2.34)
Рівнодійна зусиль H і V:
(2.35)
Зварні шви плануємо виконувати ручним зварюванням електродами типу Е42, для яких
катет шва приймаємо
Розрахунковий опір кутових швів за границею сплавлення:
(2.36)
Для ручного зварювання
а значення
Якщо виконується умова
то розрахунок кутових швів достатньо провести тільки щодо направленого металу. Напруження в кутовому шві одиночної довжини від рівнодійної зусиль
:
![]()
(2.37)
Таким чином, міцність зварного шва забезпечена.

Рис.2.5 Геометричні характеристики металевого профілю.
2.5 Розрахунок колони К5
Розрахункова довжина кологи в двох площинах - 3.6 м. Волна розраховується з врахуванням ексцентриситетів (
). Поздовжня сила в колоні
Коефіцієнт надійності по призначенню - 1, коефіцієнт роботи - 0.95. Розрахунковий опір
. Прийняте січення колони - зварний двотавр, з поличками -
, та стіною - ![]()

Рис.2.6 схема розташування колон
Визначаємо згинаючий момент в площинах х та у:
(2.38)
(2.39)
Площа поперечного січення:
(2.40)
Моменти інерції:

(2.41)
Момент опору найбільш зжатого волокна відносно осі х:
(2.42)
Радіус інерції:
(2.43)
(2.44)
(2.45)
(2.46)
Площі поличок двотавра:
(2.47)
Площа стінки:
(2.48)
Визначимо вигин колони в площинах х і у:
(2.49)
Умовний вигин колон:
(2.50)
- коефіцієнт, що визначається за табл.74 СНиП II-23-81*
(2.51)
(2.52)
- коефіцієнт, що визначається за табл.74 СНиП II-23-81*
Відносний ексцентриситет:
(2.53)
Коефіцієнт впливу форми перерізу:
![]()
(2.54)
- коефіцієнт, що визначається за табл.74 СНиП II-23-81*
(2.55)
![]()
(2.56)
Коефіцієнт с знаходимо за виразом:
(2.57)
(2.58)
(2.59)
(2.60)
Розрахунок стійкості затиснуто-вигнутого елементу:
(2.61)
Умова виконується.
2.6 Захист від корозії металевих комунікацій і споруд
Корозія металів відбувається безперервно і завдає величезних збитків. Підраховано, що прямі втрати заліза від корозії становлять близько 10% його щорічної виплавки. Внаслідок корозії металеві вироби втрачають свої цінні технічні властивості. Тому важливе значення мають методи захисту металів та сплавів від корозії. Вони досить різноманітні. Назвемо деякі з них.
Захисні поверхневі покриття металів. Вони бувають металічними (покриття цинком, оловом, свинцем, нікелем, хромом та іншими металами) і неметалічними (покриття лаком, фарбою, емаллю та іншими речовинами). Ці покриття ізолюють метал від зовнішнього середовища. Так, покрівельне
залізо покривають цинком; з оцинкованого заліза виготовляють численні вироби побутового та промислового призначення. Шар цинку запобігає корозії заліза, бо цинк, хоча й більш активний метал, ніж залізо (див. ряд стандартних електродних потенціалів металів, вкритий оксидною плівкою. В разі пошкодження захисного шару (подряпини, пробої дахів тощо) за наявності вологи виникає гальванічна пара Zn | Ре. Катодом (позитивним полюсом) є залізо, анодом (негативним полюсом) - цинк. Електрони переходять від цинку до заліза, де зв'язуються молекулами кисню (киснева деполяризація), цинк розчиняється, а залізо залишається захищеним доти, доки не зруйнується весь шар цинку, що потребує досить багато часу. Покриття залізних виробів нікелем, хромом, крім захисту від корозії, надає їм красивого зовнішнього вигляду.
Створення сплавів з антикорозійними властивостями. Введенням до складу сталі близько 12% хрому добувають нержавіючу сталь, стійку проти корозії. Добавки нікелю, кобальту і міді посилюють антикорозійні властивості сталі, оскільки підвищується схильність сплавів до пасивації. Створення сплавів з антикорозійними властивостями - один з найважливіших напрямків боротьби проти корозійних втрат.
Протекторний захист і електрозахист.
Протекторний захист застосовують у тому разі, коли захищається конструкція (підземний трубопровід, корпус судна), яка перебуває в середовищі електроліту (морська вода, підземні ґрунтові води та ін).
Суть такого захисту полягає в тому, що конструкцію сполучають з протектором - більш активним металом, ніж метал конструкції, яку захищають. Як протектор для захисту стальних виробів звичайно використовують магній, алюміній, цинк та їх сплави.
У процесі корозії протектор є анодом і руйнується, запобігаючи тим самим руйнуванню конструкції. У міру руйнування протекторів їх замінюють новими.

Рис.2.6 Схема протекторного захисту підземного трубопроводу
На цьому принципі ґрунтується й електрозахист. Конструкцію, яка перебуває в середовищі електроліту, також сполучають з іншим металом (звичайно шматком заліза, рейкою тощо), але через зовнішнє джерело струму. При цьому конструкцію, яку захищають, під’єднують до катода, а метал - до анода джерела струму. Електрони відщеплюються від анода джерелом струму, анод (захисний метал) руйнується, а на катоді відбувається відновлення окисника.
Електрозахист має перевагу над протекторним захистом: радіус дії першого близько 2 000 м, другого - близько 50 м.
Зміна складу середовища. Для уповільнення корозії металевих виробів до електроліту вводять речовини (найчастіше органічні), які називають уповільнювачами корозії, або інгібіторами,їх застосовують у тих випадках, коли метал необхідно захищати від роз'їдання кислотами. Вчені створили ряд інгібіторів (препарати марок 4M, ПБ та інші), які при доданні до кислоти в сотні разів сповільнюють розчинення (корозію) металів.
Останнім часом розроблено леткі (або атмосферні) інгібітори. Ними просочують папір, яким обгортають металеві вироби. Пара інгібіторів адсорбується на поверхні металу і утворює на ній захисну плівку.
Інгібітори широко застосовують при хімічному очищенні від накипу парових котлів, зніманні окалини з оброблених деталей, а також при зберіганні та перевезенні хлоридної кислоти у стальній тарі. До неорганічних інгібіторів належать нітрити, хромати, фосфати, силікати. Механізм дії інгібіторів є предметом дослідження багатьох хіміків.
В даному проекті металеві конструкції фарбуються для запобігання корозії.
3. Технологія виконання робіт
3.1 Визначення загальної тривалості будівництва
Нормативна тривалість зведення об’єкта визначається за СНиП 1.04.03-85 (Нормы продолжительности строительства и задела в строительстве предприятий, зданий и сооружений) залежно від загальної площі будівлі
. Становить 13 місяців.
Заплановану тривалість зведення об’єкту з огляду на прийнятий ступінь опрацювання проектних рішень приймаємо до 15% меншою віл тривалості. Тому запланована тривалість будівництва становить 12 місяців.
3.2 Характеристика умов будівництва
Район будівництва - місто Київ. Запланований термін початку будівництва - другий квартал.
Ділянка будівництва знаходиться у II кліматичному районі згідно зі СНиП 2.01.01-82. Клімат району помірно-континентальний з відносно м’якою зимою та жарким літом.
Основний напрям вітрів:
улітку - північно-західний;
узимку - західний.
Розрахункова температура зовнішнього повітря для проектування
огороджувальних конструкцій - мінус 220 С.
Деякі інші кліматичні показники району складають:
атмосферний тиск згідно зі СНиП 2.01.07-85 - 0,3 кПа;
вага снігового покрову на 1 м2 горизонтальної поверхні згідно зі ДБН В.1.2-2-2006 - 0,7 кПа;
глибина сезонного промерзання ґрунтів - 1,0 м;
рівень "верховодки", що прогнозується, може коливатися до абсолютної позначки 102,40 м.
Підземні води агресивних властивостей по відношенню до бетонів марки W4 не мають.
Територія, котра виділяється під будівельний майданчик знаходиться на окраїні міста, на окремому місці і вільна від забудов. Основою для фундаментів є пісок. Ґрунтові води протікають нижче позначки закладання підошви фундаменту. Рельєф місцевості спокійний з перепадом позначок менше 1 м.
Відстань до існуючої автодороги і точок відімкнення до мереж джерел енергоресурсів (електропостачання, водопостачання, теплопостачання, каналізації, газопостачання, зв’язку) - 1,5км.
Усі будівельні матеріали, вироби та конструкції надходять на будівельний майданчик зі складів організацій, які беруть участь у спорудженні об’єктів розташованих на відстані 10 км від будівельного майданчика.
Усі будівельні машини і агрегати, що потрібні для спорудження об’єкта, можна залучити з баз механізації організацій, які беруть участь у зведенні об’єкта.
При виконанні проекту прийнято такий розподіл обсягів робіт за організаціями, які залучаються до будівництва об’єкта: БМУ-1 - виконує загально будівельні роботи, у тому числі зведення підземних частин будівлі; БМУ-2 - монтаж надземних конструкцій каркаса будівлі й стінового огородження; БМУ-3 - виконує спеціальні роботи (електромонтажні, сантехнічні, монтаж технологічного устаткування й пусконалагоджувальні роботи).
3.3 Умови виконання земляних робіт
На будівельному майданчику необхідно викопати котлован під фундаменти будинку експлуатаційної служби. Габарити будинку в осях 45х14.5 м. Відмітка дна котловану - 141.5 м. Грунт - легкий суглинок нормальної вологості. Рівень ґрунтових вод - нижче відмітки дна котловану.
3.4 Визначення об’ємів робіт
Рис.3.1План котловану
По прийнятим габаритам будови в осях визначаємо ширину і довжину котловану:
(3.1)
; (3.2)
Де
- ширина і довжина будинку в осях;
- ширина фундамента;
,
- відстань від краю фундаменту до стінок котловану.
![]()
![]()
Через точки перетину горизонталі з віссю котловану, а також через межі котловану в торцях проводимо вертикальні поперечні площини і розбиваємо котлован на окремі частини.
Підрахунок обсягів робіт приводимо в табличній формі:
Таблиця 3.1
Об’єм котловану між розрізами 1 - 4
| Розріз | Середні робочі відмітки,
|
ширина котловану В, м |
Площа поперечного розрізу, м2 | Півсума площ, м2
|
Відстань між попереч-никами, м |
Об’єм |
| 1-1 | 4,25 | 17,8 | 88,3 | |||
| 86,05 | 10,0 | 860,5 | ||||
| 2-2 | 4,06 | 17,8 | 83,8 | |||
| 83,8 | 15,0 | 1257 | ||||
| 3-3 | 4,06 | 17,8 | 83,8 | |||
| 83,1 | 10,0 | 860,5 | ||||
| 4-4 | 4,0 | 17,8 | 82,4 |
Всього: 2978 м3
Таблиця 3.2
Об’єм котловану в торці
| Розріз | Роб. відмітки h, м |
Площа попер. розрізу
|
Півсума площ, м2 | Відстань між розр., м | Об’єм V, м3 |
| А-А | 4.3 | 6.47 | |||
| 6.11 | 14.5 | 88.6 | |||
| B-B | 4,05 | 5.74 | |||
| 3.54 | 45.0 | 159.3 | |||
| C-C | 3.35 | 3.93 | |||
| D-D | 3.0 | 3.15 |
Всього: 247,9 м3
Таблиця 3.3
Об’єм кутових пірамід
| Кут | Роб. Відмітка | Об’єм, м3 |
| A | 4.3 | 3.01 |
| B | 4.05 | 2.84 |
| C | 3.35 | 2.35 |
| D | 3.0 | 2.1 |
Всього: 10,3 м3
Об’єм котловану: ![]()
Так, як глибина котловану більша 3 м, то згідно ДБН Д.2.4-1-2000 - стінки котловану робимо з ухилом 1: 0,75.
3.5 Вибір способу проведення робіт і комплектів машин
В складі комплекту розрізняють ведучі машини, які виконують основні роботи (розробку ґрунту в котловані), допоміжні призначені для обслуговування ведучих машин і виконання інших робіт (роз рихлення ґрунту, зачистка дна котловану, засипання пазух котловану і ущільнення засипаного ґрунту).
Кількість самоскидів. Бульдозерів та інших допоміжних машин визначається з умови безперебійної роботи ведучої машини.
Для підбору марки екскаватора визначимо його необхідну продуктивність в зміну:
(
3.3)
Де
- об’єм котловану, м3
;
- кількість машино-змін.
В даному випадку потребується продуктивність:
![]()
Експлуатаційна продуктивність одноковшевих екскаваторів:
(3.4)
Де с - тривалість зміни, год.;
- геометрична ємність ковша,
;
;
- коефіцієнт наповнення ковша,
;
- коефіцієнт розпушування ґрунту;
- коефіцієнт використання за часом;
- час циклу в хв. .
Для розрахунків приймаємо: ![]()
, ![]()
![]()
При ємності ковша
експлуатаційна продуктивність екскаватора:
.
Таким чином найбільш раціональним рішенням буде прийняти одноковшевий екскаватор з ємністю ковша - 0.25 м3 . Враховуючи необхідність транспортування ґрунту автосамоскидами і глибину котловану, приймаємо екскаватор "Зворотна лопата" марки 20/3311. Кількість змін роботи цього екскаватора:
![]()
Для вивезення ґрунту приймаємо самоскид ЗИЛ ММЗ 555, вантажопід'ємністю 4.5 т. Ємність самоскиду при об’ємній вазі суглинку
:
![]()
Кількість ковшів, що завантажують в кузов:
(3.5)
Час завантаження однієї машини:
(3.6)
Кількість автосамоскидів при відстані перевезення на 2 км визначається за формулою:
(3.7)
Де
- час циклу автосамоскиду, хв.;
- довжина шляху слідування, км;
- середня швидкість руху, км/год.;
- коефіцієнт пропорційності;
- час розвантаження з маневрами.

В результаті приймаємо 4 автосамоскидів ЗИЛ ММЗ 555.
Розрівнювання ґрунту на місці відвалу виконується бульдозером Д 159Б на базі трактора ДТ-54.
Ущільнення виконується двома катками Д-130 А щеплені з трактором С-80 за шість підходів по одному сліду.
Продуктивність бульдозера при середній дальності транспортування ґрунту 15 км, складає 425 м3 в зміну, продуктивність катка - 2299 м2 в зміну.
Час на вирівнювання ґрунту в місці відвалу:
![]()
Приймаємо 8 змін.
Час на ущільнення при шести проходках в один слід і товщині ущільненого шару - 0.2 м:
![]()
Приймаємо 7 змін.
3.6 Визначення техніко-економічних показників
Визначаються приведені граничні затрати на розробку 1 м3 ґрунту:
(3.8)
Де
- загальна собівартість розробки ґрунту;
- нормативний коефіцієнт економічної ефективності капітальних вкладів, дор.0.12;
- балансова і інвентарно-розрахункова ціна і - ї машини, що бере участь в механічному процесі;
,
- кількість годин роботи на об’єкті в рік і-ї машини;
- об’єм роботи, м3
.
(3.9)
Де
- собівартість машино-години і-ї машини;
- кількість машин і-го виду, що входять в комплект;
- загальна заробітна плата робочих, що виконують ручні процеси; 1.08 і 1.5 - коефіцієнти накладних витрат на заробітну плату та інші прямі витрати.
Собівартість машино-години:
(3.10)
Де
- одноразові витрати на доставку, монтаж і демонтаж машини, та інші роботи;
- витрати, що включають витрати за рік на амортизацію, повне відновлення і ремонт машини;
- поточні експлуатаційні витрати, нараховані на години зміни і заробітну плату персоналу, що обслуговує машину, ціни енергоресурсів, витрати на утримання і поточний ремонт.
Трудоємність розробки 1м3 ґрунту визначається відношенням загальних трудових витрат до об’єми робіт.
Собівартість машино-години екскаватора 20/3311:
![]()
Вартість машино-зміни автосамоскиду:
(3.11)
Де
- експлуатаційні витрати в зміну;
- експлуатаційні витрати 1 км пробігу;
- пробіг;
- число циклів в зміну.
(3.12)
Де с - кількість годин в зміну;
- час циклу самоскида;
- коефіцієнт використання за часом автосамоскиду.
![]()
![]()
Тоді собівартість машино зміни: ![]()
Собівартість машино-години бульдозера Д-159Б:
![]()
Собівартість машино-години трактора С-80:
![]()
Собівартість машино-години катка Д-219:
![]()
Де 6.82 - тривалість зміни.
Собівартість провадження земляних робіт:

Приведені граничні затрати на розробку 1 м3 ґрунту:
(3.13)
Трудоємність розробки 1 м3 ґрунту:
![]()
Техніко-економічні показники:
Приведені граничні затрати на розробку 1 м3 ґрунту: 61.5 грн.;
Трудоємність розробки 1 м3
ґрунту:
;
Час виконання основних робіт: 16 змін.
3.7 Заходи з техніки безпеки при виконанні земляних робіт
До початку земляних робіт в місцях знаходження діючих підземних комунікацій повинні бути розроблені і погоджені з організаціями, що експлуатують ці комунікації, міри з забезпечення відповідних умов праці, а комунікації на місцевості повинні бути позначені відповідними знаками;
до початку робіт з будівництва котловану будівельний майданчик потрібно огородити;
при нічній роботі всю територію потрібно освітлювати прожекторами;
подача автотранспорту на завантаження - кільцева по периметру котловану;
швидкість руху автотранспорту поблизу проведення робіт не повинна перевищувати 10 км/год. - на прямих ділянках і 5км/год. - в поворотах.
завантаження ґрунту в автосамоскиди повинне бути виконане зі сторони заднього чи бокового борту.
4. Розрахунок локального кошторису будівництва
4.1 Кошторисна документація
Кошторисна вартість формує договірну ціну БМР. Вона складається з кошторисної собівартості та кошторисного прибутку. Кошторисна собівартість включає прямі та загально виробничі витрати.
Прямі витрати включають вартість будівельних матеріалів, виробів, конструкцій, основну заробітну плату робітників, витрати з експлуатації будівельних машин та механізмів.
Для визначення кошторисної вартості будівництва проектованих підприємств, будівель, споруд або їх черг складається інвесторська кошторисна документація таких видів:
Локальні кошториси.
Вони є первинними кошторисними документами і складаються на окремі види робіт.
Кошторисна документація складається в цінах введених 1.01.1984 р. згідно БніП1 02.01.1985р. і перерахована в цінах 1998 р. згідно ДБН - IV - 16-98 р. ч II від 1.01.1995 р. Вартість будівництва визначається на основі збірників ЕРОР, в яких розцінки прив'язані до місцевих умов і передбачають умови будівництва на території України.
В підсумках локальних кошторисів на суму прямих витрат нараховують накладні витрати в розмірі 20,6%, а на суму прямих і накладних витрат нараховуються планові нагромадження в розмірі 15%. Також враховують поправку на експлуатацію машин і механізмів в розмірі 3%.
Локальні кошториси №1-2, №1-3 - на санітарно-технічні і електромонтажні роботи складаються по укрупнених показниках. В локальному кошторисі №1-3, на електромонтажні роботи, нараховуються накладні витрати в розмірі 8,7% від суми прямих витрат цього кошторису.
У локальних кошторисах 1-2 і 1-3 планові нагромадження нараховуються в розмірі 15% від суми прямих і накладних витрат. Кошторисна зарплата складає 18% від основної заробітної плати у кожному локальному кошторисі.
Об'єктні кошториси поєднують дані з локальних кошторисів на об'єкт в цілому складається на основі попередніх кошторисів 1-1, 1-2, 1-3.
Зведений кошторисний розрахунок вартості будівництва складається на основі укрупнення нормативів, включає в себе додаткові витрати на виробництво робіт в зимовий період, витрати на оплату за вислугу років, за пересувний характер роботи.
Договірна ціна розраховується на основі постановки колегії державного будівництва України 25 грудня 1991 р. №61 "Про порядок визначення вартості будівництва", яке здійснюється на території України.
Таблиця 4.1
Локальний кошторис 1-1. Загально-будівельні роботи будівництва
N |
Назва робіт і витрат | Одиниці виміру | кількість |
вартість одиниці, грн. | Загальна вартість, грн. | Затрати праці люд. - год. на обслуговування машин | ||||
| Всього в тому числі основна зарплата | Експл. Машин в тому числі зарплата | всього | Основна зарплата | Експл. машин в тому числі зарплата | На одиницю |
всього | ||||
| 1 | Всього з попід земній і надземній частині загальної площі | М2 |
652,5 |
270/32,4 |
35,1/10,5 |
176094 |
21131 |
5377/1609 |
16,5 |
10761,2 |
| 2 | Поправка на експлуатацію машин і механізмів 3% | Грн. Грн. |
1241 |
|||||||
| 3 | Всього з поправкою. | Грн. | 177335 |
21131 |
5377/1609 |
10761,2 |
||||
| 4 | Непередбачені витрати 10% | Грн. | 17733 |
2113 |
538/161 |
1076 |
||||
| 5 | Всього з непередбаченими витратами | Грн. | 195068 |
23244 |
11837 |
|||||
| 6 | Накладні витрати 20,6% |
Грн. | 40184 |
|||||||
| 7 | Кошторисна заробітна плата 18% | Грн. | 4183 |
|||||||
| 8 | Нормативна трудоємкість 9,2% | Люд. - год. год |
1089 |
|||||||
| 9 | Всього з накладними витратами | Грн. | 235252 |
27427 |
12926 |
|||||
| 10 | Планові нагромадження | Грн. | 36360 |
|||||||
| 11 | Всього по кошторису | Грн. | 271612 |
27427 |
12926 |
|||||
Таблиця 4.2
Локальний кошторис 1-2. Санітарно-технічні роботи
N |
Назва робіт і витрат |
Одиниці виміру | кількість |
вартість одиниці, грн. | Загальна вартість, грн. | Затрати праці люд. - год. на обслуговування машин | ||||
| Всього в тому числі основна зарплата | Експл. Машин в тому числі зарплата | всього | Основна зарплата | Експл. машин в тому числі зарплата | На одиницю |
всього | ||||
| 1 | Опалення та вентиляція. | М2 |
652,5 |
5.8/0.61 |
0.26/0.08 |
3783 |
398 |
170/52 |
1.04 |
678,6 |
| 2 | Водопровід холодної та гарячої води. | М2 |
652,5 |
35/0.37 |
0.16/0.05 |
2284 |
241.4 |
104/33 |
0.65 |
424,13 |
| 3 | Каналізація. | М2 |
652,5 |
51/0.54 |
0.14/0.04 |
3327 |
352,4 |
91/26 |
1 |
652,5 |
| 4 | Газифікація | М2 |
652,5 |
2.95/0.31 |
0.23/0.07 |
1925 |
202,8 |
150/39 |
0.53 |
345,83 |
| 5 | Всього прямих витрат | Грн. | 11310 |
1194.6 |
120/37 |
|||||
| 6 | Накладні витрати 13,3% |
Грн. | 1504,23 |
|||||||
| 7 | Кошторисна заробітна плата 18% | Грн. | 215 |
|||||||
| 8 | Нормативна трудоємкість 9,2% | Грн. | 31,82 |
|||||||
| 9 | Всього з накладними витратами | Грн | 12814 |
1409,6 |
120/37 |
377,65 |
||||
| 10 | Планові нагромадження 8% | Грн. | 1025,1 |
|||||||
| 11 | Всього з кошторису | Грн. | 13839,1 |
1409,6 |
120/37 |
377 |
||||
Таблиця 4.3
Локальний кошторис 1-3. Електромонтажні та слабострумні роботи будівництва
N |
Назва робіт і витрат |
Одиниці виміру | кількість |
вартість одиниці, грн. | Загальна вартість, грн. | Затрати праці люд. - год. на обслуговування машин | ||||
| Всього в тому числі основна зарплата | Експл. Машин в тому числі зарплата | всього | Основна зарплата | Експл. машин в тому числі зарплата | На одиницю |
всього | ||||
| 1 | Електромонтажні роботи | М2 |
652,5 |
3,8/0,4 |
0,17/0,05 |
2479,5 |
261 |
111/33 |
0,64 |
417,6 |
| 2 | Слабострумні роботи | М2 |
652,5 |
11/0,12 |
0,05/0,02 |
7177,5 |
78,3 |
33/13 |
0,2 |
130,5 |
| 3 | Всього прямих витрат | Грн. | 9657 |
339,3 |
144/46 |
548,1 |
||||
| 4 | Накладні витрати 8,7% |
Грн | 840,16 |
|||||||
| 5 | Кошторисна зарплата 18% | Грн. | 61,1 |
|||||||
| 6 | Нормативна трудоємкість 9,2% | Люд. - год. | 50,43 |
|||||||
| 7 | Всього з накладними витратами | Грн. | 10497,16 |
400,4 |
||||||
| 8 | Планові нагромадження 8% | Грн. | 840 |
|||||||
| 9 | Всього по кошторису | Грн. | 11337,16 |
400,4 |
50,43 |
|||||
Таблиця 4.4
Розрахунок базисної кошторисної вартості будівництва
| N | Назва робіт | Кошторисна вартість БМР в цінах 1984р. | Галузевий індекс | Вартість БМР в цінах 1998р. |
| 1 | Кошторисна вартість загально-будівельні роботи. |
271612 | 1,113 | 302304,156 |
| 2 | Сантехнічні роботи | 13839,1 | 1,113 | 154029,2 |
| 3 | Електромонтажні і слабострумні роботи. | 11337,16 | 1,113 | 126182,6 |
| 4 | Загальна кошторисна вартість БМР. | 296788,26 | 1,113 | 3303253,3 |
| 5 | Тимчасові будівлі і споруди. | 7418 | 1,113 | 83263,5 |
| 6 | Всього базисна кошторисна вартість БМР. | 304206,26 | 1,113 | 3385815,7 |
5. Охорона прці
5.1 Організація будівельного майданчика
Проектом передбачено вирушення питань безпечної роботи крану: схеми руху крану, послідовність монтажу. На будгенплані позначено небезпечну зону, що знаходиться в 5м від будівлі, що зводиться по всьому периметру, а також монтажну зону крану, що визначається радіусом повороту стріли плюс можливий відхил вантажу при падінні.
До початку робіт на будівельному майданчику облаштовуються під’їзні шляхи і тимчасові дороги.
Ширина доріг - 6,0м, всі радіуси заокруглення 12м. біля складів передбачено розширення доріг до 6м.
Дорогу запроектовано відповідно до вимог по дотриманню мінімальних відстаней:
між дорогою і складським майданчиком;
між дорогою і огородженням буд майданчика;
між дорогою і споруджувальною будівлею.
Для забезпечення пожежної безпеки на території майданчика передбачені пожежні гідранти на відстані 100м один від одного і 2м від краю тимчасової дороги.
Будмайданчик обладнано тимчасовим зв’язком. При організації робочих місць передбачено:
освітлення робочих місць (згідно ГОСТ 12.4 059-89);
забезпечення робітників спецодягом, а також взуттям, яке не ковзає, касками (згідно ГОСТ 12.4 087-84), монтажними поясами (згідно ГОСТ 12.4 089-86).
5.2 Заходи профілактики падіння людини з висоти
Проектом передбачено:
монтажні роботи проводити при наявності у кожного робітника монтажного пояса, використовуючи інвентарні навісні драбини, навісні монтажні площадки, драбини і інші пристосування для роботи на висоті встановлювати і закріплювати на конструкціях до їх підйому, користуватись дистанційними засобами розстроповки;
при виконанні кам’яних і опоряджувальних робіт передбачається встановлення на риштуваннях та підмостях огородження висотою 1м;
всі пройоми та отвори, які знаходяться на рівні перекриття або настилу риштувань повинні бути закритті міцними щитами або огороджені перилами висотою 1м.
5.3 Заходи профілактики падіння матеріалів і конструкцій з висоти
Проектом передбачено:
при виконанні монтажних робіт піднімати конструкції лише після переконання в їх надійній розстроповці, використовувати інвентарні такелажні пристосування з зазначенням номеру, дати випробувань і допустимого навантаження, розстроповку конструкцій здійснювати після їх постійного або тимчасового надійного закріплення;
забороняється: знаходження сторонніх осіб в зоні монтажу, одночасне виконання різних видів робіт по одній вертикалі;
подачу дрібних будівельних матеріалів та цементного розчину, а також опускання будівельного сміття здійснювати в закритих ящиках або контейнерах;
обов’язкова наявність касок у кожного робітника в зоні монтажу.
5.4 Заходи профілактики враження електричним струмом
Проектом передбачено:
захисне заземлення зварювального трансформатора L = 50х50, l = 1500мм;
виконання зовнішньої електропроводки тимчасового електричного постачання ізольованим дротом із розміщенням його на опорах на висоті над рівнем землі або настилу: 2,5м - над робочими місцями; 3,5м - над проходами; 6,0м - над проїздами.
5.5 Освітлення робочих місць
Проектом передбачено: загально майданчикове рівномірне освітлення 2лк; охоронне освітлення 0,5лк; освітлення безпосереднього місця вантажу 50лк.
5.6 Заходи профілактики метеорологічних факторів
Проектом передбачено: монтажні роботи на висоті припиняються при швидкості відру 15м/с і більше, грозі або тумані, що виключає видимість в межах фронту робіт; при температурі більше 33°С роботи на відкритому повітрі не ведуться.
5.7 Заходи профілактики шуму і вібрації
Проектом передбачено:
експлуатувати машини і механізми з рівнем шуму, що не перевищує 85ДБл, в протилежному випадку забороняється їх виконання.
5.8 Заходи профілактики токсичного впливу на організм
Вміст шкідливих парів і газів, пилу в повітрі робочої зони не повинен перевищувати гранично допустиму концентрацію.
При виконанні малярних робіт - постійно провітрювати приміщення. При значній концентрації шкідливих парів і пилу - використовувати засоби індивідуального захисту (респіратори).
Забороняється розміщувати речовини із шкідливими випаровуваннями в місцях перебування людей.
5.9 Заходи профілактики враження блискавкою
По периметру будівлі через 10м влаштовувати спуски (струмовідводи) від покрівлі до землі - стержні Ø 8 А-І, попередньо виконавши заземлення.
5.10 Пожежна небезпека
Проектом передбачено:
в мережі тимчасового водопроводу влаштувати два пожежні гідранти і водозабірні крани не далі 50м від будівлі;
горючі і легкозаймисті речовини розташовувати в закритих провітрюваних складах не ближче 50м від електрозварювальних робіт і місць можливого виникнення іскри;
встановлювати на будівельному майданчику протипожежні щити, оснащені відповідним інвентарем.
Висновок
В проекті передбачено інженерні рішення і ряд профілактичних заходів, які зменшують можливість виникнення критичних ситуацій шкідливих факторів, що заважають роботі і загрожують життю та здоров’ю робітників.
При виконанні робіт потрібен жорсткий контроль за виконанням техніки безпеки:
найбільш небезпечними факторами на будівельному майданчику є падіння людей з висоти;
падіння конструкцій з висоти;
ураження людей електричним струмом.
Таблиця 5.1
Аналіз небезпечних та потенційно діючих небезпечних та шкідливих виробничих факторів
| № п\п | Найменування факторів | Види робіт | Кількісна оцінка | Посилання на пункт нормативного документу |
| 1 | Обрушення ґрунту | земляні h = - 2,5м |
ґрунт насипний h = - 2,5м РГВ = 2,0 |
СНиП ІІІ-4-80* п.9.6-9.10, 9.17 |
| 2 | Падіння матеріалів з висоти | земляні монтажні кам’яні внутрішні зовнішні |
h = 2,0м h = 32,6м h = 32,6м h = 8,5м h = 32,6м |
СНиП ІІІ-4-80* п.12.4-12.9, 12.10 п.10.1, 10.4-10.5 п.15.4-15.5 п.16.1-16.8 |
| 3 | Падіння людини з висоти | земляні монтажні кам’яні опоряджувальні внутрішні зовнішні |
h = 2,0м h = 32,6м h = 32,6м h = 32,6м h = 8,5м h = 32,6м |
СНиП ІІІ-4-80* п.9.17; п.12.8, п.12.11; п.10,2*; п.10.3, 10.6; п.15.1, 15.5; п.16,1 |
| 4 | Виробничий шум | роботи з механічним інструментом | <80ДБ | ГОСТ 12.1 003-83* |
| 5 | Експлуатація вантажопідйомних машин | КБ-403 | RMB=30м Рп. з. = 41м |
НПАОП.0.00-1.01- 07 |
| 6 | Враження електричним струмом | зварювальні роботи, електромонтажні роботи |
6000В 220В, 380В |
ГОСТ 12,1.013-78 НПАОП.40.1-1.21- 98 |
| 7 | Вплив шкідливих речовин | зварювання ацетилену, опорядження ацетилену |
ГДК 200мг/м3 0,1 мг/м3 |
СНиП ІІІ-4-80* п.6.23 п.16.4, 16.5, 18.8 ГОСТ 12.1 005-88 |
| 8 | Транспорт | екскаватор, самохідний кран |
V = 10км/г V1 = 5 км/г |
ДБН 1.3.1-5-96 |
| 9 | Освітленість робочих місць | земляні бетонні цегляні монтажні покрівельні оздоблювальні |
10лк 30лк 30лк 30лк 50лк |
ГОСТ 12.1046-85 БДН В.2.5-28-2006 |
| 10 | Вібрація | роботи з інструментом бетонування | V= 0,02м/с у = 63Гц |
ГОСТ 12.1 012-90 ДСН 3.3.6.039-99 |
| 11 | Атмосферна електрика | зварювальні опоряджувальні покрівельні |
0,01 удар блискавки на рік к = ІІ кат. |
РД 34.21.122-87 |
| 12 | Пожежонебезпека | зварювальні опоряджувальні покрівельні |
Кп/б = В К=ВКст. - ІІ |
НАПБ Б.07.005-87 (ОНТП 24-86) |
6. Організація і планування будівництва
6.1 Проектування будівельного генерального плану
6.1.1 Визначення потреби в адміністративних і санітарно-технічних будівлях
Площа тимчасових будівель визначається на основі максимальної чисельності працівників, що зайняті протягом доби або зміни на будівельному майданчику.
Площа тимчасових будівель визначається виходячи з чисельності робітників, до якої додається чисельність адміністративно-господарчого персоналу та інженерно-технічних працівників, що приймаються 17,4%.
Загальна максимальна чисельність працівників, що зайняті протягом зміни на будівельному майданчику, визначається за прийнятою трудомісткістю:
(6.1)
Де
=3370 люд. дні - прийнята трудомісткість виконання робіт;
- розрахункова тривалість будівництва;
- коефіцієнт, що
враховує нерівномірність виконання процесів на об’єкті;
- коефіцієнт, що враховує замінність робіт;
- коефіцієнт, що враховує відпустки, хвороби та інше.
Загальна чисельність робітників, задіяних на будівництві протягом доби:
(6.2)
Виконання розподіляється за організаціями, що залучаються до зведення об’єкта у відсотковому відношенні наступним чином:
БМУ-І - 83%; БМУ-ІІ - 21%; БМУ-ІІІ - 25%.
Чисельність чоловіків від загальної чисельності працівників, що зайняті на будівництві об’єкта, умовно приймається: для БМУ-І - 60%; БМУ-ІІ - 90%; БМУ-ІІІ - 100%.
Таблиця 6.1
Розподіл чисельності працівників за категоріями і часовими інтервалами
Nп. п. |
Найменування |
Загальна чисельність, чол. | У тому числі | ||
| БМУ-І | БМУ-ІІ | БМУІІІ | |||
| 1 | Чисельність робітників | 16/22 | 13/16 | 3/4 | 5/6 |
| 1.1 | У тому числі чоловіків | 11/14 | 7/10 | 4/5 | 5/6 |
| 1.2 | У тому числі жінок | 4/6 | 5/6 | - | 1/1 |
| 2 | Чисельність ІТП | 3/4 | 2/3 | 1/1 | 1/1 |
| 3 | Загальна чисельність | 20/26 | 16/21 | 5/6 | 7/8 |
| 3.1 | У тому числі чоловіків | 15/20 | 10/13 | 5/6 | 6/7 |
| 3.2 | У тому числі жінок | 5/6 | 6/8 | - | 1/1 |
Таблиця 6.2
Відомість тимчасових адміністративних і санітарно-побутових будівель
Найменування будівлі |
Чисел. корист. Чол. |
Норма на 1 Люд м2 |
Потрібна площа м2 |
Розміри виплат Будівлі м |
Характеристика інвентарної будівлі |
К-ть інвентарн. будівель шт. |
Прийнята площа м2 |
|||
| шифр | Чисел. корист. | Розміри М виплат | Корисна плаща М |
|||||||
| Контора | 2 | 4,0 | 8,0 | 3х- 22 місяця4 | 7201-К | 3 | 4х6 | 15,5 | 1 | 16,0 |
| Гардеробні чоловічі | 30 | 0,9 | 22,0 | 3х6 | Д-06-К | 30 | 4х6 | 15,5 | 1 | 16,0 |
| Гардеробні жіночі | 10 | 0,9 | 5,4 | 3x2 | - | 10 | 4x6 | 15,5 | 1 | 16,0 |
| Умивальні чоловічі | 20 | 0,05 | 1,0 | 1x1 | - | - | - | - | - | - |
| Умивальні жіночі | 6 | 0,05 | 0,3 | 1x1 | - | - | - | - | - | - |
| Душові чоловічі | 25 | 0,43 | 8,6 | 3x3 | Д-06-К | 25 | 4x6 | 15,5 | 1 | 16,0 |
| Душові жіночі | 6 | 0,43 | 2,6 | 2x3 | - | 6 | 4x6 | 15,5 | 1 | 16,0 |
| Приміщення для сушки одягу | 35 | 0,2 | 5,2 | 2x3 | 7150-2 | 35 | 4x6 | 15,5 | 1 | 16,0 |
| Приміщення для прийому їжі | 25 | 0,25 | 5,0 | 2x3 | ИЗК-1,2 | 25 | 4x6 | 15,5 | 1 | 16,0 |
| Навіс для відпочинку | 25 | 0,2 | 4,0 | 2x2 | 31600 | 25 | 4x6 | 5,8 | 1 | 8,0 |
Продовження таблиці 6.2
| Туалет | Чол. | 20 | 0,7 | 1,05 | 1x1 | Д-09-К | - | 1,3x1,2 | 1 | 1 | 1,0 |
| Жін. | 8 | 0,14 | 0,7 | 1x1 | - | - | 1,3x1,2 | 1 | 1 | 1,8 |
6.1.2 Визначення потреби в складських приміщеннях
Площа складських приміщень визначається в залежності від кількості матеріалів, необхідних для створення запасу на 4…6 днів та інтенсивності витрат матеріалів на добу.
Оскільки більшість матеріалів та конструкцій передбачається завозити на будівельні майданчики безпосередньо перед їх застосуванням (тобто одразу з попередньою розкладкою біля місць монтажу), або з невеликим запасом, то приймаємо наступні склади:
витратний склад, 18х12 - для зберігання металоконструкцій і арматури;
навіс 4х7 - для зберігання скла, фарби та інших матеріалів;
закритий склад, 4х7 - для зберігання інструменту та найбільш цінних будівельних матеріалів.
6.1.3 Проектування транспортних комунікацій
Внутрішні транспортні комунікації (автошляхи, пішохідні траси, тротуари) на території будівельного майданчика обладнується з метою забезпечення ефективної роботи підйомно-транспортних і монтажних машин, агрегатів та установок для технологічного обслуговування будівельно-монтажних робіт, організації тимчасового зберігання обладнання, конструкцій та інших виробів, що знаходяться на будівництві, а також для забезпечення надійного й безпечного проходу працівників до місць виконання робіт, підсобних будівель та споруд.
Внутрішні тимчасові автошляхи проектуються з максимальним використанням трас проектованих постійних доріг.
Проектування здійснюється лише для магістральних доріг.
Кількість смуг руху встановлюється виходячи з максимального річного обсягу робіт, що виконуються по об’єкту, а саме: проектуються одно смугові дороги шириною 3,5 м. З метою забезпечення можливості маневрування та стоянки автотранспорту по трасі доріг встановлюються кармани. Усі радіуси заокруглення доріг у плані приймаються 12м. З метою забезпечення можливості перевезення довгомірних конструкцій проектується розширення проїздів у межах кривих до 5м.
Як основні пішохідні траси (від входу на будівельний майданчик до адміністративно-побутових будівель, між побутовими приміщеннями, від останніх - до об’єкта, що зводиться) використовуються тимчасові тротуари. Ширина їх приймається 1,5м. Тимчасові дороги проектуються з. б. плит, тротуари шлакові.
6.1.4 Проектування мереж водопостачання
Тимчасове водопостачання на будівельному майданчику призначене для забезпечення виробничих, господарчо-побутових потреб, а також для можливого пожежогасіння.
При виконанні проекту сумарна витрата води з урахуванням деталізації рішень, що приймаються, з організації виробництва будівельно-монтажних робіт умовно приймається такою, що на 12,5% перевищує розрахункові потреби, а саме 11,25л\с. Швидкість води в трубопроводах приймається 1,5л\с. Виходячи з прийнятої витрати води розраховується діаметр тимчасового трубопроводу:
(6.3)
З урахуванням промислових труб, що випускаються, діаметр магістрального трубопроводу приймається 100мм. Уздовж траси трубопроводу передбачається встановлення пожежних гідрантів, що розміщуються в колодязях. Останні влаштовуються також у місцях зміни напрямку трубопроводів.
Діаметри роздавальних трубопроводів не розраховується і приймається ¾.
Глибина закладання трубопроводів, якщо їх планується експлуатувати в зимовий період, приймається 1,2м. Якщо водопровід планується експлуатувати лише за додаткових температур зовнішнього повітря (роздавальних магістралей), його вкладають не глибше 30 см або по поверхні землі з захистом від механічних пошкоджень чи підвищують до конструкцій будівлі. Остаточне рішення приймається виконавцем робіт, згідно з конкретною ситуацією, що складається на будівельному майданчику до моменту облаштування трубопроводу.
6.1.5 Проектування мереж електропостачання і освітлення будівельних майданчиків
З урахуванням деталізації рішень, що приймаються, з організації виробництва будівельно-монтажних робіт загальна потрібна потужність джерел електроенергії умовно приймається такою, що на 13% перевищує потребу, а саме 154 кВ.А.
На основі встановленої потреби в електроенергії приймається інвентарна трансформаторна підстанція КТП-250. Розміри її в плані прийнято 2,6 х 4,3 м.
Розрахунок мінімальної кількості прожекторів, що потрібні для загального (охоронного) освітлення будівельного майданчика, виконується за формулою:
беремо 4 шт (6.4)
де Fпотр - потрібний світловий потік для освітлення території.
Fпр - світловий потік одного прожектора, приймається Fпр=4550 лм.
К1 - коефіцієнт корисної дії, приймається К1 =0.38.
Потрібний світловий потік для освітлення території:
(6.5)
де Е - показник мінімальної нормативної освітленості (для охоронного освітлення згідно з діючими нормами приймається Е=0,5 лк);
S - площа освітленої ділянки;
К2 - коефіцієнт запасу, що враховує витрати світлового потоку від забруднення скла прожектора, приймається К2 =1,3;
К3 - коефіцієнт, що враховує витрати світлого потоку від розсіювання, приймається К3 =1,4.
Прожектори для загального освітлення території встановлюються на стовпах ліній електропередач. Відстань між ними не повинна перевищувати чотирикратної висоти їх встановлення. Висота опор (стовпів) приймається 7м.
6.2 Техніко-економічні показники проекту
1. Кошторисна вартість виконання БМР по об’єкту - 3994605 грн.
2. Кошторисна вартість виконання БМР по будівлі - 3125305 грн.
3. Нормативна тривалість зведення об’єкта - 13 місяця.
4. Запланована тривалість зведення об’єкта - 12місяць.
5. Розрахункова тривалість зведення об’єкта - 12місяць.
Заплановане скорочення термінів будівництва між нормативною і запланованою тривалістю:
![]()
Заплановане виконання норм виробітку:
![]()
Заплановане скорочення термінів будівництва між запланованою і розрахунковою тривалістю:
![]()
6.3 Встановлення потреби будівництва в енергоресурсах
Потреба в електроенергії, паливі, стиснутому повітрю, кисню та воді визначається за укрупненими показниками, залежно від району будівництва та максимально запланованого річного обсягу будівельно-монтажних робіт по об’єкту.
Максимальний запланований річний обсяг будівельно-монтажних робіт по об’єкту визначається залежно від загальної (кошторисної) вартості об’єкта, заданого терміну початку будівництва та розрахункової запланованої інтенсивності освоєння фінансових ресурсів по об’єкту.
Таблиця 6.3
Розрахунок потреби в енергоресурсах
Назва ресурсу |
Одиниці вимірю-вання | Розрахунковий норматив на 1млн. грн. БМР | Територіальний коефіцієнт | Максимальний річний обсяг БМР. млн. грн | Потрібна кількість | |
| За розр. | Прий-нята | |||||
| Електроенергія | кВ·А |
225,0 |
1,02 |
0,891 |
270,5 |
271 |
| Паливо | т | 109,0 | 1,02 | 0,891 | 130,7 | 131 |
| Стиснуся повітря | шт. |
1,9 |
0,98 |
0,891 |
2,4 |
3 |
| кисень | м3 | 4300,0 | 0,98 | 0,891 | 3280,5 | 3281 |
| вода | л/с | 2,1 | 0,98 | 0,891 | 8,45 | 10 |
Оскільки розрахункова потреба у воді набагато менша від нормативної на пожежогасіння, що дорівнює 10 л/с при площі будівельного майданчика до 10 га, то приймаємо її виходячи з потреби в пожежогасінні.
7. Проектування земляного насипу під’їзної колії
Земляне полотно являє собою складний комплекс ґрунтових об'єктів, що функціонують в умовах несприятливого природно-кліматичного середовища та динамічних поїзних навантажень, які змінюють стан ґрунтової маси і тим самим впливають на рівень надійності земляного полотна.
Основні вимоги до конструкції земляного полотна, порядок його утримання й експлуатації регламентуються нормативними документами та наказами Державної адміністрації залізничного транспорту України. Так. згідно з ПТЕ (Правилами технічної експлуатації залізниць України), земляне полотно і всі елементи залізничної колії по міцності, стійкості та стану повинні забезпечувати безпечний і плавний рух поїздів з найбільшими встановленими швидкостями.
Враховуючи технічний прогрес і необхідність постійного підвищення швидкостей руху поїздів, земляне полотно повинне забезпечувати довготривалу стабільність при пропусканні перспективного рухомого складу і максимальними швидкостями і розрахунковою вантажонапруженістю, повинне бути рівнонадійнимі ремонтопридатним при найменших витратах прані та ресурсів. Тому забезпечення вказаних вимог неможливе без знання характеристик земляного полотна загалом і його конкретних параметрів зокрема та вміння приймати правильні технічні рішення на основі отриманих даних таін.
Стабільність і надійність об'єктів земляного полотна залежить від технічних рішень, прийнятих на основі інженерного аналізу виробничої ситуації. Тобто інженерна діяльність передбачає постійне розв'язування різних технічних задач, проектування конструкцій та ін.
В даному проекті розрахунок коефіцієнта стійкості земляного полотна розраховується за допомогою програми MAC. ST. A. R. S 2000 - Rel.2.2
Результати розрахунку №1:
MAC. ST. A. R. S 2000 - Rel.2.2
MACcaferri STability Analysis of Reinforced Slopes
ООО "Габионы Маккаферри СНГ" ул. Мельникова 7, 109044 Москва
Тел.: +7 (495) 9375884 - Факс: +7 (495) 6746740
ООО "Габионы Маккаферри СНГ"
Название проекта:
Поперечник:
Объект:
Папка:
Файл: MacStars_02
Дата: 05/18/2007
Грунт: NASОписание: Суглинок
Сцепление [kN/mІ]: 12.00
Угол внутреннего трения [°]: 25.00
Ru value: 0.00
Объёмный вес выше уровня воды [kN/mі]: 18.30
Объёмный вес ниже уровня воды [kN/mі]: 0.00
Модуль эластичности [kN/mІ]: 0.00
Коэффициент Пуассона: 0.30
Грунт: OSNОписание: Глина
Сцепление [kN/mІ]: 82.00
Угол внутреннего трения [°]: 18.00
Ru value: 0.00
Объёмный вес выше уровня воды [kN/mі]: 18.00
Объёмный вес ниже уровня воды [kN/mі]: 17.00
Модуль эластичности [kN/mІ]: 0.00
Коэффициент Пуассона: 0.30
Слой: NASYPОписание:
Грунт: NAS
X YXYXYXY
[m] [m] [m] [m] [m] [m] [m] [m]
10.00 10.00 31.75 24.50 37.25 24.50 61.75 10.00
Слой: OSNOVAОписание:
Грунт: OSN
X YXYXYXY
[m] [m] [m] [m] [m] [m] [m] [m]
0.00 10.00 65.00 10.00
Распределённые нагрузки: PОписание:
Величина [kN/mІ] = 55.00Угол [°] = 0.00
Абсцисса [m]: от = 33.15 до = 35.85
РЕЗУЛЬТАТЫ РАСЧЁТА

Активное усилие согласно жёсткому методу
Расчёт устойчивости по круглоцилиндрическим поверхностям по методу Джанбу
Коэффициент устойчивости: 1.146
Области поиска
Начальная, абсциссы [m] Конечная, абсциссы [m]
ПерваяВтораяПерваяВторая
0.00 15.00 32.00 40.00
Количество точек поиска: 20
Общее количество поверхностей: 200
Длина сегментов [m]: 1.00
Верхний предельный угол поиска [°]: 0.00
Нижний предельный угол поиска [°]: 0.00
The Officine Maccaferri SpA assumes no responsabilities for the drawings and calculations it provides,
as they must be intended as general indications to suggest the proper use of its product.
За результатом розрахунку коефіцієнт стійкості земляного полотна дорівнює - 1.146, що не задовольняє вимоги стандартів.
Результати розрахунку №2:
MAC. ST. A. R. S 2000 - Rel.2.2
MACcaferri STability Analysis of Reinforced Slopes
ООО "Габионы Маккаферри СНГ" ул. Мельникова 7, 109044 Москва
Тел.: +7 (495) 9375884 - Факс: +7 (495) 6746740
ООО "Габионы Маккаферри СНГ"
Название проекта:
Поперечник:
Объект:
Папка:
Файл: MacStars_03
Дата: 05/18/2007
СВОЙСТВА ГРУНТОВ
Грунт: NASОписание: Суглинок
Сцепление [kN/mІ]: 12.00
Угол внутреннего трения [°]: 25.00
Ru value: 0.00
Объёмный вес выше уровня воды [kN/mі]: 18.30
Объёмный вес ниже уровня воды [kN/mі]: 0.00
Модуль эластичности [kN/mІ]: 0.00
Коэффициент Пуассона: 0.30
Грунт: OSNОписание: Глина
Сцепление [kN/mІ]: 82.00
Угол внутреннего трения [°]: 18.00
Ru value: 0.00
Объёмный вес выше уровня воды [kN/mі]: 18.00
Объёмный вес ниже уровня воды [kN/mі]: 17.00
Модуль эластичности [kN/mІ]: 0.00
Коэффициент Пуассона: 0.30
ПРОФИЛИ СЛОЁВ
Слой: NASYPОписание:
Грунт: NAS
X YXYXYXY
[m] [m] [m] [m] [m] [m] [m] [m]
10.00 10.00 35.38 24.50 40.88 24.50 66.25 10.00
Слой: OSNOVAОписание:
Грунт: OSN
X YXYXYXY
[m] [m] [m] [m] [m] [m] [m] [m]
0.00 10.00 70.00 10.00
НАГРУЗКИ
Распределённые нагрузки: PОписание:
Величина [kN/mІ] = 55.00Угол [°] = 0.00
Абсцисса [m]: от = 36.78 до = 39.47
РЕЗУЛЬТАТЫ РАСЧЁТА

Расчёт общей устойчивости:
Активное усилие согласно жёсткому методу
Расчёт устойчивости по круглоцилиндрическим поверхностям по методу Джанбу
Коэффициент устойчивости: 1.284
Области поиска
Начальная, абсциссы [m] Конечная, абсциссы [m]
ПерваяВтораяПерваяВторая
0.00 15.00 35.00 45.00
Количество точек поиска: 20
Общее количество поверхностей: 200
Длина сегментов [m]: 1.00
Верхний предельный угол поиска [°]: 0.00
Нижний предельный угол поиска [°]: 0.00
The Officine Maccaferri SpA assumes no responsabilities for the drawings and calculations it provides,
as they must be intended as general indications to suggest the proper use of its product .
За результатами розрахунку коефіцієнт стійкості земляного полотна дорівнює - 1.284, що задовольняє вимоги стійкості.
Список використаної літератури
1. ДБН 360-92 “Містобудування. планування і забудова міських і сільських поселень”
2. ДБН Б.1-3-97 “Склад, зміст, порядок порядок розроблення, погодження та затвердження генеральних планів міських населених пунктів".
3. ДСТУ Б А.2.4-7-95 (ГОСТ 21.501-93) “Правила виконання архітектурно-будівельних робочих креслень".
4. ДБН А.2.2 - 3-97. Склад, порядок розроблення, погодження та затвердження проектної документації для будівництва. - К., 1997.
5. Будасов Б.В., КАминский В.П. Строительное черчение: Учебн. Для вузов. - М.: Стройиздат, 1990. - 464 с.
6. СНиП ІІ-4-79. Естественное и искуственное освещение / Госстрой СССР. - М: Стройпздат, 1980 - 48 с.
7. СНиП 2.01.01-82. Сроительная кліматологія и геофізика / Госстрой СССР. - М.: 1983. - 136 с.
8. СНиП ІІ-3-79**. Строительная теплотехніка. - М.: Стройиздат, 1982. - 40 с.
9. Архітектурно-будівельна фізика, теплотехніка опоряджуючих конструкцій будівель. Навч. Посібник / О.В. Серейгук. - К.: Такі справи, 1999. - 156 с.
10. Справочник по инженерно-строительному черчению / Русскевич Н.Л., Ткач Л.И. - К.: Будівельник, 1987. - 263 с.
11. СНиП 21-01-97. Пожарная безопасность зданий и сооружений. - М.: 1997.
12. Гетун Г.В. Основи проектування промислових будівель: Навч. посіб.: - К.: Кондор, 2003. - 210 с.
13. ГОСТ 2.105-95. Общие требования к текстовым документам.
14. Шершевский Н.А. Конструкции гражданских зданий. - Л.: Стройиздат, 1981 - 126 с.
15. Беленя Е.И. Металические конструкции. - М.: Стройиздат, 1976 - 599 с.
Похожие рефераты:
Проектування монолітного п’ятнадцятиповерхового будинку
Технологія влаштування гідроізоляції камяних конструкцій
Опорядження прямокутних колон з конелюрами
Робочий майданчик виробничих будівель
Технологічна безпека та продовження ресурсу сталевих конструкцій в корозійних середовищах
Організація і технологія виконання робіт бульдозерами
Обгрунтування параметрів ротаційного розпушувача грунту
Багатоповерховий каркасний будинок
Технологічне забезпечення відновлення дисків сошників зернових сівалок