| Скачать .docx |
Курсовая работа: Одноэтажное каркасное промышленное здание
Кафедра “Железобетонные и каменные конструкции"
Строительный факультет
КУРСОВАЯ РАБОТА
на тему: “ ОДНОЭТАЖНОЕ КАРКАСНОЕ ПРОМЫШЛЕННОЕ ЗДАНИЕ "
по дисциплине “ ЖЕЛЕЗОБЕТОННЫЕ И КАМЕННЫЕ КОНСТРУКЦИИ "
МИНСК-2008
Содержание
Введение
1. Компоновка каркаса здания
1.1 Разработка схемы поперечных рам, связей и фахверка
1.2 определение генеральных размеров поперечной рамы цеха
2. Установление нагрузок на поперечную раму цеха
2.1 определение постоянной нагрузки от покрытия, собственной массы конструкций и от стеновых ограждений
2.2 определение нагрузки от крановых воздействий
2.3 определение нагрузок от давления снега и ветра
3. Определение расчетных усилий в элементах ПРЦ
3.1 статический расчет рамы
3.2 составление расчетных сочетаний нагрузок для подбора сечений надкрановой и подкрановой частей колонны
4. Расчет колонны
4.1 расчет подкрановой части
4.2 расчет надкрановой части
5. Расчёт внецентренно нагруженного фундамента
6. Расчёт предварительно напряженной балки покрытия
Список использованной литературы
Введение
В разрабатываемом курсовом проекте рассчитывается железобетонный каркас одноэтажного трехпролетного производственного здания согласно основным принципам расчета, конструирования и компоновки железобетонных конструкций.
Сбор нагрузок осуществляется в соответствии со СНиП 2.01.07-85 "Нагрузки и воздействия", а расчет конструкций - в соответствии с СНБ 5.03.01-02 "Бетонные и железобетонные конструкции". Характеристики кранов принимаем по ГОСТ 25.711-83.
1. Компоновка каркаса здания
1.1 Разработка схемы поперечных рам, связей и фахверка
Основными элементами несущего железобетонного каркаса промышленного здания, воспринимающего почти все нагрузки, являются плоские поперечные рамы, образованные колоннами и несущеми стропильными конструкциями. В продольном направлении элементами каркаса являются: подкрановые балки, ригели стенового ограждения, плиты покрытия, фонари.
Система конструктивных элементов, служащая для поддержания стенового ограждения и восприятия ветровой нагрузки, называется фахверком. При самонесущих стенах, а также с длинами панелей, равными шагу колонн, необходимости в конструкции фахверка нет. Принимаем торцевой фахверк сечением 400 х 400 мм с нулевой привязкой к поперечной оси.
Важными элементами железобетонно каркаса промышленного здания являются связи. Надлежащая компоновка связей обеспечивает совместную работу конструкций каркаса, что имеет большое значение для повышения жесткости сооружения и экономии материала. Связи, предназначенные для восприятия определенных силовых воздействий, должны обеспечивать последовательное доведение усилий от места приложения нагрузки до фундамента здания. Система связей между колоннами обеспечивает геометрическую неизменяемость каркаса в продольном направлении и устойчивость из плоскости поперечных рам. Вертикальные связи ставят в середине цеха и между крайними колоннами. Связи по покрытию устраивают для обеспечения пространственной жесткости каркаса, устойчивость покрытия в целом и отдельных его частей.
1.2 определение генеральных размеров поперечной рамы цеха
Компоновку поперечной рамы начинают с установления основных габаритных размеров элементов конструкций в плоскости рамы. Вертикальные габариты здания зависят от технологических условий производства и определяются расстоянием от уровня пола до головки кранового рельса h1 и расстоянием от головки кранового рельса до низа конструкций покрытия h2 .
Размер h2 диктуется высотой мостового крана:
Высота цеха от уровня пола до низа стропильных ферм h = hВ + hН ,
h1 = 16000 мм - заданная по условиям технологии отметка головки кранового рельса.
h = 16000 + 2000 = 15500 мм.
Размер верхней части колонны - Нв = с+hпкб + hр +h2, гдеhпкб - высота подкрановой балки, принимаемая в зависимости от шага колонн и пришаге колонн В = 12 м. hб = 1400 мм;
hр - высота кранового рельса, принимаемая в зависимости от грузоподъемности крана (принимаем 150 мм);
Нв = 100 + 1650 + 150 + 1400 = 3300 мм.
Высота нижней части колонны - Нн =HГ. Р - hР -hП.Б. +а, где а = 150 мм - заглубление колонны ниже уровня пола
Нн = 16000 - 150 - 1400 + 150 = 14600 мм.
Общая высота колонны от защемления колонны в фундамент до низа ригеля:
Нк = Нв + Нн =3300 + 14600 = 17900 мм
Принимаем сечение надкрановой части колонны ряда hв х bв = 380 x400 мм. Сечение нижней части колонны принимаем:
hн х bн = 1300 х 500 - для колонны крайнего ряда
hн х bн = 1300 х 500 - для колонны среднего ряда
Высоту стропильной балки определяют из условия Hб
, но не менее 790 мм.
Принимаем высоту балки Hб = 1700 мм.
2. Установление нагрузок на поперечную раму цеха
На поперечную раму цеха действуют постоянные нагрузки от веса ограждающих и несущих конструкций здания, временные от мостовых кранов и атмосферные воздействия снега и ветра. На здание может действовать одновременно несколько нагрузок и возможно несколько их комбинаций с учетом отсутствия некоторых из них или возможного изменения схем их приложения. Поэтому раму рассчитывают на каждую из нагрузок отдельно, а затем составляют расчетную комбинацию усилий при самом невыгодном сочетании нагрузок. При этом значения нагрузок должны подсчитываться отдельно, если даже они имеют одинаковые схемы распределения на конструкции, но отличаются по длительности воздействия.
2.1 определение постоянной нагрузки от покрытия, собственной массы конструкций и от стеновых ограждений
Постоянные нагрузки на ригель рамы от веса кровли, стропильных конструкций и связей по покрытию принимаются обычно равномерно распределенными по длине ригеля. Постоянные нагрузки зависят от типа покрытия, которое может быть тяжелым или легким, утепленным или не утепленным. В данном курсовом проекте применяются - сборные железобетонный плиты покрытия толщиной 400 мм.

Покрытие состоит из сборных железобетонных плит, опирающихся непосредственно на стропильную балку, пароизоляции, теплоизоляционного слоя, стяжки, водоизоляционного ковра. Толщина теплоизоляционного слоя может быть принята без теплотехнического расчета в зависимости от расчетной зимней температуры наружного воздуха (наименование утеплителя - пенопласт). Принимаем толщину утеплителя δ = 120 мм. Нагрузка от покрытия определяется суммированием отдельных элементов, значения которых сведены в таблицу. Сбор нагрузок на 1 м² покрытия
Таблица 1
| № | Вид нагрузки | Нормативная, кПа |
gf | Расчетная, кПа |
| 1 | Двухслойный водоизоляционный ковер из материала “Кровляэласт” | 0,14 | 1,35 | 0.189 |
| 2 | Стяжка цементно - песчаная М100 d = 40 мм, r = 2000 кг/м3 . | 0,72 | 1,35 | 0,972 |
| 3 | Утеплитель - пенополистирол марки ППС-35,d = 120 мм, r = 40 кг/м3 . | 0,048 | 1,35 | 0,0648 |
| 4 | Пароизоляция оклеечная из материала “Биполикрин" на холодной мастике δ = 3 мм (m = 5 кг/м²) | 0,05 | 1,35 | 0,0675 |
| 5 | Собственная масса железобетонных плит покрытия | 2,2 | 1,15 | 2,53 |
| Итого: | - | |||
Постоянная расчетная нагрузка от покрытия на крайнюю колонну составит:
=
, где ![]()
- нагрузка от собственного веса стропильной балки,
- нормативная нагрузка от собственного веса стропильной балки, B- шаг колонн.
Определим нагрузку от собственного веса подкрановой балки и крановых путей:
![]()
где
- длина подкрановой балки.
- нормативная нагрузка от собственного веса подкрановой балки.
- нормативная нагрузка от собственного веса крановых путей.
- коэффициент надежности по нагрузке для собственного веса постоянно уложенных элементов и конструкций.
- коэффициент надежности по нагрузке для собственного веса конструкций заводского изготовления при обеспеченной системе контроля качества. Принимаем керамзитобетонные стеновые панели толщиной 300 мм.
Постоянная нагрузка от собственного веса парапетной панели составит:
![]()
где
- нормативное значение веса
стеновых панелей;
- высота стеновых панелей; n- количество стеновых панелей.
Постоянная нагрузка от веса стеновой панели составит:
![]()
2.2 определение нагрузки от крановых воздействий
Производственные здания часто оборудуются большим числом мостовых кранов в каждом пролете. Одновременное неблагоприятное воздействие их на раму, маловероятно, поэтому при расчете нагрузка учитывается только от двух сближенных кранов. Вертикальная крановая нагрузка передается на подкрановые балки в виде сосредоточенных сил Pmax и Pmin при их невыгодном положении на подкрановой балке. Расчетное давление на колонну, к которой приближена тележка, определяется по формуле:
Dmax
=
;
на противоположную колонну:
Dmin
=
;
где
= 0,85 - коэффициент сочетаний при совместной работе двух кранов для групп режимов работы кранов 1К-6К;
= 1,5 - коэффициент надежности по нагрузке для крановых нагрузок; Pmax
- наибольшее вертикальное давление колес на подкрановую балку; Согласно ГОСТ 25.711-83 принимаем следующие характеристики для крана:

Q = 5 т;
Lk = 24500 мм
А = 5000 мм
В = 6500 мм;
Pmax = 101 кН;
Gt = 22 кН
G = 250 кН;

Наименьшее давление колеса крана вычисляется по формуле:
![]()
гдеQ - грузоподъемность крана в т; G - полный вес крана с тележкой; no - число колес на одной стороне крана. Определим минимальное давление колеса:
![]()
Давление на колонну:
Dmax = 0,85∙∙101∙ (1 + 0,458 + 0,958 + 0,583) ∙1,5 = 386,2 кН;
Dmin = 0,85∙49∙ (1 + 0,458 + 0,958 + 0,583) ∙1,5 = 187,36 кН.
Горизонтальные силы поперечного торможения, возникающие при торможении крановой тележки, передаются на колонны через тормозные балки или фермы.
Нормативную поперечную горизонтальную силу от торможения тележки То n , действующую поперек цеха, определяют по формуле:
То
n
= f∙ (Q + Gt) ∙
;
гдеf = 0,1 - коэффициент трения при торможении тележки с жестким подвесом груза;
Gt - вес тележки;
- число тормозных колес тележки;
- общее количество колес.
Нормативная поперечная горизонтальная сила торможения тележки составит:
То
n
= 0,1∙ (50 + 22) ∙
= 3,6 кН;
Нормативная поперечная сила, действующая на одно колесо:
Тк
n
=
;
Расчетное горизонтальное давление на колонну от двух сближенных кранов равно:
Т =
= 0,85∙1,8∙ (1 + 0,458 + 0,958 + 0,583) = 4,59 кН.
2.3 определение нагрузок от давления снега и ветра
Расчетная снеговая нагрузка на крайнюю колонну определяется по формуле:
Qds = sо ∙μ∙L/2∙B∙γf ,
гдеso - нормативное значение веса снегового покрова на 1 м2 горизонтальной поверхности земли, принимаемое в зависимости от района строительства. Согласно СНиП 2.01.07-85 карта 1 город Минск расположен в II- ом снеговом районе. Нормативное значение снеговой нагрузки для него so = 0,7 кПа; μ - коэффициент перехода от скатной кровли к горизонтальной поверхности. Для расчета рамы принимается μ = 1, так как α < 25°; γf - коэффициент надежности по нагрузке, для снега принимаемый в зависимости от отношения нормативной нагрузки от веса покрытия к нормативному значению веса снегового покрытия. Расчетная погонная снеговая нагрузка на ригель рамы составит:
Qds = 0,7∙1∙25/2∙12∙1,5 = 157,5 кН.
При расчете одноэтажных производственных зданий высотой до 36 м при отношении высоты к пролету менее 1,5, размещаемых в местностях типов А и В, учитывается только статическая составляющая ветровой нагрузки, соответствующая установившемуся напору на здание. Характер распределения статической составляющей ветровой нагрузки в зависимости от высоты над поверхностью земли определяют по формуле:
wm = wo ×k×c×γf ,
wo - нормативное значение ветрового давления, принимаемое в зависимости от района строительства. Согласно СНиП 2.01.07-85 карта 3 город Минск расположен в II- ом ветровом районе, wo = 0,23 кПа;
k - коэффициент, учитывающий изменение ветрового давления в зависимости от высоты здания;
с - аэродинамический коэффициент; c = 0,8 - для наветренной стороны, c/ = 0,6 - для подветренной стороны
Определим ординаты фактических эпюр расчётной погонной нагрузки на раму на высоте 5, 10,20 м для напора и отсоса при направлении действия ветровой нагрузки слева.
Отобразим эпюры ветровых давлений на раму при действии ветра слева, определив промежуточные значения интерполяцией:

Для упрощения расчёта фактическую ветровую нагрузку заменяем эквивалентной, равномерно распределенной по высоте колонны. Величину эквивалентной нагрузки находим из условия равенства изгибающих моментов в защемлённой стойке от фактической эпюры ветрового давления и от равномерно распределённой нагрузки. Ветровую нагрузку на шатёр (от низа до верха стропильной балки), заменяем сосредоточенной силой W, приложенной в уровне ригеля рамы.
Найдем эквивалентную равномернораспределенную нагрузку на раму с наветренной стороны:
MA = 4.32∙5∙ (2.5+0.15) +0.5∙ (4.32+5.616) ∙5∙ (10+0.15) +0.5∙ (5.616+6.518) ∙7.55∙ (13.875+0.15) = 951.79 кН.
![]()
Ветровая нагрузка на шатер:
![]()
;
![]()
3. Определение расчетных усилий в элементах ПРЦ
3.1 статический расчет рамы
Статический расчет выполняется на основании собранных выше нагрузок и по определенным ранее размерам поперечной рамы цеха. Статический расчет необходим для дальнейшего расчета колонн и фундаментов.
Результаты расчета приведены в приложении 1.
Сводная таблица усилий в колонне по данным расчета на ЭВМ
№ п. п. |
Вид нагр. |
Коэф. сочет-аний Ψ |
Расчетные усилия | ||||||||||||||||
| Сечение I-I | Сечение II-II | Сечение III-III | Сечение IV-IV | Сечение IV-IV | |||||||||||||||
| M | N | V | M | N | V | M | N | V | M | N | V | ∑Ni | ∑Vi | M | N | V | |||
| 1 | Постоянная | 1 | 87,6 | -707,5 | -7,2 | 111.3 | -733.3 | -7.2 | -81.8 | -972.3 | -7.2 | 23.1 | -1072.5 | -7.2 | -2145 | 0 | 16.5 | -766.07 | -5.14 |
| 2 | Снеговая | 1 | 28,4 | -157,5 | -0,9 | 31.2 | -157.5 | -0.9 | -12.9 | -157.5 | -0.9 | -0.4 | -157.5 | -0.9 | -315 | 0 | -0.286 | -112.5 | -0.643 |
| 2 * | 0,7 | 19,8 | -110,25 | -0,63 | 21.84 | -110.25 | -0.63 | -9.03 | -110.25 | -0.63 | -0.28 | -110.25 | -0.63 | -220.5 | 0 | -0.2 | -78.75 | -0.45 | |
| 3 | Ветер слева | 1 | - | - | -10,4 | 66.7 | - | -30.0 | 66.7 | - | -30.0 | 1137.7 | - | -116.6 | - | -216.5 | 812.64 | - | -83.28 |
| 3 * | 0,6 | - | - | - | - | - | - | - | - | - | - | - | - | - | - | - | - | - | |
| 4 | Ветер справа | 1 | - | - | 20,1 | -90.6 | - | 34.8 | -90.6 | - | 34.8 | -1074.2 | - | 99.9 | - | 216.5 | 748 | - | 71.36 |
| 4 * | 0,6 | - | - | - | - | - | - | - | - | - | - | - | - | - | - | - | - | - | |
| 5 | DMAX в 1-ом пролете слева | 1 | - | - | 9,6 | -31.6 | - | 9.6 | 132.5 | -386.2 | 9.6 | -7.3 | -386.2 | 9.6 | -573.6 | 0 | -5.21 | -275.86 | 6.86 |
| 5 * | 0,8 | - | - | 7,68 | -25.3 | - | 7.68 | 106 | -294.56 | 7.68 | -5.84 | -294.56 | 7.68 | -458.88 | 0 | -4.17 | -220.69 | 5.49 | |
| 6 | DMAX в 1-ом пролете справа | 1 | - | - | 9,6 | -31.6 | - | 9.6 | 48 | -187.4 | 9.6 | -91.8 | -187.4 | 9.6 | -573.6 | 0 | -65.57 | -133.86 | 6.86 |
| 6 * | 0,8 | - | - | 7,68 | -25.3 | - | 7.68 | 38.4 | -149.92 | 7.68 | -73.44 | -149.92 | 7.68 | -458.88 | 0 | -52.46 | -107.09 | 5.49 | |
| 7 | Тормозное усилие к левой крайней колонне | 1 | - | - | -1,9 | -0.2 | - | 2.7 | -0.2 | - | 2.7 | -39.6 | - | 2.7 | - | 4.6 | -28.28 | - | 1.93 |
| 7 * | 0,8 | - | - | -1,52 | -0.16 | - | 2.16 | -0.16 | - | 2.16 | -31.68 | - | 2.16 | - | 3.68 | -22.62 | - | 1.54 | |
| 8 | Тормозное усилие к правой крайней колонне | 1 | - | - | 1,9 | -6.2 | - | 1.9 | -6.2 | - | 1.9 | -33.8 | - | 1.9 | - | 4.6 | -24.14 | - | 1.36 |
| 8 * | 0,8 | - | - | 1,52 | -4.96 | - | 1.52 | -4.96 | - | 1.52 | -27.04 | - | 1.52 | - | 3.68 | -19.31 | - | 1.09 | |
Определение смещаемости каркаса.
Каркасы, имеющие связевые элементы, или без них, в которых влияние перемещения узлов на расчетные моменты и усилия незначительно (не превышает 5%) относятся к несмещаемым. В других случаях они называются смещаемыми (податливыми).
![]()
Где
,
- суммарная вертикальная реакция и сдвигающая расчетные силы в поперечной раме.
- взаимное смещение верха и низа колонн рассматриваемого этажа от силы
,
- высота колонны.
Так как влияние перемещений узлов на расчетные моменты и усилия превышают 5%, то каркас смещаемый и его расчет необходимо вести согласно п. п.7,1,3,17-7,1,3,21 СНБ 5,03,01-02, Однако при этом требуется многократное вычисление критических сил во всех колоннах рам при различных комбинациях нагрузок. В связи с этим дальнейший расчет колонн выполняем, применяя требования норм, относящиеся к несмещаемым каркасам. Расчет выполняем согласно п. п.7,1,3,14-7,1,3,16 СНБ 5,03,01-02.
3.2 составление расчетных сочетаний нагрузок для подбора сечений надкрановой и подкрановой частей колонны
Расчетные сочетания нагрузок составляются следующим образом:
![]()
- нагрузка от собственного веса;
- доминирующая нагрузка (в нашем случае - крановая);
- остальные нагрузки с коэффициентом сочетания
, принимаемым по таблице А.1 приложения А СНБ 5,03,01-02,
Расчетные комбинации усилий в сечениях рассчитываемой колонны.
| Сечение | I-I | II-II | |||||||||||||
| Усилие | M | N | V | ∑Ni | ∑Vi | ∑Ti | Q | M | N | V | ∑Ni | ∑Vi | ∑Ti | Q | |
| № загр. | 1,2* | 1,2* ,3 | |||||||||||||
| MMAX (N,V соотв) | 107.48 | -817.75 | -7.83 | -2365.5 | 0 | 0.7 | - | 199.84 | -843.55 | -37.83 | -2365.5 | -216.5 | 98.3 | 0.06 | |
| Сечение | III-III | IV-IV | |||||||||||||
| Усилие | M | N | V | ∑Ni | ∑Vi | ∑Ti | Q | M | N | V | ∑Ni | ∑Vi | ∑Ti | Q | |
| № загр. | 1,2* ,4 | 1,3 | |||||||||||||
| MMAX (N,V соотв) | -181.43 | -1082.55 | 26.97 | 2365.5 | 216.5 | -96.9 | 0.059 | 1160.8 | -1072.5 | -123.8 | -2145 | -216.5 | 98.2 | 0.054 | |
Расчетные нагрузки для расчета фундамента получаем из значений M, N, Vдля сечения IV-IV и делим на 1.4
M = 1160.8/1.4 = 829.14 кН. N = - 1072.5/1.4 = - 766.07 кН.
V = - 123.8/1.4 = - 88.43 кН.
Так как каркас во всех случаях смещаемый то:
![]()
![]()
![]()
4. Расчет колонны
4.1 расчет подкрановой части

На подкрановую часть колонны действуют:
NSD =1072.5 кН; MSD =1225.65 кН м.
Найдем усилия в ветвях колонны:
![]()
![]()
![]()
Выполним расчет арматуры в каждой ветви как во внецентренно сжатом элементе.
,
![]()
При симметричном армировании:
тогда:
![]()
Найдем
по формуле

Так как
то:

Так как
то имеем случай больших эксцентриситетов.

Принимаем 2 стержня диаметром 20 мм AS! =628 мм2 .
Расчет первой ветви:
![]()
![]()
При симметричном армировании:
![]()
тогда:
![]()
Найдем
по формуле

Так как
то:

Так как
то имеем случай больших эксцентриситетов.

Принимаем 2 стержня диаметром 16 мм AS! =402 мм2 .
4.2 расчет надкрановой части
Найдем случайный эксцентриситет:

выбираем максимальный эксцентриситет ea =29,83 мм.
![]()
Полный эксцентриситет равен:
![]()
![]()
![]()
тогда:
, ![]()
значит имеем случай больших эксцентриситетов

Принимаем 2 стержня диаметром 20 мм AS! =628 мм2

Диаметры стержней поперечной арматуры которые следует принимать во внецентренно сжатых элементах устанавливаются в соответствии с п.11.2.28 в сварных каркасах - не менее диаметра, устанавливаемого из условия сварки с наибольшим, поставленным по расчету, диаметром продольной арматуры (22/3=8мм) и не более 14мм. Принимаем поперечную арматуру ∅8 S240.
Поперечная арматура устанавливается по конструктивным требованиям в соответствии с п.11.2.21 в. При fyd ≥ 500 Н/мм2 шаг поперечной арматуры должен быть не более 400мм. И не более 15∅ = 20∙8 = 1600мм в сварных каркасах.
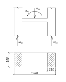
5. Расчёт внецентренно нагруженного фундамента
Определим силу и момент на уровне подошвы фундамента и расчет представим в виде таблицы
| Сочета-ния | Усилия от колонны | V Hf | Усилие от собств. веса стены |
Усилия на уровне подошвы фунд. | ||||
| M | N | V | ||||||
| 1160,8 | -1072,5 | -123,8 | -309,5 | -148,28 | -118,624 | -856,476 | -1220,78 | |
| 829,14 | -766,07 | -88,43 | 221,08 | -105,91 | -84,73 | -611,77 | 871,985 | |
GCТ =2,5∙1,2∙12∙1,15+13,4∙12∙1,35∙0,5=148,28 кН
м.
Определение размеров подколонника.
Эксцентриситет: ![]()
Значит
Принимаем ![]()
Высота подколонника
Ширина подколонника
Глубина заделки колонны в фундамент:


dC
≥lbd
, где
,
,
где ![]()
тогда
![]()
Где
Окончательно принимаем dC =950 мм. Глубина стакана с учетом бетонной подливки, dР =dC +50=950+50=1000 мм. Глубина заложения фундамента d’=1.65 м. Общая высота фундамента d=2.65-0.15=2.5 м.
Определение размеров подошвы фундамента: определяем площадь подошвы фундамента:
![]()
принимаем соотношение размеров сторон подошвы фундамента равным:
тогда ![]()
Размеры в плане фундамента принимаем:
3м, тогда
. Принимаем bf
=2м.
Для подобранного размера фундамента должно выполняться условие:
, ![]()
где
, ![]()


Подбор армирования в фундаментной плите.
Определим давление под подошвой фундамента от расчетных нагрузок для подбора нижней сетки
![]()
![]()
![]()
![]()
Подбор поперечной арматуры подошвы фундамента:
Рассмотрим момент по грани уступа как для консольной балки:
![]()
![]()
По конструктивным соображениям принимаем 4 стержня диаметром 10 мм AS =314 мм2
Подбор арматуры в направлении короткой стороны по среднему давлению под подошвой фундамента:
, ![]()
![]()
По конструктивным соображениям принимаем 4 стержня диаметром 6 мм AS =93,2 мм2
Подбор поперечной арматуры подколонника:
![]()
![]()
![]()

Определим требуемую площадь сеток в одном уровне:

![]()
fywd = 157 кПа для арматуры класса S240
Определим необходимую площадь сечения 1-го рабочего стержня (при 4-ех стержнях в каждой сетке).
![]()
Принимаем по конструктивным соображениям 4 стержня диаметром 10 мм AS =314 мм2
Подбор продольной арматуры:
![]()
где ![]()
![]()
S0 - статический момент половины площади бетонного сечения относительно ц. т.
![]()
![]()
Для бетона класса C 25/30
![]()
По конструктивным соображениям площадь арматуры не менее 0.15% площади бетонного сечения по ширине. По ширине
![]()
По конструктивным соображениям принимаем 4 стержня диаметром 16 мм AS =616 мм2 . По длине
![]()
По конструктивным соображениям принимаем 4 стержня диаметром 14 мм AS =616 мм2
6. Расчёт предварительно напряженной балки покрытия
Исходные данные для проектирования
Номинальный пролет -
;
Шаг колонн и балок покрытия -
;
Район строительства - г. Минск;
Проектируемое здание относится ко II классу по степени ответственности. По СНиП 2.01.07-85 “ Нагрузки и воздействия “ коэффициент надежности по назначению
.
По таблице 5.2 СНБ 5.03.01-02 принимаем класс ответственности по условиям эксплуатации ХС1.
Минимальный класс бетона
.
В соответствии с пунктом 6.1.2.3 СНБ 5.03.01-02 принимаем минимальный класс бетона
.
Балка сборная - заводского изготовления. Принимаем бетон тяжелый по прочности на сжатие
подвергнутый тепловой обработке при атмосферном давлении.
Принимаем марку смеси по удобоукладываемости - П1.
Натяжение арматуры осуществляется механическим способом на упоры стенда.
Средняя прочность бетона в момент передачи усилия предварительного обжатия на бетон (передаточная прочность) определяется как
.
Прочность бетона в момент передачи усилия обжатия на бетон контролируется испытаниями контрольных кубов.
В качестве напрягаемой арматуры принимаем арматуру S1200 по ГОСТ 13840. Ненапрягаемая арматура сварных каркасов и сеток принята класса S400 - стержневая и класса S500 - проволочная. Монтажную арматуру принимаем класса S240.
Предельно допустимый прогиб среднего по длине балки сечения при действии постоянных и временных длительных нагрузок (с учетом выгиба от усилия предварительного обжатия) по таблице 19 приложения 10 СНиП 2.01.07-85 “ Нагрузки и воздействия “ составит
.
Предельно допустимое значение ширины раскрытия нормальных и наклонных трещин по таблице 5.1 СНБ 5.03.01-02 составит
.
Расчетные характеристики материалов
Бетон C 30/37:
нормативное сопротивление бетона на осевое сжатие
;
гарантированная прочность бетона на осевое сжатие
;
передаточная прочность
;
;
по таблице 6.1 СНБ 5.03.01-02;
![]()
расчетное сопротивление бетона сжатию для первой группы предельных состояний составит
;
расчетное сопротивление бетона на растяжение для первой группы предельных состояний
;
расчетное сопротивление бетона сжатию для второй группы предельных состояний (
) составит
;
расчетное сопротивление бетона на растяжение для второй группы предельных состояний (
) составит
;
Модуль упругости бетона определяем по таблице 6.2 СНБ 5.03.01-02. В зависимости от марки смеси по удобоукладываемости он составит
, но согласно примечанию окончательно модуль упругости бетона составит:
.
Арматура.
Предварительно напряженная арматура S1200 : - А- VI - ∅15
Проволока ∅6,7 В II
∅6 Вр II
нормативное сопротивление напрягаемой арматуры
;
расчетное сопротивление напрягаемой арматуры по пункту 9.1.4 СНБ 5.03.01-02 составит
;
Ненапрягаемая арматура :
S240
;
;
;
S400
;
;
;
S500
;
.
Определение нагрузок.
Постоянные нагрузки включают: вес кровли, теплоизоляционного ковра, вес железобетонных плит покрытия и собственный вес балки покрытия.
К временным нагрузкам относится вес снегового покрова. Согласно пункту 1.7 СНиП 2.01.07-85 “ Нагрузки и воздействия “ к длительно действующим нагрузкам относится снеговая нагрузка с пониженным нормативным значением, определяемым путем умножения полного нормативного значения
на коэффициент 0,7 для II- го снегового района.
гдеso - нормативное значение веса снегового покрова на 1 м2 горизонтальной поверхности земли, принимаемое в зависимости от района строительства. Согласно СНиП 2.01.07-85 карта 1 город Минск расположен во II-м снеговом районе. Нормативное значение снеговой нагрузки для него so = 0,7 кПа;
μ - коэффициент перехода от скатной кровли к горизонтальной поверхности. Для расчета балки принимается μ = 1, так как α < 25°;
Таким образом, кратковременная нагрузка составит ![]()
Таблица 4
| № | Вид нагрузки | Нагрузка, кПа | ||
| Нормативная | Расчетная при gf =1 |
Расчетная при gf >1 |
||
| 1 | Постоянная | 3.158 | 3.158 | 3.82 |
| 2 | Временная: | 0,7 | 0,7 | 1,05 |
| Полная | 3.858 | 3.858 | 4.87 | |
Нормативная нагрузка от собственного веса балки
. Частный коэффициент безопасности для собственного веса конструкций заводского изготовления
. Тогда расчетная нагрузка составит
.
Расчетные нагрузки на 1м. п. длины балки определяем без учета снеговых мешков (так как здание без зенитного фонаря).
Нагрузку на балку условно считаем равномерно распределенной по длине, так как количество сосредоточенных усилий в местах опирания плит покрытия более пяти.
Расчетные нагрузки на балку определяем с учетом коэффициента надежности по назначению здания
.
Значения расчетных нагрузок на балку при
:
расчетная нагрузка на балку от собственного веса конструкций
;
снеговая временная нагрузка
:
полная нагрузка
.
Значения расчетных нагрузок на балку при
:
расчетная нагрузка на балку от собственного веса конструкций
;
снеговая нагрузка
:
полная нагрузка
.
Назначение геометрических размеров балки.
Геометрические размеры балки принимают исходя из размеров сечений балок по типовым сериям для покрытий одноэтажных зданий.

Определение усилий в сечениях балки
Расчетный пролет балки принимаем между серединами опорных закладных деталей, длина которых равна 150 мм.
![]()

Расчетными сечениями при расчете балки являются сечения I-I …V-V со следующими координатами сечений см. таблицу 5.
Таблица 5
| № сечения | Место расположения сечения | Расстояние от торца балки до сечения (мм) | Расстояние от опоры А до сечения (мм) |
| I- I | По грани опоры | 250 | 125 |
| II- II | В месте перехода опорного вута в стенку | 600 | 475 |
| III- III | В месте установки первой монтажной петли | 1475 | 1350 |
| IV- IV | В месте перехода к постоянной толщине стенки | 2750 | 2625 |
| V- V | Опасное сечение при расчете балки на расстоянии 0,37 расчетного пролета при уклоне 1: 12 0,37 24700 = 9139 |
9014 | 9139 |
| VI- VI | В середине пролета | 12225 | 12350 |
Изгибающие моменты и поперечные силы в сечениях балки определены при действии всех расчетных нагрузок. При этом:
![]()
,
где
- расстояние от опоры до сечения по расчетной схеме балки.
Изгибающие моменты и поперечные силы в расчетных сечениях балки приведены в таблице 6.
Таблица 6
| № сечения |
|
|
||||
| I- I | 0,125 | 0,0071 | 78,79 | 98,59 | 627,09 | 784,72 |
| II- II | 0,475 | 0,0268 | 295,13 | 369,31 | 609,14 | 762,26 |
| III- III | 1,35 | 0,0763 | 808,49 | 1011,71 | 564,26 | 706,09 |
| IV- IV | 2,625 | 0,148 | 1486,22 | 1859,8 | 498,86 | 624,25 |
| V- V | 9,919 | 0,37 | 3647,45 | 4564,29 | 164,71 | 206,11 |
| V- V | 12,35 | 0,5 | 3911,9 | 4895,21 | 0 | 0 |
Предварительный подбор предварительно напряженной арматуры.
Продольную предварительно напряженную арматуру в балке с параллельными поясами подбирают по усилиям, действующим в опасном сечении, т.е. на расстоянии
от опоры. При этом действительное сечение заменяется эквивалентным.

Размеры поперечного сечения балки в расчетном сечении при подборе продольной арматуры и расчете прочности нормального сечения при действии изгибающего момента:
;
;
;
;
.
Высота балки в рассматриваемом сечении
,
где
- высота балки на торце.
Предварительно напряженная арматура в нижней полке размещается в четыре ряда.
Предварительно
принято равное расстоянию до центра тяжести арматуры; тогда рабочая высота сечения составит:
.
Назначение величины предварительных напряжений в напрягаемой арматуре.
Предварительные напряжения
назначаем в соответствии с требованиями п.9.2.1 СНБ 5.03.01-02.
;
.
При механическом способе натяжения арматуры
, тогда
;
.
Для определения
(п.7.1.2.4 СНБ 5.03.01-02) и
(п.9.1.4 СНБ 5.03.01-02) при предварительном подборе арматуры следует принимать ориентировочно суммарную величину потерь предварительного напряжения до их расчета в пределах:
, т.е. установившиеся напряжения в предварительно напряженной арматуре.
.
В расчетном случае, при
![]()
.
Граничная относительная высота сжатой зоны сечения
:

где
;
.
Для предварительно напряженной арматуры из высокопрочной проволоки и канатов S1200:
;
где
- частный коэффициент безопасности для усилия предварительного обжатия (п.9.4.2 СНБ 5.03.01-02).
В данном случае принимаем
.
;
.
Коэффициент
, учитывающий упругопластическую работу высокопрочной арматуры по билинейной диаграмме деформирования (Рис.6.7 п.6.2.2.4 СНБ 5.03.01-02) при деформациях превышающих
определяют по формуле:
,
где
для арматуры S1200.
На стадии предварительного подбора напрягаемой арматуры предполагают, что нейтральная ось проходит по нижней грани полки эквивалентного сечения, т.е.
. Тогда
.
.
Определение площади напрягаемой арматуры.
Расчет следует выполнять по эквивалентному сечению. Предварительный расчет площади сечения напрягаемой арматуры выполняем по методу предельных усилий по п.7.1.2 СНБ 5.03.01-02 в предположении прямоугольной эпюры напряжений в сжатой части сечения. Продольную ненапрягаемую арматуру, установленную в верхней полке (в сжатом бетоне) не учитываем. Расчет ведем с использованием табличных коэффициентов.
В расчетном сечении:
(при длительных нагрузках);
,
(п.6.1.5 4 СНБ 5.03.01-02);
,
.
Определяем положение нейтральной оси при расчете таврового сечения:
![]()
нейтральная ось проходит в полке.
Сечение рассматриваем как прямоугольное с
.
![]()
;
;
.
Площадь поперечного сечения одной позиции Æ25 класса S1200 по ГОСТ 13840 -
. Принимаем 16 штук общей площадью
.
Определение геометрических характеристик балки
| Вычисляемые величины | Значения величин в сечениях | |||||
| I - I | II - II | III - III | IV - IV | V - V | VI - VI | |
| 0,25 | 0,6 | 1,475 | 2,75 | 9,264 | 12.475 | |
| 0.91 | 0.94 | 1.015 | 1.17 | 1.664 | 1.93 | |
| 0,4 | 0,4 | 0,4 | 0,4 | 0,4 | 0.4 | |
| 0,27 | 0,27 | 0,27 | 0,27 | 0,27 | 0.27 | |
| 0.17 | 0.185 | 0.185 | 0.185 | 0.185 | 0.185 | |
| - | 0,21 | 0,21 | 0,21 | 0,21 | 0.21 | |
| 0,27 | 0,12 | 0,1 | 0,08 | 0,08 | 0.08 | |
| 0,27 | 0,2 | 0, 193 | 0, 193 | 0,23 | 0.254 | |
| 0,1335 | 0,1022 | 0,1065 | 0,1227 | 0, 208 | 0.2664 | |
| 0,494 | 0,511 | 0,552 | 0,636 | 0,904 | 1.049 | |
| 0,416 | 0,429 | 0,463 | 0,534 | 0,76 | 0.881 | |
| 0,1075 | 0,1075 | 0,1075 | 0,1075 | 0,1075 | 0,1075 | |
| 0,3865 | 0,4035 | 0.4445 | 0,5285 | 0,7965 | 0.9415 | |
| 0,0201 | 0,01938 | 0,02501 | 0,03604 | 0,09215 | 0.1348 | |
Определение потерь предварительного напряджения:
1. Технологические потери (первые потери):
1.1 - потери от релаксации напряжений в арматуре S1200 при механическом натяжении:

1.2
- потери от температурного перепада, для бетона класса
:
![]()
где
.
1.3 - потери от деформации анкерных устройств при натяжении на упоры:
,
где
;
- длина стержней между гранями упоров;
-
смещение стержней в инвентарных зажимах;
1.4
- потери от деформаций стальной формы
, т.к натяжение выполняется на упоры стенда.
1.5
- потери, вызванные трением арматуры о стенки каналов и об огибающие приспособления
, т.к натяжение на упоры с прямолинейным расположением арматуры по длине балки.
Усилия предварительно напряжения с учетом потерь, проявившихся к моменту передачи обжатия на бетон (до снятия упоров):
где
.
1.6 - потери, вызванные упругой деформацией бетона в момент передачи обжатия на бетон:

где
;
;
, ![]()
Суммарные технологические потери предварительного напряжения:
![]()
Усилие обжатия
![]()
.
2. Эксплуатационные потери (вторые потери):
Эксплуатационные потери (реологические) потери вычисляем для времени
суток.
Реологические потери, вызванные ползучестью и усадкой бетона, а так же длительной релаксацией напряжений в арматуре следует вычислять по формуле:
,
где
.
Определение реологических потерь предварительного напряжения выполняем в соответствии с разделом 6 СНБ 5.03.01-02:
- ожидаемые относительные деформации усадки для возраста бетона
суток. Определение
выполняют по формуле:
,
- влажностная составляющая усадки (п.6.1.4 5 и табл. СНБ 5.03.01-02).
,
где
- предельное значение усадки бетона.
По табл.6.3 СНБ 5.03.01-02 по интерполяции при бетоне
и относительной влажности RH = 60% c учетом поправочного коэффициента (п.6.1.4 5 СНБ 5.03.01-02) для бетонов по удобоукладываемости П1, равного 0,7:
;
- функция развития усадки во времени. Принимаем для
суток
, тогда
.
- химическая составляющая усадки.
,
где
;
.
Полная величина относительных деформаций усадки:
![]()
- коэффициент ползучести за период времени 100 суток. Определяем по приложению Б СНБ 5.03.01-02:
,
где
- условный коэффициент ползучести.
-
коэффициент, учитывающий влияние относительной влажности окружающей среды.
- относительная влажность.
Приведенный размер элемента
,
где
- периметр поперечного сечения балки в расчетном сечении.
;
-
коэффициенты, учитывающие влияние прочности бетона.
![]()
-
коэффициент, учитывающий влияние прочности бетона на условный коэффициент ползучести.
-
коэффициент, учитывающий влияние возраста
к моменту нагружения.
Возраст бетона при достижении им проектной прочности, равной
принят
суток (для условий естественного твердения).
![]()
-
коэффициент, описывающий развитие ползучести во времени.
суток - возраст бетона к рассматриваемому моменту времени.
![]()
-
коэффициент, учитывающий влияние прочности бетона.
;
.
![]()
- изменение напряжений в предварительно напряженной арматуре вследствие длительной релаксации арматуры при действии практически постоянной расчетной нагрузки за период времени
суток.
- по табл.9.2 и 9.3 СНБ 5.03.01-02.
Приращение напряжений в предварительно напряженной арматуре от действия практически постоянной нагрузки (от массы конструкций покрытия без учета снеговой нагрузки) при
:
.
Приращение напряжений в бетоне на уровне центра тяжести предварительно напряженной арматуры от действия постоянной комбинации нагрузок:
![]()
Тогда полные напряжения в предварительно напряженной арматуре составят:
![]()
По таблице 9.2 СНБ 5.03.01-02 при
для арматуры Æ25 S1200 - релаксационный класс 1, максимальные потери от релаксации напряжений в арматуре составляют 6.6% от вличины ![]()
![]()
Вычисленные по формуле 9.6 СНБ 5.03.01-02 (п.1.1 настоящего расчета) потери предварительно напряжения равны:
![]()
Так как
>
,
то изменение напряжений в предварительно напряженной арматуре вследствие длительной релаксации арматуры не учитываем, т.е.
.
Определяем начальные напряжения в бетоне на уровне центра тяжести напрягаемой арматуры от действия усилия предварительного обжатия (с учетом технологических потерь при
)
:
![]()
![]()
Т. к.
, то принимаем равным 0. 
Полные реологические потери:
![]()
Значение усилия предварительного обжатия
в момент времени
суток (с учетом всех потерь):
![]()
Проверяем условия ограничения величины предварительных напряжений в арматуре:
1.
, условие выполняется.
2.
, условие выполняется;
Проверка площади растянутой арматуры из условия ограничения ширины раскрытия трещин нормальных к продольной оси элемента.
Проверяем условие:
![]()
- коэффициент, характеризующий степень сцепления арматуры с бетоном. При отсутствии в растянутой части сечения ненапрягаемой арматуры и размещении всей предварительно напряженной арматуры в растянутой части сечения
= 0,5;
- приращение напряжений в напрягаемой арматуре до нуля на уровне центра тяжести напрягаемой арматуры при действии расчетной комбинации усилий.
При упрошенном расчете
определяют как сумму приращений напряжений при уменьшении упругого обжатия бетона до нуля (
) и приращения напряжений после образования трещин (
).
Усилие упругого обжатия бетонного сечения для момента времени t ≥ 100 суток равно

Приращение напряжений
![]()
Усилие предварительного напряжения к моменту времени t ≥ 100суток, при погашении до нуля напряжений в бетоне на уровне центра тяжести напрягаемой арматуры
![]()
При нормируемой ширине раскрытия трещин wK
=0,2 мм по табл.8.2 [1] для арматуры диаметра 25 приращение напряжений в арматуре после образования трещин не должно превышать
. Суммарная величина приращений
,
-
при отсутствии вынужденных деформаций;
АCT - площадь бетона в растянутой части сечения непосредственно перед образованием трещин на уровне нижней грани сечения
Напряжение от усилия предварительного обжатия:
напряжения в бетоне на уровне нижней грани балки
![]()
напряжение в бетоне на уровне верхней грани балки
![]()
напряжения в бетоне на уровне центра тяжести сечения
3.78-6,15 =
Высота растянутой части сечения при образовании трещин
![]()
Определяем FCR равнодействующую растягивающих напряжений в полке таврового сечения непосредственно перед образованием трещин.

ACT - площадь растянутой части сечения при образовании трещин
![]()
![]()
kc = 1,0 - для полок, имеющих ширину менее 300мм.
Проверяем условие ![]()
.
Условие выполнено. Корректировка площади предварительно на пряже иной арматуры не требуется.
Проверка прочности расчетного сечения балки при действии нагрузок в стадии эксплуатации.
Проверку прочности сечения нормального к продольной оси элемента выполняем в соответствии с п.7.1.2.1 СНБ 5.03.01-02 по методу предельных усилий, т.к балка выполненна из бетона
, сечение симметричное относительно вертикальной оси и вся растянутая арматура сосредоточенна в растянутой части сечения.
Расчетный изгибающий момент
(при
). Рабочая арматура по результатам предварительного подбора 8Æ25 S1200 общей площадью![]()
Усилие предварительного обжатия с учетом всех потерь
.
Определение положения нейтральной оси в элементе таврового сечения из условия:
![]()
![]()
.
Т.к. 3888720 Н < 1258000 Н, то нейтральная ось проходит в полке, Сечение проверяем как прямоугольное с шириной
.
![]()
![]()
![]()
прочность сечения в стадии эксплуатации обеспечена.
Проверка прочности расчетного сечения балки при действии нагрузок в стадии изготовления. Проверку прочности сечения балки в стадии изготовления выполняем в сечении с максимальным по абсолютной величине изгибающим моментом от собственного веса балки при ее подъеме из опалубки. Коэффициент динамичности по п.12.1.1.4 СНБ 5.03.01-02 при подъеме равен 1,4. При четырех монтажных петлях изгибающие моменты следует определять как для трехпролетной неразрезной балки. Изгибающий момент на средних опорах определяют по формуле:
![]()
Для принятого размещения монтажных петель максимальный изгибающий момент определен в сечении по первой от торца балки монтажной петле при
.
.
Вычисляем технологические потери предварительного напряжения в сечении балки на расстоянии от опоры 1,40 м (от торца балки
)
,
, ![]()
Потери, вызванные упругой деформацией бетона в момент передачи обжатия на бетон, определяем по геометрическим характеристикам рассматриваемого сечения
;
.
Усилие предварительного обжатия с учетом потерь, проявившихся к моменту передачи обжатия на бетон
.

Усилие предварительного обжатия с учетом технологических потерь:
![]()
Расчет прочности сечения в стадии изготовления с учетом изгибающего момента от собственного веса следует выполнять как внецентренно сжатого элемента. Усилие предварительного обжатия в соответствии с п.9.4.2 СНБ 5.03.01-02 составит:
,
где
- коэффициент безопасности для усилия предварительного обжатия, учитывающий его неблагоприятный эффект при проверке прочности в стадии обжатия.
Исходя из прочностной модели расчета сечения предполагаем, что снижение напряжений в предварительно напряженной арматуре
при достижении бетоном в сжатой части сечения расчетного сопротивления при сжатии
.
,
где
- коэффициент, учитывающий длительность действия нагрузки;
- принято при средней передаточной прочности бетона, равной
.
По конструктивным требованиям устанавливаем в верхней полке балки, растянутой при предварительном обжатии и действии изгибающего момента от собственного веса, продольную арматуру с учетом требований п.11.2.2, табл.11.1 СНБ 5.03.01-02.
![]()
где
- рабочая высота сечения;
- принятое расстояние от верхней грани бетонного сечения до центра тяжести продольной арматуры в верхней полке.
Принимаем 4Æ18 S400 с
.
Усилие предварительного обжатия в расчете прочности внецентренно сжатого сечения рассматриваем как внешнюю силу ![]()
![]()
В расчетном сечении действует внецентренно приложенное усилие
и изгибающий момент
. Определяем равнодействующую всех усилий, действующих в сечении и эксцентриситет ее приложения относительно центра тяжести бетонного сечения:
![]()
![]()
Определяем граничную относительную высоту сжатой части сечения:
;
.
Определяем высоту сжатой части сечения
![]()
Т.к.
, то нейтральная ось проходит в ребре.
При определении высоты сжатой зоны предварительно напряженная арматура, создающая усилие предварительного обжатия не учитывается.

.
Проверяем прочность из условия:
;
где
.

Прочность балки в стадии изготовления при ее подъеме из опалубки после передачи усилия обжатия на бетон в сечении по первой монтажной петле, расположенной на расстоянии 1,475 м от торца, обеспеченна.
Расчет прочности балки в стадии эксплуатациина действие поперечной силы.
Проверка размеров поперечного сечения балки.
В соответствии с конструктивными требованиями в балках высотой более 150 мм поперечная арматура устанавливается на приопорных участках длиной
с шагом не более
и 300 мм и в средней части элемента с шагом не более
и не более 500 мм. (п.11.2.21 СНБ 5.03.01-02)
Минимальная площадь сечения поперечной арматуры для бетона класса
S400 и S500 должна быть не менее 0,14% от площади бетонного сечения
(п.11.2.5 табл.11.2 СНБ 5.03.01-02)
где
- шаг стрежней поперечной арматуры;
- ширина стенки.
Сечение II- II
в месте резкого изменения толщины стенки на расстоянии от опоры 0,625 м.
;
; ![]()
По конструктивным соображениям на участке длиной 2,75 м в стенке устанавливаем с поперечной арматурой с шагом
. Минимальная площадь поперечной арматуры
.
Принимаем в каждой сетке поперечную арматуру Æ5 S500 с
.
Проверяем конструктивное минимальное армирование поперечной арматурой по условию ограничения раскрытия наклонных трещин по формуле:
,
где
- приведенные напряжения в поперечной арматуре;
- поперечная сила, воспринимаемая элементом без поперечного армирования.
Расчетное сечение находится на расстоянии 0,625 м, т.е. в зоне анкеровки предварительно напряженной арматуры.
в данном случае следует определять по формуле 7.76 п.4.2.1 3 СНБ 5.03.01-02:
,
где
- момент инерции, рассматриваемого поперечного сечения;
- статический момент части сечения, расположенной выше его центра тяжести относительно центра тяжести;
;
- средние сжимающие напряжения, вызванные действием усилия предварительного напряжения.
Определим полную расчетную длину анкеровки напрягаемой арматуры по формуле 11.6 СНБ 5.03.01-02:
![]()
где
- базовая длина зоны передачи напряжений;
при мгновенной передаче усилия обжатия обрезкой электросварной напрягаемой арматуры;
- для семипроволочных канатов;
- диаметр канатов;
-
напряжения в арматуре непосредственно после отпуска ее с упоров, т.е. с учетом технологических потерь без учета потерь преднапряжения от упругого обжатия бетона.
- напряжение сцепления по контакту арматуры с бетоном; где
- для семипроволочных канатов;
- коэффициент, учитывающий влияние положения стержня при бетонировании на величину сцепления арматуры с бетоном (рис.11.5 п.11.2.33 СНБ 5.03.01-02);
определяется для возраста бетона (t) при передаточной прочности равной
![]()
По таблице 6.1 при
по интерполяции находим
,
Тогда
.
Базовая длина зоны передачи напряжений равна:
![]()
- максимальные напряжения в растянутой арматуре при действии расчетных нагрузок.
Т. к. определение площади расчетной арматуры было выполнено по методу предельных усилий по прочностной модели, напряжения
равны:
![]()
- предварительные напряжения в арматуре с учетом всех потерь в расчетном по изгибающему моменту сечении.
![]()
![]()
где
- для семипроволочных канатов;
.
Вычисляем полную расчетную длину анкеровки при напряжении арматуры на упоры
.
Длина зоны передачи усилия предварительного напряжения на бетон при отпуске арматуры с упоров равна базовой длине передачи напряжений:
![]()
Сечение по грани вута находится в пределах зоны передачи напряжений на бетон при обжатии.
![]()
Определим средние сжимающие напряжения на уровне центра тяжести сечения балки от усилия предварительного обжатия
![]()
где
.
;

Определим расчетную поперечную силу, воспринимаемую элементом без поперечного армирования:
![]()
![]()
![]()
.
![]()
где
.
.
Все условия выполняются.
Проверим принятое конструктивное армирование по условию ограничения ширины раскрытия наклонных трещин.
Расчетная поперечная сила
.
![]()
где
-
коэффициент поперечного армирования.
![]()
Вывод: при расчете площади поперечной арматуры не менее принятой по конструктивным требованиям, условие ограничения ширины раскрытия трещин выполняется.
Проверка прочности сечения на расстоянии 0,7 м. от торца балки по гани вута на действие поперечной силы.
Расчет выполняем по расчетной модели наклонных сечений из условия 7.79 п.7.2.2.7 СНБ 5.03.01-02.
![]()
В расчетном сечении действует поперечная сила (при нагрузках с
) по грани вута
, поэтому по конструктивным соображениям принимаем поперечную арматуру на участке балки от торца и до сечения на расстоянии 2,85 м (на участке с переменной толщиной стенки) 2Æ5 S500 с шагом
(
;
). Поперечная сила, воспринимаемая сечением за счет работы сжатого бетона над наклонной трещиной определяется по формуле 7.81 СНБ 5.03.01-02
![]()
где
- согласно п.7.2.2.9 СНБ 5.03.01-02,
- для тяжелого бетона;
-
коэффициент, учитывающий влияние полок в сжатой части сечения на величину поперечной силы, воспринимаемой сечением. Должно выполняться условие
:
.
Тогда коэффициент, учитывающий влияние полок в сжатой зоне составит:
![]()
-
коэффициент, учитывающий влияние продольных сил.
-
величина усилия предварительного обжатия, определенная с учетом расположения расчетного сечения на длине зоны передачи напряжений.
![]()
Т. к. ![]()
принимаем
.
Длину проекции наиболее опасной наклонной трещины определяем по формуле 7.85 п.7.2.2.10 СНБ 5.03.01-02

где
-
погонное усилие, воспринимаемое хомутами на единицу длины.
.
Т. к.
принимаем
.
.
Поперечная сила, воспринимаемая поперечными стержнями определяется по формуле:
.
Тогда
.
Таким образом, прочность сечения балки при действии поперечной силы обеспеченна.
Проверка прочности балки по наклонной полосе между диагональными трещинами при действии главных сжимающих напряжений выполняется из условия 7.85 п.7.2.2.11 СНБ 5.03.01-02
![]()
где
;
![]()
- коэффициент учитывающий влияние хомутов;
;
.
![]()
![]()
Тогда
Прочность расчетного сечения при действии поперечной силы обеспеченна.
Проверка прочности сечения балки на расстоянии 2,75 м. от торца (при толщине стенки
=80 мм) на действие поперечной силы.
Поперечная сила в расчетном сечении
(при
).
Размеры расчетного сечения;
;
;
;
;
.
Определяем требуемую площадь и шаг поперечной арматуры по конструктивным требованиям.
На участке
.
Площадь поперечной арматуры из проволоки:
.
Принимаем по конструктивным требованиям одну сетку с поперечной арматурой Æ6 S400 с шагом 300 мм
.
Минимальная поперечная сила, воспринимаемая элементом без поперечного армирования при отсутствии нормальных трещин от действия изгибающего момента определяется о формуле 7.75а п.7.2.1 2
![]()
где
,
Где
при условии, что предварительно напряженная арматура заведена за расчетное сечение не менее чем на длину зоны анкеровки
.
![]()
![]()

Т. к. сила воспринимаемая элементом без вертикальной и наклонной арматуры больше действующей поперечной силы, то хомуты устанавливаем конструктивно. Окончательно принимаем поперечную арматуру Æ6 S400 с шагом
(
;
).
Длину проекции наиболее опасной наклонной трещины определяем по формуле 7.85 п.7.2.2.10 СНБ 5.03.01-02

где
-
погонное усилие, воспринимаемое хомутами на единицу длины.
.
Т. к.
принимаем
.
.
Поперечная сила, воспринимаемая поперечными стержнями определяется по формуле:
.
Тогда
.
Таким образом, прочность сечения балки при действии поперечной силы обеспеченна.
Проверка прочности балки по наклонной полосе между диагональными трещинами при действии главных сжимающих напряжений выполняется из условия 7.85 п.7.2.2.11 СНБ 5.03.01-02
![]()
где
![]()
- коэффициент учитывающий влияние хомутов;
![]()
![]()
![]()
![]()
Тогда
Прочность расчетного сечения при действии поперечной силы обеспеченна. В стенке балки в пределах средней половины пролета поперечную арматуру устанавливаем по конструктивным требованиям. В балке по толщине стенке установлена одна сетка. По конструктивным требованиям
. При шаге
площадь поперечной арматуры определим из условия:
.
Окончательно принимаем
с поперечной арматурой Æ6 S400, тогда
![]()
Проверка прочности балки в коньке на отрыв верхней полки от стенки.
Вертикальное усилие, отрывающее полку балки от стенки в коньке, определяют как сумму проекций на вертикальную ось усилий сжатия в верхней полке балки
![]()
Площадь вертикальной арматуры класса S400 (fyd = 365МПа)
Принимаем 4Æ22 S400
= 1520 мм2
Стержни должны быть расположены на участке балки длиной не более (1/3) h балки в коньке.
Расчет по образованию трещин, нормальных к продольной оси элемента.
Расчет по образованию трещин выполняется исходя из условно упругой модели сечения по упрощенной методике в соответствии с п.9.8.1.4 СНБ 5.03.01-02.
Расчетное сечение пролета на расстоянии
от опоры, т.е. в середине пролета.
Расчетный изгибающий момент
(при
).
Проверка по образованию трещин производится по условию:
![]()
где
;
по таблице 6.1 СНБ 5.03.01-02;
![]()
![]()
- максимальные напряжения в сжатом бетоне от усилия предварительного напряжения и внешней нагрузки.
![]()
Трещиностойкость нормального сечения обеспеченна.
Проверка по раскрытию наклонных трещин:
При расчете сечений II-II и IV-IV по прочности на поперечную силу выполненно условие минимальному поперечному армированию, необходимому для ограничения ширины раскрытия наклонных трещин
![]()
Поэтому допускается расчет ширины раскрытия наклонных трещин не выполнять.
Расчет прогибов балки:
Прогибы допускается определять по упрощенной методике по п.9.8.3.2 СНБ 5.03.01-02 по формуле

где
- для варианта распределенной нагрузки по длине балки;
прямолинейная преднапряженная арматура.
Все внешние усилия и характеристи сечения приняты для сечения
от опоры:
;
.
![]()
, где ![]()
При определении
для внешней нагрузки следует принимать возраст бетона в момент загружения
суток, а
. Определение
допускается по Рис.6.1 СНБ 5.03.01-02 или по приложению B.
По Рис.6.1 СНБ 5.03.01-02 для бетона
,
суток,
, тогда
.
Для усилия предварительного обжатия:
- принято по расчету потерь преднапряжения, тогда
.
Расчетная величина прогиба:

Выгиб балки от усилия предварительного напряжения непревышает приращение прогиба от эксплуатационной нагрузки.Т. е. в стадии эксплуатации балка будет иметь прогиб в середине пролета 3,874 мм не превышающий предельного прогиба.
Список использованной литературы
1. СНБ 5.03.01-02 “Бетонные и железобетонные конструкции. Нормы проектирования"
2. СниП 2.01.07-85 “Нагрузки и воздействия. Нормы проектирования”
3. С.Б. Щербак, Н.А. рак, В.И. Смех “Методические указания по расчету рам каркасов промышленных зданий на ЭВМ при выполнении курсового проекта по дисциплине “Железобетонные и каменные конструкции".
4. Байков В.Н., Сигалов Э.И. Железобетонные конструкции. Общий курс, 1971 г.
5. Голышев А.Б. и др. Пректирование железобетонных конструкций: справочное пособие.К., Будивэльник, 1990 г.
6. Н.Н. Попов, А.В. Забегаев “Проектирование и расчет железобетонных и каменных конструкций”
7. А.П. Кудзис “Железобетонные и каменные конструкции.”