| Скачать .docx |
Реферат: Дозиметрические приборы и их использование
МИНИСТЕРСТВО ОБРАЗОВАНИЯ И НАУКИ РОССИЙСКОЙ ФЕДЕРАЦИИ
ГОСУДАРСТВЕННОЕ ОБРАЗОВАТЕЛЬНОЕ УЧРЕЖДЕНИЕ
ВЫСШЕГО ПРОФЕССИОНАЛЬНОГО ОБРАЗОВАНИЯ
«ВОРОНЕЖСКИЙ ГОСУДАРСТВЕННЫЙ ТЕХНИЧЕСКИЙ УНИВЕРСИТЕТ»
(ГОУВПО «ВГТУ»)
Кафедра ГОТОиЧС
Реферат на тему:
«Дозиметрические приборы и их использование»
Выполнила студентка гр.ПТ-081
Щепилова В.А.
Проверил Аврамов З.А.
Воронеж
2010
Дозиметрические приборы предназначаются для: -контроля облучения - получения данных о поглощенных или экспозиционных дозах излучения людьми и сельскохозяйственными животными; -контроля радиоактивного заражения радиоактивными веществами людей, сельскохозяйственных животных, а также техники, транспорта, оборудования, средств индивидуальной защиты, одежды, продовольствия, воды, фуража и других объектов; -радиационной разведки - определения уровня радиации на местности. Приборы, предназначенные для измерения доз ионизирующих излучений или величин, связанных с дозами. Дозиметрические приборымогут служить для измерения доз одного вида излучения (g-дозиметры, нейтронные дозиметры и т. д.) или смешанного излучения. Дозиметрические приборы для измерения экспозиционных доз рентгеновского и g-излучений обычно градуируют в рентгенах и называются рентгенметрами. Дозиметрические приборы для измерения эквивалентной дозы, характеризующей степень радиационной опасности, иногда градуируют в бэрах и их часто называют бэрметрами. Радиометрами измеряют активности или концентрацию радиоактивных веществ .
Типичная блок-схема показана на рис. 1
.

В детекторе происходит поглощение энергии излучения, приводящее к возникновению радиационных эффектов, величина которых измеряется с помощью измерительных устройств. По отношению к измерительной аппаратуре детектор является датчиком сигналов. Показания Дозиметрические приборы регистрируются выходным устройством (стрелочные приборы, самописцы, электромеханические счётчики, звуковые или световые сигнализаторы и т. п.).
В зависимости от типа детектора различают: ионизационные дозиметры
, сцинтилляционные, люминесцентные, полупроводниковые, фотодозиметры
и т. д
Дозиметрические приборы классифицированы по назначению, типу детекторов, измерению вида излучений, характеру электрических выходных сигналов детектора, преобразуемых электронной схемой.
По назначению все приборы делятся на следующие группы.
Индикаторы
— простейшие приборы, применяемые для обнаружения ионизирующих бета- и гамма-излучений и ориентировочной оценки мощности дозы. Эти приборы имеют простейшие электрические схемы со световой и звуковой сигнализацией. При помощи индикаторов определяют возрастает или убывает мощность дозы. Детектором служит газоразрядный счетчик Гейгера.
Рентгеномеры
предназначены для измерений мощности дозы рентгеновского и гамма-излучений в диапазоне от сотых долей рентгена до нескольких рентген в час (Р/ч). В качестве детекторов в рентгенометрах применяются ионизационные камеры или газоразрядные счетчики.
Радиомеры
(измерители радиоактивности) применяются для обнаружения и определения степени радиоактивного заражения поверхностей, оборудования, объемов воздуха, главным образом альфа- и бета-частицами, а также для измерения малых уровней гамма-излучений. Детекторами в радиометрах служат газоразрядные и сцинтилляторные счетчики.
Дозиметры предназначены для определения суммарной дозы облучения гамма-излучениями, полученной персоналом рентгенологов и радиологов и др. Индивидуальные дозиметры представляют собой миниатюрные и малогабаритные ионизационные камеры или фотокассеты с пленкой.
Набор, состоящий из комплекта ионизационных камер и зарядно-измерительного устройства, представляет собой комплект индивидуального дозиметрического контроля. В качестве детекторов в комплекте применяются ионизационные камеры, торцовые счетчики и счетчики на фотосопротивлениях. Дозиметры применяются для измерения всех видов ионизирующих излучений, а также нейтронных потоков.
Все дозиметрические приборы по принципу действия разделены на дискретные
(импульсные) и непрерывные (
аналоговые). В первых — частицы или фотоны контролируемого излучения преобразуются детекторами в последовательные короткие импульсы электрических сигналов, т.е. электрическая схема выполняет функцию преобразования и усиления сигналов.
Во вторых — детектор преобразует действующее на него излучение в непрерывный постоянный ток и электрическая схема выполняет функцию усиления и преобразования постоянного тока.
Современные дозиметрические приборы работают на основе ионизационного метода и их основными узлами являются:
1) детекторы ионизирующих излучений как основные элементы датчиков информации (ионизационные камеры, газоразрядные счетчики или сцинтилляторы);
2) электронные схемы преобразования импульсов;
3) измерительные (показывающие, регистрирующие, цифропечатающие и др.) приборы, шкалы которых отградуированы непосредственно в единицах тех физических величин, для которых предназначен прибор.
Дозиметрические приборы по конструктивному оформлению разделены на четыре группы:
1) индивидуальные
(карманные), предназначенные для измерения дозы облучение, полученной за время их ношения;
2) носимые,
с автономным питанием, конструктивное оформление которых позволяет измерять дозу во время их ношения;
3) переносимые
, конструкция которых позволяет переносить их в выключенном состоянии, например, настольные приборы;
4) стационарные
, конструкция которых не предусматривает возможности их переноски. К стационарным относятся приборы на катках и роликах.
Приборы индивидуального контроля используются для измерения поглощенной дозы, полученной их владельцем. Для этой цели предназначены три типа приборов: карманные конденсаторные камеры; карманные электрокамеры; фотопленочные дозиметры.
Показания дозиметров (из комплекта индивидуальных) считываются со шкалы зарядно-измерительного устройства. Зарядка ионизационных камер производится на этом же устройстве.
В отличие от конденсаторных камер дозиметры с непосредственным отсчетом показывают величину полученной дозы в данный момент времени и особенно удобны при работах в условиях повышенной радиоактивности, например, при ремонтных и аварийных работах.
Фотопленочный дозиметр — наиболее надежный прибор для индивидуального контроля и особенно ценен тем, что дает итоговые данные поглощенной дозы, обеспечивая достоверные результаты за относительно длительное время. На его работу не влияют комнатная температура, влажность, солнечный свет, механические удары и другие факторы.
При применении дозиметрических приборов используются следующие, наиболее часто употребляемые термины.
Пределы (диапазоны) измерений
— минимальное и максимальное значения измеряемой величины, в пределах которых погрешность измерений не превышает основную.
Диапазон сигнализации или пороговая чувствительность
— минимальное или максимальное значение контролируемой величины, в пределах которой устанавливается порог включения сигнального устройства.
Основная погрешность измерения
— максимальная возможная разница между обсчитываемым и истинным значением измеряемой величины, отнесенная к номинальному значению рабочего диапазона прибора. В основную погрешность входят погрешности градуировки и индикатора, а также статистическая погрешность.
Дополнительная погрешность
— изменение показаний индикатора при воздействии дестабилизирующих факторов, отнесенное к показаниям при нормальных условиях.
По ГОСТ установлены следующие единицы измерений в области радиоактивности и ионизирующих излучений.
Активность-изотопа (радионуклида), в радиоактивном источнике, т.е. число актов распада данного изотопа, происходящих в единицу времени (распадов в секунду). Допускается применение внесистемной единицы Кюри; 1 Кюри = 3,7 • 1010расп/с.
Плотность потока ионизирующих частиц или квантов измеряется числом частиц или квантов в секунду на квадратный метр. Единица измерения: альфа-частица/(см2); гамма-квантам/(с-м2).
Интенсивность излучения, отнесенная к площади поперечного сечения сферы — энергия ионизирующего излучения, вступающего в эту сферу в единицу времени. Измеряется в ваттах на квадратный метр.
Поглощенная доза излучения
— количество энергии излучения, переданное среде и отнесенное к единице массы среды. Единица измерения — джоуль на килограмм и рад.
Мощность поглощенной дозы излучения измеряется в ваттах на килограмм и внесистемной единицей рад в секунду.
Мощность экспозиционной дозы рентгеновского и гамма-излучения измеряется в амперах на килограмм и внесистемной единицей рентген в секунду.
Комплект индивидуальных дозиметров КИД-2 предназначен для определения экспозиционной дозы рентгеновского и гамма-излучения, получаемой персоналом за время работы. Комплект прибора состоит из зарядно-измерительного пульта, дозиметров в количестве 20 и 50 штук, двух ионизационных цветовых конденсаторных камер, рассчитанных на дозу 0,05 и 1 рентген.
Принцип действия дозиметра основан на измерении остаточного заряда на конденсаторной камере. При облучении рентгеновским или гамма-излучением из стенок камеры выбиваются электроны, которые ионизируя воздух внутри камеры, изменяют заряд камеры пропорционально полученной дозе облучения. Остаточный заряд измеряется электрометрическим усилителем, представляющим собой катодный повторитель с микроамперметром в цепи катода, шкала которого проградуирована в рентгенах и имеет цветовые секторы, соответствующих цвету ионизационных камер (0,05 рентгена — зеленый, 1 рентген — красный). Блок питания состоит из сетевого трансформатора, выпрямителя, стабилизатора и преобразователя напряжения.
Потребляемая мощность при питании: от сети 3,5 Вт; от батарей и аккумуляторов 1,5 Вт.
Габариты: зарядно-измерительного пульта 228x161x130 мм; двойной камеры (дозиметра) диаметр 17 мм, длина 111 мм.
Вес зарядно-измерительного устройства 4 кг, дозиметра 60 г.
Миллирентгенометр ПМР-1М предназначен для измерения мощности экспозиционной дозы рентгеновского и гамма-излучений в лабораторных и производственных условиях.
Электрическая схема прибора состоит из датчика, выполненного в виде двух ионизационных камер (суммарный объем 300 см2), электрометрического усилителя, измерительного прибора и блока питания.
При действии гамма-излучения в объеме ионизационной камеры происходит ионизация воздуха и под действием напряжения, приложенного к электродам камеры, в цепи камеры возникает ток, который создает на входном сопротивлении падение напряжения, пропорциональное величине мощности дозы излучения. Величина напряжения на входном сопротивлении измеряется электрометрическим усилителем.
Питание прибора осуществляется от гальванических элементов, обеспечивая его работу в течение 60 часов.
Сцинтлляционный гамма-дозиметр СГД-1 предназначен для измерения мощности дозы рентгеновского и гамма-излучений в лабораторных и производственных условиях.
Электрическая схема дозиметра состоит из блока фотоумножителя (датчик), усилителя постоянного тока, измерительного прибора, схемы стабилизации напряжения и преобразователя напряжения с тремя выпрямителями.
Измерение мощности дозы рентгеновского и гамма-излучений основано на измерении средней интенсивности сцинтилляций воздухо-эквивалентного сцинтиллятора, которая пропорциональна измеряемой мощности дозы. Питание прибора осуществляется от сети и от гальванических элементов.
Переносной медицинский микрорентгенометр МРМ-2 предназначен для измерения мощности экспозиционной дозы рентгеновского и гамма-излучений в лабораторных условиях при проверке защитных устройств.
Детектором излучения в приборе служит ионизационная камера сферической формы объемом 300 см3. Камера выполнена из воздухоэквивалентного материала, что позволяет измерять мощность экспозиционных доз мягкого рентгеновского излучения от 25 до 100 кэв.
Для измерения мощностей экспозиционных доз жесткого рентгеновского излучения (от 100 кэв и выше), а также гамма-излучениия ионизационная камера закрывается алюминиевым колпаком, что необходимо для уменьшения зависимости показаний прибора при изменении энергии излучения.
При воздействии рентгеновского или гамма-излучения в объеме ионизационной камеры возникает ионизационный ток, пропорциональный мощности экспозиционной дозы. Ионизационный ток, протекающий по высокому сопротивлению, создает в нем падение напряжения, которое преобразуется динамическим конденсатором в переменное напряжение. Это напряжение увеличивается и после выпрямления измеряется стрелочным прибором. Показания прибора пропорциональны току ионизационной камеры и, следовательно, измеряемой мощности экспозиционной дозы рентгеновского или гамма-излучения.

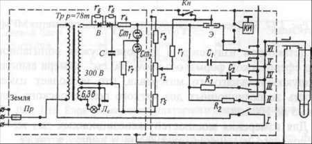
рис 2. Электрическая схема гамма-дозиметра ДИМ-60
Переносной гамма-дозиметр ДИМ-60 предназначен для измерения доз рентгеновского или гамма-излучений в медицинских рентгеновских и гамма-кабинетах, а также для проверки и градуировки дозиметрических приборов.
Принцип действия дозиметра основан на измерении ионизационных токов, образующихся в камерах наперсткового типа при действии излучения. Ионизационные токи измеряются специальным электроизмерительным устройством, состоящим из квадрантного электрометра, измерительных высокоомных сопротивлений и измерений.
При измерении мощности дозы излучения (ионизационного тока в камере) по высокоомному сопротивлению, включенному между парами квадрантов электрометра, протекает ток, создавая падение напряжения. Между квадрантами возникает разность потенциалов и пара квадрантов поворачивается. Угол поворота отмечается по отклонению светового показателя.
При измерении дозы излучения включается конденсатор. Заряд изолированной системы (конденсатор, квадранты, кабель и т.д.) при облучении камеры К постепенно изменяется, что ведет к изменению потенциала. Разность потенциалов между парами квадрантов постепенно изменяется и световой показатель перемещается по шкале, после прекращения облучения он останавливается на определенной отметке шкалы. Угол отклонения пары квадрантов пропорционален заряду, полученному системой за время облучения.
Напряжение на квадранты электрометра и внутренний электрод камеры подается от выпрямителя со стабилизаторами напряжения.
Переносной широкодиапазонный дозиметр нейтронов ДН-А-1 предназначен для определения дозы нейтронного излучения. Регистрация нейтронов осуществляется при помощи комбинированного сцинтиляционного дозиметрического детектора и фотоумножителя.
Детектор быстрых нейтронов представляет собой твердую взвесь зерен люминофора (сернистый цинк) в водородсодержа-щем веществе (органическое стекло). Регистрация происходит по протонам отдачи, возникающим в водородсодержащей среде детектора и попадающим в люминофор.
Детектор тепловых нейтронов представляет собой сплав сернистого цинка с борным ангидридом. Тепловые нейтроны регистрируются по продуктам реакций в боре, которые вызывают вспышки в люминофоре.
Чувствительность детектора к нейтронам промежуточных энергий определяется габаритами световода-замедлителя и эффективностью помещенного в его центре детектора тепловых нейтронов. Промежуточные нейтроны регистрируются в световоде-замедлителе до тепловых энергий.
Нейтроны, попадая в детектор, вызывают вспышки, которые через световоды воздействуют на фотокатод электронного умножителя, где преобразуются в импульсы тока. Эммитерный повторитель согласует высокоомный выход ФЭУ и гамма-фона. Нормализатор преобразует импульсы дискриминатора в стандартные по амплитуде импульсы напряжения, поступающие на измеритель средней скорости счета. На выходе измерителя скорости счета выделяется напряжение, пропорциональное среднему числу зарегистрированных импульсов в единицу времени. Индикация полученного напряжения осуществляется при помощи микроамперметра.
Источник световых вспышек, работающий от импульсов напряжения преобразователя, служит для проверки работоспособности дозиметра. Контрольные сигналы в 6—10 раз превосходят уровни сигналов от детектора, что позволяет производить проверку в мощных полях нейтронов и гамма-квантов.
Питание всей схемы дозиметра производится от общего блока питания. Высокое напряжение для питания фотоумножителя получается от внутреннего преобразователя с умножением напряжения.
Диапазон измерений мощностей доз нейтронного излучения от 0,3 до 3 ООО мбэр/ч разбит на четыре поддиапазона:
I... 0,3—3; II... 3—30; III... 30—300; IV... 300—3 000.
Сигнально-измерителъный двухканальный дозиметр УСИТ-2 предназначен для дистанционного измерения мощности дозы гамма-излучения и сигнализации о превышении установленного уровня мощности дозы в местах расположения детекторов (Рис. 3.20). Дозиметр обеспечивает измерение интенсивности гамма-излучения в большом диапазоне, для перекрытия которого используются два вида детекторов (датчиков).
Датчик УСИТ-1-2А со счетчиком типа СТС-8 реагирует на гамма-излучение в диапазоне 0,01—3 мкр/сек, а датчик УСИТ-1-2Б со счетчиком типа СИ-13Г — в диапазоне 0,3—1 000 мкр/сек.
Импульсы напряжения, возникающие в счетчике под действием гамма-квантов, через согласующие трансформаторы по кабелю длиной до 200 м поступают на вход нормализаторов соответствующих каналов. Усиленные и сформированные импульсы поступающие на интегрирующие схемы, создают напряжения, величина которых пропорциональна скорости поступления импульсов.
При увеличении мощности дозы гамма-излучения увеличивается число импульсов, генерируемых счетчиками, и соответственно возрастают напряжения на интегрирующих схемах. Это напряжение контролируется пороговыми схемами соответствующих каналов.
В случае превышения установленной мощности дозы гамма-излучения пороговая схема включает внутреннюю и внешнюю сигнализацию (или исполнительный механизм).
Измерение величины мощности дозы гамма-излучения в месте расположения датчиков производится путем подключения канала измерения к одному из датчиков, по показанию стрелочного прибора, шкала которого проградуирована в импульсах и секунду. Предусмотрена возможность подключения самопишущего потенциометра ПС 1 —01. Для подключения внешней сигнализации и исполнительных механизмов имеется по дне группы
замыкающих контактов на канал.
Кроме того, с помощью дозиметрических приборов может быть определена наведенная радиоактивность облученных нейтронными потоками различных технических средствах, предметах и грунте. Для радиационной разведки и дозиметрического контроля на объекте используют дозиметры и измерители мощности экспозиционной дозы.
Комплекты индивидуальных дозиметров ДП-22В и ДП-24, имеющих дозиметры карманные прямо показывающие ДКП-50А, предназначенные для контроля, экспозиционных доз гамма-облучения, получаемых людьми при работе на зараженной радиоактивными веществами местности или при работе с открытыми и закрытыми источниками ионизирующих излучений.
Комплект дозиметров ДП-22В) состоит из зарядного устройства типа ЗД-5 и 50 индивидуальных дозиметров карманных прямо показывающих 2 типа ДКП-50А. В отличие от ДП-22В комплект дозиметров ДП-24) имеет пять дозиметров ДКП-50А. Зарядное устройство предназначено для зарядки дозиметров ДКП-50А. В корпусе ЗД-5 размещены: преобразователь напряжения, выпрямитель высокого напряжения, потенциометр-регулятор напряжения, лампочка для подсвета зарядного гнезда, микровыключатель и элементы питания.
На верхней панели устройства находятся: ручка потенциометра , зарядное гнездо с колпачком и крышка отсека питания . Питание осуществляется от двух сухих элементов типа 1,6-ПМЦ-У-8, обеспечивающих непрерывную работу прибора не менее 30ч при токе потребления 200мА. Напряжение на выходе зарядного устройства плавно регулируется в пределах от 180 до 250В.
Дозиметр контрольный прямопоказывающий ДКП-50А предназначен для измерения экспозиционных доз гамма-излучения. Конструктивно он выполнен в форме авторучки.
В случае ионизационных камер состав газа и вещества стенок выбирают таким, чтобы при тождественных условиях облучения обеспечивалось одинаковое поглощение энергии (в расчёте на единицу массы) в камере и биологической ткани. В Дозиметрические приборыдля измерения экспозиционных доз камеры наполняют воздухом. Пример ионизационного дозиметра — микрорентгенметр МРМ-2. Прибор снабжён сферической ионизационной камерой и обеспечивает диапазон измерения от 0,01 до 30 мкр/сек
для излучений с энергиями фотонов от 25 кэв
до 3 Мэв
. Отсчёт показаний производится по стрелочному прибору.
Прибор СД-1-М служит для предупреждения о превышении заданной величины мощности дозы g-излучения. Детектором служит Гейгера — Мюллера счётчик, помещённый в цилиндрический чехол. Прибор снабжён звуковой и световой сигнализацией, которая срабатывает при превышении заданной величины мощности дозы. Порог срабатывания регулируется в пределах от 2 до 10 мр/сек
. Внешняя сигнализация может быть удалена на расстояние до 250 м
от датчика; она автоматически отключается при уменьшении уровня излучения ниже порога срабатывания.
Прибор СУ-1 предназначен для автоматического контроля загрязнённости a- и b-активными веществами поверхностей тела и одежды человека. Он имеет несколько газоразрядных счётчиков, расположенных так, что счётчики регистрируют излучение со всей поверхности тела человека. На специальном световом табло, изображающем силуэт человека, загораются световые сигналы, показывающие места превышения допустимых норм загрязнения.
Индивидуальные дозиметры ДК-0,2 в виде цилиндров размером с обычный карандаш приспособлены для ношения в кармане (
рис. 3).

( рис. 3)
В цилиндре размещены миниатюрная ионизационная камера и однонитный электрометр. Отклонение нити электрометра и отсчёт дозы производятся визуально с помощью оптического устройства со шкалой, проградуированной в мр
. Ионизационная камера играет роль конденсатора, который разряжается в результате ионизации воздуха (между электродами) под действием ионизирующего излучения. Степень разрядки конденсатора фиксируется по отклонению нити электрометра и однозначно определяет дозу излучения (дозиметр предварительно заряжается с помощью специального зарядного устройства).
В сцинтилляционных приборах световые вспышки, возникающие в сцинтилляторе под действием излучения, преобразуются с помощью фотоэлектронного умножителя в электрические сигналы, которые затем регистрируются измерительным устройством.
В люминесцентных приборах используется тот факт, что люминофоры способны накапливать поглощённую энергию излучения, а затем освобождать её путём люминесценции под действием дополнительного возбуждения, которое осуществляется либо нагревом люминофора, либо его облучением. Интенсивность световой вспышки люминесценции, измеряемая с помощью специальных устройств, пропорциональна дозе излучения. В зависимости от механизма люминесценции и способа дополнительного возбуждения различают термолюминесцентные и радиофотолюминесцентные дозиметры. Особенностью люминесцентных дозиметров является способность сохранять информацию о дозе; в нужный момент информация может быть получена путём дополнительного возбуждения. Дальнейшим развитием люминесцентных дозиметров явились Дозиметрические приборы, основанные на термоэкзоэлектронной эмиссии. При нагреве некоторых люминофоров, предварительно облучённых ионизирующим излучением, с их поверхности вылетают электроны (экзоэлектроны). Их число пропорционально дозе излучения в веществе люминофора. Экзоэлектроны обладают очень малыми энергиями (до 10 эв
) и их регистрация затруднительна. В одном из экспериментальных вариантов такого дозиметра люминофор помещается внутрь газоразрядного счётчика, что позволяет зарегистрировать экзоэлектроны.
К числу устройств, накапливающих информацию о дозе излучения, относятся дозиметрические приборы, в которых детектором служат специальные сорта фоточувствительных плёнок. Оптическая плотность почернения (после химической обработки) является мерой дозы излучения.
Для обнаружения радиоактивных излучений (нейтронов, гамма-лучей, бета- и альфа-частиц) используют их способность облучать вещество среды, в которой они распространяются. В следствии облучения какого либо материала происходит изменение физических и химических параметров в материале. К таким изменениям среды относятся: изменения электропроводности веществ (газов, жидкостей, твердых материалов); люминесценция (свечение) некоторых веществ; засвечивание фотопленок; изменение цвета, окраски, прозрачности, сопротивления электрическому току некоторых химических растворов и др. Именно по этим изменениям можно обнаружить источники радиоактивного излучения, также по ним можно определить какое это излучение и дать какую-то его оценку. Основными методами для обнаружения и измерения ионизирующих излучений являются: сцинтилляционный, фотографический, химический, ионизационный.
Сцинтилляционный метод. Данный метод стали применять раньше других. Он сыграл большую роль в развитии ядерной физики. В физике сцинтилляцией называют вспышку света, возникающую при попадании заряженной частицы в среду, обладающую способностью люминесцировать. В некоторых люминофорах, например в сернистом цинке, сцинтилляция (световая вспышка), вызванная заряженными частицами, является достаточно яркой и может наблюдаться невооруженным глазом.
Первый прибор, основанный на использовании сцинтилляции, - спинтарископ был изобретен Круксом в 1903 году. Он представлял собой маленькую цилиндрическую камеру, дно которой было покрыто люминофором. Внутрь камеры помещали иглу, на острие которой находилось небольшое количество радиоактивного вещества. Вылетевшие из него заряженные частицы попадали на люминофор и вызывали сцинтилляции, которые наблюдали визуально и подсчитывали с помощью лупы, находившейся в верхней части камеры. В настоящее время спинтарископ не применяют, но метод сцинтилляций не утратил своего значения, а получил современное техническое выражение и широко используется в науке и технике.
Исходя из всего ранее сказанного, можно сделать вывод о том, что дозиметрические приборы полезны в наше время
. Они делают работу намного проще и безопаснее, помогают определить ту или иную степень радиационной опасности, обнаружения и определения степени радиоактивного заражения поверхностей, оборудования, объемов воздуха, особенно удобны при работах в условиях повышенной радиоактивности, при ремонтных и аварийных работах. Их отрицательная сторона заключается в высокой себестоимости.
Литература.: Иванов В. И., Курс дозиметрии, 2 изд., М., 1970.