| Скачать .docx |
Реферат: Меры защиты от прямого и косвенного прикосновений
Федеральное агентство по образованию
Государственное образовательное учреждение
Высшего профессионального образования
Камышинский технологический институт (филиал)
Волгоградского государственного технологического университета
Факультет: Промышленные технологии
Семестровое задание
По дисциплине:
«Безопасность жизнедеятельности»
На тему:
Меры защиты от прямого и косвенного прикосновений.
Выполнил:
Студент группы КЭЛ-051(с)
Ермаков М.М.
Проверил:
Хавроничев С. В.
Камышин 2007г.
Содержание.
Введение. Воздействие электрического тока на организм человека……..…...2
1. Условия поражения электрическим током………………………………...…3
2. Технические способы и средства электробезопасности………………….....8
3. Оптимизация защиты в распределительных сетях………………...…….…19
Заключение………………………………………………………………...….….22
Список использованной литературы……………………………………....…..23
Введение. Воздействие электрического тока на организм человека.
Электротравматизм на производстве и в быту представляет серьезную опасность для здоровья людей. По статистике в России на долю электрических травм приходится более 3% общего числа производственных травм, при этом 12-13% из них являются смертельными. Бытовые электротравмы составляют примерно 40% всех несчастных случаев, которые привели к смерти пострадавших. Основными причинами поражения людей электрическим током являются:
· Прикосновение к неизолированным токоведущим частям электропотребителей или распределительных устройств при эксплуатации или тех. обслуживании под напряжением (случайное прикосновение из-за невнимательности, усталости, нарушении правил техники безопасности; использование для работы инструмента с токопроводящими рукоятками и др.)
· Ошибочная подача напряжения на оборудование или электроприборы при тех. обслуживании и ремонте по халатности, невнимательности, технической неграмотности или из-за отсутствия на включающем устройстве предупреждающих знаков и плакатов безопасности;
· Прикосновение к находящимся под напряжением электрическим проводам с нарушенной изоляцией;
· Прикосновение к металлическим частям оборудования, электроприемников, а также сооружений, случайно оказавшимся под напряжением в результате пробоя изоляции или соприкосновения с проводами линии электропередачи, оголенными жилами сети (кабеля) электропитания;
· Воздействие шагового напряжения при передвижении человека в непосредственной близости от упавшего на землю и находящегося под напряжением провода линии электропередачи или контактного провода электротранспорта.
Электротравма – результат воздействия на человека электрического тока и электрической дуги. Электрический ток, проходя через тело человека, производит термическое, биохимическое и биологическое воздействие, а электрическая дуга – термическое, световое и ультрафиолетовое воздействие.
1. Условия поражения электрическим током.
Поражение электрическим током происходит в результате прямого или косвенного прикосновения, а также недопустимого приближения человека к металлическим частям, находящимся или оказавшимся под напряжением.
Прямым называется прикосновение к неизолированным токоведущим частям, нормально находящимся под напряжением (оголенные провода, шины, клеммы, контакты и т.д.). Прикосновения к нетоковедущим, но токопроводящим (металлическим) частям оборудования, инструмента или инженерных сооружений, оказавшихся под напряжением, относятся к косвенным. Прямые прикосновения случаются, как правило, по вине человека – самого пострадавшего либо должностного лица, не обеспечившего безопасность. Косвенные прикосновения происходят из-за пробоя изоляции по тем или иным причинам, не связанным с действиями пострадавшего, и могут рассматриваться как отказ техники. Условия поражения электрическим током при прямом или косвенном прикосновениях определяются видом и параметрами электрической сети, типом прикосновения, применяемыми способом и средствами защиты, классом опасности помещения (условий работ) и степенью изоляции человека от земли (под землей понимается точка почвы с нулевым потенциалом).
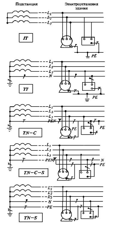
В настоящее время нашли применение следующие виды (по ГОСТ Р 50571 – 94) электрических сетей напряжением до 1 кВ для питания электропотребителей на предприятиях, в административных и жилых зданиях.
IT – сеть с изолированной нейтралью (используется только на отдельных видах предприятий, таких как шахты, рудники, торфоразработки);
TT, TN – C, TN – C, TN – S – сеть с глухозаземленной нейтралью.
Прямые прикосновения к токоведущим частям могут быть однополюсными и двухполюсными. При однополюсном прикосновении человека, стоящий на земле, касается рукой или головой неизолированных токоведущих частей. Ток протекает по пути «рука – нога» или «голова – нога». При двухполюсном прикосновении человек, изолированный от земли, двумя ногами или головой и одной рукой касается неизолированных проводов разных фаз или фазного и нулевого провода. Изоляция человека от земли может обеспечиваться сопротивлением пола и обуви. В этом случае ток проходит по пути «рука – рука» или «голова – рука».
|


|
|

|

|

Наиболее опасными являются двухполюсные прикосновения во всех видах сетей, так как в этом случае человек попадает под линейное напряжение.
Однополюсные прикосновения во всех сетях с глухозаземленной нейтралью также опасны. В сетях с изолированной нейтралью вследствие очень большого сопротивления между фазами величина тока, проходящего через человека, при однополюсном прикосновении будет малой, равной величине тока утечки, и поражения не произойдет. В этом отношении сети ТT более безопасны, чем сети TT и TN. Косвенные прикосновения являются однополюсными. По опасности поражения они соответствуют прямым однополюсным прикосновениям. Величина тока, протекающего через человека при косвенном прикосновении, зависит от напряжения прикосновения. Для человека, стоящего на земле и касающегося заземленного оборудования, корпус которого оказался под напряжением прикосновения будет являться разность потенциалов руки и ноги.
Поражение человека электрическим током может произойти также вследствие его попадания под шаговое напряжение. В этом случае ток протекает в теле человека по пути «нога - нога». Напряжением шага называется разность потенциалов между двумя точками земли, на которые одновременно опирается человек при перемещении в поле растекания тока в земле.
При пробое изоляции на корпус установки, присоединенной к заземлителю, обрыве и падении находящегося под напряжением фазного провода на землю потенциалы земной поверхности или токопроводящего пола приобретают повышенные значения. Наибольший потенциал, равный потенциалу заземлителя или фазы, имеет точка земли, расположенная непосредственно над заземлителем или в месте касания упавшего провода с землей. По мере удаления от этой точки в любую сторону потенциалы точек земной поверхности снижается по закону, близкому к гиперболическому. На расстоянии 20м от заземлителя зона растекания тока заканчивается – потенциалы земли имеют нулевое значение.
2. Технические способы и средства электробезопасности.
В соответствии с государственными стандартами по электробезопасности и Правилами устройства электроустановок (ПУЭ) номенклатура видов защиты от поражения электрическим током включает в себя следующие способы и средства.
При прямых прикосновениях необходимо:
- применение защитных оболочек и ограждений;
- расположение токоведущих неизолированных частей вне зоны досягаемости;
- применение изоляции (рабочей, дополнительной, усиленной) токоведущих частей;
- использование малого напряжения;
- защитное отключение;
- блокировка опасных зон (пространств);
- применение предупредительной сигнализации, знаков безопасности;
- использование во время работ на сетях или электрооборудовании под напряжением средств индивидуальной защиты;
- контроль изоляции.
При косвенных прикосновениях необходимо:
- зануление с использованием защитных проводников;
- заземление;
- уравнивание потенциалов;
- защитное отключение;
- применение двойной изоляции;
- использование малого напряжения;
- контроль изоляции;
- электрическое разделение сети.
Технические способы и средства защиты применяются раздельно или в комплексе, так чтобы получилась оптимальная защита.
Для предотвращения случайного соприкосновения человека с неизолированными токоведущими частями или приближения к ним на опасное расстояние они должны располагаться в недоступном месте (в нише, внутренних полостях строительных конструкций и т.п.) или на недосягаемой высоте (выше уровня рабочей зоны). В том случае, если это не удается сделать, токоведущие части закрываются ограждениями или заключаются в оболочки. Ограждения выполняются различными по виду, конструктивному исполнению и способу установки. Они обычно закрывают токоведущие части не со всех сторон, поэтому обеспечивают только частичную защиту от прикосновения. Оболочки представляют собой замкнутые пространства и обеспечивают различную степень защиты, вплоть до полной защиты, от прикосновения с токоведущими частями, попадания внутрь твердых токопроводящих предметов и воды. При использовании этих способов и средств должны быть обеспечены установленные нормативные изоляционные расстояния от токоведущих частей до ограждений, оболочек, а также до находящегося вблизи человека с учетом его рабочих поз, возможных движений, применяемого инструмента и приспособлений.
Различают изоляцию рабочего места и изоляцию в электроустановках. Изоляция рабочего места как способ защиты используется при невозможности выполнения заземления, зануления и защитного отключения. На рабочем месте изолируется от земли пол, настил, площадка и т.п., а также все металлические детали, потенциал которых отличается от потенциала токоведущих частей и прикосновение, к которым является предусмотренным или возможным. Предусмотренное рабочее место изолируется таким образом, чтобы работник ни при каких условиях не смог одновременно прикоснутся к обслуживаемому электрооборудованию и каким-либо заземленным элементам здания или другого оборудования.
В электроустановках применяются следующие виды изоляции:
- рабочая изоляция - электрическая изоляция токоведущих частей (проводов, шин и т.п.), обеспечивающая предотвращение коротких замыканий в электроустановке и защиту человека от поражения электрическим током;
- дополнительная изоляция – электрическая изоляция нетоковедущих в нормальном состоянии частей электроустановки, предусмотренная дополнительно к рабочей изоляции токоведущих частей, для защиты человека в случае повреждения (пробоя) рабочей изоляции;
- двойная изоляция – электрическая изоляция, состоящая из рабочей и дополнительной изоляции;
- усиленная изоляция – улучшенная рабочая изоляция с такой же степенью защиты от поражения электрическим током, как и у двойной изоляции.
В настоящее время промышленность выпускает электропотребители различных классов защиты от поражения электрическим током.
Для электроустановок, имеющих только рабочую изоляцию, установлен 0 – й класс. В производственных условиях эти установки должны в обязательном порядке иметь зануление или заземление, а также другие виды защиты. Бытовые электроприборы этого класса не имеют дополнительные электрические защиты, поэтому их использование допускается только в помещениях без повышенной опасности.
Электроустановкам, имеющим двойную изоляцию, присвоен II – класс. Все электроинструменты с движущимся рабочим органом, ручные светильники, а также большинство электроприемников имеют II- й класс защиты от поражения электрическим током. Корпусные части таких инструментов защищают от поражения электрическим током не только при пробое изоляции внутри корпуса, но и при случайном прикосновении рабочего органа к токоведущим частям обрабатываемого изделия. Они без дополнительных средств защиты могут применяться в помещениях любых категорий опасности. Электроустановки, имеющие двойную изоляцию и металлический корпус, запрещается занулять или заземлять. На паспортной табличке таких изделий помещается специальный знак - квадрат внутри квадрата.
Усиленная изоляция используется только в случаях, когда двойную изоляцию затруднительно применять по конструктивным причинам, например в выключателях, щеткодержателях и др.
Малое напряжение – напряжение не более 42В переменного и не более 100В постоянного тока, применяемое для уменьшения опасности поражения электрическим током. Малое напряжение используется для питания ручного электрифицированного инструмента, переносных светильников для помещений с повышенной и особой опасностью, местного освещения на станках, светильников общего освещения при высоте их подвеса менее 2,5м. Изделиям, рассчитанным на малое напряжение, присвоен III – й класс защиты от поражения электрическим током.
Источниками малого напряжения являются гальванические элементы, аккумуляторы, понижающие трансформаторы, выпрямители и преобразователи. Корпуса электроприемников малого напряжения не требуется занулять или заземлять, кроме электросварочных устройств и установок, работающих во взрывоопасных помещениях, а также при работах в особо опасных условиях.
Защитное отключение – это быстродействующее автоматическое отключение всех фаз участка сети, обеспечивающее безопасное для человека сочетания тока и времени его прохождения при замыкании на корпус (или человека), а также снижения уровня изоляции ниже определенного предела. Функция устройств защитного отключения (УЗО), которые имеют быстродействие от 0,03 до 0,2с, заключается в ограничении не величины тока, проходящего через тело человека, а времени его протекания.
Основаны УЗО на различных принципах действия. Наиболее совершенным являются УЗО, реагирующие на ток утечки. Такие устройства защищают человека от поражения электрическим током не только в случае прикосновения к металлическим корпусам, оказавшимся под напряжением из-за повреждения изоляции, но и при прямом прикосновении к токоведущим частям. Кроме того, УЗО защищают электроустановки от возгораний, первопричиной которых являются точки утечки, вызванные ухудшением изоляции.
Устанавливаться УЗО могут на вводе в здание, на групповых линиях или на линии питания отдельной электроустановки.
Блокировка опасных зон исключает доступ к токоведущим частям, пока с них не снято напряжение, либо обеспечивает автоматическое снятие напряжения при появлении возможности прикосновения или опасного приближения к токоведущим частям. Часто блокировки применяют совместно со звуковыми или световыми сигнальными устройствами. Блокировочные устройства основаны на различных принципах действия и разнообразны по конструктивному принципу действия и разнообразны по конструктивному устройству. Наиболее распространенны механические, электрические и фотоэлектрические блокировки.
Сигнализация и знаки безопасности применяются в дополнение к другим средствам защиты. Чаще всего они используются для предупреждения о наличии напряжения на электроустановке или недопустимом приближении к токоведущим частям, находящимся под напряжением.
Средства индивидуальной электрозащиты (СИЭЗ) предназначены для защиты человека, который ими пользуется, от поражения электрическим током, воздействия электрической дуги и электромагнитного поля. Они подразделяются на основные и дополнительные.
К основным относятся средства защиты, изоляция которых длительно выдерживает рабочее напряжение электроустановки и которые позволяют прикасаться к токоведущим частям, находящимся под напряжением. В группу основных СИЭЗ входят: в электроустановках напряжением выше 1000В – диэлектрические перчатки толщиной 0,7мм, инструмент с изолирующими рукоятками и указатели напряжения; в электроустановках напряжением выше 1000В – изолирующие штанги, изолирующие и электроизмерительные клещи, резиновые перчатки толщиной 1,2мм.
|

К дополнительным относятся средства защиты, которые сами по себе не могут при данном напряжении обеспечить защиту от поражения, а применяются совместно с основными средствами. В группу дополнительных СИЭЗ входят: в электроустановках напряжением до 1000В диэлектрические сапоги, галоши, коврики и изолирующие подставки; в электроустановках напряжением выше 1000В – диэлектрические болты, коврики и изолирующие подставки.
Поддержание сопротивления изоляции токоведущих частей на высоком уровне уменьшает вероятность короткого замыкания, замыкания на землю или на корпус электропотребителя, поражения человека электрическим током.
Контроль изоляции должен осуществляться при приемо-сдаточных испытаниях новых или отремонтированных электроустановок и в процессе их эксплуатации. В сетях с глухозаземленной нейтралью контроль изоляции должен проводится периодически: в помещениях без повышенной опасности – не реже одного раза в год, в повышениях с повышенной опасности и особо опасных – не реже одного раза в 6 мес.
Согласно ПУЭ сопротивление изоляции в установках напряжением до 1000В должно быть не менее 0,5Мом на фазу. Контроль изоляции проводится на специальных стендах или с помощью переносных приборов – мегаомметров. При контроле изоляции сеть или электроустановка должны быть обесточены. Измерения сопротивления изоляции проводятся между фазами и каждой фазы относительно земли. В настоящее время разработаны приборы и методы непрерывного контроля изоляции электрических сетей без снятия напряжения, которые являются более удобными и повышают уровень безопасности.
Зануление–это преднамеренное соединение с нулевым защитным проводником металлических нетоковедущих частей, которые могут оказаться под напряжением. Зануление применяется в электроустановках, питающихся от сетей напряжением до 1кВ с глухозаземленной нейтралью видов TN – C, TN – C – S, TN – S.
При пробое изоляции одна из фаз попадает на корпус установки, который через защитный проводник PE соединен с нулевым рабочим проводником N или с совмещенным рабочим и защитным проводником PEN. Возникает однофазное короткое замыкание, под действием тока которого срабатывает защита электроустановки, и поврежденная часть установки отключается от питающей сети. Чем быстрее произойдет отключении, тем эффективнее защитное отключение, тем эффективнее защитное действие зануления, так как пока корпус находится под напряжением, опасность поражения током сохраняется. С целью обеспечение требуемой безопасности для каждого уровня фазного напряжения сети нормированы наибольшие значения времени отключения и полного сопротивления цепи «фаза - нуль».
При случайном обрыве проводника PEN в наружной питающей линии или во внутренней разводке на участке ввода до электроустановки будет иметь место вынос потенциала фазы на все зануленные металлические корпуса электроприемников, подключенных после точки обрыва по ходу энергии. Цепь выноса потенциала: фаза – рабочая обмотка электроустановки – нулевой рабочий проводник - точка соединения нулевого рабочего и защитного проводников – нулевой защитный проводник – корпус. Наиболее вероятен такой обрыв в системе TN – C.
|

Для устранения этой опасности в сетях с глухозаземленной нейтралью выполняется многократное повторное заземление нулевого провода, а также применяются разновидности систем TN – C, TN – C – S и TN – S, отличающиеся между собой уровнем безопасности.
В системе TN – C – S однофазные линии внутренней проводки выполняются на двух, а трехпроовдными с выводом на розеточный разъем защитного проводника PE, заземленного в распределительном электрощите. В этой системе питания обрыв нулевого провода N не влияет на безопасность, а вынос потенциала возможен лишь при условии одновременного обрыва проводника PEN в питающей линии и повторного заземления проводника PE, что маловероятно.
В системе TN – S проводник PEN отсутствует, а значит, вынос потенциала фазы на корпус при обрыве нулевого или защитного проводников исключен. Эта система обладает наибольшей надежностью и безопасностью, но требует значительных дополнительных затрат, связанных с прокладкой дополнительного проводника от потребителя до подстанции. В связи с этим она не нашла широкого применения.
Заземление – преднамеренное соединение металлических частей электроустановок, нормально находящихся под напряжением с землей. Принцип действия защитного заземления заключается в том, что человек, который прикоснулся к корпусу оборудования, оказавшегося под напряжением, включается в цепь замыкания тока на землю параллельно с заземлителем. Так как сопротивление заземлителя значительно меньше сопротивления тела человека, большая часть тока пройдет через заземлитель и лишь незначительная – через тело человека. Областью применения защитного заземления в электроустановках до 1кВ являются системы электроснабжения видов IT и TT.
Защитное заземление электроустановок осуществляется их присоединением к естественным и искусственным заземлителям. В качестве естественных заземлителей используются любые электропроводящие элементы конструкции зданий и сооружений. К искусственным заземлителям относятся электроды, специально забиваемые в грунт.
Уровень защиты системы заземления в основном зависит от двух факторов – величины сопротивления заземления и надежности контакта в цепи «оборудование - заземлитель».
В качестве защитного устройства в системе ТТ следует рассматривать любое защитное устройство, отключающее питание от поврежденной электроустановки, однако высокий уровень электробезопасности в этой системе может обеспечить защитное заземление только в совокупности с УЗО, реагирующим на дифференциальный ток утечки.
Сущность способа уравнивания потенциалов как защитной меры от поражения током при косвенном прикосновении заключается в создании на определенной площади, на которой установлено электрооборудование и находятся люди, поля одинаковых потенциалов, равному потенциалу заземлителей, к которым присоединены корпуса этого оборудования.
В соответствии с законом распределения напряжения прикосновения ток, протекающий через тело человека, касающегося заземленного корпуса оборудования с поврежденной изоляцией, будет уменьшаться по мере приближения точки опоры человека к заземлителю. С этой точки зрения заземлитель следует располагать как можно ближе к оборудованию. Для устранения этого противоречия по всей площади пола помещения необходимо иметь равные потенциалы точек поверхности, близкие по величине потенциалу заземлителя. Это достигается устройством системы заземления в виде одного заземлителя, а в виде замкнутого контура, состоящего из совокупности вертикальных и горизонтальных металлических электродов, соединенных между собой и рассредоточенных по всей площади пола помещения или рабочей зоны.
|

Электрическое разделение сети как самостоятельный способ защиты или в дополнение к другим представляет собой разделение сети на связанные между собой участки, для которых используются специальные разделяющие трансформаторы или преобразователи. Разделяющие трансформаторы должны удовлетворять повышенным требованиям надежности в отношении исключения пробоя изоляции между первичной и вторичной обмотками.
Для обеспечения электробезопасности на предприятии должны выполняться следующие требования:
- должна иметься служба эксплуатации электроустановок и ответственное лицо за их безопасную эксплуатацию;
- техническое обслуживание и ремонт электроустановок должен проводиться специально обученным персоналом, имеющим соответствующую квалификацию и допуск на проведение работ;
- производство работ по обслуживанию и ремонту электрооборудования должно проводится в соответствиями с правилами безопасности работ на электроустановках;
- электротехнический персонал должен бить оснащен необходимыми средствами коллективной и индивидуальной защиты;
- плавкие вставки и предохранители в силовых цепях должны заменяться только на вставки калиброванные заводского изготовления;
- заземление и зануление должны быть исправны, проводники и шины заземления доступны для осмотра и окрашены в черный цвет;
- неисправности электроаппаратуры и проводов, которые могут вызвать искрение, нагревание элементов, короткое замыкание, а также провисание проводов, соприкосновение их с технологическим оборудованием и металлическими конструкциями зданий, должны немедленно устраняться;
- техническая документация по электробезопасности (журналы инструктажей, проверки знаний персоналом правил и норм безопасности, учета средств защиты, учета дефектов и аварий в электроустановках и т.п., инструкции по охране труда и др.) должна иметься в наличии и заполняться в соответствии с установленными требованиями.
3. Оптимизация защиты в распределительных сетях.
Последующее рассмотрение предполагает нормальные условия окружающей среды применительно к жилым общественным и производственным зданиям. Оптимальная защита достигается применением необходимых и достаточных мер защиты с учетом особенностей электроустановки.
Система распределения энергии
Оптимальная система защиты достигается для сетей с номинальным напряжением 230/400В при использовании зануления (система TN). Это объясняется следующими обстоятельствами.
![]()
Повреждение
Повреждение изоляции |
| Токоведущие части доступны прикосновению |
| Видимое повреждение |
![]()
Следующая защита
| Защита при повреждении | |
Повреждение
Повреждение (отказ)
|
Небрежный ремонт или
|
Следующая защита
ДОПОЛНИТЕЛЬНАЯ ЗАЩИТА УЗО – Д с током установки не более 30мА |
Рис.9 Меры защиты от поражения электрическим током
|
|


|
|


1. Потенциал доступных прикосновению проводящих частей (ОПЧ и СПЧ) при повреждении изоляции значительно ниже напряжения сети по отношению к земле вследствие относительно низкого сопротивления цепи обратного тока, роль которой выполняет PE- или PEN - проводник, в качестве которого используются жилы иметаллические оболочки кабелей, а также СПЧ.
2. Вероятность отключения при повреждении изоляции устройствами защиты от сверхтока достаточно высока.
3. Система применима к сетям с высокими номинальными токами.
4 Система TN обеспечивает удобство питания электроустановок при одновременном обеспечении экономичности.
5. Система TN снижает воздействие перенапряжений, вызываемых переходом напряжениям высокой стороны на низкую, а также до минимума последствия коммутационных и атмосферных перенапряжений.
Если эта система защиты укомплектовывается дополнительной защитой в виде УЗО – Д, оптимальный уровень безопасности обеспечивается.
Такая система обеспечивает защиту от поражения электрическим током, перенапряжений и возгораний, вызываемых повреждением изоляции, при минимальной вероятности нежелательных отключений.
Уставки УЗО - Д по дифференциальному (разностному) току выбираются на основе предельно допустимых физиологических воздействий и с учётом ожидаемых в защищаемой цепи токов утечки в нормальных режимах.
Устройства с более высоким значением тока уставки могут быть использованы там, где фазное напряжение выше, и где влияние дополнительных сопротивлений, включённых в цепь последовательно сопротивлением тела человека, как правило, невелико. В большинстве случаев повреждения изоляции дифференциальный ток обеспечивает срабатывание устройств защитного отключения с током уставки не более 30мА.
Анализ зарегистрированных случаев серьёзного поражения электрическим током в сетях с фазным напряжением 230В показал, что ток через тело человека был порядка 100 мА и более.
Необходимо учитывать, что УЗО - Д независимо от величины уставки не ограничивают значение дифференциального тока, пока их контакты замкнуты. Значение дифференциального тока ограничивается только сопротивлением петли замыкания, основную часть которого составляет сопротивление тела человека.
Основная защита выполнена в форме изоляции подсоединенного электрооборудования. Изоляция предотвращает прямое прикосновение (прямой контакт) к опасным токоведущим частям.
Защита при повреждении изоляции обеспечивается в виде системы TN с устройством защиты от сверхтока.
Дополнительная защита выполняется в виде устройств защитного отключения.
Заключение.
В данной работе были рассмотрены основные меры защиты от прямого и косвенного прикосновения к токоведущим частям. Подробным образом приведены и рассмотрены вопросы связанные с опасностью которую несут в себе поврежденная изоляция электроприборов либо другие неполадки, причины их возникновения. Дана подробная характеристика прямому и косвенному прикосновению из которых вытекает опасность и угроза жизни человеку.
Список использованной литературы.
1. Карякин Р.Н. Нормативные основы устройства электроустановок. – М.: 1998.
2. Сапронов Ю.Г. Безопасность жизнедеятельности. – М.: «Академия», 2006.