| Скачать .docx |
Реферат: Явления при стекании тока в землю через одиночный и групповой заземлитель
КОНТРОЛЬНАЯ РАБОТА
по основам безопасности жизнедеятельности
на тему:
ЯВЛЕНИЯ ПРИ СТЕКАНИИ ТОКА В ЗЕМЛЮ ЧЕРЕЗ ОДИНОЧНЫЙ И ГРУППОВОЙ ЗАЗЕМЛИТЕЛЬ
I. Расчет одиночного вертикального заземлителя
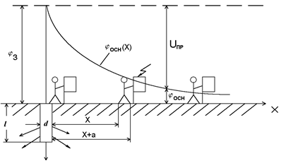
Задание: определить UПР , UШ и ток через тело человека для одиночного вертикального заземлителя радиусом r = 0,05 м и длиной l = 5 м, на расстоянии x = 2; 10; 20 м - для UПР , и на расстоянии x = 0,8; 10; 20 м - для UШ . Ток стекания в землю IЗ = 30 А, удельное сопротивление земли rЗ = 120 Ом×м, сопротивление тела человека Rh = 1 кОм.
Уравнение потенциальной кривой
.
Выполнение работы

1. Определим напряжение прикосновения при разных значениях x и ток через тело человека.
UПР = jЗ - jОСН ,
где jЗ – потенциал заземлителя; jОСН = jX – потенциал основания.
= 686,92 В.
а) x = 2 м
jX = 188, 85 В;UПР = 686,92 - 188,85 = 498,07 В;Ih = UПР /Rh = 0,498 А.
б) x = 10 м
jX = 55,17 В;UПР = 686,92 - 55,17 = 631,75 В;Ih = UПР /Rh = 0,632 А.
в) x = 20 м
jX = 28,37 В;UПР = 686,92 - 28,37 = 658,55 В;Ih = UПР /Rh = 0,659 А.
2. Определяем напряжение шага по формуле:
,
где jX – потенциал в точке x, jX + a – потенциал в точке X+a; а = 0,8 м – расстояние шага.
а) x = 0,8 мUШ = 290,30 – 212,93 = 77,37 В;
б) x = 10 мUШ = 55,17 – 51,34 = 3,83 В;
в) x = 20 мUШ = 28,37 – 27,30 = 1,07 В.
II . Расчет защитного заземления
Задание: рассчитать групповой заземлитель для помещения длиной 60 м и шириной 30 м, в котором используется электрооборудование на напряжение 380 В, суммарной мощностью питающих трансформаторов РS = 400 кВА. Удельное сопротивление грунта для вертикального электрода rВ = 120 Ом×м и горизонтального электрода rГ = 180 Ом×м. Тип заземляющего устройства контурный. Ток срабатывания релейной защиты IСР = 90 А.
Выполнение работы
1. Определяем расчетный ток замыкания на землю IЗ . Принимаем в качестве IЗ ток срабатывания релейной защиты от межфазного замыкания IСР
IЗ = 1,5×IСР = 135 А.
2. Определяем требуемое сопротивление заземляющего устройства. Т.к. в нашем случае
U < 1000 В и РS > 100 кВА, то получаем RЗ = 4 Ом.
3. Вычерчиваем предварительную схему размещения электродов в этом устройстве.

Тип заземляющего устройства контурный. Вертикальные электроды имеет форму стержня круглого сечения и расположены у поверхности земли. Длина вертикальных электродов lВ = 6 м, диаметр d = 0,1 м. Горизонтальные - в виде протяженной на поверхности земли полосы шириной b = 0,04 м и длиной lГ = 6 м. Количество вертикальных электродов равно nB = 30.
4. Определяем сопротивления вертикального и горизонтального электродов.
Ом
Ом,
где d = 0,5b = 0,02 м.
5. Находим для данного случая коэффициенты использования hВ = 0,44 и hГ = 0,24. Рассчитаем групповое сопротивление заземлителя
Ом.
Сравним полученное расчетное сопротивление с требуемым. Должно выполняться следующее условие:
![]()
![]()
Следовательно, выбранная нами конструкция защитного заземления рассчитана верно.