| Похожие рефераты | Скачать .docx |
Реферат: Вооружение танков и БМП
МИНИСТЕРСТВО ОБЩЕГО И ПРОФЕССИОНАЛЬНОГО ОБРАЗОВАНИЯ
ХАБАРОВСКИЙ ГОСУДАРСТВЕННЫЙ ПЕДАГОГИЧЕСКИЙ УНИВЕРСИТЕТ
Курсовая работа по огневой подготовке
Вооружение танков и БМП
Выполнил: студент 32 взвода
Лещук О. В.
Руководитель:
подполковник Заможный С.В.
ХАБАРОВСК 2001
План:
Введение.
1. ОСНОВЫ УСТРОЙСТВА ТАНКОВЫХ ПУШЕК И ОРУДИЙ БМП
2. УСТРОЙСТВО И ДЕЙСТВИЕ БОЕПРИПАСОВ, ПРИМЕНЯЕМЫХ К ТАНКОВЫМ ПУШКАМ И ОРУДИЯМ БМП
3. ОБРАЩЕНИЕ С БОЕПРИПАСАМИ
Заключение
Литература.
ВВЕДЕНИЕ
Вооружение танков предназначено для уничтожения на поле боя самых разнообразных целей, в том числе танков и противотанковых средств противника. Поскольку все время возрастает защищенность танков и противотанковых средств, а также их боевые возможности, непрерывно возрастает и огневая мощь вооружения танков для обеспечения поражения таких целей.
Под огневой мощью танка (БМП) понимается способность его вооружения в единицу времени наносить определенное поражение противнику. Огневая мощь определяется качеством и количеством вооружения. Опыт показывает, что решение всех огневых задач каким-либо одним оружием невозможно или нецелесообразно. Поэтому танки оснащаются пушками, являющимися основным оружием и выполняющими задачи борьбы с важными и опасными целями, и пулеметами, выполняющими задачи борьбы с второстепенными целями. Кроме того, танки могут оснащаться и другими средствами борьбы, например для самообороны.
Огневая мощь танка зависит от таких важных боевых показателей, как могущество действия боеприпасов по целям, вероятность попадания в цель, скорострельность, маневренность огня, величина боекомплекта.
Вооружение танка —взаимосвязанная совокупность (комплекс) оружия и боеприпасов к нему, механизмов и приборов, установленных на танке и предназначенных для поражения экипажем танка целей на поле боя, главным образом огнем прямой наводкой. В качестве основного оружия на танках может устанавливаться кроме пушечного ракетное или ракетно-пушечное (комбинированное) оружие.
Вооружение БМП— комплекс оружия и боеприпасов к нему, механизмов и приборов, установленных на БМП и предназначенных для поражения экипажем БМП и десантом целей на поле боя огнем прямой наводкой.
Танковая пушка и орудие БМП предназначены:
— для борьбы с бронированными целями противника;
— для подавления и уничтожения противотанковой артиллерии, вооружения и техники противника;
— для уничтожения и подавления живой силы противника и его огневых средств;
— для разрушения сооружений
1. ОСНОВЫ УСТРОЙСТВА ТАНКОВЫХ ПУШЕК И ОРУДИЙ БМП
Основные части орудия: ствол, затвор, спусковой механизм, противооткатного устройства, люлька с цапфами, ограждение, подъемный механизм.
Ствол
Ствол предназначен для направления полета снаряда, сообщения снаряду под действием пороховых газов начальной скорости, а в нарезных орудиях, кроме того, придания снаряду вращательного движения, обеспечивающего устойчивость его в полете.
![]() |
Ствол (рис. 1) состоит из трубы 4, кожуха 3, казенника 8, муфты 7, механизма продувки 6 и дульного тормоза 5.
Труба и кожух соединяются с казенником муфтой, ввинченной в казенник. В некоторых пушках муфта отсутствует, и резьба делается на трубе или на кожухе. От проворота в казеннике труба удерживается шпонкой, а муфта от самоотвинчивания закрепляется стопором.
На задней плоскости казенника имеется кронштейн для крепления пушки по-походному.
Казенник 8 снабжен вырезами для удобства заряжания пушки и для крепления деталей противооткатных устройств, а также для размещения и крепления деталей затвора. На казеннике устанавливается направляющий стержень, который взаимодействует с направляющими люльки и предотвращает проворот ствола при выстреле. Казенная часть трубы имеет цилиндрический участок, которым она скользит по вкладышам люльки.
![]() |
Канал ствола делится на зарядную камору и нарезную или гладкую цилиндрическую часть. Зарядная камора (рис. 2), предназначенная для размещения боевого заряда и запоясковой части снаряда, имеет форму конуса, благодаря чему облегчается заряжание и выбрасывание стреляной гильзы после выстрела.
Нарезная часть канала ствола имеет винтовые нарезы постоянной крутизны, идущие слева вверх направо. Длина хода нарезов наших танковых пушек находится в пределах 25—30 калибров, что обеспечивает вращение снарядов с частотой порядка 300—450 оборотов в секунду. На придание снаряду вращательного движения уходит примерно 1% полезной работы пороховых газов
Одним из главных способов придания снаряду большей начальной скорости является увеличение давления в канале ствола. Однако величина максимального давления ограничивается упругими свойствами и прочностью металла ствола. При давлениях больше 3000•105 Н/м2 , стали существующих категорий прочности не обеспечивают нормальную работу стволов, и труба не может быть изготовлена в виде моноблока. Поэтому прибегают к скреплению ствола. На трубу в области наибольших давлений надевается кожух (рис. 3). Внутренний диаметр кожуха dвн.к. меньше, чем наружный диаметр трубы dнар.т . Натяг q = dнар.т. — dвн.к. . выбирается в пределах 0,1—0,3 мм с тем расчетом, чтобы можно было кожух надеть на трубу при нагреве его до температуры примерно 400°С, при которой еще не наступают структурные изменения в металле. После охлаждения в трубе возникают напряжения

сжатия, а в кожухе — напряжения растяжения. В стенках скрепленного ствола напряжения от выстрела складываются с предварительно созданными, при этом результирующие напряжения во внутренних слоях уменьшаются, но увеличиваются в наружных.
В результате скрепления внутренние и наружные слои металла ствола принимают более равномерное участие в сопротивлении давлению пороховых газов. Максимальные напряжения уменьшаются, что позволяет увеличить давление в стволе.
В ряде случаев производят самоскрепление стволов (автофретаж). При самоскреплении труба-моноблок подвергается большому гидравлическому давлению—до 10000-105 Н/м2 . При этом давлении слои металла получают некоторые остаточные деформации, в результате чего в стенке трубы создаются предварительные напряжения. Перераспределение напряжений аналогично тому, что создается и в скрепленном стволе.
Пороховые газы содержат до 35% по объему окиси углерода, которая, попадая в боевое отделение при выбрасывании гильзы из ствола, отравляюще действует на экипаж.
Механизм продувки (рис. 4) эжекционного типа позволяет уменьшить загазованность боевого отделения в несколько раз. Он устанавливается ближе к дульной части ствола и состоит из кожуха 4, удерживаемого на трубе с помощью гайки 2, навинчиваемой на резьбовой конец задней горловины кожуха. Проворачивание кожуха предотвращается шпонкой 1. В трубе просверлено под углом 60—80° к оси канала ствола отверстие а, закрываемое шариком 3. Ближе к дульному срезу в шахматном порядке под углом 25—30° просверливается 6—8 отверстий, в которые ввинчены сопла 5.
![]() |
В некоторых механизмах шариковый клапан отсутствует, и заполнение кожуха газами происходит только через сопла. Время на заполнение кожуха мало, поэтому давление в кожухе доходит до (З0—50) 105 Н/м2 .
После вылета снаряда из канала ствола давление в нем резко падает, однако заполнение кожуха газами продолжается, пока давление в стволе не сравняется с давлением в кожухе. Шарик садится в свое гнездо, и газы со скоростью до 500 м/с начинают истекать из кожуха через сопла, время истечения газов 1—1,5 с. Образуется струя истекающих (до 100 м/с) из ствола газов, в результате чего в стволе создается разрежение, при котором давление на 3—5% ниже атмосферного. Однако продувка наступает после открывания затвора и выброса стреляной гильзы. К этому времени давление в кожухе снижается до (8—1О)*105 Па. При продувке часть воздуха боевого отделения, смешанного с газами, поступает в канал ствола и выбрасывается наружу.
Механизм в значительной степени способствует устранению обратного пламени, если оно возникает при выстреле. Утеря шарика, разгар сопел или большой нагар резко снижают эффективность механизма.
Дульный тормоз предназначается для уменьшения энергии движения откатных частей, а, следовательно, и силы отдачи, действующей на танк при выстреле. Он изменяет направление вытекающих из канала ствола пороховых газов. Истечение газов через боковые окна приводит к уменьшению газов, движущихся в осевом направлении. Это уменьшает реактивную силу в направлении отката. Действуя на стенки тормоза, пороховые газы также уменьшают скорость отката.
Дульный тормоз ухудшает наблюдение из танка вследствие рассеивания газов в стороны и повышенного воздействия ударной волны на грунт. Кроме того, он затрудняет уравновешивание качающейся части орудия. Вследствие этих недостатков на современных танковых пушках дульные тормоза практически не применяются.
На ствол может надеваться термозащитный кожух, создающий изолированный от атмосферы слой воздуха вокруг трубы. В результате этого предотвращается одностороннее охлаждение или нагрев металла трубы из-за воздействия дождя, снега, ветра или солнечных лучей. Установка кожуха приводит к резкому уменьшению их влияния на изгиб ствола при выстреле, чем достигается повышение точности стрельбы.
Затвор
Затвор предназначен для прочного запирания канала ствола при выстреле, для производства выстрела и выбрасывания стреляной гильзы (поддона).

Затворы танковых пушек и орудий БМП—клиновые с полуавтоматикой механического типа. Клин может перемещаться вертикально или горизонтально. Затворы с вертикально установленным клином обычно применяются в орудиях малого калибра, с горизонтально перемещающимся клином — в орудиях среднего и большого калибра (от 100 мм и выше).
Во время стрельбы открывание затвора, выброс стреляной гильзы и закрывание затвора происходят автоматически. Затвор вручную открывается только перед стрельбой. В соответствии с назначением клиновой затвор содержит следующие механизмы: запирающий, стреляющий, механизм повторного взведения, выбрасывающий, механизм ручного сброса выбрасывателей, открывающий, закрывающий и предохранительные устройства. Открывающий и закрывающий механизмы вместе называются полуавтоматикой, причем полуавтоматика может быть объединенного типа, когда действие этих механизмов осуществляется на общих деталях.
Основная часть деталей клинового затвора размещается в казеннике, небольшая их часть связана с люлькой.
Запирающий механизм (рис. 5) предназначен для прочного запирания канала ствола при выстреле.
Клин затвора образует дно канала ствола пушки, воспринимая осевое давление пороховых газов. Передняя поверхность клина называется зеркалом, а задняя—опорной поверхностью. Нижняя и верхняя поверхности называются направляющими плоскостями. Опорная поверхность выполнена наклонной. Благодаря наклону клина и задней поверхности клинового паза казенника осуществляется поджатие дна гильзы при закрывании затвора. При открывании затвора клин несколько отходит назад, исключая трение зеркала клина о дно гильзы.
Запирающий механизм 73-мм орудия в целом такого же принципа действия, как и описанного выше. Он проще, так как в нем отсутствуют промежуточные детали: кривошип и ось кривошипа. Ручка (рычаг) для открывания затвора вручную своей пластиной, жестко связанной с осью рычага, непосредственно воздействует на ромбовидный прилив клина.
Стреляющий механизм предназначен для производства выстрела совместно со спусковым механизмом. Стреляющие механизмы к затворам современных орудий по принципу действия можно разделить на три типа: ударного, электроударного (двойного) и электрического действия. Каждому типу механизма отвечает капсюльная втулка того же названия.
Стреляющий механизм ударного действия (рис. 6, а) (ударный механизм) обеспечивает производство выстрела ударом бойка. Для обеспечения электрического действия в стреляющем механизме (рис. 6, б) боек 5 изготовлен отдельно от ударника 4 и изолирован. Напряжение от бортсети танка подается через замкнутую кнопку стрельбы по системе контактов к проводу 7. Далее через нажим 10 и пластинчатую пружину 8 ток поступает на боек 5, а через него—на капсюльную втулку.
Чтобы не было поломки бойка 5 при открывании затвора, специальный поводок на кривошипе отходит от рычага 11 и поджим, состоящий из пробки с пружиной и находящийся в гнезде клина, втягивает боек внутрь клина. При полностью закрытом затворе поводок давит на рычаг11 и, преодолевая сопротивление пружины поджима, поворачивает нажим 10. Через пластинчатую пружину 8 боек 5 поджимается к капсюльной втулке.
![]() |
Ударное действие в стреляющем механизме двойного действия обеспечивается почти так же, как и в простом ударном механизме. От спускового механизма перемещается стопор 1 взвода, который освобождает взвод 2, сидящий на оси 3. Ударник 4 ударяет по гайке бойка, который передает удар капсюльной втулке.
Взведение ударника при стрельбе производится автоматически с помощью зуба кривошипа, а в начале его поворота. При этом клин еще остается на месте, а боек уходит за зеркало клина, чем предотвращается его поломка.
В 73-мм орудии электрическое действие обеспечивается системой контактов аналогично электрическому действию электроударного механизма.
Механизм повторного взведения позволяет взвести ударный механизм без открывания затвора. Используется при осечке и при проверках.
Выбрасывающий механизм служит для выбрасывания (экстракции) стреляной гильзы или поддона после выстрела, а также для удержания клина затвора в открытом положении. Механизм состоит из двух свободно сидящих на оси выбрасывателей. Длинные плечи выбрасывателей с помощью поджимов (пружина и стаканчик) отжимаются всегда в сторону клина. К деталям механизма относятся также кулачки 22, прикрепленные к клину. При открывании затвора клин ударяет своими кулачками по выступам выбрасывателей, которые, поворачиваясь, своими захватами воздействуют на фланец гильзы, обеспечивая выброс ее из зарядной каморы.
Механизм ручного сброса выбрасывателей позволяет закрыть затвор вручную. На 73-мм орудии этот механизм работает от рычага для открывания затвора вручную при его подъеме.
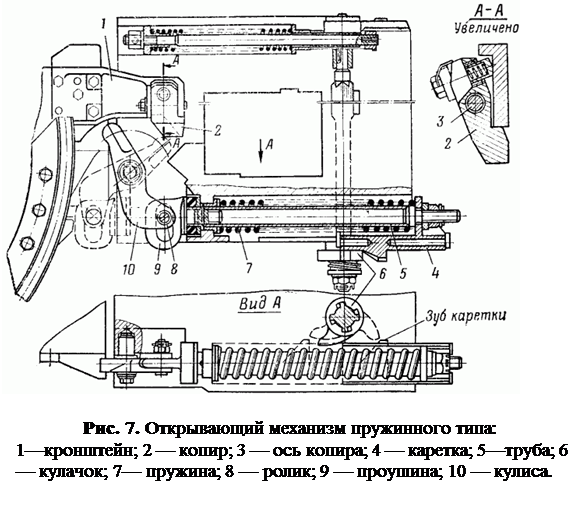
Открывающий механизм предназначен для автоматического открывания затвора после выстрела. Скалка 5 установлена в отверстиях линейки 6. Эти детали перемещаются вместе с казенником. На оси люльки сидит собачка 3 с роликом 2 и поджимом 1 (на рис. 7 положение собачки показано при накате).
При работе открывающего механизма используется энергия откатных частей. В исходном положении собачка 3 находится сверху линейки. При откате, когда упор 4 скалки 5 уйдет на достаточное расстояние, собачка 3 под действием поджима 1 опускается. При накате упор 4 скалки 5 утыкается в собачку, и скалка останавливается, а казенник продолжает движение. Задний конец скалки 5 воздействует на кулачок 10, расположенный на оси кривошипа, обеспечивая поворот кривошипа, взведение стреляющего механизма, перемещение клина и выбрасывание стреляной гильзы. Когда затвор открылся полностью, линейка 6 отжимает через ролик 2 собачку 3. Пружина 8 возвращает скалку 5 в исходное положение.
Работа открывающего механизма скалочного типа зависит от скорости наката. При неэнергичном накате скорость выброса гильзы может быть недостаточной для ее улавливания специальным механизмом. В этом случае на некоторых пушках вместо собачки ставят ускоритель.

назад, своим зубом ударяет по кулачку 6. Происходит поворот оси кривошипа и открывание затвора.
Закрывающий механизм предназначен для закрывания затвора после того, как выбрасыватели освободят клин.
Когда затвор открыт, пружина 20 (см. рис. 7) механизма находится в сжатом состоянии. При освобождении клина под действием пружины 20 поворачиваются ось 11 и кривошип 14, благодаря чему достигается перемещение клина. Пружина в исходном положении имеет предварительное поджатие для обеспечения надежного закрывания затвора. Это поджатие можно регулировать с помощью гайки, навинченной на передний конец штока.
В некоторых механизмах вместо стакана используется сверление в казеннике, а соединение штока с рычагом осуществляется с помощью зубчатого зацепления (см. рис. 7).

Полуавтоматика
(рис. 8) затвора 73-мм орудия
состоит из открывающего механизма копирного типа и закрывающего механизма. Открывающий механизм состоит из двух прикрепленных к люльке (лафету) 1 копиров 4.
Каждый копир имеет У- образный паз б. Оба паза взаимодействуют с ромбовидными приливами а клина 8. Кроме того, левый копир имеет сверху продольный паз г для взаимодействия с остановом 9, который представляет собой рычаг на оси с пружиной; укрепленный на левой плоскости клина 8.При откате приливы а идут по верхним наклонным ветвям пазов б. Перед входом в продольные ветви пазов останов 9 заскакивает в свой паз г. В отличие от общепринятых конструкций клиновых затворов уже при откате затвор приоткрывается. При накате вследствие того, что клин из-за останова не может перемещаться вверх, приливы а идут по нижним наклонным ветвям пазов б. Происходит выбрасывание стреляной гильзы, и клин 8 фиксируется зацепами выбрасывателей (отражателей) 12 в нижнем положении. Несмотря на открывание затвора при откате, выбрасывание гильзы происходит в конце наката, как и во всех клиновых затворах, чтобы уменьшить вероятность появления обратного пламени. Выброшенная гильза отражается от отсекателя 5 и падает между копирами в гильзозвеньесборник.
![]() |
При открывании затвора сжимаются пружины 11 закрывающего механизма, надетые на телескопические направляющие стержни. Когда клин оказывается свободным, при заряжании или подъеме рычага 6, пружины 11 обеспечивают закрывание затвора.
Предохранительные устройства обеспечивают безопасную работу экипажа при стрельбе. Они бывают обычно двух видов:
предохранитель от самоспуска и предохранитель от выстрела при не вполне закрытом затворе.
Предохранитель 1 (рис. 9) от самоспуска имеет вид двуплечего рычага, посаженного на нижний конец стопора 2 взвода на оси 7. Верхний конец его поджимается к стопору 2 с помощью поджима (колпачка 5 и пружины 3).
Если при движении танка сила инерции действует вверх, то при отсутствии предохранителя может переместиться стопор взвода и произойти самопроизвольный выстрел. При наличии предохранителя его верхний конец будет упираться в перемычку клина 4— выстрела не будет. При производстве спуска толкатель 6 сперва поверяет предохранитель, верхний конец отойдет от перемычки клина и стопор свободно переместится вверх.
Предохранитель 2 (рис. 10) от выстрела при не вполне закрытом затворе выполнен также в виде двуплечего рычага. Его ось вставлена в отверстие клина сверху. Если затвор не полностью закрыт, то под действием поджима (колпачка 6 и пружины 5)
![]() |
конец предохранителя входит в вырез стопора 1 взвода. Если затвор полностью закрыт, то поводок 3 кривошипа 4 давит на один конец предохранителя 2 и выводит другой его конец из соединения со стопором 1 взвода. Для наглядности кривошип 4 с поводком 3 на рисунке приподнят.
В 73-мм орудии предохранение от выстрела при не вполне закрытом затворе обеспечивается размыканием контактов на клине и казеннике.
Спусковой механизм
Спусковой механизм предназначен для производства спуска ударника. Спусковые механизмы бывают механические и электромагнитные. Кроме того, может применяться электрозапальное устройство, обеспечивающее замыкание электрической цепи капсюльной втулки. В зависимости от типа механизма время запаздывания выстрела будет различным. Оно измеряется от момента принятия наводчиком решения на производство выстрела до момента вылета снаряда из канала ствола орудия.
Время для механического спускового механизма большое и составляет примерно 0,18 с, для электромагнитного—0,16 с, а для электрозапального устройства—0,07 с. Механический спуск на современных танках применяется в качестве аварийного, а основным является электрозапал. Электромагнитный спуск в некоторых механизмах является дублером электрозапала.
Электрические цепи стрельбы 73-мм орудия обеспечивают подачу напряжения к гальванозапалу электрической капсюльной втулки.
В случае неисправности цепей стрельбы можно пользоваться аварийным электроспуском—дублером. Дублер представляет собой импульсный генератор, состоящий из катушки, заключенный в постоянный магнит. При нажатии рычага дублера внутри катушки перемещается сердечник, при этом растягивается его пружина. Когда сердечник отсоединяется от рычага, пружина резко перемещает его в исходное положение. При пересечении витков катушки магнитными силовыми линиями в ней наводится ЭДС, достаточная для приведения в действие электрокапсюльной втулки. Чтобы цепь катушки дублера была обесточена в нормальных условиях стрельбы, последовательно с ней установлен диод.
Противооткатные устройства (ПОУ)
Противооткатные устройства (ПОУ) предназначены для уменьшения силы, действующей на танк (БМП) при выстреле. Установка противооткатных устройств обеспечивает упругую связь ствола, с башней, что позволяет уменьшить действующую на машину силу в 8—15 раз при увеличении примерно во столько же раз времени ее действия.
При выстреле со стороны противооткатных устройств на откатные части действует сила сопротивления откату , обеспечивающая их торможение. Сила R направлена в сторону, противоположную перемещению откатных частей при откате. Реакция (равная и противоположно направленная) силы будет действовать через люльку и цапфы на башню машины.
Противооткатные устройства обычно стремятся сделать такими чтобы сила на всей длине отката (300—500 мм) была постоянной. На практике полностью это осуществить не представляется возможным.
Действие ПОУ рассчитывается на строго определенную длину, дальнейшее увеличение которой может привести к выводу их из строя.
Противооткатные устройства состоят из двух частей: тормоза отката (и наката) и накатника. Они могут выполняться в виде одного, двух и более цилиндров. Цилиндры ПОУ могут быть укреплены в казеннике или на люльке, соответственно штоки будут соединены с люлькой или казенником. Цилиндры могут размещаться сверху, снизу, по бокам люльки, вокруг ствола — принцип действия ПОУ от этого не изменится, будут только отличия в компоновке. Следует, однако, отметить, что конструкция ПОУ, когда сила совпадает с осью канала ствола, может привести к повышению кучности боя.
![]() |
Схема противооткатных устройств дана на рис. 12. Тормоз отката, предназначенный для торможения откатных частей при откате и накате, выполнен в виде цилиндра, прикрепленного к люльке. Шток одним концом соединен с казенником, вторым— с поршнем. В поршне просверлены отверстия. Цилиндр заполнен тормозной жидкостью. Накатник служит для возврата откатных частей в исходное (до выстрела) положение и удержания их при любом угле возвышения орудия. Цилиндр накачника также связан с люлькой. На находящийся внутри цилиндра шток с поршнем надета пружина, которая имеет предварительное поджатие. При выстреле ствол вместе со штоками ПОУ перемещается назад. Вследствие перемещения поршня тормоза отката вместе со стволом жидкость под давлением (до 300 • 105 —500-105 Па и более), создающимся при этом, с большой скоростью (для 100-мм пушки до 230 м/с) пробрызгивается через отверстие в поршне. Гидравлическое сопротивление, создаваемое отверстием при проходе жидкости, пропорционально квадрату скорости отката. Кинетическая энергия откатных частей превращается в энергию движения жидкости. Вследствие трения жидкости о стенки отверстий, внутрижидкостяого трения и удара струй жидкости о стенки цилиндра кинетическая энергия движущихся струй жидкости превращается в тепло. Следовательно, торможение отката является процессом превращения кинетической энергии откатных частей в конечном итоге в тепловую энергию. Одновременно в период отката сжимается пружина накатника, накапливая энергию.
После остановки откатных частей они возвращаются в исходное положение под действием сжатой пружины накатника, но со скоростью (1—2 м/с), значительно меньшей скорости отката. Предварительное поджатие пружины обеспечивает удержание откатных частей при любых углах возвышения.
При перемещении откатных частей при откате и накате будут действовать также силы трения в направляющих люльки и уплотнениях штоков. На преодоление сил трения затрачивается примерно 5% энергии откатных частей при откате.
Около 15% энергии отката превращается в потенциальную энергию сжатого рабочего тела накатника (пружины или газа).
![]() |
Основная часть кинетической энергии откатных частей при откате (до 80%) тормозом отката превращается в тепло, которое рассеивается в окружающее пространство. Вся энергия отката составляет примерно 2% от дульной энергии.
Тормоз отката (рис. 13) состоит из цилиндра 5, заполненного тормозной жидкостью стеолом М, и размещенных внутри него штока 6 с поршнем и регулирующим кольцом 2 и веретена 4 с модератором 7. Цилиндр 5 вставлен в обойму казенника; передний конец штока 6 закреплен в приливе люльки. К передней части цилиндра 5 приварен корпус 8 уплотнения. Уплотнение состоит из нескольких слоев асбестовой набивки 9 и нескольких ромбовидных колец, поджатых гайкой. В казенную часть цилиндра 5 вставлена задняя крышка 13 с веретеном 4 и ввинчена гайка 14 цилиндра. Медное уплотнительное кольцо между задней крышкой 13 и цилиндром 5 поджимается с помощью болтов 15. Сверху к цилиндру 5 приварена бонка 1 с пробкой, которая позволяет производить проверку уровня жидкости в тормозе отката. Сверху на внутренней поверхности цилиндра 5 (в некоторых конструкциях—нарубашке поршня) имеются проточки а для выхода воздуха из предпоршневой полости при заливке жидкости.
![]() |
Накатник (рис. 14) состоит из трех цилиндров: наружного 5, среднего 6 и внутреннего 4, штока 7 с поршнем 3 и вентильного устройства. Внутренние полости цилиндров заполнены жидкостью стеолом М; верхняя часть полости наружного цилиндра 5 заполнена рабочим телом—газом, находящимся под давлением. Наружный цилиндр 5 вставлен в обойму казенника; передний конец штока 7 закреплен в приливе люльки.
Внутренняя поверхность цилиндра 4 хромирована. Внутри цилиндра 4 размещается поршень 3, собранный на конце штока 7. Поршень 3 по своему устройству аналогичен уплотнению 9.
Все полости цилиндров сообщаются; жидкость свободно при работе накатника может перетекать из одного цилиндра в другой через отверстия а и б. При наведении пушки цилиндры ПОУ будут поворачиваться, при этом газ всегда будет занимать верхнее положение. С учетом наклона корпуса танка эти углы могут быть в пределах от —35 до +45°. К уплотнению 9, которое должно обеспечить свободное перемещение штока 7, нельзя допускать газ, так как даже при неработающем накатнике он пройдет через уплотнение. Для предотвращения подхода газа к уплотнению в накатнике устанавливается средний цилиндр 6г через отверстие б которою газ не может проникнуть к уплотнению 9, так как он остается сверху в полости между наружным и средним цилиндрами. Если цилиндр накатника крепится к люльке орудия, а шток—к казеннику, то средний цилиндр может не устанавливаться.
Гидравлический тормоз отката и примерно на 2/3 гидропневматический накатник танковой пушки заполняются стеолом М. Состав жидкости: глицерина С3 Н5 (ОН)3 — 46,3%, этилового спирта С2 Н5 0Н—20,0% и воды—32,0%. В состав стеола М добавляются антикоррозийные присадки: едкого натра NaOH— 0,1% и двухромовокислого калия К2 Сг2 О7 —1,6°/о. Температура кипения стеола М около + 90°С, при температуре около —60°С он застывает в твердое аморфное вещество. Качество стеола М проверяется крезолкрасной бумажкой.
При выстреле под действием силы отдачи ствол с цилиндрами ПОУ идет в откат. Штоки ПОУ, связанные с люлькой, остаются неподвижными.
Жидкость в тормозе отката из предпоршневой полости поступает во внутреннюю полость штока, откуда идет по двум направлениям: свободно, отжав клапан модератора, поступает в замодераторную полость штока и пробрызгивается с большой скоростью через кольцевой зазор между регулирующим кольцом и веретеном. В этом кольцевом зазоре создается гидравлическое сопротивление. Зазор переменный, этим достигается такой характер изменения силы, чтобы на основной длине отката сила сопротивления откату R была постоянной.
Одновременно жидкость, находящаяся во внутреннем цилиндре накатника, вытесняется поршнем через отверстия а и б в полость наружного цилиндра, чем обеспечивается сжатие газа. Сжатый газ накапливает энергию, которая будет расходоваться на возвращение откатных частей в исходное положение. Отношение первоначального объема газа к объему в конце отката находится в пределах 2—2,5.
По окончании отката под действием давления сжатых в накатнике жидкости и газа откатные части возвращаются в исходное положение.
Жидкость, находящаяся в цилиндре тормоза отката, из-за поршневой полости после выбора вакуума перемещается через кольцевой зазор в обратном направлении. Скорость наката во много раз меньше скорости отката, к тому же гидравлическое сопротивление пропорционально квадрату скорости. Вследствие этого торможение наката в кольцевом зазоре недостаточно эффективно. Для обеспечения нормального торможения наката на всей его длине работает модератор. Клапан модератора под давлением жидкости в замодераторной полости - закрывается, и жидкость пробрызгивается по канавкам переменной глубины. Небольшой избыток энергии при накате поглощается при ударе казенника ствола о резиновые буфера люльки.
Для наблюдения за состоянием ПОУ при стрельбе на ограждении орудия устанавливается указатель отката. После отката движок указателя заряжающим возвращается в переднее положение. Для каждого орудия, как правило, устанавливается нормальная и предельная (обозначаемая на линейке словом “Стоп”) длины отката. При предельной длине отката стрельба из орудия должна быть прекращена.
Противооткатные устройства (гидрооткатник) 73-мм орудия — концентрического типа. Последовательно вокруг ствола установлены гидравлический Тормоз отката и пружинный накатник. Такое расположение ПОУ придает им компактность, а конструкция позволяет удобно и просто их обслуживать.
![]() |
Наружный цилиндр 6 (рис. 15) имеет бурт а. Этим буртом гидрооткатник устанавливается у переднего торца люльки (лафета) и поджимается к нему гайкой. Таким образом, наружный цилиндр 6 составляет с люлькой как бы единое целое и в откат не идет. Длина отката около 150 мм.
На трубе имеются кольцевые проточки. На эту часть трубы надето разрезное кольцо 2, на которое навинчена гайка 1. Эти детали создают искусственный бурт для передачи силы отдачи через втулку 3 на детали, заключенные внутри наружного цилиндра 6. Цилиндр 6 спереди и сзади закрыт гайками 4 и 10.
В передней части полости цилиндра 6 размещен тормоз отката, заполненный тормозной жидкостью. Переменный зазор образуется при откате и накате профильной поверхностью внутреннего цилиндра 7 и кольцом б, выполненным. за одно .целое с цилиндром 6. Два отверстия, закрытые винтами, в стенке цилиндра 6 служат для проверки уровня жидкости.
Пружина 8 накатника передним концом упирается в бурт внутреннего цилиндра 7, отжимая ствол в переднее положение. Задний конец пружины 8 через буфер 9, гайку 10 и цилиндр 6 упирается в люльку (лафет) орудия.
Ввиду напряженного теплового режима в гидрооткатнике применена полиэтилсилоксановая жидкость № 3 (вместо стеола М), имеющая более высокую точку кипения.
Люлька и ограждение
Люлька (рис. 16) предназначена для направления ствола при стрельбе во время отката и наката. При выстреле усилие от противооткатных устройств на башню передается через люльку и цапфы. К люльке крепятся узлы и детали механизмов и агрегатов вооружения.

Внутри люльки 1 имеются направляющие втулки 2 или вкладыши, а с боков— цапфы. На цапфы надеваются игольчатые подшипники. Обоймы 3 цапф неподвижны в башне танка. Ими пушка вставляется в вырезы кронштейнов башни, и обоймы поджимаются клиньями. В 100-мм пушке цапфы имеют фланец, который крепится болтами к кронштейну башни, а цапфы, проходя через кронштейн, своими концами с надетыми игольчатыми подшипниками входят в отверстия люльки.
Смазка направляющих втулок (или вкладышей) и подшипников цапф производится с помощью тавотонабивателя через маслопроводы 4.
Спереди к приливам а люльки крепится болтами бронировка, а сзади крепится ограждение. К заднему торцу люльки прикрепляются резиновые буфера 5. Сверху (на некоторых пушках—снизу) приваривается направляющий штырь б, входящий в латунный вкладыш казенника. Штырь удерживает ствол от проворота при выстреле. С левой стороны располагаются приливы, к которым
крепятся сектор 7 подъемного механизма и кронштейн 8 для крепления головной части прицела.
Снизу люльки делается прилив в с отверстиями для крепления штоков противооткатных устройств. У 100-мм пушки приливы для крепления цилиндров противооткатных устройств — на люльке сверху.
Ограждение служит для предохранения членов экипажа от ударов казенником во время стрельбы. Ограждение состоит из левого и правого щитов, соединенных между собой основанием и прикрепленных болтами к люльке. К основанию крепится спусковой механизм. На левом щите, как правило, устанавливаются боковой уровень и некоторые детали затвора (механизма повторного взведения и др.). На правой стороне, со стороны заряжающего, крепится указатель отката. На щитах и основании могут устанавливаться некоторые узлы стабилизатора и детали механизмов и автоматов заряжания.
3. УСТРОЙСТВО И ДЕЙСТВИЕ БОЕПРИПАСОВ, ПРИМЕНЯЕМЫХ К ТАНКОВЫМ ПУШКАМ И ОРУДИЯМ БМП
Боеприпасами (боевыми припасами) артиллерии называются предметы артиллерийского вооружения в виде устройств, действие которых основано, как правило, на использовании взрывчатых веществ.
Артвыстрел (артиллерийский выстрел) —вид боеприпаса, предназначенный для нанесения поражения противнику при стрельбе из орудий и выполнения других задач, состоит из снаряда со снаряжением и взрывателем, боевого заряда и вспомогательных элементов в гильзе и средства воспламенения его—капсюльной
втулки.
Артвыстрелы подразделяются на боевые, холостые, практические и учебные. Боевые артвыстрелы—основные, так как от них зависит ущерб, наносимый противнику. Правильное обращение с ними позволяет обеспечить безопасность в служебном обращении и безотказное, эффективное действие по целям на поле боя. Холостые артвыстрелы имеют специальный боевой заряд в укороченной гильзе без снаряда и служат для холостой стрельбы (имитации светового и звукового эффектов выстрела) во время учений и для салютов. Практические артвыстрелы имеют снаряды и взрыватели в инертном снаряжении и применяются для стрельбы на полигоне Учебные артвыстрелы не содержат ВВ и предназначены для изучения материальной части боеприпасов (преимущественно разрезные и легкоразборные), для обучения действию при вооружении и для проверок и регулировок вооружения. Учебные артвыстрелы, используемые для заряжания орудий, называют учебно-тренировочными или макетами.
Для орудий танков и БМП применяются артвыстрелы патронного (унитарные) и раздельного гильзового заряжания. В унитарных патронах снаряд, боевой заряд и капсюльная втулка соединены в единое целое с помощью гильзы. В выстрелах раздельного гильзового заряжания снаряд отделен от гильзы.
Количество боевых артвыстрелов и других боеприпасов на один образец оружия, называется боекомплектом (боевым комплектом). Боекомплект является расчетно-снабженческой единицей.
Устройство и действие боевых зарядов
Боевой заряд (рис. 17), состоящий из навески бездымного пороха и воспламенителя, предназначен для метания снаряда из канала ствола. Луч огня от капсюльной втулки обеспечивает воспламенение воспламенителя, представляющего собой определенное количество (0,5—2,5% от веса заряда) зерненого дымного пороха. Воспламенитель, мгновенно сгорая, создает в гильзе давление (20—50)105 Пa. Благодаря этому обеспечивается одновременный охват пламенем всей навески бездымного пороха, что создает благоприятные условия для правильного горения бездымного пороха.
Бездымный порох за тысячные доли секунды полностью сгорает в канале ствола, при этом из 1 кг пороха образуется 700—1100 л пороховых газов. Химическая энергия, заключенная в порохе, освобождается при горении и переходит в тепловую энергию сильно сжатых пороховых газов В кинетическую энергию снаряда переходит часть (25—40%) тепловой энергии пороховых газов.
К вспомогательным элементам относятся пламегасители, флегматизаторы, размеднители, уплотнители, обтюраторы.
![]() |
В пороховых газах имеются продукты неполного сгорания;окись углерода СО, водород Н2 и др. При истечении газов из канала ствола эти компоненты, имея высокою температура, в воздухе самовоспламеняются, образуя дульное пламя. Для уменьшения его применяются пламегасители. Они могут быть из opid-нических (дибутилфталат, динитротолуол и др.) и неорганических (сульфат калия K2 SO4 , алюмофтористый калий и др.) веществ. Первые вводятся в состав пороха и при горении его вступают в реакцию с пороховыми газами, снижают их температур) и способствуют уменьшению пламени. Эти вещества помимо полезного действия уменьшают работоспособность пороха. Вторые укладываются в мешочке и при выстреле смешиваются в газообразном состоянии с пороховыми газами, повышая их температуру самовоспламенения. При этом увеличивается дымность выстрела. Пламегасящие добавки уменьшают вероятность появления и обратного (у казенной части орудия) пламени.
Флегматизатор уменьшает разгар канала ствола. Основной причиной разгара является действие высоких температур и давлений пороховых газов на ствол.
Флегматизатор выполняется в виде нескольких слоев бумаги, пропитанной высокомолекулярными углеводородами (церезин, парафин). При выстреле эти вещества возгоняются и образуют между пороховыми газами и стенками ствола защитный слой. Флегматизатор в несколько раз увеличивает баллистическую жизнь орудия. В частично сгорающую гильзу флегматизатор может не укладываться- газы от сгорающего корпуса гильзы играют при этом ту же роль, что и пары флегматизатора.
Размеднитель уменьшает обеднение поверхности канала ствола. Оседающая на поверхности канала ствола медь от поясков изменяет его геометрию и ухудшает кучность боя орудия. Размеднитель - моток проволоки, изготовленной из свинца. При выстреле этот металл оседает на омедненную поверхность канала ствола и образует легкоплавкий сплав. Последний выносится пороховыми газами, а также последующими снарядами при движении их по каналу ствола. Систематическая тщательная чистка орудия, особенно раствором РЧС, также способствует снятию омеднения.
Уплотнитель фиксирует положение заряда в гильзе, что предотвращает перетирание или даже разрушение пороховых элементов при транспортировании. Это особенно опасно при низкой температуре, когда увеличивается хрупкость пороха. Изменение размеров пороха приводит к нарушению закона его горения и, как следствие, к разбросу начальных скоростей.
Обтюратор предотвращает прорыв пороховых газов через зазор между пояском снаряда и поверхностью канала ствола в начале выстрела.
Обтюратор и уплотнитель изготовляются в виде набора картонных кружков и цилиндрика.
Гильзы служат для размещения боевого заряда и соединения элементов унитарного артвыстрела в единое целое, а также для герметизации боевого заряда и обтюрации пороховых газов при выстреле. Гильзы изготовляются из латуни или малоуглеродистой стали. Внешние очертания гильзы соответствуют зарядной каморе орудия, причем размеры гильзы по диаметру на 0,2—1,5 мм меньше. Зазор увеличивается от дна к дульцу. Это обеспечивает свободное заряжание и экстрактирование ее после выстрела.
Герметичность боевого заряда и соединение со снарядом в унитарном выстреле обеспечиваются обжимом дульца в канавку запоясковой части снаряда. Снаряд не должен иметь качки и перекоса в гильзе.
Трещины на дне и на участке корпуса длиной 50 мм от фланца не допускаются. Гильза не должна иметь помятостей, препятствующих вхождению ее в зарядную камору.
Взрыватель — это устройство, предназначенное для образования начального взрывного импульса в целях вызова детонации разрывного заряда. Взрыватель состоит из нескольких механизмов.
Активно-реактивный выстрел занимает промежуточное положение между артвыстрелом и реактивным снарядом, сочетая в себе свойства обычных и реактивных боеприпасов.
Особенностью этого выстрела является то, что за счет боевого (активного) заряда снаряд приобретает некоторую начальную
скорость, а за счет реактивного заряда, сгорающего при полете снаряда в воздухе, снаряд получает приращение скорости, а также дальности стрельбы.
Активно-реактивный выстрел с кумулятивной гранатой применяется для 73-мм орудия БМП. Кумулятивная боевая часть, двигательная установка и оперение снаряда соответствуют аналогичным элементам выстрела к станковому гранатомету. В гильзе 5 (рис. 18) размещен боевой заряд 4 из бездымного ленточного пороха, закрытого герметизирующей крышкой 2. В дно гильзы 5 ввинчена перфорированная трубка 6 с воспламенителем 3. Передний конец трубки имеет вырезы для стыковки со снарядом, в донную часть ее ввинчена капсюльная втулка 7 ЭКВ электрического действия.
Устройство и действие снарядов
Снаряды для борьбы с бронированными целями предназначены для стрельбы прямой наводкой в целях пробития брони и нанесения поражения оборудованию и экипажу, находящемуся за броней. К этим снарядам относятся: бронебойные (калиберные), бронебойные подкалиберные и кумулятивные.
![]() |
Бронебойные снаряды (рис. 19) могут быть трех видов: остроголовые В, тупоголовые Б и с бронебойным наконечником Л. Эти снаряды применяются для стрельбы из нарезных пушек. Корпус 3 снаряда изготавливается из легированной стали. На нем размещаются один или два медных ведущих пояска 5. Пояски, врезаясь в нарезы ствола и двигаясь вместе с корпусом по
ним, придают снаряду вращательное движение и обеспечивают обтюрацию пороховых газов. В донной части корпуса 3 размещается разрывной заряд 4 (обычно из A-IX-2) и ввинчивается донный взрыватель 6 с трассером. На корпусе имеется один-два центрующих утолщения для центрирования снаряда в канале ствола. Диаметральный зазор между утолщением и стенками
рола порядка 0,1—0,25 мм. Головная часть снарядов, как правив, притупляется, чтобы при ударе о наклонный лист брони не было рикошетирования.
Остроголовый снаряд имеет недостаточно хорошую баллистичекую форму, поэтому значительно быстрее теряет скорость (и энергию) в полете. Его бронепробиваемость с увеличением дальности падает резче, чем у снарядов тупоголового и с бронебойным наконечником, имеющих баллистические наконечники 1. При ударе о броню головная часть остроголового и тупоголового снарядов разрушается. Чтобы при этом предохранить от раскола делаются подрезы (локализаторы) б. По этим подрезам при ударе происходит разрушение головной части, а корпус сохраняется.
Для увеличения бронепробивного действия на корпусе укрепляют на специальном припое бронебойный наконечник 2 обычно из того же материала, что и материал корпуса. Наконечник при ударе разрушается, но при этом разрушается и поверхностный слой брони. По мере углубления осколки от наконечника и лицевых слоев брони создают условия для всестороннего обжатия головной части, сохраняя на более длительное время корпус задаренным. При всех прочих равных условиях такой снаряд пробивает броню примерно на 20% большей толщины. Подрезов снаряд не имеет.
После пробития брони срабатывает взрыватель, поражение оборудования и экипажа бронецели осуществляется осколками снаряда и осколками от брони.
Бронебойные подкалиберные снаряды широко применялись уже в годы второй мировой войны, в настоящее время они полностью вытеснили бронебойные калиберные снаряды ввиду более высокой броне-пробиваемости.
Бронепробиваемость определяется запасом кинетической энергии снаряда в момент удара и площадью его поперечного сечения.
Бронепробиваемость подкалиберного снаряда тем больше, чем больше скорость встречи и его масса и чем меньше диаметр активной части снаряда. Бронепробиваемость снаряда зависит также от конструкции снаряда и прочности материала активной части снаряда, прочности брони и угла встречи снаряда с броней.
Подкалиберный снаряд (рис. 20, а) состоит из поддона, прикрытого сверху баллистическим наконечником. Внутри поддона размещен бронебойный сердечник. Для обеспечения большой начальной скорости снаряда поддон облегчен за счет придания ему катушечной формы я небольшой длины, а для обеспечения большой массы при небольшой площади поперечного сечения активная часть снаряда—сердечник—изготовлен из материала большой плотности , (карбида вольфрама).
При попадании в броню сердечник углубляется в ее металл, а поддон остается на лицевой стороне, передавая при этом сердечнику часть энергии. Ввиду малого диаметра на единицу площади металла брони приходится большое количество кинетической энергии, что приводит к пробитию броневых плит большей толщины, чем это может сделать калиберный снаряд. Большей бронепробиваемости способствует материал сердечника, уступающий по твердости только алмазу.
![]() |
После пробития поражение бронецели происходит осколками от брони и сердечника. Ввиду хрупкости карбида вольфрама при выходе из брони сердечник разрушается на мелкие осколки.
В снарядах с отделяющимся поддоном устранен и второй недостаток: малая поперечная нагрузка. При вылете из канала ствола у снарядов такого типа поддон отделяется, а активная часть летит к цели, хорошо сохраняя скорость на траектории.
Снаряд к нарезной пушке имеет поддон 3, нижняя часть которого имеет ведущий поясок 8. Внутрь поддона вставлен корпус 4 с карбидовольфрамовым сердечником 5. Сверху сердечник прикрыт головкой 2, а в дно корпуса 4 ввинчен трассер 6. В служебном обращении корпус удерживается стопорными винтами 7.
![]() |
При движении по каналу ствола снаряда ведущий поясок движется по нарезам, придавая поддону вращение. Благодаря насечкам на донной части корпуса и в дне поддона вместе с поддоном вращаются корпус и сердечник. Концы стопорных винтов, входящие в отверстия корпуса, при этом срезаются.
После вылета из канала ствола под действием большой силы сопротивления воздуха, а также остаточного давления в каморе а движение поддона резко замедляется. Он отстает от корпуса и падает перед танком; стрелять этими снарядами через головы своих войск также запрещается.
Бронепробиваемость снаряда с карбидовольфрамовым сердечником при прочих равных условиях несколько выше при ударе по нормали (ввиду его высокой твердости) по сравнению со стальным корпусом, но ниже—под большими углами (из-за его хрупкости).
![]() |
Кумулятивный снаряд (рис. 22) состоит из корпуса 4, в котором размещен разрывной заряд 6 (из взрывчатого вещества A-IX-1) с капсюлем-детонатором 7. Сверху заряд 6 прикрыт кумулятивной воронкой (облицовкой) 5. Корпус 4 с помощью кольца (предохранителя) 3 соединен с головкой 2, в которую ввинчен головной взрыватель 1. Кольцо предохраняет снаряжение снаряда от осколков головки при ударе снаряда в броню и от осколков детонатора взрывателя 1 при его срабатывании, но имеет центральное отверстие для прохода продуктов взрыва детонатора взрывателя 1 к капсюлю-детонатору 7.
В средней части снаряда или ближе к его дну в снарядах к гладкоствольным пушкам впрессован обтюрирующий поясок 14. В снарядах к нарезным пушкам устанавливается кольцо 13, свободно вращающееся на корпусе снаряда, с впрессованным в него ведущим пояском 12 (такой ведущий поясок называется пояском плавающего типа).
В дно корпуса 4 ввинчен корпус 8 стабилизатора, соединенный с помощью осей 11 с лопастями 9. В служебном обращении лопасти 9 удерживаются нитями 15, сгорающими при выстреле.
Для обеспечения действия снаряда в его головку ввинчивается взрыватель типа ГПВ (головной пьезоэлектрический взрыватель). Он состоит из следующих частей: пьезогенератора, предохранительно-взводящего устройства, искрового электродетонатора (ИЭД) и детонирующего устройства. Детали этих частей собраны в корпусе и во ввинченной в него втулке. Сверху корпус прикрыт колпачком, застопоренным чекой
Основу пьезогенератора составляет пьезоэлемент из титаната бария BaTiO3 . Отшлифованные торцы пьезоэлемента соприкасаются сверху с ударником, снизу—с центральным контактом, который размещен в изоляционных втулках. Все эти детали поджаты гайкой и прикрыты сверху мембраной.
При движении по стволу силы инерции прижимают лопасти 9 снаряда (см. рис. 22) к корпусу 8 стабилизатора.
При движении по нарезному стволу (см. рис. 22, Б) ведущий поясок 12 вместе с кольцом 13 будет идти по нарезам, а корпус 4 снаряда силами трения будет несколько увлекаться. При этом он получает небольшое проворачивание.
На лопасти действуют силы инерции, направленные в сторону движения -снаряда (снаряд замедляет движение). Лопасть поворачиваются, и встречный поток воздуха раскрывает их. Проворачивание (до ≈10 об/с) снаряд гладкоствольной пушки приобретает благодаря скосам на лопастях, а снаряд нарезной пушки будет сохранять проворачивание, полученное в канале ствола.
При ударе о броню на торцах пьезоэлемента возникают разноименные электрические заряды с высокой разностью потенциалов (несколько киловольт). Они накапливаются на нижнем конце стержня и внутренних краях чашечки . Когда разность потенциалов достигает .700—2500В, в промежутке а проскакивает искра. Взрыв искрового электродетонатора ИЭД перебивает перегородку во втулке 12 и передается передаточному заряду, а затем детонатору. Взрывная волна от детонатора передается капсюлю-детонатору (см. рис. 22) снаряда.
Пьезоэлектрические взрыватели обладают высоким быстродействием и большой надежностью. Перед заряжанием для обеспечения надежного срабатывания взрывателя колпачок снимается. Можно вести стрельбу и с колпачком (в дождь—обязательно с колпачком).
Действие снаряда основано на кумулятивном эффекте. Кумулятивный эффект —вид направленного взрыва.
Разрывной (кумулятивный) заряд выполняется в виде цилиндра ВВ с выемкой, которая должна быть обращена к преграде. Возбуждение взрыва ВВ производится с другого конца цилиндра. Продукты взрыва (рис. 23) с давлением в несколько десятков гигапаскалей (ГПа) действуют практически по нормали к поверхности выемки. Взаимодействуя между собой под углом, они образуют газовую кумулятивную струю. Кумулятивный эффект резко усиливается, если выемка покрыта тонкой (1—3 мм) металлической облицовкой (воронкой), плотно прилегающей к ВВ. Концентрация энергии в металлической струе в 20—30 раз больше, чем в газовой, поэтому металлическая воронка устанавливается всегда и обычно в виде конуса. Под действием продуктов взрыва облицовка обжимается и из нее выдавливается металлическая струя. На формирование кумулятивной струи уходит 10—20% внутренних
слоев металла воронки. Остальная часть воронки обжимается в веретенообразное тело—пест.
![]() |
Металл воронки обжимается со скоростью 1—3 км/с, поэтому расплавиться он не успевает, а только нагревается до t=(450— 600) °С. При этом металл ведет себя подобно несжимаемой жидкости, но при сохранении структуры твердого состояния.
Кумулятивная струя имеет вид иглы диаметром в средней части для орудий среднего калибра 3—4 мм. Длина ее в момент сформирования составляет примерно две длины образующей воронки. Головная часть струи движется со скоростью 8—10 км/с, и далее к хвосту скорость падает до 1—0,5 км/с. Пест имеет скорость около 0,5 км/с и участия в пробитии брони не принимает. В месте контакта струн с броней возникает очень большое давление—100—200 ГПа (1—2 млн. атм). Слои брони под действием струи дробятся и вымываются. На лицевой стороне брони вокруг входного отверстия образуется валик металла с рваными краями, на которых заметно небольшое оплавление. Это является следствием нагрева их выделившимся при ударе теплом. Отсюда неправильное название снарядов—бронепрожигающие, которое появилось тогда, когда это явление не было достаточно изучено. По мере проникновения струи в толщу металла брони явление дробления и вымывания частиц уступает место вытеснению металла вперед и в стороны. В металле, прилегающем к пробоине, создается уплотненный слой толщиной 2—5 мм Металл струи частично оседает на стенках пробоины: струя срабатывается. По мере углубления диаметр пробоины уменьшается вследствие падения скорости и уменьшения массы струи. В среднем диаметр пробоины составляет 0,2—0,3 диаметра кумулятивной выемки снаряда у основания, но примерно в 10 раз больше диаметра струи После пробития брони с ее внутренней стороны откалывается небольшое количество осколков, внутрь устремляются также остатки струи, движущиеся в очень узком конусе. Попадание их в боеприпасы и горючее бронецели приводит к возникновению пожара.
Вращательное движение снаряда резко уменьшает бронепробиваемость. Вращающиеся снаряды (при частоте вращения 50—80 об/с и более) имеют бронепробиваемость 1,0—1,5 калибра, а невращающиеся —в 3 раза больше. Под действием вращения струя искривляется. Все современные кумулятивные снаряды для гладкоствольных и нарезных пушек и боевые части управляемых и неуправляемых реактивных снарядов невращающиеся (не надо при этом путать вращение с проворачиванием).
Основная особенность кумулятивного снаряда заключается в том, что его бронепробиваемость зависит от конструкции заряда, но не зависит от скорости встречи с броней и, следовательно, от дальности стрельбы. Однако существует такое оптимальное расстояние между передним торцом заряда и поверхностью брони в момент разрыва, когда струя имеет наибольшую бронепробиваемость. Это расстояние называется фокусным. Оно определяется опытным путем. Фокусное расстояние примерно равно двум диаметрам конической выемки у основания. При разрыве снаряда от брони на расстоянии, меньшем фокусного, бронепробиваемость уменьшается вследствие того, что кумулятивная струя еще не успевает сформироваться. На большем расстоянии струя растягивается вследствие наличия градиента скорости, при этом хвостовая часть успевает разрушиться.
На последнем свойстве струи основан способ защиты от кумулятивных снарядов с помощью так называемых “взводных” экранов (листы металла, сетки и т. д.). Взрыватель, ударяясь об экран, заставляет срабатывать кумулятивный заряд на большем удалении от брони, чем фокусное расстояние. Однако защита эффективна тогда, когда экран располагается от брони на значительном расстоянии. Недостатком экранов являются их низкая живучесть и громоздкость, поэтому они используются, как правило, для защиты наиболее уязвимой части танка—его бортов
Действие снаряда зависит от материала облицовки, он должен быть достаточно прочным, пластичным и большой плотности. Медная облицовка дает бронепробиваемость на 20% больше, чем воронка из малоуглеродистой стали. Большая плотность и пластичность способствуют образованию большей по массе и длине кумулятивной струи.
Большое значение имеют чистота обработки облицовки (особенно внутренней поверхности) и точность выполнения геометрических размеров облицовки, заряда и корпуса снаряда.
Кумулятивные снаряды, как и бронебойные всех типов, могут использоваться для разрушения сооружений и поражения находящихся в них вооружения и живой силы противника. Кумулятивныеснаряды обладают осколочным действием. Современные снаряды пробивают по нормали броневые плиты, равные по толщинепримерно 4 калибрам.
Осколочно-фугасные (ОФ) снаряды служат для разрушения сооружений, поражения вооружения и техники, уничтожения и подавления живой силы противника. При отсутствии бронебойных и кумулятивных снарядов они могут применяться для стрельбы по бронецелям. Осколочно-фугасный снаряд обладает осколочным и фугасным действием.
![]() |
Снаряд для гладкоствольной пушки (рис. 24, А) состоит из стального корпуса 2, в котором размещается разрывной заряд d (обычно из тротила). В очко корпуса 2 ввинчен головной взрыватель 1. В корпус 2, ближе ко дну, впрессован обтюрирующий поясок 4. На корпусе делаются центрующие утолщения а. На донную часть корпуса 2 навинчен корпус 5 стабилизатора. С ним с помощью осей 7 соединяются лопасти 6, удерживаемые в служебном обращении стопорными винтами 8.
В отличие от снаряда к гладкоствольной пушке снаряд для нарезной пушки (рис. 24,Б) оперения не имеет. В корпусе 2 впрессовываются один-два ведущих пояска 9,
При движении по каналу гладкого ствола вследствие того, что центр масс лопасти расположен от оси снаряда на большем расстоянии, чем ее ось, силы инерции будут стремиться раскрыть лопасти, срезая стопорные винты При вылете из канала ствола лопасти сразу раскрываются, обеспечивая стабилизацию снаряда в полете. Необходимое проворачивание снаряд получает в полете благодаря скосам на лопастях.
Снаряд для нарезной пушки приобретает вращение при движении ведущих поясков по нарезам вместе с корпусом. В полете снаряд стабилизируется вращением.
Основу взрывателя составляет огневая цепь. Она представляет собой комбинацию элементов, состоящих из различных ВВ (рис. 25).
Начальный импульс в огневой цепи дает капсюль-воспламенитель 1 при наколе его жалом а. Между капсюлем-воспламенителем 1 и капсюлем-детонатором 3 может устанавливаться замедлитель 2 из прессованного черного пороха. Если кран б открыт, то луч огня от капсюля к капсюлю проходит беспрепятственно. При закрытом кране горит пороховая запрессовка, обеспечивая замедление в действии взрывателя. Капсюль-детонатор 3 усиливает луч огня, уже давая взрывной импульс. В ряде взрывателей (по конструктивным соображениям) ставят передаточный заряд 4. Детонатор 5 вызывает взрыв разрывного заряда 6.
Огневая цепь взрывателя может включать в себя самоликвидатор. Он состоит из капсюля-воспламенителя 7 воспламенительного механизма, большого замедлителя 8 (горение его должно продолжаться в течение нескольких или даже нескольких десятков секунд) и усилительного заряда 9, подрывающего капсюль-детонатор 3 взрывателя. Луч огня капсюля-воспламенителя 7 может использоваться для воспламенения пороховой запрессовки пиротехнического предохранителя.
В конкретных образцах взрывателей некоторые элементы огневой цепи могут быть изъяты или добавлены новые.
По месту установки взрыватели могут быть головными, донными и головодонными. Огневая цепь последних аналогична рассмотренной. В донном взрывателе или донной части головодонного взрывателя элементы огневой цепи размещены в обратном порядке, так как разрывной заряд находится сверху взрывателя. Элементы воспламенительного механизма устанавливаются одинаково во всех взрывателях.
По степени предохранения от преждевременного срабатывания (например, от сотрясения при выстреле) капсюлей взрыватели делятся на предохранительного (большинство), полупредохранительного (редко) и непредохранительного (в настоящее время не применяются) типа. В первом случае предохранитель, препятствующий срабатыванию взрывателя, а следовательно, разрыву снаряда, расположен между капсюлем-детонатором и детонатором, т. е. в служебном обращении и при движении по каналу ствола оба капсюля изолированы. Во втором — предохранитель размещен за капсюлем-воспламенителем и в третьем—такой предохранитель отсутствует.
По дальности взведения взрыватели можно разделить на два типа: с взведением за дульным срезом ствола (в нескольких метрах) и с дальним взведением (в нескольких десятках метров).
Взрыватели, в которых перемещаются механические детали, называются механическими. Взрыватели, в которых используется электрическая энергия, называются пьезоэлектрическими (электрическими).
Взрыватель РГМ (В-429) — головной, предохранительного типа, с взведением за дульным срезом, механического типа, с тремя установками. Взрыватель состоит из следующих частей: ударного механизма, установочно-замедлительного механизма, поворотного предохранительного механизма и детонирующего устройства.
Установочно-замедлительный механизм состоит из крана, замедлителя и усилителя во втулочке. Кран имеет канал для| прохода (если он открыт) луча огня от капсюля-воспламенителя к капсюлю-детонатору при срабатывании взрывателя. На торце крана нанесена стрелка, а на корпусе —установочные риски с отметками “О” (“Открыт”) и “З” (“Закрыт”).
Взрыватель имеет три установки:
1) на мгновенное действие (без колпачка, с установкой крана на “О”), обеспечивающее осколочное действие снаряда;
2) на инерционное действие (с колпачком, с установкой крана на “О”—в таком виде взрыватель поступает с завода), обеспечивающее осколочно-фугасное действие снаряда;
3) на замедленное действие (с колпачком, с установкой крана на “З”), обеспечивающее фугасное действие снаряда.
Установка взрывателя производится перед заряжанием пушки.
Если в канале ствола случайно от сотрясения при открытом кране сработал один из капсюлей, взрыв капсюля-детонатора не передается детонирующему устройству из-за большой толщины диафрагмы. Если же кран закрыт и сработал капсюль-воспламенитель, то есть опасность после прогорания замедлителя получить разрыв снаряда близко от пушки. Чтобы этого не произошло, установлен стопор-ныряло, который под действием давления газов от капсюля-воспламенителя, срезая чеку, опускается вниз и стопорит поворотную втулку в исходном положении.
![]() |
После вылета из канала ствола прекращается действие силинерции в направлении, противоположном движению снаряда, и действуют вследствие замедления снаряда небольшие, силы инерции, направленные в сторону движения снаряда.
Действие снаряда у преграды зависит от установки взрывателя, в конечном итоге — от времени его срабатывания. Оно равно при разных установках: на мгновенное действие—меньше 0,001, на инерционное действие—порядка 0,005—0,01 и на замедленное действие—от 0,1 до 0,15 с.
При первой установке снаряд дает осколочное действие. При встрече с преградой под действием грунта ударник перемещается навстречу ударнику. Вследствие быстрого срабатывания взрывателя снаряд мало углубляется в преграду и разрыв происходит почти над поверхностью грунта. Зона разлета осколков имеет сложные очертания, так как скорость разлета осколков складывается со скоростью встречи снаряда с преградой (рис. 26). Наибольшее количество осколков (до 70%) дают стенки корпуса снаряда. Разлетаются эти осколки в боковом направлении. Начальная скорость разлета находится в пределах 700—1200 м/с. Для вывода из строя живой силы обычно считают только осколки, имеющие массу не менее 4 г, так как мелкие осколки быстро теряют скорость. 76-мм снаряд дает около 200 убойных осколков, 152-мм—до 800.
Осколочное действие ОФ снарядов оценивается приведенной зоной осколочного действия. За приведенную зону осколочного действия принимается прямоугольник, равновеликий площади, в пределах которой при разрыве снаряда вероятность поражения цели близка к 1,0. При этом цели, представленные в виде мишеней. могут быть двух видов: “стрелки в рост” и “стрелки лежа”.
![]() |
Осколочно-фугасное действие ОФ снаряда получается при инерционном действии взрывателя. При встрече с преградой снаряд замедляет свое движение. Колпачок предохраняет ударник от воздействия на него грунта, а инерционный ударник по инерции перемещается к жалу, накалывая капсюльвоспламенитель. Луч огня от него через канал крана поступает к капсюлю-детонатору. Срабатывает детонирующее устройство. Разрыв снаряда происходит с небольшим замедлением, когда снаряд несколько, углубился в грунт, в связи с чем часть осколков не перехватывается грунтом, но при этом сказывается и разрушающее действие взрыва ВВ снаряда.
При установке взрывателя на замедленное действие луч огня от капсюля-воспламенителя передается капсюлю-детонатору через замедлитель , так как в этом случае кран закрыт. Разрыв снаряда происходит со значительным замедлением.
Фугасное действие ОФ снарядов оценивается размерами воронки (рис. 27), которую делает снаряд в грунте средней плотности. Диаметр воронки при этом получается в 3—5 раз больше ее глубины.
Стрельба с установкой взрывателя на замедление может применяться по сооружениям с перекрытием и при стрельбе на рикошетах. Рикошетом называется такое взаимодействие снаряда с грунтом, которое сопровождается ударом снаряда о грунт и отскоком от поверхности грунта. При стрельбе по грунту с углами встречи до 10°, если не произошло разрыва снаряда, рикошетируют все снаряды; при углах 10—20°—до 75%, при углах 20—30°—только 30%, а при больших углах—все остаются в грунте.
Снаряды малого калибра делают только осколочными в связи с тем, что они не могут дать значительного фугасного действия из-за малого количества ВВ. Стенки корпуса осколочного
снаряда имеют большую толщину и необходимое количество ВВ для получения нужного осколочного действия. В фугасных снарядах толщина стенок корпуса минимальна: только для получения необходимой прочности при выстреле и углублении в грунт.
В ОФ снарядах среднего калибра преобладает осколочное действие, в снарядах большого калибра — фугасное.
3. ОБРАЩЕНИЕ С БОЕПРИПАСАМИ
Боеприпасы требуют особо осторожного обращения. Правила безопасности при обращении с боеприпасами должны неуклонно выполняться независимо от условий и срочности работ.
Категорически запрещается:
— перевозить артвыстрелы без укупорки даже на короткие расстояния;
— производить разборку артвыстрелов и их элементов в войсках;
— использовать артвыстрелы или их элементы для обучения личного состава, а также при регулировках стабилизаторов, автоматов и механизмов заряжания и других видах работ;
— производить сварочные работы и устранение неисправностей в электрооборудовании при наличии боеприпасов в машине; прислонять боеприпасы к клеммам аккумуляторов и другим деталям, находящимся под напряжением;
— снимать (свинчивать) предохранительные колпачки с взрывателей при стрельбе во время дождя, снегопада и града;
— стрелять бронебойными подкалиберными снарядами с отделяющимся поддоном через головы своих войск;
— во всех случаях трогать случайно обнаруженные боеприпасы.
В целях безопасности при подготовке и укладке боеприпасов в танк (БМП) запрещается:
— ударять по капсюльным втулкам и взрывателям;
— ронять боеприпасы; выстрелы и их элементы, упавшие на твердое основание с высоты выше 1 м, в машину не укладываются;
— переносить одному человеку одновременно более одного выстрела (снаряда или заряда — выстрелов раздельного гильзового заряжания) или двух выстрелов к 73-мм орудию;
— кантовать, волочить, ронять и бросать ящики с боеприпасами; переносить боеприпасы в ящиках крышкой, вниз, а также в неисправной укупорке;
— производить работы с боеприпасами вблизи от открытого огня;
— ставить боевые заряды дном поддона или гильзы с капсюльной втулкой электрического или электроударного действия на броню;
— укладывать в танк (БМП) боеприпасы, не прошедшие осмотр,
Боеприпасы при всех видах работ надлежит укрывать от дождя и снега, а также прямого воздействия солнечных лучей.
![]() |
Осмотр боеприпасов перед стрельбой производится в целях выявления и изъятия выстрелов, непригодных к стрельбе. К ним относятся артвыстрелы, у которых:
— не ввинчены взрыватели (не приведенные в окончательно снаряженный вид) или взрыватели вывинтились из корпусов;
— повреждена (сорвана, продавлена, проколота) мембрана взрывателя;
— взрыватели имеют следы ударов;
— погнуты баллистические наконечники или ослаблено их крепление;
— течь ВВ из корпуса снаряда;
— корпус снаряда имеет трещины;
— снаряд выдергивается рукой из гильзы;
— имеются забоины и помятости гильзы, мещающие заряжанию;
— гильза на дне или около дна имеет трещины. Неисправные артвыстрелы сдаются в органы артвооружения.
![]() |
Если взрыватель не довинчен или за донный срез гильзы (поддона) выкупает капсюльная втулка, следует произвести их довинчивание под руководством артиллерийского техника на расстоянии не ближе 40 м от материальной части и личного состава.
Сортировка артвыстрелов производится в такой последовательности: по назначению снарядов; по партиям боевых зарядов (пороха); по партиям и весовым знакам снарядов.
Сортировка боевых зарядов по партиям имеет более важное значение, чем сортировка снарядов по весовым знакам. Заряды, маркировка которых различается лишь номером партии сборки выстрелов, можно считать принадлежащими- к одной партии.
При сортировке артвыстрелов пользуются маркировкой, наносимой на элементы выстрела (рис. 28) и укупорочные ящики (рис. 29).
Маркировка —это условные обозначения, наносимые краской на элементы боеприпасов и их укупорку, позволяющие определить принадлежность их к тому или другому орудию и другие необходимые данные. Кроме того, элементы выстрелов могут иметь клейма, выбиваемые на металлических корпусах. Может наноситься отличительная окраска, обычно в виде цветных полос на любом из элементов выстрелов. Все снаряды имеют предохранительную окраску для защиты от коррозии (взрыватели, центрующие утолщения и пояски не окрашиваются).
Для обеспечения герметичности боевых зарядов, если конструкция выстрела ее не обеспечивает, выстрел или гильза с боевым зарядом укладывается в деревянный ящик в картонном или металлическом герметичном футляре или пенале.
Некоторые буквенные обозначения маркировки:
У—унитарный выстрел; БМ—подкалиберный снаряд с отделяющимся поддоном;
бк— кумулятивный снаряд; ОФ—осколочно-фугасный снаряд;
Ж—заряд из пироксилинового пороха и ЖН— заряд из нитроглицеринового пороха для выстрелов раздельного гильзового
заряжания.
Весовые знаки на снарядах показывают отклонения веса снаряда от нормального. Отличие в одном знаке соответствует изменению веса снаряда на 2/3%. Снаряды, отличающиеся на один весовой знак, можно объединять в одну группу.
ЗАКЛЮЧЕНИЕ
И в заключении надо сказать, что речь в этой работе идет не о современном вооружении. В настоящий момент в орудиях отказались от нарезных и перешли к использованию гладкоствольных стволов, с использованием подкалиберных стабилизированных (оперенных, с отделяющимся поддоном) снарядов. Такие боеприпасы имеют целый ряд преимуществ. Так, например бронебойный снаряд вылетевший из гладкого ствола имеет скорость примерно на 300-500 м/с больше чем снаряд нарезного ствола. Так как бронебойный снаряд поражает цель за счет кинетической энергии (скорости), то эта разница очень сильно сказывается на его поражающей способности. Если рассмотреть действие кумулятивного снаряда то действие кумулятивной струи резко снижается из-за вращение, что в свою очередь приводит к снижению эффективности и бронепробиваемости.
Также надо отметить тенденции развития вооружения у легкой гусеничной и колесной техники (БТР, БМП, БМД и т.п.). Последние модели такой техники вооружены не только противотанковыми комплексами ПТУР но и полноценными противотанковыми пушками. Так, например, БМП-3 кроме пулеметного вооружения имеет 100 мм орудие. А на БТР-90 установлена 30 мм скорострельная пушка 2А42.
Литература:
1. “Огневая подготовка” часть 2 - “Основы устройств вооружения” под ред. В. М. Шишковского
2. “Подготовка офицеров запаса сухопутных войск” по ред. Ю. А. Науменко
Похожие рефераты:
Основные характеристики бронетанковой техники
Блокнот старшего офицера батареи наземной артиллерии
Проблемы утилизации списанных боеприпасов
Осмотр места происшествия с использованием огнестрельного оружия
Следственные действия по делам, связанным с убийством с применением огнестрельного оружия
ПК 7.62 как огневая единица МСВ
История изобретения, совершенствования и применения пороха
Эволюция многозарядного огнестрельного оружия




















