| Скачать .docx |
Реферат: Прогнозирование возможной радиационной обстановки и её оценка
Практическое задание №6
Прогнозирование возможной радиационной обстановки и её оценка. Прогнозирование зон радиоактивного заражения местности и внутреннего поражения человека при аварийном выбросе на КАЭС.
Вариант № 16
Задание: Спрогнозировать по исходным данным возможные зоны РЗ местности и ВП человека на случай аварии на АЭС (разрушение реактора РМБК-1000 с выбросом продуктов деления Ак =10% и V10 =5 м/с), оценить обстановку на ОЭ с рабочим поселком (или городе Н-ск) и осуществить выбор режима радиационной защиты (РРЗ) работающих ОЭ и населения поселка (или города Н-ск). Представить итоговый вывод с инженерными решениями на случай аварии на АЭС.
Исходные данные:
| Время аварии Тав , ч |
Облачность |
Установленная доза Дуст ,бэр |
Удаление ОНХ от АЭС, L о , км |
Продолжительность нахождения людей в различных условиях в течение суток Т, ч, и коэффициенты К ослабления радиации в этих условиях |
|||||||
| на рабочем месте |
в транспорте |
на открытой местности |
в зоне отдыха |
||||||||
| Тр |
Кр |
Ттр |
Ктр |
Тотк |
Котк |
То |
Ко |
||||
| 15 |
ясно |
2 |
60 |
8 |
10 |
2 |
4 |
2 |
1 |
12 |
10 |
Решение.
Определяем степень вертикальной устойчивости атмосферы (СВУА) по табл.10.1, с учетом V 10 , облачности и времени суток:
ИЗ – изотермия или нейтральное состояние
Находим по табл. 10.2 среднюю скорость ветра в приземном слое в зависимости от СВУА и V10 : Vср =5 м/с
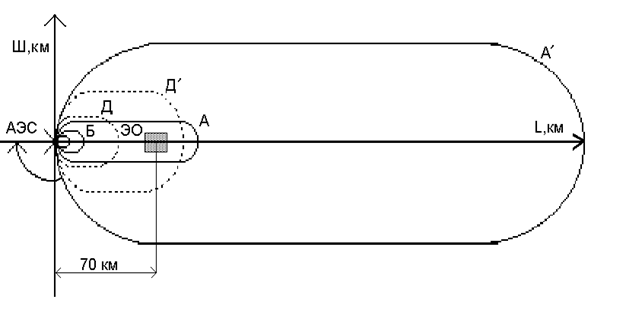
С учетом типа возможной аварии на АЭС определяем по табл. 10.3 размеры зон РЗ и ВП с дозой до полного распада Д¥ и записываем их:
Таблица 1
| Тип аварии |
Зоны РЗ |
Р1 , рад/ч |
Дω внеш., рад |
Двнутр ., бэр |
Длина L, км |
Ширина Ш, км |
| С разрушением реактора |
А’ А Б В Г Д’ Д’ |
0,014 0,14 1,4 4,2 14 - - |
5,6 56 560 1680 5600 - - |
- - - - |
300 100 20 10 |
20 4 2 1 |
| Не образуется |
||||||
| 30 250 |
90 44 |
10 5 |
||||

Р1
=Д¥
/400 – уровень радиации на 1 ч после аварии, Д¥ – доза до полного распада
|
По схеме определяем, в какую из зон РЗ или ВП, или одновременно в зоны РЗ и ВП попал ОЭ с городом: ОЭ попал одновременно в зоны РЗ и ВП
А¢ - зона слабого РЗ (красный цвет);
А – зона умеренного РЗ (синий);
Б – сильного РЗ (зелёный);
В – зона опасного РЗ (коричневый);
Д¢ - опасного внутреннего поражения (коричневый);
Д – чрезвычайно опасного внутреннего поражения (чёрный).
Вычисляем время начала выпадения радиоактивных осадков над заданным объектом:
![]()
По табл. 10.4 определяем время формирования радиоактивного следа:
tформ = 3 ч
Если облако сформировалось ко времени подхода его к ОЭ, то над ним будет происходить выпадение радиоактивных осадков. Поэтому по табл. 10.3 определяем методом интерполяции возможный уровень радиации Р1 и возможную дозу Д¥внеш для зоны РЗ, где находится наш объект; для зоны ВП определяют только возможную дозу Д¥внутр .
· ОЭ находится между внешними границами зон А и Б:
рад/ч
рад
· ОЭ находится между внешними границами зон Д’ и Д:
бэр
Определяем уровни радиации на ОЭ на различное время (на начало выпадания осадков, конец рабочей смены, конец первых суток и на конец трех суток):
Рt =Р1 /К,
где К – коэффициент пересчета, по табл. 10.5.
Р1 = 0,77 рад/ч; tформ = 3 ч; Тр = 8 ч.
· на начало выпадения осадков:
tнач = tформ = 3 ч
коэффициент пересчета К=1,75
Р3 =0.77/1,75=0.44 рад/ч
· на конец рабочей смены:
tк =tнач +Тр =3+8=11ч
коэффициент пересчета К= 3.2
Р11 =0.77/3.2=0.24 рад/ч
· за первую смену:
Рср =(Р3 +Р11 )/2=(0.44+0.24)/2=0.34 рад/ч
· на конец первых суток с начала выпадения осадков при К24 =5
Р24 =0.77/5=0.154 рад/ч
· на конец третьих суток при К72 =7
Р72 =0.77/7=0.11 рад/ч
Находим дозу облучения, полученную на открытой местности за первые сутки (накопление дозы идет неравномерно: впервые сутки после аварии – более интенсивно, чем в последующее время) по формуле при времени аварии Тав
3 мес:
![]()
Д1сут > Дсут (11,34>2)
Д1сут > Дсут , следовательно необходимо подобрать соответствующий режим РРЗ для персонала ОЭ и населения, а также решения по их защите. Для этого рассчитываем критерий возможной дозы за 10 суток и 1 год:
Д10сут = 2×(Рк tк - Рн tн )
В табл. 10.5 коэффициенты пересчета даны на время после аварии на АЭС только до 3 суток. Поэтому
Д10сут =Д3сут +Д7сут = Д3сут + Д3сут /2
(т.к за семикратный период времени радиация снизится в 2 раза (по закону спада радиации))
бэр
Д10сут =13.2+13.2/2=19.8 бэр
По табл. 10.6 принимаем решение по защите. Величина 19.8 бэр превышает верхний уровень критериев для принятия решений по защите работающих и населения (на все тело) за исключением решения по эвакуации взрослых. Поэтому укрытие, защиту органов дыхания и йодную профилактику взрослых людей, детей, беременных женщин, эвакуацию детей и беременных женщин необходимо проводить в полном объеме, а эвакуацию взрослых людей осуществлять частично.
Вычисляем суммарную дозу, полученную рабочими первой смены
ДS =Дотк +Д8ч +Д0 +Дпер+Дотд , где
Дотк – доза, полученная на открытой местности;
Д8ч - доза, полученная за 8-ми часовую смену на рабочем месте;
Д0 - доза, полученная от проходящего радиоактивного облака;
Дпер = Дкр + Дср - доза, полученная при переезде на работу и обратно, где
Дкр – к работе,
Дср – с работы;
Дотд - доза, полученная за время отдыха в зоне отдыха, то есть от конца рабочей смены до истечения первых суток.
Дt =(Рср ×Т)/К0
Рср = (Рн + Рк )×0,5 – среднее значение уровня радиации, рад/ч, за промежуток времени от начала до конца периода облучения;
Т – период облучения работающих в различных условиях;
К0 – коэффициент ослабления.
Известно, что Рср = 0.44 рад/ч; на рабочем месте, продолжительность смены 8ч и коэффициент ослабления защиты К=10; L0 =60 км на открытой местности Ротк =0.56 рад/ч; люди находятся 1ч при Ко =1, переезд к работе и с работы занимают 3ч, при Ко =2 с Ркр =0.56 рад/ч; Рср =0.29 рад/ч; время отдыха 12ч; при Ко =10 с Рср =0.29рад/ч; до Р1сут =0.15 рад/ч.
Дотк =(0.56×2)/1=1.12 бэр
Д8ч =(0.44 ×8)/10=0.352 бэр
Д0 =0.3 бэр (по табл. 10.7)
Дпер =Дкр +Дср =(0.56×1)/4+(0.29×1)/4=0.21 бэр
Дотд =((0.29+0.154)/2) ×12/10=0.266 бэр
ДS =1.12+0.352+0.3+0.21+0.266 = 2.248 бэр
ДS > Дуст (2.248 > 2 бэр).
Наибольший вклад ДS вносит Дотк ,Д0 и Дпер . лучшим решением является уменьшение времени нахождения на открытой местности до 0.5ч (а 0.5ч перенести в зону отдыха) и переезда на транспорте к работе и с работы до 1ч (а 1 ч перенести в зону отдыха). Величину Д0 нельзя уменьшить, т. к. она зависит от удаления ОЭ от АЭС. С учётом принятых изменений пересчитывают Дотк ,Дотд и Дпер .
ДS =0.28+0.352+0.3+0.21+0.452=1.594 бэр, что меньше Дуст
По величине ДS определяем радиационные потери (РП) людей на ОЭ и распределение их по времени (табл. 10.8), если ДS >100 рад или ДS >50 бэр; т. к. ДS =1.594 бэр, то люди, находящиеся в ОЭ, полностью трудоспособны в течении 4-х дней.
Подбираем РРЗ как для работающих, так и для населения, находящегося в условиях радиоактивного заражения местности. Безопасным РРЗ считается такой режим, когда облучение людей не выше суточной установленной дозы Дуст . Он характеризуется коэффициентом безопасной защищенности Сб , который показывает во сколько раз д.б. уменьшена фактическая доза радиации над Дуст :
для населения: Сб = Дсут /Дуст =11.34/2=5.67
для рабочего персонала ОЭ: Сб = Дсут /Дуст =2.248/2=1.124
Для установления безопасного режима работы на ОЭ вычисляем суточный коэффициент защищенности (он показывает, во сколько раз доза облучения, полученная людьми при данном режиме, меньше дозы, которую они получили бы за то же время на открытой местности):

а с учётом уменьшения времени на открытой местности и переезда на транспорте к работе и с работы:

Сравниваем полученные коэффициенты для персонала ОЭ: С < С8, 5,33<5,67, т.е. не обеспечивается радиационная безопасность, а при с ¢ > с8 , 8>5,67, последняя обеспечена для персонала ОЭ за счет уменьшения времени нахождения в худших условиях

Итоговый вывод:
1. ОЭ с посёлком в результате аварии на АЭС может попасть в зону А (зону умеренного заражения) по РЗ, а по ВП – в зону Д¢ (зона опасного вредного внутреннего заражения). При этом уровень радиации к моменту выпадения радиоактивных осадков (через 3,3ч с момента аварии) составляет Р3,3 =0,56 рад/ч, что значительно превышает естественный радиационный фон, равный 1,2×10-3 рад/ч. Прогнозируемая доза за первые сутки на открытой местности и в помещениях ОЭ может составить соответственно Д1 сут =11,34 бэр и ДS =2,248 бэр, что больше Дуст =2 бэр. Следовательно, требуется подобрать и соблюдать соответствующий РРЗ для персонала ОЭ и населения в посёлке.
2. Радиационные поражения людей не ожидаются, т. к.
Д1 сут =11,34 бэр и ДS =2,248 бэр меньше 100 рад. К тому же работающие сохраняют трудоспособность полностью, поскольку прогнозируемая доза меньше 50 бэр.
3. РРЗ для работающих ОЭ следует назначить 6 – 7 с. общей продолжительностью в течение 360 суток. При этом последовательность соблюдения режима такова: не менее 4ч укрытия в ЗС или герметизированных помещениях во время отдыха, а работа организуется вахтовым методом в течение 360 суток. Это значит, что ОЭ работает круглосуточно в 4 смены непрерывно в течение 1 суток. Его обслуживают 2 смены поочерёдно: одна работает 6 ч в цехах, а вторая отдыхает 6 ч в ЗС донного ОЭ. После 1 суток они убывают для отдыха в незаражённую местность, а их сменяют очередные 2 смены, прибывшие из незаражённой местности.
4. РРЗ населения посёлка не предусмотрено, т. к. Р1 =0,77 рад/ч больше 0,2 и 0,3 рад/ч, указанных в таблице 10.11 для населения, проживающего в каменных одно- и многоэтажных домах. Поэтому следует населения эвакуировать в незаражённую зону, где находятся работающие на ОЭ вахтовым методом.
5. Рассчитанный дозовый критерий для принятия решения о защите составил Д10 сут = 19.8 бэр, что выше верхнего уровня, указанного в таблице 10.6, за исключением взрослых людей. Поэтому в качестве защитных мер следует принять укрытие всех людейв ЗС и защиту органов дыхания, а с учётом действия радиоактивных осадков на отдельные органы человека и йодную профилактику всех людей ОЭ и посёлка до подхода радиоактивного облака. Дозировка йодного калия следующая: 1 раз в день по 0,04г детям в возрасте до 2 лет и беременным женщинам в течении 3 суток; 1 раз в день по 0,125г всем взрослым людям и детям в возрасте от 2 лет и старше в течении 7 суток. В дальнейшем следует проводить эвакуацию детей и беременных женщин (в первую очередь), а затем и всех взрослых людей, неработающих на ОЭ вахтовым методом.
Список использованной литературы
1) Практикум по БЖД под ред. Бережного С. А. – Тверь: ТГТУ, 1997.
2) Бережной С. А., Романов В. В., Седов Ю. Н. Безопасность жизнедеятельности: Уч. пособие. – Тверь: ТГТУ, 1996.
3) Сборник типовых расчетов и заданий по экологии: Уч. пособие под ред. Бережного С.А., Седова Ю.И. и др. – Тверь: ТГТУ, 1999.