| Скачать .docx |
Дипломная работа: Обеспечение безопасности прогнозирование и разработка мероприятий по предупреждению и ликвидации
Федеральное агентство по образованию
Государственное образовательное учреждение высшего профессионального образования
УФИМСКИЙ ГОСУДАРСТВЕННЫЙ АВИАЦИОННЫЙ ТЕХНИЧЕСКИЙ УНИВЕРСИТЕТ
ПОЯСНИТЕЛЬНАЯ ЗАПИСКА
к выпускной квалификационной работе
Обеспечение безопасности, прогнозирование и разработка мероприятий по предупреждению и ликвидации чрезвычайной ситуации на компрессорной станции
Уфа 2008
Реферат
ЧРЕЗВЫЧАЙНАЯ СИТУАЦИЯ, КОМПРЕССОРНАЯ СТАНЦИЯ, СЖИЖЕННЫЙ УГЛЕВОДОРОДНЫЙ ГАЗ, ВЗРЫВ, АВАРИЙНО - СПАСАТЕЛЬНЫЕ И ДРУГИЕ НЕОТЛОЖНЫЕ РАБОТЫ, ТЕХНОЛОГИЯ, УПРАВЛЕНИЕ, БЕЗОПАСНОСТЬ СПАСАТЕЛЬНЫХ РАБОТ, ЭФФЕКТИВНОСТЬ ТЕХНИЧЕСКИХ РЕШЕНИЙ
Цель ВКР - прогнозирование, предупреждение и ликвидация ЧС на компрессорной станции «Сергиевского ЛПУМГ».
Проведена оценка вероятности возникновения ЧС и определены сценарии развития ЧС.
Осуществлено прогнозирование параметров основных поражающих факторов в соответствии с выбранными сценариями развития ЧС.
Спланированы и разработаны мероприятия по ликвидации ЧС.
Разработаны мероприятия по управлению силами и средствами, привлекаемыми для ликвидации ЧС.
Разработаны мероприятия по обеспечению безопасности проведения аварийно-спасательных и других неотложных работ.
Разработаны технические решения, направленные на снижение вероятности возникновения ЧС и предотвращения их дальнейшего развития.
Произведена экономическая оценка последствий чрезвычайной ситуации и оценка эффективности внедрения технических решений.
Содержание
Реферат
1. Характеристика объекта исследования и оценка риска возможных чрезвычайных ситуаций
1.1 Состав сооружений и классификация магистральных газопроводов
1.2 Классификация газопроводов
1.3 Статистические данные по авариям в России на объектах газораспределения и потребления
1.4 Анализ известных аварий на линейной части газопроводов
1.5 Вероятность возникновения аварии
1.6 Источники воспламенения природного газа в технологическом процессе
1.7 Сведения о рассматриваемом объекте
1.8 Сведения о природно-климатических и других условиях района расположения объекта
1.9 Принципиальная технологическая схема КС-21 «Сергиевская»
1.10 Характеристика природного газа
1.11 Оценка количества опасных веществ, участвующих в авариях на газопроводах Сергиевского ЛПУМГ
1.12 Общая обстановка при производственных авариях с взрывом на предприятиях по транспортировке газа
1.12.1 Взрывы газовоздушных смесей в производственных помещениях
1.13 Оценка риска возникновения чрезвычайных ситуаций на
компрессорной станции «Сергиевского ЛПУМГ»
1.14 Разработка сценариев развития чрезвычайной ситуации
1.15 Расчет вероятности возникновения ЧС, вызванной разгерметизацией газопровода в здании компрессорной станции
1.16 Описание чрезвычайной ситуации
2. Прогнозирование параметров основных поражающих факторов и оценка устойчивости зданий, сооружений и технологического оборудования
2.1 Анализ производства по пожаровзрывоопасности
2.2 Описание расчетного сценария чрезвычайной ситуации
2.3 Расчет избыточного давления взрыва для горючих газов
2.4 Расчёт параметров волны давления при разрыве газопровода в открытом пространстве
2.5 Расчет размеров зон, ограниченных НКПР газов при поступлении ГГ в помещение
2.6 Расчет размеров зон, ограниченных НКПР газов при поступлении ГГ в открытое пространство
2.7 Расчетное определение значения коэффициента участия ГГ во взрыве
2.8 Расчет параметров взрыва газовоздушных смесей
2.9 Расчет уровней разрушений при взрыве
2.10 Расчет параметров завала, образовавшегося в результате взрыва
2.11 Расчет интенсивности теплового излучения и времени существования «огненного шара»
2.12 Метод оценки индивидуального риска для аварии в помещении
2.13 Метод оценки социального риска для аварии в помещении
2.14 Оценка индивидуального риска в открытом пространстве
2.15 Оценка социального риска в открытом пространстве
3. Планирование и организация работ по ликвидации ЧС, вызванной взрывом в здании компрессорной станции «Сергиевского ЛПУМГ»
3.1 Основные принципы и требования к планированию и организации аварийно-спасательных и других неотложных работ при ликвидации чрезвычайных ситуаций на объектах по транспортировке газа
3.2 Определение номенклатуры и последовательности проведения мероприятий аварийно – спасательных и других неотложных работ при ликвидации ЧС, в здании компрессорной станции
3.3 Расчет времени выдвижения формирований из мест дислокации в зону чрезвычайной ситуации
3.4 Организация разведки в зоне ЧС
3.5 Рекогносцировка для проведения аварийно-спасательных и других неотложных работ при ликвидации ЧС на компрессорной станции «Сергиевского ЛПУМГ»
3.6 Поисково-спасательные работы в условиях завалов
3.7 Определение численности личного состава подразделений для расчистки подъездных путей к местам ведения спасательных работ
3.8 Способы деблокирования пострадавших из-под завалов
3.9 Определение количества сводных механизированных групп для деблокирования пострадавших и разборки элементов
разрушенного оборудования на КС «Сергиевского ЛПУМГ»
3.10 Определение количества и состава отделений для деблокирования пострадавших
3.11 Транспортировка пострадавших
3.12 Первая доврачебная и первая медицинская помощь в ходе работ по ликвидации чрезвычайной ситуации
3.13 Эвакуация пострадавших и персонала предприятия
3.14 Численность личного состава для проведения аварийно-спасательных и других неотложных работ
3.15 Подразделения охраны общественного порядка
3.16 Выбор и расчет техники, необходимой для эвакуации пострадавших
3.17 Подбор комплектов спасательной техники, необходимой для механизации работ по разборке завала и вывозу обломков завала
3.17.1 Проведение работ по сбору обломков завалов
3.17.2 Производство погрузочных работ элементов завала для вывоза их из зоны ЧС
3.17.3 Производство транспортных работ по вывозу элементов завала на полигон для утилизации твердых бытовых отходов
3.18 Основы организации материально–технического обеспечения подразделений, привлекаемых для ликвидации чрезвычайных ситуаций на объектах газопереработки
3.19 Основные принципы организации первоочередного жизнеобеспечения населения
3.20 Обеспечения формирований, ликвидирующих ЧС, и персонала предприятия водой в зоне ЧС
3.21 Обеспечение формирований, ликвидирующих ЧС, продуктами питания
3.22 Обеспечение пострадавшего персонала и личного состава формирований, ликвидирующих ЧС, жильем и коммунально-бытовыми услугами и предметами первой необходимости
3.23 Обеспечение привлекаемой техники горюче-смазочными материалами.
3.24 Техническое обеспечение спасательной техники, участвующей в работах в зоне ЧС, вызванной взрывом на компрессорной станции
4. Организация управления при ликвидации чрезвычайной ситуации, вызванной взрывом в здании компрессорной станции
4.1 Правовые основы организации управления ликвидацией
чрезвычайной ситуации на КС «Сергиевского ЛПУМГ»
4.2 Оповещение и сбор руководящего состава при возникновении чрезвычайной ситуации
4.3 Организация действий сил и средств, привлекаемых для ликвидации чрезвычайной ситуации
4.4 Структура управления ликвидацией чрезвычайной ситуации на компрессорной станции «Сергиевского ЛПУМГ»
4.5 Решение председателя комиссии по чрезвычайным ситуациям и обеспечению пожарной безопасности – главного инженера «Сергиевского ЛПУМГ» при ликвидации чрезвычайной ситуации
5. Обеспечение безопасности при ликвидации чрезвычайной ситуации, вызванной разгерметизацией газопровода на компрессорной станции «Сергиевского ЛПУМГ»
5.1 Роль обеспечения безопасности формирований РСЧС при ликвидации чрезвычайной ситуации
5.2 Идентификация и анализ негативных факторов в зоне ЧС
5.3 Применение организационных методов для снижения воздействий поражающих факторов в зоне ЧС
5.3.1 Расчет загазованности территории при разгерметизации газопровода в здании компрессорной станции
5.4 Рекомендации по обеспечению безопасности при ликвидации ЧС, вызванной разгерметизацией газопровода в здании
компрессорной станции
5.4.1 Оказание первой медицинской помощи пострадавшему
персоналу компрессорной станции
5.4.2 Разработка комплекса средств индивидуальной защиты для формирований РСЧС и персонала компрессорной станции
5.4.3 Повышение работоспособности спасателей
6. Мероприятия по повышению взрывобезопасности здания компрессорной станции на «Сергиевском ЛПУМГ»
6.1 Превентивные и оперативно – тактические мероприятия по ликвидации и уменьшения последствий чрезвычайной ситуации
6.2 Разработка мероприятий по предупреждению взрывов в здании компрессорной станции «Сергиевского ЛПУМГ»
6.2.1 Молниезащита здания компрессорной станции «Сергиевского ЛПУМГ»
6.2.2 Расчет флегматизирующих концентраций
6.2.3 Система внутритрубной диагностики трубопровода
6.2.4 Способ защиты зданий и сооружений от разрушения при взрыве ГПС и устройство для обеспечения безопасности помещений
6.2.5 Способ защиты здания от разрушений при взрыве
6.2.6 Предохранительно – запорное газовое устройство
Заключение
Список литературы
1. Характеристика объекта исследования и оценка риска возможных чрезвычайных ситуаций
В разделе проводится анализ причин чрезвычайной ситуации по данным научно-технической литературы, разрабатываются сценарии развития чрезвычайной ситуации: наиболее опасного, вероятного и с максимально негативным воздействием на окружающую природную среду, приводится краткая физико-химическая характеристика природного газа, проводится краткий анализ аварийности объектов нефтегазового комплекса в России и за рубежом. Выяснив особенности причины ЧС и условия их возникновения, можно спрогнозировать ЧС и определить последствия воздействия поражающих факторов.
1.1 Состав сооружений и классификация магистральных газопроводов
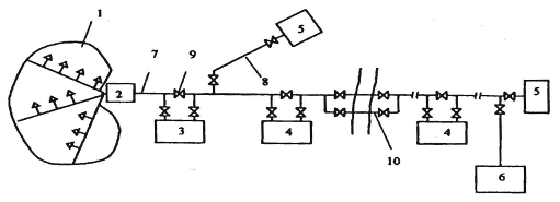
Система доставки продукции газовых месторождений до потребителей представляет собой единую технологическую цепочку. С месторождений газ поступает через газосборный пункт по промысловому коллектору на установку подготовки газа, где производится осушка газа, очистка от механических примесей, углекислого газа и сероводорода. Далее газ поступает в систему магистрального газопровода. Принципиальная схема магистрального газопровода представлена на рисунке 1.1 [3].

1 – газосборные сети; 2 – промысловый пункт сбора газа; 3 – головные сооружения; 4 – компрессорная станция; 5 – газораспределительная станция; 6 – подземные хранилища газа; 7 – магистральный трубопровод; 8 – ответвления от магистрального трубопровода; 9 – линейная арматура; 10 – двухниточный проход через водную преграду.
Рисунок 1.1 – Принципиальная схема магистрального газопровода
В состав магистрального газопровода входят следующие основные объекты:
- головные сооружения;
- компрессорные станции;
- газораспределительные станции;
- станции подземного хранения газа;
- линейные сооружения.
На головных сооружениях производится подготовка газа, его учет и компримирование с целью дальнейшей транспортировки.
Компрессорные станции (КС) размещаются по трассе газопровода с интервалом 80...120 км и служат для восстановления давления перекачиваемого газа. В большинстве случаев КС оборудуются центробежными нагнетателями с приводом от газотурбинных установок или электродвигателей. В настоящее время газотурбинным приводом оснащено более 88 % всех КС, а электроприводом - около 12 % [3].
Газораспределительные станции (ГРС) предназначены для снижения (редуцирования) давления газа до рабочего давления газораспределительной системы потребителей. ГРС также оборудуются узлами учета и установками очистки и одорирования газа (придания ему специфического запаха для облегчения обнаружения утечки газа с целью предупреждения взрывоопасных ситуаций и отравления людей).
После ГРС газ поступает в газовые сети населенных пунктов, которые подают его к месту потребления. Снижение и поддержание в необходимых пределах давления газа в газораспределительных сетях осуществляется на газорегуляторных пунктах (ГРП).
Для сглаживания неравномерности потребления газа крупными населенными пунктами сооружаются станции подземного хранения газа (СПХГ).
К линейным сооружениям относятся собственно магистральный трубопровод, линейные запорные устройства, узлы очистки газопровода, переходы через искусственные и естественные препятствия, станции противокоррозионной защиты, дренажные устройства. К линейным сооружениям также относятся линии технологической связи, отводы от магистрального газопровода для подачи части транспортируемого газа потребителям и сооружения линейной эксплуатационной службы (ЛЭС) [3].
Расстояние между линейными запорными устройствами (кранами) должно быть не более 30 км. Управление линейными кранами следует предусматривать дистанционным - из помещения операторной компрессорной станции, а также ручным - по месту. Линейная запорная арматура должна оснащаться автоматическими механизмами аварийного перекрытия.
При параллельной прокладке двух и более магистральных газопроводов в одном технологическом коридоре предусматривается соединение их перемычками с запорной арматурой. Перемычки следует размещать на расстоянии не менее 40 и не более 60 км друг от друга у линейных кранов, а также до и после компрессорных станций.
Вспомогательные линейные сооружения магистрального газопровода принципиально не отличаются от сооружений магистрального нефтепровода. К ним относятся линии связи, вдольтрассовые дороги, вертолетные площадки, площадки аварийного запаса труб, усадьбы линейных ремонтеров и т. д.
В зависимости от конкретных условий эксплуатации состав сооружений магистрального газопровода может изменяться. Так, на газопроводах небольшой протяженности может не быть промежуточных КС. Если в добываемом газе отсутствует сероводород или углекислый газ, то необходимость в установках по очистке газа от них отпадает. Станции подземного хранения газа обычно сооружаются только вблизи крупных городов или районов газопотребления.
Исходя из величины рабочего давления, магистральные газопроводы подразделяются на два класса:
1-й класс – при рабочем давлении свыше 2,5 МПа до 10 МПа
включительно;
2-й класс – при рабочем давлении свыше 1,2 МПа до 2,5 МПа
включительно.
Газопроводы, эксплуатируемые при давлениях ниже 1,2 МПа, к магистральным газопроводам не относятся. Протяженность магистральных газопроводов составляет обычно от нескольких десятков до нескольких тысяч километров, а диаметр — от 150 до 1420 мм. включительно. Большая часть газопроводов имеет диаметр от 720 до 1420 мм. включительно. Рассмотрим классификацию газопроводов.
1.2 Классификация газопроводов
Газопровод является важным элементом системы газоснабжения, так как на его сооружение расходуется 70...80% всех капитальных вложений. По назначению газопроводы подразделяют:
- магистральные, транспортирующие газ от мест добычи к городам и крупным промышленным потребителям;
- городские, обеспечивающие подачу и распределение газа внутри города; они могут быть высокого, среднего и низкого давления;
- промышленные.
В зависимости от числа ступеней давления газа в газопроводах системы газоснабжения городов и населенных пунктов делятся на одно-, двух-, трех- и многоступенчатые.
Одноступенчатые системы газоснабжения обеспечивают подачу газа потребителям по газопроводам только одного давления, как правило, низкого.
Двухступенчатые системы газоснабжения обеспечивают распределение и подачу газа потребителям по газопроводам среднего и низкого или высокого и низкого давлений.
Трехступенчатая система газоснабжения позволяет осуществлять распределение и подачу газа потребителям по газопроводам низкого, среднего и высокого давлений.
Многоступенчатая система газоснабжения предусматривает распределение газа по газопроводам высокого I категории (до 1,2 МПа), высокого II категории (до 0,6 МПа), среднего (до 0,3 МПа) и низкого (до 0,005 МПа) давлений.
В систему газоснабжения входят распределительные газопроводы всех давлений, газораспределительные станции (ГРС) и газорегуляторные пункты. Все элементы систем газоснабжения должны обеспечивать надежность и безопасность подачи газа потребителям.
Газопроводы высокого давления подают газ через газорегуляторные пункты (ГРП) в газопроводы высокого и среднего давления, газгольдерным станциям и крупным промышленным предприятиям.
Газопроводы среднего давления питают через регуляторные пункты и установки распределительную сеть низкого давления, а также промышленные и крупные коммунально-бытовые предприятия.
Газопроводы низкого давления обслуживают мелких потребителей — жилые дома, небольшие коммунально-бытовые предприятия. К бытовым потребителям газ поступает под низким давлением, к промышленным — под средним или высоким.
Связь между газопроводами различных давлений осуществляется через газорегуляторные пункты (ГРП) и газорегуляторную установку (ГРУ).
В зависимости от расположения газопроводы делятся на наружные (уличные, внутриквартальные, дворовые, межцеховые) и внутренние (расположенные внутри зданий и помещений), а также на подземные (подводные) и надземные (надводные).
В зависимости от назначения в системе газоснабжения газопроводы подразделяются на распределительные, газопроводы-вводы, вводные, продувочные, сбросные и межпоселковые [3].
В зависимости от материала труб газопроводы подразделяют на металлические (стальные, медные) и неметаллические (полиэтиленовые). При строительстве газопроводов применяют, как правило, стальные трубы.
1.3 Статистические данные по авариям в России на объектах газораспределения и потребления
В 2008 году на объектах газораспределения и газопотребления произошло 51 аварий и 4 несчастных случая со смертельным исходом. По сравнению с 2007 годом количество аварий уменьшилось на 9 %, количество несчастных случаев со смертельным исходом уменьшилось на 25 %. Суммарный материальный ущерб от аварий в 2007 году составил примерно 12 млн. рублей, включая 2,5 млн. рублей ущерб причиненный третьим лицам.
В таблице 1.1 приведена динамика протяженности газопроводов, производственного травматизма со смертельным исходом и аварийности за 1998-2008 гг. [11].
К основным проблемам, связанным с обеспечением безопасности и противоаварийной устойчивости, относится износ оборудования, отработавшего нормативный срок, газорегуляторных пунктов, подземных газопроводов, устаревшее оборудование котельных, работающих без автоматики. Недостаточны темпы диагностики малонадежных газопроводов и их перекладки.
Таблица 1.1 - Динамика протяженности газопроводов, производственного травматизма со смертельным исходом и аварийности
| Год |
Протяжённость подземных газопроводов, тыс. км. |
Число аварий |
Тыс. км. газопроводов на одну аварию |
Число травмированных смертельно, чел |
Тыс. км газопроводов на одну травму со смертельным исходом |
| 1998 |
261,6 |
32 |
8,18 |
10 |
26,16 |
| 1999 |
269,5 |
38 |
7,09 |
13 |
20,75 |
| 2000 |
300,0 |
31 |
9,68 |
12 |
25,00 |
| 2001 |
320,0 |
37 |
8,65 |
12 |
26,67 |
| 2002 |
327,0 |
47 |
6,96 |
4 |
81,75 |
| 2003 |
330,0 |
39 |
8,46 |
15 |
22,00 |
| 2004 |
357,0 |
22 |
16,23 |
5 |
71,40 |
| 2005 |
368,0 |
52 |
7,08 |
3 |
122,67 |
| 2006 |
375,5 |
49 |
7,66 |
4 |
93,88 |
| 2007 |
380,6 |
47 |
7,75 |
5 |
90,66 |
| 2008 |
384,7 |
51 |
8,51 |
4 |
91,8 |
| Сумма |
3673,9 |
445 |
87 |
||
| Сред ний уровень |
10,38 |
43,29 |
Указанные проблемы дают основание к прогнозированию увеличения числа аварий в связи с работой устаревшего оборудования и старением газопроводов.
1.4 Анализ известных аварий на линейной части газопроводов
Перечень аварий, имевших место на объектах с обращающимся природным газом [12]:
20.01.06 г. На 267-м км. магистрального газопровода «Челябинск-Петровск» ООО «Баштрансгаз» ОАО «Газпром» разрушился газопровод с последующим возгоранием газа.
22.01.06 г. На 122,5-м км. магистрального газопровода «Моздок-Тбилиси» ООО «Кавказтрансгаз» ОАО «Газпром» произошёл взрыв, в результате которого была прекращена подача газа в Грузию.
26.01.06 г. На 39-м км. магистрального газопровода «Аксакай-Гудермес-Грозный» ФГУП «Чеченгазпром» разрушился газопровод с выбросом газа без возгорания.
26.02.06 г. На 1172,5-м км. магистрального газопровода «Ямбур-Западная граница СССР» ООО «Тюменьтрансгаз» ОФО «Газпром» разрушился газопровод с возгоранием.
22.04.06 г. На 50,5-м км. магистрального газопровода «Минибаево-Казань» ООО «Таттрансгаз» ОАО «Газпром» произошло возгорание этановой фракции в результате разрушения трубопровода.
17.04.06 г. На 888-м км. магистрального газопровода «Уренгой-Петровск» ООО «Тюменьтрансгаз» ОАО «Газпром» в процессе эксплуатации разрушился трубопровод с возгоранием газа.
29.05.06 г. На 206-м км. магистрального газопровода «Нижняя Тура-Пермь 3» ООО «Пермтрансгаз» ОАО «Газпром» при транспортировке газа разрушился газопровод с возгоранием.
11.07.06 г. На 1473,8-м км. магистрального газопровода «Уренгой-Петровск» ООО «Пермтрансгаз» ОАО «Газпром» в процессе подготовки к проведению работ по внутритрубной диагностике при подаче давления произошло разрушение камеры запуска поршня. Смертельно травмированы два человека.
09.09.06 г. На 68-м км. магистрального газопровода «Сердобск-Ртищево» ООО «Югтрансгаз» ОАО «Газпром» при прокладке линии связи в результате внешнего воздействия произошёл разрыв трубы без возгорания газа. Пострадали три человека, один из них погиб, два других травмированы и госпитализированы. Участок отсечён задвижками.
24.10.06 г. На 2978,65-м км. магистрального газопровода «Уренгой-Центр-1» филиала ООО «Мострансгаз» Донского УМГ ОАО «Газпром» разрушился газопровод с возгоранием.
24.11.06 г. На 10-м км. магистрального газопровода «Моздок-Тбилиси» ООО «Кавказтрансгаз» ОАО «Газпром» разрушился трубопровод с возгоранием газа.
8.12.06 г. На 652,5-м км. магистрального газопровода «Ямбург Западная граница СССР» ООО «Тюменгазтранс» ОАО «Газпром» произошёл разрыв трубы газопровода с возгоранием газа. Пострадавших нет.
13.12.06 г. На 245 км. магистрального газопровода «Некрасовская-Березанская» ООО «Кубаньгазпром» ОАО «Газпром» разрушился подземный газопровод на участке 11 м. из-за коррозии трубы. Выход природного газа составил 634 м3 . Прекращено газоснабжение станицы Некрасовской.
24.02.07 г. На 179-м км. магистрального газопровода «Майкоп-Самурская-Сочи» ООО «Кубаньгазпром» ОАО «Газпром» произошёл выход газа из трубопровода на переходе через автодорогу 4-й категории вследствии разгерметизации газопровода. Выход газа составил 980 тыс. м3 .
25.03.07 На 1324-м км. магистрального газопровода «Средняя Азия – Центр-2-2» филиала ООО «Югтрансгаз» ОАО «Газпром» при работе в нормальном режиме Р=4 МПа произошёл разрыв газопровода Dy =1020 мм с возгоранием и разрушением трубы.
03.04.07 На 749-754-м км. магистрального газопровода «Уренгой-Центр-2» ООО «Тюменьтрансгаз ОАО «Газпром» в процессе эксплуатации разрушился газопровод Dy =1420 мм. С возгоранием газа. Длина разрушенного участка составила около 25м, давление на момент аварии – 7,31 МПа.
03.06.07 г. На 1030,6-м км. магистрального газопровода «Ухта – Торожок-2» ООО «Севергазпром» ОАО «Газпром» разрушился газопровод Dy =1220 мм. с возгоранием газа.
26.07.07 г. На 799-м км. магистрального газопровода «Белоусово-Ленинград» Северного ЛПУ МГ ООО «Ленинтрасгаз» ОАО «Газпром» произошёл разрыв магистрального газопровода Dy =1020 мм. в рабочем состоянии с выбросом 50 метровой трубы и возгоранием газа.
15.08.07 г. На 21-м км. магистрального газопровода ООО «Баштрансгаз» ОАО «Газпром» разрушился магистральный газопровод Dy =720 мм. с последующим выходом газа и его возгоранием.
27.09.07 г. На 562-м км. магистрального газопровода «Саратов-Горький» Филиал ООО «Волготрансгаз» произошло разрушение участка (2-4м) газопровода Dy =820 мм. без возгорания.
27.09.07 г. На 1303-м км. магистрального газопровода «Уренгой – Центр 1» ООО «Тюменьтрансгаз» ОАО «Газпром» разрушился трубопровод Dy =1420 мм. с выбросом и возгоранием газа.
Из анализа статистических данных по отказам и авариям на рисунке 1.3 представлены основные причины и факторы, способствующие их возникновению[6].
На рисунке 1.2 представлено изменение числа аварий на магистральных газопроводах по годам.

Рисунок 1.2 – Изменение числа аварий на магистральных газопроводах по годам
Из рисунка 1.2. видно, что к настоящему времени видно, что число аварий на магистральных газопроводах остается величиной постоянной.

Рисунок 1.3 – Диаграмма основных причин возникновения аварий на магистральных газопроводах
Источниками воспламенения газовоздушных смесей в закрытом пространстве являются – смотри рисунок 1.4.

Рисунок 1.4 – Диаграмма основных источников воспламенения газовоздушных смесей в закрытом пространстве
На основе основных причин аварий необходимо произвести определение возможных сценариев ЧС на магистральных газопроводах.
1.5 Вероятность возникновения аварии
Вероятность рассмотренных вариантов аварий невысокая.
Частота возникновения аварий на линейной части МГ России по статистике «Газпрома» в период с 1998 по 2008 гг. приведена в таблице 1.2.
Таблица 1.2 – Частота реализации опасности, качественное и количественное описание
| Количественная мера |
Качественная мера |
||
| Случаи реализации опасности |
Диапазон частоты реализации опасности, случаев/год |
||
| Определение |
Диапазон |
Толкование |
|
| 1 |
2 |
3 |
|
| Многочисленные |
Более 1 |
100 |
Более одного раза в год на объекте |
| Отдельные |
1…0,1 |
10-1 |
Несколько случаев за десятилетие эксплуатации |
| Единичные |
01…0,01 |
10-2 |
Один раз за время существования объекта |
| Маловероятные |
0,001…0,0001 |
10-4 |
Отдельные случаи в практике |
| Редкие |
0,0001…0,00001 |
10-5 |
Отдельные случаи в мировой практике |
| Уникальные |
менее 0,000001 |
10-6 |
Возможны по законам природы |
В соответствии с таблицей по частоте реализации опасности аварии на линейной части МГ для жизненного цикла объекта относятся к маловероятным и редким
1.6 Источники воспламенения природного газа в технологическом процессе
Газ является хорошим диэлектриком, поэтому при движении по трубопроводу образуется статическое электричество. В процессе электризации разность потенциалов достигает весьма больших значений (80 кВ), из-за чего между изолированным незаземленным газопроводом и расположенными рядом предметами возможны разряды [12].
Разряды происходят тогда, когда напряжённость электрического поля над поверхностью диэлектрика или проводника достигает критической величины, которая будет обуславливаться накоплением на них разрядов. Чем сильнее разряд, тем больше вероятность возникновения пожара или взрыва.
Атмосферное электричество может вызвать следующие опасности:
прямое нападение молнии, приводящее к пожарам и поражению обслуживающего персонала электрическим током. Напряжение молнии достигает 220 МВ, сила тока составляет 300…1200 кА, температура 10000 о С;
ударная волна, приводящая к механическим повреждениям;
вторичное проявление, то есть электростатическая индукция, вызывающие искрение в местах плохого контакта, может привести, при наличии взрывоопасной смеси, к взрывам.
Статическое электричество в большинстве случаев образуется при движении газа по технологическим трубопроводам. Величина заряда статического напряжения зависит от удельного объема транспортируемого газа. Степень электролизации газа определяется измерительными приборами во взрывозащищенном исполнении, для соответствующей категории и группы взрывоопасной смеси с обеспечением мер предупреждения взрывов и пожаров. Разность потенциалов, которая может возникнуть, составляет 80 кВ, а разность потенциалов, при которой может произойти пожар (взрыв), составляет 4...8 кВ.
Искрообразование также возможно и при разрушении самого трубопровода (при взаимодействии металлических частиц при движении).
Проведение огневых газоопасных работ с нарушением правил техники безопасности может привести к аварийной ситуации, т.к. есть источники открытого огня.
1.7 Сведения о рассматриваемом объекте
Сергиевское линейное производственное управление магистральных газопроводов (ЛПУМГ) - один из 7-ти газотранспортных филиалов ООО «Самаратрансгаз».
Основная задача ЛПУМГ - транспортирование газа с заданными параметрами по магистральным газопроводам (МГ) «Челябинск - Петровск», «Уренгой - Петровск», «Уренгой - Новопсков» и газопроводам-отводам в целях бесперебойной поставки газа потребителям в соответствии с утвержденным планом.
Общая протяженность газопроводов в однониточном исчислении в зоне ответственности Сергиевского ЛПУМГ– 512,64 км. Прокладка газопроводов – подземная, глубина заложения газопроводов с условным диаметром до 800 мм (газопроводы-отводы) – 0,8 м, с условным диаметром 1400 мм (МГ Северной системы) – 0,8 м до верха трубы.
Для анализа возможных ситуаций необходимо рассмотреть сведения о природно-климатических и других условиях района расположения исследуемого объекта.
1.8 Сведения о природно-климатических и других условиях района расположения объекта
Объекты «Сергиевского ЛПУМГ» располагаются на территории Самарской области, относящейся к умеренному климатическому району Характеристика климатических условий в области приведена в таблице 1.3.
Таблица 1.3 – Характеристика климатических условий в районе расположения объектов Сергиевского ЛПУМГ
| № п/п |
Наименование характеристики |
Единица измерения |
Значение |
|
| 1 |
2 |
3 |
4 |
|
| 1. |
Абсолютный максимум температуры наружного воздуха |
0 С |
38 |
|
| 2. |
Абсолютный минимум температуры наружного воздуха |
0 С |
минус 41 |
|
| 3. |
Продолжительность времени года с положительными суточными температурами |
сутки |
133 |
|
| 4. |
Продолжительность времени года с отрицательными суточными температурами |
сутки |
124 |
|
| 5. |
Повторяемость направлений ветра / Средняя скорость ветра по направлениям север северо-восток восток юго-восток юг юго-запад запад северо-запад штиль |
% / м/c |
Январь 8 9 4 37 24 6 6 6 20 |
Июль 20 18 7 11 7 8 11 18 20 |
| 6. |
Преобладающие ветры в теплое время года |
Северные |
||
| 7. |
Средняя скорость ветра в теплое время года |
м/с |
3,5 |
|
| 8. |
Преобладающие ветры в холодное время года |
Юго-восточные |
||
| 9. |
Среднегодовое количество осадков |
мм |
461 |
|
Объекты Сергиевского ЛПУ МГ располагаются в центральной части Самарской области, относящейся к умеренному климатическому району. План расположения газопроводов представлен в приложении А рисунок А1. Характер местности представляет собой возвышенную волнистую равнину, пересеченную глубокими речными долинами. Большую часть территории занимают пашни, естественные кормовые угодья, леса (смешанные, пойменные), болота. Территория сложена пермскими отложениями (известняками и доломитами), что обусловило широкое распространение здесь остаточно-карбонатных щебневатых и каменисто-щебневатых черноземов, составляющих около 40 % почвенного покрова района. В целом почвы представлены выщелоченными и типичными черноземами (64%), главным образом тяжелого механического состава. Район имеет сложный рельеф и сильно подвержен водной эрозии.
Регион характеризуется сравнительно слабым развитием речной сети и относительной бедности водными ресурсами. Магистральные газопроводы и газопроводы-отводы пересекают в основном небольшие реки, такие как Сургут, Шунгут, Орлянка, Суруш ширина русла которых в межень в местах подводных переходов не превышает 30 м; имеется несколько пересечений реки Сок ширина русла в межень в створе перехода до 100 м (всего 5 рек, не считая более мелких водных преград). В местах переходов нередко наблюдается уменьшение глубины заложения, размывы, а иногда и подмывы трубопроводов. На трассах имеются овраги, через которые оборудованы воздушные переходы (5 переходов).
Из ЧС природного характера в регионе возможны ураганы, лесные пожары. В случае аварий на гидротехнических сооружениях (ГЭС им.Ленина) региона возможно только подтопление местности площадью более 5 га.
Сейсмоактивность в районе промплощадки КС «Сергиевская» не наблюдается.
1.9 Принципиальная технологическая схема КС-21 «Сергиевская»
Технологическая схема компрессорной станции (представлена в приложении А рисунок А3) представляет собой трубопроводную систему высокого давления различного диаметра, связывающую между собой технологические аппараты и оборудование, и образующую тем самым замкнутую цепь, обеспечивающую проведение технологического процесса компремирования природного газа.
Технологической схемой предусматриваются следующие основные процессы:
- очистка газа перед компримированием;
- компримирование газа;
- охлаждение газа после компримирования.
Кроме указанных процессов, технологической схемой компрессорной станции предусмотрен ряд вспомогательных систем и установок, обеспечивающих нормальную работу основного оборудования:
- система смазки, хранения и регенерации масел;
- система циклового воздуха, сбора и утилизации тепла дымовых газов;
- система сжатого воздуха.
КС-21 состоит из одного цеха, подключенного к магистральному газопроводу «Уренгой - Петровск», Ду =1400 мм, Рпр =76 кгс/см2 . Газ высокого давления из магистральных газопроводов через входные шаровые краны № 7, 7а, 7р, 7ар (Ду 1000) узла подключения по всасывающим газопроводам-шлейфам поступает через входные коллекторы на батареи циклонных пылеуловителей (6 пылеуловителей производительностью 20 млн. нм3 /сутки), где очищается от механических и жидких примесей. После очистки газ попадает во всасывающий коллектор (Ду 1000) газоперекачивающих агрегатов, из которого направляется в параллельно работающие нагнетатели 6-и агрегатов СТД - 12500, где сжимается до проектного давления (75 кгс/см2 ). Компримированный газ под давлением 75 кгс/см2 поступает в нагнетательный коллектор (Ду 1000) и далее по трубопроводам (Ду 1000) направляется к батарее из 9 аппаратов воздушного охлаждения газа. Охлажденный газ по выходным шлейфам (Ду 1000) направляется к узлу подключения, попадая через кран № 8, 8а в магистральный газопровод.
Перемычка между всасывающим и нагнетательным шлейфами с кранами № 36, 36р, 6, 6а, 6б, 6в, 6г образует пусковой контур цеха, который предназначен для работы агрегатов на кольцо перед нагрузкой и разгрузкой, а также для регулирования производительности перепуском газа со стороны нагнетания на прием цеха.
Сжатие газа осуществляется с помощью электроприводных газоперекачивающих агрегатов СТД - 12500, каждый из которых представляет собой единую установку электроприводного привода СТД - 12500 и одноступенчатого нагнетателя 370-18-2 в одном цеху.
Импульсный газ отбирается от входного и выходного шлейфа через краны 32,32’,33,33’, а также с выхода пылеуловителей через краны 34’
После очистки импульсного газа в газосепараторах и осушки в адсорберах он подводится к крановым узлам.
Для обеспечения нормальной работы систем смазки, регулирования и уплотнения ГПА в состав цеха входит система маслоснабжения, которая обеспечивает прием, хранение, учет расхода масла, подачу чистого масла в маслобаки ГПА, слив отработанного масла на склад, аварийный слив и перелив из маслобаков, очистку масла в регенераторной.
1.10 Характеристика природного газа
Природный газ – смесь газов, образовавшаяся в недрах земли при анаэробном расположении органических веществ.
Природный газ – основное вещество, которое участвует в технологическом процессе КС, является взрывопожароопасным.
Характеристики природного газа приведены в таблице 1.4.
Таблица 1.4 – Характеристика вещества
| № |
Наименование параметра |
Параметр |
| 1 |
2 |
3 |
| 1. 1.1 1.2 |
Название вещества (смеси): - химическое - торговое |
Газ природный (метан – свыше 90% об.) Газ природный |
| 2. 2.1 2.2 |
Формула: - эмпирическая - структурная |
CH4 и следы C2 H6 , C3 H8 , CO2 , N2 (процентный состав) H H-С-H (свыше 90%) H |
| 3. 3.1 3.2 |
Состав, % - основной продукт -примеси (с идентификацией) |
Метан 98,012... 98,283 Этан 0,608... 0,805 Пропан 0,173... 0,250 Изобутан 0,030... 0,047 Н. бутан 0,020... 0,030 Изопентан 0... 0,005 Н. пентан 0... 0,001 CO2 0,011... 0,055 Азот 0,717... 0,906 |
| 4. 4.1 4.2 4.3 |
Общие данные: - молекулярный вес -температура кипения, о С (при давлении 101 кПа) - плотность при 20о С, кг/м3 |
16,1 -160 0,6778... 0,6803 |
| 5 5.1 5.2 5.3 5.4 |
Данные о пожароопасности: - температура вспышки -температура самовоспламенения - температура воспламенения - пределы взрываемости |
- 540 о С... 650 о С (метан) 640...800 о С (метан) 5...15 % (в смеси с воздухом) |
| 6 |
Реакционная способность |
В химические реакции в рабочих условиях не вступает |
| 7 |
Запах |
Не имеет запаха |
| 8 |
Коррозионное воздействие |
Коррозионная активность низкая |
| 9 |
Меры предосторожности |
На территории КС и на трассе надо исключать присутствие источников открытого огня (если только их наличие не связано с проведением разрешенных огневых работ). В помещениях надо следить за исправностью систем вентиляции и газоанализаторов. |
| 10 |
Информация о воздействии на людей |
Главные опасности связаны: 1) с возможной утечкой и воспламенением газа с последующим воздействием тепловой радиации на людей; 2) с удушьем при 15-16%-м снижении содержания кислорода в воздухе, вытесненного газом. |
| 11 |
Средства защиты |
Специальных индивидуальных средств защиты в компрессорных цехах и на трассе газопровода не требуется |
| 12 |
Методы перевода вещества в безвредное состояние |
В силу малотоксичности природного газа химические методы не предусмотрены. При утечке газа в помещении цехов включается аварийная вентиляция |
| 13 |
Меры первой помощи пострадавшим от воздействия вещества |
В случае удушья вынести пострадавшего на открытый воздух, вызвать медицинского работника. Давать с перерывами (3-4 подушки в час) кислород. При остановке дыхания немедленно применить искусственное дыхание до восстановления естественного. |
На компрессорной станции могут возникнуть следующие виды аварий:
- разрыв газопровода с возгоранием газа;
- пожар на газоперекачивающем агрегате (ГПА);
- утечка газа на технологическом оборудовании;
- разрушение трубопровода подогревателя газа с возгоранием;
- возгорание газа на свече от удара молнии;
- пожар в кабельном канале на одном из ГПА;
- другие аварийные ситуации.[13]
В ЛПУ должны быть разработаны и утверждены графики проведения противоаварийных тренировок персонала в соответствии с разработанными планами ликвидации возможных аварий.
Для обеспечения безаварийной работы технологических установок КС предусматривается:
- оборудование всеми необходимыми средствами контроля автоматики, предохранительной арматурой (сбросные, обратные клапаны и др.), обеспечивающих надежность и безаварийность их работы;
- - аварийное освещение в помещениях газоперекачивающих агрегатов с питанием от аккумуляторных батарей;
- аварийный останов КС диспетчером от одной кнопки;
- применение взрывобезопасного оборудования для взрывоопасных зон;
- во взрывоопасных помещениях предусматриваются кабели с медными жилами;
- все объекты II и III категории, подлежащие защите от прямых ударов молнии, защищаются стержневыми молниеотводами, остальные – заземляются для защиты от вторичных влияний молнии и статического электричества;
- опознавательная окраска газопроводов и др. технологических трубопроводов [4].
1.11 Оценка количества опасных веществ, участвующих в авариях на газопроводах Сергиевского ЛПУМГ
Объемы природного газа, которые могут быть выброшены в атмосферу в результате аварийного разрыва магистрального газопровода, зависят от времени идентификации аварии на диспетчерских пунктах компрессорных станций вверх и вниз по потоку, а также от технологической схемы обвязки параллельных ниток и от показателей надежности (факта срабатывания) линейных кранов. Если управление кранами не телемеханизировано, то определяющим фактором является время, затрачиваемое работниками линейно-эксплуатационной службы (ЛЭС) на дорогу до крановых узлов и перекрытие кранов. При этом массу выброшенного газа можно спрогнозировать при условии задания времени от момента разгерметизации до момента перекрытия кранов. Количество выброшенного газа в атмосферу может достигать десятков млн. куб. м.
В формировании зон действия ударной волны и осколочных поражающих факторов аварии на магистральном газопроводе участвует, в основном, масса сжатого газа, заключенная в пределах длины разрушенного участка. На размеры зоны термического воздействия на людей влияет интенсивность (массовый расход) истекающего газа, в основном, в течение первой минуты после разрыва.
Ниже в таблице приводятся результаты расчета интенсивности аварийных выбросов газа и газопроводов, эксплуатирующихся в «Сергиевском ЛПУМГ» с различными диаметрами и рабочими давлениями на конец первой минуты после разрыва.
Таблица 1.5 – Перечень составляющих Сергиевского ЛПУМГ и количества обращающихся на них опасных веществ
| Составляю-щая декларируе-мого бъекта |
Краткая характеристика составляющей |
Опасное вещество (с признаками идентификации) |
Количество опасного вещества,т |
Предельное количество оп. вещ-ва,т |
| 1 |
2 |
3 |
4 |
5 |
| Компрессорная станция |
КС-21 с шестью газоперекачивающими агрегатами |
1. Природный газ (воспламеняющийся газ) |
154,5 |
200 |
| 2. Турбинное масло (горючая жидкость) - на складах - в тех. процессе |
- 30 |
50000 200 |
||
| 3. Диз. топливо (горючая жидкость) - на складах - в тех. процессе |
- - |
50000 200 |
||
| 4. Метанол |
отсут. |
79 |
Как видно из табл. 1.5, превышение предельных значений количеств опасных веществ в целом по ЛПУМГ имеет место только по природному газу в магистральных газопроводах. Количества турбинного масла и метанола не превышают предельных значений.
1.12 Общая обстановка при производственных авариях с взрывом на предприятиях по транспортировке газа
В результате разрушения газопроводов возможен выброс хранящегося продукта внутрь промышленного здания или на открытую площадку с образованием газовоздушной смеси (ГВС). Серьезную опасность для персонала, зданий, сооружений и технологического оборудования представляет взрыв образовавшейся ГВС. Источником зажигания при взрыве может являться искры от неисправной проводки, искры от сварочных работ и т.д.
Для определения негативного воздействия поражающих факторов ЧС на человека, его имущество и окружающую природную среду необходимо знать пространственно-временное распределение тех или иных физико-химических, биологических, теплофизических и других параметров:
- при барическом воздействии – избыточное давление на фронте ударной волны и импульс фазы сжатия;
- при термическом воздействии – поле плотностей тепловых потоков излучения;
- при токсическом воздействии – поле концентраций (токсодоз) токсиканта и т.д..
Под сценарием развития техногенной аварии понимается последовательность логически связанных между собой отдельных событий (истечение, выброс, испарение, рассеяние, воспламенение, взрыв, воздействие на людей и соседнее оборудование и т.п.), в соответствии с которыми определяются поля физических параметров, вид и величина поражающих факторов, степень поражения людей, их имущества и окружающей природной среды.
Согласно ГОСТ Р 22.0.07 – 95 параметрами поражающих факторов при взрыве технологического оборудования (таблица 1.6) являются:
Таблица 1.6 – Параметры поражающих факторов при взрыве технологического оборудования.
| Наименование поражающего фактора источника техногенной ЧС |
Наименование параметра поражающего фактора источника техногенной ЧС |
| 1 |
2 |
| Воздушная ударная волна |
Избыточное давление во фронте ударной волны. Длительность фазы сжатия. Импульс фазы сжатия. |
| Обломки, осколки |
Масса обломка, осколка. Скорость разлета обломка, осколка |
| Тепловое излучение |
Энергия теплового излучения. Мощность теплового излучения. Время действия источника теплового излучения |
К вторичным поражающим факторам относятся:
1. Обломки зданий и сооружений, разрушающихся во время взрыва. Нахождение людей во время завала, придавливание конструкциями разрушенных зданий и сооружений при обвалах.
2. Взрывы при разрушении емкостей, коммуникаций и агрегатов с газом.
Наиболее опасным следствием аварии разгерметизации газопровода с природным газом являются пожары и взрывы, в результате которых разрушаются и повреждаются производственные здания, техника и оборудование. В свою очередь, пожары и взрывы, могут стать вторичной причиной аналогичных явлений вследствие повреждений электропроводки, разрушения газопроводов, опрокидывания действующих огневых установок и приборов. Характерны обрушения перекрытий цехов во время пожаров при сильном перегреве металлических конструкций [10].
Для локализации зоны аварии и недопущения увеличения масштаба ЧС необходимо быстрое и эффективное выполнение АСДНР, их правильная организация
В режиме детонационного горения нагрузки значительно возрастают. Поэтому режим детонационного горения принят за расчетный случай для прогнозирования инженерной обстановки при авариях с взрывом.
К основным условиям, влияющим на параметры взрыва, относят: массу и тип взрывоопасного вещества, его параметры и условия хранения или использования в технологическом процессе, место возникновения взрыва, объемно-планировочные решения сооружений в месте взрыва.
Взрывы на промышленных предприятиях и базах хранения можно разделить на две группы - в открытом пространстве и производственных помещениях.
В производственных помещениях на промышленных предприятиях и базах хранения возможны взрывы газовоздушных смесей (ГВС), образующихся при разрушении газопроводов, резервуаров со сжатыми и сжиженными под давлением или охлаждением (в изотермических резервуарах) газами, а также при аварийном разливе легковоспламеняющихся жидкостей [9,11].
1.12.1 Взрывы газовоздушных смесей в производственных помещениях
Аварии со взрывом могут произойти на пожаровзрывоопасных объектах. К пожаровзрывоопасным объектам относятся объекты, на территории или в помещениях которых находятся (обращаются) горючие газы, легковоспламеняющиеся жидкости и горючие пыли в таком количестве, что могут образовывать взрывоопасные горючие смеси, при горении которых избыточное давление в помещении может превысить 5 кПа.
Последствия взрыва на пожаровзрывоопасных предприятиях определяются в зависимости от условия размещения взрывоопасных продуктов.
Если технологический аппарат со взрывоопасными продуктами размещен в зданиях, то авария развивается по сценарию взрыва в замкнутом объеме.
Кратко рассмотрим модели воздействия, позволяющие определить поля давлений при прогнозировании последствий взрывов в производственных помещениях.
Наиболее типичными аварийными ситуациями в этом случае считаются:
- разрушение аппарата или трубопровода со смешанными газами или жидкостями;
- потеря герметичности трубопроводов (разрыв сварного шва, прокладки, отрыв штуцера);
- образование или выброс горючей пыли.
В этом случае газо-, паро-, пылевоздушная смесь займет частично или полностью весь объем помещения. Затем этот объем заменяется расчетной сферой (в отличии от полусферы в открытом пространстве), радиус которой определяется с учетом объема помещения, типа и массы опасной смеси. При прогнозировании последствий считают, что процесс в помещении развивается в режиме детонации.
1.13 Оценка риска возникновения чрезвычайных ситуаций на компрессорной станции «Сергиевского ЛПУМГ»
Практика эксплуатации газовых сетей и сооружений показывает, что при повреждении отдельных элементов системы вытекающий газ может легко воспламениться, после чего начинается его интенсивное горение. Газ загорается, но взрывов при этом не бывает. Объясняется это тем, что взрывоопасен не сам газ, а его смесь с воздухом, так называемая газовоздушная смесь, и притом в строго определенной пропорции. Если в воздухе содержится газа меньше нижнего предела, то смесь не способна ни взрываться, ни гореть [4].
Учитывая причины аварии рассмотренные в пункте 1.9 данного раздела работы построена блок-схема развития различных аварийных ситуаций на магистральном газопроводе «Сергиевского ЛПУМГ» (рисунок 1.5), на основании блок-схемы, построено дерево событий (рисунок 1.6).
![]() |
Рисунок 1.5 – Схема развития аварии на магистральном газопроводе

Рисунок 1.6 – Дерево событий разрыва магистрального газопровода
Вероятность возникновения инициирующего события – разрушение газопровода, принята равной 1.
Значение частоты возникновения отдельного события или сценария пересчитывается путем умножения частоты возникновения инициирующего события на условную вероятность развития аварии по конкретному сценарию.
1 – разрыв газопровода;
2 – «вырывание» концов разрушенного газопровода из грунта на поверхность («в слабонесущих» грунтах) с разлетом осколков трубы;
3 – образование котлована в грунте (в «твердых» грунтах) с разлетом осколков трубы;
4 – истечение газа из газопровода в виде двух независимых высокоскоростных струй с одновременным образованием ударной воздушной волны;
5 – образование газовоздушного облака;
6 – истечение газа из котлована в виде «колонного» шлейфа с одновременным образованием ударной воздушной волны;
7 – воспламенение истекающего газа с образованием двух настильных струй пламени;
8 – рассеивание истекающего газа без воспламенения;
9 – рассеивание облака;
10 – взрыв газовоздушной смеси;
11 – рассеивание истекающего газа;
12 – воспламенение истекающего газа с образованием «столба» пламени.
Значение частоты возникновения сценария аварийной ситуации при разрыве газопровода, с воспламенением истекающего газа и образованием двух настильных струй пламени равно:
Рн.стр.пл = Р1· Р12 · Р24 · Р47 = 1·0,7·0,7·0,2= 9,8·10-2 . (1.1)
Вероятность возникновения взрыва газовоздушной смеси:
Рвзр = Р1·Р13·Р35·Р510 = 1·0,3·0,05·0,01= 1,5·10-4 . (1.2)
Вероятность возникновения «столба» пламени:
Рст.п. = Р1·Р13·Р36·Р612 =1·0,3·0,25·0,1= 7,5·10-3 . (1.3)
Вероятность возникновения взрыва и пожара:
Рвзр пож = Р7 +Р10 +Р12 = Р1 · Р12 · Р24 · Р47 + Р1 ·Р13 ·Р35 ·Р510 + Р1 ·Р13 ·Р36 ·Р612 = =1·0,7·0,7·0,2+1·0,3·0,05·0,01+1·0,3·0,25·0,1= 9,8·10-2 +1,5·10-4 +7,5·10-3 =0,105(1.4)
Таким образом, наиболее вероятным сценарием развития аварии является разрушение газопровода без воспламенения, но, учитывая статистику ЧС, связанных с разрушением газопровода, наибольшие разрушающие последствия имеют разрывы с образованием опасной газовоздушной смеси c последующим разрушением зданий, поэтому будет рассматриваться именно этот сценарий ЧС.
1.14 Разработка сценариев развития чрезвычайной ситуации
Результаты расследования ранее произошедших аварий позволяют предположить возможность трех типов техногенных аварий, которые могут произойти на компрессорной станции.
Группа сценариев С1 (наиболее опасное): Разгерметизация соединительного газопровода, от блока пылеуловителей до электроприводного газоперекачивающего агрегата в блоке компримирования газа в замкнутом пространстве (помещении), вследствие резкого увеличения давления ® выброс газа ® образование взрывоопасной ГВС в замкнутом пространстве ® взрыв ГВС от источника инициирования (источником инициирования взрыва явилось соударение металлических предметов при выбросе из трубопровода газа, либо, стало результатом взаимодействия (трения) частиц вещества и металлических конструкций трубопровода) ® поражение оборудования и персонала ударной волной, осколками оборудования.
Группа сценариев С2 (наиболее вероятное): Разгерметизация нагнетательного газопровода с природным газом в блоке компримирования газа в здании компрессорной станции, в результате нарушения целостности сварного шва ® выброс газа в пределах помещения ® воспламенение от источника зажигания (источником воспламенения послужила электрическая искра от неисправного оборудования) ® термическое поражение оборудования и персонала.
Группа сценариев С3 (максимально негативное воздействие на окружающую среду): Разгерметизация трубопровода с природным газом на открытом пространстве, вследствие дефекта сварного шва ® выброс газа в открытое пространство ® образование переобогащенной ГВС ® сгорание ГВС по модели «огненный шар» при наличии источника инициирования (источником инициирования послужил разряд молнии) ® прямое огневое воздействие на окружающую среду ® термическое воздействие на окружающую среду.
Взрывоопасные облака топливно-воздушной смеси, как правило, воспламеняются через некоторое время после их образования. Это позволяет оповестить персонал предприятия о необходимости включения устройств защиты (паровые или водяные завесы для его рассеивания) и принять меры по предотвращению возможных взрывов на соседних объектах. Таким образом, весьма актуальным является обнаружение загазованности воздушной среды территории предприятий на ранних стадиях аварии.
Для расчета вероятности возникновения ЧС необходимо построить дерево отказов для каждого сценария.
1.15 Расчет вероятности возникновения ЧС, вызванной разгерметизацией газопровода в здании компрессорной станции
Моделирование аварийной ситуации представлено на дереве событий.
Дерево отказов - это графическое представление связей между отказами оборудования и аварийными ситуациями. Одним из достоинств метода является систематическое логически обоснованное построение множества отказов элементов системы, которые могут привести к аварии. В соответствии с формулами 1.5 и 1.6 проведем расчет вероятности возникновения взрыва в парке высокого давления.
; (1.5)
. (1.6)
На рисунке 1.6 приведено дерево отказов для наиболее вероятного сценария, разгерметизация газопровода в здании компрессорной станции с последующим воспламенением истекающего газа.
![]()
Рисунок 1.6 – Дерево отказов для наиболее вероятного сценария развития ЧС
В таблице 1.7 приведены значения вероятности возникновения конечных событий для нежелательного события – разгерметизация нагнетательного газопровода ГПА в блоке компримирования газа в здании компрессорной станции с последующим воспламенением истекающего газа.
Таблица 1.7 – Исходные события «дерева отказов»
| Событие или состояние модели |
Вероятность события Pi |
| Отказ предохранительных клапанов |
0,04 |
| Отказ автоматических отсекающих задвижек |
0,03 |
| Дефект сварного шва |
0,06 |
| Коррозионный износ сварного шва газопровода |
0,07 |
| Механическое повреждение газопровода |
0,08 |
Значение для события Х, по формуле 1.5
Рx
=
=1-(1-0,0738)∙(1-0,08)=0,1478;
Для события Y, по формуле 1.5:
Рy
=
=1-(1-0,0041)∙(1-0,07)=0,0738;
Для события Z, по формуле 1.6:
РZ =РA ∙РВ =0,06∙0,0688=0,0041;
Для события В:
РВ
=
1-(1-0,04)∙(1-0,03)=0,0688.
В соответствии с данными таблицы 1.5 ЧС, вызванная разгерметизацией газопровода, с дальнейшим воспламенением от источника зажигания, является редкой.
В таблице 1.8 приведены значения вероятности возникновения конечных событий для нежелательного события – разгерметизация подземного газопровода в открытом пространстве с последующим воспламенением.
Таблица 1.8 – Вероятность возникновения события
| № |
Событие |
Вероятность |
|
| 1 |
2 |
3 |
|
| 1 |
Недостаточный материал изоляции |
1,3∙10-4 |
|
| 2 |
Механические повреждения изоляции при ремонте и строительстве МГ |
2,3∙10-3 |
|
| 3 |
Неудовлетворительное нанесение покрытия |
3,6∙10-3 |
|
| 4 |
Неудовлетворительный контроль состояния изоляции |
1∙10-2 |
|
| 5 |
Недостаток работы катодной защиты |
3,6∙10-3 |
|
| 6 |
Высокая коррозионная активность грунта |
9∙10-3 |
|
| 7 |
Низкое качество работы сварщика |
9∙10-2 |
|
| 8 |
Некачественный контроль швов |
1,5∙10-4 |
|
| 9 |
Дефекты при строительстве и ремонте |
2,9∙10-2 |
|
| 10 |
Дефекты при транспортировке труб |
3,6∙10-3 |
|
| 11 |
Проведение ремонтных работ в охранной зоне |
1∙10-3 |
|
| 12 |
Трасса МГ не обозначена |
10-4 |
|
| 13 |
Неосведомленность строительных организаций о наличии МГ |
10-3 |
|
| 14 |
Оползень |
0,14 |
|
| 15 |
Паводок |
10-4 |
|
| 16 |
Разряд молнии |
1∙10-2 |
|
| 17 |
Селевой поток |
10-3 |
|
| 18 |
Дефекты заводского продольного шва трубы |
1,3∙10-4 |
|
| 19 |
Низкое качество металла трубы |
1,5∙10-4 |
|
Значение для события Y(по формуле 1.5):
;
Для события M:
1-(1-1,3∙10-4
)∙(1-2,3∙10-3
)∙(1-3,6∙10-3
)=0,006;
Для события G:
РG = РM ∙Р4 ∙Р5 ∙Р6 =0,006∙1∙10-2 ∙3,6∙10-3 ∙9∙10-3 =0,02∙10-7 ;
Значение для события H:
РH =Р7 ∙Р8 =9∙10-2 ∙1,5∙10-4 =1,35∙10-5 ;
Для события I:
;
Для события B:
Для события J:
РJ =Р11 ∙Р12 ∙Р13 =1∙10-3 ∙10-4 ∙10-3 =1∙10-10 ;
Для события K:
![]()
Для события С:
1-(1-1∙10-10
)∙(1-0,1495)∙(1-10-3
)=0,1503;
Для события D:
;
Таким образом, для события Х:
Рх =1-(1-0,02∙10-7 )∙(1-0,0466)∙(1-0,1503) ∙(1-0,003) ∙(1-0,001)=0,193.
В соответствии с данными таблицы 1.5 ЧС, вызванная разгерметизацией трубопровода с природным газом в открытом пространстве, с дальнейшим сгоранием ГВС по модели «огненный шар», является отдельной (несколько случаев за десятилетие эксплуатации).
В таблице 1.9 приведены значения вероятности возникновения конечных событий для нежелательного события – полная разгерметизация соединительного газопровода, всасывающего коллектора ГПА в блоке компримирования газа.
Таблица 1.9 – Вероятность возникновения события
| № |
Событие |
Вероятность |
|
| 1 |
2 |
3 |
|
| L |
Абразивный износ регулятора давления |
1,3∙10-4 |
|
| M |
Дефекты не ликвидируются |
10-3 |
|
| 1 |
Отбор пробы до продувочной свечи через вентиль |
1,7∙10-4 |
|
| 2 |
Отсутствие на продувочном трубопроводе после запорного устройства крана со штуцером для отбора пробы |
2,3∙10-4 |
|
| 3 |
Отсутствие или неисправности систем контроля диагностики |
3,6∙10-3 |
|
| 4 |
Нарушение требуемой периодичности контроля диагностики МГ |
1∙10-2 |
|
| 5 |
Внутренняя коррозия |
3,8∙10-3 |
|
| 6 |
Атмосферная коррозия |
2,4∙10-3 |
|
| 7 |
Повышение рабочего давления |
2,9∙10-2 |
|
| 8 |
Возникновение локальных напряжений |
1,5∙10-4 |
|
| 9 |
Некачественная диагностика и выявление дефектов перед вводом в эксплуатацию |
3,2∙10-2 |
|
| 10 |
Дефекты производства и СМР |
3,6∙10-2 |
|
| 11 |
Недостаточный контроль за регулятором |
1,3∙10-2 |
|
| 12 |
Недостаточный контроль персонала за дат-чиками давления |
1∙10-2 |
|
| 13 |
Неправильная работа манометра |
2,3∙10-3 |
|
На рисунке 1.8 приведено дерево отказов для нежелательного события – разгерметизациия газопровода в помещении, с дальнейшим полным разрушением здания компрессорной станции. Это является наиболее опасным сценарием развития чрезвычайной ситуации.
Рисунок 1.8 – Дерево отказов для наиболее опасного сценария развития аварии на магистральном газопроводе
Значение для события Y(по формуле 1.5):
;
Для события D:
;
Для события А:
РА =РM ∙РD =0,39∙10-3 ∙10-3 =0,39∙10-6 ;
Для события К:
РК =Р9 ∙Р10 =3,2∙10-2 ∙3,6∙10-2 =1,15∙10-3 ;
Для события J:
;
Для события I:
РI =РК ∙РJ =1,15∙10-3 ∙0,029=3,33∙10-5 ;
Для события H:
;
Для события G:
;
Для события F:
;
Значение для события E:
РE =РF ∙РG =0,0135∙0,0062=0,83∙10-4 ;
Значение для события B:
РB =РE ∙РM =0,83∙10-4 ∙10-3 =0,83∙10-7 ;
Для события C:
1-(1-1,3∙10-2
)∙(1-2,3∙10-3
)∙(1-1∙10-2
)=0,025;
Таким образом, для события Х:
РХ =1-(1-0,39∙10-6 )∙(1-1,3∙10-4 )∙(1-0,83∙10-7 ) ∙(1-0,025)=0,025.
В соответствии с данными таблицы 1.5 эта ЧС является единичной (один раз за время существования объекта).
1.16 Описание чрезвычайной ситуации
В здании компрессорной станции происходит полная разгерметизация соединительного газопровода, всасывающего коллектора ГПА (f 1020*16мм 38 м) в блоке компримирования газа. Причиной возникновения ЧС на компрессорной станции было резкое увеличение давления в трубопроводе. В результате происходит образование газовоздушной смеси с взрывоопасной концентрацией газа. Источником инициирования взрыва явилось соударение металлических предметов при выбросе из трубопровода газа, либо, стало результатом взаимодействия (трения) частиц вещества и металлических конструкций трубопровода.
Для проведения расчетов принимаем, что авария произошла в 12 часов дня. Время года – весна, 17 мая, скорость ветра 1,0 м/с, температура воздуха 15 ºС. Степень вертикальной устойчивости – изотермия. План компрессорной станции на рис.А2.
В результате взрыва из-за воздействия избыточного давления произошло разрушение здания компрессорной станции и близстоящих сооружений. Схема разрушений представлена в приложении А рисунок А4.
В данном разделе представлено краткое описание объекта исследования, технологическая схема «Сергиевского ЛПУМГ», приведены основные характеристики опасного вещества (природный газ). Разработаны сценарии возникновения и развития чрезвычайных ситуаций, возможных на газопроводе высокого давления. Так же рассчитаны вероятности их возникновения. Информация, полученная в данном разделе, позволяет провести расчет параметров поражающих факторов по определенным сценариям развития чрезвычайной ситуации. Цель, поставленная в разделе достигнута.
2. Прогнозирование параметров основных поражающих факторов и оценка устойчивости зданий, сооружений и технологического оборудования
В данном разделе рассчитываются показатели пожаровзрывоопасности объекта, определяется категория компрессорной станции по пожаровзрывоопасности, оцениваются социальный и индивидуальный риски, разрабатываются мероприятия по предупреждению пожаров и взрывов.
2.1 Анализ производства по пожаровзрывоопасности
В нефтегазовом комплексе используется и перерабатывается большое количество горючих и взрывоопасных материалов. Для повышения безопасности технологических процессов необходима правильная оценка взрыво- и пожароопасности этих процессов и выполнение ряда мероприятий, направленных на более рациональное проектирование и безопасную эксплуатацию.
Газоперекачивающая компрессорная станция относится к взрывопожароопасным производствам категории «А». Производства, относящиеся к данной категории, связаны с применением, транспортированием или получением горючих газов, нижний предел воспламенения которых составляет 10 % и менее по отношению к объему воздуха, жидкостей с температурой вспышки паров до 28 градусов при условии, что указанные газы могут образовывать взрывоопасные смеси.
Основными факторами, определяющими опасность участка, являются:
а) наличие и применение в больших количествах природного газа;
б) ведение процесса при высоких давлениях (до 7,5 МПа) и высоких температурах (до 300º С);
в) возможность образования зарядов статического электричества при движении газов и жидкостей по аппаратам и трубопроводам [12].
Пожаровзрывоопасность компрессорной станции обусловлена физико-химическими свойствами транспортируемых веществ. Зависимость параметров газа (давление), а также сложная пространственная конструкция трубопроводов, значительные переменные температурные и газодинамические нагрузки являются основными источниками опасностей в газопроводном транспорте.
2.2 Описание расчетного сценария чрезвычайной ситуации
В 17.05 происходит полная разгерметизация соединительного газопровода высокого давления, всасывающего коллектора газоперекачивающего агрегата от блока питания до ЭГПА (f 1020*16мм, 38 м, Р=7,5 МПа) в результате резкого повышения давления в трубопроводе. Происходит образование облака газовоздушной смеси с взрывоопасной концентрацией газа. Источником инициирования взрыва явилось соударение металлических предметов при выбросе из трубопровода газа, либо, стало результатом взаимодействия (трения) частиц вещества и металлических конструкций трубопровода.
2.3 Расчет избыточного давления взрыва для горючих газов
Избыточное давление взрыва ∆Р, кПа, для индивидуальных горючих веществ определяется по формуле:
∆Р = (Рmax – Р0 ) ∙ ((mZ)/(Vсв ρг.п. )) ∙ (100/Сст ) ∙ (1/Кн ), (2.1)
где Рmax – максимальное давление взрыва стехиометрической газовоздушной смеси в замкнутом объеме, определяемое экспериментально или по справочным данным. При отсутствии экспериментальных или справочных данных допускается принимать Рmax равным 900 кПа;
Р0 – начальное давление, кПа (допускается принимать равным 101кПа);
m – масса ГГ, вышедших в результате аварии в помещение
m = Vг ∙ ρг . (2.2)
где Vг – объем газа, поступившего в помещение в результате гипотетической аварии на газопроводе, м3 ;
ρг – плотность газа при расчетной температуре tp , кг∙м3 , вычисляемая по формуле
ρг
=
=
кг/м3
, (2.3)
где М- молярная масса вещества, кг/кмоль;
V0 - мольный объем, равный 22,413 м3 / кмоль;
tp - расчетная температура, ºС. В качестве расчетной температуры следует принимать максимально возможную температуру воздуха в данном помещении в соответствующей климатической зоне или максимально возможную температуру воздуха по технологическому регламенту с учетом возможного повышения температуры в аварийной ситуации, в нашем случае 21 ºС.
Произведем расчет параметров взрыва при разгерметизации соединительного газопровода для наиболее опасного сценария С1 развития аварии: разгерметизация трубопровода в замкнутом пространстве (помещении) (полная разгерметизация соединительного газопровода, всасывающего коллектора ГПА от блока питания до ЭГПА, f 1020*16мм 38 м в блоке компримирования газа) ® выброс газа ® образование взрывоопасной ГВС в замкнутом пространстве ® взрыв ГВС от источника инициирования ® поражение оборудования и персонала ударной волной, осколками оборудования, дальнейшее развитие аварии на территории компрессорной станции.
Исходные данные:
Трубопровод высокого давления Рт =7,5 МПа;
Максимальный расход q=5 м3 /с;
Диаметр трубопровода d=1020 мм;
Время срабатывания задвижек (автоматическое отключение) Т=30 с;
Расстояние между задвижками l=30 м.
Объем газа, вышедшего из трубопроводов определяется по следующей формуле
Vг = V1Т + V2Т = 150+3315= 3465 (м3 ); (2.4)
где V1Т – объем газа вышедшего из трубопровода до его отключения,м3 ;
V1Т =q∙T = 5∙30=150 (м3 ); (2.5)
где q – расход газа, равный 5 м3 /с;
Т – время, до перекрытия трубопровода, равное 30 с;
V2Т - объем газа, вышедшего из трубопровода после его отключения,м3 ;
V2Т =0,01πp2 (r2 1 l1 +r2 2 l2 +,…,r2 n ln ),= 0,01∙ 3,14∙ 7,5∙10 3 ∙0,685²·30= 3315 (м3 );(2.6)
π = 3,14;
Р2 – максимальное давление в трубопроводе по технологическому регламенту, равное 7,5∙103 кПа;
r – внутренний радиус трубопроводов, равный 1 м;
L – длина трубопроводов от аварийного аппарата до задвижек, 30 м.
Следовательно, согласно формуле (3.2) вычислим массу ГГ, вышедших в результате аварии и в помещение:
m =3465∙0,67= 2322 (кг).
Z – коэффициент участия горючего вещества во взрыве, который допускается принимать для горючих газов Z = 0,5;
Vсв – свободный объем помещения, в нашем случае Vсв =44200 м3 ;
Сст – стехиометрическая концентрация ГГ, %(об.), вычисляемая по формуле
Сст = 100/(1+4,84β), (2.7)
где β = nc +((nH -nX )/4)-(no /2) – стехиометрический коэффициент кислорода в реакции сгорания; (2.8)
Следовательно стехиометрическая концентрация ГГ будет равна:
Сст =100/(1+4,84 ∙2) = 9,36%(об.).
Кн – коэффициент, учитывающий негерметичность помещения и неадиабатичность процесса горения. Кн допускается принимать равным 3.
Из всего выше вычисленного можно найти значение избыточное давление взрыва ∆Р для индивидуальных горючих веществ:
∆Р =(900-101) ∙((2322∙0,5)/(44200∙0,67)) ∙ (100/9,36) ∙ (1/3) = 112 кПа
Определим степень разрушения здания компрессорной станции по таблице 2.1
Таблица 2.1 Предельно допустимое избыточное давление взрыва в помещениях или на открытом пространстве
| Степень поражения |
Избыточное давление, кПа |
| Полное разрушение зданий |
100 |
| 50 %-ное разрушение зданий |
53 |
| Средние повреждения зданий |
28 |
| Умеренные повреждения зданий (повреждение внутренних перегородок, рам, дверей и т.п.) |
12 |
| Нижний порог повреждения человека волной давления |
5 |
| Малые повреждения (разбита часть остекления) |
3 |
В соответствии с таблицей определяем, что при ∆Р=112 кПа происходит полное разрушение здания компрессорной станции.
Произведем расчет параметров пожара для наиболее вероятного сценария С2: разгерметизация трубопровода с природным газом (частичная разгерметизация всасывающего газопровода ГПА f 1020*16,5 мм 285 м в блоке компримирования газа в здании компрессорной станции) ® выброс газа в пределах помещения ® воспламенение от источника зажигания ® термическое поражение оборудования и персонала, дальнейшее развитие аварии на территории предприятия.
Исходные данные:
Трубопровод высокого давления Рт =7,5 МПа;
Максимальный расход q=5 м3 /с;
Диаметр трубопровода d=1020 мм;
Время срабатывания задвижек (автоматическое отключение) Т=20 с;
Расстояние между задвижками l=20 м;
Параметры помещения 85×65×10.
Находим массу горючего газа, вышедшего в результате расчетной аварии в помещение:
V=m∙ρг;
По формуле 2.3:
ρг
=
=
кг/м3
,
По формуле 2.6: V2Т = 0,01∙ 3,14∙ 7,5∙10 3 ∙0,5²·20= 1178 м3 ;
По формуле 2.5: V1Т =q∙T = 5∙20=100 м3 ;
По формуле 2.4 рассчитаем объем газа вышедшего из трубопроводов:
Vг = 100+1178= 1278 м3 ;
Согласно формуле 2.2 вычислим массу ГГ, вышедших в результате аварии и в помещение:
m =1278∙0,67=856 кг;
Vсв = 0,8∙55250= 44200 м3 - свободный объем помещения;
СН4 :β =1+((4-0)/4-(0/2) =2;
По формуле (2.7):
Сст =100/(1+4,84 ∙2) = 9,36%(об.);
Z=0,5 по таблице 2.7.
По формуле (2.1) избыточное давление сгорания газовоздушной смеси ∆Р, кПа, для индивидуальных горючих веществ определяется:
∆Р = (900 –101) ∙ ((2023∙0,5)/(44200∙0,67. )) ∙ (100/9,36) ∙ (1/3)=97кПа,
В соответствии с таблицей 2.1, при ∆Р=97 кПа происходит полное разрушение здания компрессорной станции.
2.4 Расчёт параметров волны давления при разрыве газопровода в открытом пространстве
Рассчитаем параметры волны давления при разрыве газопровода в открытом пространстве, для сценария С3 развития аварии с максимально негативным воздействием на окружающую среду
Параметрами волны давления являются избыточное давление в положительной фазе волны Dp и безразмерный импульс положительной фазы волны i.
При разрушении газопровода с природным газом на полное сечение реализуются три основных сценария:
1 – образование воздушных волн сжатия в воздухе за счет расширения в атмосфере природного газа, выброшенного под высоким давлением из объема разрушившейся части газопровода с воздействием избыточного давления и импульса, разлет фрагментов трубы и обломков грунта;
2 – образование огневого шара, возникающего на начальной стадии истечения газа из разрушенного трубопровода (не более 1 минуты после разрушения), с воздействием теплового поля;
3 – горение факела с воздействием теплового поля от пламени, образованного горением высокоскоростных струй газа, истекающих из разрушенной части трубопровода.
При моделировании опасных факторов взрыва учитывались только факторы нагружения импульсным и барическим действием воздушных волн сжатия, образующихся при расширении в атмосфере природного газа, выброшенного под высоким давлением из объема разрушившейся части газопровода. Для расчета этих характеристик были использованы широко применяемые на практике соотношения М.А.Садовского для сферической волны в свободном пространстве [13, 14]:
– избыточное давление на фронте волны сжатия:
, МПа, (2.8)
где
- приведённый радиус, рассчитан по формуле 2.11;
– импульс положительной фазы сжатия:
, кПа×с, (2.9)
где
-масса тротилового эквивалента, рассчитан по формуле 3.5;
– период положительной фазы сжатия:D
, с, (2.10)
где R – расстояние от места аварии, принимается равным 60 м, расстояние до первого садового участка.
Приведённый радиус рассчитывается по формуле:
, (2.11)
Приведение энергии расширения массы газа, участвующей в формировании первичных волн сжатия к эквивалентной энергии от взрыва тротилового эквивалента в соответствии с законами подобия [15,16] позволяет выражение (2.5), в котором энергия распределения сферической волны при наземном взрыве удваивается и имеет форму полусферы:
, кг. (2.12)
где h – поправочный коэффициент, равный для слабонесущих и средних грунтов (пески, супеси) примерно 0,6, а для плотных грунтов (суглинки и глины) – 0,8;
QТНТ – теплота сгорания тротила, равная 4,2×106 Дж/кг;
МГ – масса сжатого газа, участвующая в формировании первичных волн сжатия, кг (3.11),
, кг. (2.13)
АГ – работа расширения единицы массы газа, Дж/кг, и, полагая процесс расширения газа адиабатическим (PVk =const), имеем [13]:
, Дж/кг. (2.14)
P0 – атмосферное давление, 101,3 кПа;
r0 =0,7168 – плотность природного газа при 0ºС;
P1 – рабочее давление перекачки, 5,5 МПа;
r1 – плотность газа при перекачке, 0,71 кг/м3 ;
Lp – длина разрушенного участка, 65 м (рисунок 2.1).
Как показал анализ статистики аварий на газопроводах [12,15], существует определенная корреляция
между протяженностью разрыва Lp и технологическими параметрами трубопроводов (рисунок 2.1).

Рисунок 2.1 – Зависимость протяженности аварийного разрыва от диаметра трубопровода
Таким образом, по формулам 2.8-2.14 для расчетной аварии подземного трубопровода, получим, что лесопосадка, расположенная в 60 метрах от места разрыва получит избыточное давление в 3,5 кПа. Зависимость значения избыточного давления от расстояния представлена на рисунке 2.2.
Результаты расчета свидетельствуют о том, что возникающая при разрушении газопровода волна сжатия не представляет серьезной угрозы для жизни человека, оказавшегося даже в непосредственной близости (не ближе 50 м) от места аварии, и не способна вызвать каких-либо повреждений зданий и сооружений, расположенных за пределами существующих охранных зон, что также подтверждается отечественным и зарубежным опытом ликвидации аналогичных аварий.
При разгерметизации и взрыве газопровода по произведенным расчетам ожидается, что избыточное давление от взрыва на расстоянии 60 м. составит 3,5 кПа (формула 2.8).
2.5 Расчет размеров зон, ограниченных НКПР газов при поступлении ГГ в помещение
Для определения размеров газопаровоздушного облака паров веществ, поступившего в открытое пространство произведем расчет размеров зон ограничивающих область концентраций, превышающих нижний концентрационный предел распространения пламени.
Расстояние ХНКПР , YНКПР , ZНКПР рассчитывают по следующим формулам:
ХНКПР = К1 l(K2 ln(δC0 /CНКПР )0.5 ; (2.15)
YНКПР = К1 b(K2 ln(δC0 /CНКПР )0.5 ; (2.16)
ZНКПР = К3 h(K2 ln(δC0 /CНКПР )0.5 . (2.17)
где К1 – коэффициент, принимаемый равным 1,1314 для ГГ;
K2 - коэффициент, равный 1 для ГГ;
К3 - коэффициент, принимаемый равным 0,0253 для ГГ при отсутствии подвижной воздушной среды; 0,02828 для ГГ при подвижной воздушной среде;
h – высота помещения, равная 10м;
b – ширина помещения, равная 65м;
l – длина помещения, равная 85м;
δ – допустимое отклонение концентраций при задаваемом уровне значимости Q(C > c), равный 1,63;
размеры помещения 65 на 85;
U – подвижность воздушной среды при работающей вентиляции;
СНКПР – по табличным данным для метана составляет 5,28% (об.)
Вычислим Со – предэкспоненциальный множитель, %(об.), равный:
при отсутствии подвижной среды для ГГ:
Со = 3,77 ∙ 103 ∙ (m / (ρг. ∙ Vсв ); (2.18)
где m - масса ГГ, вышедших в результате аварии и в помещение;
ρг. - плотность газа, вышедшего из трубопроводов, ρг =0,67 м3
Vсв - свободный объем помещения, в нашем случае Vсв =44200 м3 ;
при подвижности воздушной среды для ГГ:
Со = 3 ∙ 102 ∙ (m / (ρг. ∙ Vсв ∙U) ; (2.19)
Рассчитаем размеры зон, ограниченных НКПР газов при поступлении ГГ в помещение, для наиболее опасного сценария С1 развития аварии, по формулам 2.15...2.17:
Данные для расчета: масса вышедшего газа, в результате аварии 2322 кг, свободный объем помещения 44200 м3 .
Со = 3,77 ∙ 103 ∙(2322 /(0,67. ∙44200) = 296 %(об.);
Со = 3∙ 102 ∙(2322 /(0,67. ∙44200. ∙ 0,1) = 235 % (об.);
Рассчитаем размеры зон, ограниченных НКПР газов при поступлении ГГ в помещение:
при работающей вентиляции:
ХНКПР =1,1314 ∙ 85 (1. ∙ ln ((1,63. ∙235) / 5,28))0,5 = 199 м;
YНКПР =1,1314 ∙ 65 ((1. ∙ ln (1,63. ∙235) / 5,28))0,5 = 152 м;
ZНКПР =0,02828 ∙ 10 ((1. ∙ ln (1,63. ∙ 235) / 5,28))0,5 =0,58 м;
при неработающей вентиляции:
ХНКПР =1,1314 ∙ 85 ((1. ∙ ln (1,63. ∙ 296) / 5,28))0,5 = 204 м;
YНКПР =1,1314 ∙ 65 ((1. ∙ ln (1,63. ∙296) / 5,28))0,5 = 156 м;
ZНКПР =0,0253 ∙ 10 ((1. ∙ ln (1,63. ∙296) / 5,28))0,5 = 0,54 м;
Цилиндр, внутри которого располагается источник возможного выделения горючих газов, будет ограничен размерами здания компрессорной станции (85×65×10). В пределах этой зоны создается взрывоопасная среда.
Рассчитаем размеры зон, ограниченных НКПР газов при поступлении ГГ в помещение, для наиболее вероятного сценария С2 развития аварии, по формулам 2.15...2.17:
Данные для расчета: масса вышедшего газа, в результате аварии 856 кг, свободный объем помещения 44200 м3 .
Вычислим Со – предэкспоненциальный множитель, %(об.):
при отсутствии подвижной среды для ГГ, по формуле 2.18:
Со = 3,77 ∙ 103 ∙(856 /(0,67. ∙44200) = 109 %(об.);
при подвижности воздушной среды для ГГ, по формуле 2.19:
Со = 3∙ 102 ∙(856 /(0,67. ∙44200. ∙ 0,1) = 87 % (об.);
при работающей вентиляции:
ХНКПР =1,1314 ∙ 85 ((1. ∙ ln (1,63. ∙87) / 5,28))0,5 = 175 м;
YНКПР =1,1314 ∙ 65 ((1. ∙ ln (1,63. ∙87) / 5,28))0,5 = 134 м;
ZНКПР =0,02828 ∙ 10 ((1. ∙ ln (1,63. ∙ 87) / 5,28))0,5 =0,5 м;
при неработающей вентиляции:
ХНКПР =1,1314 ∙ 85 ((1. ∙ ln (1,63. ∙ 109) / 5,28))0,5 = 180 м;
YНКПР =1,1314 ∙ 65 ((1. ∙ ln (1,63. ∙109) / 5,28))0,5 = 138 м;
ZНКПР =0,0253 ∙ 10 ((1. ∙ ln (1,63. ∙109) / 5,28))0,5 = 0,5 м;
Цилиндр, внутри которого располагается источник возможного выделения горючих газов, будет ограничен размерами здания компрессорной станции (85×65×10). В пределах этой зоны создается взрывоопасная среда.
2.6 Расчет размеров зон, ограниченных НКПР газов при поступлении ГГ в открытое пространство
Произведем расчет зон, ограниченных НКПР газов для сценария С3 с максимально негативным воздействием на окружающую среду.
Критериями размеров зон, ограниченных НКПР газов, при аварийном поступлении горючих газов в открытое пространство при неподвижной воздушной среде являются расстояния ХНКПР , YНКПР , ZНКПР , м.
Эти расстояния для горючих газов рассчитываются по формулам:
, (2.20)
, (2.21)
где mг – масса поступившего в открытое пространство ГГ при аварийной ситуации, кг;
ρг – плотность ГГ при расчетной температуре и атмосферном давлении, кг/м3 ;
СНКПР – нижний концентрационный предел распространения пламени ГГ % (об.).
Для определения плотности ГГ применяется формула:
, (2.22)
где М – молярная масса, равна 16,1 кг/моль – для природного газа;
V0 – мольный объем, равный 22,413 м3 /кмоль;
tp – расчетная температура, равная 12 0 С;
Отсюда, ρг = 16,1/(22,413·(1+0,00367·12)) = 0,71 кг/м3 .
Произведем расчёт зон НКПР пламени для сценария С3 с максимально негативным воздействием на окружающую среду, при беспламенном истечении газа из образовавшегося свища в газопроводе в 5 м3 /с и длительностью 15 минут.
Для определения массы поступившего в открытое пространство ГГ при разгерметизации трубопровода применяется формула 2.2:
mг =Vт ∙ρг,
Объем газа, вышедшего из трубопровода, по формуле 2.4:
Vт = 5∙900=4500 м3 ;
mг =4500 × 0,71 =3195 кг.
Т.о. по формулам (2.20) и (2.21) рассчитаем расстояния XНКПР , YНКПР и ZНКПР для природного газа, ограничивающие область концентраций, превышающих НКПР:
м;
м.
Для ГГ геометрически зона, ограниченная НКПР, будет представлять цилиндр с основанием радиусом Rб и высотой hб = 2Rб при Rб £ h и hб = h + Rб при Rб > h, внутри которого расположен источник возможного выделения ГГ [17].
Таким образом, для расчетной аварии подземного трубопровода, геометрически зона, ограниченная НКПР газов, будет представлять цилиндр с основанием радиусом Rб = XНКПР = YНКПР = 142,6 м и высотой hб = Z НКПР =3,2 м.
2.7 Расчетное определение значения коэффициента участия ГГ во взрыве
Приведенные расчеты применяются для случая
100т/(ρг.п ∙ Vсв )<0.5 ∙ CНКПР – нижний концентрационный предел распространения пламени газа, % (об.), и для помещений в форме прямоугольного параллелепипеда с отношением длины к ширине не более 5.
Коэффициент Z участия ГГ во взрыве при заданном уровне значимости рассчитывается:
Z = ((5∙10-3 ∙π)/m) ∙ ρг ∙(C0 + CНКПР /δ) ∙ ХНКПР ∙ YНКПР ∙ ZНКПР ; (2.23)
Рассчитаем коэффициент Z участия ГГ во взрыве при заданном уровне значимости для наиболее опасного сценария С1.
Данные для расчета:
m =2322 кг, согласно формуле (2.2);
ρг = 0,67 кг/м-3 , согласно формуле (2.3);
С0 = 296 %(об.), согласно (2.11) – при отсутствии воздушной среды;
С0 = 235 %(об.), согласно (2.12) – при подвижной воздушной среде;
δ = 1,63
при отсутствии воздушной среды
Z = ((5∙10-3 ∙3,14)/2322) ∙0,67 ∙(296+(5,28/1,63)) ∙204 ∙156 ∙0,54 = 23;
при подвижной воздушной среде:
Z = ((5∙10-3 ∙3,14)/2322) ∙0,67 ∙(235+(5,28/1,63)) ∙199 ∙152 ∙0,58 = 19.
Таким образом коэффициент участия горючих газов во взрыве при отсутствии воздушной среды равно 23, при подвижной воздушной среде – 19.
2.8 Расчет параметров взрыва газовоздушных смесей
При взрыве газовоздушных смесей (ГВС) зону детонационной волны, ограниченную радиусом r0 , можно определить по формуле
r0
=
, м, (2.24)
где 1/ 24 - коэффициент, м/кДж1/3 ;
Э - энергия взрыва смеси, определяемая из выражения
Э =
, кДж, (2.25)
где С - стехиометрическая концентрация горючего по объему в %, для метана 9,45 об.%;
rстх - плотность смеси стехиометрического состава, кг/м3 , для метана составит 1,232 кг/м3 ;
Qстх - энергия взрывчатого превращения единицы массы смеси стехиометрического состава, кДж/кг;
V0 - свободный объем помещения, м3 .
Произведем расчет параметров взрыва газовоздушных смесей для наиболее опасного сценария С1:
Данные для расчета: Qстх – для метана 2,763∙103 кДж/кг,
V0 =0,8∙Vп =0,8∙55250=44200 м3 .
Э =
=1592,1∙106
, кДж,
r0
=
=48,7, м,
Зона действия воздушной ударной волны (ВУВ) начинается сразу за внешней границей облака ГВС. Давление во фронте ударной волны DРф зависит от расстояния до центра взрыва и определяется таблице 2.2, исходя из соотношения
DРф = f (r / r0 ), (2.26)
где r - расстояние от центра взрыва до рассматриваемой точки.
Таблица 2.2- Зависимость DРф от расстояния до центра взрыва
| r/r0 |
0 – 1 |
1,01 |
1,04 |
1,08 |
1,2 |
1,4 |
1,8 |
2,7 |
|||||||
| DРф ,кПа |
1700 |
1232 |
814 |
568 |
400 |
300 |
200 |
100 |
|||||||
| r/r0 |
3 |
4 |
5 |
6 |
8 |
12 |
20 |
||||||||
| DРф ,кПа |
80 |
50 |
40 |
30 |
20 |
10 |
5 |
||||||||
Данные определенные по формуле 2.10 в соответствии с таблицей 2.2 занесем в таблицу 2.3.
Таблица 2.3 – Зависимость избыточного давления на фронте ударной волны и расстояния до центра взрыва
| Расстояние до центра взрыва, м |
r/r0 |
DPф , кПа |
| 20 |
1,4 |
300 |
| 40 |
1,8 |
200 |
| 60 |
2,2 |
100 |
| 100 |
3 |
80 |
| 150 |
4 |
50 |
| 200 |
5 |
40 |
| 250 |
6 |
30 |
| 350 |
8,2 |
20 |
| 500 |
12 |
10 |
Рассмотрим воздействие избыточного давления ударной волны на человека.
Таблица 2.4 – Воздействие избыточного давления ударной волны на человека
| Уровень поражения |
Величина избыточного давления, кПа |
Расстояние до центра взрыва, м |
| Летальный исход |
300 |
27 |
| Перелом ребер |
130 |
40 |
| Состояние контузии |
70 |
54.5 |
| Общее сотрясение организма, кровоизлияние в легкие, мышечное кровоизлияние |
50 |
65.5 |
| Разрыв барабанных перепонок |
20 |
114 |
Избыточным давлением ударной волны будет поражен персонал компрессорной станции.
Рассчитаем уровни разрушений при взрыве в здании компрессорной станции.
2.9 Расчет уровней разрушений при взрыве
Произведем расчет уровней разрушений при взрыве для наиболее опасного сценария С1 развития аварии.
Расстояние от предполагаемого центра взрыва до объекта, т.е. радиус разрушений, который определяют по формуле:
, (2.27)
где W – тротиловый эквивалент взрыва, кг;
К – константа соответствующих разрушений;
Выделяют шесть основных зон опасности для следующих значений константы:
1) К=1 – условный радиус полного разрушения.
2) К=3,8 – зона полного разрушения зданий.
3) К=5,6 – зона 50%-го разрушения зданий.
4) К=9,6 – зона разрушений зданий без обрушения.
5) К=28 – зона умеренного разрушения зданий с разрушением дверей, оконных переплетов, внутренних перегородок.
6) К=56 – зона малого повреждения с разрушением около 10% остекления.
Тротиловый эквивалент взрыва рассчитывается по формуле:
W=
, (2.28)
где Z – доля приведенной массы паров, участвующих во взрыве (принимается Z=0,1),
q – низшая теплота сгорания, кДж/кг (для прир. газа q = 53082,492 кДж/кг)
qt – удельная энергия взрыва тротила, кДж/кг (qt = 4520 кДж/кг),
m – общая масса газа, кг.
W =
= 1212 кг.
Отсюда, согласно формуле 3.13 находим радиус разрушений:
R = K·
= K·7,55.
Результаты расчетов по всем зонам опасности сведены в таблице 2.5.
Таблица 2.5 – Зоны разрушений при взрыве природного газа
| № п/п |
Зоны разрушений |
Радиус разрушений, м |
| 1 |
Зона полного разрушения, К=1 |
7,6 |
| 2 |
Зона полного разрушения зданий, К=3,8 |
28,7 |
| 3 |
Зона 50%-го разрушения зданий, К=5,6 |
42,3 |
| 4 |
Зона разрушения зданий без обрушений, К=9,6 |
72,5 |
| 5 |
Зона умеренного разрушения зданий, К=28 |
211,4 |
| 6 |
Зона повреждения около 10 % остекления, К=56 |
423 |
Ситуационный план рассматриваемого сценария развития аварии представлен в приложении А.
Все полученные данные сведем в таблицу.
Таблица 2.6 – Сводная таблица
| Наименование показателя |
Разгерметизация газопровода в помещении |
| Масса горючих газов, вышедших в атмосферу, кг |
2322 |
| Удельная теплота сгорания газа, кДж/кг |
35996,03 |
| Расстояние от эпицентра взрыва, м, соответствующее избыточному давлению: DPф = 100 кПа DPф = 50 кПа DPф = 30 кПа DPф = 12 кПа |
60 150 250 500 |
| Среднее число людей в соответствующей зоне действия ударной волны, чел. |
0 |
| 0 |
|
| 2 |
|
| 3 |
|
| Число пораженных от действия ударной волны, чел. |
5 |
| Радиус зоны, ограниченной НКПР, м |
85 |
| Число пораженных от действия открытого пламени в результате взрыва, чел. |
0 |
В связи с тем, что наличие очагов возгорания возможно, применение средств пожаротушения необходимо. Но на территории компрессорной станции располагается сеть пожарных гидрантов.
2.10 Расчет параметров завала, образовавшегося в результате взрыва
Рассчитаем параметры завала, образовавшегося в результате взрыва, для наиболее опасного сценария С1.
Высота завала (h) – расстояние от уровня земли до максимального уровня обломков в пределах контура здания.
Основными факторами, определяющими высоту завала, являются этажность здания и величина действующего давления во фронте воздушной ударной волны. Чем больше давление, тем дальше разлетаются обломки, что приводит к уменьшению высоты завала (рисунок 2.2). Максимальной по величине высота завала будет в том случае, если на здание подействует минимальное давление, вызывающее разрушение стен здания. За минимальное давление обычно принимают Pф =0,05МПа.
Высоту завала можно определить из условия равенства объема образовавшегося завала
, (2.29)
и объема обелиска
, (2.30)
где А, В, Н - длина, ширина и высота здания, м;
g - объем завала на 100 м3 строительного объема здания, принимаемый: для промышленных зданий – g = 20 м3 ; для жилых зданий – g = 40 м3 ;
h – высота завала;
L – дальность разлета обломков (при авариях со взрывом L=0,5H);
Азав , Взав – длина и ширина завала.

Рисунок 2.2 – Расчетная схема образования завала при различных давлениях
Размеры завалов при взрыве в здании определяются по формулам
Азав = А+2L; Взав =В+2L (2.31)
Вне здания: Азав = А+L; Взав =В+L (2.32)
Приравняв правые части формул (2.22) и (2.23), найдем высоту завала
, (2.33)
Из приложения Б видно, что полному разрушению подвергнутся здание компрессорной станции (А=85 м, В=65 м, Н=10 м, Азав =95 м, Взав =75 м) и установка подготовки газа (А=4 м, В=5 м, Н=4 м, по формулам 3.17: Азав =6 м, Взав =7 м). Таким образом, подставив значения получим высоту и объем завала, образовавшегося при полном разрушении строения
;
;
;
;
;
.
Объем завала зданий, получивших сильную степень разрушения, принимают равным половине от объема завала полностью разрушенного здания. В зоне сильных разрушений находятся установка охлаждения газа (А=45м, В=20 м, Н=4 м, Азав =47 м, Взав =22 м), здание ремонтного управления (А=30 м, В=10 м, Н=3 м, Азав =33 м, Взав =13 м) и установка очистки газа (А=38 м, В=15 м, Н=4 м, Азав =40 м, Взав =17 м).
;
;
;
;
;
;
;
;
;
Общие потери людей на объекте будут суммироваться из чисел пострадавших в зданиях и вне зданий
Nоб = Nоб.зд + Nоб.откр. , (2.34)
где Nоб.зд – пострадавшие, находившиеся в зданиях (17 человек);
Nоб.откр – пострадавшие, находившиеся вблизи здания (0 человек).
Следовательно,
Nоб = 17+0=17 чел.
Безвозвратные потери людей под завалами составят
Nб = 0,6∙Nоб (2.35)
Nб = 0,6×17=10 чел.,
а санитарные потери в завалах
Nс = Nоб – Nб (2.36)
Nс = 17 – 10=7 чел.
Таким образом, общее число пострадавших при ЧС на компрессорной станции будет определяться как сумма пострадавших от избыточного давления ударной волны взрыва и пострадавших, находящихся под завалами:
Nсан =7+5=12; Nбезвозвр =10+0=10.
Общее число пострадавших при ЧС на компрессорной станции составит– 22 человека.
2.11 Расчет интенсивности теплового излучения и времени существования «огненного шара»
Облако газовоздушной смеси, переобогащенное топливом, и не способное поэтому объемно детонировать, начинает гореть вокруг своей внешней оболочки, образуя огневой шар. Такие шары, вызванные горением углеводородов, светятся и излучают тепло, что может причинить смертельные ожоги и вызвать возгорание горючих веществ. Огневой шар как поражающий фактор оценивается следующими параметрами:
- максимальный размер;
- время существования;
- плотность теплового потока.
Данные для расчета.
По сценарию С3 с максимально негативным воздействием на окружающую среду, перед образованием «огненного шара», 902,5 кг. газа участвует в образовании избыточного давления, т.о. масса газа в «огненном шаре» составит 2292,5 кг. Плотность газа 0,71 кг/м3 . Расстояние от облучаемого объекта до точки на поверхности земли непосредственно под центром «огненного шара» 60м.
Расчет интенсивности теплового излучения «огненного шара» q, кВт/м2 , проводят по формуле:
q = Ef · Fq · t, (2.37)
где Ef — cреднеповерхностная плотность теплового излучения пламени, кВт/м2 ;
Fq — угловой коэффициент облученности;
t - коэффициент пропускания атмосферы.
Ef определяют на основе имеющихся экспериментальных данных. Допускается принимать Ef равным 450 кВт/м2 [17].
Fq рассчитывают по формуле:
, (2.38)
где Н— высота центра «огненного шара», м;
Ds — эффективный диаметр «огненного шара», м;
r — расстояние от облучаемого объекта до точки на поверхности земли непосредственно под центром «огненного шара», м.
Эффективный диаметр «огненного шара» Ds рассчитывают по формуле:
Ds =5,33∙ m 0,327 , (2.39)
где т — масса горючего вещества, кг.
H определяют в ходе специальных исследований. Допускается принимать H равной Ds /2.
Время существования «огненного шара» ts , с, рассчитывают по формуле:
ts = 0,92 m 0,303 (2.40)
Коэффициент пропускания атмосферы t рассчитывают по формуле:
t = ехр [-7,0 · 10-4
(
- Ds
/ 2)], (2.41)
Доза теплового излучения Q, Дж/м2 ,рассчитывается по формуле:
Q = q · ts, (2.42)
Расчет.
По формуле (2.39) определяем эффективный диаметр «огненного шара» Ds :
Ds = 5,33 · 2292,50,327 = 66,9 м.
По формуле (2.38), принимая H = Ds /2 = 33,5 м, находим угловой коэффициент облученности Fq :
![]()
По формуле (2.41) находим коэффициент пропускания атмосферы t:
t = ехр [-7,0 · 10-4 · (
)] = 0,97.
По формуле (2.37), принимая Ef = 200 кВт/м2 , находим интенсивность теплового излучения q:
q = 450 · 0,1· 0,97 = 45,3 кВт/м2 .
По формуле (2.40) определяем время существования «огненного шара» ts :
ts = 0,92 · 2292,50,303 = 9,5 с.
Доза теплового излучения Q определяем по формуле (2.42):
Q = 45300·9,5 = 0,43 МДж/м2 .
Зависимость величины теплового излучения огневого шара от расстояния до его центра представлена в таблице 2.7 и на рисунке 2.3.
Таблица 2.7 – Зависимость величины теплового потока от расстояния до его центра
| Расстояние до центра огневого шара |
Тепловой поток, q, кВт/м2 |
Доза теплового излучения, 105 Дж/м2 |
| 1 |
2 |
3 |
| 40 |
70,2 |
6,7 |
| 60 |
45,3 |
4,4 |
| 80 |
28,6 |
2,8 |
| 100 |
18,4 |
1,8 |
| 120 |
12,2 |
1,2 |
| 140 |
8,4 |
0,8 |
| 160 |
5,9 |
0,6 |
| 180 |
4,3 |
0,4 |
| 200 |
3,2 |
0,3 |
| 220 |
2,4 |
0,2 |
| 240 |
1,9 |
0,2 |
| 260 |
1,5 |
0,1 |
| 280 |
1,2 |
0,1 |
Площадь пожара на промплощдке КС составила 2352 м2 .
За время существования огневого шара (9,5 сек.), допустим, что 3 человека получат ожоги различной степени тяжести. На таблице 2.8 представлена численность и степень ожогов пострадавшего населения.
Таблица 2.8 – Предельно допустимая доза теплового излучения при воздействии «огненного шара» на человека
| Расстояние до центра огневого шара, м |
Доза теплового излучения, Дж/м2 |
Степень ожога |
Численность пострадавшего населения |
| до 75 |
3,2×105 |
III |
1 |
| От 75 до 90 |
2,2×105 |
II |
1 |
| От 90 до 115 |
1,2×105 |
I |
1 |
Т.о. 1 человек, находящийся в радиусе до 75 метров от газопровода получит ожоги III степени,1 человек в радиусе от 75 до 90 метров II степень и 1 человек в радиусе от 90 до 115 метров I степень. Всего пострадает 3 человека.
Учитывая масштаб и расстояние, на котором расположен газопровод, необходимо произвести оценку риска для населения находящиеся на промплощадке компрессорной станции.
2.12 Метод оценки индивидуального риска для аварии в помещении
Уровень обеспечения безопасности людей при пожарах отвечает требуемому, если:
, (2.43)
где
— нормируемый индивидуальный риск,
= 10-6
год-1
;
Qв — расчетный индивидуальный риск.
Расчетный индивидуальный риск Qв в каждом здании (помещении) рассчитывают по формуле
Qв = Qп Pпp (1 - Рэ ) (1 - Pп.з ), (2.44)
где Qп — вероятность пожара в здании в год (Qп =10-4 – по статистическим данным);
Рпр — вероятность присутствия людей в здании;
Рэ — вероятность эвакуации людей;
Рп.з — вероятность эффективной работы технических решений противопожарной защиты.
Вероятность эвакуации Рэ рассчитывают по формуле
Рэ = 1 - (1 - Рэ.п )(1 - Рд.в ), (2.45)
где Рэ.п — вероятность эвакуации по эвакуационным путям;
Рд.в — вероятность эвакуации по наружным эвакуационным лестницам (Рд.в =0, поскольку в здании не предусмотрены наружные лестницы).
Вероятность Рэ.п рассчитывают по формуле
, (2.46)
где
— время от начала пожара до блокирования эвакуационных путей в результате распространения на них ОФП, имеющих предельно допустимые для людей значения, мин (
=18 мин);
tр — расчетное время эвакуации людей, мин;
—
интервал времени от возникновения пожара до начала эвакуации людей, мин (
=3 мин).
Произведем расчет индивидуального риска для наиболее вероятного сценария С2 развития аварии.
В помещении компрессорного цеха на этот момент находилось N=30 чел. (персонал), здание одноэтажное Рпр = 1. Помещение имеет 2 выхода (1 – центральный и 1 – эвакуационный). Ширина путей эвакуации –2 м; ширина дверей – не менее 0,8 м; двери по путям эвакуации предусмотрены открывающимися по направлению выхода из здания или помещения; высота проходов по путям эвакуации – не менее 2,5 м.

- место пожара; I, II - эвакуационные выходы; 1, 2 - участки эвакуационного пути.
Рисунок 2.4 - Расчетная схема эвакуации
Примем, что эвакуация осуществляется одновременно по двум направлениям с приблизительно равной плотностью.
Плотность людского потока на участке пути D рассчитывают по формуле
. (2.47)
где N — число людей на участке, чел (примем N=30 чел.);
f — средняя площадь горизонтальной проекции человека, м2 , принимаемая равной 0,100 — взрослого в домашней одежде; 0,125 — взрослого в зимней одежде; 0,070— подростка;
l — средняя длина участка пути, м (примем l=50 м);
— ширина участка пути, м (
=2 м).
Таки образом, плотность людского потока на участках эвакуационных путей:
м-2
.
Время движения людского потока по участку пути ti , мин, рассчитывают по формуле
, (2.48)
где l — средняя длина участка пути, м;
— скорость движения людского потока по горизонтальному пути на участке, м/мин (определяют по таблице 2.9 в зависимости от плотности D).
Таблица 2.9 — Интенсивность и скорость движения людского потока при различной на разных участках путей эвакуации в зависимости от плотности
| Плотность потока D, м2 /м2 |
Горизонтальный путь |
Дверной проем, интенсивность q, м/мин |
Лестница вниз |
Лестница вверх |
|||
| Скорость v, м/мин |
Интенсивность q, м/мин |
Скорость v, м/мин |
Интенсивность q, м/мин |
Скорость v, м/мин |
Интенсивность q, м/мин |
||
| 0,01 |
100 |
1,0 |
1,0 |
100 |
1,0 |
60 |
0,6 |
| 0,05 |
100 |
5,0 |
5,0 |
100 |
5,0 |
60 |
3,0 |
| 0,10 |
80 |
8,0 |
8,7 |
95 |
9,5 |
53 |
5,3 |
| 0,20 |
60 |
12,0 |
13,4 |
68 |
13,6 |
40 |
8,0 |
| 0,30 |
47 |
14,1 |
16,5 |
52 |
16,6 |
32 |
9,6 |
| 0,40 |
40 |
16,0 |
18,4 |
40 |
16,0 |
26 |
10,4 |
| 0,50 |
33 |
16,5 |
19,6 |
31 |
15,6 |
22 |
11,0 |
| 0,70 |
23 |
16,1 |
18,5 |
18 |
12,6 |
15 |
10,5 |
| 0,80 |
19 |
15,2 |
17,3 |
13 |
10,4 |
13 |
10,4 |
| 0,90 и более |
15 |
13,5 |
8,5 |
8 |
7,2 |
11 |
9,9 |
| Примечание — Интенсивность движения в дверном проеме при плотности потока 0,9 и более, равная 8,5 м/мин, установлена для дверного проема шириной 1,6 м и более, а при дверном проеме меньшей ширины d интенсивность движения следует определять по формуле q = 2,5 + 3,75 d |
|||||||
Следовательно, время движения людского потока по участку:
мин.
Расчетное время эвакуации людей tр следует определять как сумму времени движения людского потока по отдельным участкам пути ti по формуле:
tp = t1 + t2 , (2.49)
где t1 , t2 ,— время движения людского потока на каждом участке пути, мин.
Расчетное время эвакуации:
tр = 2×t = 2×0,5 = 1 мин.
Таким образом, вероятность Рэ.п :
![]()
Подставив полученные значения, вероятность эвакуации Рэ
Рэ = 1 - (1 -0,999)×(1 - 0)=0,999.
Вероятность эффективного срабатывания противопожарной защиты Рп.з рассчитывают по формуле:
, (2.50)
где п — число технических решений противопожарной защиты в здании (n=1)-автоматическая установка водяного пожаротушения;
R — вероятность эффективного срабатывания i-го технического решения (R=0,67– автоматическая установка водяного пожаротушения разрушена воздушной ударной волной при взрыве ТВС разрушена частично;).
Следовательно, вероятность эффективного срабатывания противопожарной защиты
.
Подставив полученные значения в выражение (5.2) получим:
Qв = ×10-4 ×1×(1 – 0,999) (1 – 0,67)=33×10-9 год-1 .
Их расчетов видно, что условие безопасности людей выполнено, значение индивидуального риска меньше допустимого. Для еще более меньшего риска для персонала необходимо внедрение систем пожаропредупреждения и пожарозащиты, разработка мер по снижению вероятности возникновения рассматриваемой чрезвычайной ситуации, проведение пожарно-тактических учений с участием работающего персонала.
2.13 Метод оценки социального риска для аварии в помещении
Социальный риск оценивается как вероятность гибели в результате пожара 10 и более человек в течение года.
Вероятность Q10 гибели 10 и более человек в результате пожара рассчитывается по формуле
, (2.51)
Таким образом, вероятность гибели 10 и более человек в результате пожара
т.к. 1+3 < 18
А значит, и вероятность гибели от пожара 10 и более человек в течение года R10 = 0.
R10 = Qп ×Pпр ×(1 - Рэ )×(1 - Рпз )×Q10 . (2.52)
Социальный риск в компрессорном цехе для персонала предприятия будет равен 0.
2.14 Оценка индивидуального риска в открытом пространстве
Произведем расчет индивидуального риска для сценария С3 с максимально негативным воздействием на окружающую среду.
Для проведения расчетов примем следующие данные.
Во взрывном превращении участвует природный газ (метан – 98%). Температура воздуха 15 ºС. Расстояние от места возникновения аварии до человека, для которого определяют индивидуальный риск, составляет 65 м. Анализ статистики аварий показал, что вероятность возникновения ЧС на установке составляет 2,4×10-6 год -1 .
Статистические вероятности различных сценариев развития аварии приведены в таблице 2.10 [6].
Таблица 2.10 - Статистические вероятности различных сценариев развития аварии
| Сценарий аварии |
Вероятность |
Сценарий аварии |
Вероятность |
| Факел Огненный шар Горение пролива Сгорание облака |
0,0574 0,7039 0,0287 0,1689 |
Сгорание с развитием избыточного давления Без горения Итого |
0,0119 0,0292 1 |
Вероятность сгорания газовоздушной смеси природного газа в открытом пространстве с образованием волны избыточного давления составит:
Qс.д. = 2,4×10-6 · 0,0119 = 2,8 · 10-8 год -1 .
Вероятность факельного горения:
Qф.г. = 2,4· 10 -6 · 0,0574 = 1,37 · 10 -7 год -1 .
Вероятности возникновения «огненного шара»:
Qо.ш = 2,4· 10 -6 · 0,7039 = 1,69 · 10 -6 год -1 .
Вероятности развития аварии в остальных случаях принимаем равными 0.
Значения избыточного давления и импульс для расстояния в 60 м рассчитаны п.2.4.
Для приведенных значений поражающих факторов определяем значения «пробит» - функции Pr по формулам:
- при воздействии избыточного давления при сгорании газовоздушных смесей
Pr = 5 - 0,26 ln (V), (2.53)
где
(2.54)
Dp — избыточное давление, Па, из формулы 2.8;
i — импульс волны давления, Па · с, из формулы 2.9;
По формулам (2.53) и (2.54) получим, что
V = (17500/3500)8,4 + (290/41)9,3 = 8,04 ·107 ;
Pr - при поражении человека тепловым излучением при возникновении «огненного шара»:
Рr = -14,9 + 2,56 · ln (t · q1,33)= -14,9+2,56 · ln(9,5 · 45,31,33)= 3,85 (2.55)
где t — эффективное время экспозиции, с, из формулы 2.15;
q — интенсивность теплового излучения, кВт/м2 , из формулы 2.36.
С помощью табл. 2.12 определим условную вероятность Qп поражения человека.
Для полученных значений «пробит» - функции по таблице 2.11 условная вероятность поражения человека для воздействия ударной волны, воздействия теплового излучения «огненного шара»:
Qп1 = 0 % = 0;
Qп2 = 12 % = 0,12.
Таблица 2.11 - Значения условной вероятности поражения человека в зависимости от Рr
| Услов-ная вероят-ность поражения, % |
Рr |
|||||||||
| 0 |
1 |
2 |
3 |
4 |
5 |
6 |
7 |
8 |
9 |
|
| 0 |
- |
2,67 |
2,95 |
3,12 |
3,25 |
3,36 |
3,45 |
3,52 |
3,59 |
3,66 |
| 10 |
3,72 |
3,77 |
3,82 |
3,90 |
3,92 |
3,96 |
4,01 |
4,05 |
4,08 |
4,12 |
| 20 |
4,16 |
4,19 |
4,23 |
4,26 |
4,29 |
4,33 |
4,36 |
4,39 |
4,42 |
4,45 |
| 30 |
4,48 |
4,50 |
4,53 |
4,56 |
4,59 |
4,61 |
4,64 |
4,67 |
4,69 |
4,72 |
| 40 |
4,75 |
4,77 |
4,80 |
4,82 |
4,85 |
4,87 |
4,90 |
4,92 |
4,95 |
4,97 |
| 50 |
5,00 |
5,03 |
5,05 |
5,08 |
5,10 |
5,13 |
5,15 |
5,18 |
5,20 |
5,23 |
| 60 |
5,25 |
5,28 |
5,31 |
5,33 |
5,36 |
5,39 |
5,41 |
5,44 |
5,47 |
5,50 |
| 70 |
5,52 |
5,55 |
5,58 |
5,61 |
5,64 |
5,67 |
5,71 |
5,74 |
5,77 |
5,81 |
| 80 |
5,84 |
5,88 |
5,92 |
5,95 |
5,99 |
6,04 |
6,08 |
6,13 |
6,18 |
6,23 |
| 90 |
6,28 |
6,34 |
6,41 |
6,48 |
6,55 |
6,64 |
6,75 |
6,88 |
7,05 |
7,33 |
| — |
0,00 |
0,10 |
0,20 |
0,30 |
0,40 |
0,50 |
0,60 |
0,70 |
0,80 |
0,90 |
| 99 |
7,33 |
7,37 |
7,41 |
7,46 |
7,51 |
7,58 |
7,65 |
7,75 |
7,88 |
8,09 |
Индивидуальный риск R, год-1, определяют по формуле
, (2.56)
где
— условная вероятность поражения человека при реализации i-й ветви логической схемы;
Q(A,) — вероятность реализации в течение года i -й ветви логической схемы, год-1 ;
п — число ветвей логической схемы.
Согласно формуле (2.45) определим индивидуальный риск:
R = 0,12 · 1,69 · 10-6 = 2,02 · 10 -7 год -1 ;
Следовательно, индивидуальный риск на расстоянии 60 м от газопровода составит 2,02 · 10-7 год -1 , что не превышает допустимый уровень риска, составляющий 1 · 10-6 год -1 . Значит, условие безопасности людей на трубопроводе выполнено.
2.15 Оценка социального риска в открытом пространстве
Произведем оценку социального риска для сценария С3 для аварии с максимально негативным воздействием на окружающую среду
Расчет социального риска при аварии на наружном газопроводе высокого давления произведен в соответствии с ГОСТ Р 12.3.047-98. Для вычисления социального риска территория вокруг эпицентра взрыва делится на две зоны поражения. Для каждой из зон определяется средняя условная вероятность поражения человека и среднее число людей, находящихся в данной зоне, рассчитывается ожидаемое число погибших N. В случае если при любом варианте развития аварийной ситуации N меньше 10 (в соответствии с ГОСТ Р 12.3.047-98 социальный риск допускается оценивать по поражению не менее 10 человек).
Для проведения расчетов примем следующие данные.
Температура воздуха 15 ºС. Общая численность персонала компрессорной станции составляет 1300 человек. Анализ статистики аварий показал, что вероятность возникновения ЧС на установке составляет 2,4×10-6 год -1 .
Согласно расчетам, вероятности сгорания газовоздушной смеси с образованием волны давления, образования «огненного шара» и факельного горения составляет:
Qс.д. = 2,4× 10 -6 · 0,0119 = 2,8 · 10-8 год -1 ;
Qо.ш = 2,4· 10 -6 · 0,7039 = 1,7 · 10 -6 год -1 ;
Qф.г. = 2,4· 10 -6 · 0,0574 = 1,4 · 10 -7 год -1 .
Вероятности развития аварии в остальных случаях принимаем равными 0.
Рассчитаем значения поражающих факторов, соответствующих рассматриваемым вариантам развития аварии, и значения условных вероятностей поражения Qп на различных расстояниях от места возникновения ЧС [16].
Выберем следующий диапазон расстояний – от 60 до 120 м через каждые 15 м.
Исходя из приведенных выше расчетов, выбираем наиболее вероятное значение и по аналогии рассчитываем значения поражающих факторов огневого шара - сгорание газовоздушной смеси с образованием волны давления
Результаты вычислений представлены в таблице 2.12.
Таблица 2.12 - Значения параметров поражающих факторов
| Параметр |
Расстояния |
||||
| 20 |
40 |
60 |
80 |
100 |
|
| Pr |
6,49 |
5,39 |
3,84 |
2,28 |
0,77 |
| Qп |
0,93 |
0,65 |
0,12 |
0 |
0 |
Строим графическую зависимость Qпi = f(r), которая представлена на рисунке 2..
Результаты вычислений, необходимых для расчета социального риска занесем в табл. 2.13.
Таблица 2.13 - Результаты вычислений, необходимые для определения социального риска
| Зона |
Расстояние от газопровода, м |
Число человек в зоне |
Условные вероятности поражения человека |
Ожидаемое число погибших человек |
| Qп с.д. |
Nс.д. |
|||
| А |
75 |
1 |
0,12 |
1 |
| Б |
90 |
1 |
0 |
0 |
| В |
115 |
1 |
0 |
0 |
Социальный риск рассчитываем по формуле:
(2.57)
![]()
Таким образом, социальный риск составляет 1,69∙10-6 год-1 .
Анализируя результаты можно сделать заключение: на магистральном газопроводе Сергиевского ЛПУ МГ социальный риск равен 1,69·10-6 год -1 и лежит в промежутке 10-7 год -1 < 1,69·10-6 год -1 < 10-5 год -1 , т.е. эксплуатация наружного газопровода высокого давления может быть допущена после проведения возможных и достаточных мер для уменьшения пожарной опасности.
В данном разделе был произведен расчет основных поражающих факторов и оценка устойчивости зданий, сооружений и технологического оборудования при разгерметизации газопровода, необходимых для планирования и организации работ при ликвидации ЧС вызванной взрывом в здании компрессорной станции «Сергиевского ЛПУМГ».
3. Планирование и организация работ по ликвидации ЧС, вызванной взрывом в здании компрессорной станции «Сергиевского ЛПУМГ»
Газопроводы являются на сегодняшний день самым доступным и дешевым видом транспорта, но тем не менее не застрахованным от аварий, сопровождающихся пожарами и взрывами, а также значительным материальным ущербом, необходима ликвидация чрезвычайной ситуации и проведение аварийно-спасательных и других неотложных работ в кратчайшие сроки и в полном объеме.
Для снижения ущерба и защиты персонала объекта экономики в результате ЧС необходимо планирование и организация аварийно-спасательных и других неотложных работ формирований гражданской защиты, расчет сил, средств и времени, необходимых для ликвидации чрезвычайной ситуации, вызванной техногенной аварией на компрессорной станции.
Целью данного раздела дипломного проекта является разработка мероприятий по планированию и организации работ по ликвидации чрезвычайной ситуации, вызванной взрывом в здании компрессорной станции «Сергиевского ЛПУМГ».
Исходными данными для разработки раздела является:
- объект исследования – компрессорная станция «Сергиевское ЛПУМГ» ООО «Газпром трансгаз Самара» (расположение КС на карте Самарской области - см. рис. 1.1, схема расположения зданий представлена в приложении А, рис.А2);
- разгерметизация газопровода высокого давления;
- масса газа, вышедшего в результате ЧС в помещение m=2322 кг (пункт 2.3);
- выброс природного газа в замкнутое пространство;
- образование взрывоопасного газовоздушного облака;
- взрыв газовоздушного облака от источника зажигания (источником инициирования взрыва явилось соударение металлических предметов при выбросе из трубопровода газа, либо, стало результатом взаимодействия (трения) частиц вещества и металлических конструкций трубопровода) (∆р =112 кПа), данный сценарий графически представлен в приложении А, рисунок А4;
- от воздействия избыточного давления были полностью разрушены здание компрессорной станции, установка подготовки газа; сильному разрушению подверглись: установка охлаждения газа, здание ремонтного управления, установка очистки газа (с параметрами завала представленными в пункте 2.10);
- количество пострадавших со смертельным исходом 10 человек (считается, что все они находятся в завалах), легкой степени и средней степени тяжести 12 человек, все находятся в завалах (пункт 2.10);
- время года – весна (17 мая), скорость ветра 1,0 м/с, температура воздуха 15 ºС.
Для успешной ликвидации ЧС необходима правильная организация и технология аварийно-спасательных работ.
3.1 Основные принципы и требования к планированию и организации аварийно-спасательных и других неотложных работ при ликвидации чрезвычайных ситуаций на объектах по транспортировке газа
Аварийно-спасательные работы - это действия по спасению людей, материальных и культурных ценностей, защите природной среды в зоне чрезвычайных ситуаций, локализации чрезвычайных ситуаций и подавлению или доведению до минимально возможного уровня воздействия характерных для них опасных факторов. Аварийно-спасательные работы характеризуются наличием факторов, угрожающих жизни и здоровью проводящих эти работы людей, и требуют специальной подготовки, экипировки и оснащения [39].
Неотложные работы при ликвидации чрезвычайных ситуаций - это деятельность по всестороннему обеспечению аварийно-спасательных работ, оказанию населению, пострадавшему в чрезвычайных ситуациях, медицинской и других видов помощи, созданию условий, минимально необходимых для сохранения жизни и здоровья людей, поддержания их работоспособности.
Основные требования к организации АСДНР:
- сосредоточение основных усилий на спасении людей;
- организация и проведение работ в сроки, обеспечивающие выживание пострадавших и защиту населения в опасной зоне;
- применение способов и технологий ведения аварийно-спасательных работ, соответствующих сложившейся обстановке, обеспечивающих наиболее полное использование возможностей спасателей и технических средств, а также безопасность пострадавших и спасателей.
Для ликвидации ЧС на компрессорной станции, с разгерметизацией газопровода и взрывом газовоздушной среды, необходимо:
- определить аварийный участок газопровода;
-отключить его от действующих газопроводов (сброс газа) производятся, как правило, диспетчерской службой с применением средств телемеханики, а при их отсутствии - направлением бригад к отключающей запорной арматуре предполагаемого аварийного участка;
- при возникновении пожара, взрыва или внезапном выбросе газа в машинном зале, галерее нагнетателей, укрытиях ГПА, площадках пылеуловителей, оперативный персонал должен аварийно остановить компрессорную станцию.
- организовать доставку людей и технических средств к месту аварии.
На объектах газопереработки первоочередной задачей является, прежде всего, спасение пострадавших людей, оказавшихся в завалах зданий вследствие взрыва газовоздушных смесей. Важно установить, где и в каких условиях находятся пострадавшие, успели ли они укрыться в защитных сооружениях. Для этого необходимо в первую очередь найти и вскрыть убежища и укрытия, тщательно обследовать завалы, используя сведения очевидцев, планы территории с убежищами.
Для обнаружения оказавшихся в завалах людей могут быть использованы акустические приборы, способные улавливать слабые звуковые сигналы и определять направление их излучения.
Часть производственного персонала, находящихся в укрытии может оказаться в завалах: под обломками, в подвальных этажах обрушившихся зданий или в помещениях первых этажей. Люди могут находиться также и в полостях завала, которые образуются в результате неполного обрушения крупных элементов и конструкций зданий. Такие полости чаще всего могут возникать между сохранившимися стенами зданий и наклонно лежащими балками или плитами перекрытий, под лестничными маршами и т.п [39].
Выбор того или иного способа осуществления операции по высвобождению пострадавших из-под обломков определяется в первую очередь степенью повреждения и типом конструктивного решения зданий или сооружений, на котором предстоит вести работы [20].
При ликвидации последствий взрывов зона ЧС, как правило, ограничена сравнительно небольшой территорией. Однако количество жертв при этом может быть велико.
Если в результате взрыва различные объекты претерпели неодинаковые разрушения, а общая площадь разрушений значительная, то в этом случае работы проводятся в первую очередь на тех объектах, где помощь пострадавшим гарантировано обеспечит спасение их жизни.
Когда имеется достаточно сил и средств, спасательные работы должны выполняться по всей зоне ЧС.
Вскрытие и разборку конструкций производят только в размерах, необходимых для полного проведения намеченных работ.
При вскрытии и разборке конструкций следят, чтобы не ослаблялись несущие конструкции и не вызывалось их обрушение, не повреждались газопроводы, теплофикационные и электрические сети и электроустановки.
Спасательные работы начинаются немедленно, в случаях:
– людям угрожает опасность от взрыва или обрушения конструкций;
– люди самостоятельно не могут покинуть опасные места [49].
3.2 Определение номенклатуры и последовательности проведения мероприятий аварийно – спасательных и других неотложных работ при ликвидации ЧС, в здании компрессорной станции
Для ликвидации ЧС необходимо выполнить действия по поиску и спасению пострадавших, разбору завала. Ликвидация ЧС начинается с момента получения сообщения о произошедшей ЧС, считается законченными по возвращении подразделений на место постоянной дислокации и включают в себя следующие мероприятия:
- обработку информации о ЧС;
- выезд и следование к месту ЧС;
- общую, инженерную, медицинскую разведку;
- расчистка подъездных путей для расстановки техники;
- охрана общественного порядка;
- разбор завалов;
- разбор обломков разрушенных наружных установок и их складирование;
- поисково-спасательные работы;
- деблокирование пострадавших;
- оказание первой медицинской помощи;
- отправка погибших в морг;
- подготовка транспортного обеспечения;
- материально-техническое обеспечение;
- первоочердное жизненное обеспечение населения;
- эвакуация персонала объекта пострадавшего в ЧС;
- сбор и возвращение подразделений на места дислокации.
Для обеспечения общественного порядка и недопуск посторонних на территорию зоны ЧС привлекаются отряды объектовой службы безопасности.
Наращивание группировки сил и средств РСЧС в районе действия осуществляется по мере их готовности.
Блок-схема проведения аварийно-спасательных и других неотложных работ представлена на рисунке 3.1.
Таблица 3.1 – Состав и эшелонирование группировки сил ликвидации ЧС на компрессорной станции
| Привлекаемые силы |
Кол-во |
Оснащение |
Откуда выделяются |
Vср следо-вания, км/ч |
Расстояние до зоны ЧС, км |
Время прибытия, мин |
|
| Лич-ный сос-тав, чел. |
техн., ед.ст |
||||||
| 1 |
2 |
3 |
4 |
5 |
6 |
7 |
8 |
| 1 эшелон |
|||||||
| Звено разведки |
1 |
5 |
1 |
СЛПУ МГ |
- |
0,3 |
3 |
| Оперативная группа |
1 |
4 |
1 |
СЛПУ МГ |
- |
0,3 |
3 |
| Группа аварийно-газоремонтных работ |
1 |
15 |
3 |
СЛПУ МГ |
- |
0,3 |
3 |
| Группа аварийно-восстановительных работ |
1 |
10 |
5 |
СЛПУ МГ |
- |
0,3 |
3 |
| Звено связи и оповещения |
1 |
4 |
1 |
СЛПУ МГ |
- |
0,3 |
3 |
| Группа АВР инженерных сетей |
1 |
5 |
2 |
СЛПУ МГ |
- |
0,3 |
3 |
| Автотранспортная группа |
1 |
5 |
4 |
СЛПУ МГ |
- |
0,3 |
3 |
| Мед.пункт |
1 |
5 |
1 |
СЛПУ МГ |
- |
0,3 |
3 |
| БСМП |
7 |
34 |
7 |
Больница с.Суходол |
50 |
8 |
12 |
| Группа охраны общественного порядка |
1 |
4 |
1 |
СЛПУ МГ |
- |
0,3 |
3 |
| 2 эшелон |
|||||||
| БСМП |
2 |
10 |
2 |
Районная больница с.Сергиевск |
50 |
18 |
27 |
| Звено МТО |
1 |
4 |
1 |
СЛПУ МГ |
- |
0,3 |
3 |
| Подразделения ДПС с.Суходол |
2 |
4 |
2 |
РОВД с.Суходол |
50 |
8 |
12 |
Таким образом, для ликвидации рассматриваемой ЧС необходимо привлечение значительного числа подразделений РСЧС и других ведомств.
Таким образом, рассмотрев основные мероприятия АСДНР, рассчитаем номенклатуру и численность сил и средств привлекаемых для ликвидации ЧС.
3.3 Расчет времени выдвижения формирований из мест дислокации в зону чрезвычайной ситуации
После получения сигнала о ЧС на компрессорной станции «Сергиевского ЛПУМГ» первым эшелоном в зону ЧС выдвигаются силы постоянной готовности - объектовые, находящиеся на территории КС «СЛУПМГ» - группа аварийно-газоремонтных работ (расстояние от зоны ЧС 300 м, время прибытия 3 мин дежурной сменой в количестве 15 человек), медицинские формирования (1 санитарный пост, расстояние от зоны ЧС 300 м, время прибытия 3 мин дежурной сменой в количестве 5 человек).
Вторым эшелоном, по решению руководителя ликвидации ЧС для оказания медицинской помощи пострадавшим и эвакуации их в лечебные учреждения в зону ЧС выдвигается бригады скорой медицинской помощи, сформированные на базах больницы с.Суходол, находящейся на расстоянии 8 км, больницы с.Сергиевск на расстоянии 18 км. Также на место ЧС выдвигается отряд подразделения ДПС (с.Суходол) на расстоянии 8 км.
Общее время выдвижения из пункта базирования до места ЧС определяется как сумма времени движения первой машины (tд
) и времени втягивания колонны (tB
) в зону ЧС[32]:
to
= tд
+ tв
=
(3.1)
где lo - расстояние от исходного пункта (района) до района сосредоточения, км;
lко - общая длина колонны с учетом дистанций между машинами и подразделениями при выдвижении по одному пути, км (по формуле 3.2);
пп - количество путей выдвижения, nп =2;
Vд - средняя скорость движения колонны, средняя скорость движения машин равна 50 км/ч =14 м/с;
av - коэффициент, учитывающий снижение скорости движения при втягивании в район, (av =1,4).
lко = Nмо × dдг + ådп , (3.2)
где Nмо - общее количество машин в составе сил (БСМП – 9 машин, подразделения ДПС – 2 машины);
ådп - сумма дистанций между подразделениями в колонне (ådп =7∙(l+lp )=7∙(8,5+2,1)=74,2 м;
dдг - динамический габарит м;
dдг = lа + lp + l + lт (3.3)
dдг =7,9+8,5+2,1=18,5 м;
lа - средняя габаритная длина автомобиля в колонне, 7,9 м;
lp - путь проходимый автомобилем за время реакции водителя на торможение (tp = 2,2 с), (lp =0,61 Vд =0,61∙14= 8,5 м);
l- резервное расстояние между автомобилями, м (l=0,15 Vд =0,15∙14=2,1м);
Тогда, согласно формулы 3.2 общая длина колонны будет равна:
lко =9∙18,5+74,2=0,241 км;
Подразделения из с.Суходол, на расстоянии от места ЧС в 8 км:
to
= tд
+ tв
=
=0,2 часа=12 минут.
Подразделения из с. Сергиевск, на расстоянии от места ЧС в 18 км:
to
= tд
+ tв
=
=0,45 часа=27 минут.
Все полученные данные сведем в таблицу.
Таблица 3.2 - Время выдвижения формирований из мест дислокации в зону чрезвычайной ситуации
| Привлекаемые формирования |
Расстояние, км |
Количество спастехники |
Время прибытия, мин |
| БСМП, с. Суходол |
8 |
7 |
12 |
| Подразделения ДПС,с.Суходол |
8 |
2 |
12 |
| БСМП, с.Сергиевск |
18 |
2 |
27 |
Таким образом, сотрудники охраны общественного порядка и бригада скорой мед помощи из больницы с.Суходол прибудут в течение 12 минут после сообщения о возникновении ЧС; бригады скорой медицинской помощи из с.Сергиевск − в течение 27 мин; автобусы, необходимые для эвакуации персонала пребывают в зону ЧС в течение 12 минут после сообщения о необходимости их привлечения.
3.4 Организация разведки в зоне ЧС
Разведка – важнейший вид обеспечения действий формирований. Она организуется и ведется с целью своевременного добывания данных об обстановке, необходимых для принятия обоснованного решения и успешного проведения спасательных и неотложных аварийно-восстановительных работ в зонах техногенных аварий.
Разведка зоны ЧС, где планируется проведение АСДНР, включает в себя инженерную и медицинскую разведку, исходя из сложившейся обстановки в зоне ЧС.
Медицинская разведка определяет количество и состояние пораженных, места сосредоточения пораженных перед их эвакуацией в лечебные учреждения и места развертывания медицинских формирований, объем работ, и необходимое количество привлекаемых сил и средств для их проведения.
В ходе медицинской разведки устанавливают:
безопасные места сбора пострадавших и способы их эвакуации;
определение мест, удобных для развертывания медицинских пунктов, пунктов санитарной обработки;
Инженерная разведка проводится для установления степени и характера разрушений, состояния технологических трубопроводов, дорог, мостов, переправ, местонахождения пострадавших, определения объемов и способов проведения поисково-спасательных и аварийно-восстановительных работ [32]. В ходе инженерной разведки определяются:
границы зоны ЧС;
степень разрушения зданий и сооружений, объем завалов, приемы и способы извлечения пострадавших из-под завалов;
состояние подъездных путей;
состояние коммунально-энергетических сетей;
наличие участков, опасных для работы спасателей по причинам возможного взрыва, пожара, обрушения конструкций, наличие электросетей под высоким напряжением.
необходимое количество и тип аварийно - спасательной техники и оборудования для проведения работ.
Зоной разведки является зона сильных разрушений со сторонами примерно 100 м на 75 м (рисунок 3 Приложения А), при разведке объект разбивается на 2 участка шириной 37,5 м и длиной L = 100 м, для ведения разведки требуется 6 человек личного состава и 2 автомобиля УАЗ-469, скорость движения разведчиков принимается 2 км/ч, тогда время проведения первичной разведки равно:
tр = 2 ∙L∙60/ Vр = 2·0,1·60/2=6 мин.
Расчет оснащается средствами связи и индивидуальной защиты, шанцевым инструментом, средствами обозначения мест нахождения пострадавших, средствами оказания первой медицинской помощи.
Обнаруженные пострадавшие опрашиваются об их состоянии, полученных травмах, условиях, в которых они оказались, и о наличии в помещениях других пострадавших. По возможности им оказывается первая медицинская помощь. После этого пострадавшие направляются на пункты сбора пораженных. При невозможности безопасного передвижения пострадавших их местоположение обозначается специальными указателями, размеры, форма и содержание которых устанавливается командиром подразделения [32].
Специалисты, действующие в составе разведдозора, выявляют и уточняют обстановку применительно к задачам, которые придется выполнять специальным подразделениям, обеспечивающим действия спасателей. Участки пожара, обходы завалов, неустойчивые конструкции, места нахождения пострадавших обозначаются установленным порядком.
О результатах разведки командиры разведывательных дозоров докладывают выславшим их командирам (штабам).
По завершении выполнения поставленной задачи разведывательный
дозор останавливается, ведет наблюдение, командир дозора докладывает о выполнении задачи и действует в соответствии с полученным указанием.
Ведение разведки прекращается только по приказу командира (начальника), выславшего разведку. Параллельно с ведением разведки формирования приступают к поиску пострадавших.
3.5 Рекогносцировка для проведения аварийно-спасательных и других неотложных работ при ликвидации ЧС на компрессорной станции «Сергиевского ЛПУМГ»
После проведения разведки проводится рекогносцировка объектов (территорий) с определением границы зоны чрезвычайной ситуации, объемов, способов ведения АСР и необходимых сил и средств.
К рекогносцировке в обязательном порядке привлекаются руководители аварийно - спасательных формирований, участвующих в АСР.
При отсутствии времени на рекогносцировку она может проводиться в ходе АСР.
При проведении рекогносцировки объекта (территории) изучаются, уточняются и определяются:
- необходимое количество и тип аварийно - спасательной техники и оборудования для проведения спасательных работ;
- состав и численность спасательных групп;
- маршруты ввода сил и средств на места выполнения работ;
- объемы и технология работ по расчистке и подготовке к беспрепятственному прохождению сил и средств;
- безопасные места сбора и способы эвакуации пострадавших;
- места развертывания пункта управления (стационарного или подвижного), медицинских пунктов и пр.;
- состояние подъездных путей и маршрутов эвакуации.
3.6 Поисково-спасательные работы в условиях завалов
Поиск пострадавших под завалами разрушенных зданий представляет собой совокупность действий личного состава поисковых подразделений, направленных на обнаружение и уточнение местонахождения людей, их функционального состояния и объема необходимой помощи[39].
Поиск пострадавших производится силами специально подготовленных поисковых подразделений спасателей (групп, звеньев, расчетов) после проведения рекогносцировки, инженерной разведки очага поражения и объекта работ.
Задачи, выполняемые личным составом подразделений при проведении поиска пострадавших:
определить и обозначить места нахождения пострадавших и по возможности установить с ними связь;
уточнить функциональное состояние пострадавших и объем необходимой помощи;
выявить наличие и опасность воздействия на людей вторичных поражающих факторов.
В зависимости от наличия соответствующих сил и средств поисковые работы могут вестись следующими способами:
Рисунок 3.3 – Способы поиска пострадавших
Сплошное визуальное обследование здания производится поисково-спасательным, разведывательным или специально организованным для этой цели подразделением (взводом, группой, расчетом) [39].

Рисунок 3.4 - Схема сплошного визуального обследования участка спасательных работ
Для нашего случая наиболее рациональным способом выполнения работ является по парное зигзагообразное движение разведчиков (рис.3.4). Для обследования территории объекта или района работ высылается расчет в составе 5 человек. Участок поиска делится на полосы, назначаемые каждому расчету. Ширина полосы поиска составлять 20м. Скорость движения разведчиков составляет 3 км/ч.
tобсл.
= ![]()
Расчет оснащается средствами связи и индивидуальной защиты, шанцевым инструментом, средствами обозначения мест нахождения пострадавших, средствами оказания первой медицинской помощи.
При визуальном обследовании, в границах полосы поиска, внимательно осматриваются поверхность и пустоты-ниши, углубления, свободные пространства под крупногабаритными обломками, особенно у сохранившихся стен полуразрушенных зданий. Осмотр должен сопровождаться периодической подачей установленного звукового сигнала или окриком.
Обследование разрушенного, слабо разрушенного или поврежденного здания необходимо начинать с осмотра его внешних сторон в границах его проектной застройки или по периметру образовавшегося завала.
Осмотр внутренних помещений здания компрессорной станции производится по отдельным секциям последовательным перемещением расчетов с одновременным обходом всех сохранившихся помещений на обследуемом уровне здания.
Обнаруженные пострадавшие опрашиваются об их состоянии, полученных травмах, условиях, в которых они оказались, и о наличии в помещениях других пострадавших. По возможности им оказывается первая медицинская помощь. При невозможности безопасного передвижения пострадавших их местоположение обозначается специальными указателями, размеры, форма и содержание которых устанавливается командиром подразделения.
Поиск пострадавших по свидетельствам очевидцев заключается в опросе лиц, способных дать информацию о местонахождении пострадавших, которых они сами видели (слышали) или о наиболее вероятном их местонахождении в момент разрушающего воздействия. Такими лицами могут быть: спасенные (деблокированные) пострадавшие; работники предприятий и служащие учреждений, оказавшиеся вне зданий в момент их разрушения; представители администрации предприятия, а также другие лица, имеющие письменную и устную информацию о местах скопления людей в момент разрушения зданий [39].
3.7 Определение численности личного состава подразделений для расчистки подъездных путей к местам ведения спасательных работ
Важнейшим видом работ в очаге поражения в первый период после возникновения чрезвычайной ситуации будет прокладывание проездов по заваленной территории, подъездов к объектам и участкам работ.
Для обеспечения подхода формирований с техникой непосредственно к участкам работ необходимо устройство подъездов к ним на территории промышленных объектов.
Для проезда и установки специальной техники в зоне ЧС необходимо привлечение подразделений по расчистке мест.
Схема работы комплекса машин по расчистке проезда от завала показана на рисунке 3.5.
Основные работы по очистке проезда включают следующие операции:
- очистка проезда от завала головным бульдозером или БАТ;
- резка арматуры и металлоконструкций;
- очистка основания проезда для движения по нему колёсной техники.
Численность личного состава подразделений для расчистки подъездных путей определяется по формуле:
, (3.4)
где
– численность личного состава, чел.;
– количество смен в сутки, (1 смена);
– общее время выполнения работ, ч (2 часа);
– протяженность подъездных путей, км (из плана объекта экономики видно (Приложение А, рис.А1), что
=0,2км).
С учетом этого:
![]()
Таким образом, требуется 12 человек для расчистки подъездных путей до основания дороги.
3.8 Способы деблокирования пострадавших из-под завалов
Пострадавшие, находящиеся под обломками строительных конструкций, в зависимости от структуры завала, глубины их нахождения, а также от возможностей имеющихся технических спасательных средств, деблокируются следующими способами (рисунок 3.6).

Рисунок 3.6 - Способы деблокирования пострадавших
Технология деблокирования пострадавших путем разборки завала сверху применяется при нахождении пострадавших на небольшой глубине от поверхности завала, на некотором удалении от его края, или при невозможности использования других способов деблокирования пострадавших [49].
Разборка завала сверху осуществляется после обнаружения заваленного человека, укрепления неустойчивых обломков и конструкций, выбора и ограждения рабочего места, размещения на рабочем месте компрессора или источника электроэнергии, отключения всех трубопроводов и кабелей.
Схема организации работ по деблокированию пострадавшего способом разборки завала приведена на рисунке 3.6.
1 - компрессор; 2 - ограждение рабочей площадки и места производства работ; 3 - завал; 4 - края выемки; 5 - место блокирования пострадавшего; 6 - выемка; 7 - лебедка. Н - высота завала.

Рисунок 3.7 - Схема организации работ по деблокированию пострадавшего способом разборки завала сверху
Разборка завала сверху осуществляется спасательным звеном численностью в 7 человек методом послойного удаления обломков в отвал. Старший расчета отвечает за качественное и своевременное выполнение работ и соблюдение мер безопасности. Верхний слой обломков убирается с помощью лебедки после предварительного дробления и резки арматуры. Мелкие обломки убираются вручную в отвал. Данные операции повторяются до тех пор, пока не будет освобожден пострадавший. По мере приближения к месту блокирования пострадавшего, применение отбойных молотков исключается, чтобы предотвратить подвижку завала и защемленных конструкций. Работы по разборке завала производятся с использованием автокрана, универсального комплекта УКМ-4, дисковых мото- и электропил и гидроножниц. Если пострадавший находится под крупными обломками, то его освобождают при помощи домкратов, пневматических подушек, плунжерных распорок [38].
Для производства работ по разборке завала вручную выбираются или оборудуются с помощью средств механизации (бульдозер) площадки, где устанавливаются компрессорные станции, а при необходимости и другая техника.
3.9 Определение количества сводных механизированных групп для деблокирования пострадавших и разборки элементов разрушенного оборудования на КС «Сергиевского ЛПУМГ»
Общей особенностью всех работ по разборке завалов является необходимость предотвращения смещения элементов завала и сохранение их в положении устойчивого равновесия. Это достигается организацией работ в два этапа. На первом этапе выполняются операции с применением средств механизации, работа которых сопровождается значительными ударными нагрузками, вибрацией и смещением (обвалом, падением) обломков конструкций.
Количество личного состава, необходимого для комплектования сводных механизированных групп [32], определяется по формуле:
, (3.5)
где
– количество личного состава для комплектования групп, чел.;
– объем завалов, который необходимо разобрать, м3
.
Объем завалов полностью разрушенного здания компрессорной станции определен в разделе 2 и равен
= 11700 м3
– время выполнения спасательных работ, ч (принято τраб
=24 ч);
П – трудоемкость разборки завала, 1,8 чел.-ч./м3 ;[3]
– коэффициент, учитывающий структуру завалов (
=0,9 – для промышленных зданий со стенами из панелей);[32]
– коэффициент, учитывающий снижение производительности труда (в светлое время суток Кс
=1,0);
– коэффициент, учитывающий погодные условия (
=1,0 – для температуры воздуха в рабочей зоне 0…250
С).
Подставив значения в (3.1)
![]()
Состав и средства спасательной механизированной группы представлены в приложении Г (таблица Г.1).
Потребное количество сводных механизированных групп определяется по формуле:
![]()
где
– количество сводных механизированных групп, ед.;
– количество личного состава для комплектования групп, чел.;
– численность личного состава одной сводной механизированной группы, чел).
Подставив значения в формулу (3.5), имеем:
![]()
Численность личного состава спасательной механизированной группы принята с учетом ее работы в две смены по 8часов.
При выполнении работ производится извлечение и перемещение автокраном за пределы завала обломков строительных конструкций, препятствующих проникновению вглубь завала к пострадавшему. Одновременно производится резание арматурных связей, мешающих извлечению обломков строительных конструкций или блокирующих доступ к пострадавшим.
Для поисковых и спасательных работ также используются звенья ручной разборки.
3.10 Определение количества и состава отделений для деблокирования пострадавших
При разборке завала здания компрессорной станции требуется значительное количество звеньев ручной разборки, вследствие значительного числа мелких обломков и возможности их смещения.
На втором этапе при ведении работ по разборке завала в непосредственной близости к пострадавшим применяется только ручной инструмент и средства малой механизации [32].
Общее количество отделений (звеньев) для ручной разборки завалов зависит от характера завалов и определяется по формуле:
, (3.7)
где
– количество отделений для ручной разборки завалов, ед.;
– количество сводных механизированных групп, ед. (NСМГ
=5 по формуле 3.6);
– количество рабочих смен в сутки, ед.(Nсм
=0,5);
– коэффициент, учитывающий количество спасательных отделений на одну группу (
=2).[32]
Подставив значения в формулу (3.6):
Количество личного состава, необходимого для формирования потребного количества спасательных отделений (звеньев) ручной разборки завалов определяется по формуле:
, (3.8)
где
– количество личного состава, чел.;
– количество отделений для ручной разборки завалов, ед.;
– численность одного спасательного отделения, человек (как правило, принимается равным 7 чел).
Подставив значения в формулу (3.7):
![]()
Состав звена ручной разборки приведен в приложении Г (таблица Г.2).
3.11 Транспортировка пострадавших
Неотъемлемой составляющей первого этапа АСДНР является транспортировка пострадавших от мест нахождения к местам оказания медицинской помощи (Приложение А, рисунок А4), медсортировки пострадавших, и далее к вывозу пострадавших из зоны ЧС различными способами в соответствии с указаниями медицинского персонала по маршрутам, обеспечивающим безопасность выноса и перевозки на соответствующих транспортных средствах.
Как было рассчитано ранее, во 2 разделе дипломного проекта:
1) максимальное избыточное давление при взрыве составляет 112 кПа. Воздействие избыточного давления ударной волны на человека –см.табл. 2.4. Сопоставив полученное значение с табличными данными, можно сделать вывод, что уровень поражения людей – летальный исход, перелом ребер и состояние контузии;
Важнейшей задачей первой помощи является организация быстрой, безопасной, щадящей транспортировки (доставки) пострадавшего в лечебное учреждение. Причинение боли во время транспортировки способствует ухудшению состояния пострадавшего, развитию шока. Выбор способа транспортировки зависит от состояния пострадавшего, характера травмы или заболевания и возможностей, которыми располагает оказывающий первую помощь.
Иммобилизация - создание неподвижности (обездвижение) конечности или другой части тела при повреждениях, воспалительных или иных болезненных процессах, когда поврежденному (больному) органу или части тела необходим покой. Может быть временной, например на период транспортировки в медицинское учреждение, или постоянной, например для создания условий, необходимых при сращении отломков кости, заживлении раны и т.п.
Транспортная иммобилизация является одной из важнейших мер первой помощи при вывихах, переломах, ранениях и других тяжелых повреждениях. Ее следует проводить на месте происшествия с целью предохранения поврежденной области от дополнительной травмы в период доставки пострадавшего в лечебное учреждение, где эту временную иммобилизацию при необходимости заменяют на тот или иной вариант постоянной.

Рисунок 3.8 - Иммобилизация при помощи подручных средств:
а, б - при переломе позвоночника; в, г - иммобилизация бедра; д - предплечья; е - ключицы; ж - голени.
Недопустимы перенос и транспортировка без иммобилизации пострадавших, особенно с переломами, даже на короткое расстояние, т.к. это может привести к увеличению смещения костных отломков, повреждению нервов и сосудов, расположенных рядом с подвижными отломками кости. При больших ранах мягких тканей, а также при открытых переломах, иммобилизация поврежденной части тела препятствует быстрому распространению инфекции, при тяжелых ожогах (особенно конечностей) способствует менее тяжелому их течению в дальнейшем. Транспортная иммобилизация занимает одно из ведущих мест в профилактике такого грозного осложнения тяжелых повреждений, как травматический шок [34].
При отсутствии какого-либо транспорта или до его приезда, следует осуществить переноску пострадавшего на носилках в безопасное место, в т. ч. и импровизированных носилках. Первую помощь приходится оказывать и в таких условиях, когда нет никаких подручных средств или нет времени для изготовления импровизированных носилок. В этих случаях пострадавшего необходимо перенести на руках. Один человек может нести больного на руках, на спине, на плече (см. рис. 3.9). Переноску способом "на руках впереди" и "на плече" применяют в случаях, если пострадавший очень слаб или без сознания. Если больной в состоянии держаться, то удобнее переносить его способом "на спине". Эти способы требуют большой физической силы и применяются при переноске на небольшие расстояния. На руках значительно легче переносить вдвоем. Пострадавшего, находящегося в бессознательном состоянии, наиболее удобно переносить способом "друг за другом" (см. рис. 3.10 а).

Рисунок 3.9 - Переноска пострадавшего одним носильщиком: а - на руках; б - на спине; в - на плече
Если больной в сознании и может самостоятельно держаться, то легче переносить его на "замке" из 3 или 4 рук (рис. 3.10 б, в). Значительно облегчает переноску на руках или носилках носилочная лямка.
В ряде случаев больной может преодолеть короткое расстояние самостоятельно с помощью сопровождающего, который закидывает себе на шею руку пострадавшего и удерживает ее одной рукой, а другой обхватывает больного за талию или грудь.
Пострадавший свободной рукой может опираться на палку. При невозможности самостоятельного передвижения пострадавшего и отсутствии помощников возможна транспортировка волоком на импровизированной волокуше - на брезенте, плащ-палатке.
Таким образом, в самых разнообразных условиях оказывающий первую помощь может организовать тем или иным способом транспортировку пострадавшего. Ведущую роль при выборе средств транспортировки и положения, в котором больной будет перевозиться или переноситься, играют вид и локализация травмы или характер заболевания. Для предотвращения осложнений во время транспортировки пострадавшего следует перевозить в определенном положении соответственно виду травмы.
Пострадавших и больных, находящихся в бессознательном состоянии, транспортируют в положении лежа на животе, с подложенными под лоб и грудь валиками. Такое положение необходимо для предотвращения асфиксии. Значительную часть больных можно транспортировать в положении сидя или полусидя.

Рисунок 3.10- Переноска пострадавшего двумя носильщиками: а - способ "друг за другом"; б - "замок" из трех рук; в - "замок" из четырех рук
В период транспортировки необходимо проводить постоянное наблюдение за больным, следить за дыханием, пульсом, сделать все, чтобы при рвоте не произошла аспирация рвотных масс в дыхательные пути. Очень важно, чтобы оказывающий первую помощь своим поведением, действиями, разговорами максимально щадил психику больного, укреплял в нем уверенность в благополучном исходе заболевания.
В результате ЧС на КС «Сергиевского ЛПУМГ» транспортировкой пострадавших способами и положениями, указанных выше, занимаются прибывшие первые на место ЧС – группа аварийно-газоремонтных работ (15 человек на 3 транспортных средствах), сотрудники медицинского пункта завода (5 человека).
В соответствии с таблицей 3.2 время выдвижения формирований из мест дислокации в зону чрезвычайной ситуации, можно сделать вывод, что бригада скорой помощи из районной больницы с.Сергиевск прибудет в зону ЧС в течение 27 минут, а из больницы с.Суходол – 12 минут. Все это время первую доврачебную и медицинскую помощь оказывают группа аварийно-газоремонтных работ и сотрудники медицинского пункта.
12 человек получают травмы различной степени тяжести и подлежат перевозке в медицинские учреждения при помощи машин скорой помощи ГАЗ-33021 «Газель» (3 автомобиля).
3.12 Первая доврачебная и первая медицинская помощь в ходе работ по ликвидации чрезвычайной ситуации
Основными видами помощи травмированных и раненных в зоне ЧС или на ее границе является 1-я медицинская, доврачебная и 1-я врачебная помощь.
Для оказания 1-й медицинской и доврачебной помощи на месте, где получена травма или вблизи от него, а также отдельных мероприятий 1-й врачебной помощи, не требуется развертывания на местности функциональных отделений.
Своевременность в оказании медицинской помощи достигается хорошей организацией розыска, выноса и вывоза (эвакуации) пораженных из очага на этапы медицинской эвакуации, максимальным приближением 1-го этапа к районам возникновения потерь, правильной организацией работы и правильной организацией медицинской сортировки.
Вид медицинской помощи - это определенный перечень лечебно-профилактических мероприятий, проводимых при поражениях (ранениях) персоналом в порядке само- и взаимопомощи, личным составом спасательных формирований в очагах поражения и на этапах медицинской эвакуации. Вид медицинской помощи определяется местом ее оказания, подготовкой лиц, ее оказывающих, и наличием необходимого оснащения.
1) Первая медицинская помощь
Как вид медицинской помощи - первая медицинская помощь имеет целью предотвратить дальнейшее воздействие на пострадавшего поражающего фактора, предупредить развитие тяжелых осложнений и тем самым сохранить жизнь пораженному.
Оптимальный срок оказания первой медицинской помощи - до 30 минут после получения травмы. Первая медицинская помощь пораженным оказывается посиндромно, исходя из характера, тяжести и локализации повреждений.
В организации первой медицинской помощи различают два периода: первый - оказание само- и взаимопомощи сразу после возникновения очага поражения, когда еще не прибыли силы здравоохранения и спасательные формирования, и второй - оказание первой медицинской помощи прибывшими медицинскими формированиями и личным составом спасательных формирований одновременно с организацией само- и взаимопомощи. При оказании первой медицинской помощи необходимо иметь табельные, а при их отсутствии использовать подручные средства оказания первой медицинской помощи. Перечень этих средств, потребность в них определяются в зависимости от характера и масштаба катастрофы [34].
В зависимости от обстановки на догоспитальном этапе в зоне катастроф первая медицинская помощь обеспечивается пораженным в порядке само- и взаимопомощи, а также спасателями, младшим и средним медицинским персоналом, входящим в состав бригад экстренной доврачебной медицинской помощи, и врачебным составом бригад скорой медицинской помощи. Эти виды медицинской помощи выполняются в местах сбора пораженных, во временных медицинских пунктах вблизи очага поражения..
2) Доврачебная медицинская помощь
Доврачебная медицинская помощь - комплекс медицинских манипуляций, осуществляемых медицинским персоналом (медсестра, фельдшер) с использованием табельных медицинских средств. Она направлена на спасение жизни пораженных и предупреждение развития осложнений. Оптимальный срок оказания доврачебной помощи - 1 час (не более 2 часов) после травмы [34].
Медицинская сортировка на догоспитальном этапе.
Первая медицинская помощь оказывается непосредственно в местах сбора (сосредоточения) в зоне чрезвычайной ситуации. При оказании первой медицинской помощи выделяются следующие сортировочные группы пораженных:
1. Нуждающиеся в данном виде помощи в первую очередь: наличие наружного артериального кровотечения, шока, острой сердечной и дыхательной недостаточности, асфиксии, судорог, потери сознания, обширных ожогов более 20% поверхности тела, ожогов лица и дыхательных путей, травматической ампутации конечности, открытого перелома бедра, выпавших петель кишечника, открытого пневмоторакса, резкого изменения цвета лица и кожи, сильной одышки, другие [34].
2. Те пострадавшие, помощь которым может быть оказана во вторую очередь (отсрочена на ближайшее время): нахождение частей тела под конструкцией разрушенного здания, с открытыми и закрытыми переломами костей без проявлений шока, повреждениями мягких тканей, ожогами менее 20% поверхности тела, травмами черепа. Задержка в оказании им помощи может утяжелить состояние, но не создает непосредственную угрозу жизни.
3. Все остальные пораженные.
4. Нуждающиеся в выносе или вывозе в ближайший пункт медицинской помощи или ЛПУ (в первую или вторую очередь).
5. Легкопораженные (ходячие), которые следуют из зоны бедствия самостоятельно или с посторонней помощью.
Для оказания пострадавшим в ЧС, на компрессорной станции, медицинской помощи требуется привлечение бригад скорой медицинской помощи.
Количество отрядов первой медицинской помощи (Nпмп ) рассчитывают по формуле:
, (3.9)
Численность врачей (Nвр ) определяют по формуле:
, (3.10)
Состав среднего медицинского персонала (Nсмп ) определяются по формулам:
, (3.11)
где
– количество санитарных потерь, чел.
Общая численность санитарных потерь составила 12 чел.
Подставляем значения в выражения 3.8 – 3.11:
![]()
![]()
![]()
Общая численность личного состава отрядов первой медицинской помощи определяется:
, (3.13)
Специализированная медицинская помощь оказывается бригадами скорой помощи больниц с. Сергиевск (время прибытия 27 минут) и с.Суходол (время прибытия 12 минут). Для отправки пострадавших в больницу необходимо 3 автомобиля скорой помощи ГАЗ-33021 «Газель».
Итого: общая численность личного состава отрядов первой медицинской помощи 6 человек.
3.13 Эвакуация пострадавших и персонала предприятия
Эвакуация – основное мероприятие по защите людей. При возникновении крупномасштабной ЧС на территории компрессорной станции «Сергиевского ЛПУМГ», при развитии опасной обстановки в зоне ЧС особенно важными являются вопросы своевременной эвакуации персонала.
Эвакуация, представляет собой комплекс мероприятий по организованному вывозу всеми видами транспорта персонала предприятия из опасной зоны, в город и в медицинские учреждения. Весь фонд транспортных средств, пригодных к использованию в целях эвакуации пострадавших и всего персонала предприятия, независимо от форм собственности, на основании «Плана взаимодействия служб», привлекается к ведению спасательных работ. Эвакомероприятия осуществляются по решению соответствующего начальника ГО с последующим докладом вышестоящему руководству.
Силы непосредственного спасения персонала компрессорной станции, попавшего в зону ЧС.
Nсг г = 0,0033× Nzat г , (3.13)
где Nсг г – количество спасательных групп;
0,0033- количество спасательных групп на одного спасаемого, шт/чел;
Nzat г – численность людей, попавших в зону ЧС, чел.
Численность спасателей определяют по формуле:
Nсч = Nсг г ∙24 (3.14)
Подставляем значения в выражения 3.13,3.14:
Nсг г = 0,0033× Nzat г =0,0033∙90=0,297 группы
Nсч = Nсг г ∙24=0,297∙24=7 чел.
Для эвакуации пострадавших потребуется 7 спасателей.
Пункт погрузки пострадавших для эвакуации организуется на площадке, где останавливаются служебные автобусы. Количество эвакуируемого персонала компрессорной станции, попадающие в зону токсического действия дыма – 90 чел. Для эвакуации по месту жительства планируется использовать 1 вахтовый автобуса НефАЗ 5299-17-32 (Приложение В рисунок В.1 и таблица В.1), 12 человек получат травмы различной степени тяжести и подлежат эвакуации в медицинские учреждения при помощи машин скорой помощи ГАЗ-33021 «Газель» (3 автомобиля).
3.14 Численность личного состава для проведения аварийно-спасательных и других неотложных работ
Общая численность личного состава формирований, участвующих в спасательных работах, будет равна:
(3.14)
Численность личного состава, участвующего в проведении неотложных работ будет составлять:
(3.15)
Общая численность личного состава формирований для проведения АСДНР будет составлять:
(3.16)
Подставив значения, получим соответственно:
![]()
![]()
![]()
173 человека необходимо привлечь для проведения АСДНР.
3.15 Подразделения охраны общественного порядка
Для обеспечения охраны общественного порядка и оцепления зоны ЧС необходимо привлечение службы безопасности объекта. Место расположения поста охраны общественного порядка показано на схеме работ в приложении А4. Численность патрульных постовых звеньев для охраны общественного порядка определяется по формуле:
(3.17)
Численность личного состава для охраны общественного порядка составляет:
(3.18)
Подставив значения, получим:
![]()
![]()
Кроме того, необходимо привлечь 2 звена ДПС для обеспечения объезда зоны ЧС (4 человека).
3.16 Выбор и расчет техники, необходимой для эвакуации пострадавших
Для эвакуации пострадавшего персонала, получившего повреждения средней и легкой степени тяжести, используются автобусы НефАЗ 5299-17-32. Внешний вид и тактико-технические характеристики автобуса представлены в приложении В рисунок В.1 и таблица В.1. Номинальная вместимость автобуса данной марки составляет 114 человек. Значит, для перевозки 90 человек потребуется:
, (3.19)
где kпс - количество автобусов необходимых для эвакуации;
Nzat.i пс - численность населения, эвакуируемого i-ым видом транспорта, чел;
Nвм.i пс - вместимость i-го вида транспорта, чел;
Т - продолжительность эвакуации (спасательных работ), мин;
Ri пс - продолжительность рейса i-го вида транспорта (в нашем случае 18 мин).
(1) ед.
Для доставки медицинского персонала в составе 6 человек (1 врач) и перевозки 12 пострадавших людей в лечебные учреждения потребуются автомобили скорой медицинской помощи ГАЗ 32214 в количестве:
N=(1+12)/4 = 3 ед.
Для доставки среднего медицинского персонала привлекается ГАЗ-33021 «Газель».
N= 5/7 =1 ед.
Для доставки 10 погибших в морг требуются специальные автомобили для ритуальных услуг на базе ЗИЛ 3909 в количестве 1 единицы.
Спасатели в зону ЧС добираются пешим порядком.
Линейный график проведения мероприятий АСДНР представлен в таблице 3.4. Номенклатура мероприятий АСДНР представлена в приложении В.
Таблица 3.4 – Линейный график проведения мероприятий АСДНР
| № п/п |
Мероприятие |
Продолжительность процесса |
Часы |
|||||||||||||
| 1 |
4 |
7 |
11 |
14 |
17 |
20 |
23 |
24 |
||||||||
| 5 |
10 |
15 |
30 |
45 |
60 |
|||||||||||
| 1 |
2 |
3 |
4 |
|||||||||||||
| 1. |
Оповещение и сбор руководящего и личного состава формирований |
|
||||||||||||||
| 2. |
Разведка зоны ЧС |
10 минут |
|
|||||||||||||
| 3. |
Эвакуация не пострадавшего персонала |
30 минут |
|
|||||||||||||
| 4. |
Наблюдение за изменением обстановки |
постоянно |
|
|||||||||||||
| 5. |
Охрана общест-венного порядка |
постоянно |
|
|||||||||||||
| 6. |
Расчистка подъездных путей |
30 минут |
|
|||||||||||||
| 7. |
Поисково-спасательные работы |
постоянно |
|
|||||||||||||
| 8. |
Оказание ПМП |
постоянно |
|
|||||||||||||
| 9. |
Разбор завалов |
23 часа |
|
|||||||||||||
| 10. |
Отправка в лечебные учреждения постра-давшего персонала |
4 часа |
|
|||||||||||||
| 11. |
Вывоз погибших в морг |
1 час |
|
|||||||||||||
| 12. |
МТО формирований |
постоянно |
|
|||||||||||||
| 13. |
Сбор и возвращение формирований на места дислокации |
1 час |
|
|||||||||||||
| 14 |
Обеспечение л/с формирований горячей пищей |
Каждые 4 часа |
|
|
|
|
||||||||||
Финансирование всех мероприятий по ликвидации чрезвычайных ситуаций производится за счет средств ООО «Газпром трансгаз Самара», так как ЧС муниципальная (определено в разделе 4 данного дипломного проекта)
3.17 Подбор комплектов спасательной техники, необходимой для механизации работ по разборке завала и вывозу обломков завала
Для проведения аварийно-спасательных и других неотложных работ необходимо использование спасательной техники. Механизация процессов позволяет облегчить и ускорить работы в зоне ЧС.
3.17.1 Проведение работ по сбору обломков завалов
Для проведения работ по сбору обломков и расчистке проездов целесообразно применения наиболее современного, мощного и в тоже время доступного для предприятия бульдозера Т-25.01БР-1. Тактико-технические характреистики бульдозера представлены в приложении В, таблица В.2. Расстановка сил и средств представлена в приложении А4.
Задача расчетов заключается в подборе дорожных машин в соответствии с условиями выполнения работ. Так же требуется определить, подходит ли Бульдозер марки Т-25.01БР-1 для работ по ликвидации завала. Тактико-технические характеристики Бульдозера представлены в приложении В.
Исходные данные расчетов принимаются на основе обстановки, в том числе и инженерной: объема завалов, состояния подъездных путей и т.д.
техническая производительность машины Пт = 0,77 км/м.
коэффициент, зависящий от числа проходов бульдозера по одному следу. В данном случае расчет проводится при одном проходе К =1 [25];
длина отвала бульдозера Т-25.01БР-1 L0 =420 см [25];
угол поворота отвала в плане для бульдозеров с неповоротным отвалом sinω = 1;
усилие на перемещение призмы волочения на 1 погонный сантиметр длины отвала Рпр =28,3кгс/см
усилие копания на один погонный сантиметр длины отвала PK =18 кгс/см
коэффициент сопротивления гусеничного хода fг =0,2.
С целью определения максимальной производительности, которую может дать машина с учетом ее основных конструктивных параметров и условий работы, осуществляется тяговый расчет.
Отметим, что рабочий процесс машины в каждом элементе рабочего цикла возможен в том случае, если сила тяги машины по двигателю Рд и сила тяги машины по сцеплению Рсц будут больше (или равны) сумме всех сил сопротивлений W для соответствующих элементов цикла, которые машина должна преодолевать в заданных условиях, т. е.
(3.19)
В противном случае возможно, что заглохнет двигатель или забуксует движитель.
К основным параметрам бульдозерного оборудования относятся высота без козырька Н и длина В отвала (м), радиус кривизны отвала r, основной угол резания δ, задний угол отвала α, угол заострения ножей β, угол перекоса отвала ε и угол поворота (у поворотных машин) отвала в плане γ (град), высота подъема отвала над опорной поверхностью h1 и глубина опускания отвала ниже опорной поверхности h2 (м), напорное T и вертикальное Р усилия на режущей кромке (кН), скорости подъема νп и опускания νо отвала.
Производительность машин при работе в завалах зависит от характеристик завала, схемы производства работ и технических параметров машин. Таким образом, для ориентировочных расчетов примем [44]:
Пэ = 0,65∙Пт , (3.20)
где Пт техническая производительность машины;
Эксплуатационная производительность бульдозеров на гусеничных тракторах при прокладывании проездов в завалах может быть определена по формуле:
(3.21)
где N – мощность двигателя трактора, л.с;
K – коэффициент,зависящий от числа проходов бульдозера по одному следу,(примем для нашего случая К=1)
W – полное сопротивление движению бульдозера при работе, кгс.
Полное сопротивление движению бульдозера при работе W слагается из сопротивления копанию W1 , сопротивления перемещению призмы волочения (объема породы перед отвалом) W2 и сопротивления перемещению бульдозера W3 .
Сопротивление копанию определяется по формуле:
(3.22)
W1 =18∙420∙1= 7560 кгс,
где Рк – усилие копания на 1 пог.см длины отвала, кгс/см2 ;
L 0 – длина отвала, см;
Sinγ – угол поворота отвала в плане (Sinγ=1).
Сопротивление перемещению призмы волочения определяется по формуле:
(3.23)
W2 =28,3= 11886 кгс,
где Pпр – усилие на перемещение призмы волочения 1 пог.см длины отвала, кгс/см2 ;
Значения Рк и Рпр представлены в таблице Г4, Приложения Г.
Сопротивление перемещению бульдозера определяется по формуле:
(3.24)
W3 =31600∙0,2=6320 кгс;
где Gб – полный вес бульдозера, кг;
fг – коэффициент сопротивления гусеничного хода (fг =0,2);
Полное сопротивление движению бульдозера при работе:
(3.25)
W=7560+11886+6320= 25766 кгс;
Подставим полученные значения в формулу, получим:
м3
/ч;
Пт =Пэ /0,65=1,7/0,65=2,6.
Величина полного сопротивления меньше силы тяги, следовательно, бульдозер Т-25.01БР-1 может быть использован для откопки заваленных убежищ.
Опыт производства работ по прокладыванию проездов с помощью бульдозеров показывает, что минимальное заглубление отвала при этом должно быть примерно 0,2 м [25].
Рассчитаем силу тяжести базового тягача для создания номинального тягового усилия по сцеплению по формуле:
GT =Pном /φсц, (3.26)
где φсц — коэффициент использования сцепного веса базовой машины;
Рном — номинальное тяговое усилие, кгс.
GT = 760∙103 /0,9 = 844444 кгс;
; (3.27)
Общая сила тяжести конструкции бульдозеров рассчитаем по формуле:
Gб = 1,2∙GT , (3.28)
где Gб — сила тяжести базовой машины
Gб = 1,2∙844444 = 1013332 кгс.
Мощность двигателя базовой машины выбирается такой, чтобы обеспечить заданные транспортные скорости бульдозеров и необходимое для работы тяговое усилие по двигателю. Для последнего случая эффективная мощность двигателя определим по формуле:
, кВт. (3.29)
где vp — расчетная рабочая скорость бульдозера, м/с;
Обычно бульдозеры производят сдвигание обломков на I или II передаче, или (0,9…1,0) м/с. возвращение его к месту набора обломков для нового цикла осуществляется, как правило, задним ходом со скоростью (1,1…2,2) м/с. В данном случае используется средняя скорость движения бульдозера vp = 1,5 м/с.
η — коэффициент полезного действия силовой передачи и ходовой части.
Тогда,
Nд
=
= 1545, кВт.
В противном случае, возможно, что заглохнет двигатель или забуксует движитель.
При выполнении тягового расчета машины, прежде всего, следует определить, какую силу тяги может развивать машина по двигателю. Определим ее по формуле:
Рд1 =367,2∙Nд /v1 ; (3.30)
Рд1 = 367,2∙760/6,9 = 40445,2 кгс;
Рдз.ход = 367,2∙Nд /vз.ход ; (3.31)
Рдз.ход = 367,2∙760/4,8 = 58140 кгс;
Рд = (Рд1 + Рдз.ход )/2; (3.32)
Рд = (40445,2 + 58140)/2 = 49292,6 кгс.
Далее следует определить, какую силу тяги может развивать машина по сцеплению. Рассчитаем ее по формуле:
Рсц = φRгр = φ(Gб ∙cosα ± Wy); (3.33)
где φ — коэффициент использования сцепного веса машины;
Rгр — нормальная реакция грунта на машину;
α — угол уклона местности;
Wy — вертикальная составляющая рабочих сопротивлений.
Заметим, что при α ≤ 6° влияние угла местности α и Wy на силу Рсц незначительное. Поэтому в данных расчетах при α < 6° можно принимать α = 0 и Wy = 0 [25].
Рсц = 0,9∙(760∙103 ∙1 ± 0) = 684000 кгс.
После определения Рд и Рсц произведем их сравнение с той целью, чтобы определить, какая сила тяги будет ограничивать возможности рабочего процесса машины.
Максимальная сила тяги по двигателю Рд будет меньше при минимальной скорости движения машины, т.е. ограничиваться силой тяги по двигателю. Результаты расчета показывают, что максимальное тяговое усилие бульдозера Т-25.01БР-1 превышает его сопротивление движению и, следовательно, применение этого бульдозера при прокладывании проездов рационально.
3.17.2 Производство погрузочных работ элементов завала для вывоза их из зоны ЧС
Для погрузки обломков и элементов завала в самосвалы требуются экскаваторы. С учетом представленных мероприятий были выбран экскаватор Хитачи ЕХ-400. Он является наиболее приемлемым и доступным для выполнения погрузочных работ обломков завалов. Расстановка сил и средств представлена в приложении А4.
Теоретическая производительность экскаватора определяется как произведение геометрической емкости ковша q на конструктивно возможное (расчетное) число рабочих циклов n в час:
По = q ∙n. (3.34)
Техническая производительность – это наибольшая возможная производительность экскаватора при непрерывной работе в данных конкретных условиях
, (3.35)
где n Т – наибольшее возможное число циклов в минуту при данных условиях грунта и забоя;
КН – коэффициент наполнения ковша;
Кр – коэффициент рыхлости обломков завала.
Наибольшее возможное число циклов в минуту
nТ = 60/tц , (3.36)
где tц – продолжительность цикла зависит от множества факторов, в том числе от емкости ковша q, и составляет:
tw = tr + tg + td + tgp , (3.37)
где tк – продолжительность копания, равная 6…10 с;
tп – продолжительность поворота на выгрузку, равная 7…11с;
tв – продолжительность выгрузки, равная 1…3 с;
tпз – продолжительность поворота в забой, равная 7…10 с.
tц = tк + tп + tв + tпз =6+7+3+7 =23 (с).
nТ = 60/tц = 60/ 23 = 3(цикл.).
Таким образом,
ПТ
=
(м3
/ч).
Эксплуатационная производительность, в отличие от технической, учитывает использование экскаватора по времени и квалификацию машиниста, т.е. степень организации экскаваторных работ и умение машиниста владеть машиной.
Эксплуатационная производительность – фактическая производительность экскаватора с учетом запланированных перерывов в работе может быть часовой, сменной, месячной, годовой (м3 /смен, м3 /месяц, м3 /год):
ПЭ =ПТ ∙КВ ∙Км , (3.38)
где КВ – коэффициент, учитывающий использование экскаватора по времени;
Км – коэффициент, учитывающий квалификацию машиниста.
При определении коэффициента КВ учитывают только те задержки, которые, неизбежны при работе экскаватора: передвижки в забое, время на техническое обслуживание и т. п. При работе в транспорт КВ = 0,7¸0,75; при работе в отвал КВ = 0,8 ¸ 0,93.
Коэффициент Км , учитывающий квалификацию машиниста для строительных универсальных экскаваторов, принимают равным 0,86.
ПЭ = 168∙0,75∙0,92 = 116 (м3 /ч).
Таким образом, рассмотренные экскаваторы являются оптимальной техникой для выполнения погрузочных работ на месте ЧС.
Необходимое количество смен:
Nэкс = Vгр /Пэкс1 , (3.39)
где Vгр – объем грунта, м3 ,
Пэкс1 – производительность одного экскаватора, м3 /смен.
Пэкс1 = 8∙Пэ ,
где 8 – восьмичасовая смена.
Так как экскаваторы должны работать так, чтобы обеспечить погрузку грунта, собранного бульдозерами, значит время работы экскаваторов равно времени работы бульдозеров.
Пэ – эксплуатационная производительность экскаватора, м3 /ч,
Пэкс1 = 8∙116 = 928 м3 /смен;
Nэкс = 11700 / 928= 13 смен.
Таким образом для работы одним экскаватором нужно 13 смен по 8 часов, то есть 104 часа. Но разборку завалов следует произвести за наименьшее число часов, поэтому целесообразно использовать 8 экскаваторов:
Пэкс8 = 8∙Пэ =8∙116∙8=12064.
Пэкс8 -производительность 8 экскаваторов., м3 /смен.
Nэкс = 11700 / 12064=0,93 смены.
Следовательно для работы потребуется 8 экскаваторов, свою работу они выполняют за 7 часов 44 минуты (8∙0,93=7часов 44мин).
3.17.3 Производство транспортных работ по вывозу элементов завала на полигон для утилизации твердых бытовых отходов
Обломки завалов необходимо транспортировать из зоны ЧС на полигон, расположенный в 1,5 км от компрессорной станции. Для этого целесообразно использовать автосамосвал КамАЗ 55111 с прицепом общей грузоподъемностью 20 т. Тактико-технические характеристики и внешний вид представленной техники приведены в приложении В (рисунок В.4).
Из представленных моделей целесообразно применение КамАЗ-55111 поскольку на нем представляется возможность установки надставных бортов для повышения одного из параметров производительности – коэффициента использования грузоподъёмности. Таким образом, исходный объём кузова, составляющий 7,9 м3, увеличивается до 15,8 м3 при помощи металлических надставных бортов.
Кроме того, учитывая масштабы работ, использование прицепа СЗАП-8357 позволяет увеличить грузоподъемность машины почти в 1,5 раза.
Общее время подъёма загруженной платформы самосвала и прицепа составляет 20 сек. Скорость переезда с полной загрузкой составляет 80…90 км/ч. Грузоподъёмность самосвального автопоезда составляет 20000 кг.
Техническая производительность автосамосвала (м3 /ч) определяется по формуле
Па
=
, (3.40)
где V — объем груза, перевозимого автомобилем, в м3 ;
tпогр, — продолжительность погрузки одного автомобиля с учетом простоев в связи с перерывами в работе погрузчика, равная 300с;
tпер — продолжительность переездов автомобиля от места погрузки к месту разгрузки и обратно в с;
tразгр — продолжительность разгрузки автомобиля, равная 20 с;
t’ман , tм —продолжительность маневрирования автомобиля при разгрузке, равная 60 с.
Объем грунта, перевозимого автомобилем:
V= 14,2 м3
Продолжительность переездов автомобиля от места погрузки к месту разгрузки
tпер = 1,5/80 = 1,2 (мин) = 68 (с).
Рассчитаем производительность автомобиля на вывозе/ввозе обломков:
Па =3600∙14,2/ (300+60+2∙68+60+20+60)= 90 м3 /ч.
Таким образом, рассмотренный автосамосвал является оптимальной техникой для выполнения транспортных работ для непрерывной работы комплекта на месте ЧС.
Потребное количество автосамосвалов:
N = Пэ / Па = 116/ 90 = 1самосвал. (3.41)
где Пэ , Па – соответственно среднечасовая производительность экскаватора и автомобиля.
Для одного экскаватора требуется один самосвал, так как используются 8 экскаваторов, значит для непрерывной работы потребуется 8 автосамосвалов
В качестве средств транспортирования, необходимых для ликвидации ЧС, технических средств используется седельный тягач МЗКТ-74131-010, служащий для работы с полуприцепом. Тактико-технические характеристики и внешний вид представленной техники приведены в приложении В рисунок В.6 и таблица В.7.
Требуемое количество седельных тягачей определяется:
Nтяг = Pтех / Pтяг1 , (3.42)
где Pтех – масса перевозимой техники (бульдозеров и экскаваторов), кг;
Pтяг1 – грузоподъемность одного тягача с прицепом, кг.
Pтех = Nб ∙ Мб + Nэкс ∙ Мэкс = 2∙ 16700 + 2×27000 =87400 кг; (3.43)
Nтяг = 87400/70000 = 2 шт.
Следовательно, для доставки техники потребуется 2 седельных тягача МЗКТ-74131-010 с полуприцепом и соответственно 2 водителя категории Е, которые в 2 рейса доставят необходимую технику в зону ЧС.
Для всех мероприятий по разбору завала подобрана следующая техника (см. таблицу 3.5)
Таблица 3.5 - Техника, необходимая для разбора завала, препятствующих ведению аварийно-спасательных работ.
| Наименование мероприятия |
Техника, необходимая для проведения мероприятия |
Коли-чество |
| Доставка необходимой техники |
Седельные тягачи |
2 |
| Погрузочные работы |
Экскаваторы |
8 |
| Сбор обломков завала |
Бульдозеры |
3 |
| Вывоз обломков завала |
Автосамосвалы |
8 |
Таким образом, для ликвидации рассматриваемой ЧС привлекаются 3 бульдозера, 8 экскаваторов, 8 самосвалов и седельные тягачи – 2 еденицы.
Таким образом, результат определения сил и средств, привлекаемых для ликвидации последствий ЧС можно представить в виде таблицы 3.6.
Таблица 3.6 – Техника привлекаемая для выполнения АСДНР на КС
Сергиевского ЛПУМГ, для ликвидации ЧС и для подвоза средств материального обеспечения
| Вид работ |
Средства (ед. техники) |
| 1 |
2 |
| Перевозка эвакуированного персонала |
Вахтовый автобус Икарус 5299-17-32 (1) |
| Доставка медицинского персонала и перевозка пострадавших в лечебные учреждения |
Автомобиль Скорой медицинской помощи ГАЗ 32214(3) |
| Эпидемическая группа для доставки трупов в морг |
Специальный автомобиль для ритуальных услуг (на базе ЗИЛ 3909) |
| Доставка сотрудников службы охраны общественного порядка |
УАЗ-3909 (2) |
| Патрульно-постовые работы отрядами ДПС |
ВАЗ 2110, ВАЗ 2112 |
| Сбор обломков завала |
Бульдозер Т-25.01БР-1 (3) |
| Погрузка и разгрузка элементов завала |
Экскаватор Хитачи ЕХ-400 (8) |
| Вывоз элементов завала |
Автосамосвалы КамАЗ-55111 с прицепом НефАЗ-8560 (8) |
| Доставка техники к месту ЧС |
Седельный тягач МЗКТ-74131-010 (2) |
| Итого |
27 |
Таким образом, для ликвидации ЧС на компрессорной станции КС-21 «Сергиевская» необходимо привлечение 219 человек и 27 единиц техники.
3.18 Основы организации материально–технического обеспечения подразделений, привлекаемых для ликвидации чрезвычайных ситуаций на объектах газопереработки
Материально-техническое обеспечение формирований, участвующих в проведении АСДНР заключается в бесперебойном снабжении их продовольственными товарами, медицинским имуществом, средствами индивидуальной защиты (СИЗ), приборами разведки, горюче - смазочными материалами (ГСМ) и другими материально – техническими средствами (МТС) [46].
Для выполнения мероприятий по материально–техническому снабжению привлекаются звенья обеспечения самих формирований, а также формирования служб продовольственного, материально–технического снабжения.
К материально-техническим средствам относятся:
- инженерная и автомобильная техника;
- средства индивидуальной защиты (СИЗ);
- средства связи и оповещения;
- горюче – смазочные материалы (ГСМ);
- продукты питания;
- и другие средства, необходимые для обеспечения действий сил и средств, при проведении мероприятий РСЧС.
Основными принципами и требованиями МТО формирований РСЧС в зоне ЧС являются:
- органы управления и силы РСЧС обеспечиваются МТС за счет бюджета объекта экономики, администраций территорий и государством в целом;
- накопление МТС производится путём эшелонирования с учетом достаточной потребности в них;
- оснащение органов управления и сил РСЧС МТС осуществляется в соответствии с табелями оснащения;
- равнозначная степень готовности войск ГО и формирований РСЧС к решению задач по предназначению предполагает создание остаточных запасов МТС бесперебойное обеспечение ими группировок сил [46];
- источниками МТО являются материальные ресурсы предприятия.
Для решения поставленной цели необходимо рассмотреть вопросы организации первоочередного жизнеобеспечения пострадавшего населения.
3.19 Основные принципы организации первоочередного жизнеобеспечения населения
Первоочередное жизнеобеспечение населения (ПЖОН) – комплекс экономических, организационных, инженерно–технических и социальных мероприятий для защиты населения и территорий от ЧС природного и техногенного характера и социальной защиты пострадавших [48].
ПЖОН при возникновении ЧС является одной из основных задач РСЧС, позволяющих уменьшить его потери и сохранить ему здоровье.
Основным объектом ПЖОН в ЧС является личность с ее правом на безопасные условия жизнедеятельности [48].
ПЖОН подлежат все граждане РФ, а также иностранные граждане и лица без гражданства, проживающие или временно находящиеся на территории, где возникла чрезвычайная ситуация. Вопросы ПЖОН, равно как и его защиты в ЧС, имеют приоритет перед любыми другими сферами деятельности органов исполнительной власти РФ, органов местного самоуправления.
Главной целью ПЖО в ЧС является создание и поддержание условий для сохранения жизни и здоровья пострадавшего населения и личного состава формирований и подразделений, участвующих в проведении АСДНР.
Организация ПЖО осуществляется постоянно действующими органами управления, силами и средствами, создаваемыми решениями руководителей исполнительной власти субъектов РФ и органами местного самоуправления. Данные органы управления и силы осуществляют свою деятельность в составе региональных и территориальных подсистем РСЧС.
ПЖО пострадавшего в ЧС населения и ЛС формирований и подразделений, участвующих в проведении АСДНР, осуществляется силами и средствами организаций, учреждений, предприятий (независимо от форм собственности), в обязанности которых входит решение вопросов ПЖОН, и осуществляющих свою деятельность на территории субъекта РФ.
Объёмы и содержание мероприятий по подготовке территорий к организации ПЖО определяются исходя из необходимой достаточности и максимально возможного использования имеющихся сил и средств.
Снабжение пострадавшего населения, ЛС аварийно–восстановитель-ных подразделений продуктами питания и водой в зонах бедствия, в районах эвакуации осуществляется, исходя из принципа физиологической (для нера-ботающих) и энергетической достаточности [48].
Личный состав сил, привлекаемых для организации ПЖОН в зонах бедствия и районах эвакуации, оснащается соответствующими техническими средствами, материальными ресурсами и подготовлен к действиям в случае ЧС.
Все мероприятия организуются своевременно, комплексно и увязаны по срокам и месту с другими мероприятиями, проводящимися для спасения, сохранения жизни и здоровья людей.
При функционировании на территории нескольких потенциально опасных объектов или вероятности возникновения на ней ЧС, планы организации ПЖОН разрабатывают на все случаи возникновения ЧС, а оценка её возможности и подготовленность для наиболее крупномасштабных ЧС. При планировании мероприятий учитывают специфику их организаций: при различных источниках возникновения ЧС и влияние фактора времени на потерю людей.
3.20 Обеспечения формирований, ликвидирующих ЧС, и персонала предприятия водой в зоне ЧС
Вода – это источник существования людей, в ходе выполнения работ в очаге повышенных температур организму требуется восполнение затрат влаги, потраченных при тяжелой работе.
Обеспечение водой производится из водопроводов, не подвергшихся выходу из строя вследствие аварии. Обеспечение питьевой водой личный состав формирований непосредственно в зоне ЧС, осуществляется силами звена подвоза воды. Пункты водоснабжения создаются в столовой, находящейся вблизи от участка, где ведутся аварийно-спасательные и другие неотложные работы (приложение А4).
Водоснабжение организуется в соответствие с суточной потребностью в воде, которая рассчитывается исходя из норм обеспечения в условиях ЧС и численности личного состава формирований [48].
Для ликвидации чрезвычайной ситуации, возникшей на КС «Сергиевского ЛПУМГ» привлекаются следующие формирования в составе 219 человек. Из них 156 человек (разведка, ручная разборка завалов, АВР) выполняют тяжелую работу, а остальные 63 человека – работу средней тяжести.
Произведен расчет потребного количества воды для обеспечения личного состава формирований, участвующих в ликвидации чрезвычайной ситуации. Нормы потребного количества воды приведены в приложении Д таблица Д1. Время обеспечения составляет 24 часа. Результаты расчета приведены в таблице 3.7.
Таблица 3.7 – Нормативный расход воды для обеспечения личного состава формирований
| Виды потребления |
Норма, л |
Количество человек |
Потребное количество воды, л, в сутки на 219 чел л/с |
| Питье, л / чел. |
2,5 |
63(156) |
210 (663) |
| - мытье рук и лица, л /чел |
3,0 |
63(156) |
251 (819) |
| Удовлетворение санитарно-гигиенических потребностей человека, л /чел |
21,0 |
63(156) |
1760 (5733) |
| Итого |
26,5 |
63(156) |
2221 (7215) |
Примечание:
1) без скобок указаны значения для личного состава формирований, выполняющих работу средней тяжести II а (коэффициент увеличения норм равен 1,33 – для личного состава в 63 человека);
2) В скобках указаны потребное количество воды для обеспечения личного состава формирований выполняющих тяжелую работу (коэффициент увеличения норм равен 1,75 – для личного состава в 156 человек).
Таким образом, общее количество питьевой воды, потребное для обеспечения личного состава формирований за одни сутки составит 9436 литров.
Для обеспечения питанием личный состав формирований, участвующих в ликвидации чрезвычайной ситуации развёртывается подвижный пункт питания вне зоны действия поражающих факторов ЧС.
3.21 Обеспечение формирований, ликвидирующих ЧС, продуктами питания
При организации первоочередного жизнеобеспечения спасательных формирований в первую очередь организуется рациональное питание, необходимое для восстановления затраченной организмом энергии, а так же для повышения сопротивляемости воздействию внешней среды.
В зонах ЧС питание спасательных формирований, ликвидирующих ЧС осуществляется бесплатно, штатными средствами приготовления пищи в помещении объектовой столовой по нормам установленным приказом Министерства обороны РФ от 29.01.07г №200 (для военизированных и невоенизированных формирований) и «Норм физиологических потребностей в пищевых веществах и энергии различных групп населения», приведенных в приложении Д таблице Д.4 и норм продуктов питания в Приложении Д таблица Д.6 и Д.8, устанавливаются основные продукты питания, составляющие суточный рацион одного человека [48]. Аварийно-спасательные и другие неотложные работы проводятся в течении 24 часов. Питание организуется подразделением общественного питания на базе объектовой столовой, выдача пищи будет происходить в столовой. При этом численность рабочих будет увеличена и, обслуживание будет проводиться в несколько смен.
Основные продукты питания, для приготовления горячей пищи и составляющие суточный рацион личного состава формирований, выполняющих тяжелую (144 человека) и средней или легкой степени тяжести (63 человек) работу, приведены в таблице 3.8.
Таблица 3.8 – Количество продуктов питания для обеспечения для формирований тяжелой степени тяжести
| Наименование продукта |
Количество продуктов, согласно нормам кг/чел в сутки |
Кол-во л/с чел |
Кол-во суток |
Общий расход продуктов, кг/чел в сутки |
| Хлеб из смеси ржаной обдирной и пшеничной муки 1 сорта |
0,6 |
144 |
1 |
86,4 |
| Хлеб белый из пшеничной муки 1 сорта |
0,4 |
144 |
1 |
57,6 |
| Мука пшеничная 2 сорта |
0,03 |
144 |
1 |
4,32 |
| Крупа разная |
0,1 |
144 |
1 |
14,4 |
| Макаронные изделия |
0,02 |
144 |
1 |
2,88 |
| Молоко и молокопродукты |
0,5 |
144 |
1 |
72,0 |
| Мясо и мясопродукты |
0,1 |
144 |
1 |
14,4 |
| Рыба и рыбопродукты |
0,06 |
144 |
1 |
8,64 |
| Жиры |
0,05 |
144 |
1 |
7,2 |
| Сахар |
0,07 |
144 |
1 |
10,08 |
| Картофель |
0,5 |
144 |
1 |
72,0 |
| Овощи |
0,18 |
144 |
1 |
25,92 |
| Соль |
0,03 |
144 |
1 |
4,32 |
| Ч а й |
0,002 |
144 |
1 |
0,288 |
Количество продуктов питания для обеспечения формирований средней и легкой степени тяжести представлено в таблице 3.9.
Таблица 3.9 – Количество продуктов питания для обеспечения формирований средней и легкой степени тяжести
| Наименование продукта |
Количество продуктов, согласно нормам г/чел в сутки |
Кол-во л/с чел |
Кол-во суток |
Общий расход продуктов, кг/чел в сутки |
| 1 |
2 |
3 |
4 |
5 |
| Хлеб из смеси ржаной обдирной и пшенич-ной муки 1 сорта |
0,4 |
63 |
1 |
25,2 |
| Хлеб белый из пшеничной муки 1 сорта |
0,4 |
63 |
1 |
25,2 |
| Мука пшеничная 2 сорта |
0,024 |
63 |
1 |
1,51 |
| Крупа разная |
0,08 |
63 |
1 |
5,04 |
| Продолжение таблицы 3.9 |
||||
| 1 |
2 |
3 |
4 |
5 |
| Макаронные изделия |
0,02 |
63 |
1 |
1,26 |
| Молоко и молокопродукты |
0,3 |
63 |
1 |
18,9 |
| Мясо и мясопродукты |
0,08 |
63 |
1 |
5,04 |
| Рыба и рыбопродукты |
0,04 |
63 |
1 |
2,52 |
| Жиры |
0,04 |
63 |
1 |
2,52 |
| Сахар |
0,06 |
63 |
1 |
3,78 |
| Картофель |
0,40 |
63 |
1 |
25,2 |
| Овощи |
0,15 |
63 |
1 |
9,45 |
| Соль |
0,025 |
63 |
1 |
1,58 |
| Ч а й |
0,0015 |
63 |
1 |
0,095 |
В виду того, что пункт приёма пищи развёртывается вне зоны действия поражающих факторов, то проблем в организации горячего питания личного состава формирований РСЧС не возникнет. Финансирование обеспечения продуктами питания осуществляется за счет средств Сергиевского ЛПУ МГ.
3.22 Обеспечение пострадавшего персонала и личного состава формирований, ликвидирующих ЧС, жильем и коммунально-бытовыми услугами и предметами первой необходимости
Так как персонал эвакуируется по месту жительства, вопрос об обеспечении потребности расселения персонала во временном жилье не рассматривается. Пострадавшие эвакуируются в лечебные учреждения.
Личный состав формирований, ликвидирующих ЧС, базируется на территории предприятия и имеет собственные помещения приспособленные для отдыха личного состава и располагающие коммунально-бытовыми услугами.
Расчет предметов первой необходимости производится только на период проведения. Но поскольку питание осуществляется на базе столовой предприятия, есть возможность использовать посуду посменно. Из номенклатуры предметов первой необходимости при рассматриваемом варианте событий необходимо выдать личному составу следующие предметы, представленные в таблице 3.10, расчет приведен на период 1 сутки для 207 человек [46].
Таблица 3.10 – Обеспечение формирований предметами первой необходимости
| Наименование предметов |
Количество, г/чел./мес |
Количество для формирований на время работ, кг |
| Мыло |
200 |
0,684 |
| Моющие средства |
500 |
1,713 |
Всякое нарушение нормальной эксплуатации объекта экономики, взрыв повлекший за собой несчастные случаи с тяжелыми и смертельным исходами - классифицируются как ЧС.
Характер ЧС такого масштаба предполагает помощь со стороны администрации ООО «Газпром трансгаз Самара» в захоронении погибших. Захоронение проводится по усмотрению родственников погибших. Так как большинство пострадавшего персонала являются жителями с. Суходол Сергиевского района, Самарской области, захоронение будет происходить на кладбище с.Суходол. Расчет материальных затрат выплату компенсаций семьям погибших, а также на погребение и другие ритуальные услуги, приведен в разделе 7, и оплачивается из средств ООО «Газпром трансгаз Самара».
3.23 Обеспечение привлекаемой техники горюче-смазочными материалами.
Обеспечение горюче-смазочными материалами инженерной и другой технически привлекаемой для работы в зоне ЧС осуществляется в местах выполнения работ с помощью передвижных автотопливо- и маслозаправщиков. Горюче-смазочные материалы выделяются из автозаправочной станции Сергиевского ЛПУМГ, находящейся на промышленной площадке объекта. При заправке техники ведется учет расхода топлива и масел. Расчет расхода горюче-смазочных материалов осуществляется исходя из нормативных значений расхода топлива и масел соответственно для различных видов техники и машин.
Для работы в зоне бедствия привлекается следующая техника, представленная в таблице 3.4.
Таким образом, для ликвидации ЧС привлекается 27 единиц техники.
Для легковых автомобилей нормируемое значение расхода топлива рассчитывается по следующему соотношению[25]: Qн = 0,01 ∙Hs ∙S ∙ (1 + 0,01 ∙ D), (3.46) где Qн - нормативный расход топлива, литры;НS -базовая линейная норма расхода топлива на пробег автомобиля, л/100 км;S - пробег автомобиля, км;D - поправочный коэффициент (суммарная относительная надбавка или снижение) к норме в процентах, 10%.Для автобусов нормируемое значение расхода топлива устанавливается аналогично легковым автомобилям.В случае использования на автобусе в зимнее время штатных независимых отопителей расход топлива на работу отопителя учитывается в общем нормируемом расходе топлива следующим образом: Qн = 0,01 ∙ Hs ∙ S ∙ (1 + 0,01 ∙ D) + Hот ∙ T, (3.47) где Qн - нормативный расход топлива, литры или куб. метры;Нs - базовая линейная норма расхода топлива на пробег автобуса, л/100 км или куб. м/100 км;S - пробег автобуса, км;Нот - норма расхода топлива на работу отопителя или отопителей, л/час;Т - время работы автомобиля с включенным отопителем, час;D - поправочный коэффициент (суммарная относительная надбавка или снижение), 10 %.Все полученные данные представлены в виде сводной таблицы 3.10.
Таблица 3.10 – Результаты расчета топлива необходимого для работы техники
| Вид техники |
Марка |
Коли-чество, ед. |
Вид топлива |
Hs , л |
S, км |
T, ч |
Ht , л |
Qн, л |
| 1 |
2 |
3 |
4 |
5 |
6 |
7 |
8 |
9 |
| Автотопливо-заправщик |
АТЗ-10 |
1 |
д |
24 |
50 |
4 |
9 |
75 |
| Бульдозер |
Т-25.01БР-1 |
8 |
д |
22 |
10 |
23 |
22 |
220 |
| Экскаватор |
HITACHI |
3 |
д |
35 |
2 |
20 |
35 |
280 |
| Автобус |
Икарус-5299 |
1 |
д |
80 |
16 |
20 |
18 |
39 |
| Автомобиль для перевозки трупов |
УАЗ-3909 |
1 |
д |
72 |
50 |
- |
- |
17 |
| Автомобиль охраны общест-венного порядка |
ВАЗ- 2110 |
2 |
б |
30 |
16 |
- |
- |
27 |
| Седельный тягач |
КЗКТ–7428 |
2 |
д |
50 |
400 |
- |
- |
10 |
| Скорая помощь |
ГАЗ – 32214 |
2 |
б |
16 |
50 |
- |
- |
48 |
Необходимое количество смазочных материалов рассчитывается из нормы расхода на 100 л топлива. Расчеты представлены в таблице 3.11.
Расчет ГСМ произведен исходя из нормативных значений и минимизации расхода топлива и масел соответственно.
Таблица 3.11 – Индивидуальное количество расхода масел в литрах (смазок в кг) на 100 л общего расхода топлива автомобилем
| Марка, модель автомобиля |
Норма расхода моторного масла, л |
Норма расхода смазок, кг |
Расход топлива, л |
Расход масла, л |
Расход смазки, кг |
| 1 |
2 |
3 |
4 |
5 |
6 |
| Автотопливозаправщик АТЗ-10 |
3,25 |
2,95 |
24д |
1,10 |
0,15 |
| Продолжение таблицы 3.11 |
|||||
| 1 |
2 |
3 |
4 |
5 |
6 |
| Бульдозер Т-25.01БР-1 (n = 2) |
3,50 |
3,40 |
25д |
2,2 |
2,60 |
| Экскаватор HITACHI (n=1) |
3,35 |
2,35 |
30д |
2,8 |
1,20 |
| Автобус Икарус-5299 |
2,85 |
2,05 |
80д |
2,1 |
2,60 |
| Автомобиль для перевозки трупов УАЗ-3909 |
1,25 |
1,65 |
72д |
2,25 |
1,20 |
| Автомобиль охраны общественного порядка ВАЗ- 2110 |
0,75 |
0,40 |
30б |
1,15 |
1,40 |
| Седельный тягач КЗКТ–7428 |
3,25 |
2,25 |
50д |
2,45 |
1,40 |
| Скорая помощь ГАЗ – 32214 |
0,95 |
0,60 |
16б |
2,25 |
1,20 |
Итого для ликвидации чрезвычайной ситуации понадобится:
- 75 л бензина (Аи-80 – 48 литров; Аи-92 – 27 литров);
- 716 л дизельного топлива;
- 16,3 л моторного масла;
- 11,75 кг смазки.
Успех выполнения спасательных и неотложных аварийно-восстановительных работ во многом зависит от своевременного и правильного осуществления мероприятий по техническому обслуживанию и ремонту средств механизации, направленных на повышение работоспособности машин.
3.24 Техническое обеспечение спасательной техники, участвующей в работах в зоне ЧС, вызванной взрывом на компрессорной станции
При работе в сложных условиях чрезвычайной ситуации детали техники, привлекаемой для ликвидации, подвергаются интенсивному износу.
Техническое обеспечение организуется для оказания технической помощи автотракторной, автомобильной, инженерной и др. технике, участвующей в ликвидации ЧС.
Техническое обеспечение заключается в осуществлении комплекса мероприятий по техническому обслуживанию, технически правильному использованию, эвакуации и ремонту автомобильной, инженерной и др. специальной техники, привлекаемой для проведения АСДНР и обеспечение ее запасными частями и ремонтными материалами.
Для эвакуации поврежденных машин, текущего ремонта и технического обслуживания при выполнении задач РСЧС, когда нет возможностей использовать стационарные ремонтные предприятия, создается подвижная эвакуационная и ремонтно-восстановительная группа.
Она формируется на базе ремонтного предприятия, станции технического обслуживания, гаража объекта экономики. Начальник группы - руководитель данного предприятия, станции. В данном случае группа формируется на базе Сергиевского ЛПУ МГ. Техническое обеспечение работ возложено на аварийно-техническую команду ЛПУ МГ.
Группа состоит из ремонтного звена. Количество техники и имущества зависит от возможности данного объекта.
Техника:
- кран автомобильный;
- автотягач;
- трейлер;
- трактор;
- сварочный аппарат;
- ремонтная мастерская на базе автомобиля,
и другая необходимая техника.
Личный состав группы состоит из:
- слесарей-ремонтников автомобильной и инженерной техники;
- электрика;
- крановщика;
- сварщика;
- командира эвакуационного звена – водителя;
- командира ремонтного звена – механика;
При необходимости может создаваться звено по ремонту автомобильной техники и звено по ремонту инженерной техники. Возможности группы зависят от комплектования техникой и личным составом. Ориентировочная возможность одного слесаря-ремонтника - 5 условных текущих ремонтов с трудоемкостью 10 чел/часов за 10 часов работы. Ориентировочная возможность эвакуационного звена, где имеется автокран, трактор, автомобиль повышенной проходимости (2 ед) - эвакуация неисправной техники в количестве 25 ед. на 20 км за 10 часов работы.
При необходимости подвижная эвакуационная и ремонтно-восстановительная группа для ремонта техники в полевых условиях разворачивает сборный пункт поврежденных машин (СППМ), СППМ - это участок местности для сбора неисправных, поврежденных машин, эвакуируемых из районов ЧС и очагов поражения, маршрутов движения колонн для ремонта или дальнейшей доставки на стационарные ремонтные предприятия.
При проведении АСДНР в целях быстрого восстановления и возвращения в строй максимально возможного количества машин при организации ремонта необходимо руководствоваться следующими основными принципами [20]:
– непрерывность ремонта;
– в первую очередь ремонтируются те машины, которые имеют меньший объем работ по ремонту и наиболее необходимы в ближайший период;
– текущий ремонт машин сравнительно небольшой трудоемкости производится, как правило, на местах выхода машин из строя, а ремонт значительной трудоемкости – на ПСПМ;
– основной метод ремонта – агрегатно-узловой.
Для эвакуации поврежденных машин, текущего ремонта и технического обслуживания при выполнении задач РСЧС, когда нет возможностей использовать стационарные ремонтные предприятия, создается подвижная эксплуатационная и ремонтно-восстановительная группа.
В разделе определена номенклатура и установлена последовательность выполнения мероприятия АСДНР, разработана блок-схема выполнения мероприятий аварийно-спасательных и других неотложных работ, рассчитаны потребные силы и средства для ликвидации ЧС, подобраны комплекты и комплекс спасательной техники, необходимых для механизации работ, выбор конкретных образцов спасательной техники, входящих в комплекты и комплекс, обеспечивающих ликвидацию.
Рассчитано потребное количество воды и продуктов питания, решены вопросы обеспечения формирований коммунально-бытовыми и медицинскими услугами. Произведен расчет расхода топлива и смазочных материалов техники, привлекаемой для ведения аварийно-восстановительных работ. Вопросы обеспечения решаются с привлечением органов общественного питания ООО «Газпром трансгаз Самара», материально-технического снабжения «Сергиевского ЛПУМГ».
На основании выполненных расчетов проводится расчет экономического ущерба, причиненного ЧС.
Цель поставленная в разделе достигнута.
4. Организация управления при ликвидации чрезвычайной ситуации, вызванной взрывом в здании компрессорной станции
Управление при ликвидации чрезвычайных ситуаций заключается в руководстве силами РСЧС при проведении аварийно-спасательных и других неотложных работ. Главной целью управления является обеспечение эффективного использования сил и средств различного предназначения, в результате чего работы в зонах чрезвычайных ситуаций должны быть выполнены в полном объеме, в кратчайшие сроки, с минимальными потерями населения и материальных средств.
Целью данного раздела дипломного проекта является организация управления ликвидацией чрезвычайной ситуации, выхзванной взрывом в здании компрессорной станции.
Далее необходимо рассмотреть основные нормативно-правовые акты по организации управления.
4.1 Правовые основы организации управления ликвидацией чрезвычайной ситуации на КС «Сергиевского ЛПУМГ»
В соответствии с Федеральным Законом Российской Федерации №68 «О защите населения и территорий от чрезвычайных ситуаций природного и техногенного характера» (в ред. Федеральных законов от 28.10.2002 №129-ФЗ, от 22.08.2004 №122-ФЗ), статья 14 (Обязанности организаций в области защиты населения и территорий от чрезвычайных ситуаций), КС «Сергиевского ЛПУМГ» ООО «Газпром трансгаз Самара» обязано:
а) планировать и осуществлять необходимые меры в области защиты работников организаций и подведомственных объектов производственного и социального назначения от чрезвычайных ситуаций;
б) планировать и проводить мероприятия по повышению устойчивости функционирования организаций и обеспечению жизнедеятельности работников организаций в чрезвычайных ситуациях;
в) обеспечивать создание, подготовку и поддержание в готовности к применению сил и средств предупреждения и ликвидации чрезвычайных ситуаций, осуществлять обучение работников организаций способам защиты и действиям в чрезвычайных ситуациях;
(пп. "в" в ред. Федерального закона от 28.10.2002 №129-ФЗ)
г) создавать и поддерживать в постоянной готовности локальные системы оповещения о чрезвычайных ситуациях;
д) обеспечивать организацию и проведение аварийно-спасательных и других неотложных работ на подведомственных объектах производственного и социального назначения и на прилегающих к ним территориях в соответствии с планами предупреждения и ликвидации чрезвычайных ситуаций;
е) финансировать мероприятия по защите работников организаций и подведомственных объектов производственного и социального назначения от чрезвычайных ситуаций;
ж) создавать резервы финансовых и материальных ресурсов для ликвидации чрезвычайных ситуаций;
з) предоставлять в установленном порядке информацию в области защиты населения и территорий от чрезвычайных ситуаций, а также оповещать работников организаций об угрозе возникновения или о возникновении чрезвычайных ситуаций.
В соответствии с Постановлением Правительства Российской Федерации от 30 декабря 2003 г. № 794 «О единой государственной системе предупреждения и ликвидации чрезвычайных ситуаций» (в ред. Постановления Правительства Российской Федерации от 27.05.2005 N 335), ст.7 - координационным органами единой системы является на объектовом уровне - комиссия по предупреждению и ликвидации чрезвычайных ситуаций и обеспечению пожарной безопасности КС «Сергиевского ЛПУМГ», ст.10 - постоянно действующими органами управления единой системы является на объектовом уровне – отдел ГОЧС КС «Сергиевского ЛПУМГ», ст.11 - органами повседневного управления единой системы являются -дежурно-диспетчерские служба КС «Сергиевского ЛПУМГ», ст.21 - управление единой системой осуществляется с использованием систем связи и оповещения, ст.30 - ликвидация локальной ЧС осуществляется - силами и средствами организации; муниципальной - силами и средствами органов местного самоуправления, ст.32 -решения руководителей работ по ликвидации чрезвычайных ситуаций являются обязательными для всех граждан и организаций, находящихся в зоне чрезвычайной ситуации, если иное не предусмотрено законодательством Российской Федерации.
В соответствии с Постановлением Правительства Российской Федерации от 21 мая 2007 г. N 304 "О классификации чрезвычайных ситуаций природного и техногенного характера", чрезвычайная ситуация на компрессорной станции «Сергиевского ЛПУМГ» ООО «Газпром трансгаз Самара», носит муниципальный характер (« …в результате которой зона чрезвычайной ситуации не выходит за пределы территории одного поселения или внутригородской территории города федерального значения, при этом количество пострадавших составляет не более 50 человек либо размер материального ущерба составляет не более 5 млн. рублей, а также данная чрезвычайная ситуация не может быть отнесена к чрезвычайной ситуации локального характера»).
При возникновении чрезвычайной ситуации органы управления и силы РСЧС приводятся в готовность. Приведение в готовность начинается с оповещения и сбора руководящего состава.
4.2 Оповещение и сбор руководящего состава при возникновении чрезвычайной ситуации
При возникновении чрезвычайной ситуации на компрессорной станции диспетчер оповещает все подразделения «Сергиевского ЛПУМГ».
Существующая система связи позволяет оперативно решать вопросы устойчивого управления силами и средствами по ликвидации ЧС и ее последствия, также своевременно производить оповещение в случае угрозы и возникновения чрезвычайной ситуации [4].
При организации связи используются мобильные радиостанции, установленные на транспортных средствах спасательных формирований, резервные радиостанции ПТУС. Схема оповещения должностных лиц структурных подразделений и организаций при возникновении ЧС представлена на рисунке 4.1

Рисунок 4.1 – Схема оповещения должностных лиц структурных подразделений и организаций при возникновении ЧС
Общее оповещение об обстановке, правилах поведения и действиях персонала объекта осуществляется:
- диспетчером с использованием централизованной информационно-оповестительной системы объекта передачей сигнала «ВНИМАНИЕ ВСЕМ!»;
- автомобиль связи ГАЗ-66, оборудованный звуко – усилительными установками. Обмен информацией об обстановке между взаимодействующими органами управления осуществляется через КЧС и ПБ и штаба ликвидации ЧС управления. Связь с вышестоящими и взаимодействующими органами поддерживается и осуществляется по существующей телефонной сети и радиосвязи, которой обеспечиваются все руководители формирований.
На промышленной площадке создана и поддерживается в постоянной готовности к применению система локального оповещения персонала «Сергиевского ЛПУМГ», проживающего вблизи населения, о возникновении чрезвычайных ситуаций. Контроль над ее работой осуществляет диспетчерская служба совместно с КЧС и ПБ предприятия.
После оповещения о возникновении ЧС и сбора руководящего состава проводят мероприятия по управлению ходом выполнения работ по ликвидации ЧС.
4.3 Организация действий сил и средств, привлекаемых для ликвидации чрезвычайной ситуации
При возникновении ЧС на компрессорной станции «Сергиевского ЛПУМГ» подчиненные органы управления представляют донесения в сроки, установленные Табелем срочных донесений ОАО «Газпром трансгаз Самара» МЧС России по формам 1/ЧС, 2/ ЧС, З/ЧС, 4/ЧС (приложение Ж), а также согласно инструкции о порядке сбора и обмена информацией о ЧС природного и техногенного характера, оповещения о получении сигналов и распоряжений о введении степеней готовности ГО в «Сергиевском ЛПУМГ».
Порядок действий, предпринимаемых персоналом «Сергиевского ЛПУМГ» при возникновении аварий на магистральном газопроводе, приведен ниже:
1. Наблюдатель, обнаруживший утечку газа и ставший свидетелем разрыва МГ:
- сообщает диспетчеру ЛПУМГ о ЧС;
2. Диспетчер или работник системы МГ, получив информацию об утечке газа:
- выясняет точное место и характер утечки газа;
- анализирует режим работы газопровода, проверяет давление и нагрузку на работающих агрегатах с записью в журнале;
- немедленно извещает руководство ЛПУМГ, ЛЭС, диспетчера ООО «Газпром трансгаз Самара»;
- организует контрольный осмотр места ЧС;
- уточняет по схеме номера и расположение линейных кранов;
- отдаёт распоряжение о переключении их на резервный газопровод;
- извещает по списку всех должностных лиц, ответственных за ликвидацию ЧС;
- ведёт четкую запись всех действий ЛЭС в оперативном журнале;
- постоянно находится на связи с ответственным руководителем;
- выполняет все технологические переключения, связанные с изменением режимов работы газопроводов;
- немедленно собирает аварийную дежурную бригаду.
3. Главный инженер, получив информацию об утечке газа:
- немедленно прибывает на диспетчерский пункт;
- изучает создавшуюся обстановку;
- руководит действиями персонала по локализации и ликвидации ЧС;
- уточняет ожидаемый выход газа;
- выезжает на место ЧС и принимает руководство по ликвидации ЧС на себя до прибытия вышестоящего ответственного руководителя;
- постоянно держит связь с диспетчером и передает информацию о ходе работ по ликвидации ЧС.
4. Действия ЛЭС.
Начальник ЛЭС, получив информацию, организует в течение 2 часов, контрольный осмотр трассы патрульной группой. Обнаружив патрульной службой, выход газа начальник ЛЭС организует:
- сбор и выезд на место ЧС людей со всем оснащением и техникой;
- выезд аварийной бригады на место ЧС;
- связь с диспетчером «Сергиевского ЛПУМГ»;
- питание и отдых людей на месте ЧС;
- перекрытие поврежденного участка МГ закрытием кранов по согласованию с диспетчером ЛПУ МГ;
- определение мест расстановки техники, нахождения людей;
- работы по ликвидации ЧС до прибытия ответственных руководителей ЛПУ МГ;
- обустройство рабочей площадки, подъездов к месту ЧС;
- информирование ответственного руководителя о принятых мерах;
- дальнейшие действия по указаниям руководителя.
5. Действия цеха связи ЛПУМГ:
- получив информацию от диспетчера, при отсутствии связи устанавливает двухстороннюю связь на период ликвидации ЧС.
Обстановку в полном объеме анализирует руководитель органа управления (руководитель ликвидации чрезвычайной ситуации), его заместители (помощники), а также другие должностные лица - каждый в пределах своей компетенции и ответственности.
6. Действия начальника АТХ:
- прибывает в ЛПУ МГ;
- проверяет техническое состояние аварийной автотракторной техники;
- организует заправку техники горюче-смазочными материалами;
- руководит погрузкой и отправкой специальной техники к месту ЧС;
- обеспечивает выделение автотранспорта для отправки на место ЧС пребывающих в СЛПУ МГ специалистов, организует необходимое техническое обслуживание, ремонт и заправку ГСМ прибывающей техники и сопровождение ее к месту ЧС;
- организует обеспечение техническим обслуживанием и ГСМ автотракторной и специальной техники на месте ЧС;
- после завершения работ по ликвидации ЧС организует перевозку автотракторной и специальной техники к месту постоянной дислокации.
4.4 Структура управления ликвидацией чрезвычайной ситуации на компрессорной станции «Сергиевского ЛПУМГ»
При развитии ЧС только на территории промышленной площадки Сергиевского ЛПУМГ, без воздействия на смежные объекты и близлежащие населенные пункты, ответственным руководителем работ является главный инженер ЛПУМГ (председатель КЧС и ПБ объекта), а в его отсутствие – главный диспетчер ЛПУМГ.
По прибытии на место ЧС ответственный руководитель:
- оценивает обстановку, выявляет число и место нахождения людей, застигнутых ЧС, принимает меры по оповещению должностных лиц предприятия и формирований гражданской защиты Сергиевского ЛПУМГ;
- сообщает о месте расположения органа управления по локализации аварии;
- уточняет и прогнозирует ход развития аварии, при необходимости вносит корректировку в оперативную часть плана;
- обеспечивает оцепление опасной зоны;
- ограничивает допуск людей и транспортных средств в опасную зону;
- руководит действиями персонала предприятия, газоспасательных, и медицинских подразделений по спасению людей, локализации и ликвидации аварии;
- информирует соответствующие вышестоящие организации о характере аварии и ходе её ликвидации, наличии и состоянии пострадавших.
Ниже приведена схема управления ликвидацией чрезвычайных ситуаций и ведении спасательных работ на компрессорной станции Сергиевского ЛПУМГ ООО «Газпром трансгаз Самара».
Рассматриваемая чрезвычайная ситуация носит муниципальный характер. Выполнение АСДНР осуществляется согласно разработанной схеме представленной в пункте 3.2, рисунок 3.1.
Решение на проведение АСДНР в зоне чрезвычайной ситуации является основой управления, его принимает и организует выполнение руководитель ликвидации чрезвычайной ситуации.
Решение включает следующие основные элементы:
1) краткие выводы из оценки обстановки;
2) замысел действий;
3) задачи подчиненным формированиям, частям и подразделениям;
4) меры безопасности;
5) организацию взаимодействия;
6) обеспечение действий формирований.
Обеспечение действий сил и средств в районах ведения работ организуется с целью создания им необходимых условий для успешного выполнения поставленных задач. Основными видами обеспечения являются: разведка, транспортное, инженерное, метеорологическое, техническое, материальное и медицинское. Непосредственное руководство обеспечением действий сил и использованием специальных средств осуществляют начальники служб и должностные лица органов управления в соответствии с их обязанностями.
Основой управления является решение руководителя ликвидации ЧС.
4.5 Решение председателя комиссии по чрезвычайным ситуациям и обеспечению пожарной безопасности – главного инженера «Сергиевского ЛПУМГ» при ликвидации чрезвычайной ситуации
В 12 часов 00 минут 17 мая ХХХХ г. в здании компрессорной станции «Сергиевского ЛПУМГ» ООО «Газпром трансгаз Самара» происходит полная разгерметизация соединительного газопровода, всасывающего коллектора ГПА от БП до ЭГПА, в блоке компримирования газа. В результате аварии произошло высокоскоростное истечение природного газа в здание компрессорной станции с образованием взрывоопасного облака газовоздушной смеси. Произошел взрыв облака ГВС, воздействие поражающих факторов взрыва на прилегающие объекты промышленной площадки и персонал «Сергиевского ЛПУМГ».
Границы зон поражений не выходят за границы объекта, чрезвычайную ситуацию считать муниципального характера.
Цель: в оперативном порядке провести комплекс спасательных и других неотложных работ, направленных на оказание помощи пострадавшим от воздействия поражающих факторов, локализацию и ликвидацию ЧС, вызванной взрывом облака ГВС.
Привлекаемые силы и средства:
1) объектовые – звено разведки, оперативная группа, группа аварийно-газоремонтных работ, группа аварийно-восстановительных работ, звено связи и оповещения, группа аварийно-восстановительных работ инженерных сетей, автотранспортная группа, группа охраны общественного порядка, санитарный пост, звено МТО, подвижный пункт питания;
2) по планам взаимодействия – бригады скорой медицинской помощи, подразделения ДПС с. Суходол.
В целях своевременного и качественного проведения мероприятий по локализации и ликвидации чрезвычайной ситуации председатель КЧС и ПБ
Основные усилия сосредоточить на поиске, оказании первой медицинской помощи пострадавшим, а также их эвакуацию из зоны разрушений, АСДНР, локализация и ликвидация ЧС.
С целью снижения влияния поражающих факторов ЧС на персонал обеспечить первоочередное выполнение АСДНР и немедленно приступить к действиям по ликвидации аварии силами первого эшелона сил и средств. В последующем, по мере уточнения обстановки, характера и масштабов ЧС, нарастить усилия для полной ликвидации ЧС за счет выделенных по плану взаимодействия сил и средств из Сергиевского района Самарской области. Состав группировки сил и средств привлечь в 2 эшелона с выделением резерва.
К проведению АСДНР приступить немедленно. К 12 ч 00 мин 18 мая завершить все работы по ликвидации последствий ЧС на территории компрессорной станции «Сергиевского ЛПУМГ» ООО «Газпром трансгаз Самара».
В 12 ч 15 минут выслать в зону аварии оперативную группу «Сергиевского ЛПУМГ».
Отделениям разведки вести постоянное и непрерывное наблюдение за развитием обстановки в зоне ЧС.
Локализацию аварии осуществить с главного щита управления компрессорной станции «Сергиевского ЛПУМГ» путем перекрытия запорной арматуры при помощи телемеханики в течение 2 минут. Основные усилия сосредоточить на спасение людей, вывод людей из зоны разрушений. К ликвидации ЧС приступить немедленно.
Подразделениям, прибывшим в первом эшелоне к 12.10 начать поиск и спасение людей из-под завала.
Медицинским формированиям, прибывшим в зону ЧС, немедленно приступить к оказанию первой медицинской помощи и эвакуации пострадавших. Старшему медицинского расчета организовать доставку сил и средств расчета на место ЧС. Оповестить приемные пункты отделения больниц, предусмотренных для приема пострадавших.
В последующем, по мере уточнения обстановки, характера и масштабов ЧС, нарастить усилия для полной ликвидации последствий за счет выделенных по плану взаимодействия сил и средств.
Командиру звена МТО организовать техническое обслуживание, эвакуацию и ремонт техники. К 12.30 оборудовать площадку для ремонта и заправки техники горюче-смазочными материалами.
Начальнику санитарного поста «Сергиевского ЛПУМГ» к 12.15 развернуть здравпункт оказания первой медицинской помощи, эвакуацию пострадавших осуществлять по мере необходимости с использованием машин скорой помощи.
Начальнику отделения охраны общественного порядка к 12.25 установить оцепление зоны ЧС и регулирование дорожного движения.
Заместителю председателя КЧС и ПБ (зам. начальника ЛПУМГ), к 12.30 организовать в порядке взаимодействия с администрацией Сергиевского района Самарской области эвакуацию населения.
Командиру звена связи и оповещения: к 12.15 обеспечить устойчивую радио-, проводную связь с местом ЧС.
О ходе выполнения поставленных задач докладывать каждые 15 минут с момента возникновения ЧС, при необходимости немедленно.
Контроль за исполнением решения оставляю за собой.
Графическое решение руководителя ликвидации ЧС представлено в приложении Б.
5. Обеспечение безопасности при ликвидации чрезвычайной ситуации, вызванной разгерметизацией газопровода на компрессорной станции «Сергиевского ЛПУМГ»
Безопасность проведения аварийно – спасательных и других неотложных работ основана на Конституции РФ, Федеральном законе «О защите населения и территорий от ЧС природного и техногенного характера» от 21.12.1994 г. № 68-ФЗ, Федеральном законе "Об аварийно-спасательных службах и статусе спасателей" от 22 августа 1995 года №151-ФЗ и др. нормативно – технических документах, регламентирующих деятельность формирований РСЧС. В зоне ЧС наблюдается целый комплекс поражающих факторов, негативно воздействующих на спасателей (раздел 2). В связи с этим организация аварийно-спасательных и других неотложных работ (АСДНР) в зоне ЧС предполагает наличие условий для обеспечения безопасности, что обеспечивается специальной подготовкой, экипировкой и оснащением.
Целью данного раздела является разработка рекомендаций по обеспечению безопасности при ликвидации ЧС, вызванной разгерметизацией газопровода на компрессорной станции «Сергиевского линейного производственного управления магистральных газопроводов».
5.1 Роль обеспечения безопасности формирований РСЧС при ликвидации чрезвычайной ситуации
Работа спасателей связана с большой физической и психологической нагрузкой, воздействием неблагоприятных факторов окружающей среды, а иногда аварийно-спасательные работы проводятся в особо сложных и опасных условиях. Основное рабочее место спасателя находится в зоне происшествия. Каждый выезд спасателя на место происшествия - это разный вид опасных работ, разные условия труда. В связи с этим тяжелая работа спасателей относится к V категории интенсивности труда, требующая суточных энергетических затрат > 4000 Ккал. Исходя из степени отклонения фактических уровней факторов рабочей среды и трудового процесса от гигиенических нормативов, условия труда спасателя по степени вредности и опасности относятся как к 3 и 4 классу (вредному и опасному)
Крупные техногенные аварии и катастрофы вызывают у лиц участвующих в ликвидации чрезвычайных ситуаций, эмоциональное напряжение требуют высокой морально-психологической стойкости, выдержки и решительности, готовности оказать помощь пострадавшим.[18]
Тяжелая картина разрушений, человеческие жертвы, непосредственная угроза жизни отрицательно воздействуют на психику спасателей, морально-психологическая устойчивость, которых определяет качество и сроки проведения спасательных работ.
При выполнении работ в организме спасателя происходят определенные физиологические сдвиги: максимальное кровяное давление повышается на 60…80 мм. рт. ст, частота дыхания увеличивается с 16…18 до 30…40 в минуту, в 7…12 раз увеличивается минутный объем сердца, в результате чего легочная вентиляция может достичь от 30 до 100 литров в минуту. Физиологические сдвиги, происходящие в организме спасателя, являются приспособительными реакциями, обеспечивающие оптимальное условие состояния организма для выполнения работы.
Стрессогенный характер работы спасателей, постоянно подвергающихся действию экстремальных факторов, может обусловить появление через значительный временной период апатии и дезорганизации.
Для обеспечения защиты формирований РСЧС, участвующих в ликвидации ЧС применяются средства индивидуальной и коллективной защиты, согласно типовым отраслевым нормам, утвержденным в установленном порядке.
Стремясь сохранить свою форму и статус, некоторые спасатели подвергают себя дополнительным нагрузкам, игнорируя начальные признаки переутомления, что в последующем снижает качество их профессиональных работ и приводит к серьезным психическим срывам.
Вопрос индивидуальной оптимизации психосоматической коррекции не ограничивается только медпомощью, он включает в себя психологическую и психофизиологическую реабилитацию спасателей, т.е. восстановление до нормы характеристик профессионально важных личностных качеств.
5.2 Идентификация и анализ негативных факторов в зоне ЧС
При ликвидации ЧС, связанной с разгерметизацией газопровода, сопровождающейся взрывом, на рабочий персонал и спасателей, работающих в зоне ЧС, согласно ГОСТ Р 22.0.07 – 95 «Безопасность в чрезвычайных ситуациях. Источники техногенных чрезвычайных ситуаций. Классификация и номенклатура поражающих факторов и их параметров» действуют следующие поражающие факторы, представленные на рисунке 5.1 [29]:
Рисунок 5.1 - Поражающие факторы в зоне ЧС
Согласно ГОСТ 12.0.003-74 опасные и вредные факторы по природе действия подразделяются на химические, физические, биологические и психофизиологические. Опасные и вредные факторы в зоне ЧС приведены на рисунке 5.2.
Рисунок 5.2 - Опасные и вредные факторы в зоне ЧС
Из химических опасных и вредных факторов во время проведения АСДНР на личный состав воздействуют токсические факторы через органы дыхания и слизистые оболочки (дым, продукты горения).
Воздействие биологических факторов при данной ЧС не рассматривается.
Номенклатуру контролируемых и используемых для прогнозирования поражающих факторов источников техногенных ЧС, номенклатуру параметров этих поражающих факторов устанавливают в соответствии с ГОСТ Р 22.0.07-95 [29].
Обозначение и размерность контролируемых параметров поражающих факторов, используемых для прогнозирования, принимают в соответствии с таблицей 5.1.
Таблица 5.1 - Количественная оценка поражающих факторов, используемых для прогнозирования
| Наименование поражающего фактора источника техногенной ЧС |
Наименование параметра поражающего фактора источника техногенной ЧС |
Обозначение |
Единица измерения |
Количественная оценка |
|
| СИ |
внесистемная |
||||
| Воздушная ударная волна (взрыв) |
Избыточное давление во фронте ударной волны |
D Рф , Р |
Па |
т/м2 , кгс/см2 , атм. |
101 кПа |
| Импульс фазы сжатия |
I+ |
Па×с |
кгс×с/см2 |
516 Па · с |
|
| Тепловое излучение (взрыв) |
Энергия теплового излучения |
Q |
Дж |
ккал |
1491,92 Дж/м2 |
| Мощность теплового излучения |
W |
Вт |
ккал/ч |
33320 Вт/м2 |
|
| Токсическое действие (дым) |
Концентрация опасного химического вещества |
С |
– |
мг/м3 |
300 мг/м3 |
Как видно из таблицы 5.1, в зоне ЧС уровень поражающих факторов близок к смертельному уровню.
5.3 Применение организационных методов для снижения воздействий поражающих факторов в зоне ЧС
При выполнении инженерно-спасательных работ, полном или частичном разрушении зданий возникают завалы, состоящие из обломков зданий, земли, грязи, поэтому личный состав формирований при выполнении работ должен строго соблюдать меры предосторожности.
При разведке объектов спасательных работ запрещается:
- передвигаться без надобности по завалам, так же заходить в разрушенные здания и сооружения;
- оставаться вблизи зданий, откосов завалов, угрожающих обвалом;
- приближаться к поврежденным зданиям и сооружениям со стороны возможного обрушения.
При осмотре внутренних помещений зданий запрещается:
- допускать скопления людей на перекрытиях или покрытиях зданий;
- перемещать и ставить машины вблизи стен и конструкций, угрожающих обвалом;
- спускаться в подвальные помещения при наличии в них запаха газа без кислородно-изолирующих противогазов;
- разжигать огонь и курить возле пожаро- и взрывоопасных емкостей и помещений.
При обрушении здания и при ведении работ по разборке завалов концентрация пыли в воздухе резко повышается, поэтому привлекаемый к работам по ликвидации аварий персонал должен быть проинструктирован по безопасным методам и приемам выполнения АВР. При ликвидации аварии, для обеспечения условий безопасной работы, необходимо предусматривать следующие мероприятия:
- прекратить работу производственного оборудования или перевести его в режим, обеспечивающий локализацию или ликвидацию аварии;
- оказать первую помощь пострадавшим при аварии, вывести их за пределы опасного участка;
- доступ к месту аварии людей должен проводиться только с разрешения ответственного руководителя работ;
- в случае угрозы для жизни людей немедленно организовать их эвакуацию, используя для этого все имеющиеся силы и средства:
- вызвать газоспасательную и медицинскую службы;
- на месте ЧС прекратить работы с применением открытого огня и другие работы, кроме работ, связанных с мероприятиями по ликвидации аварии;
- проводить работы по локализации и ликвидации аварии, с применением защитных средств и безопасных инструментов.
5.3.1 Расчет загазованности территории при разгерметизации газопровода в здании компрессорной станции
Для обоснования выбора средств индивидуальной защиты органов дыхания личному составу формирований РСЧС проведен расчет полей концентраций метана в атмосфере на основании «Методики расчета концентраций в атмосферном воздухе вредных веществ, содержащихся в выбросах предприятий» ОНД-86 [24].
Отчет о проделанной работе и исходные данные представлены в Приложении Е.
Из карты рассеивания вещества (метан) видно, что на расстоянии 60 м от места ЧС необходимо находиться в средствах индивидуальной защиты органов дыхания, т.к. предельно допустимая концентрация метана воздухе 50 мг/м3 .
5.4 Рекомендации по обеспечению безопасности при ликвидации ЧС, вызванной разгерметизацией газопровода в здании компрессорной станции
Рекомендации по обеспечению безопасности включают в себя:
- оказание первой медицинской помощи;
- разработку комплекса средств индивидуальной защиты;
- мероприятия по повышению работоспособности.
5.4.1 Оказание первой медицинской помощи пострадавшему персоналу компрессорной станции
Выявленные, в разделе 2, негативные факторы при воздействии на спасателей и персонал способны вызвать ряд травм. Для сохранения жизни, здоровья и работоспособности получившим травмы спасателям и пострадавшему персоналу КС «Сергиевского ЛПУМГ» необходимо своевременное оказание медицинской помощи, их эвакуация в лечебные учреждения.
В первую очередь необходимо прекратить действие поражающих факторов: термического (высокой температуры), механического (статического или динамического), химического (воздействие отравляющих веществ) и психогенного. Поражающие факторы могут действовать изолированно или совместно в различных комбинациях. Оказание первой медицинской помощи при различных травмах представлены в таблице 5.2.
Таблица 5.2 – Оказание первой медицинской помощи при различных травмах
| Поражающий фактор |
Первая медицинская помощь |
|
| 1 |
2 |
3 |
| Ранения с кровотечениями |
Воздушная ударная волна (Dp=101 кПа) и осколочные поля |
Наложение жгута, давящей повязки, проводят туалет раны, обезболивание |
| Переломы |
Иммобилизация соответствующих частей тела (шины Дитерикса, Крамера, подручные средства), также обезболивание |
|
| Ушибы, вывихи |
Охладить место ушиба, прикладывая лед или тряпку, смоченную холодной водой, а затем плотно забинтовать его. |
|
| Черепно-мозговая |
Восстановление сознания (аммиак, 10%); пострадавшего укладывают на бок и оберегают голову от резких перемещений; осуществляют остановку кровотечения (если существует); голову фиксируют ватно-марлевым или резиновым кольцом; применяют сорбенты; пострадавшего срочно и осторожно доставляют в лечебное учреждение |
|
| Разрыв барабанных перепонок |
Механическое колебание в результате взрыва ГВС (0,3 кг/см2 ) |
При разрыве перепонки следует осторожно вдувать сульфаниламидный порошок или антибиотики, наложить стерильную повязку на ухо. |
| Ожог |
Экстремальный нагрев среды, тепловое излучение (q=33,32 кВт/м2 ) |
После предварительного обезболивания (1…2 мл 1% раствора промедола) выполняют туалет ожоговой раны. Далее протирают тампоном, смоченным раствором антисептика (фурациллин 1:5000, хлорацил, риванола), затем 0,25% раствором новокаина и осторожно снимают посторонние наслоения, инородные тела, обрывки поверхностного слоя кожи. Целые пузыри не удаляют. Очень напряжённые пузыри подсекают у основания. При поверхностных ожогах до 30% площади поверхности тела можно использовать повязки с нежирными кремами, мазями Вишневского. |
| Отравление продуктами горения |
Токсическое действие опасных химических веществ |
В очаге поражения: надеть противогаз в комплексе с гопкалитовым патроном; немедленно удалить пострадавшего из зоны заражения (при отсутствии противогаза — первостепенное мероприятие). Вне зоны заражения: снять противогаз; освободить от стесняющей дыхание одежды, согреть; ингаляция кислорода; искусственное дыхание при его ослаблении (ручные дыхательные приборы); при ослаблении сердечной деятельности — 1 мл кордиамина, 1 мл 10% раствора кофеина бензоата натрия подкожно; немедленно эвакуировать на первый этап медицинской эвакуации или в ближайшее лечебное учреждение |
| Термический ожог глаз |
Световое излучение |
Обильное промывание глаза струей воды в течение 15…20 мин. После промывания глаза пациента надо срочно направить в поликлинику или офтальмологическое отделение, где осуществляется квалифицированная первая помощь. После оказания неотложной помощи, включающей интенсивное закапывание дезинфицирующих, противовоспалительных капель, закладывание мазей и гелей, инъекции под слизистую оболочку, в стационаре проводят комплексное общее медикаментозное лечение. |
Оказание ПМП проводят газоспасательный отряд (дежурная бригада в составе 6 человек) и медицинская служба завода (2 человека), до прибытия бригад скорой медицинской помощи (время прибытия 21,5 минут). Общее количество личного состава отрядов первой медицинской помощи и время прибытия представлены в 3 разделе дипломного проекта.
5.4.2 Разработка комплекса средств индивидуальной защиты для формирований РСЧС и персонала компрессорной станции
Для обеспечения безопасности персонала и при работе личного состава в зоне ЧС, и повышению работоспособности необходимо использовать средства индивидуальной защиты (СИЗ). Применение СИЗ обусловлено характером выполнения работ. С учетом схемы АСДНР, уровней поражающих факторов и физических нагрузок разрабатывается комплекс СИЗ (таблица 5.3).
Таблица 5.3 – Комплекс средств индивидуальной защиты
| Комплекс СИЗ |
||
| Комплект СИЗ для газоспасателей (ГСО) |
Комплект СИЗ для управленческого состава |
СИЗ для персонала (КС «СЛПУМГ») |
| СИЗОД - изолирующий противогаз АСВ-2 и воздушный компрессор высокого давления К-2-150 с рабочим давлением 200 атм., для заправки аппаратов АСВ-2; Костюм изолирующий КИХ-5; |
СИЗОД - респираторы РПГ-67 - защита от паров и газов марки: А, В, Г, КД; Каска СОМЗ 55 + наушники Bilsom 818 NST; |
СИЗОД: фильтрующими противога-зами марки ППФ-95; шланговые противогазы ПШ-1(противогаз са-мовсасывающий с 10м шлангом, х/б аммуницией и шлем-масками ШМП) и ПШ-2(противогаз с прину-дительной подачей воздуха, шлем-масками и х/б аммуниц. Длина шланга - 20м - 1 линия); Каска СОМЗ 55 + наушники Bilsom 818 NST; Очки «Ультравижн»; Костюм хлопчатобумажный; Ботинки кожаные; рукавицы; |
| Комплект СИЗ для бригад скорой помощи |
Комплект СИЗ для МТО |
Комплект СИЗ для охраны общественного порядка |
| ПФМГ-96 - с панорамной маской, противогаз фильтрующий промышленный малого габарита с фильтрами А,В,КД, БКФ,ВК; Л-1 - костюм защитный |
ГП-7 - гражданский противогаз; Плащ брезентовый; |
СИЗОД - респираторы РПГ-67 - защита от паров и газов марки: А, В, Г, КД; |
Характеристика используемых СИЗ представлена в Приложении З, И, К, Л. Как видно из таблицы 5.3, все формирования РСЧС и персонал компрессорной станции обеспечены средствами индивидуальной защиты, что обеспечит безопасную работу и эвакуацию персонала из зоны чрезвычайной ситуации.
5.4.3 Повышение работоспособности спасателей
Высокая работоспособность, сохранение здоровья спасателей в ходе работ достигается:
1) разработкой и внедрением оптимальных типовых режимов работы спасателей, а также четким соблюдением режима труда и отдыха;
2) оптимизация используемых методов и средств повышения устойчивости и тренированности для у участия в спасательных работах;
3) созданием и обеспечением функционирующих систем, и контроль над физиологическим функционированием и к здоровью спасателя, за выполнение гигиенических норм, санитарных правил, своевременное проведение экстренной реабилитации спасателя.
Режимы деятельности спасателей устанавливают для обеспечения и поддержания их устойчивой работоспособности, эффективной деятельности и безопасности при проведении аварийно-спасательных работ в СИЗ в условиях ликвидации техногенных аварий на пожаро-взрывоопасных объектах.
Режимы деятельности спасателей определяют и устанавливают в зависимости от характера и тяжести труда, используемых СИЗ, психофизиологического состояния организма, возраста, а также метеоусловий в районе аварии.
Микропаузы в работе предназначают для кратковременного отдыха (продолжительностью 2–3 мин) после завершения одного или нескольких циклов рабочих действий.
Продолжительность рабочей смены (рабочих циклов), включая перерывы на отдых, устанавливается в каждом конкретном случае на основе показателей, характеризующих устойчивую работоспособность в течение заданного времени (см. линейный график, представленный в п.п. 3.16, таблица 3.4).
Прием пищи во время проведения спасательных работ необходимо организовывать перед началом или после окончания рабочих смен. При этом обед должен назначаться не позднее чем через 6 ч после окончания работ.
Для поддержания высокой физической работоспособности и устойчивых профессиональных навыков для спасателей должны быть организованы регулярные комплексные (общеукрепляющие и специальные) тренировки:
— общеукрепляющие тренировки включают в себя регулярную физическую подготовку;
— специальные тренировки включают в себя выполнение операции и действий, составляющих основу профессиональной деятельности спасателей.
В ходе работ в зоне ЧС организуют медицинский контроль и наблюдение за состоянием здоровья спасателей. При проведении спасательных работ в перерывах для отдыха и после смен проводят опросы о самочувствии, визуальный контроль за внешним видом. При необходимости проводят медицинский осмотр.
Под реабилитацией участников ликвидации чрезвычайных ситуаций и пострадавшего персонала понимается система медицинских, психологических и профессиональных мероприятий, направленных на предупреждение развития патологических процессов, приводящих к утрате трудоспособности, на эффективное и раннее возвращение участников ликвидации чрезвычайной ситуации к профессиональной деятельности, а пострадавшего населения - к нормальным жизненным процессам. При этом различают медицинскую, психологическую и профессиональную реабилитацию. Кроме того, особо выделяется экстренная реабилитация, как комплекс срочных мероприятий по своевременному предупреждению и скоростному восстановлению нарушенных психосоматических функций человека и профилактике возможных заболеваний.
Психологическая реабилитация - это комплекс медико-психологических мероприятий, направленных на восстановление, коррекцию и компенсацию нарушений психических функций, состояний, личного и социального статуса лиц, пострадавших в чрезвычайных ситуациях.
Первичную реабилитацию проводят психологи и психиатры, но часто ее оказывают спасатели. У человека, пережившего экстремальную ситуацию, могут проявляться следующие реакции: страх, двигательное возбуждение, истерика, агрессия, ступор, апатия, попытка самоубийства, нервная дрожь, плач. Его состояние, поступки, эмоции - это нормальная реакция на ненормальные обстоятельства. Если в поведении пострадавшего наблюдаются бред или галлюцинации, то помощь оказывает врач-психиатр.
Медицинская реабилитация персонала, пострадавшего в чрезвычайных ситуациях, представляет собой комплекс мероприятий, направленных на проведение экспертизы и восстановление здоровья, психофизиологического состояния и профессиональной работоспособности.
Основными задачами медицинской реабилитации являются:
- экспертиза здоровья, психофизиологического состояния и профессиональной работоспособности;
- проведение восстановительной терапии в случаях травм, заболеваний и обострения хронических заболеваний, обусловленных воздействием поражающих факторов источников чрезвычайных ситуаций;
- выведение из организма радиоактивных, ядовитых и других вредных веществ;
- профилактика и лечение соматических и психоэмоциональных нарушений;
- коррекция и нормализация психофункционального состояния;
- восстановление профессиональной работоспособности.
На основании поставленной цели решены следующие задачи:
- рассмотрена роль обеспечения безопасности формирований гражданской защиты при ликвидации чрезвычайной ситуации;
- осуществлена идентификация негативных факторов, возникающих при ЧС, вызванной разгерметизацией газопровода;
- рассмотрены организационные методы для снижения воздействий поражающих факторов;
- рассмотрены основные принципы оказания первой медицинской помощи;
- разработан комплекс средств индивидуальной защиты;
- предложены мероприятия по повышению работоспособности спасателей.
СПИСОК ЛИТЕРАТУРЫ
1. Паспорт безопасности опасного объекта АГЗС №2 - филиала ООО «АКОЙЛ» в г.Уфа.
2. Расчетно-пояснительная записка к паспорту безопасности АГЗС №2 - филиала ООО «АКОЙЛ» в г.Уфа.
3. План локализации и ликвидации аварийных ситуаций АГЗС №2 - филиала ООО «АКОЙЛ» в г.Уфа.
4. Коршак А.А., Коробков Г.Е., Мухтаов Е.М. Нефтебазы и АЗС. - Уфа: ДизайнПолиграфСервис, 2006. - 416с.
5. Н.М. Евтюшкин. Методика расчета сил и средств для тушения пожаров. М.: 1976. - 43 c.
6. Рябцев Н. И., Кряжев Б.Г. Сжиженные углеводородные газы. - М.: «Недра», 1977. - 279 с.
7. http://www.tozgroup.ru - огнезащита, огнестойкость, теплозащита, теплоизоляция, огнезащита конструкций.
8. Министерство РФ по делам ГО, ЧС и ликвидации последствий стихийных бедствий. Наставление по организации экстренного реагирования и ведения АСДНР при ликвидации ЧС (общие требования) - М: 2008.
9. ГОСТ 12.0.003-74. Опасные и вредные производственные факторы.
10. ГОСТ 12.3.047-98. Пожарная безопасность технологических процессов.
11. Магадеев М.Ш., Кадыров Ф.Ф., Планида Ю.М., Осипов В.И. Учебное пособие. Прогнозирование параметров завалов, образующихся при разрушении зданий. Расчет потребных сил и средств для ликвидации ЧС. - Уфа: УГАТУ, 2006. - 75с.
12. Тараканов Н.Д., Овчинников В.В.Комплексная механизация спасательных и неотложных аварийно-восстановительных работ. - М.: «Энергоатомиздат», 1984. - 304 с.
13. УМЦ по ГО и ЧС РБ. Методическая разработка. Организация материально-технического и медицинского обеспечения. - 1997.
14. Распоряжение Министерства транспорта РФ от 14 марта 2008г. № АМ-23-р о введении в действие методических рекомендаций «Нормы расхода топлив и смазочных материалов на автомобильном транспорте».
15. Руководство Р 2.2.2006-05. « Руководство по гигиенической оценке факторов рабочей среды и трудового процесса. Критерии и классификация условий труда».
16. Курдюмов В.И., Зотов Б.И. Проектирование и расчет средств обеспечения безопасности. - М.: 2005. - 216 с.
17. Елкина Л.Г., Планида Ю.М., Копейкина Н.Г., Федотова М.Е. Методические указания к выполнению экономической части дипломного проекта. - Уфа: УГАТУ, 2003. - 46с.
18. М.И. Фалеев. Предупреждение и ликвидация чрезвычайных ситуаций, обусловленных террористическими акциями, пожарами, взрывами. Методическое пособие. - М.: 2003.
19. ГОСТ 22.0.202-94. Организации аварийно-спасательных и других неотложных работ.
20. ГОСТ 5542-87. Газы горючие природные для промышленного и коммунально-бытового назначения. Технические условия.
21. СНиП 2.04.08-87. Газоснабжение. Специфические требования к технологическому оборудованию традиционных и блочных АГЗС.
22. Добронравов С.С., Дронов В.Г. Строительные машины и основы автоматизации. Учебник.- М.: Высш. шк., 2001.- 575 с.
23. Мероприятия по предупреждению и ликвидации ЧС, основы аварийно-спасательных работ. Меры безопасности. Инженерная защита. Эксплуатация защитных сооружений - М.: Военные знания, 1998. - 64 с.
24. Повзик Я.С. Пожарная тактика. Учебное пособие. - М.: Стройиздат, 1990. – 280 с.
25. Шойгу С.К., Фалеев М.И., Кириллов Г.Н. и др.: под общей редакцией Воробьева Ю.Л. Учебник спасателя. - Краснодар: «Сов. Кубань», 2002. – 528 с.
26. ГОСТ 22.0.07-95. Безопасность в чрезвычайных ситуациях. Источники техногенных чрезвычайных ситуаций. Классификация и номенклатура поражающих факторов.
27. ГОСТ 22.0.05-94. Безопасность в чрезвычайных ситуациях. Техногенные чрезвычайные ситуации. Термины и определения.
28. В. Ю. Дементьев. Опыт строительства АГЗС и других объектов газозаправочного комплекса. АвтоГазоЗаправочный Комплекс + Альтернативное Топливо. - 2008.- №2 - с.10-12.
29. www.akoil.su – компания «АКОЙЛ».
30. Красногорская Н.Н., Легушс Э.Ф., Эйдемиллер Ю.Н., Ганцева Е.М. Учебное пособие. Пожаровзрывозащита. Уфа: УГАТУ, 2006. - 109с.
31. Евтюшкин Н. М. Методика расчета сил и средств для тушения пожаров. - М.: 1976. - 43 c.
32. Методика ОНД-86. Определение зоны рассеивания паровоздушной смеси.
33. Мастрюков Б.С. Безопасность в чрезвычайных ситуациях. - М.: Издательский центр «Академия», 2003. - 336с.
34. ПБ 12-609-03. Правила безопасности для объектов, использующих сжиженные углеводородные газы.
35. Российская Федерация. Федеральный закон от 11.12.1994г. №68. О защите населения и территорий от чрезвычайных ситуаций природного и техногенного характера.
36. Перечень превентивных мероприятий при чрезвычайных ситуациях. Методическое пособие. - М.: Академия гражданской защиты, 2000. - 80 с.
37. ПБ 12-527-03. Правила безопасности при эксплуатации автомобильных заправочных станций сжиженного газа.
38. ПБ 03-576-03. Правила устройства и безопасной эксплуатации сосудов работающих под давлением.
39. Шойгу С.К. Методическое пособие по МТТО. Обеспечение мероприятий и действий сил ликвидации ЧС. М.: «ПАПИРУС», 1998. - 404с.
40. Добронравов С.С., Дронов В.Г. Строительные машины и основы автоматизации. Учебник - М.: Высш. шк., 2001.- 575 с.
41. Мероприятия по предупреждению и ликвидации ЧС, основы аварийно-спасательных работ. Меры безопасности. Инженерная защита. Эксплуатация защитных сооружений - М.: Военные знания, 1998. – 64 с.
42. СНиП 2.11.03 - 93. Склады нефти и нефтепродуков. Противопожарные нормы.Госстрой России. - М.: ГП ЦПП, 1993.
43. Евтушенко Н.Г., Кузьмин А.П. Безопасность жизнедеятельности в условиях чрезвычайных ситуаций. - М.: 1994.
44. Лисанов М.В. О техническом регулировании и критериях приемлемого риска. Безопасность труда в промышленности. Журнал - 2004.- №05. - с.11-14.
45. Девисилов В.А. Охрана труда. - М.: Форум-Инфра-М, 2006.
46. Расход топлива и ГСМ. Нормы. Комментарии. - М.: «Издательство Приор», 2002. - 48с.
47. Красногорская Н.Н., Ганцева Е.М. Оказание первой медицинской помощи: Методические указания к лабораторной работе по курсу «Безопасность жизнедеятельности». - Уфа: УГАТУ, 2002. - 26с.
48. www.sdenergo.ru – системы автономного газоснабжения.
49. Баратов А.Н., Корольченко А.Я., Кравчук Г.Н. Пожаровзрывобезопасность веществ и материалов и средств их тушения.- М.: Химия, 2000. - 153с.
50. Бесчастнов М.В. Промышленные взрывы. Оценка и предупреждение. – М.: Химия, 1991. - 431с.
51. Сергеев В.С. Защита населения и территорий в чрезвычайных ситуациях. М.: Академический проект, 2003.- 432с.
52. Молчанов В.П., Гилетич А.Н., Шебеко Ю.Н. Обеспечение пожарной безопасности объектов хранения и переработки СУГ. – М.: НИИПО, 1997.- 156 с.
