| Скачать .zip |
Реферат: Проектирование РЭС
МГАПИ
Расчетно-графическая работа
Группа ПР-7
Специальность 2008
Студент
2002 г.
Содержание
| 1. Разработка и анализ технического задания. | |
| 2. Анализ аналогов и прототипа. | |
| 2.1 Анализ существующих конструкций велоодометров. | |
| 2.2 Анализ разрабатываемой конструкции велоодометра. | |
| 3. Выбор и обоснование принципиального конструкторского решения. | |
| 3.1. Внутреннее конструирование. | |
| 3.2. Расчет теплового режима блока. | |
| 3.3. Расчёт системы на механические воздействия | |
| Перечень элементов схемы и их характеристики. |
1. Разработка и анализ технического задания.
1. Назначение цифровой велоодометр - измеритель пройденного расстояния на велосипеде
2. Выполняемые функции (радиотехнические) генерирование ипреобразование импульсов.
3. Основные параметры функционирования: потребляемая мощность — не более 0,8 Вт, напряжение питания — 4,5 В.
4. Условия эксплуатации:
Температура: Tmin=-40 °C, Tmax=60 °C
Удары:
-длительность: 5... 10 мс;
-ускорение: 197 м/с;
-частота: 40...80 -1 мин.
Вибрации :
-диапозон частот: 40... 80 Гц;
-виброускорение: 78.5 м/с2
Линейные ускорение: 3.12м/с
Пониженное атмосферное давление:61 кПа
Относительная влажность: 93% при 25°С.
5. Конструктивные особенности: для крепления к рулю велосипеда используется пластмассовый крепеж;
На лицевой панели предусмотрена кнопка для сброса показаний счетчика, а также выключатель питания прибора.
6. Показатели качества, критерии:
-дешевизна пользования;
-удобство пользования;
-надежность эксплуатации
2. Анализ аналогов и прототипа
2.1 Анализ существующих конструкций велоодометров.
В целом все велоодометры работают по одному принципу: подсчет количества импульсов за фиксированный интервал времени. И в разных схемах этот принцип реализуется по-разному. Отсюда и идёт такое разнообразие конструкций. Новое направление в развитии измерительной техники даёт использование микроконтролёров (например схема № 2). Хотя их использование повышает цену прибора во много раз, но пользовательская выгода также возрастает не в меньшее количество раз. Используя универсальность микроконтролеров и можно сэкономить немалое количество денег, функции велоодометра ограничиваются только фантазией и интеллектом разработчика! В данной работе будут рассматриваться те схемы, которые в наибольшей степени охватывают современные тенденции развития велоодометров.
Таблица 2.1.
ВелоодометрКрит. качества |
№1 | №2 | №3 | Прототип | Разрабатываемая конструкция |
| Эргономичность | - | + | - | + | + |
| Многофункциональность | - | - | + | - | - |
| Диапазон измерений, км | 1 — 100 | 1 — 300 | 1 — 100 | 0,1 — 600 | 0,1 — 600 |
| Габариты | Большие | Средние | Большие | Большие | Меньше всех |
| Вид обрабатываемого сигнала | Аналоговый | Цифровой | Цифровой | Цифровой | Цифровой |
| Масса | Большая | Средняя | Средняя | Большая | Наименьшая |
Схема №1 – простой аналоговый велоодометр, собранный на ждущем мультивибраторе (ЖМВ) на микросхеме КР1006ВИ1

Схема №2 – велоодометр с использованием микроконтролера

Схема №3 –
малоэргономичный
комбинированный
велоодометр
С
хема
прототипа.
2.2 Анализ разрабатываемой конструкции велоодометра.
Этот прибор разработан для велотуристов и спортсменов-велосипедистов, но его можно использовать и для измерения площади сельскохозяйственных угодий, садовых и лесных участков, разметки дорог, измерения дистанций для соревнований в различных видах спорта. Устройство установлено на велосипеде и позволяет непосредственно во время движения регистрировать пройденный путь.
Пользуясь велоодометром, можно измерять расстояние от 0,1 до 600 км. Принцип измерения длины отрезка пути основан на подсчете числа и. -пульсов датчика за один оборот колеса. С целью повышения точности измерения датчик этих импульсов установлен на вилке заднего колеса велосипеда, так как оно значительно точнее повторяет проходимый путь, чем переднее.
Четыре постоянных магнита, расположенные на спицах(около втулки) заднего колеса, проходя мимо геркона, замыкают его контакты и переключают формирователь импульсов. Например, длина окружности 27-дюймового колеса (с шиной) спортивного велосипеда равна 2,16 м, то при наличии четырех магнитов каждый импульс на выходе формирователя появляется в конце прохождения отрезка пути длиной 0,54 м.
При прохождении стометрового отрезка формирователь вырабатывает 185 управляющих импульсов, которые подсчитывает делитель частоты с коэффициентом деления 185. На вход счетчика пути поступает каждый 185-й импульс.
Геркон SF1 через формирователь счетных импульсов (DD1.1—DD1.2)связасс входом делителя частоты (DD3—DD5, DD1.3, DD1.4). Цепь R1R2 вместе с конденсатором С2 обеспечивает надежную работу формирователя независимо от качества контактов геркона и наличия помех. Выходной сигнал делителя частоты управляет работой счетчика пути (DD6 — DD9, HG1). Так как ЖК индикатор необходимо питать переменным током, то в устройстве предусмотрен генератор прямоугольных импульсов, собранный на элементах DD2.1, DD2.2. Импульс, обнуляющий счетчики DD3 — 005,формируется на выходе элемента DD1.4 в момент установления сигнала 1 на входах элемента DD1 3. До тех пор пока велосипедист с начала движения не проедет 100 метров, на выходе одного из счетчиков DD3 или DD5 и на выходе элемента DD1.4 будет присутствовать сигнал 0. Сигнал низкого уровня, поступая на входы R счетчиков делителя, разрешает его работу.
Требуемый коэффициент деления получен включением в цепь обратной связи делителя элементов DD1.3, DD1.4. Выходной импульс делитель формирует в момент обнуления всех счетчиков DD3 — DD5. Сигнал 1 на выходе Р счетчика DD5 появляется после 6Х X 6Х5= 180 входных импульсов. После прихода следующих пяти входных импульсов сигнал 1 появляется и на входе счетчика DD3 и происходит обнуление делителя. После этого на выходах счетчиков DD3, DD5 вновь появляется сигнал 0 и начинается очередной цикл измерения следующих 100 метров пути.
Отрицательные перепады на выходе делителя переключают триггеры счетчика пути (DD6 — DD9). Выходы дешифраторов указанных микросхем соединены с входами индикатора HG1.
Для снижения потребляемой одометром мощности и обеспечения высокой контрастности изображения цифровой информации при высоком уровне освещенности в приборе использован жидкокристаллический индикатор. Частоту выходных импульсов генератора (DD2.1, DD2.2) устанавливают в пределах 50...60 Гц, подбирая резистор R3. При поступлении сигнала низкого уровня на входы S счетчиков DD6 — DD9 на их выходах устанавливается прямой семиэлементныи код, а при единичном уровне — инверсный. При этом включаются лишь те элементы, напряжение на которых будет в противофазе с напряжением на общем проводе индикатора
Перед началом измерения расстояния велоодометр устанавливают в исходное состояние нажатием на кнопку SB1. В исходном положении SB1 конденсатор СЗ заряжен и на нижнем входе элемента DD1.4 будет сигнал 1, а на выходе — 0. При нажатии на кнопку заряженный конденсатор СЗ подключается к входам R счетчиков DD6 — DD9, обнуляет их и разряжается через резистор R5. Табло индикатора отображает нули. После отпускания кнопки на нижнем входе элемента DD1.4 на короткое время появляется сигнал 0, а на выходе— 1, который обнуляет счетчики DD3 — DD5.
В устройстве вместо микросхем серии К176 применимы их аналоги из серии К561 или К164.
Одометр собран на монтажной плате и помещен в пластмассовую коробку размерами 95Х50Х30 мм, устанавливаемую на руль велосипеда. Верхняя панель коробки имеет прямоугольное отверстие для индикатора, в которое вклеена прозрачная защитная пластина, а нижняя — два отверстия для выключателя питания и кнопки обнуления. Снизу к коробке приклеены две пластмассовые дугообразные защелки, с помощью которых прибор крепят к рулю велосипеда. С целью уменьшения габаритов прибора применен навесной способ монтажа микросхем, при котором выводы микросхем заранее формуют (кроме выводов 5—7 и 14), а микросхемы собирают одну над другой и присоединяют. Выводы питания микросхем, соединяясь, образуют две линии. Остальные выводы соединяют пайкой непосредственно или гибкими проводниками
ЖК индикатор и элементы его крепления вместе с печатной платой используют от неисправных наручных электронных часов. Печатную плату часов необходимо незначительно доработать. Для этого следует выпаять конденсаторы и кварцевый резонатор, а БИС высверлить. Через образовавшееся отверстие проводники платы соединяют с выводами микросхем счетчика пути гибкими проводниками. Прибор питают от аккумуляторной батареи 7Д-0,1.
Благодаря малому току потребления (не превышающему 0,3 мА) одометр можно оставлять включенным на несколько дней, а затем продолжать измерение. При этом в памяти счетчиков метража будет сохраняться результат уже измеренного отрезка пути.
3. Выбор и обоснование принципиального конструкторского решения.
3.1. Внутреннее конструирование.
3.1.1. Внутренняя компоновка.
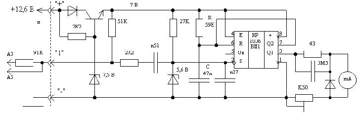
3.1.1.1. Выбор схемы расположения элементов конструкции и их расположение внутри корпуса блока. Электрическая схема велоодометра представлена в Приложении 1.
Переключатели закрепляются в отверстиях с помощью винтового соединения. Остальные элементы блока смонтированы на двух печатных платах из фольгированного стеклотекстолита толщиной 1,5 мм. Плата крепится к основанию блока параллельно, с помощью уголковых скобок и 4-х винтов.
3.1.1.2. Выбор и обоснование компоновочных характеристик ячейки.
В данном случае под ячейкой понимается печатная плата с установленными на ней элементами. Способ установки ЭРЭ — односторонний. Конструкция ячеек — бескорпусная. Форму печатных плат выбираем прямоугольную, что облегчает определение их компоновочных характеристик. Компоновочные характеристики печатных плат — ориентировочное определение массогабаритных характеристик.
При размещении ЭРЭ-тов на печатных платах, ЭРЭ-ты заменяют установочными моделями. При определении площади печатных плат посадочное место ЭРЭ представляет собой проекцию установочной площади на плату. В сумме установочные площади определяют размеры печатных плат. При этом произведение сторон печатной платы должно соответствовать площади печатной платы.
3.1.1.3. Определение массо-габаритных размеров ячейки.
Определение установочной площади Sуст элементов. Установочная площадь каждого отдельно взятого элемента выбирается из приложения 1, из таблицы «Перечень элементов схемы и их характеристики»
Определение суммарной установочной площади элементов, расположенных на первой плате:
|
Sуст=1,3 |
(1.1) |
|
Sуст=1,3 |
Определение суммарной установочной площади элементов, расположенных на второй плате:
|
Sуст=1,3 |
|
|
Sуст=1,3 |
Определение площадей печатных плат.
|
S n.n.= |
(1.2) |
где Ks — коэффициент заполнения площади печатной платы, Ks=0,8
Первая плата:
|
Sn.n = |
Вторая плата:
|
Sn.n = |
Определение габаритных размеров печатных плат. Из нескольких вариантов соотношений сторон ПП выбрали платы с размерами 40х80.
Определение габаритных размеров ячеек. На горизонтально расположенной плате длина и ширина платы будут соответственно равны длине и ширине ячейки:В=40 мм, L=80 мм.
Высота ячеек равна:
|
Н=max Hэ+hn.n |
(1.3) |
где max Hэ — высота самого высокого элемента на плате,
H –— толщина печатной платы.
Н=10,5+1,5=12 мм
Определение массы ячеек.
Масса каждой ячейки состоит из массы печатной платы и массы элементов, расположенных на ней. Масса каждого элемента mi представлена в приложении 1 в таблице 1.
|
mяч=mnn + mi |
(1.4) |
где mnn=ρхV — масса печатной платы, кг
ρ — плотность материала платы, кг/м3
V — объем ячейки, м3
Первая ячейка:
mnn=2,4х103
4б8х10-6=0,01152
кг
mяч=0,0135+0,01152=0,02502 кг
Вторая ячейка:
mnn=2,4х103
4б8х10-6=0,01152
кг
mяч=0,02065+0,01152=0,03217 кг
Вывод: найдены массо-габаритные размеры ячеек.
3.1.1.4. Выбор способов крепления плат.
Горизонтально расположенную плату крепят на двух П-образных скобках с помощью 4 винтов и гаек, причем винты проходят через плату, скобки и основание. Скобки изготовлены из алюминия.
3.1.2. Анализ и уточнение варианта.
3.1.2.1. Определение компановочных характеристик корпуса велоодометра включает в себя 2 этапа: определение габаритных размеров корпуса блока, определение общей массы конструкции блока. Габаритные размеры корпуса блока определяются исходя из конструкторских соображений.
Определяем ориентировочный объем проектируемой конструкции:
|
V= |
(1.5) |
где Кv – обобщенный коэффициент заполнения объема.
Vустi – установочный объем i-го элемента.
В качестве установочного объема i-го элемента выбираем объем ячейки. Тогда формула примет вид:
|
V= |
(1.6) |
|
Vячi = Hi |
(1.7) |
Vяч 1,2=40
80
12=38400
мм3=384
10-6м3
V =
![]()
384
10-6=480
10-6м3
Высота корпуса блока определяется по формуле:
|
H=Hяч +Х1+Х2 |
(1.8) |
где Hяч — высота ячеек
Высота ячеек складывается из высоты каждой ячейки и зазора между ячейками — 1 мм.
Hяч=25 мм
Х1, Х2 – припуски размеров для обеспечения свободной входимости ячейки в блок.
Х1 =2,5 мм, Х2 =2,5 мм.
H=25+2,5+2,5=30 мм.
Ширина корпуса блока определяется по формуле:
|
B=Bяч+Y1+Y2 |
(1.9) |
где Bяч — размер ячейки,
Bяч =50 мм
Y1,Y2 — припуски размеров для обеспечения свободной входимости ячейки в блок
Y1=5; мм
Y2=5 мм
B=40+5+5=50 мм.
Длина корпуса блока определяется по формуле:
|
L=Lяч+Z1+Z2 |
(1.10) |
где Lяч — размер ячейки, Lяч=80 мм
Z1, Z2 — припуски размеров для обеспечения свободной входимости ячеек в блок,
Z1=Z2=5 мм
L=80+5+5=90 мм
Масса конструкции блока определяется по формуле:
|
m=mяч+mк+mосн+mдоп |
(1.11) |
где mяч — масса ячеек, кг,
mк — масса корпуса блока, кг,
mосн — масса основания блока, кг,
mдоп — масса дополнительных элементов, кг.
m=0,0254∙2+0,102+0,015=0,162,8 кг.
Вывод: Определены габариты блока и масса.
3.1.2.2. Расчет теплового режима блока.
Целью расчета является определение температур нагретой зоны и среды вблизи поверхности ЭРЭ, необходимых для оценки надежности. Расчет тепловых полей внутри блока невозможен из-за громоздкости задачи и неточности исходных данных: мощности источников теплоты, теплофизических свойств материалов, размеров границ. Поэтому при расчете теплового режима блоков РЭА используют приближенные методы анализа и расчета. Расчет проводится для наиболее критичного элемента, т.е элемента допустимая положительная температура которого имеет наименьшее значение среди всех элементов, входящих в состав устройства и образующих нагретую зону. Конструкция РЭА заменяется её физической тепловой моделью, в которой нагретая зона представляется в виде параллелепипеда, имеющего среднеповерхностную температуру tн.з и рассеиваемую тепловую мощность Pн.з. Расчет теплового режима блока производят в 2 этапа: определение температуры корпуса блока tк и определение среднеповерхностной температуры нагретой зоны tн.з. Для выполнение расчета теплового режима необходимы следующие исходные данные:
размеры корпуса:
ширина B=0,05 м
длина L=0,09 м
высота H=0,03 м
размеры
нагретой зоны
l
b
h,
0,085
0,040
0,020
величина воздушных зазоров между:
нагретой зоной и нижней поверхностью корпуса hн=0,005 м
нагретой зоной и верхней поверхностью корпуса hв=0,005 мм
мощность, рассеиваемая блоком в виде теплоты Ро=1 Вт
мощность радиоэлементов, расположенных непосредственно на корпусе блока Рк=0,8 Вт
температура окружающей среды tо=60оС
Этап 1. Определение температуры корпуса.
Рассчитываем удельную поверхность мощность корпуса блока:
|
qк=Po/Sк |
(2.0) |
где Sк — площадь внешней поверхности корпуса блока
|
Sк=2 |
(2.1) |
Sк=2
(0,03
0,05+0,05
0,09+0,03
0,09)=0,0087
м2
qк=1/0,0087=11,4 Вт/м
Перегрев
корпуса блока
в первом приближении
tк=2
оС
Определяем
коэффициент
лучеиспускания
для верхней
лв,
боковой
лб,
нижней
лн
поверхностей
корпуса:
|
|
(2.2) |
где Еi — степень черноты i-й наружной поверхности корпуса, для боковой и верхней поверхностей Е = 0,92
При расчете получилось:
лв=5,4;
лб=5,4;
лн=5,4.
Для определяющей
температуры
tm=to+0,5
tк=61oC
рассчитываем
число Грасгофа
Gr для каждой
поверхности
корпуса:
|
Grmi =
|
(2.3) |
где Lопрi — определяющий размер i-й поверхности корпуса,
m
— коэффициент
объемного
расширения,
для газов
m
= (tm+ 273)-1= 0,003,
g — ускорение
свободного
падения, g=9,8 м
с-2;
Vm — кинетическая
вязкость газа,
Vm=16,96
10-6
м2/с;
Grmв=0,003
9,8
∙2=2,6
Grmб=0,003
9,8
∙2=0,09
Grmн=0,003
9,8
∙2=2,6
Определяем число Прандтля Рч, Рч=0,701
Находим режим движения газа, обтекающего каждую поверхность корпуса:
(Gr
Рч)mв=(Gr
Рч)mн=1,8
(Gr
Рч)mб=0,06
Так как
(Gr
Рч)m
5
102,
то режим переходный
к ламинарному.
Рассчитываем
коэффициенты
теплообмена
конвекцией
для каждой
поверхности
корпуса блока
кi:
|
|
(2.4) |
где
m
— теплопроводность
газа,
m=2,68
10-2
Вт/м
К
Ni – коэффициент, учитывающий ориентацию поверхности корпуса:
Ni=
кв=1,18![]()
3,81/8
1,3=0,53
кб=1,18![]()
0,311/8
1=0,69
кн=1,18![]()
3,81/8
0,7=0,28
Определяем тепловодную проводимость между поверхностью корпуса и окружающей средой Gк:
|
Gк=( |
(2.5) |
где Sн, Sб, Sв — площади нижней, боковой и верхней поверхностей корпуса соответственно
Sн=Sв=L
B=0,0015
м2
Sб=2H
(L+B) = 2
0,05
(0,115+0,03)=0,0084 м2
При расчете получилось:
Gк=0,332
Рассчитываем
перегрев корпуса
блока во втором
приближении
tко:
|
|
(2.6) |
где Ккп — коэффициент зависящий от коэффициента перфорации корпуса блока,
Ккп=0,6
Кн1—коэффициент, учитывающий атмосферное давление окружающей среды,
Кн1=1
Расчет:
tко=(0,6/0,332)
0,6
1=1,8оС
Определяем ошибку расчета:
|
|
(2.7) |
Так как
<0,1,
то расчет можно
закончить.
Рассчитываем температуру корпуса блока:
|
tк=to+ |
(2.8) |
tк = 25+1,8=61,8oC
Этап 2. Определение среднеповерхностной температуры нагретой зоны.
Вычисляем условную удельную поверхностную мощность нагретой зоны блока q3.
|
q3= |
(2.9) |
где Р3 — мощность, рассеиваемая в нагретой зоне, Р3=Ро-Рк
q3=
=14,8
Вт/м2
Перегрев нагретой зоны относительно температуры, окружающей блок среды в первом приближении:
tз=3оС
Определяем
коэффициент
теплообмена
излучением
между нижними
злн,
верхними
злв
и боковыми
злб
поверхностями
нагретой зоны
и корпуса:
|
|
(2.10) |
где Eпi — приведенная степень черноты i-й поверхности нагретой зоны и корпуса:
|
Eпi=[ |
(2.11) |
E3i и S3i — степень черноты и площадь i-й поверхности нагретой зоны.
Епв=0,933
Епб=1,98
Епн=0,933
Отсюда:
злв=5,9
злб
= 13,9
злн=5,9
Для определяющей
температуры
tm=(tк+to+
tз)/2=(61,8+60+4)/2=62,9
oC
Находим числа Грасгофа и Прандтля:
Grmн =Grmв=6,4,Grmб=2,1
Рч=0,701
Рассчитываем коэффициенты конвективного теплообмена между нагретой зоной и корпусом для каждой поверхности:
для нижней поверхности:
|
|
(2.12) |
для верхней поверхности:
зкв=
m
/hв,
для боковой поверхности:
зкб=
m
/hб
При расчетах получилось:
зкн
=
зкв=5,36
зкб=4,87
Определяем тепловую проводимость между нагретой зоной и корпусом:
|
Gзк=Кσ |
(2.13) |
где Кσ– коэффициент, учитывающий кондуктивный теплообмен, Кσ=0,09
При расчете получилось:
σзк = 0,54
Рассчитываем
перегрев нагретой
зоны
tзо
во втором
приближении:
|
|
(2.14) |
где Кw — коэффициент, учитывающий внутреннее перемещение воздуха, Кw=1
Кн2 — коэффициент, учитывающий давление воздуха внутри блока, Кн2=1
Расчет:
tзо=1,8+
=2,8
Определяем ошибку расчета:
=![]()
=
=0,06
Так как
<0,1,
то расчет может
быть закончен.
Рассчитываем температуру нагретой зоны:
|
t3=to+ |
(2.15) |
Получаем:
t3=60+2,8= 62,8 оС
Так как самый нетермостойкий элемент выдерживает температуру до +70 оС, то полученный тепловой режим работы подходит.
3.1.2.3. Расчёт системы на механические воздействия
Целью расчета является определение действующих на элементы изделия перегрузок при действии вибрации и ударов, а также максимальных перемещений. Для выполнения расчета механических воздействий необходимы следующие исходные данные:
геометрические
размеры платы,
l
b
h,
м: 0,080
0,040
0,0015
диапазон
частот вибрации,
fвиб=40
— 80 Гц
длительность удара, τ=5 — 10 мс
амплитуда ускорения при ударе, Ну=20,1 g
предельное ускорение, выдерживаемое элементами блока без разрушения:
при вибрации 8g
при ударах 45 g
при линейных ускорениях 25 g
Расчет на действие вибрации. Расчет собственных колебаний конструкции является трудоемкой задачей. Поэтому заменим конструкцию эквивалентной расчетной схемой. Определяем частоту собственных колебаний отдельных конструкционных элементов.Частота собственных колебаний равномерно нагруженной пластины вычисляется по формуле:
|
fo= |
(3.1) |
где a и b — длина и ширина пластины, м
D — цилиндрическая
жесткость
пластины, Н
м
|
D=έ |
(3.2) |
где Кa — коэффициент, зависящий от способа закрепления сторон платы, определяется по формуле:
|
Кa= |
(3.3) |
έ — модуль упругости, Н/м2;
h — толщина пластины, м;
m — масса пластины, с элементами, кг.
D=
=9,9
Н
м;
Кa=24,24
Для первой платы:
fo=![]()
![]()
![]()
![]()
=96,4
Гц
Для второй платы:
fo=![]()
![]()
![]()
![]()
=85,7
Гц
Для печатного узла должно выполняться условие fo>fв. Так как fo>fв, то обеспечивается защищенность конструкции велоодометра от вибрационных воздействий, за счет отстройки собственной частоты печатного узла от максимальной частоты внешних вибрационных воздействий.
2) Расчет на действие удара
Движение системы, вызываемое ударной силой, в течение времени действия этой силы определяется законом вынужденных колебаний. После прекращения действия ударной силы, движение системы подчиняется закону свободных колебаний. Начальными условиями при этом являются смещение и скорость движения в момент прекращения действия удара.
а) Определяем условную частоту ударного импульса:
|
|
(3.4) |
где
— длительность
ударного импульса,
с.
![]()
b) Определяем коэффициент передачи при ударе:
|
Ку=2 sin
|
(3.5) |
где
— коэффициент
расстройки,
|
|
(3.6) |
Для первой платы:
=314,16
/2π
96,4=0,519
Ку=2·sin
=0,106;
Для второй платы:
=314,16
/2π
85,7=0,583
Ку=2·sin
=0,094;
c) Рассчитываем ударное ускорение:
|
|
(3.7) |
где Ну — амплитуда ускорения ударного импульса
Для первой платы:
=20,1g
0,106=2,13
g
Для второй платы:
=20,1g
0,094=1,89
g
d) Определяем максимальное относительное перемещение:
|
Zmax= |
(3.8) |
Для первой платы:
Zmax=
·sin
=0,003
м
Для второй платы:
Zmax
=
·sin
=0,004
м
e) Проверяется выполнение условий ударопрочности по следующим критериям:
ударное
ускорение
должно быть
меньше допустимого,
т.е.
![]()
,
где
определяется
из анализа
элементной
базы,
=45
g.
Zmax<0,03 b2
где b — размер максимальной стороны ПП.
Zmax < 0,00067,
Так как условия ударопрочности выполняются для ЭРЭ и печатной платы, считаем что велоодометр защищен от воздействий удара.
3.1.2.4 Расчет линейных перегрузок.
В ходе расчета определяются возникшие в ПП напряжения и необходимый запас прочности ПП при воздействии линейных ускорений или одновременном воздействии вибрации и линейных перегрузок.
Расчет прогиба ПП при линейных ускорениях в наихудшем случае:
|
Zб=Az |
(3.9) |
где Az — коэффициент, зависящий от способа закрепления концов полоски ПП, Az=0,031;
a,b – соответственно длина и ширина ПП, м;
Е — модуль упругости ПП, Н/м2;
hnn — толщина ПП, м;
V — величина линейного ускорения, м/с2;
g — ускорение свободного падения, м/с2;
mэ — масса элементов на ПП, кг;
mn — масса ПП, кг;
l — либо длина a, либо ширина b ПП, м
Из полученных двух значений выбирается Zб = max {Zб1, Zб2}
Должно выполняться
условие Zб![]()
,
где
— допустимый
размер прогиба
ПП на длине 1
м,
=0,03
м.
В результате расчета получены следующие значения:
;
![]()
Выбираем
![]()
Условие
выполняется
Zб
10-6
м
Расчет максимального напряжения в опасных точках ПП при линейном ускорении:
G=
,
где Аσ — коэффициент, зависящий от способов закрепления сторон ПП, Аσ=16
l — либо длина а, либо ширина в ПП, м.
Из полученных двух значений выбирается σ=max{σ1, σ2}
σ1=2151 Па,
σ2=4840 Па.![]()
Выбираем σ = 4840 Па.
Определение запаса прочности ПП при линейном ускорении:
n=σn/σ,
где Gn — предельное допустимое напряжение, МПа
Для того чтобы гарантировать работоспособность, запас прочности должен быть более некоторой величины:
,
где n1=1,2 — 1,5 — коэффициент достоверности определения расчетных нагрузок и напряжений, n=1,4;
n2=1 — 1,5 — коэффициент ответственности детали, n=1,2;
n3=1,2 — 3,0 — коэффициент неоднородности свойств материала, n3=1,8.
![]()
26860
n>3,024
Определение прогиба ПП при одновременном воздействии линейных ускорений и вибраций:
Z=Zб +Zв ,
где Zв –
максимальная
амплитуда
колебаний ПП
при вибрации,
Zв=0,3
10-6м
Z=22
10-9+0,3
10-6=0,322
10-6м
Условие
Z
a
выполняется
Z
10-6м
Расчет напряжения в материале:
,
Из двух полученных значений выбирается σ=max {σ1, σ2}
Из расчета определили: σ1=314844 Па,
σ2=708400 Па
Выбираем σ=708400 Па.
Задание предела выносливости материала платы для знакопеременных нагрузок:
σв=0,2σn — для стеклотекстолита
σв=0,2
130=26
Мпа
Определения запаса прочности:
n=σв/σ
Для того чтобы гарантировать работоспособность, запас прочности должен быть более некоторой величины:
,
![]()
36,7
n>3,024
Поскольку при расчетах выполняются все необходимые условия, то обеспечивается защищенность блока при воздействии линейных ускорений или одновременном воздействии вибраций и линейных перегрузок.
Приложение 1
Перечень элементов схемы и их характеристики.
| Название элементов | Количество, шт. | Габариты мм | Конструктивные параметры | Допустимые условия эксплуатации | ||||||||||
| Длина | Ширина | Высота | Масса, г | Мощность рассеивания, Вт |
Интенсивность отказов 10-6 (1/ч) |
Влажность 98%при t °C | Температура, °C | Вибрация | Ударная нагрузка g | Линейное ускорение g | ||||
| min | max | Частота, Гц | Ускорение g | |||||||||||
| Конденсаторы К53 | 4 | 7,5 | 3,2 | 4,5 | 1,2 | 0,2 | 0,04 | 40 | -40 | +125 | 1-600 | 18 | 40 | 150 |
| Резисторы МЛТ | 5 | 6 | 2 | 1,2 | 0,15 | 0,125 | 0,01 | 40 | -60 | +125 | 10-2000 | 18 | 35 | 200 |
| Микросхемы серии К176 | 13 | 19,5 | 7,5 | 10,5 | 1,5 | 0,3 | 1 | 35 | -30 | +100 | 5-600 | 18 | 40 | 150 |
| Житкокристаллический экран | 1 | 21,3 | 9,5 | 1,2 | 2 | 0,2 | 1 | 35 | -5 | +70 | 5-600 | 8 | 45 | 25 |
| Переключатель П2К | 1 | 20 | 8 | 10 | 2 | 0,05 | 0,005 | 35 | -50 | 80 | 1-600 | 20 | 50 | 200 |
Приложение 2
Схема
электрическая
принципиальная
Министерство Высшего и Среднего Специального Образования РФ
Московская Государственная Академия Приборостроения и Информатики
Кафедра Персональная электроника .
ПОЯСНИТЕЛЬНАЯ ЗАПИСКА
к курсовому проекту на тему:
Велоодометр
Студент . . Розенфельд А. В. .
Обозначение курсового проекта КП-2068757-2008/3203-2-19-2002 .
Группа ПР-7-9901 .
Специальность 2008 Конструирование и технология радиоэлектронных . .средств
Факультет Приборостроения и радиоэлектроники (ПР) .
Проект защищен . Оценка .
Руководитель проекта . Колуков В.В.______ .
Члены комиссии . .
![]()
Москва 2002 г.
Компоновочный эскиз корпуса
зона расположения печатной платы.
зона крепления корпуса и печатной платы
зона крепления выходных разъёмов


![]()
![]()
![]()
![]()
![]()
![]()
![]()
![]()
![]()
![]()
![]()
![]()
![]()
1
3
1
3
5
1
3
50
90
5
2,5
90
30
30
50
Обоснование компоновочной схемы
Размещение комплектующих элементов должно обеспечивать равномерное и максимальное заполнение конструктивного объёма с удобным доступом для осмотра ремонта и замены.
При компоновке учтены требования устойчивости и стабильности, требования прочности и жесткости, помехозащищенности и нормального теплового режима, эргономики и удобства эксплуатации.
В компоновочном блоке выделены три основные зоны, которые дают общее представление о блоке:
зона расположения печатной платы. Выбираем в соответствии с размещением элементов на плате. Занимает почти весь объём блока.
зона крепления корпуса и печатной платы
зона крепления выходных разъёмов
Список используемых источников:
1)Проектирование конструкций радиоэлектронной аппаратуры: Учеб. пособие для вузов / Е.М. Парфенов, Э.Н. Камышная, В.П. Усачев.–М.: Радио и связь, 1989.
2)Справочник конструктора РЭА: Общие принципы конструирования /Под ред. Р.Г. Варламова.– М.: Сов. радио, 1980 Учебное пособие по курсу
3)Основы проектирования РЭС: Колуков В.В.
Содержание
|
1. Разработка и анализ технического задания. |
3 |
|
2. Анализ аналогов и прототипа. |
|
|
2.1 Анализ существующих конструкций велоодометров. |
4 |
|
2.2 Анализ разрабатываемой конструкции велоодометра. |
6 |
|
3. Выбор и обоснование принципиального конструкторского решения. |
|
|
3.1. Внутреннее конструирование. |
8 |
|
3.2. Расчет теплового режима блока. |
10 |
|
3.3. Расчёт системы на механические воздействия |
13 |
|
Перечень элементов схемы и их характеристики. |
17 |