| Скачать .zip |
Реферат: Переходные процессы в электрических цепях
Оглавление
| Схема | 2 стр. |
|
Составление характеристического уравнения по Zвх и расчет его корней. |
3 стр. |
| Определение принужденных составляющих. | 4 стр. |
| Определение начальных условий. | 5 стр. |
| а) Независимые начальные условия | 5 стр. |
| б) Зависимые начальные условия | 5 стр. |
| Составление дифференциальных уравнений по Законам Кирхгофа. | 6 стр. |
|
Составление дифференциальных уравнений методом Д-алгебраизации. |
8 стр. |
| Анализ полученного дифференциального уравнения. | 10 стр. |
| Решение дифференциального уравнения классическим методом. | 11 стр. |
| Определение остальных токов и напряжений. | 12 стр. |
| Проверочная таблица. | 13 стр. |
| Операторный метод расчета. | 14 стр. |
|
Расчет iL методом переменных состояния. |
16 стр. |
|
Графики
|
19 стр. |
| Список использованной литературы. | 20 стр. |
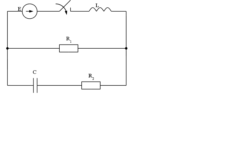
Схема

![]()
![]()
![]()
![]()
![]()
![]()
![]()
![]()
![]()
![]()
Составление характеристического уравнения по Zвх и расчет его корней
|
|
(1) |
|
|
(2) |
|
|
(3) |
Расчет корней
|
|
(4) | |
|
|
(5) | |
|
|
(6) | |
|
|
(6) | |
|
|
(7) | |
|
|
(8) | |
|
|
(9) | |
|
|
(10) | |
|
|
(11) | |
Определение принужденных составляющих
i1
i3
|
|
(12) |
|
|
(13) |
|
|
(14) |
|
|
(15) |
|
|
(16) |
|
|
(17) |
|
|
(18) |
Определение начальных условий
Независимые начальные условия.
|
|
(19) |
Зависимые начальные условия.
|
|
(20) |
при t=0
|
|
(21) |
Подставляем Н.Н.У
|
|
(22) |
|
|
(23) |
Из (22) и (23) получаем
|
|
(24) |
|
|
(25) |
Подставим (24) во второе уравнение системы (21), тогда
|
|
(26) |
Из (26) находим
|
|
(27) |
Из (24) и (25) получаем
|
|
(28) |
|
|
(29) |
Составление дифференциального уравнения, составленного по законам Кирхгофа
Перепишем систему (20) в виде
|
|
(30) |
Откуда следует
|
|
(31) |
|
|
(32) |
Подставим (32) в (31), тогда
|
|
(33) |
|
|
(34) |
|
|
(35) |
Из
второго уравнения
системы (30) выразим
![]()
|
|
(36) |
|
|
(37) |
Подставим (37) в (35) тогда
|
|
(38) |
|
|
(39) |
В силу того, что
|
|
(40) |
Подставив (39) в (40) получим
|
|
(42) |
Тогда подставляя в (32) выражения (42) и (37), получим
|
|
(43) |
|
|
(44) |
|
|
(45) |
|
|
(46) |
|
|
(47) |
Получаем дифференциальное уравнение, составленное по Законам Кирхгофа
|
|
(48) |
Составление дифференциального уравнения методом Д-алгебраизации
Рассмотрим систему (20)
|
|
(49) |
|
|
(50) |
|
|
(51) |
Если учесть (50) и (51), тогда система (49) примет вид
|
|
(52) |
Рассмотрим второе и третье уравнение системы
|
|
(53) |
Подставим первое уравнение системы (52) во второе уравнение системы (53)
|
|
(54) |
|
|
(55) |
|
|
(56) |
|
|
(57) |
|
|
(58) |
|
|
(59) |
|
|
(60) |
|
|
(61) |
Подставим Н.Н.У в (61)
|
|
(62) | |
|
|
(63) | |
|
Тогда,
исходя из (50),
(63) примет вид
|
(64) | |
Т.е. мы получили дифференциальное уравнение, составленное методом Д-алгебраизации
Анализ полученного дифференциального уравнения
![]()
1) ![]()
![]()
2) 

Решение дифференциального уравнения классическим методом.
|
|
(65) |
Исходя из (12)
|
|
(66) | |
|
|
(67) | |
Подставим (66) и (67) в (65)
|
|
(68) |
Рассмотрим (68) для момента времени t=0
|
|
(69) |
|
|
(70) |
Из (26) и (68), получим
|
|
(71) |
Подставим (70) в (71)
|
|
(72) |
Откуда
|
|
(73) |
|
|
(74) |
Подставим
равенства (73),
(74), (10), (11) в (68) , получим
выражение для
тока
![]()
|
|
(75) |
Определение остальных токов и напряжений.
Определение токов
Из
второго уравнения
системы (30), находим
,
учитывая (75)
|
|
(76) |
|
|
(77) |
Из
первого уравнения
системы (30), находим
,
учитывая (75) и
(76)
|
|
(78) |
|
|
(79) |
Определение напряжений
Исходя
из (76), находим
![]()
|
|
(80) |
|
|
(81) |
Исходя из
(78), находим
![]()
|
|
(82) |
|
|
(83) |
Из третьего
уравнения
системы (30) находим
,
учитывая (80) и
(82)
|
|
(84) |
|
|
(85) |
|
|
(86) |
Учитывая
(75) находим
![]()
|
|
(87) |
|
|
(88) |
Проверочная таблица
| Величина |
t<0 докомутационный режим |
t=0 |
|
||
| По З.К. | По расчетным уравнениям | По З.К. | По расчетным уравнениям | ||
|
|
0 | 0 | 0 |
|
0.222 |
|
|
0 | 0 | 0 |
|
0.222 |
|
|
0 | 0 | 0 | 0 | 0 |
|
|
0 | 0 | 0 |
|
200 |
|
|
0 | 0 | 0 | 0 | 0 |
|
|
0 |
|
200 | 0 | 0 |
|
|
0 | 0 | 0 |
|
200 |
Расчетные уравнения
![]()
![]()
![]()
![]()
![]()
![]()
![]()
![]()
![]()
![]()
![]()
![]()
![]()
![]()
Операторный метод расчета

В
силу Н.Н.У (19)
и
![]()
Тогда
определим
изображение
тока![]()
|
|
(89) |
|
|
(90) |
|
|
(91) |
Находим
и
![]()
|
|
(92) |
|
|
(93) |
|
|
(94) |
|
|
(95) |
|
|
(96) |
|
|
(97) |
Подставим (91) в (89)
|
Прейдем
от изображения
к
оригиналу
,
с помощью
теоремы разложения
|
|
(99) |
|
|
(100) |
|
|
(101) |
|
|
(102) |
|
|
(103) |
|
|
(104) |
|
|
(105) |
|
|
(106) |
|
|
(107) |
|
|
(108) |
|
|
(109) |
|
|
(110) |
|
|
(111) |
Расчет iL методом переменных состояния
Из второго уравнения системы (30)
|
|
(112) |
|
|
(113) |
Из
(35) выражаем
![]()
|
|
(114) |
Подставим (114) в (113)
|
|
(115) |
|
|
(116) |
Из
первого уравнения
системы (30) выражаем
![]()
|
|
(117) |
|
|
(118) |
Подставим (116), (114) и (118) в (117)
|
|
(119) |
|
|
(120) |
Расчет переходных процессов, составленных методом переменных состояния с помощью программы MathCad.
Решение с применением метода Рунге – Кутта
|
|
Квадратная матрица собственных коэффициентов системы, которые определяются структурой цепи и параметрами элементов. |
|
|
Вектор независимых переменных, элементы которого определяются входными воздействиями. |
|
|
Вектор начальных условий. |
|
|
D - описывает правую часть уравнений, разрешенных относительно первых производных |
|
|
Начальный момент переходного процесса |
|
|
Конечный момент переходного процесса |
|
|
Число шагов для численных расчетов. |
|
|
Применение
метода Рунге-Кутта.
Решение Z представляет
собой матрицу
размера Nx3. Первый
столбец этой
матрицы Z<0>
содержит моменты
времени, столбец
Z<1> содержит
значения тока,
а столбец Z<2>
содержит значения
функции
|
График зависимости
тока
![]()

![]()
График зависимости
напряжения
![]()

![]()
Графики
![]()

![]()
![]()
![]()

![]()
Проверка
по законам
Кирхгофа при
с
![]()
![]()
![]()
![]()
![]()
![]()
![]()
![]()
![]()
![]()
![]()
![]()
![]()
![]()
Список использованной литературы
Г. И. Атабеков "ТОЭ" часть 1 Москва 1978 г.
Методические указания к домашним заданиям по расчету электрических цепей. Под. Ред. А. П. Лысенко ЛМИ 1981 г.
Ю. Г. Сиднев "Электротехника с основами электроники" Ростов-на-Дону 2002 г.
Балтийский Государственный Технический Университет "ВОЕНМЕХ"
Курсовая работа по электротехнике
на тему
"Переходные процессы в электрических цепях"
Вариант №
Выполнил:
Проверил:
Группа:
Санкт-Петербург











































































